ttl与非门逻辑功能测试 (1)
- 格式:doc
- 大小:37.50 KB
- 文档页数:2
实验二TTL与非门的参数和特性测试实验目的:测试TTL与非门的参数和特性实验器材:1.TTL与非门电路板2.电源3.示波器4.逻辑分析仪5.连接线6.其他必要的辅助器件(如电阻、电容等)实验原理:TTL与非门(英文全称:Transistor-Transistor Logic NOT Gate)是一种常用的数字逻辑门电路,它是由晶体管和电阻等元器件构成的。
TTL与非门的主要功能是将输入信号取反,并输出到输出端。
在TTL与非门的电路中,输入信号为低电平时,输出信号为高电平;输入信号为高电平时,输出信号为低电平。
实验步骤:1.将TTL与非门电路板连接到电源上,并将示波器和逻辑分析仪连接到电路板上相应的引脚上。
2.开启电源,使电路板正常工作。
3.测量并记录输入端和输出端的电压。
输入端的电压为高电平时,记录输出端的电压,输入端的电压为低电平时,记录输出端的电压。
4.分析所测得的数据,并绘制输入电压和输出电压的关系曲线。
5.测试TTL与非门的最大工作频率。
通过改变输入信号的频率,逐渐增大频率直到输出信号出现错误,记录频率值。
6.测试TTL与非门的功耗特性。
测量输入电压为高电平时的功耗,以及输入电压为低电平时的功耗,并对测得的数据进行比较和分析。
实验结果:根据实验步骤和实验原理进行实验后,我们可以得到以下结果:1.输入端和输出端的电压关系。
根据测得的数据,绘制出输入电压和输出电压的关系曲线图。
2.最大工作频率。
记录输出信号出现错误的频率值,作为TTL与非门的最大工作频率。
3.功耗特性。
测量输入电压为高电平时的功耗和输入电压为低电平时的功耗,并对比分析。
实验分析:根据实验结果,我们可以对TTL与非门的参数和特性进行分析。
1.输入电压和输出电压关系。
通过绘制输入电压和输出电压的关系曲线图,可以分析出TTL与非门的转换特性和输入输出电平的范围。
2.最大工作频率。
通过得到的最大工作频率值,可以判断TTL与非门的响应速度和应用场合。
实验二TTL与非门逻辑功能及参数测试一、实验目的1、熟悉TTL与非门外型和管脚引线排列。
2、掌握TTL门电路逻辑功能测试方法。
3、掌握TTL门电路传输特性及主要参数的测试方法。
二、实验仪器1、万用表1块2、晶体管毫伏表1台3、数字电路实验箱1台4、器件74LS00 二输入端四与非门1片三、实验原理本实验采用四“与非”门74LS00,它共有四组独立的“与非”门(Ⅰ、Ⅱ、Ⅲ、Ⅳ),每组有两个输入端,其插脚位置如图1-15-1所示。
图1-15-1 74LS00引线排列图1-15-2 74LS00与非门(一组)每组的构造和逻辑功能相同。
现以其中一组说明如下:TTL与非门电路如图1-15-2所P AB “与非”TTL。
为输出端。
逻辑功能为P为“与非”门的二个输入端,B和A示。
.门的主要参数有:1、扇入系数N和扇出系数N:能使电路正常工作的输入端数目称为扇入系数N,电i0i路正常工作时能带动的同类门的数目称为扇出系数N。
02、输出高电平V:一般V≥3V。
OHOH3、输出低电平V:一般V≤0.3V。
OLOL4、电压传输特性曲线,开门电平V和关门电平V:图1-15-3所示之V~V关系曲0ONOFFi线称为电压传输特性曲线。
使输出电压V刚刚达到低电平V时的最低输入电压V称为开i0OL门电平V。
使输出电压V刚刚达到高电平V时的输入电压V称为关门电平V。
OFFOHON0i图1-15-3 电压传输特性曲线图1-15-4 输出波形延迟于输入波形5、输入短路电流I:一个输入端接地,其它输入端悬空时,流过该接地输入端的电流RD为输入短路电流I。
RD6、空载导通功耗P:指输入全部为高电平输出为低电平时的功率损耗。
ON7、空载截止功耗P:指输入为低电平输出为高电平时的功率损耗。
OFF8、抗干扰噪声容限:电路能够保持正确的逻辑关系所允许的最大干扰电压值,称为噪声容限。
其中输入低电平时的噪声容限为V=V-V,而输入高电平时的噪声容限为ILNLOFF V=V-V。
TTL与非门参数的测试TTL(transistor-transistor logic)是一种常用于数字电路的逻辑芯片技术。
它使用晶体管来实现逻辑门的功能,通过与非门(NOT gate)来实现逻辑操作。
在本文中,我们将测试TTL与非门的参数,并讨论其性能。
输入(A),输出(Y)-----------------0,11,0输入电压范围指的是将逻辑门认为是低电平或高电平的电压值。
对于TTL与非门,一般认为输入电压小于0.8V为低电平,大于2V为高电平。
这是因为TTL芯片使用的是晶体管,其饱和电压一般为0.7V,所以小于0.8V的电压被认为是低电平。
大于2V的电压被认为是高电平。
输出电压范围指的是逻辑门输出的电压范围。
对于TTL与非门,一般认为输出电压小于0.1V为低电平,大于2.4V为高电平。
这是因为TTL芯片使用的是晶体管,其饱和电压一般为0.2V,所以小于0.1V的电压被认为是低电平。
大于2.4V的电压被认为是高电平。
功耗是指逻辑门在工作时消耗的电功率。
对于TTL与非门,功耗一般较低,约为10-100毫瓦。
这是因为TTL芯片使用的是晶体管,晶体管的功耗相对较低。
响应时间是指逻辑门从接收到输入信号到输出信号发生改变的时间。
对于TTL与非门,响应时间一般较短,约为10-30纳秒。
这是因为TTL芯片使用的是晶体管,其响应速度较快。
为了对TTL与非门的参数进行测试,我们可以使用示波器来观察输入和输出信号的波形。
首先,我们将一个脉冲信号作为输入信号输入到TTL 与非门的输入端,并同时观察输入和输出信号的波形。
然后,我们可以测量输入信号的电压范围和输出信号的电压范围。
此外,我们还可以使用示波器来测量TTL与非门的响应时间。
通过测试TTL与非门的参数,我们可以评估其性能并确定其在数字电路设计中的可靠性和适用性。
对于不满足要求的参数,我们可以考虑使用其他类型的逻辑门或优化电路设计来解决问题。
总之,TTL与非门是一种常用的逻辑门,其参数包括输入电压范围、输出电压范围、功耗和响应时间。
实验一基本门电路(验证型)一、实验目的(1)熟悉常用门电路的逻辑功能;(2)学会利用门电路构成简单的逻辑电路。
二、实验器材数字电路实验箱 1台;74LS00、74LS02、74LS86各一块三、实验内容及步骤1、TTL与非门逻辑功能测试(1)将四2输入与非门74LS00插入数字电路实验箱面板的IC插座上,任选其中一与非门。
输入端分别输入不同的逻辑电平(由逻辑开关控制),输出端接至LED“电平显示”输入端。
观察LED亮灭,并记录对应的逻辑状态。
按图1-1接线,检查无误方可通电。
图1-1表1-1 74LS00逻辑功能表2、TTL或非门、异或门逻辑功能测试分别选取四2输入或非门74LS02、四2输入异或门74LS86中的任一门电路,测试其逻辑功能,功能表自拟。
3、若要实现Y=A′, 74LS00、74LS02、74LS86将如何连接,分别画出其实验连线图,并验证其逻辑功能。
4、用四2输入与非门74LS00实现与或门Y=AB+CD的功能。
画出实验连线图,并验证其逻辑功能。
四、思考题1.TTL与非门输入端悬空相当于输入什么电平?2.如何处理各种门电路的多余输入端?附:集成电路引出端功能图实验二组合逻辑电路(设计型)一、实验目的熟悉简单组合电路的设计和分析过程。
二、实验器材数字电路实验箱 1台,74LS00 三块,74LS02、74LS04、74LS08各一块三、实验内容及步骤1、设计一个能比较一位二进制A与 B大小的比较电路,用X1、X2、X3分别表示三种状态:A>B时,X1=1;A<B时X2=1;A=B时X3=1。
(用74LS04、74LS08和74LS02实现)要求:(1)列出真值表;(2)写出函数逻辑表达式;(3) 画出逻辑电路图,并画出实验连线图;(4)验证电路设计的正确性。
2、测量组合电路的逻辑关系:(1)图3-2电路用3块74LS00组成。
按逻辑图接好实验电路,输入端A、B、C 分别接“逻辑电平”,输出端D、J接LED“电平显示”;图3-2 表3-2(2)按表3-2要求,将测得的输出状态和LED显示分别填入表内;(3)根据测得的逻辑电路真值表,写出电路的逻辑函数式,判断该电路的功能。
实验一基本逻辑门逻辑功能测试及应用一、实验目的1. 掌握TTL集成逻辑门的逻辑功能及其测试方法。
2. 掌握TTL器件的使用规则。
3. 熟悉数字电路实验仪的结构、基本功能和使用方法。
4. 练习熟练使用DS1052E型数字示波器。
二、实验原理门电路是构成各种复杂数字电路的基本逻辑单元,掌握各种门电路的逻辑功能和电器特性,对于正确使用数字集成电路是十分必要的。
目前应用最广泛的集成电路是TTL和CMOS。
TTL集成逻辑门电路根据其型号的不同,有不同的内部结构和引脚,在本实验中我们只选取了常用的与非门、与或非门来进行测试。
与非门是门电路中应用较多的一种,与非门的逻辑功能为,当输入端中有一个或一个以上是低电平时,输出为高电平;只有当输入全部为高电平时,输出才为低电平。
而与或非门的逻辑功能为,当同一个与门端组的输入端全部为高电平时,输出为低电平;当同一个与门端组中有一个或一个以上的输入端为低电平时,输出即为高电平。
实验前请认真阅读TTL集成电路使用规则。
数字系统中有时需要把两个或两个以上集成逻辑门的输出端直接并接在一起完成一定的逻辑功能。
对于普通的TTL门电路,由于输出级采用了推拉式输出电路,无论输出是高电平还是低点平,输出阻抗都很低。
因此,通常不允许将它们的输出端并接在一起使用。
集电极开路门和三态输出门是两种特殊的TTL门电路,它们允许把输出端直接并接在一起使用。
三、实验仪器及器件1. DS1052E型示波器2. EL-ELL-Ⅳ型数字电路实验系统3. DT9205数字万用表4.器件:集成电路芯片74LS00 74LS10 74LS51四、实验内容及步骤1.与非门逻辑功能测试(1)选用三输入端与非门74LS10,按图1-1连接实验电路,即将与非门的三个输入端A、B、C分别接至逻辑电平开关的电平输出插口,与非门的输出端Y接至显示逻辑电平的发光二极管的电平输入插口,同时将数字万用表调至直流电压档连接到门电路的输出端,测量输出电压值。
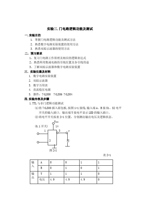
实验二.门电路逻辑功能及测试一.实验目的1.掌握门电路逻辑功能及测试方法2.熟悉数字电路实验装置的使用方法3.熟悉双踪示波器的使用方法二.预习要求1、复习门电路工作原理及相应的逻辑表达式2、熟悉所用集成电路的引线位置及各引线用途3、了解双踪示波器和数字电路实验装置三.实验仪器及材料1.数字电路实验装置2.双踪示波器3.数字万用表4.直流稳压电源5.器件:74LS00 74LS86 74LS04四.实验内容及步骤1.TTL与非门逻辑功能测试(1)将74LS00插入面包板,按图1-1接线,输入端A、B接S1、S2电平开关的输入插口,输出端Y接电平显示LED的输入插口。
(2)将电平开关按表2-1位置,分别测出输出电压及逻辑状态。
Vcc(0,1开关) 141 3 y2 ○V图2-1表2-1输入 A 0 0 1 1B 0 1 0 1输出 Y 1 1 1 0 电压 4.9 4.9 4.9 02.TTL 异或门逻辑功能测试(1)将74LS86插入面包板,按图2-2接线,输入端A 、B 接S1、S2电平开关的输入插口,输出端Y 接电平显示LED 的输入插口。
(2)将电平开关按表1-1位置,分别测出输出电压及逻辑状态。
(3)写出异或门逻辑函数的表达式Vcc (0,1开关) 14 A1 3B 2图2-27○V 表2-23.逻辑电路的功能测试(1)用法74LS00和74LS04按图2-3接好(2)将输入输出的逻辑信号分别测试填入表2-3中 (3)写出图2-3电路的逻辑表达式ZZE F C D A B 图2-3输 入 A 0 0 1 1 B 0 1 0 1输 出 Y 0 1 1 0 电压 0 4.9 4.9 0表2-34. 利用与非门控制输出将74LS00接线:A 接电平开关输出插口B 接1KHz 脉冲信号用双踪示波器:y1输入端接B 端,观察脉冲信号 y2输入端接输出Z 进行观察(1) A=0 (2) A=1分别记录输入、输出波形,说明与非门的控制作用。
试验一TTL与非门的参数测试TTL是“Transistor-Transistor Logic”的缩写,是一种常用的数字逻辑电路家族。
而非门是TTL电路中的一种基本逻辑门,用于实现逻辑反相操作。
在这篇文章中,我们将进行TTL与非门的参数测试。
TTL与非门是由晶体管等离子晶体管作为开关来实现的。
在这个实验中,我们将测试TTL与非门的三个重要参数:输入电压(Vin)与输出电压(Vout)之间的电平转换阈值(Vih和Vil)、输入电压的电流特性以及输出电压的输出电流特性。
我们将逐个测试这些参数,以了解TTL与非门的性能。
首先,我们将测试输入电压与输出电压之间的电平转换阈值。
这是指在何种输入电平下,TTL与非门会进行状态改变。
通常情况下,高电平对应逻辑1,低电平对应逻辑0。
我们将选择一系列不同的输入电压,并记录产生的输出电平。
通过这些数据,我们可以通过绘制输入电压与输出电压的关系曲线来确定电平转换阈值。
接下来,我们将测试输入电压的电流特性。
这是指在不同输入电压下,TTL与非门的输入端的电流变化情况。
我们将使用电压表来测量不同输入电压下的输入电流,并记录这些数据。
通过这些数据,我们可以确定TTL与非门的输入电压与输入电流之间的关系。
最后,我们将测试输出电压的输出电流特性。
这是指在不同输出电压下,TTL与非门的输出端的输出电流变化情况。
我们将使用电流表来测量不同输出电压下的输出电流,并记录这些数据。
通过这些数据,我们可以确定TTL与非门的输出电压与输出电流之间的关系。
在进行这些测试时,我们需要注意到TTL与非门的工作电压范围。
根据TTL与非门的规格书,我们需要提供正确的电源电压和电流以确保测试的准确性。
此外,我们还应该注意到TTL与非门的温度特性,因为温度的变化可能会对测试结果产生影响。
通过对TTL与非门的参数进行测试,我们可以了解其性能特点,并在实际应用中进行正确的设计与布局。
这对于保证电路的可靠性和稳定性非常重要。
TTL与⾮门参数测试⼀. 实验⽬的1)熟悉TTL与⾮门集成电路的外形和管脚引线排列。
2)通过测试了解与⾮门的直流参数3)加深对与⾮门逻辑功能的认识⼆. 实验仪器(点击可看到图⽚)1. xst-6D电⼦技术综合实验装置2. 500型万⽤表3. DS1052E (点击可阅读使⽤⼿册)4. 元件:74LS20三. 预习要求1. 复习《数字电⼦技术基础》相关内容2. 了解74ls20的逻辑功能和管脚排列;3.ICCL, IIL, IIH, IOL, No,tpd是什么?4. 与⾮门在什么条件下输出⾼电平?什么情况下输出低电平?不⽤的输⼊端怎么处理?5. TTL电路,如果某输⼊端悬空,则相当于给该输⼊端输⼊了什么电平的信号?6. 请说明⽤直流电流表测电路的某个⽀路电流时关键步骤和应注意的事项?四. 实验原理、步骤⾸先,根据逻辑功能检查与⾮门是否良好。
1. 测量下列各直流参数:1)低电平输出时的电源电流ICCL。
门电路的信号输⼊、输出脚悬空,这时门电路的输出处在低电平状态,这时,⽤直流电流表测出IC的Vcc脚的电流。
2)低电平输⼊电流IIL。
3)⾼电平输⼊电流IIH。
4)电压传输特性。
Uon:表⽰与⾮门输出低电平时,允许输⼊的⾼电平的电压值的最⼩值,在图上求出。
(即在VOL=0.4V时,求Vi)Uoff:表⽰与⾮门输出⾼电平时,允许输⼊的低电平的电压值的最⼤值,在图上求出。
(即在VoH=2.4V时,求Vi) 5)扇出系数No得出的⼩数要圆整6)平均传输延迟时间tpd。
我们把输出电压波形滞后于输⼊电压波形的时间叫传输延迟时间(见《数字电⼦技术基础》门电路)。
有两个重要参数tPHL,tPLH,五. 报告要求1)列出直流参数的实测数据表格,,与出⼚参数相⽐,判断参数是否合格。
2) ⼀个该⾮门能驱动多少个TTL门电路?假设LED的⼯作电流是20mA,他可以⽤该门电路直接驱动吗(画出该电路)?3) 画出传输特性,确定VOFF、VON、VOL、VOH值4)列出与⾮门的实测数据表格,看逻辑关系是否相符。
实验一TTL与非门的参数测试实验目的:通过测试TTL与非门的参数,了解其工作原理和性能特点。
实验器材:1.TTL与非门集成电路芯片(例如:74LS04)2.面包板3.连线杜邦线4.LED等基础元件5.电源6.示波器实验原理:实验步骤:1.连接电路:将TTL与非门芯片安装在面包板上,并与电源、LED等元件适当地进行连接。
根据需要,可以连接多个输入信号和输出信号。
2.施加电源:将电源接入电路,确保电压符合TTL电路的工作要求(通常为5V)。
3.输入测试:通过外部开关或按钮等触发输入信号,观察输出信号状态的变化。
可以通过连接示波器来观察电路的工作波形。
4.参数测量:根据实验需要,可以测试TTL与非门的不同参数,例如输入电压门限(VIH、VIL)、输出电流和输入电流。
实验结果:通过测试TTL与非门的参数,可以得到以下结果:1.输入电压门限:根据数据手册,可以测量TTL与非门的高电平输入电压门限(VIH)和低电平输入电压门限(VIL)。
这些门限电压确定了逻辑电平的切换点。
2.输出电流:可测量TTL与非门的输出电流,这是通过所选工作电压下的外部负载(如LED)所测得的。
输出电流的大小决定了芯片的驱动能力。
3.输入电流:可以通过测量输入端的电流(通常是输入电压为高电平或低电平时的电流值)来确定TTL与非门的输入阻抗。
实验注意事项:1.操作电路时,应注意电源的稳定性和接线的可靠性,以避免电路损坏。
2.测量参数时,应使用合适的测量仪器,并按照正确的操作步骤进行测量。
3.执行测试时,应按照实验计划记录测试数据,并及时分析和总结实验结果。
实验拓展:1.可以进一步测试TTL与非门的工作速度参数,例如上升时间、下降时间和传播延迟等。
2.可以将TTL与非门与其他逻辑门(如与门、或门等)进行组合,构建更复杂的数字逻辑电路。
3.可以通过改变输入信号的方式,如按钮触发、串行输入等,来测试TTL与非门在不同工作条件下的性能。
本次实验通过测试TTL与非门的参数,能够更好地理解其工作原理和性能特点。
实验一TTL 与非门的静态参数测试实验报告By kqh from SYSU一、实验数据及数据分析1.低电平输出电源电流I CCL和高电平输出电源电流I CCH及静态平均功耗P:I CCL:测试电路如图1(a)所示,测得I CCL为I CCH:测试电路如图1(b)所示,测得I CCH为 mAP:P===W=图1(a)图1(b)数据分析:低电平输出电源电流 I CCL比高电平输出电源电流 I CCH高,符合理论预测。
2.输入短路电流I IS和输入漏电流I IH:I IS(或I IL):测试电路如图2(a)所示,测得I IS为I IH:测试电路如图2(b)所示,电流过小,多用电表无测量示数图2(a)图2(b)数据分析:输入短路电流I IS和输入漏电流I IH分别是和无示数,均比较小,说明前级门电路带负载的个数较多。
3.输出高电平U OH及关门电平U off测试电路如图3所示,测得U OH为则当输出电压为90%U OH()时,测得输入电压(即关门电压)为图34.输出低电平U OL及开门电平U on测试电路如图4所示,测得U OL为调整输入电压,测得开门电平U on为图4数据分析:综合实验3、4可知,74LS00 的跳变电压在在之间,高电平为,低电平为。
5.测试TTL与非门的电压传输特性u i(V)0U0(V)u i(V)U0(V)u i(V)234U0(V)用MATLAB拟合,u0关于u i的函数图像,如图5所示00.51 1.52 2.53 3.540.511.522.533.54TTL 与非门的电压传输特性v ovi图5图像分析:在高电平输出范围内,随输入电平增大,输出电平轻微减小;在低电平输出范围内,输出电平基本不随输入电平变化而变化。
输入电平在左右时,输出电平出现跳跃,与实验3、4结果基本相符 6. 平均传输延迟时间t pd测试电路如图6(a)所示,输出波形如图6(b)所示。
图6(a)图6(b)数据分析:由波形图中读得T=,则二、实验思考题1、TTL与非门和CMOS与非门有何异同点答:TTL 与 CMOS 的相同点是:a.都是与非逻辑元件,可以实现与非逻辑功能b.输出端都可以悬空c.都有输出高电平UOH、关门电平Uoff、输出低电平UOL及开门电平Uon等参数TTL 与 CMOS 的不同点是:a.TTL与非门的闲置输入端可以悬空,悬空时相当于接高电平。
实验一TTL与非门的静态参数测试TTL(Transistor-Transistor Logic)与非门是一种基础的数字逻辑门电路,常用于数字电子设备中。
在本实验中,我们将对TTL与非门进行静态参数测试,以了解其性能和特性。
TTL与非门是一种两输入的逻辑门电路,其输入和输出信号通过晶体管进行控制和放大。
它的逻辑功能是将两个输入信号取反,并输出一个布尔值。
TTL与非门通常由几个晶体管和几个电阻组成。
在进行静态参数测试之前,我们需要了解TTL与非门的一些重要参数。
其中包括输入高电平(VIH)、输入低电平(VIL)、输出高电平(VOH)和输出低电平(VOL)。
静态参数测试是测量这些参数的过程,以确保TTL与非门在工作时能够正确输出。
首先,我们需要设置实验电路。
为了进行测试,我们将使用通用数字示波器和数字电源。
将TTL与非门的输入端分别连接到数字电源的正负极,并连接示波器的信号探头到输出端。
接下来,我们开始测试TTL与非门的静态参数。
首先是输入高电平的测试。
将输入端连接到数字电源的正极,并逐渐升高电压直到TTL与非门输出从低电平变为高电平。
记录该电压值作为VIH。
然后是输入低电平的测试。
将输入端连接到数字电源的负极,并逐渐降低电压直到TTL与非门输出从高电平变为低电平。
记录该电压值作为VIL。
接下来是输出高电平的测试。
将数字电源的负极连接到TTL与非门的输入端,并逐渐升高电压直到输出电平从低电平变为高电平。
记录该电压值作为VOH。
最后是输出低电平的测试。
将数字电源的正极连接到TTL与非门的输入端,并逐渐降低电压直到输出电平从高电平变为低电平。
记录该电压值作为VOL。
完成这些测试后,我们可以对TTL与非门的静态参数进行分析和评估。
VIH和VIL值表示了TTL与非门所能接受的有效输入电压范围。
VOH和VOL值则反映了TTL与非门所能提供的有效输出电压范围。
正常情况下,TTL与非门的VIH和VOH应较高,而VIL和VOL应较低。
成绩:教师评语一、实验目的及要求(1)理解TTL集成与非门的逻辑功能。
(2)掌握TTL集成逻辑门主要参数的测量方法。
(3)掌握集成逻辑电路相互衔接时应遵循的规则和实际衔接方法。
二、实验原理与内容实验采用的二输入四与非门74LS00为一块集成块内含有四个相互独立的与非门,每个与非门有两个输入端。
其引脚排列与图形符号如图1-1所示。
图1-1 74LS00外引脚排列图1. 与非门的逻辑功能与非门的逻辑功能为:当输入端中有一个或一个以上是低电平时,输出端为高电平;只有当输入端全部为高电平时,输出端才是低电平,即有“0”得“1”,全“1”得“0”。
其逻辑表达式为:Y=AB。
TTL集成与非门的主要参数有输出高电平V OH、输出低电平V OL、扇出系数N0、电压传输特性和平均传输延迟时间t pd等。
(1)TTL门电路的输出高电平V OHV OH是与非门有一个或多个输入端接地或接低电平时的输出电压值,此时与非工作管处于截止状态。
空载时,V OH的典型值为3.4~3.6V,接有拉电流负载时,V OH下降。
(2)TTL门电路的输出低电平V OLV OL是与非门所有输入端都接高电平时的输出电压值,此时与非工作管处于饱和导通状态。
空载时,它的典型值约为0.2V,接有灌电流负载时,V OL将上升。
(3)TTL门电路的电压传输特性门的输出电压V o随输入电压V i而变化的曲线V o=f(V i)称为门的电压传输特性,通过它可读得门电路的一些重要参数,如输出高电平V OH、输出低电平V OL、关门电平V off、开门电平V ON等值。
测试电路如图1-2所示,采用逐点测试法,即调节R w,逐点测得V i及V o,然后绘成曲线。
图1-2 电压传输特性测试电路三、实验软硬件环境1、数字逻辑电路实验箱。
2、芯片74LS00。
3、5.1K,100Ω,200Ω,500Ω,1K电阻;1K,10K可调电阻。
4、数字万用表。
四、实验过程(实验步骤、记录、数据、分析)1、在THD-2型实验箱适当位置选取一个14P插座,按定位标记插好74LS00集成块,插座的第7脚接上实验箱的地(GND),第14脚接上电源(VCC),与非门逻辑功能测试电路按实验电路图4-7接线。
数字电子技术2实验报告(人工智能与电气工程学院)实验课程:数字电子技术2专业班级:网安191班指导教师:杜永强学生姓名:陈胜迪学生学号:2019240401实验地点:第二实验楼320实验日期:2021.5.29贵州理工学院实验报告1、验证 74LS20 的逻辑功能在数字电路试验台上合适的位置选取一个 14P 插座,按定位标记插好74LS20 集成块。
按图 1-3 连线,门的四个输入端接逻辑开关输出插口,以提供“0”与“1”电平信号,开关向上,输出逻辑“1”,向下为逻辑“0”。
门的输出端接由 LED 发光二极管组成的逻辑电平显示器。
图1-374LS20 有 4 个输入端,有 16 个最小项,在实际测试时,只要通过对输入1111、0111、1011、1101、1110 五项进行检测就可判断其逻辑功能是否正常。
2、74LS20 主要参数的测试(1)ICCL、ICCH、IiL与 IiH测试电路如图 1-4(a)、(b) 、(c)、(d)所示。
按图接线并进行测试将测试结果表 1-5 中。
由于 IiH较小,难以测量,一般免于测试。
图 1-4 TTL 与非门静态参数测试电路图(2)扇出系数 NONOL的测试电路如图 1-5 所示,门的输入端全部悬空,输出端接灌电流负载 RL,调节 RL使 IOL 增大,VOL随之增高,当 VOL达到 VOLm(手册中规定低电平规范值 0.4V)时的 IOL就是允许灌入的最大负载电流,则通常NOL≥8 。
按图接线并进行测试,将测试结果表 1-5 中,并计算出扇出系数 NO图 1-5 扇出系数试测电路(3)电压传输特性测试电路如图 1-6 所示,采用逐点测试法,即调节 RW,使得 Vi的值逐一达到表 1-6 中的值,记录此时对应的 VO,所有值测量完成后绘成曲线。
图 1-6。
实验 TTL与非门逻辑功能测试
一、实验目的
1.熟悉集成门电路的外观和引线排列
2.掌握TTL与非门逻辑功能
二、实验设备
5VDC电源、面包板、数字万用表、导线若干、逻辑电平指示器一组、逻辑开关一组、4输入端双与非门(74LS20)、双输入端四与非门(74LS00)
三、实验内容及要求
1.测试74LS20与非门的逻辑功能
(1)画出实验电路图,设计实验表格(包括输入端的各种逻辑状态、输出端的逻辑状态及电平)。
(2)搭试电路验证,用万用表测量输出电压。
2.用74LS00芯片组成与、或、或非门电路(均为2输入端)
(1)写出逻辑表达式,画出实验电路图,标明各管脚;(2)搭试电路进行验证;(3)列状态表验证结果。
3.用74LS00芯片组成异或门电路
(1)写出逻辑表达式,画出实验电路图;(2)搭试电路进行验证;(3)列状态表验证结果。
四、思考题
1.逻辑值“1”是否是指电平为1V?
2.在逻辑开关电路原理图中,没有1KΩ限流电阻行不行?为什么?
3.在逻辑电平指示器电路原理图中,没有300Ω限流电阻行不行?为什么?
五、附录
1.逻辑开关及作用
如图1所示,利用1kΩ电阻作为限流电阻,电键作为逻辑值输入(当电键按下,相对应的端子输出逻辑值“0”;当未按下电键,输出逻辑值为“1”)。
图1 逻辑开关电路原理图
图2 逻辑电平指示器
2.逻辑电平指示器及作用
为了便于检验逻辑电路的输出逻辑值,我们采用发光二极管电路来检验逻辑电平的高低。
如图2所示,当某输入端为低电平时,对应的发光二极管不亮;当某输入端为高电平时,对应的发光二极管亮。
3.有关芯片外引线排列图
如图3所示,分别为74LS20及74LS00芯片外引线排列图。
图3 芯片外引线排列图。