实验一:TTL与非门的静态参数测试
- 格式:pdf
- 大小:488.43 KB
- 文档页数:8
【实验题目】TTL与非门的静态参数测试实验者:夕何【实验目的】1.掌握TTL与非门电路主要参数和电压传输特性的测试方法。
2.熟悉数字电路实验箱、数字万用表的使用。
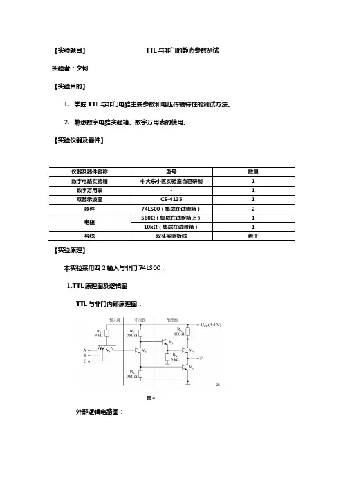
【实验仪器及器件】仪器及器件名称型号数量数字电路实验箱中大东小区实验室自己研制 1数字万用表- 1双踪示波器CS-4135 1 器件74LS00(集成在试验箱) 2电阻560Ω(集成在试验箱上) 1 10kΩ(集成在试验箱) 1导线双头实验板线若干【实验原理】本实验采用四2输入与非门74LS00,1.TTL原理图及逻辑图TTL与非门内部原理图:图a外部逻辑电路图:图b2.集成与非门的静态参数: a)输出高电平OH Ub)关门电平off Uc)输出低电平OL U d)开门电平on Ue)阈值电压T Uf)输入短路电流IS I g)输入漏电流IH Ih)低电平输出电源电流CCL Ii)高电平输出电源电流CCH I j)平均传输延迟时间pd t【实验内容及实验步骤】1.低电平输出电源电流CCL I 和高电平输出电源电流CCH I 及静态平均功耗错误!未找到引用源。
:CCL I 和CCH I 测试图分别如下:图2 (a)测试CCL I (b)测试CCH I2.输入短路电流IS I 和输入漏电流IH I :IS I 及IH I 测试图如下:图3 (a)为IS I 测试图 (b)为IH I 测试图3.输出高电平OH U 及关门电平off U ,输出低电平OL U 及开门电平on UOH U 及off U 测量电路如图4(a) 所示。
先调W ,使输入电压为0V 这时输出电压即为OH U 。
然后渐渐增大输入电压,当输出电压下降到90%OH U 时,测得输入电压即为关门电平off U 。
OL U 及on U 测量电路如图4(b) 所示。
先调W ,使输入电压为高电平,测得的输出电压即为OL U 。
然后渐渐减小输入电压,使得输出电压维持在OL U 的最低输入电平,即为开门电平on U 。
第二次实验报告实验一 TTL 与非门参数测试一、实验目的要求1, 熟悉TTL 与非门的外形和管脚排列 2, 掌握TTL 与非门逻辑功能的测试方法3, 掌握TTL 与非门主要参数的测试方法,加深理解TTL 与非门参数及其物理意义 二 实验仪器、设备直流稳压电源,电子电路调试器,万用表,74LS20、电位器、电阻 三、实验线路、原理框图 (一)74LS20的管脚排列74LS20是一块由两个4输入端与非门组成的小规模集成电路,其逻辑表达式为Y=D C B A 。
它具有14个外引管脚,当芯片的缺口朝左方时,芯片的左上方为14号脚,接电源Vcc (所有TTL 集成电路使用的电源电压均为Vcc=+5V ),右下方7号脚GND 接0V 。
多数芯片的电源引脚是对角线分布的。
芯片的外引脚管排列规则,通常是左下方是1号脚,按逆时针方向递增排列。
它的引脚图如下:图1(二)74LS20的静态参数 1,低电平输出电源电流I ccl低电平输出电源电流I ccl 是指:所有输入端悬空,输出端空载时,电源提供器件的电流。
测试电路如下:图22,输入短路电流I Is低电平输入电流是指:被测输入端的输入电压V Il =0.4V,其余输入端悬空时,由被测输入端流出的电流值。
测试时,把被测输入端接地,可以测得与非门的输入短路电流I Is ,此值可1B 1C 1D 1Y 地近似地代替I Il值。
测试电路如下:图33,电压传输特性电压传输特性是反映输出电压V0与输入电压V1之间关系的特性曲线。
测试电路如下:图4四、实验方法步骤(一)74LS20逻辑功能的测试任选一个与非门,将三个输入端A、B、C、D分别接电子电路调试器的状态设置开关,其余不用的输入端悬空(或接高电平),输出端接LED逻辑电平指示器,逐个按真值表扳动状态设置开关。
测试结果如下:(二)测试74LS20的静态参数1,测试低电平输出电源电流I ccl按图2接线,测试结果为I ccl=1.45mA2,测试输入短路电流I Is按图3接线,测试结果为I Is=0.1mA4,根据上表描点作图,如下图所示:。
试验一TTL与非门的参数测试TTL是“Transistor-Transistor Logic”的缩写,是一种常用的数字逻辑电路家族。
而非门是TTL电路中的一种基本逻辑门,用于实现逻辑反相操作。
在这篇文章中,我们将进行TTL与非门的参数测试。
TTL与非门是由晶体管等离子晶体管作为开关来实现的。
在这个实验中,我们将测试TTL与非门的三个重要参数:输入电压(Vin)与输出电压(Vout)之间的电平转换阈值(Vih和Vil)、输入电压的电流特性以及输出电压的输出电流特性。
我们将逐个测试这些参数,以了解TTL与非门的性能。
首先,我们将测试输入电压与输出电压之间的电平转换阈值。
这是指在何种输入电平下,TTL与非门会进行状态改变。
通常情况下,高电平对应逻辑1,低电平对应逻辑0。
我们将选择一系列不同的输入电压,并记录产生的输出电平。
通过这些数据,我们可以通过绘制输入电压与输出电压的关系曲线来确定电平转换阈值。
接下来,我们将测试输入电压的电流特性。
这是指在不同输入电压下,TTL与非门的输入端的电流变化情况。
我们将使用电压表来测量不同输入电压下的输入电流,并记录这些数据。
通过这些数据,我们可以确定TTL与非门的输入电压与输入电流之间的关系。
最后,我们将测试输出电压的输出电流特性。
这是指在不同输出电压下,TTL与非门的输出端的输出电流变化情况。
我们将使用电流表来测量不同输出电压下的输出电流,并记录这些数据。
通过这些数据,我们可以确定TTL与非门的输出电压与输出电流之间的关系。
在进行这些测试时,我们需要注意到TTL与非门的工作电压范围。
根据TTL与非门的规格书,我们需要提供正确的电源电压和电流以确保测试的准确性。
此外,我们还应该注意到TTL与非门的温度特性,因为温度的变化可能会对测试结果产生影响。
通过对TTL与非门的参数进行测试,我们可以了解其性能特点,并在实际应用中进行正确的设计与布局。
这对于保证电路的可靠性和稳定性非常重要。
TTL与⾮门参数测试⼀. 实验⽬的1)熟悉TTL与⾮门集成电路的外形和管脚引线排列。
2)通过测试了解与⾮门的直流参数3)加深对与⾮门逻辑功能的认识⼆. 实验仪器(点击可看到图⽚)1. xst-6D电⼦技术综合实验装置2. 500型万⽤表3. DS1052E (点击可阅读使⽤⼿册)4. 元件:74LS20三. 预习要求1. 复习《数字电⼦技术基础》相关内容2. 了解74ls20的逻辑功能和管脚排列;3.ICCL, IIL, IIH, IOL, No,tpd是什么?4. 与⾮门在什么条件下输出⾼电平?什么情况下输出低电平?不⽤的输⼊端怎么处理?5. TTL电路,如果某输⼊端悬空,则相当于给该输⼊端输⼊了什么电平的信号?6. 请说明⽤直流电流表测电路的某个⽀路电流时关键步骤和应注意的事项?四. 实验原理、步骤⾸先,根据逻辑功能检查与⾮门是否良好。
1. 测量下列各直流参数:1)低电平输出时的电源电流ICCL。
门电路的信号输⼊、输出脚悬空,这时门电路的输出处在低电平状态,这时,⽤直流电流表测出IC的Vcc脚的电流。
2)低电平输⼊电流IIL。
3)⾼电平输⼊电流IIH。
4)电压传输特性。
Uon:表⽰与⾮门输出低电平时,允许输⼊的⾼电平的电压值的最⼩值,在图上求出。
(即在VOL=0.4V时,求Vi)Uoff:表⽰与⾮门输出⾼电平时,允许输⼊的低电平的电压值的最⼤值,在图上求出。
(即在VoH=2.4V时,求Vi) 5)扇出系数No得出的⼩数要圆整6)平均传输延迟时间tpd。
我们把输出电压波形滞后于输⼊电压波形的时间叫传输延迟时间(见《数字电⼦技术基础》门电路)。
有两个重要参数tPHL,tPLH,五. 报告要求1)列出直流参数的实测数据表格,,与出⼚参数相⽐,判断参数是否合格。
2) ⼀个该⾮门能驱动多少个TTL门电路?假设LED的⼯作电流是20mA,他可以⽤该门电路直接驱动吗(画出该电路)?3) 画出传输特性,确定VOFF、VON、VOL、VOH值4)列出与⾮门的实测数据表格,看逻辑关系是否相符。
实验一 TTL 与非门的参数测试一、实验目的·掌握TTL 与非门主要参数的测试方法。
·掌握TTL 与非门电压传输特性的测试方法。
·熟悉集成元器件管脚排列特点。
二、实验原理TTL 集成与非门是数字电路中广泛使用的一种基本逻辑门,使用时必须对它的逻辑功能、主要参数和特性曲线进行测试,以确定其性能好坏。
本实验采用TTL 集成元器件74LS00与非门进行测试。
它是一个2输人端4与非门,形状为双列直插式,逻辑表达式为F =A ·B ,其逻辑符号及外引线排列图如图1—1(a)(b)(c)(d)所示。
图1-1与非门逻辑符号及74LS00外引线排列图1 2 3 4 5 6 7 (d)74LS00引脚排列(a)国内常用符号A Y(b)国外常用符号A BY(C)国际标准符号A Y1.TTL与非门主要参数(1)输出高电平V OH和输出低电平V OLV OH是指与非门一个以上的输入端接低电平或接地时,输出电压的大小。
此时门电路处于截止状态。
如输出空载,V OH必须大于标准高电平(V SH=2.4V),一般在3.6V左右。
当输出端接有拉电流负载时,V OH将降低。
V OL是指与非门的所有输人端均接高电平时,输出电压的大小。
此时门电路处于导通状态。
如输出空载,V OL必须低于标准低电平(V SL=0.4V),约为0.1V左右。
接有灌电流负载时,V OL将上升。
(2)低电平输入电流I ILI IL是指当一个输入端接地,而其他输入端悬空时,输入端流向接地端的电流,又称为输入短路电流。
I IL的大小关系到前一级门电路能带动负载的个数。
(3)高电平输入电流I IHI IH是指当一个输入端接高电平,而其他输入端接地时,流过接高电平输入端的电流,又称为交叉漏电流。
它主要作为前级门输出为高电平时的拉电流。
当I IH太大时,就会因为“拉出”电流太大,而使前级门输出高电平降低。
(4)输入开门电平V ON和关门电平V OFFV ON是指与非门输出端接额定负载时,使输出处于低电平状态时所允许的最小输入电压。
实验一TTL 与非门的静态参数测试实验报告By kqh from SYSU一、实验数据及数据分析1.低电平输出电源电流I CCL和高电平输出电源电流I CCH及静态平均功耗P:I CCL:测试电路如图1(a)所示,测得I CCL为I CCH:测试电路如图1(b)所示,测得I CCH为mAP:P===W=图1(a) 图1(b)数据分析:低电平输出电源电流I CCL比高电平输出电源电流I CCH高,符合理论预测。
2.输入短路电流I IS和输入漏电流I IH:I IS(或I IL):测试电路如图2(a)所示,测得I IS为I IH:测试电路如图2(b)所示,电流过小,多用电表无测量示数图2(a) 图2(b)数据分析:输入短路电流I IS和输入漏电流I IH分别是和无示数,均比较小,说明前级门电路带负载的个数较多。
3.输出高电平U OH及关门电平U off测试电路如图3所示,测得U OH为则当输出电压为90%U OH()时,测得输入电压(即关门电压)为图34.输出低电平U OL及开门电平U on测试电路如图4所示,测得U OL为调整输入电压,测得开门电平U on为图4数据分析:综合实验3、4可知,74LS00 的跳变电压在在之间,高电平为,低电平为。
5.u i(V) 0U0(V)u i(V)U0(V)u i (V) 2 3 4 U 0(V)用MATLAB 拟合,u 0关于u i 的函数图像,如图5所示0.511.522.533.54TTL 与非门的电压传输特性v ovi图5图像分析:在高电平输出范围内,随输入电平增大,输出电平轻微减小;在低电平输出范围内,输出电平基本不随输入电平变化而变化。
输入电平在左右时,输出电平出现跳跃,与实验3、4结果基本相符6. 平均传输延迟时间t pd测试电路如图6(a)所示,输出波形如图6(b)所示。
图6(a)图6(b)数据分析:由波形图中读得T=,则二、实验思考题1、TTL与非门和CMOS与非门有何异同点答:TTL 与CMOS 的相同点是:a.都是与非逻辑元件,可以实现与非逻辑功能b.输出端都可以悬空c.都有输出高电平UOH、关门电平Uoff、输出低电平UOL及开门电平Uon等参数TTL 与CMOS 的不同点是:a.TTL与非门的闲置输入端可以悬空,悬空时相当于接高电平。
实验一TTL与非门的参数测试实验目的:通过测试TTL与非门的参数,了解其工作原理和性能特点。
实验器材:1.TTL与非门集成电路芯片(例如:74LS04)2.面包板3.连线杜邦线4.LED等基础元件5.电源6.示波器实验原理:实验步骤:1.连接电路:将TTL与非门芯片安装在面包板上,并与电源、LED等元件适当地进行连接。
根据需要,可以连接多个输入信号和输出信号。
2.施加电源:将电源接入电路,确保电压符合TTL电路的工作要求(通常为5V)。
3.输入测试:通过外部开关或按钮等触发输入信号,观察输出信号状态的变化。
可以通过连接示波器来观察电路的工作波形。
4.参数测量:根据实验需要,可以测试TTL与非门的不同参数,例如输入电压门限(VIH、VIL)、输出电流和输入电流。
实验结果:通过测试TTL与非门的参数,可以得到以下结果:1.输入电压门限:根据数据手册,可以测量TTL与非门的高电平输入电压门限(VIH)和低电平输入电压门限(VIL)。
这些门限电压确定了逻辑电平的切换点。
2.输出电流:可测量TTL与非门的输出电流,这是通过所选工作电压下的外部负载(如LED)所测得的。
输出电流的大小决定了芯片的驱动能力。
3.输入电流:可以通过测量输入端的电流(通常是输入电压为高电平或低电平时的电流值)来确定TTL与非门的输入阻抗。
实验注意事项:1.操作电路时,应注意电源的稳定性和接线的可靠性,以避免电路损坏。
2.测量参数时,应使用合适的测量仪器,并按照正确的操作步骤进行测量。
3.执行测试时,应按照实验计划记录测试数据,并及时分析和总结实验结果。
实验拓展:1.可以进一步测试TTL与非门的工作速度参数,例如上升时间、下降时间和传播延迟等。
2.可以将TTL与非门与其他逻辑门(如与门、或门等)进行组合,构建更复杂的数字逻辑电路。
3.可以通过改变输入信号的方式,如按钮触发、串行输入等,来测试TTL与非门在不同工作条件下的性能。
本次实验通过测试TTL与非门的参数,能够更好地理解其工作原理和性能特点。
竭诚为您提供优质文档/双击可除与非门传输特性实验报告
篇一:实验1与非门测试
实验一TTL与非门的静态参数测试实验报告
一、实验数据(一)
1.低电平输出电源电流IccL和高电平输出电源电流Icch及静态平均功
率??
2.输入短路电流IIs和输入漏电流IIh
3.输出高电平uoh及关门电平uoFF
4.输出低电平uoL及开门电平uon((:与非门传输特性实验报告)二)
测试TTL与非门的电压传输特性
(三)
平均传输延迟时间tpd
由示波器测得T=96.00ns,于是??pd=波形如下:
??14
=
9614
≈6.8571.
二、实验分析1.实验原理图
图1测量低电平输出电源电流IccL图2测量高电平输出电源电流Icch
图3测量输入短路电流IIs图4输入漏电流IIh
图5输出高电平uoh及关门电平uoFF图6测量输出低电平uoL及开门电平uon
图7测试TTL与非门的电压传输特性
图8测量平均传输延迟时间tpd
2.由实验(二)所得参数,运用matlab画出电压传输特性曲线。
uo(V)
0.511.5
2ui(V)
2.53
3.54
3.实验数据分析
a低电平输出电源电流IccL为2.029mA,高电平输出电源电流Icch为0.674mA,且低电平输出电源电流IccL比高电平输出电源电流高,符合理论值。
实验一 TTL门电路参数测试实验一、实验目的1.掌握TTL集成与非门的主要性能参数及测试方法。
2.掌握TTL器件的使用规则。
3.熟悉数字电路测试中常用电子仪器的使用方法。
二、实验原理本实验采用二输入四与非门74LS00,即一块集成块内含有四个相互独立的与非门,每个与非门有两个输入端。
其外引脚排列图如下:图1-1 74LS00外引脚排列图TTL集成与非门的主要参数有输出高电平V OH、输出低电平V OL、扇出系数N0、电压传输特性和平均传输延迟时间t pd等。
(1)TTL门电路的输出高电平V OHV OH是与非门有一个或多个输入端接地或接低电平时的输出电压值,此时与非工作管处于截止状态。
空载时,V OH的典型值为3.4~3.6V,接有拉电流负载时,V OH下降。
(2)TTL门电路的输出低电平V OLV OL是与非门所有输入端都接高电平时的输出电压值,此时与非工作管处于饱和导通状态。
空载时,它的典型值约为0.2V,接有灌电流负载时,V OL将上升。
(3)TTL门电路的输入短路电流I is它是指当被测输入端接地,其余端悬空,输出端空载时,由被测输入端输出的电流值,测试电路图如图1-2。
图1-2 I is的测试电路图(4)TTL门电路的扇出系数N0扇出系数N0指门电路能驱动同类门的个数,它是衡量门电路负载能力的一个参数,TTL集成与非门有两种不同性质的负载,即灌电流负载和拉电流负载。
因此,它有两种扇出系数,即低电平扇出系数N0L和高电平扇出系数N0H。
通常有I iH<I iL,则N0H>N0L,故常以N0L作为门的扇出系数。
N0L的测试电路如图1-3所示,门的输入端全部悬空,输出端接灌电流负载R L,调节R L使I OL增大,V OL随之增高,当V OL达到V Ol m(手册中规定低电平规范值为0.4V)时的I OL就是允许灌入的最大负载电流,则N0L=I OL÷I is,通常N0L>8图1-3 扇出系数测试电路(5)TTL门电路的电压传输特性门的输出电压V o随输入电压V i而变化的曲线V o=f(V i)称为门的电压传输特性,通过它可读得门电路的一些重要参数,如输出高电平V OH、输出低电平V OL、关门电平V off、开门电平V ON等值。
实验一TTL 与非门的静态参数测试实验报告By kqh from SYSU一、实验数据及数据分析1.低电平输出电源电流I CCL和高电平输出电源电流I CCH及静态平均功耗P:I CCL:测试电路如图1(a)所示,测得I CCL为I CCH:测试电路如图1(b)所示,测得I CCH为 mAP:P===W=图1(a)图1(b)数据分析:低电平输出电源电流 I CCL比高电平输出电源电流 I CCH高,符合理论预测。
2.输入短路电流I IS和输入漏电流I IH:I IS(或I IL):测试电路如图2(a)所示,测得I IS为I IH:测试电路如图2(b)所示,电流过小,多用电表无测量示数图2(a)图2(b)数据分析:输入短路电流I IS和输入漏电流I IH分别是和无示数,均比较小,说明前级门电路带负载的个数较多。
3.输出高电平U OH及关门电平U off测试电路如图3所示,测得U OH为则当输出电压为90%U OH()时,测得输入电压(即关门电压)为图34.输出低电平U OL及开门电平U on测试电路如图4所示,测得U OL为调整输入电压,测得开门电平U on为图4数据分析:综合实验3、4可知,74LS00 的跳变电压在在之间,高电平为,低电平为。
5.测试TTL与非门的电压传输特性u i(V)0U0(V)u i(V)U0(V)u i(V)234U0(V)用MATLAB拟合,u0关于u i的函数图像,如图5所示00.51 1.52 2.53 3.540.511.522.533.54TTL 与非门的电压传输特性v ovi图5图像分析:在高电平输出范围内,随输入电平增大,输出电平轻微减小;在低电平输出范围内,输出电平基本不随输入电平变化而变化。
输入电平在左右时,输出电平出现跳跃,与实验3、4结果基本相符 6. 平均传输延迟时间t pd测试电路如图6(a)所示,输出波形如图6(b)所示。
图6(a)图6(b)数据分析:由波形图中读得T=,则二、实验思考题1、TTL与非门和CMOS与非门有何异同点答:TTL 与 CMOS 的相同点是:a.都是与非逻辑元件,可以实现与非逻辑功能b.输出端都可以悬空c.都有输出高电平UOH、关门电平Uoff、输出低电平UOL及开门电平Uon等参数TTL 与 CMOS 的不同点是:a.TTL与非门的闲置输入端可以悬空,悬空时相当于接高电平。
实验一TTL与非门的静态参数测试TTL(Transistor-Transistor Logic)与非门是一种基础的数字逻辑门电路,常用于数字电子设备中。
在本实验中,我们将对TTL与非门进行静态参数测试,以了解其性能和特性。
TTL与非门是一种两输入的逻辑门电路,其输入和输出信号通过晶体管进行控制和放大。
它的逻辑功能是将两个输入信号取反,并输出一个布尔值。
TTL与非门通常由几个晶体管和几个电阻组成。
在进行静态参数测试之前,我们需要了解TTL与非门的一些重要参数。
其中包括输入高电平(VIH)、输入低电平(VIL)、输出高电平(VOH)和输出低电平(VOL)。
静态参数测试是测量这些参数的过程,以确保TTL与非门在工作时能够正确输出。
首先,我们需要设置实验电路。
为了进行测试,我们将使用通用数字示波器和数字电源。
将TTL与非门的输入端分别连接到数字电源的正负极,并连接示波器的信号探头到输出端。
接下来,我们开始测试TTL与非门的静态参数。
首先是输入高电平的测试。
将输入端连接到数字电源的正极,并逐渐升高电压直到TTL与非门输出从低电平变为高电平。
记录该电压值作为VIH。
然后是输入低电平的测试。
将输入端连接到数字电源的负极,并逐渐降低电压直到TTL与非门输出从高电平变为低电平。
记录该电压值作为VIL。
接下来是输出高电平的测试。
将数字电源的负极连接到TTL与非门的输入端,并逐渐升高电压直到输出电平从低电平变为高电平。
记录该电压值作为VOH。
最后是输出低电平的测试。
将数字电源的正极连接到TTL与非门的输入端,并逐渐降低电压直到输出电平从高电平变为低电平。
记录该电压值作为VOL。
完成这些测试后,我们可以对TTL与非门的静态参数进行分析和评估。
VIH和VIL值表示了TTL与非门所能接受的有效输入电压范围。
VOH和VOL值则反映了TTL与非门所能提供的有效输出电压范围。
正常情况下,TTL与非门的VIH和VOH应较高,而VIL和VOL应较低。
⼤学电⼦技术实验⼀基本逻辑门的参数及特性测试第⼆部分数字电⼦技术实验实验⼀基本逻辑门电路参数测试⼀、实验⽬的1、掌握TTL 与⾮门电路集成芯⽚的外形、引脚图和各引脚的作⽤。
2、掌握TTL 与⾮门电路主要参数和电压传输特性的测试⽅法。
3、掌握测试CMOS 门电路参数的测试⽅法及使⽤规则。
4、通过上⾯的测试加深对两种器件的认识以及正确的使⽤⽅法。
⼆、预习要求1、阅读数字电⼦基础教材第四章的内容。
2、查阅集成电路器件(见附图),熟悉74LS00、74HC20的电路功能以及引脚结构图。
3、阅读本实验的实验原理和测试⽅法。
4、掌握数字万⽤表和⽰波器的使⽤⽅法。
三、实验内容1、TTL与⾮门的静态参数测试,以74LS00、74LS20为例。
2、TTL 与⾮门的动态参数测试。
以74LS00、74LS04为例。
3、CMOS门电路参数及逻辑功能测试。
四、实验原理与测试⽅法1、TTL 与⾮门的静态参数测试。
I(1)低电平输⼊电流iLTTL 与⾮门某⼀输⼊端接地,其余输⼊端均悬空,流过接地输⼊端的电流称为输⼊低电平电流iL I ,或称为输⼊短路电流is I 。
在实际应⽤中,is I 相当于前级门输出低电平时后级向前级门灌⼊的电流,因⽽is I 的⼤⼩影响到前级门低电平输出时驱动该类型负载门的个数。
is I 的测试电路如图1.1所⽰。
(2)⾼电平输⼊电流iH ITTL 与⾮门某⼀输⼊端接⾼电平,其余输⼊端均接地,流过接⾼电平输⼊端的电流称为输⼊⾼电平电流iH I 。
在多级门电路中,当前⼀级门输出⾼电平时,iH I 就是前级门的拉电流负载,因⽽iH I 的⼤⼩影响到前级门⾼电平输出时驱动该类型负载门的个数。
iH I 的测试电路如图1.2 所⽰。
图1.1 输⼊短路电流is I 的测试电路图1.2 ⾼电平输⼊电流iH I 的测试电路(3)关门电平OFF V与⾮门的⼀个输⼊接V1,其它输⼊端悬空,慢慢增⼤V1,使门电路的输出⾼电平达到其下限值(min)OH V 时所对应的输⼊电平称为该门的关门电平OFF V 。