轮胎原材料
- 格式:doc
- 大小:213.50 KB
- 文档页数:41
轮胎半成品工艺引言轮胎是汽车、摩托车等交通工具的重要组成部分,也是确保车辆安全行驶的关键之一。
轮胎的制造过程非常复杂,其中的一个重要阶段就是轮胎半成品工艺。
本文将从原材料的选择、工艺流程的组织以及半成品的质量控制等方面,介绍轮胎半成品工艺的相关内容。
原材料的选择轮胎的半成品工艺需要选用高质量的原材料,以确保最终产品的性能和品质。
以下是几种常用的原材料及其特性:1.橡胶:橡胶是轮胎的主要原材料,它需要具备优异的弹性、耐磨性以及耐高温性能。
常用的橡胶有天然橡胶和合成橡胶两种,其选用要根据不同的车辆类型和使用环境进行评估。
2.钢丝:钢丝用于增强轮胎的抗拉强度和刚度。
它需要具备良好的耐腐蚀性和高强度,以应对车辆行驶过程中的各种力学应变。
3.化学添加剂:在轮胎制造过程中,需要加入各种化学添加剂来改善橡胶的加工性能和性能稳定性。
常用的添加剂包括硫化剂、硫化促进剂、防老化剂等。
工艺流程的组织轮胎的半成品工艺按照不同的生产工艺和设备设施,可以分为以下几个主要的环节:1.制胎:首先是制备轮胎芯体,通过将橡胶片、钢丝圈以及其他材料进行层叠、压制、造型等工序,形成轮胎的基本结构。
2.编织:轮胎芯体制备完成后,需要将其与钢丝编织在一起,形成轮胎的骨架。
编织过程中要保证钢丝与芯体的紧密结合,以及整体结构的平衡和均衡。
3.模塑:通过将经过编织的轮胎芯体放入模具中,进行加热、压制等工序,使轮胎芯体及编织的骨架与橡胶完全融合,形成一体化结构。
4.硫化:硫化是轮胎半成品工艺中非常重要的一环,通过将半成品放入硫化腔中,进行高温、高压处理,使橡胶发生化学反应,增强其强度和耐磨性。
5.终检:半成品经过硫化处理后,需要进行严格的质量检查,确保轮胎的尺寸、物理性能以及外观质量等符合标准要求。
半成品的质量控制轮胎半成品的质量控制是整个制造过程中的关键环节,以下是几点常见的质量控制措施:1.原材料检验:对每批原材料进行严格的化学成分、物理性能等方面的检验,确保原材料的合格率。
全钢轮胎制造工艺流程1.原材料的准备全钢轮胎的主要原材料包括橡胶、纤维材料(如尼龙帘布、钢丝帘布)、化学添加剂和金属配件(如连边和胎圈等)。
在制造过程中,这些原材料需要经过严格的质量检验和筛选,确保其质量符合标准要求。
2.胎面制备胎面是轮胎与地面接触的部分,对轮胎的性能和使用寿命有着重要的影响。
胎面的制备主要包括以下几个步骤:(1)橡胶配方设计:根据轮胎的使用要求和性能指标,确定橡胶的配方,并添加适量的填充剂、增塑剂和硫化剂等。
(2)橡胶热炼:将橡胶混合物在混炼机中进行机械剪切和热能传递,使橡胶分子发生断裂和重组,形成具有一定强度和弹性的橡胶胶料。
(3)成型:将热炼好的橡胶胶料通过滚轮制、挤出法等成型工艺,制备成具有特定花纹和尺寸的胎面。
3.胎体制备胎体是轮胎的骨架,起到支撑、保护和增加刚度等作用。
胎体的制备主要包括以下几个步骤:(1)尼龙帘布预拉伸:将尼龙帘布经过预拉伸处理,使其具有一定的拉伸强度和弹性,提高胎体的整体强度。
(2)帘布预组装:根据轮胎的结构和尺寸要求,将预拉伸好的尼龙帘布和其他纤维材料进行预组装,形成胎体的结构。
同时,胎体中还要安装钢丝帘布和其他金属配件。
4.成型成型是将胎面和胎体组装在一起,形成轮胎整体的过程。
成型工艺主要包括以下几个步骤:(1)帘布胶束嵌入:将预组装的胎体放入成型模具中,调整成型模具的尺寸,使胶束和帘布完全贴合。
(2)封胎:将成型好的轮胎进行封胎处理,使用压力和热力将胎面和胎体之间的空气排出。
同时,确保胎体和帘布之间的胶层能够牢固粘合。
5.硫化硫化是全钢轮胎制造的重要步骤,通过硫化处理可以使橡胶胶料发生化学反应,形成强硬的橡胶网络结构,提高轮胎的强度和弹性。
硫化工艺主要包括以下几个步骤:(1)成型胎的硫化:将成型好的轮胎放入硫化机中,加热至一定温度并施加一定的压力。
在这个过程中,硫化剂和其他化学添加剂会发生反应,使橡胶分子交联,形成硫化胶层。
(2)硫化胎的硫化:将硫化好的轮胎再次放入硫化机中,进行硫化胎的硫化处理。
轮胎生产原材料进货检验体系的建立和管理1原材料进货检验程序和过程:轮胎企业一般制订两个原材料标准,一个是采购标准,一个是检验标准。
原材料进货时不是所有的项目100%进行检测。
采购标准中包含了全部的试验项目和指标,原材料供应商提供的原材料应达到的标准。
而检验标准用于日常的原材料进货检验,它比采购标准的试验项目少,对于未列入检验标准的试验项目一般由品质或技术部门制定计划,定期进行抽查。
例如:橡胶助剂的红外谱图检测,防护蜡的碳型分布等。
检验的试验方法一般是参照国标、国际标准或同行业其他厂家的试验方法制定。
同一种原材料不同的使用厂商在检测项目和检测方法上可能会有所不同的。
检验项目特性是根据它在产品中的重要程度不同而分级。
一般分为关键性项目、重要性项目和一般性项目。
进货时必检关键性项目,有些重要性项目和一般性项目因仪器、人员、费用或检验时间的原因未列入到原材料检验标准中。
轮胎企业对原材料的供应商确认都有各自的一套程序,同时对原材料的检验结果进行统计分析。
关键性项目:特别敏感的性能,超出公差的变化可引起产品使用过程中的严重问题或经济损失,以及需要再返工或无法销售。
重要性项目:超出公差的变化将引起工艺和检测过程中的困难或增加成本。
拒收原材料将影响生产时,可考虑用,但应有措施避免损失。
一般性项目:超出公差的变化对加工过程和成品的影响较小等。
各种橡胶助剂的外观是关键性项目,这是由于市售工业品都是定型的产品,其外观、颜色、形状等都是确定的。
当原材料的外观变化后应从新对原材料实验进行试验认定。
原材料的样品外观检测原理是通过与认可样品的对比来检验样品的外观和颜色。
它包括对粉末产品、块状产品和液体产品的检测。
需要说明的是在许多检验标准中外观的检验一项采用目测,但没有写出具体的试验过程。
我们对此检测项目的检测过程作出了详细的规定。
粉末产品:根据原材料的颜色,取少量被检产品和标准样品分别放在一张白纸或黑纸上。
折起纸的一边盖在粉末状样品上,用刮勺轻轻按压。
轮胎配方及原材料介绍轮胎主要可以由天然橡胶(NR)聚异戊二烯,丁苯橡胶(SBR)丁二烯和苯乙烯,顺丁橡胶(BR)是由丁二烯,异戊橡胶(IR)是由异戊二烯,丁基橡胶(IIR)是异丁烯和少量异戊二烯或丁二烯为主要原料,硬脂酸,氧化锌,微晶蜡,防老剂,操作油,硬质炭黑,防焦剂,促进剂,硫磺等为配料制成。
1、天然橡胶(NR)以橡胶烃(聚异戊二烯)为主,含少量蛋白质、水分、树脂酸、糖类和无机盐等。
弹性大,定伸强度高,抗撕裂性和电绝缘性优良,耐磨性和耐旱性良好,加工性佳,易于其它材料粘合,在综合性能方面优于多数合成橡胶。
缺点是耐氧和耐臭氧性差,容易老化变质;耐油和耐溶剂性不好,第抗酸碱的腐蚀能力低;耐热性不高。
使用温度范围:约-60℃~+80℃。
制作轮胎、胶鞋、胶管、胶带、电线电缆的绝缘层和护套以及其他通用制品。
特别适用于制造扭振消除器、发动机减震器、机器支座、橡胶-金属悬挂元件、膜片、模压制品。
2、丁苯橡胶(SBR)丁二烯和苯乙烯的共聚体。
性能接近天然橡胶,是目前产量最大的通用合成橡胶,其特点是耐磨性、耐老化和耐热性超过天然橡胶,质地也较天然橡胶均匀。
缺点是:弹性较低,抗屈挠、抗撕裂性能较差;加工性能差,特别是自粘性差、生胶强度低。
使用温度范围:约-50℃~+100℃。
主要用以代替天然橡胶制作轮胎、胶板、胶管、胶鞋及其他通用制品。
3、顺丁橡胶(BR)是由丁二烯聚合而成的顺式结构橡胶。
优点是:弹性与耐磨性优良,耐老化性好,耐低温性优异,在动态负荷下发热量小,易于金属粘合。
缺点是强度较低,抗撕裂性差,加工性能与自粘性差。
使用温度范围:约-60℃~+100℃。
一般多和天然橡胶或丁苯橡胶并用,主要制作轮胎胎面、运输带和特殊耐寒制品。
4、异戊橡胶(IR)是由异戊二烯单体聚合而成的一种顺式结构橡胶。
化学组成、立体结构与天然橡胶相似,性能也非常接近天然橡胶,故有合成天然橡胶之称。
它具有天然橡胶的大部分优点,耐老化由于天然橡胶,弹性和强力比天然橡胶稍低,加工性能差,成本较高。
轮胎生产流程生产工艺轮胎是车辆的重要组成部分,其质量和性能直接关系到车辆的操控性、安全性和舒适性。
轮胎的生产流程主要包括原材料准备、胶料混炼、制胶、成型和后续工艺处理等几个关键环节。
下面将对轮胎的生产工艺进行详细介绍。
首先是原材料准备。
轮胎的主要原材料包括橡胶、布线、化学添加剂等。
橡胶是轮胎的主要组成部分,常用的有天然橡胶和合成橡胶。
布线主要用于增强轮胎的强度和耐磨性,常用的有尼龙线和钢丝线。
化学添加剂包括硫化剂、填充剂、加工油、防老化剂等,用于改变橡胶的性能。
接下来是胶料混炼。
将橡胶、布线和化学添加剂等原材料按一定配方投入到混炼机中进行混炼。
混炼机通过摩擦和加热将各种原料混合均匀,并使之发生化学反应,形成胶料。
混炼的时间、温度和转速等参数对胶料的性能起到重要影响。
然后是制胶。
将混炼好的胶料传送到制胶机上进行制胶。
制胶机通过预压、挤压和挤出等过程,将胶料压制成所需的带状胶片。
制胶机采用的工艺可分为多层制胶和单层制胶两种。
多层制胶可以产生带有纹理结构的胶片,可提高轮胎的抓地性能。
单层制胶则适用于更加平整的轮胎表面,可提高车辆的舒适性。
接下来是成型。
将制胶好的胶片堆叠成轮胎的花纹层,并装入成型模具中。
成型模具将胶片和模具内的空气排出,并使胶片承受一定的压力和温度。
在成型过程中,胶片经过拉伸、挤压和压缩等多个步骤,最终形成具有花纹和轮胎轮廓形状的成品轮胎。
最后是后续工艺处理。
成型后的轮胎需要进行硫化和修整等工艺处理。
硫化是将轮胎置于硫化炉中进行加热和硫化处理,使胶料中的硫化剂发挥作用,使胶料交联成胶弹性体,并提高轮胎的强度和耐磨性。
修整是将硫化好的轮胎进行修整、切割和打磨等工艺处理,使其表面光滑、尺寸精确,并进行质检和包装。
总的来说,轮胎的生产流程涉及到多个关键的工艺环节,包括原材料准备、胶料混炼、制胶、成型和后续工艺处理等。
每个环节的技术参数和操作方法对轮胎质量和性能具有重要影响。
轮胎制造厂通过严格控制每个环节的工艺参数和质量检测标准,可以生产出高质量的轮胎,满足不同车辆和道路条件的需求。
汽车轮胎是什么材料
汽车轮胎是汽车的重要组成部分,它直接影响着车辆的行驶性能和安全性。
那么,汽车轮胎究竟是由什么材料制成的呢?下面我们就来详细了解一下。
首先,汽车轮胎的主要材料包括橡胶、帘线、钢丝等。
橡胶是汽车轮胎的主要
材料,它占据了轮胎重量的大部分。
橡胶的选择对轮胎的耐磨性、抓地力和舒适性都有着重要影响。
在橡胶中,还包含了各种添加剂,如增塑剂、填充剂、防老剂等,这些添加剂可以提高橡胶的性能,延长轮胎的使用寿命。
其次,帘线也是汽车轮胎的重要材料之一。
它主要由尼龙、聚酯纤维等材料制成。
帘线的作用是增强轮胎的抗拉强度和耐磨性,使轮胎在行驶过程中能够保持稳定的形状和结构。
除了橡胶和帘线,汽车轮胎中还有大量的钢丝。
钢丝主要用于轮胎的加固和支撑,增强轮胎的抗压性和耐磨性。
同时,钢丝还可以提高轮胎的抓地力和稳定性,使车辆在高速行驶或紧急制动时能够更加安全可靠。
总的来说,汽车轮胎是由橡胶、帘线和钢丝等材料组成的复合材料。
这些材料
相互配合,共同发挥作用,使轮胎具有良好的耐磨性、抗拉强度和抓地力,从而保障车辆的行驶安全和舒适性。
除了以上提到的主要材料外,汽车轮胎中还包括了各种化学添加剂、填充剂等,它们可以提高轮胎的耐磨性、抗老化性能,同时还可以降低轮胎的滚动阻力,提高燃油经济性。
总之,汽车轮胎是由多种材料组成的复合材料,这些材料共同发挥作用,使轮
胎具有良好的性能和安全性能。
随着科技的不断进步,轮胎材料的研发和生产技术也在不断提高,相信未来的汽车轮胎会更加安全、环保、耐用。
轮胎什么材料轮胎是汽车的重要组成部分,它直接影响着汽车的行驶性能和安全性。
那么,轮胎是由什么材料制成的呢?下面我们就来详细了解一下。
首先,轮胎的主要材料包括橡胶、钢丝、纤维和化学添加剂。
其中,橡胶是轮胎的主要材料,它占据了轮胎总重量的大部分。
橡胶的选择对轮胎的性能有着至关重要的影响。
一般来说,轮胎采用的是天然橡胶和合成橡胶的混合物,这样可以在保证轮胎弹性和耐磨性的同时,也能够降低生产成本。
此外,橡胶的配方中还会添加一些增塑剂、填充剂和硫化剂,以提高橡胶的加工性能和耐磨性。
其次,轮胎中的钢丝起着加强轮胎结构、提高抗拉强度的作用。
钢丝通常被编织成网状结构,被嵌入到橡胶中,以增加轮胎的抗拉强度和耐磨性。
另外,纤维材料也被广泛应用于轮胎中,它们可以增加轮胎的柔韧性和抗冲击性,提高轮胎的耐疲劳性和耐磨性。
此外,化学添加剂也是轮胎材料中不可或缺的一部分。
化学添加剂可以改善橡胶的性能,延长轮胎的使用寿命,提高轮胎的抗老化性能。
比如,抗氧化剂可以延缓橡胶的老化速度,防止轮胎在使用过程中出现龟裂和硬化的现象;硫化剂可以促进橡胶的硫化反应,提高橡胶的耐磨性和耐高温性能;加强剂可以增强橡胶的强度和韧性,提高轮胎的抗拉强度和耐磨性。
总的来说,轮胎是由橡胶、钢丝、纤维和化学添加剂等材料组成的复合材料。
这些材料相互配合,共同发挥作用,使得轮胎具有良好的弹性、抗拉强度、耐磨性和耐老化性能。
只有选择合适的材料,并且合理搭配,才能制造出性能优良的轮胎,从而确保汽车行驶的安全和舒适。
综上所述,轮胎的材料选择对轮胎的性能有着至关重要的影响。
橡胶、钢丝、纤维和化学添加剂等材料的合理搭配,才能制造出性能优良的轮胎,从而保证汽车行驶的安全和舒适。
希望通过本文的介绍,可以让大家对轮胎的材料有一个更加全面和深入的了解。
第1篇一、前言轮胎作为汽车的重要部件,其性能直接影响到汽车的安全、舒适性和燃油经济性。
轮胎配方是轮胎制造的核心技术之一,直接影响着轮胎的质量和性能。
本报告对轮胎配方进行了全面总结,旨在为轮胎制造企业提供技术支持,提高轮胎产品的市场竞争力。
二、轮胎配方概述1. 轮胎配方组成轮胎配方主要由以下几部分组成:(1)橡胶:作为轮胎的主体材料,其性能直接影响轮胎的耐磨性、抗湿滑性和抗老化性等。
(2)炭黑:作为轮胎的补强剂,提高轮胎的强度和抗磨损性能。
(3)白炭黑:作为轮胎的填充剂,提高轮胎的弹性和抗撕裂性能。
(4)油料:作为轮胎的软化剂,提高轮胎的柔韧性和耐低温性能。
(5)其他助剂:如抗氧剂、抗臭氧剂、抗静电剂等,用于提高轮胎的耐老化、耐臭氧和抗静电性能。
2. 轮胎配方设计原则(1)满足轮胎性能要求:轮胎配方设计应满足轮胎的耐磨、抗湿滑、抗老化、抗撕裂等性能要求。
(2)提高生产效率:优化配方,降低生产成本,提高生产效率。
(3)环保要求:选用环保型原材料,降低轮胎生产过程中的环境污染。
(4)成本控制:在满足性能要求的前提下,降低原材料成本。
三、轮胎配方优化方法1. 优化橡胶配方(1)选用高性能橡胶:选用耐高温、耐老化、耐磨等性能优异的橡胶材料。
(2)调整橡胶配方:通过调整橡胶的配方,提高轮胎的耐磨、抗湿滑、抗老化等性能。
2. 优化炭黑配方(1)选用高性能炭黑:选用具有良好补强性能的炭黑材料。
(2)调整炭黑用量:在满足性能要求的前提下,适当降低炭黑用量,降低生产成本。
3. 优化白炭黑配方(1)选用高性能白炭黑:选用具有良好填充性能的白炭黑材料。
(2)调整白炭黑用量:在满足性能要求的前提下,适当降低白炭黑用量,降低生产成本。
4. 优化油料配方(1)选用环保型油料:选用环保型油料,降低轮胎生产过程中的环境污染。
(2)调整油料配方:通过调整油料配方,提高轮胎的柔韧性和耐低温性能。
5. 优化其他助剂配方(1)选用高性能助剂:选用具有良好抗老化、抗臭氧、抗静电等性能的助剂。
轮胎制造工艺流程轮胎是汽车的重要组成部分,是汽车行驶的基础保障之一。
轮胎的制造过程从原材料的加工开始,经过多个工序完成最终的成品。
以下是轮胎制造的大致工艺流程。
1. 原材料的准备:轮胎制造的原材料主要包括橡胶、纤维材料和钢丝等。
这些原材料需要经过加工处理,以达到符合轮胎制造过程的要求。
橡胶是轮胎最主要的原材料之一,需要在橡胶混炼机中将各种添加剂和硫化药剂加入到橡胶中,经过混合、摇匀、切割和挤压等工序,最终制成符合要求的橡胶条。
2. 胎体和胎面的制造:车胎的主要结构部分是胎体和胎面,它们是轮胎性能的决定因素。
胎体是由一层层的帘子布通过缠绕、融合而成,而胎面则是采用硫化面层和胶料进行压制而成的。
制造胎体和胎面需要使用专门的机器设备,并且需要根据每个车型的要求进行设计、调整。
3. 胎面加工和组装:制成的胎体和胎面需要进行进一步的加工和组装。
其中,胎面需要进行花纹图案打印、切割、冲孔、铆钉等加工工序,以达到良好的抓地性和耐用性。
在此基础上,胎体和胎面经过组装粘接、裁切、堆叠、卷曲等工序,最终形成半成品轮胎。
4. 硫化:硫化是轮胎制造过程中最重要的工序之一。
半成品轮胎通过进入硫化胶压机,经过热压、硫化、降温等复杂的物理和化学反应,最终形成具有强度、柔韧性、耐磨性等性能的成品轮胎。
硫化的温度、时间和压力等参数需要进行精密的控制,以满足不同车型、用途和环境的要求。
5. 最后的质检和包装:制成的成品轮胎需要进行严格的质量检验和测试,以确保轮胎的性能和使用寿命。
轮胎的外观、尺寸、硬度、强度等多个参数需要进行检测,并制定相关标准和规范。
最后,符合质量要求的轮胎将进行包装和运输,以便在全球范围内进行销售和使用。
总的来说,轮胎制造是一项技术要求很高的工艺,需要经历多个工序进行组装和加工。
其专业化程度较高,除了对原材料的品质要求较高外,对设备、技术和环境等方面也有较高的要求。
当前,随着汽车行业的发展和需求的变化,轮胎制造技术和工艺也在不断更新和发展,以迎合市场和用户的需求。
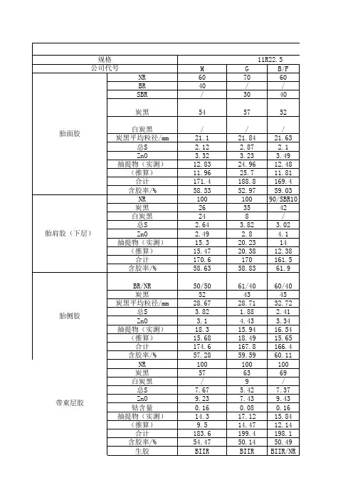
轮胎材料配方介绍 The manuscript was revised on the evening of 2021第三节材料和配方一、轮胎原材料1、橡胶橡胶是轮胎胶料的基体,在配方胶料中橡胶的比率会超过50%,也就是说轮胎胶料中主要的成分是橡胶。
子午线轮胎中采用的橡胶分为天然橡胶和合成橡胶两种。
(1)、天然橡胶天然橡胶是原产于热带地区的一种乔木——橡胶树的产物。
当割开橡胶树干,便有乳白似的胶液从树皮里流出,因此在有些地方称为“流泪的树”。
含有橡胶的植物有二千多种,但最有价值的是三叶橡胶树(如上图),原产于巴西亚马逊河一带。
因此这些树的学名为巴西橡胶树(Hevea brasiliensis)。
巴西虽然是巴西橡胶树的原产地,但由于南美叶疾病的危害和劳动力缺乏,种植面积却很小。
目前巴西橡胶树的种植地区主要集中在东南亚,占世界种植面积的80%以上。
天然橡胶的采集是通过割开橡胶树干,使乳白似的胶液从树皮里流出,收集后使它凝固,再经过一系列工序,就成为半透明的橡胶块。
据记载,世界上最早应用天然橡胶的是古代美洲的印第安人。
他们常用当地橡胶树产出的胶汁制作雨衣、瓶罐及玩具之类的东西。
1492年,哥伦布率领船队横渡大西洋,想寻找通向中国和印度的海路,不料由于航行的错误而跑到了美洲。
就在这次闻名世界的航行中,他把印第安人制作的橡胶用具和玩的橡胶球带回了欧洲,使欧洲人第一次见到了橡胶。
中国在1904年开始种植橡胶树,主要产地在海南省和云南省。
目前轮胎生产使用的天然橡胶主要分为烟片胶和标准橡胶两种,烟片胶常用的为1号烟片胶(RSS1)和3号(RSS3)胶;标准橡胶为标准橡胶10号和20号。
天然橡胶的主要的化学成分为一种以异戊二烯为主要成份的高分子化合物。
烟片胶和标准橡胶性质是相同的只是在加工方面的区别,由于标准橡胶产品具有良好的均一性,加工方便,目前子午胎使用的天然橡胶多为标准橡胶。
烟片胶的生产过程为:鲜胶乳—→加保存剂—→过滤除杂质—→加水稀释—→澄清—→加酸凝固—→凝块压片—→熏烟干燥—→分级—→包装。
第二章轮胎原材料第一节生胶及其代用品一、天然橡胶远在哥伦布发现美洲(1492年)以前,中美洲和南美洲的当地居民就已经开始了天然橡胶的利用,当时的当地居民用实心胶球玩投石环的游戏,也有用胶制成的鞋子、瓶子和其它用品。
1747年法国工程师关于橡胶可能用途的推测的信件在法国科学院宣读后,使欧洲人开始认识天然橡胶并进一步研究它的利用价值。
1791年英国的S.Peal取得了用松节油的橡胶溶液制造防水材料的专利权。
六年之后,H.Johnson取得用等量的松节油和酒精制造橡胶防雨布的专利权。
1823年英国的C.Macintosh取得用橡胶的苯溶液制造雨衣的专利权,并设厂生产雨衣。
在这个时期中,还有许多人研究橡胶的用途,如制造胶管、人造革和胶鞋等。
但是,这些产品遇到气温高和经太阳曝晒后就变软和发粘,在气温低时就变硬和脆裂,制品不能经久耐用。
在一个偶然的机会,美国人固特异(C.Goodyear)发现了在胶块上洒上硫黄粉可以避免或减少在晒干过程中胶块互相粘结成团,而且胶块与硫黄粉接触的部位表面变得光滑而有良好的弹性。
经过一年多的试验,固特异终于在1839年发现了橡胶的硫化。
从此,天然橡胶才真正被确定具有特殊的使用价值,成为一种极其重要的工业原料。
1888年英国人邓录普(J.B.Dunlop)发明充气轮胎,促使汽车轮胎工业的飞速发展,因而天然橡胶的消耗量急剧增加。
正是由于天然橡胶的利用价值和消耗量的逐步提高,野生天然橡胶的资源毕竟有限,促使天然橡胶栽培业的迅猛发展,特别是在东南亚的栽培成功,逐步形成了现在的天然橡胶资源分布局面。
(一)天然橡胶的基本特征橡胶树苗木在定植5~8年后,离地面高为50cm处的树干围径达到50cm时,这些胶树就可以开始割胶。
我国垦区每年每株树割胶100~130次,少数地区可达140次。
东南亚地区气温高,胶树越冬时间较短,每年每株胶树可割150~160次。
天然橡胶是一种以异戊二烯为主要成分的天然高分子产物,其分子式为(C5H8)n,n 值约为10000左右,分子量分布范围很宽,分子量绝大多数在3~3000万之间,分子量分布指数(Mw/Mn)在2.8~10之间。
天然橡胶的分子量分布一般认为具有双峰分布规律。
在低分子量区域20~100万之间出现一个峰或“肩”,在高分子量区域100~250万之间出现一个峰。
从分子量分布曲线的类型可以直接判断这种橡胶的操作特性和应用性能。
一般认为低分子量的橡胶具有良好的操作特性,高分子量的橡胶具有较好的物理机械性能。
(二)固体天然橡胶的基本特性天然橡胶无一定熔点,加热后慢慢软化,到130~140℃时则完全软化以至呈现熔融状态,到200℃左右开始分解,到270℃时急剧分解。
在常温下稍带塑性,温度降低则逐渐变硬,0℃时弹性大幅度下降,冷到-70℃时则变成脆性物质。
生胶密度特征值为0.913g/㎝3,纯胶硫化胶密度特征值为0.970g/㎝3。
天然橡胶具有很好的弹性,弹性模量为2~4Mpa,约为钢铁的1/30000,而伸长率为钢铁的300倍。
天然橡胶的回弹率在0~100℃范围内可以达到50~85%以上,升温到130℃时仍能保持正常的使用性能。
天然橡胶是一种结晶性橡胶,自补强性大,具有非常好的机械强度。
纯胶硫化胶耐曲挠性较好,曲挠20万次以上才出现裂口。
3、化学性质天然橡胶因具有不饱和的双键,是一种化学反应较强的物质。
每一个双键形成一个活化点,分布在整个橡胶分子的长链中,支配着橡胶的化学变化。
(1)硫化天然橡胶与硫化体系均匀混合后,在一定温度和压力下反应一定的时间,由线性结构的生胶变成具有网状结构的硫化胶。
(2)老化天然橡胶在空气中容易与氧进行自动催化氧化的连锁反应,分子链断裂或过度交联,橡胶发生粘化和龟裂,使物理机械性能下降,这就是老化。
光、热、曲挠变形和铜、锰、铁等金属都能促进橡胶老化,未加防老剂的橡胶在强烈阳光下曝晒4~7天后出现龟裂现象;与一定浓度的臭氧接触,甚至在几秒钟内即会发生裂口。
不耐老化是天然橡胶的致命弱点。
然而通过添加防老剂,可改善其老化性能。
橡胶在高温下老化速率加快,一般是按温度每增加10℃,则时间缩短1倍的规律发展。
如超过130℃,使用寿命大大缩短。
(三)颗粒天然橡胶1、颗粒胶生产的优越性60年代以前,通用固体天然橡胶的产品只有烟胶片、风干胶片和皱胶片,这三种传统产品无论在制胶工艺、设备或分级制度上都束缚住天然橡胶事业的发展,特别是对天然橡胶产胶量很大的国家尤为重要。
因此,马来西亚于1965年开始实行标准橡胶计划,在使用生胶理化性能分级的基础上发展颗粒胶的生产。
生产颗粒胶有如下的优点:a、使用生胶理化性能分级更能合理区分和判别天然橡胶的内在质量,做到优质优用。
b、机械化程度较高,生产周期短。
c、颗粒胶粒子大小约为1~5㎜,从而获得干燥表面积比片状胶的大了几百倍,大幅度缩短了生产周期,也容易控制产品质量。
d、采用烧油或烧煤热风干燥,代替木材,保护了森林资源和生态环境。
(四)特制固体天然橡胶1、粘度固定橡胶在橡胶中加入化学药剂,使之与橡胶链上的醛基作用,从而抑制生胶储存硬化,保持生胶的粘度在一个稳定的范围,分为恒粘、低粘和固定粘度三种橡胶。
2、易操作橡胶这种橡胶在炼胶时,部分分子间交联链被剪切断裂而生成短支链,因而使混炼胶具有优良的压出或压延性能。
3、纯化天然橡胶4、散粒天然橡胶5、轮胎橡胶6、充油天然橡胶7、炭黑共沉胶8、粘土共沉胶9、胶清橡胶二、合成橡胶(一)丁苯橡胶丁苯橡胶是较早工业化的合成橡胶。
开始生产的均为高温(50℃)下的共聚物,称为高温丁苯橡胶。
50年代初,出现了性能优异的低温丁苯橡胶。
目前,低温乳聚丁苯橡胶仍为主导产品。
60年代中期,随着阴离子聚合技术的发展,溶液聚合丁苯橡胶(简称溶聚丁苯橡胶)开始问世,并随着轮胎节能等方面的要求,用量逐渐增大。
1、分类丁苯橡胶丁苯橡胶与其它通用橡胶一样,是一种不饱和的烃类高聚物。
能进行许多聚烯烃反应,如氧化、臭氧破坏、卤化和氢卤化等。
在光、热、氧和臭氧结合作用下,发生物理化学变化,但其被氧化的作用比天然橡胶缓慢,即使在较高温度下老化反应的速度也比较缓慢。
光对丁苯橡胶的老化作用不明显,但耐臭氧性比天然橡胶差。
(1)丁苯橡胶的缺点①丁苯橡胶纯胶强度低,需要加入高活性补强剂后方可使用。
丁苯橡胶加配合剂的难度比天然橡胶大,配合剂在橡胶中分散性差。
②反式结构多,侧基上带有苯环,因而滞后损失大,生热高,弹性低,耐寒性也稍差。
③收缩大,生胶强度低,粘着性差。
④硫化速度慢。
⑤耐屈挠龟裂性比天然橡胶好,但裂纹扩展速度快,热撕裂性能差。
(2)丁苯橡胶的优点①硫化曲线平坦,胶料不易焦烧和过硫。
②耐磨性、耐热性、耐油性和耐老化性等均比天然橡胶好。
高温耐磨性好,适用于乘用胎。
③加工中分子量降到一定程度后不再降低,因而不易过炼,可塑度均匀。
硫化胶硬度变化小。
④提高分子量可达到高填充。
充油丁苯橡胶的加工性能好。
⑤丁苯橡胶很容易与其它高不饱和通用橡胶并用,尤其是与天然橡胶或顺丁橡胶并用,经配合调整可以克服丁苯橡胶的缺点。
(二)丁二烯橡胶丁二烯橡胶是1,3-丁二烯的聚合产物。
早期以乳液法制得的丁二烯均聚物加工困难,同时对耐磨性改进不大,因此没有继续发展。
直到发明了定向聚合催化剂以后,可将丁二烯聚合为分子结构排列比较规整的顺式聚丁二烯,溶聚丁二烯橡胶迅速成为一种重要的新弹性体(一般称作顺丁橡胶)。
虽然高顺式丁二烯生胶的拉伸强度很低,但经补强后的硫化胶具有优良的动态性能及耐磨性。
含高顺式丁二烯橡胶的轮胎不仅行驶时升温低,而且有较好的胎面耐磨性,并能改善胎面花纹沟部的龟裂性能。
随着顺丁橡胶在轮胎中的应用,发现这一胶种还存在一个较大的缺点,即抗湿滑性能较差,经过研究发现,当聚合体中含有35~55%的乙烯基结构时,具有较好的综合平衡性能,于是中乙烯基顺丁橡胶得以问世,并逐渐成为顺丁橡胶中的一个重要品种。
1、种类(1)溶聚丁二烯橡胶①高顺式丁二烯橡胶由钴系或镍系所构成的齐格勒—纳塔催化体系所制备的丁二烯橡胶,1,4顺式含量达到96~98%。
我国目前多采用镍系催化剂体系。
②低顺式丁二烯橡胶低顺式丁二烯橡胶是以有机锂催化剂体系制备的,1,4顺式含量一般为35~40%。
③反式—1,4—聚丁二烯橡胶(2)乳聚丁二烯橡胶(3)丁钠橡胶丁钠橡胶是用碱金属钠等作催化剂,由丁二烯单体进行本体聚合的产物,是丁二烯橡胶最早的品种。
2、高顺式丁二烯橡胶的基本性能(1)优点①高弹性高顺式丁二烯橡胶是当前所有橡胶中弹性最高的一种橡胶,甚至在很低的温度下,分子链段都能自由运动,所以能在很宽的范围内显示高弹性,甚至在—40℃时还能保持。
②滞后损失和生热小由于高顺式丁二烯橡胶分子链段的运动所需要克服周围分子链的阻力和作用力小,内摩擦小,当作用于分子的外力去掉后,分子能较快的回复至原状,因此滞后损失和生热小。
这一性能对于使用时反复变形,且传热性差的轮胎的使用寿命具有一定好处。
③低温性能好掺用高顺式丁二烯橡胶的胎面在寒带地区仍可保持较好的使用性能。
④耐磨性能优异⑤耐屈挠性优异—耐动态裂口生成性能良好⑥填充性好与丁苯橡胶和天然橡胶相比,高顺式丁二烯橡胶可填充更多的操作油和补强填料,有较强的炭黑润湿能力,可使炭黑较好的分散,因而可保持较好的胶料性能。
⑦混炼时抗破碎能力强在混炼过程中高顺式丁二烯橡胶门尼粘度下降的幅度比天然橡胶小得多,比丁苯橡胶也小,因此在需要延长混炼时间时,对胶料的口型膨胀及压出速度几乎无影响。
⑧与其它弹性体的相容性好⑨模内流动性好⑩水吸附性低(2)缺点①拉伸强度与撕裂强度较低高顺式丁二烯橡胶的拉伸强度与撕裂强度均低于天然橡胶及丁苯橡胶,掺用该种橡胶的轮胎胎面表现多为不耐刺扎,较易刮伤。
②抗湿滑性不良③用于胎面时,使用至中后期易出现花纹块崩掉的现象。
④加工性能欠佳高顺式丁二烯橡胶胶料在辊筒上的加工性能对温度较敏感,温度高时易产生脱辊现象。
粘性较差。
在轮胎胎面胶中,用量太高时,胎面接头稍有困难。
胎体中用量较高时(大于30份),需加入增粘剂,否则胎体胶料压延时帘布易出现“露白”现象。
⑤较易冷流(三)异戊橡胶聚异戊二烯橡胶简称异戊橡胶,它的研究起源于对天然橡胶的研究,而异戊橡胶的工业化则是在其单体和齐格勒型催化剂有了确实保证之后才实现的。
但是直到50年代末期合成橡胶的主流还是丁二烯系的合成橡胶,其原因是:①用异戊二烯制得的合成橡胶质量远不如天然橡胶,这是由于聚合物微观结构的差异所致。
天然橡胶主要是顺式—1,4加成的聚异戊二烯,而合成的异戊橡胶的结构规整性都非常低;②制备异戊二烯单体的技术复杂,成本高,因而在经济上不合算。
立体规整性问题直到齐格勒—纳塔型催化剂出现以后才得以解决。
1、异戊橡胶的性能和特征(1)聚合物的分子结构及物理常数顺式—1,4—聚异戊二烯橡胶也称作合成天然橡胶,它具有与天然橡胶相似的化学组成、立体结构和物理机械性能,因此它是一种综合性能好的通用合成橡胶。