常用电路图1[1]
- 格式:doc
- 大小:7.01 MB
- 文档页数:70
常用电气控制电路1.控制柜内电路的一般排列和标注规律为便于检查三相动力线布置的对错,三相电源L1、L2、L3在柜内按上中下、左中右或后中前的规律布置。
L1、L2、L3三相对应的色标分别为黄、绿、红,在制作电气控制柜时要尽量按规范布线。
二次控制电路的线号,一般的标注规律是:用电装置(如交流接触器)的右端接双数排序,左端按单数排序。
二次控制电路的线号编排如图1所示。
动力线与弱点信号线要尽量远离,如传感器、PLC、DCS 集散控制系统、PID控制器等信号线,如果不能做到远离,要尽量垂直交叉。
弱电线缆最好单独放入一个金属桥架内,所有弱电信号的接地端都在同一点接地,且与强电的接地分离。
常用电气控制电路图1 二次控制电路的线号编排2.电动机起停控制电路该电路可以实现对电动机的起停控制,并对电动机的过载和短路故障进行保护,电动机起停控制电路如图2所示。
图2 电动机起停控制电路在图2中,L1、L2、L3是三相电源,信号灯HL1用于指示L2和L3两相电源的有无,电压表V指示L1和L3相之间的线电压,熔断器FU1用于保护控制电路(二次电路)避免电路短路时发生火灾或损失扩大。
合上断路器QF1,二次电路得电,按下起动按钮(绿色)SB2,交流接触器KM1的线圈通电,交流接触器的主触点KM1的辅助触头KM1-1闭合,电动机M1通电运转。
由于KM1-1触头已闭合,即使起动按钮SB2抬起,KM1的线圈也将一直有电。
KM1-1的作用是自锁功能,即使SB2抬起也不会导致电动机的停止,电动机起动运行。
按下停止按钮SB1,KM1的线圈断电,KM1-1和KM1触头放开,电动机停止,由于KM1-1已经断开,即使停止按钮SB1抬起,KM1的线圈也仍将处于断电状态,电动机M1正常停止。
当电动机内部或主电路发生短路故障时,由于出现瞬间几倍于额定电流的大电流而使断路器QF1迅速跳闸,使电动机主电路和二次电路断电,电动机保护停止。
当电动机发生过载时,电动机电流超出正常额定电流一定的百分比,热继电器FR1发热,一定时间后,FR1的常闭触头FR1-1断开,KM1线圈断电,KM1-1和KM1主触头断开,电动机保护停止。
一电阻器与电位器符号详见图 1 所示,其中( a )表示一般的阻值固定的电阻器,(b )表示半可调或微调电阻器;( c )表示电位器;(d )表示带开关的电位器。
电阻器的文字符号是“ R ”,电位器是“ RP ”,即在R 的后面再加一个说明它有调节功能的字符“ P ”。
在某些电路中,对电阻器的功率有一定要求,可分别用图 1 中(e )、( f )、(g )、(h )所示符号来表示。
几种特殊电阻器的符号:第 1 种是热敏电阻符号,热敏电阻器的电阻值是随外界温度而变化的。
有的是负温度系数的,用NTC 来表示;有的是正温度系数的,用PTC 来表示。
它的符号见图(i ),用θ 或t°来表示温度。
它的文字符号是“ RT ”。
第 2 种是光敏电阻器符号,见图 1 (j ),有两个斜向的箭头表示光线。
它的文字符号是“ RL ”。
第 3 种是压敏电阻器的符号。
压敏电阻阻值是随电阻器两端所加的电压而变化的。
符号见图 1 (k ),用字符U 表示电压。
它的文字符号是“ RV ”。
这三种电阻器实际上都是半导体器件,但习惯上我们仍把它们当作电阻器。
第 4 种特殊电阻器符号是表示新近出现的保险电阻,它兼有电阻器和熔丝的作用。
当温度超过500℃时,电阻层迅速剥落熔断,把电路切断,能起到保护电路的作用。
它的电阻值很小,目前在彩电中用得很多。
它的图形符号见图 1 (1 ),文字符号是“ R F ”。
电容器的符号详见图2 所示,其中( a )表示容量固定的电容器,( b )表示有极性电容器,例如各种电解电容器,( c )表示容量可调的可变电容器。
( d )表示微调电容器,( e )表示一个双连可变电容器。
电容器的文字符号是 C 。
电感器与变压器的符号电感线圈在电路图中的图形符号见图 3 。
其中(a )是电感线圈的一般符号,( b )是带磁芯或铁芯的线圈,( c )是铁芯有间隙的线圈,( d )是带可调磁芯的可调电感,( e )是有多个抽头的电感线圈。
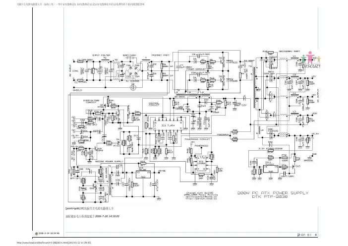
[point=gold,10]电脑开关电源电路图大全该贴被家电小保姆编辑于2008-7-26 14:19:002008-2-14 18:34:46操作楼主男等级:无所不能经验:342794信用:451530金币:878595点卡:0发贴:52825精华:412注册:2008-4-11状态:离线在线:1553小时(231) (96)(url :/bbs/forum/upfile/2008/7/1217053233843678239545.png)[point=gold,10]电脑开关电源电路图大全该贴被家电小保姆编辑于2008-7-26 14:20:332008-2-14 18:35:15操作 2 楼男等级:无所不能经验:342794信用:451530金币:878595点卡:0发贴:52825精华:412注册:2008-4-11状态:离线在线:1553小时(231) (96)(url:/bbs/forum/upfile/2008/7/121705330370217658513.jpg)[point=gold,10]电脑开关电源电路图大全该贴被家电小保姆编辑于2008-7-26 14:21:432008-2-14 18:35:53操作 3 楼华宇兄弟论坛管理回复:电脑开关电源电路图大全〔陆续上传〕男等级:无所不能经验:342794信用:451530金币:878595点卡:0发贴:52825精华:412注册:2008-4-11状态:离线在线:1553小时(231) (96)[point=gold,10]电脑开关电源电路图大全该贴被家电小保姆编辑于2008-7-26 14:23:152008-2-14 18:37:07操作 4 楼华宇兄弟论坛管理回复:电脑开关电源电路图大全〔陆续上传〕男等级:无所不能经验:342794信用:451530金币:878595点卡:0发贴:52825精华:412注册:2008-4-11状态:离线在线:1553小时(231) (96)[point=gold,10]电脑开关电源电路图大全该贴被家电小保姆编辑于2008-7-26 14:24:412008-2-14 18:37:31操作 5 楼华宇兄弟论坛管理回复:电脑开关电源电路图大全〔陆续上传〕(url:/bbs/forum/upfile/2008/7/12170535354991419852613.gif)男等级:无所不能经验:342794信用:451530金币:878595点卡:0发贴:52825精华:412注册:2008-4-11状态:离线在线:1553小时(231) (96)[point=gold,10]电脑开关电源电路图大全该贴被家电小保姆编辑于2008-7-26 14:25:352008-2-14 18:37:47操作 6 楼华宇兄弟论坛管理回复:电脑开关电源电路图大全〔陆续上传〕(url:/bbs/forum/upfile/2008/7/121705359445214199629.gif)[point=gold,10]电脑开关电源电路图大全该贴被家电小保姆编辑于2008-7-26 14:26:342008-2-14 18:38:32操作 7 楼华宇兄弟论坛管理男等级:无所不能经验:342794信用:451530金币:878595点卡:0发贴:52825精华:412注册:2008-4-11状态:离线在线:1553小时(231)(96)回复:电脑开关电源电路图大全〔陆续上传〕(url :/bbs/forum/upfile/2008/7/121705365807780709487.gif)[point=gold,10]电脑开关电源电路图大全该贴被家电小保姆编辑于2008-7-26 14:27:382008-2-14 18:38:50操作 8 楼华宇兄弟论坛管理男等级:无所不能经验:342794信用:451530金币:878595点卡:0发贴:52825精华:412注册:2008-4-11状态:离线在线:1553小时(231) (96)回复:电脑开关电源电路图大全〔陆续上传〕(url :/bbs/forum/upfile/2008/7/1217053842468754219308.gif)[point=gold,10]电脑开关电源电路图大全[point=gold,10]电脑开关电源电路图大全该贴被家电小保姆编辑于2008-7-26 14:39:112008-2-14 18:39:46操作 11 楼华宇兄弟论坛管理男等级:无所不能经验:342794信用:451530金币:878595点卡:0发贴:52825精华:412注册:2008-4-11状态:离线在线:1553小时回复:电脑开关电源电路图大全〔陆续上传〕(url :/bbs/forum/upfile/2008/7/12170543032021463490500.gif)(231) (96)[point=gold,10]电脑开关电源电路图大全该贴被家电小保姆编辑于2008-7-26 14:38:23 2008-2-14 18:40:08操作 12 楼华宇兄弟论坛管理男等级:无所不能经验:342794信用:451530金币:878595点卡:0发贴:52825精华:412注册:2008-4-11状态:离线在线:1553小时回复:电脑开关电源电路图大全〔陆续上传〕(url :/bbs/forum/upfile/2008/7/1217054243171417594417.png)[point=gold,10]电脑开关电源电路图大全该贴被家电小保姆编辑于2008-7-26 14:37:232008-2-14 18:40:42操作 13 楼华宇兄弟论坛管理男等级:无所不能经验:342794信用:451530金币:878595点卡:0发贴:52825 回复:电脑开关电源电路图大全〔陆续上传〕(url :/bbs/forum/upfile/2008/7/12170541841711029178573.png)状态:离线在线:1553小时(231)(96)[point=gold,10]电脑开关电源电路图大全该贴被家电小保姆编辑于2008-7-26 14:36:242008-2-14 18:41:17操作 14楼华宇兄弟论坛管理男回复:电脑开关电源电路图大全〔陆续上传〕(url :/bbs/forum/upfile/2008/7/12170540135611411976501.gif)信用:451530金币:878595点卡:0发贴:52825精华:412注册:2008-4-11状态:离线在线:1553小时(231)(96)[point=gold,10]电脑开关电源电路图大全该贴被家电小保姆编辑于2008-7-26 14:33:33 2008-2-14 18:41:33操作 15 楼华宇兄弟论坛管理男等级:无所不能经验:342794信用:451530金币:878595点卡:0发贴:52825精华:412注册:2008-4-11回复:电脑开关电源电路图大全〔陆续上传〕电脑开关电源电路图大全。
常用电气控制电路1.控制柜内电路的一般排列和标注规律为便于检查三相动力线布置的对错,三相电源L1、L2、L3 在柜内按上中下、左中右或后中前的规律布置。
L1、L2、L3三相对应的色标分别为黄、绿、红,在制作电气控制柜时要尽量按规范布线。
二次控制电路的线号,一般的标注规律是:用电装置(如交流接触器)的右端接双数排序,左端按单数排序。
二次控制电路的线号编排如图1所示。
动力线与弱点信号线要尽量远离,如传感器、PLC、DCS 集散控制系统、PID控制器等信号线,如果不能做到远离,要尽量垂直交叉。
弱电线缆最好单独放入一个金属桥架内,所有弱电信号的接地端都在同一点接地,且与强电的接地分离。
常用电气控制电路图1 二次控制电路的线号编排2. 电动机起停控制电路该电路可以实现对电动机的起停控制,并对电动机的过载和短路故障进行保护,电动机起停控制电路如图2所示。
图2 电动机起停控制电路在图2中,L1、L2、13是三相电源,信号灯HL1用于指示L2和L3两相电源的有无,电压表V指示L1和L3相之间的线电压,熔断器FU1用于保护控制电路(二次电路)避免电路短路时发生火灾或损失扩大。
合上断路器QF1,三次电路得电,按下起动按钮(绿色)SB2,交流接触器KM1的线圈通电,交流接触器的主触点KM1的辅助触头KM1-1闭合,电动机M1通电运转。
由于KM1-1 触头已闭合,即使起动按钮582抬起,KM1的线圈也将一直有电。
KM1-1的作用是自锁功能,即使SB2抬起也不会导致电动机的停止,电动机起动运行。
按下停止按钮581, KM1的线圈断电,KM1-1 和KM1触头放开,电动机停止,由于KM1-1已经断开,即使停止按钮581抬起,KM1的线圈也仍将处于断电状态,电动机M1正常停止。
当电动机内部或主电路发生短路故障时,由于出现瞬间几倍于额定电流的大电流而使断路器QF1迅速跳闸,使电动机主电路和二次电路断电,电动机保护停止。
当电动机发生过载时,电动机电流超出正常额定电流一定的百分比,热继电器FR1发热,一定时间后,FR1的常闭触头FR1T断开,KM1线圈断电,KM1T和KM1主触头断开,电动机保护停止。
电容电容器俗称电容。
它是在两个金属电机之间夹了一层电介质构成。
所以它具有了存储电荷的能力。
所以在理论上,它对直流电流具有隔断的作用,而交流电流则可以通过,随着交流频率越高,它通过电流的能力也越强。
一些常用电容器外观见图1。
图(1)电容在电子线路中也是广泛应用的器件之一。
我们多采用它来滤波、隔直、交流耦合、交流旁路等,也用它和电感元件一起组成振荡电路。
电容的分类:按照结构的不同,我们将容量固定的电容称为固定电容,而可以调节的称为可调或半可调电容。
普通收音机选台的就是使用可变电容。
我们在线路图中常用“C”来代表电容,用图2的符号来表示固定电容,用图3的符号来表示半可变电容,图4表示可变电容,图5表示双联可变电容。
电解电容一般容量比较大,从1UF到10000UF都比较常见,它是有正负极之份的电容元件,在使用中正极节高电位端,负极接低电位端,不能够反接。
电解电容又分为铝电解、钽电解、铌电解,市面常见的是前两种,其中钽电解常被一些音响发烧友用于音响系统。
电解电容我们常用图6的符号表示。
图6:电解电容的标示符号电容的主要性能参数:1、电容标称容量。
描述电容容量大小的参数,单位为“法(F)”。
在实际应用中,以“法”出现的电容很少见到,我们常用的、常见的是其他拓展单位:“微法”(μF)和“皮法”(pf)。
其单位换算公式:1F=1,000,000μF (106μF)=1,000,000,000,000pF (1012pF)2、耐压。
也叫额定工作电压。
是指电容规定的温度范围内,它能够长期可靠工作承受的加在它两极的最高电压。
又区分为直流工作电压和交流工作电压。
这个指标当然是越高越好,在其他性能一样的情况下,高耐压的可以直接替代低耐压的,反之则不能。
3、漏电电阻。
电容中的电介质不是绝对绝缘的,当通上直流电的时候,或多或少地会有电流的通过,我们称之为漏电。
当漏电情况教大时,电容发热甚至会导致电容损坏。
电容的规格标注方法:我们在实际应用过程中,常常需要对电容的容量和其它参数进行选择。
一、桥式整流电路1、二极管的单向导电性:伏安特性曲线:理想开关模型和恒压降模型:1二极管的单向导电性:二极管的PN结加正向电压,处于导通状态;加反向电压,处于截止状态。
伏安特性曲线;理想开关模型和恒压降模型:理想模型指的是在二极管正向偏置时,其管压降为0,而当其反向偏置时,认为它的电阻为无穷大,电流为零.就是截止。
恒压降模型是说当二极管导通以后,其管压降为恒定值,硅管为0.7V,锗管0.5 V2桥式整流电流流向过程:当u 2是正半周期时,二极管Vd1和Vd2导通;而夺极管Vd3和Vd4截止,负载RL 是的电流是自上而下流过负载,负载上得到了与u 2正半周期相同的电压;在u 2的负半周,u 2的实际极性是下正上负,二极管Vd3和Vd4导通而Vd1和Vd2截止,负载RL上的电流仍是自上而下流过负载,负载上得到了与u 2正半周期相同的电压。
3计算:Vo,Io,二极管反向电压Uo=0.9U2, Io=0.9U 2/RL,URM=√2 U 2二.电源滤波器1、电源滤波的过程分析:波形形成过程:1电源滤波的过程分析:电源滤波是在负载RL两端并联一只较大容量的电容器。
由于电容两端电压不能突变,因而负载两端的电压也不会突变,使输出电压得以平滑,达到滤波的目的。
波形形成过程:输出端接负载RL时,当电源供电时,向负载提供电流的同时也向电容C充电,充电时间常数为τ充=(Ri∥RLC)≈RiC,一般Ri〈〈RL,忽略Ri 压降的影响,电容上电压将随u 2迅速上升,当ωt=ωt1时,有u 2=u 0,此后u 2低于u 0,所有二极管截止,这时电容C通过RL放电,放电时间常数为RLC,放电时间慢,u 0变化平缓。
当ωt=ωt2时,u 2=u 0, ωt2后u 2又变化到比u 0大,又开始充电过程,u 0迅速上升。
ωt=ωt3时有u 2=u 0,ωt3后,电容通过RL放电。
如此反复,周期性充放电。
由于电容C的储能作用,RL上的电压波动大大减小了。
电源电路单元一、电源电路的功能和组成每个电子设备都有一个供给能量的电源电路。
电源电路有整流电源、逆变电源和变频器三种。
常见的家用电器中多数要用到直流电源.直流电源的最简单的供电方法是用电池。
但电池有成本高、体积大、需要不时更换(蓄电池则要经常充电)的缺点,因此最经济可靠而又方便的是使用整流电源.电子电路中的电源一般是低压直流电,所以要想从 220 伏市电变换成直流电,应该先把220 伏交流变成低压交流电,再用整流电路变成脉动的直流电,最后用滤波电路滤除脉动直流电中的交流成分后才能得到直流电。
有的电子设备对电源的质量要求很高,所以有时还需要再增加一个稳压电路。
因此整流电源的组成一般有四大部分,见图 1 。
其中变压电路其实就是一个铁芯变压器,需要介绍的只是后面三种单元电路。
二、整流电路整流电路是利用半导体二极管的单向导电性能把交流电变成单向脉动直流电的电路。
( 1 )半波整流半波整流电路只需一个二极管,见图 2 ( a ).在交流电正半周时 VD 导通,负半周时 VD 截止,负载 R 上得到的是脉动的直流电( 2 )全波整流全波整流要用两个二极管,而且要求变压器有带中心抽头的两个圈数相同的次级线圈,见图2 ( b )。
负载 R L 上得到的是脉动的全波整流电流,输出电压比半波整流电路高.( 3 )全波桥式整流用 4 个二极管组成的桥式整流电路可以使用只有单个次级线圈的变压器,见图 2 ( c )。
负载上的电流波形和输出电压值与全波整流电路相同。
( 4 )倍压整流用多个二极管和电容器可以获得较高的直流电压。
图 2 ( d )是一个二倍压整流电路。
当 U2 为负半周时 VD1 导通, C1 被充电, C1 上最高电压可接近 1.4U2 ;当 U2 正半周时 VD2 导通, C1 上的电压和 U2 叠加在一起对 C2 充电,使 C2 上电压接近 2。
8U2 ,是C1 上电压的 2 倍,所以叫倍压整流电路。
一、常用电路图- 1 -1.单按钮控制两台电动机顺序启动反序停止- 1 -3.用两个时间继电器控制电动机间歇正反转- 2 -4.三地控制三相电动机正反转- 3 -5.两地控制一台电动机- 4 -6.频敏变阻启动原理图- 4 -7.用一个时间继电器,和三个按钮,控制一个灯220和电机380,要求电机能自动运行60秒停止- 5 -8. 接近开关导通后电机停止接近开关断开后延时N秒电机启动- 5 -9.运用时间继电器使电磁铁动作2秒后复位,经过3分钟后动作2秒后复位,再经过5分钟后动作2秒复位- 6 -10. 利用电接点压力表自动控制水泵- 6 -11. 两台电动机既可分别启动和停止,也可以同时启动和停止. - 7 -12. 正转停止后,必须过预定的时间(如5S)后才能反转,反转停止后,必须过预定的时间(如5S)后才能正转- 7 -13. 用三个时间继电器控制正反转并要有间隙- 8 -14. 三相异步电动机转子串联电阻启动- 8 -15. 三相异步电动机启动控制线路图(带故障指示灯)- 9 -16. 双控及多地控制(照明) - 10 -18. 使电机有点动还有正常运行- 11 -19. 用3个继电器控制电动机断相保护- 11 -20. 用四个时间继电器控制正反转并要有间隙- 12 -21. 三相电动机在220V电压下正反转能耗制动- 12 -22. 三个地方控制一盏灯- 13 -23. 星三角降压的电路用4个交流接触器和一个时间继电器要做成可以正反转的电路并且可以自动和手动的- 13 -24. 延边三角形降压启动的原理图- 14 -25. 点动与长动的正反转控制电路- 14 -26. 用按钮开关(常开)启动电动机,用行程开关(常闭)停止电动机实物接线图- 15 -27用按钮开关(常开)启动电动机,用行程开关(常开)停止电动机实物接线图- 15 -28.四个地方控制一盏灯- 16 -29. 单相电能表加装互感器- 16 -31. 用一个3a的按钮通过继电器控制一个12v15a的电机- 17 -32. 全自动Y—- 18 -33. 二台电机按时间顺序起动由时间控制反序停止- 18 -34. 二台电机顺序起动反序停止- 19 -35. 控制一部电机,延时停止- 19 -36. 用万用表测电动机三相绕组头尾- 20 -37. 电动机可逆带限位控制电路实物接线图- 20 -38. 电动机可逆带限位控制电路原理图- 21 -39. - 21 -40. 缺相保护实物接线图- 22 -41. 缺相保护原理图- 22 -42. 频敏变阻器启动实物接线图- 23 -43. 自偶减压启动实物接线图- 24 -44. 时间继电器控制两台电动机先后启动- 25 -45. 星三角启动实物接线图- 25 -46. 三台电机顺序启动逆序停止电路- 26 -47. 用51单片机控制电磁继电器通断来控制减速电机的运转和停止- 26 -48. 多速电机接线- 27 -49. 正反转能耗制动- 27 -50. 电动机自锁线路实物连线图- 28 -51. 由12V电瓶获得两个的工作电压分别为9V和15V - 28 -52. 控制两台电机,第一台启动后第二台才能启动,第一台停止后第二台才能停止电路图- 29 -53. 直流电动机正反转- 29 -54. 延时断电220V - 30 -55. 家庭供电- 30 -56. 调光线路- 31 -57. 双电容单相异步电动机接线图- 31 -58. 双电容单相异步电动机正反转接线图- 32 -59. 笼型电动机定子串联电阻降压启动的控制线路图- 32 -60. 单按钮控制电动机启、停线路图- 33 -62. 先是1号电动机启动,然后2,然后3,停止运行先是3停止,再是1,2 - 34 -63. 单相双值电容异步电动机连接倒顺开关- 34 -64. 可逆自偶减压启动器- 35 -65. 温度控制- 35 -66. 简单的实现延时自闭电路- 36 -67. 单相双值电容异步电动机接倒顺开关- 36 -68. 三台电动机按时间顺序启动控制线路- 37 -70. 单相三速电机定子线圈接线图- 37 -71. 二台电机顺序起动- 38 -72. 12V稳压电源- 38 -73. 用一个时间继电器和一个计数器控制一个直流电动机- 39 -74. 电动机可逆运行控制接线示意图- 39 -75. 三台电动机按先后顺序启动- 40 -76. 油泵加正反转- 40 -77. 全自动可逆Y—- 42 -78. 电气接线摸拟图- 43 -79. M7120A 平面磨床电路原理图- 44 -80. 双联开关控制两间房间电路图- 44 -81. 三相双层36槽二极绕组布线接线图图纸- 45 -82. 用一个40瓦电感镇流器带二支20瓦光管工- 45 -83. 单相电机正反转时间控制(不分主付绕组)- 46 -84. 单相电机正反转时间控制(分主付绕组)- 47 -85. 电动机接线盒- 47 -86. 双联开关控制多个灯泡并联电路图- 48 -87. 时间继电器和脚踏开关- 48 -88. 电动机要在两个不同的地方控制其正反转- 49 -89. 时间继电器和脚踏开关- 49 -90. 倒顺开关控制三相电动机- 50 -91. 蓄电池供电- 50 -92. 大功率整流- 51 -93. 自动控制电磁阀- 51 -94. 5V稳压电路- 51 -95. 避雷器接线- 52 -96. 电风扇遥控接线图- 52 -97. 三极管控制继电器- 53 -98. 配电箱- 53 -99. 利用两个时间继电器实现电动机可逆启动- 54 -100. 利用时间继电器可逆循环- 54 -101. 间歇运动- 55 -102. 简单的缺相保护- 55 -103. 水位控制- 56 -104. 自动升降黑板- 56 -105. 工件加工采用半自动方式第二页- 57 -106. 工件加工采用半自动方式第一页- 57 -107. 两台电动机顺序启动,反序制动- 58 -108. 220V电机装倒顺开关能控制正反转- 58 -109. 单相电动机正反转控制(分主、付绕组)通用- 58 -110. 单相电动机正反转控制(不分主、付绕组)- 59 -111. 7805 - 59 -112. Y—- 59 -113.反接制动- 60 -114. 用两个继电器三个开关控制三相电机正反转线路图- 60 -115. 双电源切换- 61 -116. 互感器跟电流表怎么接- 62 -117. 两台电动机顺序制动电气原理图- 62 -118. 家庭电路- 63 -119. 耳机线的结构图(横切面和解剖图)- 63 -120. 电瓶车电瓶抽取12V电源- 64 -121. 可以让12V继电器接通电源吸合,断开电源后还能保持3-5秒后断开- 64 -122. 电动机可逆启动控制- 65 -123. 频敏变阻器启动控制- 65 -124. 5V稳压电路- 66 -125. 桥式整流电- 66 -126. 制作小变压器- 67 -137. 全自动Y—- 67 -138. 电磁阀控制水泵- 68 -139. 接触器自锁接线图- 68 -140. 正反转(联锁、互锁)- 69 -141. 电动机自耦降压启动(自动控制电路) - 69 -142. 三相双路电源自供装置线路图- 70 -143. 12V的电瓶做输入电源降压到5V - 70 -144. 四台电动机顺序启动,反序停止- 71 -145. 三相电动机改为两相电动机接线图- 71 -145. 简易交流电源相序指示器- 71 -146. 三相四线有功电度表经流互感器接入详图- 72 -147. 电动机正反转带动工作台- 73 -148. QJU3 自耦减压... - 73 -149. 可以让4个和更多的灯轮流亮- 74 -150. 并联补偿电容器容量的计算、无功补偿节电量的计算- 74 -151. N个地方任意控制一盏灯- 75 -153. 水位开关、压力开关在线路上符号- 75 -二、电器的文字符号和图形符号-71-一、常用电路图1.单按钮控制两台电动机顺序启动反序停止2.三相异步鼠笼电动机电容制动控制电路图3.用两个时间继电器控制电动机间歇正反转4.三地控制三相电动机正反转5.两地控制一台电动机6.频敏变阻启动原理图7.用一个时间继电器,和三个按钮,控制一个灯220和电机380,要求电机能自动运行60秒停止8. 接近开关导通后电机停止接近开关断开后延时N秒电机启动9.运用时间继电器使电磁铁动作2秒后复位,经过3分钟后动作2秒后复位,再经过5分钟后动作2秒复位10. 利用电接点压力表自动控制水泵11. 两台电动机既可分别启动和停止,也可以同时启动和停止.12. 正转停止后,必须过预定的时间(如5S)后才能反转,反转停止后,必须过预定的时间(如5S)后才能正转13. 用三个时间继电器控制正反转并要有间隙14. 三相异步电动机转子串联电阻启动15. 三相异步电动机启动控制线路图(带故障指示灯)16. 双控及多地控制(照明)17. 镝灯接线图18. 使电机有点动还有正常运行19. 用3个继电器控制电动机断相保护20. 用四个时间继电器控制正反转并要有间隙21. 三相电动机在220V电压下正反转能耗制动22. 三个地方控制一盏灯23. 星三角降压的电路用4个交流接触器和一个时间继电器要做成可以正反转的电路并且可以自动和手动的24. 延边三角形降压启动的原理图25. 点动与长动的正反转控制电路26. 用按钮开关(常开)启动电动机,用行程开关(常闭)停止电动机实物接线图27用按钮开关(常开)启动电动机,用行程开关(常开)停止电动机实物接线图28.四个地方控制一盏灯29. 单相电能表加装互感器30. 五台电机循环运行工作过程:第一台启动后4分钟停止,第二台要在第一台运行到3分50秒时启动,第二台也运行4分钟停止,,,,,,,第五台启动运行4分钟后停止到第一台在第五台运行到3分50秒时启动以此循环运行.31. 用一个3a的按钮通过继电器控制一个12v15a的电机32. 全自动Y—△减压启动能耗制动33. 二台电机按时间顺序起动由时间控制反序停止34. 二台电机顺序起动反序停止35. 控制一部电机,延时停止36. 用万用表测电动机三相绕组头尾可以用万用表先区分6个线头,把相通的两个线头分为一相,6个线头就可以分为三相了,然后再判断绕组的头尾,具体方法:把万用表的直流毫安档打到最小一档,并将表笔接到三相绕组的某一组两端,而电池正负极接到另一相的两个线头上。
常见基本经典电路详解一、电源电路单元一张电路图通常有几十乃至几百个元器件,它们的连线纵横交叉,形式变化多端,初学者往往不知道该从什么地方开始,怎样才能读懂它。
其实电子电路本身有很强的规律性,不管多复杂的电路,经过分析可以发现,它是由少数几个单元电路组成的。
好象孩子们玩的积木,虽然只有十来种或二三十种块块,可是在孩子们手中却可以搭成几十乃至几百种平面图形或立体模型。
同样道理,再复杂的电路,经过分析就可发现,它也是由少数几个单元电路组成的。
因此初学者只要先熟悉常用的基本单元电路,再学会分析和分解电路的本领,看懂一般的电路图应该是不难的。
按单元电路的功能可以把它们分成若干类,每一类又有好多种,全部单元电路大概总有几百种。
下面我们选最常用的基本单元电路来介绍。
让我们从电源电路开始。
1、电源电路的功能和组成每个电子设备都有一个供给能量的电源电路。
电源电路有整流电源、逆变电源和变频器三种。
常见的家用电器中多数要用到直流电源。
直流电源的最简单的供电方法是用电池。
但电池有成本高、体积大、需要不时更换(蓄电池则要经常充电)的缺点,因此最经济可靠而又方便的是使用整流电源。
电子电路中的电源一般是低压直流电,所以要想从220V市电变换成直流电,应该先把 220V交流变成低压交流电,再用整流电路变成脉动的直流电,最后用滤波电路滤除脉动直流电中的交流成分后才能得到直流电。
有的电子设备对电源的质量要求很高,所以有时还需要再增加一个稳压电路。
因此整流电源的组成一般有四大部分,见图1,其中变压电路其实就是一个铁芯变压器,需要介绍的只是后面三种单元电路。
图1整流电源电路2、整流电路整流电路是利用半导体二极管的单向导电性能把交流电变成单向脉动直流电的电路。
(1)半波整流半波整流电路只需一个二极管,见图2(a)。
在交流电正半周时D导通,负半周时D截止,负载 RL 上得到的是脉动的直流电。
图2(a)半波整流电路的电路及电压波形(2)全波整流全波整流电路,可以看作是由两个半波整流电路组合成的。
电路简化的基本原则初中物理电学中的复杂电路可以通过如下原则进行简化:•第一:不计导线电阻,认定R线≈0。
有电流流过的导线两端电压为零,断开时开关两端可以测得电压(电路中没有其他断点)。
•第二:开关闭合时等效于一根导线;开关断开时等效于断路,可从电路两节点间去掉。
开关闭合有电流流过时,开关两端电压为零,断开时开关两端可以测得电压(电路中没有其他断点)。
•第三:电流表内阻很小,在分析电路的连接方式时,有电流表的地方可看作一根导线.•第四:电压表内阻很大,在分析电路的连接方式时,有电压表的地方可视作断路,从电路两节点间去掉.•第五:用电器(电阻)短路:用电器(电阻)和导线(开关、电流表)并联时,用电器中无电流通过(如下图示),可以把用电器从电路的两节点间拆除(去掉).让我们先看一个题目:如图1所示,电压表测出的是()A. R1两端的电压 B. R2两端的电压 C. 电源电压 D. 无法确定看罢此图,你可能已发现,此图中电压表的连法与课本上的有所不同。
这是一种“异形连接”。
下面就针对此类“异形连接”电压表测量对象的判断介绍两种方法,滑移法和去源法。
滑移法是把电压表两引线沿导线向用电器两端或向电源两端滑动(开关、电流表均可看做导线),看电压表是与哪部分并联,从而确定测量对象。
去源法是“去掉”电源(用手捂住电源),再看电压表与哪部分构成闭合回路,那么电压表测的就是那部分电路的电压。
下面我们分别用这两种方法来分析上面的问题。
滑移法:为方便起见,在图中标出相应的字母,如图1所示。
电压表的左端引线a 点处在R 1和电源之间,不能再向其他地方滑动;电压表的右端引线b 可沿导线滑过开关S ,再滑到c 点。
可见,电压表并接在a 、c 两点间,测的是R 1两端的电压。
去源法:将电源去掉,原电路将变成图2的形式,很容易看出:电压表只与电阻R 1组成闭合回路,它测的是R 1两端的电压。
•第六:滑动变阻器Pa 段被导线(金属杆)短接不工作,去掉Pa 段后,下图a 变为图b .•第七:根据串、并联电路电流和电压规律“串联分压、并联分流”分析总电流、总电压和分电流、分电压的关系。
1.单按钮控制两台电动机顺序启动反序停止
2.三相异步鼠笼电动机电容制动控制电路图
3.用两个时间继电器控制电动机间歇正反转
4.三地控制三相电动机正反转
5.两地控制一台电动机
6.频敏变阻启动原理图
止
8. 接近开关导通后电机停止接近开关断开后延时N秒电机启动
动作2秒复位
10. 利用电接点压力表自动控制水泵
11. 两台电动机既可分别启动和停止,也可以同时启动和停止.
后才能正转
13. 用三个时间继电器控制正反转并要有间隙
14. 三相异步电动机转子串联电阻启动
15. 三相异步电动机启动控制线路图(带故障指示灯)
16. 双控及多地控制(照明)
17. 镝灯接线图
18. 使电机有点动还有正常运行
19. 用3个继电器控制电动机断相保护
20. 用四个时间继电器控制正反转并要有间隙
21. 三相电动机在220V电压下正反转能耗制动
22. 三个地方控制一盏灯
以自动和手动的
24. 延边三角形降压启动的原理图
25. 点动与长动的正反转控制电路
26. 用按钮开关(常开)启动电动机,用行程开关(常闭)停止电动机实物接线图
27用按钮开关(常开)启动电动机,用行程开关(常开)停止电动机实物接线图
28.四个地方控制一盏灯
29. 单相电能表加装互感器
30. 五台电机循环运行
工作过程:第一台启动后4分钟停止,第二台要在第一台运行到3分50秒时启动,第二台也运行4分钟停止,,,,,,,第五台启动运行4分钟后停止到第一台在第五台运行到3分50秒时启动以此循环运行.
31. 用一个3a的按钮通过继电器控制一个12v15a的电机
32. 全自动Y—△减压启动能耗制动
33. 二台电机按时间顺序起动由时间控制反序停止
34. 二台电机顺序起动反序停止
35. 控制一部电机,延时停止
36. 用万用表测电动机三相绕组头尾
可以用万用表先区分6个线头,把相通的两个线头分为一相,6个线头就可以分为三相了,然后再判断绕组的头尾,具体方法:把万用表的直流毫安档打到最小一档,并将表笔接到三相绕组的某一组两端,而电池正负极接到另一相的两个线头上。
如图所示,当开关闭合瞬间
37. 电动机可逆带限位控制电路实物接线图
38. 电动机可逆带限位控制电路原理图
39. M7130平面磨床
40. 缺相保护实物接线图
41. 缺相保护原理图
原理:运行中的三相380伏电动机缺一相电源后,变成两相运行,如果运行时间过42. 频敏变阻器启动实物接线图
43. 自偶减压启动实物接线图
44. 时间继电器控制两台电动机先后启动
45. 星三角启动实物接线图
46. 三台电机顺序启动逆序停止电路
47. 用51单片机控制电磁继电器通断来控制减速电机的运转和停止
48. 多速电机接线
49. 正反转能耗制动
50. 电动机自锁线路实物连线图
51. 由12V电瓶获得两个的工作电压分别为9V和15V
52. 控制两台电机,第一台启动后第二台才能启动,第一台停止后第二台才能停止电路图
53. 直流电动机正反转
54. 延时断电220V
55. 家庭供电
56. 调光线路
57. 双电容单相异步电动机接线图
58. 双电容单相异步电动机正反转接线图
59. 笼型电动机定子串联电阻降压启动的控制线路图
60. 单按钮控制电动机启、停线路图
61. 三台电动机顺序启动反序停止
62. 先是1号电动机启动,然后2,然后3,停止运行先是3停止,再是1,2
63. 单相双值电容异步电动机连接倒顺开关
64. 可逆自偶减压启动器
65. 温度控制
66. 简单的实现延时自闭电路
67. 单相双值电容异步电动机接倒顺开关
68. 三台电动机按时间顺序启动控制线路
69. 三端集成稳压器电路(W7810)的电路图
70. 单相三速电机定子线圈接线图
71. 二台电机顺序起动
72. 12V稳压电源
73. 用一个时间继电器和一个计数器控制一个直流电动机
74. 电动机可逆运行控制接线示意图
75. 三台电动机按先后顺序启动
76. 油泵加正反转
原理:合上开关,电源指示灯亮,按下按钮SB1,接触器KM1得电吸合,KM1主触头闭合,油泵电机得电运行,同时KM1接触器的常开辅助触头KM1-1也闭合自锁,电动机长期运行,同时也给后面的电路提供了电源。
然后按下按钮(如果先要正转就按SB3,如果先要反转就按SB4)以先正转为例:按下SB3,电流通过行程开关SQ1的常闭触头——接触器KM3的常闭辅助触头KM3-2 ——行程开关SQ2常闭触头——接触器线圈KM2形成回路,接触器KM2得电吸合同时主触头闭合运行电动机得电开始正转,同时KM2常开辅助触头KM2-1闭合
自锁电动机长期运行,KM2-3也闭合正转指示灯亮起来。
当运行到制定位置时,碰到行程开关SQ1,常闭触头断开,使接触器KM2断电释放,KM2主触头断开,电动机失电停止,同时行程开关SQ3的常开触头闭合,给时间继电器KT1通电,为运行电动机反转做准备,当达到设定时间后,时间继电器延时闭合的常开触头KT1-1闭合,电流通过行程开关SQ3的常闭触头——接触器KM4的常闭辅助触头KM2-2 —行程开关SQ4常闭触头—接触器线圈KM3形成回路,接触器KM3得电吸合同时主触头闭合电动机得电开始反转,同时KM3
常开辅助触头KM3-1闭合自锁运行电动机长期运行,KM3-3也闭合反转指示灯亮起来。
当运行到制定位置时,碰到行程开关SQ3,常闭触头断开,使接触器KM3断电释放,KM3主触头断开,运行电动机失电停止,同时行程开关SQ3的常开触头闭合,给时间继电器KT2通电,为运行电动机正转做准备。
当达到设定时间后,时间继电器延时闭合的常开触头KT2-1闭合,电流通过行程开关SQ1的常闭触头——接触器KM3的常闭辅助触头KM3-2 ——行程开关SQ2常闭触头——接触器线圈KM2形成回路,接触器KM2得电吸合同时主触头闭合运行电动机得电开始正转,同时KM2常开辅助触头KM2-1
闭合自锁运行电动机长期运行,KM2-3也闭合正转指示灯亮起来。
就这样周而复始的运行下去。
当要停止时,只要按下停止按钮SB2,不管在任何情况下运行电动机马上停止。
图中SQ2和SQ4是限位行程开关,当运行到制定位置时,碰到行程开关SQ1或SQ3(SQ1或SQ3故障)还不能停止时起保护作用,可以使运行电动机停止。
SB5是紧急停止按钮,当按下SB5时,油泵和电动机全部停止。
FR2是热继电器,当油泵电机出现过载或故障时起到保护电动机的作用,也迫使其他运行电动机也停止,FR2只对运行电动机起保护作用。
77. 全自动可逆Y—△减压启动
78. 电气接线摸拟图
79. M7120A 平面磨床电路原理图
80. 双联开关控制两间房间电路图
81. 三相双层36槽二极绕组布线接线图图纸
82. 用一个40瓦电感镇流器带二支20瓦光管工作
83. 单相电机正反转时间控制(不分主付绕组)
84. 单相电机正反转时间控制(分主付绕组)
85. 电动机接线盒
86. 双联开关控制多个灯泡并联电路图
87. 时间继电器和脚踏开关
88. 电动机要在两个不同的地方控制其正反转
89. 时间继电器和脚踏开关
90. 倒顺开关控制三相电动机
91. 蓄电池供电
92. 大功率整流
93. 自动控制电磁阀
94. 5V稳压电路
95. 避雷器接线
96. 电风扇遥控接线图
97. 三极管控制继电器
98. 配电箱
99. 利用两个时间继电器实现电动机可逆启动
100. 利用时间继电器可逆循环
101. 间歇运动
102. 简单的缺相保护。