人防暖通专业审图要点
- 格式:doc
- 大小:37.50 KB
- 文档页数:5
一、建筑给排水及暖通专业与有关方面的关系1、专业设计相互之间的关系(1)给排水暖通设备与电气动力间的匹配是否合理。
(2)电气线路、管道、通风、空调的敷设位置和走向相互有无干扰.埋地管道或管道沟与电缆沟之间有无矛盾。
(3)连接设备的电气线路、控制线路、管(水、暖)路与设备的进线接管位置是否相符。
(4)水暖、电、气、风管道或线路在安装施工中的衔接部位和施工顺序是否明确。
(5)管道井的内部布置是否合理,进出管路有无矛盾。
2、给排水暖通管道安装与建筑结构的关系(1)预留、预埋位置与安装实际需要是否相符。
(2)设备基础位置、尺寸、标高是否满足管道敷设的需要。
(3)管道沟位置、尺寸、标高是否满足管道敷设的需要。
(4)建筑标高是否明确。
(5)给排水、暖通、消防管道敷设位置与建筑、结构标高、位置尺寸等有无矛盾。
(6)有关建筑设计.如主体结构、墙体结构门窗位置、吊顶结构、内外装修材料等与安装有无矛盾。
二、施工图审查要点现将建筑给排水、消防、暖通工程审图的几个大原则和按图纸目录分述的要点介绍如下:1、总说明(1)设计是否符合国家有关技术政策和标准规范及《建筑工程设计文件》编制深度的规定。
(2)设计说明应包括设计依据、设计范围,给排水、消防各个系统扼要的叙述,管材及接口、阀门及阀件、管道敷设、管道试压、防腐汕漆、管道及设备保温等内容。
(3) 图纸资料是否齐全.能否满足施工需要。
(4)主要设备、材料表中的水泵、水处理设备、水加热设备、冷却塔、消防设施、卫生器具等的造型是否安全合理。
(5)管道、设备的防隔振、消声、防水锤、防膨胀、防伸缩沉降、防污染、防露、防冻、放气泄水、固定、保温、检查、维护等是否采取有效合理的措施。
(6)设计意图、工程特点、设备设施及其控制工艺流程.工艺要求是否明确。
各部分设计是否明确.是否符合工艺流程和施工工艺要求。
(7)设计说明及设计图中的技术要求是否明确。
设计是否符合企业施工技术装备条件。
如需要采用特殊措施时.技术上有无困难.能否保证施工质量和施工安全。
在工程施工前首先要认真熟悉图纸,了解设计意图、相关技术要求及工艺流程,按图纸要点认真审核图纸目录、设计说明、设备清单等,主要从以下几个方面着手审查:1、管道系统图管径与平面图中标注;2、风道系统图截面与平面图中标注;3、预留孔洞的尺寸、相对位置、离墙距离和标高与土建专业图纸;4、暖通管道与其它专业管道、构配件是否碰撞或矛盾;5、风管穿过楼板、隔墙的座标位置与土建图纸中的标示位置;6、是否违反《强制性条文》、规范规定;7、或者规范中尚未明确或者理解存在分歧,影响实际使用效果或功能。
以下就常见问题进行总结,不妥之处请批评指正。
一、采暖1、《采暖通风与空气调节设计规范》规定“新建住宅热水集中采暖系统,应设置分户热计量和室温控制装置”,工程项目中仍有未执行此条规定设置分户热计量和室温控制装置;2、《暖通规范》规定“有冻结危险的楼梯间或其他有冻结危险的场所,应由单独的立、支管供暖。
散热器前不得设置调节阀。
”设计中常有楼梯间与相邻房间共用立管。
有的虽设计独立立管,但在散热器前(即连接散热器的水平支管上)设置调节阀。
不执行此条规定的原因:a. 有的设计者没有很好学习规范,不知道有此规定。
b. 对本条条文解释理解不全面。
本条条文解释是“随着建筑水平和物业管理水平的提高及采暖区域扩大,有的楼梯间已经无冻结危险,因此,对楼梯间也不能一概而论”。
楼梯间有无冻结危险,要看楼梯间的位置是否直靠外门、外门开启频率以及人员行为特点来判定;3、《暖通规范》规定“采暖管道必须计算其热膨胀,当利用管段的自然补偿不能满足要求时,应设置补偿器。
”设计中未计算热膨胀,固定支架设置位置不合理。
有的根据管段的长短设补偿器但未加注补偿量,未注方形补偿器的尺寸;4、普通住宅的厨房没设采暖,不能满足《住宅设计规范》规定“设置集中采暖系统的普通住宅的室内采暖计算温度,不应低于表6.2.2的规定。
”,表6.2.2规定厨房不应低于15℃。
工程设计中应设置采暖;5、《住宅设计规范》规定“采暖系统中,用于总体调节和检修的设施,不应设于套内”。
暖通专业施工图设计审核要点暖通专业施工图设计审核要点(一)——建筑方案深化阶段1.1地下车库部分1.1.1换热站位于负荷中心位置、房间净高度不小于3米。
1.1.2整体热力系统区域划分均衡。
1.1.3换热站设置满足整个项目的使用要求。
1.1.4制冷站位于负荷中心位置、房间净高度不小于3米。
1.2主楼各层平面图1.2.1暖井布局紧凑并满足抄表、维修间距。
1.2.2风口直接布置在风井上,竖井风速不小于10m/s。
1.2.3空调冷媒管长度≤7m。
1.2.4有餐饮时已预留排油烟井。
1.2.5主楼内走道长度满足自然排烟要求。
1.2.6楼梯间和前室的开窗面积满足自然排烟要求。
暖通专业施工图设计审核要点(二)——建筑条件图阶段2.1地下车库2.1.1防火分区≤4000m²。
2.1.2防烟分区≤2000m²。
2.1.3换热站、制冷站位于负荷中心位置、房间净高度不小于3米。
2.1.4换热站、制冷站满足整个项目的使用要求。
2.2主楼各层平面图2.2.1暖井布局紧凑并满足抄表、维修间距。
2.2.2地下室风井出地面处充分利用半高空间(如楼梯平台、空调板下方),平面位置隐蔽。
2.2.3风口直接布置在风井上,竖井风速不小于10m/s。
2.2.4有餐饮时已预留排油烟井。
2.2.5空调冷媒管长度≤7m。
暖通专业施工图设计审核要点(三)——户型综合图阶段3.1暖通3.1.1散热器布置和开关、插座位置不冲突。
3.1.2卫生间散热器(包括位于座便器上方时)位置合理,支管尽可能不穿防水层。
3.1.3户内散热器位置对流效果好、符合房间布局要求。
3.1.4飘窗窗台下不放置散热器。
3.1.5空调室内机位置气流组织好。
3.1.6空调主机位平面尺寸不小于1000X500,高度不小于800(2P)。
3.1.7空调预留洞大小Ф75、壁挂机H+2.2米、柜机H+0.15米。
空调冷凝水有组织排放。
3.1.8空调冷凝水有组织排放。
3.1.9空调插座位置靠近空调。
暖通专业图纸设计审查要点在建筑工程中,暖通专业图纸的设计质量直接关系到建筑物的舒适度、能源效率和运行成本。
因此,对暖通专业图纸进行严格的设计审查至关重要。
以下是一些在审查暖通专业图纸时需要重点关注的要点。
一、设计说明1、工程概况审查设计说明中对工程的概述是否准确、完整,包括建筑物的用途、面积、层数、高度等基本信息。
2、设计依据检查设计依据是否齐全、有效,包括相关的规范、标准、图集以及建设单位的要求等。
3、室内外设计参数确认室内外的温度、湿度、风速等设计参数是否符合当地的气候条件和建筑物的使用要求。
4、空调系统明确空调系统的类型(如集中式、分散式、半集中式等)、冷热源形式(如冷水机组、热泵、锅炉等)、送风方式(如侧送、顶送、下送等)以及控制方式等是否合理。
5、通风系统审查通风系统的设置目的(如排除有害气体、保证人员新风需求等)、通风量计算依据和通风方式(如机械通风、自然通风)是否恰当。
6、防排烟系统检查防排烟系统的设计是否符合防火规范的要求,包括排烟量、防烟分区划分、排烟口和送风口的设置位置及风速等。
二、设备材料表1、设备选型核对空调主机、风机、水泵等设备的型号、规格、性能参数是否满足设计要求,是否与系统计算匹配。
2、材料规格确认管材、阀门、保温材料等的材质、规格、型号是否正确,是否符合工程的使用条件和质量要求。
三、平面图1、空调系统布置查看空调室内外机的位置是否合理,是否便于安装、维修和操作,冷媒管和冷凝水管的走向是否顺畅,长度是否在合理范围内。
2、通风系统布置检查通风设备(如风机、通风管道)的位置和布置是否符合气流组织的要求,是否与其他专业的设备和管道发生冲突。
3、防排烟系统布置审查防烟楼梯间、前室、合用前室等部位的正压送风口和排烟口的位置、尺寸是否符合规范要求,排烟风道的布置是否合理。
4、管道综合布置留意暖通管道与其他专业(如给排水、电气)管道的交叉情况,是否存在碰撞或间距不足的问题,管道的标高是否满足建筑净高的要求。
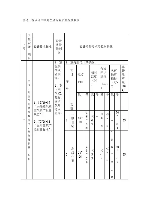
住宅工程设计中暖通空调专业质量控制要求八中央空调系统1、GBJ19-87“采暖通风与空气调节设计规范”2、GB50176“民用建筑热工设计规范”。
3、JGJ26-86“民用建筑节能设计标准”。
1、能耗高2、无法计量3、室内正压大打不开门4、冬季室内干燥5、控制管理复杂6、噪声高7、空气质量差1、空气处理机及整体式空调器的新风量应可调节,新风进口面积应能满足过渡季节增加直至全新风的运行要求。
2、空调系统应考虑空气量的平衡,室内正压不应超过50Pa。
3、高级民用建筑当采用空气系统时,应有空气加湿措施。
4、当建筑空调系统供水高度在150m以下时,可采用“一泵到顶”的供水方式,但冷水机组设在泵的吸入口,以减少主机的工作压力。
5、大型中央空调宜采用一、二次泵系统,二次泵应采用变流量供水方式。
6、冷却水系统的冷却泵宜采用变频调速泵。
7、高层建筑群和小区可在经济比较的可行性分析后考虑采用区域空调系统。
8、系统设计时应根据要求在分支环上增装能量表。
9、空调系统的冷水管宜采用64K玻璃棉或其它隔热性能良好的材料保温,其厚度需采用经济厚度进行计算,并经不结露重新验算后确定。
10、空调设备宜选用低噪声、高效率、环保型产品。
11、冷水机组、水泵应做隔振地面和隔振台座。
对周围环境有噪声影响的机房应采取吸音及隔声措施。
12、末端采用的风机盘管、冷量宜按中档负荷能力选用。
13、冷水、冷却水循环系统根据水质条件分别设计相应的水质处理装置。
各项目可以根据以上内容选择确定顾客敏感点。
暖通专业审图要点项目审查内容5.1 强制性条文《工程建设标准强制性条文》(房屋建筑部分)2002年版(具体条款略)5.2 设计依据设计采用的设计标准、规范是否正确,是否为有效版本。
5.3 基础资料5.3.1 室外气象资料设计采用的室外气象参数等基础资料是否正确可靠。
5.3.2 室内设计标准设计采用的室内设计标准是否满足相应规范和使用要求。
5.3.3 建筑热工计算居住建筑(住宅、公寓、单宿、托幼、旅馆、医院病房等)的围护结构应满足标准(居住建筑部分)的要求和各地区相关细则。
5.4 防排烟5.4.1 高层建筑《高层民用建筑设计防火规范》GB50045-95(2001年版)1)一类高层建筑和建筑高度超过32m的M类高层建筑的内走廊、无窗房间、中8.4.1条、第8.4.2条规定设置排烟设施。
2)设置机械排烟的地下室,应同时设置送风系统,按第8.4.11规定,送风量不宜小于排烟量的50%。
5.4.2 人防地下室《人民防空工程设计防火规范》GB50098-98第6.2.1条规定,防烟楼梯间送风余压值不应小于50Pa,前室或合用前室送风25Pa。
防烟楼梯间的机械加压送风量不应小于25000m3/h。
当防烟16000m3/h,12000m3/h。
注:人防工程防火规范强条见《工程建设标准强制性条文(人防工程部分)》。
5.4.3 地下汽车库《汽车库、修车库、停车场设计防火规范》GB50067-97(1)第8.2.1条规定,面积超过2000m2的地下汽车库应设置机械排烟系统。
(2)第8.2.4条规定,风机排烟量应按换气次数不小于6次/h计算确定。
5.4.4 洁净厂房《洁净厂房设计规范》GB50073-2001第6.5.7条规定,洁净厂房疏散走廊,应设置机械防排烟设施。
5.5 通风、空调系统防火措施《洁净厂房设计规范》GB50073-2001(1)第6.6.2条规定,下列情况之一的通风、净化空调系统的风管应设防火阀:(2)第6.6.6条规定,风管、附件及辅助材料的选择应符合下列要求:净化空调燃材料;附件、保温材料、消声材料和粘结剂等均采用不燃材料或难燃材料。
暖通专业图纸设计审查要点审查内容:1.设计文件审查(1)设计依据是否充分,是否有初步设计审查会议记要、初步设计批文、建设单位对本专业施工图设计的要求及主管部门批文;(2)计算书是否完整;(3)施工图设计深度是否符合规定;(4)签署、出图章及有关专业会签是否符合规定。
--------------------------------------------------------------------------------2.地下汽车库(1)地下车库排风;(2)排风系统防火阀;(3)地下车库设送风系统;(4)排风(烟)系统风口。
--------------------------------------------------------------------------------3.高层建筑防、排烟(1)自然排烟的开窗面积、方位;(2)机械防烟风量计算、系统位置;(3)机械排烟系统设计、排烟量计算及防火阀的位置;(4)通风和空调系统的防火措施;(5)有害气体排放。
--------------------------------------------------------------------------------4.空调、通风(1)系统设置;(2)新风量、正压值;(3)调节阀设置;(4)保温材料。
--------------------------------------------------------------------------------5.锅炉房(1)锅炉房布置;(2)锅炉房泄压面积计算;(3)油、气系统符合设计规范;(4)锅炉房、控制室和化验室等环境符合卫生标准。
--------------------------------------------------------------------------------6.燃气(1)气管道布置;(2)进户管设置;(3)燃气管坡度;(4)燃气管安装几调试。
暖通专业审图要点汇总民用建筑暖通专业涉及车库、关键设备房、公共楼梯间等处消防通风、排风,及暖气循环管道等内容,概况特点:管径大、施工交叉配合困难、易造成与其它专业的“打架”现象,因此图纸的审核尤为重要,现就目前归纳总结的以及结合以往工程项目谈谈审图方面的经验,供大家参考。
(一)地下车库、地面通风防排烟部分1.防火分区≤4000㎡,防烟分区≤2000㎡;2.防火分区、防烟分区应与建筑专业一致,需与建筑专业施工图对比审核;3.通风、排风井位置设置在较隐蔽处,注意不能设置在单元入户门处、沿街前厅门处等有碍公共出入及美观实用的地方;4.室外的通风口与排烟口布置在满足规范的要求下,应符合建筑立面效果图的要求,要保持一致性;5.注意风管及桥架,暖气管道等是否穿过防火卷帘门,致使防火卷帘门无法关闭;6.结合车库电气、给排水专业审核风管及暖气管道与其它专业如电气桥架,给排水管道等在平面图上的打架交叉点,提前计算交叉剖面间距是否能满足车库净高2.2米的要求;7.换热站最好位于负荷中心位置,房间净高度不低于3米(二)主楼住宅通风部分1.卫生间有开启窗能对外排风的户型,是否重复设置排烟道,如设置,日照本地可取消排烟道;2.厨房、暗卫生间的排烟道是否是1:1的实际比例绘制,是否有吃窗框等现象出现;3.屋顶及商业沿街上的风机设置位置应合理,风机口应标注防雨,防护罩等措施;(三)主楼住宅暖气部分(涉及到业主、户型、实用功能等重点审核)1.室外暖气干管引入室内的位置应力求拐弯较少,直接引进管道井最好;2.管道井检修门的高度不低于1.2米,方便检修;3.管道井暖气立管上分支管道的方向和高度是否合理,应满足热表安装的要求及便于维修要求4.室内分集水器的设置位置应合理,即(1)保证管路尽量不交叉,且距离管井较短;(2)安放位置要保证与电气专业的强弱电箱及对面墙上的插座不发生冲突,5.地暖敷设设置温度控制阀时,控制面板的安放位置是否能与电气弱电图对应起来;6.对于空调制暖的,空调外机尺寸、位置要和建筑、电气专业配合,图纸是否一致。
暖通专业施工图设计校对审核要点根据日常工作中校对审核民用建筑暖通施工图以及施工图审查公司在审图过程中所发现的一些常见问题总结出民用建筑暖通施工图设计校对审核的要点提纲。
标签:自校校对审核要点提纲为了提高设计质量,增加设计深度,保证校对审核的完整性和准确性。
根据日常工作中校对审核民用建筑暖通施工图以及施工图审查公司在审图过程中所发现的一些常见问题总结出民用建筑暖通施工图设计校对审核的要点提纲。
节能专项说明是否齐全,是否符合节能设计“规范“、“标准“的要求。
详图绘制是否正确并与本工程相符。
设计说明是否能满足本工程的要求,有无与“规范”中强制性条文相互不一致的说法;说明内容有无遗漏,与设计图纸有没有冲突、矛盾的地方。
1.平面图暖通设计平面图需要具备全面性,其中应当详细、清晰地标记各项数据和指标,平面图、剖面图、系统图、详图之间是否相互一致;有无错、漏、碰、缺;一层平面图是否标注指北针(一层平面分图打印的应在每张一层平面上画出);消防设计是否符合相关防火规范要求和有关部门的规定;计算结果有无错误;图纸上标注的管径、设备选择的型号、规格、尺寸是否与计算结果相符。
弯头、阀门零部件、排风管道的设计应当标清比例和规格。
系统编号、各种设备、设备基础的定位尺寸。
设备选择的型号、规格、尺寸是否与计算结果相符,是否经济合理;风管尺寸标高,阀门部件的安放设计应当合理科学,包括排风口的规格、数目和种类;消声器的规格、数目和种类;设备维修和检测的设计;暖通设施及其附属管道的规格、数目和种类;校核设备、部件编号与设备材料明细表是否一致;设备布置是否有检修空间。
采暖、空调水管平面图下列内容是否表达齐全、正确:采暖设备、阀门、部件按图例表示;管道的坡面斜度和方向、管道的编号、管道的支架固定方式、管道补偿器和散热器的规格、数目和种类(地热盘管间距、长度)等等;管道管径。
管道坡度、放空气、泄水是否有问题;管井放大图排管尺寸是否经济合理且满足施工维修要求。
图纸会审要点
(1)图纸会审的具体内容有:
1、工程结构是否符合经济合理原则
2、图纸是否存在方案性问题,各专业、各分项目之间的配
合有无协调的问题。
3、图纸各部位尺寸、标高是否统一、准确
4、建筑、结构、公用管理线安装有无矛盾。
5、各种工业管道的走向是否合理,与地上、地下建筑物交
叉有无矛盾。
6、有无难以实现的结构,难以提供的材料、设备。
会审时,应特别注重质量通病的防治措施,如:
1、建筑与设备的配合(如厕所淋浴建管道走向、开关、插
座位置等)
2、楼梯段净高,休息平台出净高、门净高是否符合规范要
求。
3、结构方面:标高、砼等级、钢筋型号、抗震等级要求是
否符合规范要求,
4、屋面防水、外墙防水、地面做法,卫生间淋浴防水做法
是否规范。
5、治理建筑工程温度裂缝、顺板裂缝、现浇面裂缝、卫生
间淋浴渗漏、外墙渗漏等设计、施工技术措施等(细部
构造)。
6、各构件不同等级砼浇筑处节点的处理及技术要求。
7、设计图纸地基是否与甲方提供的地基勘察报告所对应
的持力层相符。
8、明确抗震等级及结构对钢筋的要求(是否带E及有无强
制性条文)
9、注明特殊构建的尺寸、砼标号、配筋规格及间距
10、明确砌体所用材质及有无特殊要求(砌块强度、砂浆标
号及等级)。
人防工程暖通专业设计审查要点探讨摘要:人防工程作为具有特殊功能的建筑对于危机情况保障人们生命财产安全提供了相当大的保障。
人防工程对我们而言是居安思危的一种表达,除去满足人们日常生活所具备的功能外,在未来战乱时期人们的财产安全的保护也借由人防工程体现出来。
在掩体中,人们对于空气,通风的需求是至关重要的,因此对于人防工程的审核需要加大力度。
本文讲述了在人防暖通设计过程中存在的问题,希望提供一定的借鉴。
关键词:人防工程;暖通设计;审查;建筑设施1人防工程暖通设计计算中存在的问题1.1过滤有害气体相关进出风量(1)由于当前处于和平时期,工程师们对于战时条件的模拟仍旧无法避免一定程度的误差,因此查阅相关管理规范,我么可以设定在一个区间,即保证清洁空气的进入量,应当从内部人员正常呼吸所需风量,和保证室内外压强一样的风量中取数额较大的部分。
(2)而当室内超压的过程中会有一定的漏风情况,对于漏风量的计算标准也是不一样的。
当压力值为 30 兆帕到 50 兆帕的时候应当取用容积的 4%。
当大于 50 兆帕的时候,则用百分之 7%。
查阅相关条例,清洁区超压≧ 50Pa 的工程,取上述区间的数值即可,具体数值应根据实际情况做出调整。
(3)测试部分地下建筑,发现进风量和通风量平衡关系不佳,因此我们应当注意通风过程中,进风量应当大于出风量且低于超压漏风量。
1.2隔绝防护时间的计算(1)地下人防工程需要具有一定的防护性,有效的防护时间应当在建设之初就做好充分的准备。
而同时也要考虑到,当实际隔绝时间大于设定时间时,应当设置好空气内部氧气生成以及二氧化碳的减少。
或者减少设定人员。
(2)同时如上文所说,当地下隔离时间过长时,在地下工程中应当配以辅助氧气制造设备,和二氧化碳的减少装备。
但是此类方法一般难以控制,因此,内部需要增加清洁区和内部人员为主。
(3)在实地考察中,往往人员面积不符合相关的规范,因此,根据要求掩体内部人员所用面积为 1 人 / 平米。
1审查依据
国家相关规范、规程、规定及地方标准,方案(初步)设计审批文件。
2审图基本原则:
暖暖等专业设备、管线安装位置设计合理、美观且相互之间及与建筑、结构图纸不相矛盾。
3审查要点
3.1大堂的空调型式,大堂空调电源及冷凝水排放。
3.2空调室外机搁板的大小、位置、高低与建筑配合,避免对着邻家窗,是否考虑护栏。
考虑室
外机安装方法和维修的可行性及安全性。
分析室外空调散热器组或冷却塔组的噪声对周边建筑及居民的影响,并设计及配置降噪措施以符合环保要求。
3.3分体机冷媒管不得大于5M,核对保温选用材料。
3.4进排风百页避免在主立面及中庭墙身。
3.5住宅起居室空调总量大于2匹时应采用立式空调。
3.6室内机的插座、冷凝接水品及冷媒孔的位置;室内机是否与家具位冲突。
风管的风口及阀门
数量是否遗漏。
3.7埋墙冷凝水立管采用镀锌管及接口支管应采取措施防止杂物进入主管。
3.8核对甲供设备如冷却塔、锅炉、冷冻机与设计有无冲突。
第1页共1页。
人防工程暖通专业设计审查要点摘要:笔者在参与人防工程暖通专业设计审图中,发现在工程设计中,由于设计人对规范的理解不准确,或者规范对一些情况的规定不明确或有部分争议,造成设计上的缺陷或失误,现将笔者接触的审图项目加以总结,为以后的工程设计提供一定的建议和参考。
关键词:人防工程;暖通设计;暖通专业设计引言:在地下人防工程的设计及建设中,地下工程的内部环境成为很重要的一项内容,因为一旦处于战争时期,人们将会在地下工程中生存很长时间,如何保障人们在地下工程中生活的内部空气质量显得尤为重要。
1 人防工程暖通设计计算中存在的问题1.1 滤毒通风量的计算1.1.1在设计计算时,战时滤毒通风新风量的计算往往会有错误,参照规范中的规定,防空地下室滤毒通风时的新风量应分别计算人员所需新风量和室内保持正压所需的新风量,取其中的较大值。
1.1.2在计算室内保持超压时的漏风量时,漏风率根据工程清洁区的允许超压值而取值不同。
参照规范中的规定,清洁区超压值为30~50Pa时取清洁区有效容积4%;参照规范的规定,清洁区超压值为30~50Pa时取清洁区有效容积4%,大于50Pa时取清洁区有效容积7%。
在实际计算中,清洁区超压≧50Pa的工程,取有效容积的4%或7%均可。
1.1.3按照规范中的规定,应注意清洁通风时,进风量与排风量的差值宜不大于滤毒通风时工程的超压漏风量。
1.2 隔绝防护时间的计算1.2.1参照规范的规定,防空地下室战时的隔绝防护时间,应按公式进行校核计算。
当计算出的隔绝防护时间不能满足规范表格中的规定时,应采取生O2、吸收CO2或减少战时掩蔽人数等措施。
1.2.2其中,在实际工程设计计算时,如果防护隔绝时间不满足要求,一般使用辅助设备来增加O2浓度或降低CO2浓度都有一定问题和实际设计的困难,因此只能通过减少掩蔽人数或者增加防空地下室清洁区内的容积(如适当增加清洁区实际面积或层高)来满足要求。
1.2.3此处值得注意的是,在规范及规范中人员掩蔽面积(一等人员掩蔽工程和二等人员掩蔽工程)为1m2/人,但在暖通设计计算中一等人员掩蔽工程为1m2/人,其工程的防护隔绝时间无法满足要求,可适当参考规范中人员掩蔽工程的面积标准。
暖通专业图纸设计审查要点审查内容:1.设计文件审查(1)设计依据是否充分,是否有初步设计审查会议记要、初步设计批文、建设单位对本专业施工图设计的要求及主管部门批文;(2)计算书是否完整;(3)施工图设计深度是否符合规定;(4)签署、出图章及有关专业会签是否符合规定。
--------------------------------------------------------------------------------2.地下汽车库(1)地下车库排风;(2)排风系统防火阀;(3)地下车库设送风系统;(4)排风(烟)系统风口。
--------------------------------------------------------------------------------3.高层建筑防、排烟(1)自然排烟的开窗面积、方位;(2)机械防烟风量计算、系统位置;(3)机械排烟系统设计、排烟量计算及防火阀的位置;(4)通风和空调系统的防火措施;(5)有害气体排放。
--------------------------------------------------------------------------------4.空调、通风(1)系统设置;(2)新风量、正压值;(3)调节阀设置;(4)保温材料。
--------------------------------------------------------------------------------5.锅炉房(1)锅炉房布置;(2)锅炉房泄压面积计算;(3)油、气系统符合设计规范;(4)锅炉房、控制室和化验室等环境符合卫生标准。
--------------------------------------------------------------------------------6.燃气(1)气管道布置;(2)进户管设置;(3)燃气管坡度;(4)燃气管安装几调试。
暖通专业审图要点
项目审查内容
5.1 强制性条文
《工程建设标准强制性条文》(房屋建筑部分)2002年版(具体条款略)
5.2 设计依据
设计采用的设计标准、规范是否正确,是否为有效版本。
5.3 基础资料
5.3.1 室外气象资料
设计采用的室外气象参数等基础资料是否正确可靠。
5.3.2 室内设计标准
设计采用的室内设计标准是否满足相应规范和使用要求。
5.3.3 建筑热工计算
居住建筑(住宅、公寓、单宿、托幼、旅馆、医院病房等)的围护结构应满足标准(居住建筑部分)的要求和各地区相关细则。
5.4 防排烟
5.4.1 高层建筑
《高层民用建筑设计防火规范》GB50045-95(2001年版)
1)一类高层建筑和建筑高度超过32m的M类高层建筑的内走廊、无窗房间、中8.4.1条、第8.4.2条规定设置排烟设施。
2)设置机械排烟的地下室,应同时设置送风系统,按第8.4.11规定,送风量不宜小于
排烟量的50%。
5.4.2 人防地下室
《人民防空工程设计防火规范》GB50098-98
第6.2.1条规定,防烟楼梯间送风余压值不应小于50Pa,前室或合用前室送风25Pa。
防烟楼梯间的机械加压送风量不应小于25000m3/h。
当防烟16000m3/h,12000m3/h。
注:人防工程防火规范强条见《工程建设标准强制性条文(人防工程部分)》。
5.4.3 地下汽车库
《汽车库、修车库、停车场设计防火规范》GB50067-97
(1)第8.2.1条规定,面积超过2000m2的地下汽车库应设置机械排烟系统。
(2)第8.2.4条规定,风机排烟量应按换气次数不小于6次/h计算确定。
5.4.4 洁净厂房
《洁净厂房设计规范》GB50073-2001
第6.5.7条规定,洁净厂房疏散走廊,应设置机械防排烟设施。
5.5 通风、空调系统防火措施
《洁净厂房设计规范》GB50073-2001
(1)第6.6.2条规定,下列情况之一的通风、净化空调系统的风管应设防火阀:
(2)第6.6.6条规定,风管、附件及辅助材料的选择应符合下列要求:净化空调燃材料;附件、保温材料、消声材料和粘结剂等均采用不燃材料或难燃材料。
5.6 环保与卫生
5.6.1 地下汽车库换气
《汽车库建筑设计规范》JGJ100.98
第6.3.4条规定,地下汽车库宜设置独立的送、排风系统。
其风量应按允许的废气标准量
计算,且换气次数每小时不应小于6次。
5.6.2 饮食建筑油烟排放
《饮食业油烟排放标准(试行)》GWPBS-2000
表2规定:饮食业单位的油烟最高允许排放浓度和油烟净化设施最低去除效率
如下表所示:规模小型中型大型最高允许排放浓度(mg/m3)2.0 净化设施最低去除效率(%) 60 75 85
5.6.3 环境噪音
《城市区域环境噪声标准》GB3096-93 各种区域的环境噪声不准超过下表规定:
类别适用范围昼间(dB)夜间(dB)
0 疗养、高级别墅高级区50 40
1 居住、文教、机关为主的区域55 45
2 居住、商业、工业混杂区域60 50
3 工业区65 55
4 城市中道路交通干线道路两侧70 55
5.6.4 降低设备噪音的措施
《采暖通风与空气调节设计规范》GBJ19-87(2001年版)
(1)第8.2.3条规定,通风和空气调节系统产生的噪声,当自然衰减不能达到允许的噪声标准时,应设置消声器或采取其他消声措施。
系统所需的消声量,应通过计算确定。
(2)第8.3.2条规定,当通风、空气调节和制冷装置的振动靠自然衰减不能达到允许程度时,应设置隔振器或采防其他隔振措施。
5.7 安全设施
5.7.1 采暖通风系统
《采暖通风与空气调节设计规范》GBJ19-87(2001年版)
(1)第3.8.19条规定,穿过建筑物基础、变形缝的采暖管道,以及埋设在建筑结构里的立管,应采取预防由于建筑物下沉而损坏管道的措施。
(2)第6.3.5条规定,闭式冷水系统应设置膨胀措施和排气、泄水装置。
(3)第7.2.5条规定,空气调节系统的电加热器应与送风机联锁,并应设无风断电保护,设置电加热器的金属风管应接地。
(4)第4.4.9条规定,可能突然放散大量有害气体或有爆炸危险的气体的生产厂房应设置事故排风。
5.7.2 锅炉房
《锅炉房设计规范》GB50041-92
(1)第13.3.2条规定,锅炉间、凝结水箱问、水泵间和油泵间等房间的余热宜采用有组织的自然通风排除。
当自然通风不能满足要求时,尚应设置机械通风。
(2)第13.3.8条规定,燃油泵房和贮存闪点小于或等于45度的易燃油品的地下油库,除采用自然通风外,燃油泵房应有每小时换气10次的机械通风装置,油库应有每小时换气6次的机械通风装置。
易燃油泵房和易燃油库的通风装置应防爆。
(3)第13.3.7条规定,燃气调压间等有爆炸危险的房间,应有每小时不小于3次的换气量。
当自然通风不能满足要求时,应设置机械通风装置,并应有每小时换气不小于8次的事故通风装置。
通风装
想找解决暖通自控方案的中央空调温控器、三速开关、电动阀、电动调节阀、平衡阀、压差旁通、辅助电加热器、地暖温控器、暖气阀等产品的参数和安装方法吗?请上暖通自控第一站--索拓网!
暖通自控第一站--索拓网!专注于解决中央空调自控和供热采暖自控方案,包括风机盘管控制方案、新风机组控制方案、压差旁通控制方案、辅助电加热解决方案等
长沙索拓电子技术有限公司长沙市天心区劳动西路298号佳逸豪园A 栋23楼01室。