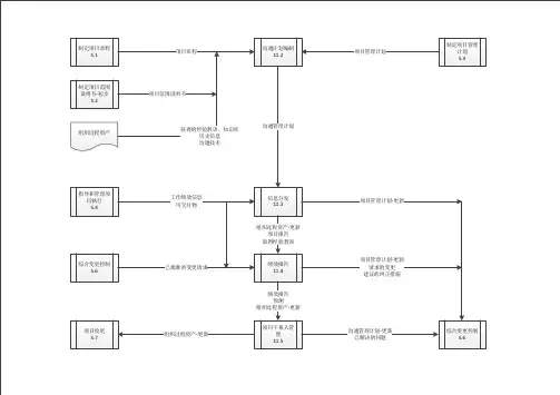
信息沟通管理流程图
- 格式:doc
- 大小:438.50 KB
- 文档页数:2
项目信息管理1项目信息管理1.1流程说明1.2二级流程图1.3三级流程图1。
3。
1项目外部信息接收子流程1.3。
2项目对外信息发送子流程1。
3.3 项目对内信息发送子流程1.3.4项目信息借阅子流程1.3。
5项目档案信息移交、归档子流程1.4流程描述1.5管理制度项目信息管理办法:包括《总承包项目信息管理规定》、《总承包项目信息沟通管理计划管理办法》、《总承包项目外部信息沟通管理办法》、《总承包项目内部信息沟通管理办法》、《总承包项目文件编号管理办法》、《总承包项目档案管理规定》、《总承包项目现场档案管理办法》、《总承包项目文件资料管理办法》、《总承包项目电子档案管理办法》、《总承包项目项目档案竣工移交管理办法》。
1.6配套表单1.6.1收文记录联系单收文记录联系单编号:项目名称发件方发件人收件方收件人文件名称收文说明:录入人/ 日期核稿人/日期签发人/日期1。
6.2来文登记表来文登记表序号文号公文标题来文单位发文时间收文时间收文人处理情况123451.6。
3会议纪要中国能源建设集团湖南省电力设计院有限公司R02。
02—04-2015 会议纪要编号:43005-XXC -0011。
6。
4发文记录联系单发文记录联系单项目名称收件方收件人发件方发件人文件名称发文说明:录入人/日期核稿人/日期签发人/日期1。
6。
5项目部工程联系单项目部工程联系单签发单位:编号:□回复□不回复□紧急□特急注意:“回复”应在3天内回复,“紧急”应在2天内回复,“特急”应在当天内回复。
1。
6。
6项目文件借阅单R02。
18—06-2010 档案资料借阅申请单编号:43107—。
1.目的
确保公司管理体系的内外部进行有效性的沟通,并确保在各部门和各岗位发现的问题,以及顾客抱怨、供方信息得到及时反馈、及时解决,以达到相互了解,实现全员参与的目的,尽量避免差错的出现。
2.适用范围
适用于公司内部各部门/本部门之间的沟通、公司与顾客的沟通和服务、公司与供方的沟通和合作。
3 定义
(无)
4 职责
4.1管理者代表负责质量管理体系相关信息的管理。
4.2销售部负责顾客抱怨、服务信息的收集和传递。
4.3质量部负责产品、过程质量有关信息的收集和传递。
4.4技术部负责过程开发所需要的信息的沟通管理。
4.5物流部负责采购信息与供方的沟通。
4.6各部门负责就公司已确定的产品、过程和体系要求有关方面的问题,本部门与公司相关部门实施沟通,并对沟通的有效性负责。
5. 过程绩效指标(参见质量手册附录:质量目标)
5.1顾客抱怨信息处理及时率(及时处理的抱怨/总抱怨)
6 工作程序
7 相关文件
RY-B/Q/XS-01服务管理程序
RY-B/Q/WL-06 合同评审管理程序
RY-B/Q/JS-01产品质量先期策划管理程序RY-B/Q/WL-01采购管理程序
RY-B/Q/WL-02供方管理程序
RY-B/Q/ZL-02 纠正和预防措施管理程序RY-B/Q/XZ-04记录管理程序
8 所属记录
RY-D/Q/XZ-18会议记要。
信息安全管理流程图(总11页)本页仅作为文档封面,使用时可以删除This document is for reference only-rar21year.March信息安全管理流程说明书(S-I)信息安全管理流程说明书1信息安全管理1.1目的本流程目的在于规范服务管理和提供人员在提供服务流程中应遵循和执行的相关活动,保证信息安全管理目标的实现,满足SLA中的信息安全性需求以及合同、法律和外部政策等的要求。
1)在所有的服务活动中有效地管理信息安全;2)使用标准的方法和步骤有效而迅速的处理各种与信息安全相关的问题,识别并跟踪组织内任何信息安全授权访问;3)满足服务级别协议、合同、相关法规所记录的各项外部信息安全需求;4)执行操作级别协议和基础合同范围内的信息安全需求。
1.2范围本安全管理流程的规定主要是针对由公司承担完全维护和管理职责的IT系统、技术、资源所面临的风险的安全管理。
向客户提供服务的相关人员在服务提供流程中所应遵循的规则依据公司信息安全管理体系所设定的安全管理规定,以及客户自身的相关安全管理规定。
公司内部信息、信息系统等信息资产相关的安全管理也应遵循公司信息安全管理体系所设定的安全管理规定。
2术语和定义2.1相关ISO20000的术语和定义1)资产(Asset):任何对组织有价值的事物。
2)可用性(Availability):需要时,授权实体可以访问和使用的特性。
3)保密性(Confidentiality):信息不可用或不被泄漏给未授权的个人、实体和流程的特性。
4)完整性(Integrity):保护资产的正确和完整的特性。
5)信息安全(Information security):保护信息的保密性、完整性、可用性及其他属性,如:真实性、可核查性、可靠性、防抵赖性。
6)信息安全管理体系(Information security management systemISMS):整体管理体系的一部分,基于业务风险方法以建立、实施、运行、监视、评审、保持和改进信息安全。
信息系统需求分析流程图信息系统需求分析是信息系统开发过程中非常重要的一步,它的目标是明确用户需求,为开发团队提供明确的方向和目标。
本文将介绍信息系统需求分析的流程图,并详细解析每个步骤。
流程图一:用户需求获取用户需求获取是信息系统需求分析的第一步,它的目标是与用户进行有效的沟通,准确地了解用户的需求。
具体步骤如下:1. 确定需求获取的方式:可以通过面对面的访谈、问卷调查、观察等方式获取用户需求。
根据具体情况选择适合的方式。
2. 进行需求访谈:与用户面对面进行访谈,主要目的是获取用户的工作流程、业务需求等信息。
3. 设计问卷调查:设计合适的问卷,并向用户发放,收集用户对信息系统的期望和需求。
4. 观察用户操作:通过观察用户的工作过程和操作习惯,获取对信息系统的需求。
流程图二:需求分析与整理需求分析与整理是在获取用户需求后,对所有的需求进行梳理和整理,确保所有的需求都被记录下来并准确地理解。
具体步骤如下:1. 收集需求:将上一步中获取到的用户需求记录下来,包括文字描述、功能需求、性能需求等。
2. 需求分类:对收集到的需求进行分类,分为基本需求、附加需求、优先需求等。
3. 需求整理:整理需求,去除冗余和重复的需求,确保需求的准确性和完整性。
4. 验证需求:和用户进行反馈,确认整理后的需求是否准确地反映了用户的期望和需求。
流程图三:需求分析与建模需求分析与建模是在需求整理后,将需求进一步具体化、明确化,为系统设计提供依据。
具体步骤如下:1. 需求细化:将整理后的需求进行细化,明确每个需求的具体内容和表达方式,以便于后续的系统设计。
2. 数据建模:根据需求,进行数据建模,包括实体-关系模型、数据流图等,明确系统中的数据流动和关系。
3. 功能建模:根据需求,进行功能建模,明确系统的各个功能模块和功能之间的关系。
4. 接口建模:根据需求,进行接口建模,明确系统与外部系统之间的接口需求和交互方式。
流程图四:需求确认与评审需求确认与评审是在需求建模后,与用户进行沟通和确认,确保需求的准确性和完整性。
信息安全管理流程说明书(S—I)信息安全管理流程说明书1信息安全管理1.1目的本流程目的在于规范服务管理和提供人员在提供服务流程中应遵循和执行的相关活动,保证信息安全管理目标的实现,满足SLA中的信息安全性需求以及合同、法律和外部政策等的要求。
1)在所有的服务活动中有效地管理信息安全;2)使用标准的方法和步骤有效而迅速的处理各种与信息安全相关的问题,识别并跟踪组织内任何信息安全授权访问;3)满足服务级别协议、合同、相关法规所记录的各项外部信息安全需求;4)执行操作级别协议和基础合同范围内的信息安全需求。
1.2范围本安全管理流程的规定主要是针对由公司承担完全维护和管理职责的IT系统、技术、资源所面临的风险的安全管理。
向客户提供服务的相关人员在服务提供流程中所应遵循的规则依据公司信息安全管理体系所设定的安全管理规定,以及客户自身的相关安全管理规定。
公司内部信息、信息系统等信息资产相关的安全管理也应遵循公司信息安全管理体系所设定的安全管理规定.2术语和定义2.1相关ISO20000的术语和定义1)资产(Asset):任何对组织有价值的事物。
2)可用性(Availability):需要时,授权实体可以访问和使用的特性。
3)保密性(Confidentiality):信息不可用或不被泄漏给未授权的个人、实体和流程的特性。
4)完整性(Integrity):保护资产的正确和完整的特性。
5)信息安全(Information security):保护信息的保密性、完整性、可用性及其他属性,如:真实性、可核查性、可靠性、防抵赖性。
6)信息安全管理体系(Information security management system ISMS):整体管理体系的一部分,基于业务风险方法以建立、实施、运行、监视、评审、保持和改进信息安全。
7)注:管理体系包括组织机构、策略、策划、活动、职责、惯例、程序、流程和资源.8)风险分析(Risk analysis):系统地使用信息以识别来源和估计风险。
项目沟通与协调程序沟通与协调流程【图】1概述本工程施工工期紧,施工专业多,参建单位多,工程协调工程量大,须认真做好施工协调工作。
工程实施过程是通过业主、监理、施工、供应商等多家单位合作完成的,如何协调组织各方的工作和管理,是能否实现工期、质量、安全、降低成本的关键之一。
因此,为了保证这些目标的实现,务必完善项目沟通与协调程序,确保将各方的工作组织协调好。
工程项目需经历采购、施工、管护到竣工验收等各个阶段。
如果中标,我联合体将在项目实施期间首先做好内部各专业、各工区之间的组织管理,更要加强和业主、监理单位沟通协调,积极配合并协助业主与地方政府各级部门的审批沟通工作。
前瞻性分析、预判可能制约工程进展的相关问题,在项目初始阶段建立顺畅有效的的沟通机制,为工程建设创建和谐、稳定、顺畅的施工条件。
2沟通与协调范围内部的组织协调,包括项目部各部门、项目部与各施工班组、项目部与公司等内部组织之间为完成建设任务、实现建设目标而进行的协调。
与项目相关各方之间的协调,包括与发包人、监理人、当地村民、材料设备供应商等的协调,配合发包人与地方各级政府主管部门之间的协调。
3沟通与协调的管理职责1、项目经理负责项目的总协调,以及项目重大事件的沟通协调,并负责项目部日常交流文件的审查批准。
2、施工负责人负责施工过程中相关问题的沟通协调:(1)在授权范围内负责与各项目相关单位、各部门供货商等的协调,解决项目中出现的问题;(2)将阶段目标分解给各管理部门和各施工班组,使项目按照总目标的要求协调进行;(3)负责项目的决策工作,并及时采取措施处理项目出现的问题;(4)定期向发包人报告项目的进展情况及项目实施中的重大问题,并负责请求项目上级主管部门和有关部门协调及解决项目实施中的重大问题;3、安全总监负责就施工安全管理与发包人、监理人联系与协调工作。
4、工程管理部主管负责协调项目施工生产管理事务,包括协调组织各施工标段、材料设备供应商按计划落实生产。
加强公司部门工作流程沟通协调的管理规章制度随着公司规模的不断扩大和业务的日益复杂化,各部门之间的工作流程沟通协调变得尤为重要。
为了提高公司整体工作效率,避免信息传递失误和冲突,加强公司部门工作流程沟通协调的管理规章制度势在必行。
一、目的与意义加强公司部门工作流程沟通协调的管理规章制度的目的在于优化工作流程,加强部门之间的沟通与协作,提高信息传递的准确性和效率,确保各部门有效配合,达到公司整体利益最大化的目标。
二、基本原则1. 协作原则:各部门之间应相互支持、协作,共同推动公司的发展。
2. 共享信息原则:各部门应及时共享工作相关信息,确保沟通的准确性和及时性。
3. 倾听与尊重原则:各部门应倾听他人意见,尊重其他部门的工作需求,形成良好的工作氛围。
4. 及时反馈原则:各部门应及时反馈工作进展情况和问题,共同解决工作中的困难。
三、具体措施1. 沟通渠道的建立(1)公司内部邮件系统的完善:建立公司内部邮件系统,各部门通过邮件互通工作事项、进展情况和相关策略等。
(2)例会制度的建立:定期召开部门间例会,加强工作沟通、交流,解决工作中的问题,确保各部门的工作协调和配合。
2. 工作报告的编制与汇报(1)工作报告的编制:各部门在每周或每月末向上级报告工作进展情况、完成情况和存在的问题等,确保各部门的工作可以及时汇总。
(2)工作报告的汇报:通过例会、工作汇报会或公司内部通讯等形式,各部门向全体员工汇报工作进展和成果,提高员工之间对各部门工作的了解和认可。
3. 优化工作流程(1)工作流程图的制定:各部门应制定和完善工作流程图,明确工作流程、责任人和参与人,防止工作重复或者遗漏。
(2)工作协作平台的建立:建立公司内部协作平台,使各部门可以共享文件、交流讨论、协同编辑文档等,提高工作效率和协同能力。
4. 培训和沟通技巧培养(1)沟通技巧培训:定期开展沟通技巧培训,提升员工沟通表达能力,倡导有效沟通与合作。
(2)部门间交流活动:组织部门间交流活动,增进了解、促进交流,加强团队合作意识。
有效沟通技巧姓名: ____________ 日期: ____________沟通的定义:为了设定的目标,把信息,思想,情感在个人或群体之间传递,并达成协议的过程.定义要素:目标信息思想情感协议沟通的类型:沟通语言非语言口头书面距离肢体身体通过研究证明,在沟通中有65%的信息是通过肢体语言传递的.沟通的模型:信息发送者接受者反馈如何运用有效的沟通技巧克服这些障碍?1. 怎样有效的发送信息●决定何时发送信息时间是否恰当考虑接收者的情绪●决定何处发送信息地点是否合适是否需要更多的私人空间是否不受干扰●决定发送信息的方法面谈纪要、信件或备忘录电话其它形式2. 怎样有效的接收信息,你是否具有积极的聆听的技能?●聆听的层次听而不闻不做任何努力去聆听假装聆听做出假像聆听选择性的聆听只听你感兴趣的内容专注的聆听认真地聆听讲话,同时与自己的亲身经历做比较设身处地的倾听用心和脑来倾听并做出反映,以理解讲话的内容、目的和情感。
利用反馈的工具,取得有效的沟通1反馈:是人所做的事,所说的话这一信息致在使行为有所改变或加强2反馈不是:关于他人之言行的正面或负面意见关于他人之言行的解释对将来的建议或指示3 如何给予反馈明确、具体、提供实例平衡积极的正面的与建设性的在正确的时间给予反馈集中于可以改变的行为不具有判断性考虑接收者的需求✍4 如何接受反馈聆听,不打断避免自卫提出问题,澄清事实,寻问实例总结接收到的反馈信息,以确认对其的理解表明你将考虑如何去采取行动沟通的方式沟通行为比例Array 40% 倾听35% 交谈16% 阅读9% 书写有效沟通的四个原则:1. 有明确的沟通目标2. 重视每个细节3. 要达到你的至少一个目标4. 适应主观和客观环境的突然变化沟通的四大特点:随时性-我们所做的每一件事情都是沟通双向性-我们既要收集信息,又要给予信息情绪性-信息的收集会受到传递信息的方式所影响互赖性-沟通的结果是由双方决定的无效沟通可能会导致的结果:-事业受损失Array -家庭不和睦-个人信誉降低-身心疲惫-失去热情和活力-产生错误和浪费时间-自尊和自信降低-团体合作性差-失去创造力研究表明造成沟通困难的因素有:-缺乏自信,主要由于知识和信息掌握不够-人的记忆力有限-对于重点的强调不足或条理不清楚-不能做到积极倾听,有偏见,先入为主-按自己的思路去思考,而忽略别人的需求-准备不足,没有慎重思考就发表意见-失去耐心,造成争执-时间不足-情绪不好-判断错误-语言不通我们常见到的沟通方式有:- 面对面 - 电话 - 传真和信件 - 电子邮件 - 报告信任是有效沟通的基础如何建立信任- 善于发现自己和别人的共同特点 - 乐于在困难的情况下给别人提供帮助- 宽容大量,在别人出错误的时候给于适当的提醒 - 适当表达自己对别人的关心 - 愿意合作并保持言行一致- 努力学习,提高知识和技能,并展示能力和水平 - 实事求是,避免夸大其词更不要说谎 - 暴露一定的脆弱之处-保持适合自己的优雅仪表和风度ASSERTIVENESS AND CO- OPERATION果敢 与 合作A s s e r t i v e 果敢Cooperative 合作的Forcing 强迫Avoiding 回避 Collaborating 合作Accommodating 迁就Compromising 折衷合作 (Collaboration):▪双方都能够阐明各自所担心的问题。