沟通管理流程图
- 格式:docx
- 大小:17.44 KB
- 文档页数:3
车间主任工作流程图标题:车间主任工作流程图引言概述:车间主任是企业生产车间的管理者,负责协调和监督车间生产工作。
为了更好地了解车间主任的工作流程,我们可以通过制作一份车间主任工作流程图来帮助理清工作流程,提高工作效率。
一、接受生产计划1.1 接收生产计划车间主任首先需要接收生产计划,了解生产需求和计划安排。
1.2 分析生产计划根据生产计划的要求和时间安排,分析生产过程中可能遇到的问题和挑战。
1.3 制定生产计划根据生产计划的要求和车间实际情况,制定具体的生产计划和安排。
二、安排生产任务2.1 分配生产任务根据生产计划和生产线情况,将生产任务合理分配给各个生产岗位。
2.2 确认生产进度监督生产进度,确保生产任务按时完成。
2.3 协调资源协调人力、物力和设备资源,确保生产过程顺利进行。
三、监督生产过程3.1 检查生产质量定期检查生产过程中的产品质量,确保产品符合标准。
3.2 解决生产问题及时处理生产过程中出现的问题和异常情况,确保生产进度不受影响。
3.3 提升生产效率优化生产流程,提高生产效率和产品质量,降低生产成本。
四、与其他部门沟通4.1 与采购部门沟通协调与采购部门的合作,确保原材料供应充足。
4.2 与质检部门沟通与质检部门合作,确保产品质量符合标准。
4.3 与管理部门沟通与管理部门协调,确保车间运作符合公司规定和政策。
五、总结反馈5.1 总结生产过程对生产过程进行总结和分析,找出问题和改进之处。
5.2 反馈改进意见向上级主管反馈生产过程中的问题和改进意见,提出改进方案。
5.3 持续改进不断优化工作流程,持续改进生产效率和产品质量,推动车间工作不断发展。
通过上述车间主任工作流程图,我们可以清晰地了解车间主任的工作流程,帮助车间主任更好地管理生产车间,提高工作效率和产品质量。
公司内部管理流程(大家都说很不错)目录1、行政-01 会议管理工作流程2、行政-02 固定资产管理流程3、行政-03 客户招待管理工作流程4、行政-04 办公用品/物料管理流程5、行政-05 办公设备管理流程6、行政-06 文书档案管理流程7、行政-07 档案借阅管理流程8、行政-08 收文管理工作流程9、行政-09 发文管理工作流程10、行政-10 名片印刷管理流程11、行政-11 宣传物料制作管理流程12、行政-12 宣传品/方案设计工作流程13、行政-13 印章使用管理流程14、储运-01 储运物流管理流程15、储运-02 发货配送工作流程16、人事-01 组织结构设计工作流程17、人事-02 人力资源规划工作流程18、人事-03 事档案管理工作流程19、人事-04 考勤管理工作流程20、人事-05 培训计划管理工作流程21、人事-06 员工招聘管理工作流程22、人事-07 员工录用管理工作流程23、人事-08 员工绩效考核管理工作流程24、人事-09 劳动合同管理工作流程25、人事-10 员工出差管理工作流程1、会议管理流程编号:行政-01-步骤表/流程图编制日期:2011-9-3此处会议性质为:招商会、展会、联谊会、客户答谢会等大型会议。
办公会议流程在“另注”中。
另注:公司内部办公会议流程:具体会议管理工作流程图如下:流程图:相关部门综合部相关领导2、固定资产管理流程编号:行政-02-步骤表/流程图编制日期:2011-9-3流程图:申请部门综合部相关领导3、客户招待管理工作流程编号:行政-03-步骤表/流程图编制日期:2011-08-09流程图:接待部门财务部门相关领导4、办公用品/物料管理流程编号:行政-04-步骤表/流程图编制日期:2011-08-09程图:申请部门综合部相关领导编号:行政-05-步骤表/流程图编制日期:2011-08-11程图:综合部综合部经理总经理编号:行政-06-步骤表/流程图编制日期:2011-08-11总人:综合部行政文员审核人:综合部经理审批人:总经理流程图:相关部门综合部相关领导编号:行政-07-步骤表/流程图编制日期:2011-08-12阅人:各部门申请人审批人:综合部经理、总经理保管人:综合部文员流程图:申请部门综合部相关领导编号:行政-08-流程图编制日期:2011-08-12 流程图:相关部门综合部相关领导编号:行政-09-流程图编制日期:2011-08-12 流程图:相关部门综合部相关领导编号:行政-10-步骤表/流程图编制日期:2011-08-13审批人:总经理制作人:行政文员流程图:申请部门综合部相关领导11、宣传物料制作管理流程编号:行政-11-步骤表/流程图编制日期:2011-08-13流程图:申请部门综合部相关领导12、宣传品/方案设计工作流程编号:行政-12-步骤表/流程图编制日期:2011-08-14流程图:相关部门企划设计部相关领导编号:行政-13-步骤表/流程图编制日期:2011-08-15审批人:总经理、综合部经理制作人:行政文员流程图:用印部门综合部相关领导编号:储运-01-步骤表/流程图编制日期:2011-08-16流程图:相关部门综合部财务部门15、发货配送工作流程编号:储运-02-步骤表/流程图编制日期:2011-08-16流程图:营销中心综合部财务部门16、组织结构设计工作流程编号:人事-01-步骤表/流程图编制日期:2011-08-17流程图:相关部门实施人事部设计公司管理层规划17、人力资源规划工作流程编号:人事-02-步骤表/流程图编制日期:2011-08-17流程图:人力资源现状人力资源规划结果和反馈18、人事档案管理工作流程编号:人事-03-步骤表/流程图编制日期:2011-08-18流程图:员工资料收集建立员工档案档案保管19、考勤管理工作流程编号:人事-04-步骤表/流程图编制日期:2011-08-20流程图:相关部门人事部相关领导编号:人事-05-步骤表/流程图编制日期:2011-08-20流程图:申请部门人事部相关领导编号:人事-06-步骤表/流程图编制日期:2011-08-21流程图:用人部门人事部相关领导编号:人事-07-步骤表/流程图编制日期:2011-08-2123、员工绩效考核管理工作流程编号:人事-08-步骤表/流程图编制日期:2011-08-22编号:人事-09-步骤表/流程图编制日期:2011-08-23流程图:用人部门人事部相关领导编号:人事-10-步骤表/流程图编制日期:2011-08-26流程图:出差部门综合部财务部门相关领导。
客户关系管理流程图模板客户关系管理(Customer Relationship Management,CRM)是指通过科学、系统地管理和维护企业与客户之间的关系,以实现客户满意度提升、客户忠诚度提高和企业利润最大化的目标。
为了更好地实施CRM,企业通常会采用流程图模板来规划和管理客户关系。
下面是一个基本的客户关系管理流程图模板,帮助企业了解和优化与客户之间的互动过程:1. 客户获取阶段:这个阶段包括以下流程:- 市场调研:通过市场调研了解目标客户的需求和偏好。
- 广告宣传:通过广告、宣传等手段吸引潜在客户的注意。
- 数据收集:收集潜在客户的基本信息,建立潜在客户数据库。
2. 客户沟通阶段:这个阶段包括以下流程:- 产品介绍:向潜在客户介绍公司的产品或服务。
- 销售谈判:与潜在客户进行销售谈判,以达成交易。
- 客户确认:客户确认购买意向并提供相关信息。
3. 客户满意度管理阶段:这个阶段包括以下流程:- 交付服务:按照约定交付产品或提供服务。
- 售后支持:提供售后支持和服务,解决客户问题。
- 客户反馈:与客户建立反馈渠道,了解客户对产品或服务的满意度。
4. 客户忠诚度管理阶段:这个阶段包括以下流程:- 客户关怀:定期关注客户,了解客户需求变化。
- 个性化服务:根据客户需求提供个性化的服务。
- 潜在客户转化:将满意的客户转化为忠诚客户,提高客户忠诚度。
5. 客户价值管理阶段:这个阶段包括以下流程:- 客户维护:与忠诚客户保持良好的沟通和关系。
- 交叉销售:推荐其他产品或服务给现有客户,提高客户价值。
- 客户回馈:通过回馈活动奖励忠诚客户,增加客户满意度。
上述流程图模板仅为客户关系管理的基本框架,企业可以根据自身情况进行灵活调整和优化。
在实施流程中,还需要结合信息技术系统,如CRM软件,来支持流程的执行和数据的管理。
在使用流程图模板进行客户关系管理时,企业需要注意以下几点:- 确定负责人:每个流程环节应指定专门的负责人,负责流程的执行和监督。
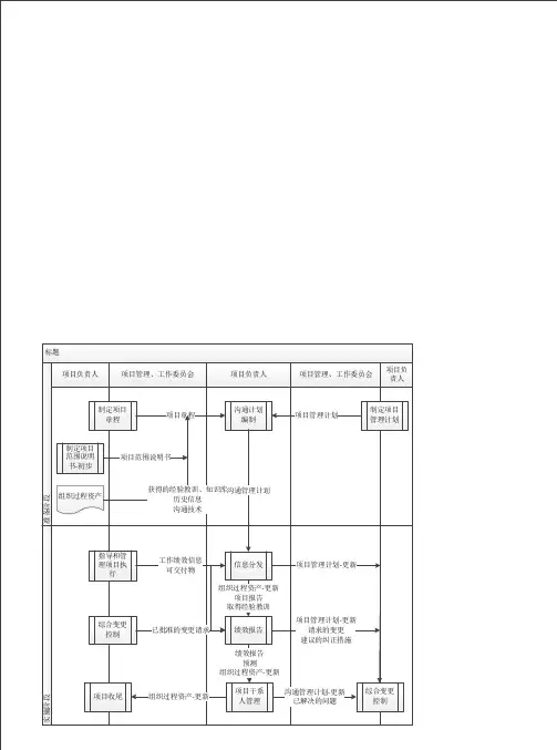
项目沟通与协调程序沟通与协调流程【图】1概述本工程施工工期紧,施工专业多,参建单位多,工程协调工程量大,须认真做好施工协调工作。
工程实施过程是通过业主、监理、施工、供应商等多家单位合作完成的,如何协调组织各方的工作和管理,是能否实现工期、质量、安全、降低成本的关键之一。
因此,为了保证这些目标的实现,务必完善项目沟通与协调程序,确保将各方的工作组织协调好。
工程项目需经历采购、施工、管护到竣工验收等各个阶段。
如果中标,我联合体将在项目实施期间首先做好内部各专业、各工区之间的组织管理,更要加强和业主、监理单位沟通协调,积极配合并协助业主与地方政府各级部门的审批沟通工作。
前瞻性分析、预判可能制约工程进展的相关问题,在项目初始阶段建立顺畅有效的的沟通机制,为工程建设创建和谐、稳定、顺畅的施工条件。
2沟通与协调范围内部的组织协调,包括项目部各部门、项目部与各施工班组、项目部与公司等内部组织之间为完成建设任务、实现建设目标而进行的协调。
与项目相关各方之间的协调,包括与发包人、监理人、当地村民、材料设备供应商等的协调,配合发包人与地方各级政府主管部门之间的协调。
3沟通与协调的管理职责1、项目经理负责项目的总协调,以及项目重大事件的沟通协调,并负责项目部日常交流文件的审查批准。
2、施工负责人负责施工过程中相关问题的沟通协调:(1)在授权范围内负责与各项目相关单位、各部门供货商等的协调,解决项目中出现的问题;(2)将阶段目标分解给各管理部门和各施工班组,使项目按照总目标的要求协调进行;(3)负责项目的决策工作,并及时采取措施处理项目出现的问题;(4)定期向发包人报告项目的进展情况及项目实施中的重大问题,并负责请求项目上级主管部门和有关部门协调及解决项目实施中的重大问题;3、安全总监负责就施工安全管理与发包人、监理人联系与协调工作。
4、工程管理部主管负责协调项目施工生产管理事务,包括协调组织各施工标段、材料设备供应商按计划落实生产。
有效沟通技巧姓名: ____________ 日期: ____________沟通的定义:为了设定的目标,把信息,思想,情感在个人或群体之间传递,并达成协议的过程.定义要素:目标信息思想情感协议沟通的类型:沟通语言非语言口头书面距离肢体身体通过研究证明,在沟通中有65%的信息是通过肢体语言传递的.沟通的模型:信息发送者接受者反馈如何运用有效的沟通技巧克服这些障碍?1. 怎样有效的发送信息●决定何时发送信息时间是否恰当考虑接收者的情绪●决定何处发送信息地点是否合适是否需要更多的私人空间是否不受干扰●决定发送信息的方法面谈纪要、信件或备忘录电话其它形式2. 怎样有效的接收信息,你是否具有积极的聆听的技能?●聆听的层次听而不闻不做任何努力去聆听假装聆听做出假像聆听选择性的聆听只听你感兴趣的内容专注的聆听认真地聆听讲话,同时与自己的亲身经历做比较设身处地的倾听用心和脑来倾听并做出反映,以理解讲话的内容、目的和情感。
利用反馈的工具,取得有效的沟通1反馈:是人所做的事,所说的话这一信息致在使行为有所改变或加强2反馈不是:关于他人之言行的正面或负面意见关于他人之言行的解释对将来的建议或指示3 如何给予反馈明确、具体、提供实例平衡积极的正面的与建设性的在正确的时间给予反馈集中于可以改变的行为不具有判断性考虑接收者的需求✍4 如何接受反馈聆听,不打断避免自卫提出问题,澄清事实,寻问实例总结接收到的反馈信息,以确认对其的理解表明你将考虑如何去采取行动沟通的方式沟通行为比例Array 40% 倾听35% 交谈16% 阅读9% 书写有效沟通的四个原则:1. 有明确的沟通目标2. 重视每个细节3. 要达到你的至少一个目标4. 适应主观和客观环境的突然变化沟通的四大特点:随时性-我们所做的每一件事情都是沟通双向性-我们既要收集信息,又要给予信息情绪性-信息的收集会受到传递信息的方式所影响互赖性-沟通的结果是由双方决定的无效沟通可能会导致的结果:-事业受损失Array -家庭不和睦-个人信誉降低-身心疲惫-失去热情和活力-产生错误和浪费时间-自尊和自信降低-团体合作性差-失去创造力研究表明造成沟通困难的因素有:-缺乏自信,主要由于知识和信息掌握不够-人的记忆力有限-对于重点的强调不足或条理不清楚-不能做到积极倾听,有偏见,先入为主-按自己的思路去思考,而忽略别人的需求-准备不足,没有慎重思考就发表意见-失去耐心,造成争执-时间不足-情绪不好-判断错误-语言不通我们常见到的沟通方式有:- 面对面 - 电话 - 传真和信件 - 电子邮件 - 报告信任是有效沟通的基础如何建立信任- 善于发现自己和别人的共同特点 - 乐于在困难的情况下给别人提供帮助- 宽容大量,在别人出错误的时候给于适当的提醒 - 适当表达自己对别人的关心 - 愿意合作并保持言行一致- 努力学习,提高知识和技能,并展示能力和水平 - 实事求是,避免夸大其词更不要说谎 - 暴露一定的脆弱之处-保持适合自己的优雅仪表和风度ASSERTIVENESS AND CO- OPERATION果敢 与 合作A s s e r t i v e 果敢Cooperative 合作的Forcing 强迫Avoiding 回避 Collaborating 合作Accommodating 迁就Compromising 折衷合作 (Collaboration):▪双方都能够阐明各自所担心的问题。
流程图管理流程图是一种图形化的方式,用于表示一个过程或流程的各个步骤。
它通过图形符号来表示每个步骤,并通过箭头指示它们之间的顺序。
流程图通常用于管理和优化不同领域的流程,以提高效率和准确性。
流程图的管理可以分为以下几个步骤:第一步是确定目标和目的。
在制作流程图之前,首先需要明确该流程图的目标和目的。
例如,如果我们要管理一个生产流程,我们的目标可能是提高生产效率和减少成本。
明确目标和目的可以帮助我们更好地设计和优化流程。
第二步是收集信息。
在进行流程图管理前,我们需要收集与该流程相关的所有信息。
这包括了解每个步骤的详细信息,了解每个步骤之间的关系以及确定是否有任何瓶颈或问题。
这可以通过与流程参与者沟通、观察实际操作和收集数据来完成。
第三步是设计流程图。
根据收集到的信息,我们可以开始设计流程图。
流程图应包括所有步骤、决策点和环节,并明确它们之间的顺序和关系。
通常,流程图使用不同的图形符号表示不同的步骤,并使用箭头表示它们之间的顺序。
我们还可以使用文字说明和注解来进一步解释每个步骤。
第四步是评估和优化流程。
在设计好流程图后,我们需要对其进行评估和优化。
这可以通过模拟和测试来完成。
我们可以使用软件工具模拟整个流程,并分析每个步骤的执行时间、资源消耗等指标。
通过评估,我们可以发现流程中的瓶颈和问题,并进行相应的优化。
第五步是实施流程改进。
根据评估结果,我们可以进行必要的改进。
这可能包括重新设计某些步骤、优化资源分配、改进决策点等。
在实施过程改进时,我们还需要与流程参与者沟通和培训,确保他们了解和接受改进措施。
第六步是持续监控和更新。
流程图管理不是一次性的任务,而是一个持续的过程。
一旦实施了改进措施,我们需要持续监控和评估流程的效果,并根据需求进行更新和调整。
这可以通过定期收集和分析数据、与流程参与者沟通和反馈等方式完成。
通过以上管理流程,我们可以不断优化和改进各个流程,提高效率和准确性。
流程图管理可以应用于各个领域,如生产、项目管理、客户服务等,帮助组织提高业务流程的效率和质量。
加强公司部门工作流程沟通协调的管理规章制度随着公司规模的不断扩大和业务的日益复杂化,各部门之间的工作流程沟通协调变得尤为重要。
为了提高公司整体工作效率,避免信息传递失误和冲突,加强公司部门工作流程沟通协调的管理规章制度势在必行。
一、目的与意义加强公司部门工作流程沟通协调的管理规章制度的目的在于优化工作流程,加强部门之间的沟通与协作,提高信息传递的准确性和效率,确保各部门有效配合,达到公司整体利益最大化的目标。
二、基本原则1. 协作原则:各部门之间应相互支持、协作,共同推动公司的发展。
2. 共享信息原则:各部门应及时共享工作相关信息,确保沟通的准确性和及时性。
3. 倾听与尊重原则:各部门应倾听他人意见,尊重其他部门的工作需求,形成良好的工作氛围。
4. 及时反馈原则:各部门应及时反馈工作进展情况和问题,共同解决工作中的困难。
三、具体措施1. 沟通渠道的建立(1)公司内部邮件系统的完善:建立公司内部邮件系统,各部门通过邮件互通工作事项、进展情况和相关策略等。
(2)例会制度的建立:定期召开部门间例会,加强工作沟通、交流,解决工作中的问题,确保各部门的工作协调和配合。
2. 工作报告的编制与汇报(1)工作报告的编制:各部门在每周或每月末向上级报告工作进展情况、完成情况和存在的问题等,确保各部门的工作可以及时汇总。
(2)工作报告的汇报:通过例会、工作汇报会或公司内部通讯等形式,各部门向全体员工汇报工作进展和成果,提高员工之间对各部门工作的了解和认可。
3. 优化工作流程(1)工作流程图的制定:各部门应制定和完善工作流程图,明确工作流程、责任人和参与人,防止工作重复或者遗漏。
(2)工作协作平台的建立:建立公司内部协作平台,使各部门可以共享文件、交流讨论、协同编辑文档等,提高工作效率和协同能力。
4. 培训和沟通技巧培养(1)沟通技巧培训:定期开展沟通技巧培训,提升员工沟通表达能力,倡导有效沟通与合作。
(2)部门间交流活动:组织部门间交流活动,增进了解、促进交流,加强团队合作意识。
幼儿园沟通工作流程一、目的为了加强幼儿园与家长、教师、员工之间的沟通,确保信息的准确、及时传递,提高幼儿园的教育质量和服务水平,特制定本工作流程。
二、适用范围本工作流程适用于幼儿园内所有教师、员工及家长。
三、沟通渠道1. 家长沟通(1)定期家长会- 每月末的最后一个工作日,由班主任组织并通知家长。
- 会议内容包括本月幼儿在园表现、下月工作计划、幼儿园动态等。
- 家长可提出意见和建议,共同商讨幼儿的成长问题。
(2)家长群沟通- 班主任建立家长群,用于日常沟通。
- 每日分享幼儿在园生活照片、视频,让家长了解幼儿动态。
- 教师及时回应家长疑问,共同关注幼儿成长。
(3)家访- 每学期末,班主任及任课教师对幼儿进行家访,了解幼儿家庭环境、家长需求等。
- 针对特殊情况,可随时进行家访。
2. 教师沟通(1)每日晨会- 每天上班前,由园长或班主任组织全体教职工进行每日晨会。
- 分享幼儿在园动态、注意事项、团队建设等。
(2)定期教研活动- 每周一次,由园长组织。
- 探讨教育教学方法、分享教学经验、研究幼儿发展等问题。
(3)教师个人沟通- 教师之间相互关心、相互帮助,及时沟通教育教学中遇到的问题。
3. 员工沟通(1)定期员工大会- 每月末的最后一个工作日,由园长组织。
- 传达幼儿园工作计划、工作总结、员工福利等。
(2)部门内部沟通- 各部门负责人定期组织部门内部沟通,了解员工需求、工作状况等。
四、沟通要求1. 信息准确:确保沟通信息的准确性,避免因信息传递不准确导致的误解。
2. 及时反馈:对家长、教师、员工的疑问和建议要及时回应,确保沟通的有效性。
3. 尊重保密:对幼儿及家长的信息要严格保密,遵守相关法律法规。
五、沟通记录1. 家长沟通记录:记录家长会的内容、家长群沟通情况、家访情况等。
2. 教师沟通记录:记录每日晨会、教研活动等内容。
3. 员工沟通记录:记录员工大会、部门内部沟通等内容。
六、监督与评估1. 园长对沟通工作全面负责,确保工作流程的执行。