2019架桥机进场验收
- 格式:doc
- 大小:54.50 KB
- 文档页数:4
架桥机验收实验方案.doc太行山高速公路的涞源至曲阳段正在进行钢混组合梁的建设,其中涉及到JH320t-50m架桥机的验收实验方案。
以下是该方案的具体内容:一、架桥机试验规范和程序本规范适用于架桥机的整机试验。
在使用地点进行安装或已装的架桥机,若供需双方之间没有其他协定,则应在使用地点进行试验。
试验的目的是检验架桥机是否符合其工作性能参数和技术要求。
在试验前的准备过程中,需要将各润滑点按规定加注润滑油,并清除运行轨道上架桥机上及试验区域内有碍试验的一切物品。
与试验无关人员必须离开架桥机试验场地。
同时,需要准备载荷起升能力试验的重物,包括混凝土梁、混凝土配重块、钢锭、钢环、型材、生铁块或大型铸造圆环。
不论使用哪种物品,都应算准或称准重量。
试验时风速应不大于8.3m/s(相当于5级风),并应遵守有关操作规程。
在目测检查阶段,需要包括所有主要部分的规格和状态是否符合要求,如各机构、电气设备、安全装置、制动器、控制器和信号系统,起重机金属结构及其连接件,梯子、通道、司机室和所有防护装置,吊钩或其它取物装置及其连接件,钢丝绳在卷筒及滑轮上的缠绕及其固定件,滑轮组及其轴和紧固件。
检查时,不必拆开任何部件,但应打开在正常维护和检查时应打开的盖子,如限位开关盖等。
过孔试验阶段需要检查架桥机过孔是否平稳,是否能实现设计规定的过孔跨度和坡度,并且过孔处于极限位置时,悬臂下挠应不大于设计规定值。
无负荷试验阶段需要分别开动各机构,先慢速试运转,再以额定速度观察各机构应平稳运转,没有冲击和振动现象。
沿行程全长,往返运行三次,检查大、小车运行机构情况;升降油缸,检查油缸工作情况。
架桥机小车轮与轨道间隙不超过1毫米,间隙区间不大于1米,有间隙区间累积长度不大于2米。
各种极限和联锁装置及紧急开关应能可靠工作,软电缆的松紧应能顺利的放缆和收缆。
载荷起升能力试验包括静载试验和动载试验。
静载试验的目的是检验架桥机及其各部分的结构承载能力。
DB50/××××—2008《架桥机安装验收规范》编制说明1.制订本标准的目的架桥机是用于架设公路、铁路、轨道交通桥梁的架桥机,它不仅能架设平直桥梁,而且可以架设具有一定坡度和弯度的桥梁。
架桥机不仅能吊装桥梁,而且能完成自行过孔,即架桥机可以靠自己的重量平衡系统、支腿顶升机构和送梁机构将整个架桥机从一个跨度移到下一个跨度,因此架桥机在架设连续多个跨度的桥梁时不需要反复安装、拆卸,安装一次就能完成。
架桥机也能架设不同跨度的桥梁,因为架桥机的跨度是可调的,只要在架桥机的最大设计跨度范围内的桥梁都可以架设。
架桥机安装、拆卸方便,因为架桥机安装、拆卸时不需要在两个空桥墩之间施工,而是在最前段的引桥上进行安装、拆卸施工,架桥机的自身不是很高,从而安装、拆卸难度不大。
架桥机架设桥梁方便,因为桥梁是在引桥上就地预制,利用辅助的门式起重机将预制桥梁吊在运梁小车上,然后送到架桥机下面,再由架桥机的两个起升机构抬吊安装就位。
因此架桥机具有以上诸多特点,得到桥梁施工单位的广泛使用,桥梁施工单位在架设预制结构的桥梁时一般都使用架桥机,重庆地区桥梁架设最频繁,架桥机的拥有量也最多。
架桥机由主梁、引导梁、支腿和双小车组成。
起重作业机构包括:大车运行机构、小车从移机构(两套)、小车横移机构(两套)、起升机构(两套)。
过孔作业结构包括:支腿机构、引导梁伸缩机构和送梁机构。
2.有关国内标准情况:近来随着桥梁架设的飞速发展,架桥机得到广泛应用,架桥机的数量急速增加,架桥机也在向超大型发展,目前已有额定起重量900吨的架桥机投入使用,架桥机的制造和使用单位也在逐年增加。
架桥机虽然具有多个特点,但是由于它得作业环境差,也属危险性大起重机械,每年都会发生不同程度的安全事故,因此架桥机安全施工工作已经引起了各方高度重视。
国家质监总局在2004年1月19日,国质检锅[2004]31号《特种设备目录》中,将架桥机划分为桥式起重机类特种设备加强监管;在2006年6月21日颁布的TSG Q7001-2006《起重机械制造监督检验规则》中将架桥机划分为产品质量监督检验范围。
记录编号:报告编号:架桥机检验原始记录注册代码使用单位检验机构检验日期下次检验日期黔东南州锅炉压力容器检验所共9页第1页使用须知一、本记录适用于架桥机的验收检验;二、本记录应用钢笔填写,字迹应工整,涂改无效;三、本记录中有测试数据要求的项目,应在“检验结果”一栏填写实测或经统计、计算处理后的数据;其他项目在“检验结果”栏中填写要求:合格者,打上“○”;不合格者,打上“×”;无此项目时,划上“/”。
在“结论”一栏中填写要求:合格者打上“○”;不合格者打上“×”;无此项目时,打上“/”。
四、检验所用仪器、设备必须在计量检定有效期内,且精度符合规程附录1中有关规定,并在记录仪器设备栏后面打“√”五、重大技术问题提交全所集体讨论决定;六、发现设备存在缺陷,需要使用单位进行整治,应发出《特种设备检验意见书》通知使用单位,同时告知当地监察机构。
七、按规定的时限出具检验报告。
一般情况下应于现场检验结束后10个工作日内出具《桥(门)式起重机验收检验报告》,大型设备可在30个工作日内出具《桥(门)式起重机验收检验报告》。
八、本记录项目编号中带“※”项为重要项目。
九、填写时要求字迹清楚,更改处检验员须签字确认。
检验工作结束后,此记录与正式报告一道存档。
关于严重事故隐患的界定—摘自国质检法[2003]206号文件“关于实施《特种设备安全监察条例》若干问题的意见”有下列情形之一的,可认定为严重事故隐患:1、使用非法生产特种设备的;2、超过特种设备的规定参数范围使用的;3、缺少安全附件、安全装置,或者安全附件、安全装置失灵而继续使用的;4、使用应当予以报废或者经检验检测判为不合格的特种设备的;5、使用有明显故障、异常情况的特种设备,或者使用经责令改正而未予改正的特种设备的;6、特种设备发生事故不予报告而继续使用的。
共9页第2页架桥机验收检验原始记录共9页第3页共9页第4页共9页第5页共9页第6页共9页第7页共9页第8页共9页第9页。
工程施工机具进场验收和维保制度范本1.引言本制度旨在规范工程施工机具的进场验收和日常维保工作,以确保机具的正常运转和延长使用寿命。
经营者应按照本制度的要求,对进场机具进行验收,并根据要求进行维护和保养。
本制度适用于所有工程施工机具的进场、验收和维保工作。
2.验收程序2.1 验收条件2.1.1 机具应按照国家相关规定进行生产,符合相应的安全标准和质量要求。
2.1.2 机具的技术参数应与工程需要相匹配,能够满足相应的施工要求。
2.1.3 机具应具备有效的产品合格证书、质量检验报告和维保记录。
2.2 验收材料2.2.1 机具进场验收单。
2.2.2 机具合格证书、质量检验报告和维保记录。
2.3 验收过程2.3.1 对机具的外观进行检查,包括机具表面的破损、锈蚀、变形等情况。
2.3.2 检查机具的操作部件是否完好,如开关、按钮、手柄等,是否灵活可用。
2.3.3 检查机具的安全装置是否齐全,并进行测试,确保其正常运转。
2.3.4 检查机具的标识和警示标志是否清晰、完整,是否符合标准要求。
2.3.5 进行性能测试,测试机具的各项功能是否正常,是否满足施工需要。
2.3.6 填写机具进场验收单,记录验收结果,并进行签字确认。
3.维保制度3.1 维保责任3.1.1 机具的维保责任由经营者负责。
3.1.2 维保人员应按照本制度要求,对机具进行定期维护和保养。
3.1.3 维保人员应及时修理和更换机具的故障部件,确保机具的正常运转。
3.2 维保周期3.2.1 机具应按照制造商的要求进行定期维护和保养。
3.2.2 维保周期应根据机具的使用频率和工作环境来确定,一般为每月一次。
3.2.3 维保人员应按照维保周期进行维护和保养,记录维保工作,并及时上报。
3.3 维保内容3.3.1 机具的维保内容包括机具的清洁、润滑、紧固和调整等工作。
3.3.2 机具的清洁工作应使用专用的清洁剂,清洁机具的外观和内部部件。
3.3.3 机具的润滑工作应选用适当的润滑剂,对润滑点进行润滑,确保机具的正常运转。
2019 桥式起重机出厂检验规程摘要:1.2019 桥式起重机出厂检验规程简介2.桥式起重机出厂检验的具体内容3.桥式起重机出厂检验的流程4.桥式起重机出厂检验的重要性5.结论正文:一、2019 桥式起重机出厂检验规程简介桥式起重机是一种广泛应用于各种场合的起重设备,它的安全运行直接关系到人们的生命安全和财产安全。
为确保桥式起重机的质量和性能,我国制定了《2019 桥式起重机出厂检验规程》,对桥式起重机进行出厂检验,以保障其在使用过程中的安全可靠性。
二、桥式起重机出厂检验的具体内容桥式起重机出厂检验主要包括以下几个方面:1.结构检查:检查桥式起重机的整体结构、零部件连接、焊缝、螺栓等是否符合设计要求和相关标准。
2.功能检查:检查桥式起重机的起重、行走、旋转、变幅等功能是否正常,以及限位、安全保护等装置是否有效。
3.电气系统检查:检查桥式起重机的电气控制系统、电缆、插头等是否符合标准,以及绝缘、接地等是否良好。
4.液压系统检查:检查桥式起重机的液压系统、油缸、阀门等是否正常工作,以及液压油的质量和油路是否畅通。
5.性能测试:对桥式起重机进行空载、额定载荷、超载等不同工况下的性能测试,检查其工作稳定性、起重能力等是否符合要求。
三、桥式起重机出厂检验的流程桥式起重机出厂检验的流程一般包括以下几个步骤:1.预检:对桥式起重机进行初步检查,确保设备外观完好,零部件齐全。
2.检验:按照检验规程和标准,对桥式起重机进行详细检验,记录检验数据和结果。
3.试验:进行功能试验和性能测试,检查桥式起重机的各项性能指标是否符合要求。
4.整改:对检验中发现的问题进行整改,确保桥式起重机达到出厂标准。
5.终检:对整改后的桥式起重机进行再次检查,确认其符合出厂要求。
四、桥式起重机出厂检验的重要性桥式起重机出厂检验对于保障其在使用过程中的安全可靠性具有重要意义。
通过对桥式起重机的结构、功能、电气、液压等方面进行全面检查,确保设备质量符合标准,降低故障率和安全事故风险。
DB50/××××—2008《架桥机安装验收规范》编制说明1.制订本标准的目的架桥机是用于架设公路、铁路、轨道交通桥梁的架桥机,它不仅能架设平直桥梁,而且可以架设具有一定坡度和弯度的桥梁。
架桥机不仅能吊装桥梁,而且能完成自行过孔,即架桥机可以靠自己的重量平衡系统、支腿顶升机构和送梁机构将整个架桥机从一个跨度移到下一个跨度,因此架桥机在架设连续多个跨度的桥梁时不需要反复安装、拆卸,安装一次就能完成。
架桥机也能架设不同跨度的桥梁,因为架桥机的跨度是可调的,只要在架桥机的最大设计跨度范围内的桥梁都可以架设。
架桥机安装、拆卸方便,因为架桥机安装、拆卸时不需要在两个空桥墩之间施工,而是在最前段的引桥上进行安装、拆卸施工,架桥机的自身不是很高,从而安装、拆卸难度不大。
架桥机架设桥梁方便,因为桥梁是在引桥上就地预制,利用辅助的门式起重机将预制桥梁吊在运梁小车上,然后送到架桥机下面,再由架桥机的两个起升机构抬吊安装就位。
因此架桥机具有以上诸多特点,得到桥梁施工单位的广泛使用,桥梁施工单位在架设预制结构的桥梁时一般都使用架桥机,重庆地区桥梁架设最频繁,架桥机的拥有量也最多。
架桥机由主梁、引导梁、支腿和双小车组成。
起重作业机构包括:大车运行机构、小车从移机构(两套)、小车横移机构(两套)、起升机构(两套)。
过孔作业结构包括:支腿机构、引导梁伸缩机构和送梁机构。
2.有关国内标准情况:近来随着桥梁架设的飞速发展,架桥机得到广泛应用,架桥机的数量急速增加,架桥机也在向超大型发展,目前已有额定起重量900吨的架桥机投入使用,架桥机的制造和使用单位也在逐年增加。
架桥机虽然具有多个特点,但是由于它得作业环境差,也属危险性大起重机械,每年都会发生不同程度的安全事故,因此架桥机安全施工工作已经引起了各方高度重视。
国家质监总局在2004年1月19日,国质检锅[2004]31号《特种设备目录》中,将架桥机划分为桥式起重机类特种设备加强监管;在2006年6月21日颁布的TSG Q7001-2006《起重机械制造监督检验规则》中将架桥机划分为产品质量监督检验范围。
钢筋加工厂电动单梁桥式起重机安拆验收内容一、桥式起重机验收要求桥式起重机验收表详见表-1所示。
表-1 桥式起重机安装验收内容二、电气要求(1)电气部分桥式起重机电气系统的设计符合《电气装置安装工程接地装置施工及验收规范》(GB 50169-2016)和建筑机械使用安全技术规程》(JGJ33-2012)的各项规定。
桥式起重机的电气设备能够保证机械的传动性能、电气的监控及保护性能安全、准确和可靠。
在桥式起重机发生紧急情况下,操作人员能够在司机室切断电源,安全停车。
(2)供电起重机供电电源为三相交流电源,电压380V±10%,频率50HZ。
所有用电电器均从桥式起重机电气柜接线。
(3)电气保护1)短路及过载保护桥式起重机用电电器受中控系统进出电源设置断路器、控制回路设置小容量断路器,使各机构在短路,过载等事故状态下,迅速与电源脱离,以达到保护设备及人机安全的目的。
2)失压保护在电气线路中,用线路接触器作为失压保护装置,当供电电源中断时,能够自动断开电源。
3)紧急断电保护操作室内设有紧急断电按钮,当起重机运行过程中发生紧急情况时,随时方便地切断控制回路电源,从而使主回路断电,确保起重机的安全运行。
4)控制柜,端子箱防护等级IP55,端子箱采用下部或侧部进线上部做防雨,槽盖加防脱落装置。
三、焊接要求(1)焊缝外部检查不得有目测可见的裂纹、气孔、固体夹杂、未熔合、未焊透等明显缺陷。
(2)制造过程中焊接质量要求:支腿和基础的焊接面质量应达到《钢的弧焊接头缺陷质量分析指南》(GB/T19418-2003)中的“B”级,焊缝内部质量应进行无损探伤,射线探伤时应不低于《金属融化焊接接头射线照相》(GB3323-2005)中规定的Ⅱ级,超声波探伤时应不低于《钢结构超声波探伤及质量分级法》(JG/T203-2007)中规定的I级。
四、螺栓连接要求(1)钢结构采用高强度螺栓完成构件的连接时,其连接接头应符合JGJ82的规定。
起重设备备件验收标准 The document was finally revised on 2021起重设备备件验收标准一、目的为了保证起重设备的产品要求、供货范围、标准规范及安装和调试、技术服务等方面的技术要求。
设备制造商应根据技术文件所提出的设备技术规格、产品和服务要求,综合考虑设备的适应性,特制定此验收标准。
二、范围:1、设备的生产制造、技术标准等应符合GB或ISO标准。
2、起重设备应根据所承受的应力进行材料选择,设计压力和安全系数应符合GB3811标准。
3、所有起重设备的安全性、方便性及耐久性均应符合GB6067标准。
4、所有设备操作都要符合国家制定的工业、企业噪声标准(GB12348三、概述1、制造商应按要求提供工程所需起重设备,包括行走机构及起吊设备,如主机、电动机、电动葫芦及钢绳、随机附件、配套电缆等。
应保证上述设备的设计、制造、检验和检查等符合本规范要求。
制造商同时应提供相应的现场服务,包括起吊设备的安装及调试工作,并负责办理设备竣工验收的相关手续。
2、为了保证产品在运行、维护及备品备件方面的标准化,要求所有同类型的设备及部件应尽量为同一厂家的产品。
3、所有设备产品在出厂前应按GB标准进行性能试验。
如前所述,制造商提供出厂产品检验证书及产品合格证,随带产品说明书及装箱单,包括附件、备品备件的清单。
4、所有起重设备的电动装置应由起重设备制造厂商配套,使之形成完整的起吊设备。
四、验收标准1、大车车体大车车体车体为刚性结构,不能有不正常弯曲。
大车驱动靠电动机通过减速机驱动小车驱动轴完成。
单梁车体要有一个滚轴稳定器,防止大车在工作时倾斜。
大车轮子的材料为经过热处理的轧钢、锻钢。
轮子踏面的硬度最小达到200布氏。
轮轴材料经过精制加工和磨光,能装配内轴承垫圈。
当使用旋转轴时,轮子要安装压力器和键,或单独安装键。
所有齿轮均是螺旋齿、直齿或人字形齿,齿轮由轧钢或铸铁制造,并加工成20度压力齿合角。
机电设备进场验收制度一、总则为规范机电设备的进场验收流程,确保机电设备的品质和技术要求,提高工程项目的施工质量和投运效果,制定本机电设备进场验收制度。
二、适用范围本制度适用于工程建设项目中的各类机电设备的进场验收。
三、进场验收流程1. 提前准备(1) 项目负责人在设备进场前需与供应商进行充分沟通,明确设备的技术规格、参数、质量要求和检测方法等事项。
(2) 项目负责人向供应商提供设备验收所需的检测仪器、设备和场地等资源。
(3) 项目负责人与供应商提前确定进场验收的时间和地点。
2. 设备进场(1) 供应商按照约定时间将设备运送到指定地点,并按照项目负责人的要求进行设备的拆卸和安装。
(2) 供应商向项目负责人提供设备的相关资料,包括设备的使用说明书、维修手册、备件列表等。
3. 设备验收(1) 项目负责人组织验收人员进行设备的全面验收,包括设备的外观质量、功能性能、技术指标等方面的检测。
(2) 验收人员根据技术规范和质量标准对设备进行检测和评估,将检测结果记录在验收报告中。
(3) 对于不合格的设备,项目负责人需向供应商提出整改要求,并协商解决方案。
4. 验收报告(1) 项目负责人根据验收人员的检测报告,编制设备进场验收报告,并将报告送交相关部门、领导和供应商。
(2) 设备进场验收报告应包括设备的基本信息、验收结果、存在问题和整改建议等内容。
5. 审批与归档(1) 设备进场验收报告需提交相关部门和领导进行审批。
(2) 审批通过后,设备进场验收报告需进行归档保存,以备后续查阅和参考。
四、责任分工1. 项目负责人:负责与供应商沟通,并制定进场验收计划、安排验收人员和协调设备的拆卸和安装工作。
2. 验收人员:根据技术规范和质量标准对设备进行检测和评估,编制验收报告。
3. 供应商:按照项目负责人的要求将设备运送到指定地点,并提供设备相关资料。
五、违规处理对于未按照本制度进行机电设备进场验收的行为,或者违反相关规定的行为,将按照公司相关制度进行处理,包括但不限于警告、罚款、撤销合同等。
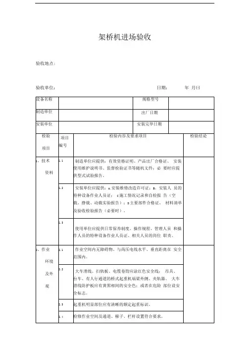
架桥机安装完成后的验收程序1. 迎接大考说到架桥机安装完后的验收,咱们可以把它当作一次“大考”。
像是建筑工地上的“终极考试”,不仅要保证架桥机各个零件都到位,还得保证它们都是健康的、能顺利发挥作用的。
首先,验收这件事可不像是随便糊弄一下就能过去的。
那得全面检查,保证一切都在“正常范围”内。
要记住,每个细节都不能放过——这可不是“马虎”能解决的事儿。
2. 验收准备2.1 前期准备在正式验收之前,咱们得做好充分的准备。
首先,得检查安装图纸,确认一切都按照设计要求来进行。
然后,把安装过程中的所有记录拿出来对照,看看有没有什么出入。
这就像是准备考试前的复习,必须把每一个细节都理清楚,免得临时慌了手脚。
别忘了把工具都准备好,包括测量仪器、检测设备什么的。
没有准备好的工具,就像没有带铅笔去考场一样,怎么可能顺利通过呢?2.2 检查各个环节接下来,就进入检查环节了。
首先是整体结构检查。
架桥机的整体外观、各个焊接点、连接处都得仔细看看。
看有没有裂缝、变形的现象,确保架桥机的“身材”还是“标准”的。
然后,检查控制系统的功能。
这个就像是给机器做一次“体检”,看看它的“血压”是否正常,确保它的“心跳”稳定。
控制系统的每个按钮、每个显示屏,都得正常工作。
就像是考前的模拟考试,确保没有漏洞才行。
3. 细节把控3.1 操作性能检查再来,咱们得测试一下操作性能。
这步特别重要,就像是考试中的实际操作环节。
实际操作一下架桥机,看看它在运行时是否顺畅,有没有异响、抖动等问题。
每个动作的灵敏度、精准度都要检查,确保它的“操作感”良好。
此时,真的是“细节决定成败”,一点点小问题都可能影响最终结果。
3.2 安全性检查最后一步,千万别忽视安全性检查。
架桥机的安全防护装置、应急处理系统这些都得逐一检查,确保它们都能在关键时刻发挥作用。
安全性可是重中之重,千万别像“瞎子摸鱼”,把这个步骤给省略了。
安全检查做得再仔细,也不为过。
4. 总结验收好了,检查完毕,接下来就是总结验收了。
2019 桥式起重机出厂检验规程【实用版】目录1.概述2.桥式起重机出厂检验规程的具体内容3.桥式起重机出厂检验规程的实施和监管4.结论正文1.概述桥式起重机是一种广泛应用于工业生产和物流领域的重要机械设备。
为了保证桥式起重机的质量和安全性能,我国制定了《2019 桥式起重机出厂检验规程》。
本文将对该规程的内容和实施进行详细介绍。
2.桥式起重机出厂检验规程的具体内容《2019 桥式起重机出厂检验规程》主要包括以下几个方面的内容:(1) 检验依据和原则:明确了桥式起重机出厂检验的依据,包括国家和行业的相关法律法规、标准和规范,以及设计文件、产品说明书等。
同时,规程明确了检验应遵循的原则,如科学、公正、准确等。
(2) 检验范围和对象:规程明确了适用于桥式起重机的出厂检验,包括整机、主要部件和控制系统等。
同时,规定了检验的对象,包括新制造的桥式起重机和经过大修、改造的桥式起重机。
(3) 检验项目和方法:规程详细列出了需要检验的项目,如结构、性能、安全保护、电气系统等,并给出了相应的检验方法。
(4) 检验结果处理:规程明确了检验结果的处理方式,包括合格、不合格和整改等。
同时,要求检验结果应记录在案,并保存一定的时间。
3.桥式起重机出厂检验规程的实施和监管为确保《2019 桥式起重机出厂检验规程》的有效实施,相关部门应加强对桥式起重机生产企业的监督检查,对不符合规程要求的企业进行整改和处罚。
同时,企业应认真执行规程,切实做好产品质量管理工作。
4.结论《2019 桥式起重机出厂检验规程》对于保障桥式起重机的质量和安全性能具有重要意义。
架桥机验收标准嘿,咱今儿来聊聊架桥机验收标准这档子事儿啊!你说这架桥机,那可真是个厉害的大家伙呀!就好比是建筑工地上的大力士,能扛起那重重的桥梁,让它们稳稳地架在那儿。
那咱可得好好把把关,不能让它有啥毛病不是?验收的时候,先看看这外观,有没有哪儿磕了碰了的,就像咱人出门得穿戴整齐一样,它也得“精神抖擞”的呀!要是有个破破烂烂的地方,那可不行,这不是给咱工程拖后腿嘛!再看看那些个零件,都得好好的在自己位置上,不能松松垮垮的,不然在工作的时候掉链子咋办?还有啊,它的那些个机械结构,得运转灵活呀!就跟咱的手脚一样,得听使唤。
要是这儿卡一下那儿卡一下,那不就成了个“僵尸体”啦?那还怎么干活哟!这动力系统也得强劲,不能关键时刻没了劲,那可就闹笑话了。
咱再想想,这架桥机工作起来动静可不小,那它的噪音得在合理范围内呀!总不能吵得人耳朵疼吧,那多难受呀!而且它运行的时候,可不能摇摇晃晃的像个醉汉似的,得稳稳当当的,不然这多吓人呀!再说说这安全装置,那可是重中之重啊!就好比是给它穿上了一层保护衣。
什么限位器啦、制动器啦,都得好好的,不能出岔子。
不然万一出点啥意外,那后果可不堪设想啊!这不就跟咱出门得带把伞,万一下雨了能挡挡雨是一个道理嘛。
你说要是架桥机验收不严格,那后面出了问题谁负责呀?这可不是闹着玩的事儿!咱得对工程负责,对大家的安全负责呀!所以啊,在验收架桥机的时候,可千万不能马虎,得瞪大了眼睛仔细瞧,一个小细节都不能放过。
这就像是给它做了一次全面的体检,只有健康的它才能在工地上好好干活呀!咱可不能让一个“病秧子”上岗,对吧?总之,架桥机验收标准那是相当重要的,咱可得严格按照要求来,不能有一丝一毫的马虎。
只有这样,才能保证工程的顺利进行,才能让大家都放心呀!这可不是开玩笑的,咱得认真对待,让这个大力士在工地上好好发挥它的作用!。