预应力锚索框格梁施工技术交底记录大全
- 格式:docx
- 大小:38.91 KB
- 文档页数:27
锚杆格子梁施工技术交底一、施工前准备工作1. 安全防护:在施工现场的周围设置明显的安全警示标志,确保施工区域的安全。
同时,安排专人负责现场安全保卫工作,并配备必要的安全防护用品,如安全帽、安全绳、安全网等。
2. 施工设备准备:确保所需施工设备完好,并经过相关检测,确保其安全可靠。
例如,需要使用的起重机、搅拌机、模板等设备,要经过专门验收,材料和设备要按照规范进行选择和购买。
3. 施工材料准备:根据设计要求,准备好所需的施工材料,如混凝土、钢筋、锚杆、模板等。
需要注意的是,材料应符合国家相关标准,并经过质检部门的检验合格。
4. 现场勘察:在施工前对施工现场进行现场勘察,了解地质、水文、气象等情况,并做好相应的记录。
根据勘察结果,合理安排施工顺序和施工流程。
5. 工程测量:对施工现场进行详细的工程测量,确定梁体的几何尺寸和位置。
测量结果要准确、可靠,并合理安排布置施工设备和材料。
二、模板安装1. 梁底模板安装:根据设计要求和施工图纸,选择合适的模板材料和尺寸进行安装。
在安装模板前,应清理施工面,确保无影响模板嵌合的杂物和污垢。
模板安装应严格按照规范要求进行,保证模板的稳固和平整。
2. 梁顶模板安装:根据设计要求,在梁底模板安装完毕后,安装梁顶模板。
梁顶模板的安装要在梁底模板已经完全固定的情况下进行,避免模板的位移和变形。
3. 模板接缝处理:在模板安装完毕后,进行模板接缝处理。
模板接缝的处理应保证无明显的间隙和凸凹,以避免混凝土渗漏和梁表面的不平整。
三、钢筋制作和安装1. 钢筋加工:根据设计要求,对钢筋进行加工。
加工时要保持钢筋的原始强度和形状,不得出现裂纹、弯曲和变形。
2. 钢筋安装:在模板安装完毕后,按照设计要求和图纸向模板内安装钢筋。
钢筋的安装应符合相关规范和要求,要保证钢筋的几何尺寸和位置准确无误。
3. 钢筋连接:在钢筋的安装过程中,注意钢筋的连接。
钢筋的连接点要牢固可靠,不得出现松动、错位等情况,以确保整个梁体的承载能力和稳定性。
预应力锚杆施工技术交底记录1. 项目背景预应力锚杆是一种常用于土木工程中的加固措施,通过预应力锚杆可以提高结构体的整体力学性能,增强其抗拉能力和稳定性。
本文档旨在对预应力锚杆施工技术进行交底,确保施工人员了解并正确执行相关工艺。
2. 施工原理和流程预应力锚杆施工原理:预应力锚杆通过施加预压力,将锚杆锚入基坑中的土层或岩石中,使其产生一定的摩擦力和支撑力,从而达到加固结构的目的。
预应力锚杆施工流程: 1. 确定施工定位,包括锚孔位置和深度等参数; 2. 钻孔作业,使用钻机进行土壤或岩石的钻孔; 3. 清洗孔道,通过高压水射流清洗孔道,以确保孔道的质量; 4. 安装锚杆,将预应力锚杆送入孔道,并用液压机进行预紧作业; 5. 注浆封固,使用专用注浆设备对孔道进行注浆封固; 6. 等固化,等待注浆固化完成; 7. 锚杆检验,对已施工的锚杆进行检验,确保质量合格; 8. 施工记录,记录施工参数、施工结果等信息,作为工程交底的依据。
3. 施工要点和注意事项3.1 施工要点•确保施工定位准确,预应力锚杆的位置和深度不可误差过大;•钻孔时要控制好钻机的旋速和钻进深度,避免对周围环境和结构产生不良影响;•清洗孔道时要保证孔道的干净整洁,确保注浆效果良好;•安装锚杆时要注意预紧力的控制,不可造成过度拉伸或断裂;•注浆封固要选择质量合格的注浆材料,并控制注浆量和注浆压力;•锚杆检验时要选用专业检测设备,确保锚杆质量合格。
3.2 注意事项•施工人员要进行岗前培训,并持有相关资质证书;•施工前要对施工现场进行检查和准备工作,确保安全和施工秩序;•施工过程要遵循相关施工规范和安全操作规程;•施工人员要了解和掌握相关施工图纸和技术要求;•施工现场要保持整洁,安全设施要齐全有效;•施工过程中要及时记录施工参数、施工结果等信息,做好工程交底。
4. 安全措施•施工人员要穿戴好安全帽、安全鞋等个人防护装备;•施工现场要设置合理的防护栏杆和警示标识;•施工设备要定期检修和维护,确保安全性能;•施工人员要遵守操作规程,注意自身安全和周围环境安全;•施工现场要保持干净整洁,杜绝易燃、易爆等危险品的存在;•如发生紧急情况,要及时采取应急措施并报告相关人员。
预应力锚索施工技术交底范本一:预应力锚索施工技术交底1. 引言1.1 交底目的1.2 项目背景1.3 术语和定义2. 工程准备2.1 施工前准备2.2 施工人员安排2.3 施工材料准备2.4 施工设备准备3. 施工步骤3.1 锚具设置3.1.1 锚具选择3.1.2 锚具布置3.2 预应力钢束布设3.2.1 钢束保护3.2.2 钢束预应力施加 3.3 锚固施工3.3.1 锚固设备设置3.3.2 锚固施工步骤4. 质量控制4.1 施工记录4.2 现场监督4.3 质量检验5. 安全措施5.1 安全方案5.2 安全设施5.3 施工人员安全培训6. 施工总结6.1 施工难点总结6.2 经验教训总结- 图纸一:锚具设置图- 图纸二:预应力钢束布设图- 图纸三:锚固施工示意图附件:1. 图纸一:锚具设置图2. 图纸二:预应力钢束布设图3. 图纸三:锚固施工示意图法律名词及注释:1. 预应力:指在结构负载作用下,事先对钢筋、钢束等材料施加预定的轴向拉力,以增加构件受力性能和荷载承载能力的一种构造措施。
2. 锚索:一种用于预应力构件中的钢绞线,通过张拉和锚固形成预应力。
3. 施工技术交底:指施工单位对工程项目的施工方法、施工工艺、施工工程量计划、质量要求、安全措施等进行详细的交底和说明的过程。
----------------------------------------------预应力锚索施工技术交底1. 引言1.1 交底目的和范围1.2 项目背景1.3 术语和定义2. 工程准备2.1 施工前准备2.1.1 方案编制2.1.2 材料准备2.1.3 施工人员培训 2.2 施工设备准备2.2.1 设备清单2.2.2 设备调试3. 施工步骤3.1 锚具设置3.1.1 锚具类型选择3.1.2 锚具布置方案3.2 预应力钢束布设3.2.1 钢束材料准备3.2.2 钢束布设方案3.2.3 钢束保护措施3.3 锚固施工3.3.1 锚固设备设置3.3.2 锚固施工工艺4. 质量控制4.1 施工记录4.1.1 施工日志填写4.1.2 施工记录及验收表 4.2 现场监督4.2.1 施工过程监督4.2.2 施工质量检查4.3 质量检验4.3.1 材料质量检验4.3.2 施工工程质量检验5. 安全措施5.1 安全方案编制5.2 安全设施设置5.3 施工人员安全培训6. 施工总结6.1 施工难点及解决办法总结6.2 施工经验教训总结7. 附件- 图纸一:预应力锚具设置示意图- 图纸二:预应力钢束布设方案示意图 - 图纸三:锚固施工工艺示意图附件:1. 图纸一:预应力锚具设置示意图2. 图纸二:预应力钢束布设方案示意图3. 图纸三:锚固施工工艺示意图法律名词及注释:1. 预应力:在结构构件受力前施加的轴向拉力,以提高构件的抗弯、抗剪强度及抗裂性能的一种施工技术。
技术交底书交底单位名称:南昌至赣州客运专线CGZQ-5标编号:第页共页工程名称方格型框架锚杆、预应力框架锚索边坡防护设计文件图号施工部位样板段路基边坡防护交底日期技术交底内容:1、技术交底范围2、设计情况3、施工准备及工序步骤4、施工工艺5、质量保证措施6、安全、环保、文明施工等技术措施7、锚索、锚杆孔位布置图交底人/日期:复核人/日期:接受人/日期:一、技术交底范围本交底适用于南昌至赣州客运专线CGZQ-5标三分部路基样板段方格型框架锚杆、预应力框架锚索边坡防护施工。
二、设计情况本工程为昌赣高铁路基样板段DK172+376.09~+835路段。
工点长458.91m。
前接东边岭特大桥,后接双村隧道。
DK172+822~+835段左侧,DK172+549~+593右侧桩顶一级边坡,DK172+521~+574段左侧,DK172+515~+549段右侧二级边坡采用方格型框架锚杆护坡。
DK172+494~+590左侧,DK172+506~+549,分别采用长22m、25m预应力框架锚索防护。
锚杆孔径110mm,单孔锚杆长10m,采用3根Φ25mmHRB400钢筋钢筋点焊并联制作,锚杆孔横向和高度间距3.0m采用M35水泥砂浆灌注;锚杆框架采用c35钢筋混凝土现浇,截面尺寸0.4×0.3m;框架梁单元格横向和高度间距3.0m;锚杆外露部分采用混凝土封闭,并与框架梁同时浇筑;锚杆设计抗拔力150KN;框架内采用拱型植草窗内空心砖客土植草+种植矮灌木防护。
框架锚杆护坡DK172+550、+830处左侧,DK172+520处右侧设置踏步。
锚索孔径为130mm,纵向间距3.0m,竖向垂直间距3.0m,锚索自由锻长10~17m,锚固段段长8m,倾角200,锚索体一束由3根Φ15.2钢绞线组成,锚索设计吨位307KN,锚孔采用M40水泥砂浆灌注;锚索框架采用c35钢筋混凝土现浇,截面尺寸0.4×0.4m;框架内采用拱型植草窗内空心砖客土植草+种植矮灌木防护。
框格梁施工技术交底大全本文介绍了挖方边坡锚杆框格梁施工技术交底。
此工程采用C32螺纹钢筋,长度8-12米,锚孔孔径110mm,孔内灌注水泥浆,框格梁采用C30混凝土,梁内配置钢筋笼,框架梁尺寸4m×4m,框架梁宽度0.4m,厚度0.4米,梁坡脚基础采用M7.5浆砌片石,坡度1:0.5,拦水条、坡顶平台及边坡镶边采用C30混凝土浇筑,平台宽2m,厚30cm。
施工计划为2个月,2019年4月20日至2019年6月30日。
施工准备包括搭设施工脚手架及操作平台和边坡修整。
脚手架采用φ50mm钢管搭设,支架立柱应置于坚硬稳定的岩石上,不得置于浮渣上;立柱间距1.5m。
施工过程中注意施工安全,搭设管扣要牢固和稳定,钢架与壁面之间必须楔紧,相邻钢架之间应连接牢靠。
边坡修整采用人工,从上往下清除坡面杂物和松动岩石,凿掉小块松动、悬浮岩石,达到施工面平整。
对大块岩石采用人工配合机械切割方法,化整为零,逐步消除。
清除危岩时在平台四周挂好安全网,每层平台铺满跳板,防止岩石滚出施工场地,损坏机械及造成人员伤亡事故。
框架锚杆施工包括测量放线定位、钻机就位、钻进施工、清孔、验孔、锚杆制作及安装、注浆锚固、养护和锚头。
在施工过程中,要注意施工安全,避免事故的发生。
测量组根据设计图纸放样出锚杆孔位置,用油漆在岩层面上标记出孔位。
孔位放样误差不得超过±50mm。
锚杆钻孔采用气动潜孔钻机。
钻机用三脚支架提升到稳定平整的竹跳板上,根据坡面测放的孔位,准确安装固定钻机,并严格进行机位调整。
确保锚杆孔开钻就位纵横误差不得超过±50mm,高程误差不得超过±100mm。
钻孔倾角和方向符合设计要求,倾角允许误差位±1.0°,方位允许误差±2.0°。
钻机安装要求水平、稳固,施钻过程中应随时检查。
钻孔应自上而下进行钻进。
锚杆钻孔孔径为110mm,钻孔深度大于设计深度0.5m,锚杆与水平面的交角设计为15°~30°,纵横向间距为4m。
预应力锚索框格梁施工技术交底引言预应力锚索框格梁是一种现代化的桥梁结构,具有高强度、高稳定性和经济性的特点,被广泛应用于大跨度的桥梁工程中。
为了确保桥梁的施工质量和安全性,必须对预应力锚索框格梁的施工技术进行科学的交底和监控。
施工前的准备工作设计文件审核在进行预应力锚索框格梁的施工前,必须进行设计文件的审核。
审核的内容包括:•桥梁的设计方案、验算结果和施工图纸;•预应力锚索框格梁的施工方案、工艺流程和验收标准;•施工期间的安全措施和应急预案。
施工组织设计对于预应力锚索框格梁的施工组织,需要进行详细的规划和设计。
主要内容包括:•施工进度计划;•施工流程图;•施工区域划分图;•施工场地布置图。
装备和材料准备在施工前必须准备好所需的装备和材料,对于预应力锚索框格梁的施工,需要准备:•预应力钢束、预应力锚具、锚索等预应力材料;•混凝土搅拌机、混凝土输送泵、倒板更等基础施工装备;•塔吊、起重机、施工电梯等上下料、吊装和人员运输设备;•个人防护用品包括安全帽、防护鞋、高空安全绳以及防护网等。
施工技术和注意事项预应力锚具的安装在进行预应力锚索框格梁施工前,必须先进行预应力锚具的安装。
安装的技术要点包括:1.确定锚具安装的精度要求,在锚具的安装位置上进行标记和定位;2.进行锚具的预应力拉紧、预应力束的校核计算和锚具的安装,锚具须按照规定的颗粒和扭矩进行安装;3.在夹紧板与锚具接触面处加装防水油漆防止腐蚀;4.安装后在管套上进行压力测试,检查管套和锚具间的密封性和密封效果。
钢筋网的制作和安装在预应力锚索框格梁中,钢筋网的制作和安装也是非常重要的一步。
制作时需要注意的技术要点包括:1.进行合适的分段切割,在切割时应根据实际情况适当增加缝隙位置;2.正确放置钢筋网中的钢筋,使其符合构造与设计要求;3.横向误差不超过1cm,纵向误差不超过2cm,错位不超过5mm;安装时需要注意的技术要点包括:1.制成的钢筋网必须在安装之前检验,并检查其弯曲程度,是否能够满足支座要求;2.钢筋网的安装要保证其牢固性,避免在工作时出现断裂或者扭曲变形等情况;3.钢筋网的焊接点应均匀分布,焊接点的强度要满足设计要求。
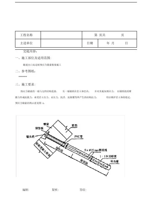
工程名称第页共页主送单位日期年月日交底内容:一、施工部位及适用范围:隧道出口高边坡预应力锚索格梁施工二、参考图纸:*******三、施工要求:预应力锚索的一端与支档结构连接,另一端锚固在岩土体层内,并对其施加预应力,以锚固段的摩擦力形成抗拔力,承受岩土压力、水压力、抗浮、抗倾覆等所产生的结构拉力,用以维护岩土体的稳定。
预应力锚索结构示意见图 1。
编制: 复核: 签收:工程名称第页共页主送单位日期年月日交底内容:1、施工工艺流程及操作要点1.1 施工工艺流程施工工艺流程见图1.1预应力张拉与锁定1.1 施工工艺流程图1.2 操作要点1.2.1 施工前预应力锚索的抗拔试验(1)目的通过对拉拔试验结果的分析进行复核设计,以决定是否需要修改锚索设计参数(锚索长度、锚固段长度及注浆参数等)。
(2)试验方法及步骤框架梁施工1)选点。
在工地地质条件与安设锚索工程相同的地层中进行,至少选择6个具有代表性的孔, 编制: 复核: 签收:交底内容:,间距为3m2)试验装置的选定。
加荷装置的定额压力必须大于试验压力;检测装置必须满足精度要求。
编制: 复核: 签收:编制: 复核: 签收:交底内容:锚索长度加1.5m ,极限强度为1860Mpa 锚具采用0VM15型(包括配套的锚垫板、 锚板、夹片和螺旋筋) 锚索编束前,要确保每根钢铰线顺直,不扭不叉,排列均匀,除锈、除油污,对有死弯、机械损伤及锈 坑处应剔出,自由段钢铰线涂抹黄油作防腐处理后再套具有一定强度的 软管不得有破损。
锚固段架线环与紧箍环每隔1m 间隔设置,紧箍环系16号铅丝绕制,不少于两圈,自由段每隔2m 设置一道架线环,以保证钢铰线顺直。
(2) 锚索安装安装之前应用高压空气再次清孔,核对锚索和钻孔的编号是否一致对钻孔重新进行检查,对塌孔、掉块进行清理或处理。
1.2.4压力灌浆 (1) 浆体配制按设计规定选择水泥浆体材料。
注浆材料应根据设计要求确定, 加入一定量的外加剂或掺合料。
分部、分项工程施工技术交底记录工程名称分部、分项工程名称锚索框格梁施工施工桩号设计要求锚索采用4根直径φ15.2mm、设计长度20.6m,强度1860MPa的高强度低松弛无粘结钢绞线组成注浆采用M30水泥砂浆(水灰比0.4-0.45),注浆压力大于等于0.4-0.6Mpa。
框格梁采用C25钢筋混凝土填充横向肋柱X纵向肋柱为40mmX40mm,配筋见下图:竖向肋柱采用上部6C 22,下部为4C16,箍筋为C 16@200mm横向肋柱采用左部4C 16,右部为6C 22,箍筋为C 16@200mm施工方法 1、锚索框架施工工艺流程锚索框架梁施工工艺流程如下图所示。
2、锚索框格梁施工方法 (1)、 脚手架搭设脚手架搭设场地应平整、结实并设置排水设施,底部清至基岩,确保基础稳定坚固。
脚手架钢管采用φ48x3.5钢管,钢管横向间距1.05m 、纵向间距为1.2m,步距为1.8m 。
脚手架连墙件采用Φ25螺纹钢筋,打入岩层1.0m ,M20砂浆锚固,按两部三跨交错布置。
剪刀撑每隔12~15m 设置一道,剪刀撑应联系3~4根立杆,斜杆与地面夹角为45度至60度;剪刀撑应沿架高连续布置,在相邻两排剪刀撑之间,每隔10~15m 高架设一道长剪刀撑。
剪刀撑的斜杆除两端用旋转扣件与脚手架的立杆或大横杆扣紧外,在其中间应加设2~4个扣节点。
脚手架各杆件连接处相互伸出的端头长度均要大于10cm 以防杆件滑脱。
系统锚杆施工完后,可根据实际情况将脚手架拉结于系统锚杆上。
最下一层纵向连接杆距离地面不大于200mm 。
在施工作业层铺设脚手板,以便于放置锚杆施工机械及施工。
脚手架搭设形式见图4-2图4-2脚手架搭设立面图立杆大横杆爬梯底部竹夹板封闭爬梯扶手管栏杆外侧安全立网封闭爬梯踏步高度h=1.0m1.0爬梯梯梁φ48*3.5mm钢管φ48*3.5mm钢管爬梯扶手立柱22侧立面图40°~50°0.3小横撑的同一节内及设置连墙杆件处的小横杆必须抵紧坡面1.8剪刀撑爬梯立杆1.8≤0.2作业平台防护栏杆纵向扫地杆1.8另见图1.8顶部防护栏杆另见图另见图另见图斜杆1.8横向扫地杆作业平台防护栏杆顶部防护栏杆另见图另见图≤0.20.5φ25mm连墙件,深入岩层1.0m,M20砂浆锚固,按两步三跨交错布置斜撑(与相交横杆采用旋转扣件连接,接点与主节点距离不大于0.15m),由底到顶呈之字形连续布置,两端必须设置,中间每隔6跨设置一道,小横杆,设置斜撑的同一节内及设置连墙杆件处的小横杆必须抵紧坡面1.81.8剪刀撑另见图图4-3 脚手架搭设剖面图图4-4 脚手架安全爬梯剖面图2平面俯视图爬梯转向及休息平台竹夹板满铺爬梯踏步0.60.10.1大横杆小横杆图4-5 脚手架安全爬梯平面图1.0≥0.18作业平台满铺竹夹板挡脚板一块竹夹板通长搭设上栏杆小横杆外立杆大横杆内立杆≥0.1安全网作业平台及防护栏杆搭设详图11扣件图4-6脚手架操作平台架设图一块竹夹板高度1.011安全网外立杆图4-7 作业平台安全防护图脚手架搭设要求如下:1)、在脚手架搭设前,必须先放出锚杆和框格梁的位置,避免与脚手架发生冲突。
三、连梁、锚索段钢围檩构造
连梁、钢围檩是锚索向钻桩传递荷载和锚固的载体,其设计承载力与锚索的最大荷配,
并满足应力集中的要求。
锚垫块采用钢锚垫块,锚索段围檩采用双工22b工字钢;连梁注意
根据桩间距埋设①160PVC预留套管。
四、施工工艺
1、锚索施工流程
遵循“分段分层、由上而下、先锚固、后开挖”的原则进行锚索施工及基坑开挖。
开挖土至每道锚索段(钢围檩)位置下500mm后;连梁有锚索处先连梁施工完成且达到强度可开挖至连梁锚索下500mm后,现场人员报测量人员,放出锚索位,经质检人员验收后,可进行相对应锚索钻(钻结束后,逐根拔出钻杆和钻具,安放锚杆前,跟管钻机所成用水冲洗,直至口流出清水为止)、注浆、安装锚索段钢围檩、拉锚固施工。
施工顺序见图
本表由施工单位填写。
7腰梁制作、安装
基坑腰梁采用2根22b工字钢拼焊而成。
且分段安装工字钢应满焊错缝连接。
对于不同标高的腰梁,工字钢腰梁应互相各搭接不同腰梁段不小于一颗桩长。
见下图:
审核人交底人接受交底人。
预应力锚杆施工技术交底记录项目概述本项目为某地铁车站的隧道工程,其中一部分需要进行预应力锚杆的施工。
预应力锚杆是为了提高地下隧道工程的安全性而设计的一种支撑方式。
预应力锚杆施工是一项技术含量较高的工作,需要严格按照相关标准进行施工。
施工过程1. 材料准备首先需要准备的是预应力锚杆的材料,主要包括钢筋,预应力钢束,注浆材料等。
我们要做好材料清点工作,确保所有材料的数量和质量符合相关标准要求。
2. 钢筋加工和预应力钢束预张拉钢筋需要进行切割和加工。
预应力钢束的预张拉是一个重要的环节,需要确保每根钢束的预张拉力与设计要求的张拉力相符合。
3. 锚杆穿挂在锚杆位置打孔后,需要进行锚杆穿挂。
穿挂时需要符合设计图纸和规定要求,确保钢筋和锚具之间符合牢固可靠的连接。
4. 注浆材料灌注灌注注浆材料需要分部位进行。
需要注意的是,每个灌注口的灌溉深度和灌注时间要一致,确保整个锚杆的注浆质量均匀一致。
5. 后续检查挂起钢梁,对施工后的预应力锚杆进行质量检验,确保预应力锚杆的施工质量符合相关标准要求。
施工注意事项在预应力锚杆施工过程中,为了保证工程的安全性和质量,需要注意以下几点:1.施工环境应干燥、通风、光线充足,施工人员应穿着符合要求的劳动防护服和安全鞋。
2.施工前需要对施工现场进行周全检查,排除一切可能存在的危险因素。
3.施工现场应设置围栏,并在周围布置明显的安全提示标志。
4.钢筋加工时应注意切割钢筋长度和角度的准确性,确保其符合施工要求。
5.预应力钢束的预张拉时需要使用先进的预张拉设备,进行准确可靠的预张拉作业。
6.锚具安装位置要精确定位,并对其固定牢靠的连接7.灌注注浆材料时需要严格按照操作要求进行,确保注浆材料的质量和均匀性。
技术难点预应力锚杆施工是一项技术含量较高的工作,主要的技术难点有:1.预应力钢束的预张拉时,需要确保每根钢束的预张拉力与设计要求的张拉力相符合。
2.在灌注注浆材料时需要严格按照操作规程进行,确保注浆材料的质量和均匀性。
施工技术交底
开外至下级平台,然后再开挖格梁基础并施作锚索。
完成每层坡面开外后,若为土质
物或水泥袋塞好保护锚孔口待用。
同时要求复查锚孔孔位、倾角和方位,全部锚孔施所
查量检尺度筋锚长1
面,
锚索主要检测项目表表4
2.1
其他管理人员根据现场配置充足。
3.2拟投入劳动力,人(两班制)8人,锚索钻
孔16人、边坡整修脚手架搭拆810人,锚索加工人,同时2人,钢筋工5人、养护4人、开挖框架梁基础10人、砼工及木工10注浆锚索施工所需作业人员,根79人。
配备杂工3名,防护看守3名,拟投入劳动力共据现场施工实际情况配置充足。
主要机械设备3.3 6所示预应力锚索施工配备的主要机械设备如表主要机具设备
计划表表6
规格型号数量备注机械名称
YQ100型气动潜孔钻机6锚索钻机台含不良地质段处理FBYO.5/0.7台灌浆机
3
机压空20m套3 3
施工准备的质量控制 5.2
、钻孔完成后,检查钻孔孔道的清洁程度,孔深及孔斜,填写钻孔测斜原始记(6)录表
1h((16)、程师检查合格后进行灌浆施工。
不超过,拌和后的砂浆要及时使用,拌和后砂
浆拌和时间不少于3min ),未使用的砂浆作为弃浆处理。
试验测试出的砂浆初凝
时
匀。
如张拉过程中有异常情况,级进行,每级张拉稳压不小于10min张拉分为5②
关的灾害后,项目经理部立即启用应急预案。
判定地质灾害级别及诱发因素、灾害体规模等,并立即启动应急响应预案,将事故向应急救援指挥部及监理总监办报告,在处置过程中,及时报告处置工作进展情况,直至处置工作结束。
项目经理部要及时帮助
受到高边坡地质灾害威胁的现场施工队以及其他人员)(2转移到安全地带,情况紧急
时,可以强行组织避险疏散。
)经专家技术鉴定,地质灾害险情或事故已消除,或者得
到有效控制后,由上3(级部门撤消划定的地质灾害危险区,宣布险情或事故应急结束。
、环境保护措施7锚索格梁,人工刷坡及格梁基槽开挖工作量大。
坡度陡,高度
大,给施工带7.1
来困难,严禁将至挖掘出的土石抛撒到红线之外。
不得注浆产生的废弃浆液等不得
直接排入溪沟,避免引起阻塞。
7.2
锚索施工期间,对途径道路洒水降尘,是路面处于湿润状态。
7.3
锚索施工紧邻左线隧道进口,施工中与隧道施工相互协调配合,尽量减少对7.4
周边植被的破坏。
交底:
接收:
本表由施工单位填写,交底人员与接收交底人员各保存一份。
同进步下去,让我们共习惯,阅
读和保贵的意见或建议。
学习是一种非常好的坚持您提出读过后直接打修改,文档W我的文您好,欢迎您阅读章,本ORD可编辑也可以印。
阅,希望。