实验二数据选择器
- 格式:doc
- 大小:126.04 KB
- 文档页数:4
实验二 译码器和数据选择器一、实验目的1.熟悉集成译码器和数据选择器。
2.了解集成译码器和数据选择器的应用。
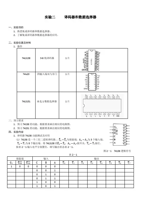
二、实验仪器及材料1.器件74LS1383-8线译码器1片74ls20 四输入端双与非门 1片74LS1518选1数据选择器1片三、预习要求1.预习74138的功能,根据要求画出相应的电路图。
2.预习74151的功能,根据要求画出相应的电路图。
四、实验内容1.译码器74138功能测试及应用(1)74138是一个三位二进制译码器,,S 0−S 2为使能端,A 0−A 2为3个输入端, Y 0−Y 7为8个输出端。
将74LS138的S 0−S 2,A 0−A 2-接开关,Y 0−Y 7接灯。
按表2-1输入电平分别置位,填写输出状态表2-1。
图2-1 74138逻辑符号表2-1使能端 输入 输出G 1 G 2B ̅̅̅̅̅ G 2A ̅̅̅̅̅ C B A Y 0 Y 1 Y 2 Y 3 Y 4 Y 5 Y 6 Y 7 1 0 0 0 0 0 0 0 1 0 1 0 0 1 1 1 0 011(2)用74ls138译码器实现三变量表决器Y=AB+AC+BC。
画出电路图,并列出真值表。
在实验箱上接线并验证设计2.数据选择74151的功能测试及应用(1)74LS151是8选1的数据选择器,测试其功能并填写功能表2-2。
74LS151图2-2 74151逻辑符号五、实验报告1.完成74138和74151的功能表,验证组合逻辑电路的设计正确性。
2.总结译码器和数据选择的使用体会。
实验二数据选择器功能测试及设计应用一、实验目的1、掌握中规模集成数据选择器的逻辑功能及测试方法。
2、掌握数据选择器的使用方法。
二、实验仪器及器材稳压电源、实验箱一个、双四选数据选择器74LS153、八选一数据选择器74LS151。
三、实验原理1、4选1数据选择器中规模集成电路74LS153为双四选数据选择器,其逻辑符号如图2-2-1所示,其中,1S、S分别为两个数据选择器的选通输入端,低电平有效。
A0,、A1为公告控制输入端地址端,21D0、1D1、1D2、1D3与2D0、2D1、2D2、2D3分别为两个数据选择器的数据输入端,其功能表如表2-2-1所示。
说明:*既可代表0,也可代表1。
有功能表得逻辑表达式:()=+++Q A A D A A D A A D A A D S110101011101210131()=+++210201021102210232Q A A D A A D A A D A A D S2、8选1数据选择器74LS15174LS151是常用的8选1数据选择器,用于各种数字电路和单片机系统的显示电路中。
其功能如表2-2-2所示。
表2-2-2 74LS151的功能表其中,S 为数据选择器的选通端,低电平有效。
A0、A1、A2为地址码,D0~D7为数据输入端。
3、数据选择器的应用(1)多路信号共用一个通道(总线)传输。
(2)变并行码为串行码。
(3)转换4位二进制码为补码。
(4)组成数码比较电路。
(5)实现逻辑函数。
四、实验内容1、测试74LS153的逻辑功能,验证是否和表2-1的功能一致。
由实验连接可知与真值表一致。
2、用多路选择器设计一个实现一个8421-BCD 非法码检测电路,使得当输入端为非法码组合时输出1,否则为0。
二进制数与BCD 码的对应关系如表2-2-5所示。
写出函数Y 的表达式,并进行化简,然后画出电路图。
接线调试电路,用发光二极管显示输出结果,观察是否与表2-2-5相符。
北京科技大学实验报告学院:高等工程师学院专业:自动化(卓越计划)班级:自E181 姓名:杨威学号: 41818074 实验日期:2020 年5月13日一、实验名称:数据选择器及其应用电路1、实验要求:(1)掌握数据选择器的逻辑功能(2)掌握数据选择器应用电路的设计方法(3)了解用数据选择器作逻辑函数产生器的方法2、实验相关知识:数据选择器可将多个通道的数据选择一个传送到唯一的公共数据通道上。
74LS151是8选1数据选择器,3个地址输入端C、B、A(A为低位)用于选择D0-D7共8个数据中的其中1个,1个选通输入端GN,以及2个互补输出端Y和WN。
引脚图:功能表:其中X代表任意状态。
数据选择器除了实现有选择地传送数据,还可用作逻辑函数产生器,与计数器配合实现并行数据到串行数据的转换。
3、3位开关控制电路的设计与仿真: (1)实验设计本实验要求用三个开关控制1个灯,改变任何一个开关的状态都能使控制灯由亮变灭,或者由灭变亮,根据该逻辑关系,写出如下真值表:写出逻辑表达式123123123123L K K K K K K K K K K K K =+++或者写成1247L m m m m =+++(2)设计原理图截图(3)实验仿真仿真波形:仿真结果表:4、4位奇偶判断电路的设计与仿真:(1)实验设计要求当输入中有奇数个1时,输出为0;输入中有偶数个1时,输出为1。
由此,列出真值表如下。
写出如下逻辑表达式=+++++++P DC B A DCBA DC BA DCB A DC BA DCB A DC B A DCBA 简化得到=+++++++()() P D C B A CBA C BA CB A D C BA CB A C B A CBA (2)设计原理图截图(3)实验仿真仿真波形:仿真结果表:5、实验思考题:GN为选通端,可以决定选择器的工作状态,当GN端为低电平输入时,选择器选通,选择正常工作;GN端为高电平输入时,选择器不选通,选择器不工作;因此,可以利用该特性,利用两个74LS151组成一个16选1选择器,例如本次实验中设计的四位奇偶判断电路。
实验二数据选择器的逻辑功能及测试引言:数据选择器是一种常见的电子设备,它能够根据一定的条件从给定的数据集合中选择出符合要求的数据。
在现实生活和工程应用中,数据选择器广泛应用于数据处理、信息查询和决策分析等领域。
本实验旨在设计和实现一个简单的数据选择器,并测试其逻辑功能。
一、实验目的1.熟悉数据选择器的基本原理和逻辑功能;2. 学习使用Logisim进行数字电路绘制和模拟测试;3.实践运用逻辑门电路设计和逻辑表达式推导技巧。
二、实验原理1.数据选择器:数据选择器是一种能够根据输入条件从给定的数据集合中选择出符合要求的数据的电子设备。
常用的数据选择器有多路选择器、分频器和比较器等。
在本实验中,我们将设计一个2-4数据选择器,能够根据两个选择信号S0和S1,选择相应的数据输入D0、D1、D2或D3输出到数据输出端口Y。
2.逻辑功能:2-4数据选择器的逻辑功能可用以下真值表和逻辑表达式表示:S1,S0,D0,D1,D2,D3,Y----,----,----,----,----,----,---0,0,X,X,X,X,Y00,1,X,X,X,X,Y11,0,X,X,X,X,Y21,1,X,X,X,X,Y3Y0=~S1'~S0'D0+~S1'~S0D1+~S1S0'~D2+S1S0D3Y1=~S1'~S0'D0+~S1'~S0D1+~S1S0'~D2+S1S0D3Y2=~S1'~S0'D0+~S1'~S0'D1+~S1S0'D2+S1S0D3Y3=~S1'~S0'D0+~S1'~S0'D1+~S1S0'D2+S1S0'D3其中,~表示取反运算,'表示非运算。
三、实验装置与实验步骤1.设计电路:使用Logisim软件进行电路设计。
首先,添加一个2-4数据选择器。
实验二:数据选择器的应用
一.实验目的
1. 了解74LS00,74LS86,74LS153芯片的内部结构和功能; 2. 了解数据选择器的结构和功能; 3. 了解全加器和全减器的结构和功能;
4. 学习使用数据选择器(74LS153)设计全加器和全减器; 5. 进一步熟悉逻辑电路的设计和建立过程。
二.实验原理
1. 数据选择器实现全加器: 列出全加器的真值表:
S 真值表:
得到
o C 真值表:
对S 的真值表进行降维,得到:
对o C 的真值表进行降维,得到:
使用数据选择器实现时,D 0,D 1,D 2,D 3分别代表四选一数据选择器的四个输入端,并用A,B 作控制端,电路图如下图:
图一
2.数据选择器实现全加全减(M=0全加,M=1全减)组合逻辑电路
对S降维对S再降维
对C0降维对C0再降维
使用数据选择器实现时,D0,D1,D2,D3分别代表四选一数据选择器的四个输入端,并用M,A作控制端,电路图如下图:
图二
三.实验内容
1.按图一搭建逻辑电路,测试实验结果,与真值表进行对照。
2.按图二搭建逻辑电路,测试实验结果,与真值表进行对照。
*该过程中应注意:实验室所提供的器件与非门并不够用,需要用一个异或门改装成非门,如下图:
A
=
F=
⊕
1
A
四.实验收获
1.学会了全加器全减器的设计过程,为以后更好的应用打好了基础;
2.更加了解了逻辑电路的设计流程;
3.搭建逻辑电路的过程中,一定要小心翼翼操作,防止任何错误。
实验二 数据选择器及应用一、实验目的1、掌握数据选择器的工作原理及逻辑功能。
2、熟悉74LS153和74LS151的引脚排列和测试方法。
3、学习用数据选择器构成组合逻辑电路的方法。
二、预习要求1、复习组合逻辑电路的分析方法及设计方法。
2、了解数据选择器的原理及功能。
3、阅读本实验的实验原理和测试方法。
三、实验内容1、中规模集成芯片74LS153、74LS151逻辑功能的验证。
2、用双四选一数据选择器74LS153实现八选一数据选择器。
3、用八选一数据选择器74LS151实现函数电路。
4、自行设计题目。
四、实验原理与测试方法数据选择器又称多路转换器或多路开关,其功能是把多个通道的数据传送到唯一的公共数据通道上去。
类似一个多掷开关,如图2.1所示。
图中有四路数据D 0 ~ D 3通过选择控制信号A 1、A 0(地址码)从四路数据中选中某一路数据送至输出端Y 。
一个n 个地址端的数据选择器,具有2n 个数据选择 功能。
例如:数据选择器(74LS153),n = 2,可完成四选一的功能;数据选择器(74LS151),n = 3,可完成八选一的功能。
1、实验原理(1)双四选一数据选择器74LS153的功能。
双4选1数据选择器就是在一片集成芯片上有两个4选1数据选择器。
集成芯片引脚排S 1、S 2为两个独立的使能端;A 1、A 0为公用的地址输入端;1D 0~1D 3和2D 0~2D 3分别为两个4选1数据选择器的数据输入端; 1Y 、2Y 为两个输出端。
(1)当使能端S 1(S 2)=1时,多路开关被禁止,无输出,Y = 0。
(2)当使能端S 1(S 2)=0时,多路开关正常工作,根据地址码A 1、A 0的状态,将相应的数据D 0~D 3送到输出端1Y 、或2Y 。
其逻辑函数式为: )()()()(013012011010A A D A A D A A D A A D Y +++= 例如:A 1A 0=00 则选择D O 数据到输出端,即Y = D 0。
竭诚为您提供优质文档/双击可除数据选择器和译码器实验报告篇一:实验二译码器与数据选择器的功能测试及应用(实验报告)实验2译码器与数据选择器的功能测试及应用一.实验目的与要求(5分)1.掌握中规模集成译码器与数据选择器的逻辑功能和使用方法;2.学习用集成译码器与数据选择器构成组合逻辑电路的方法。
三、实验原理与内容(20分)1.译码器(1)译码与译码器的概念译码是编码的反过程,是将给定的二进制代码翻译成编码时赋予的原意,实现译码功能的电路称为译码器。
(2)译码器分类译码器分为通用译码器(包括二进制、二─十进制译码器)与显示译码器(包括TTL共阴显示译码器、TTL共阳显示译码器等)两大类。
(3)利用译码器实现组合逻辑函数二进制、二─十进制译码器的输出端的逻辑式是以输入变量最小项(取反)的形式,故这种译码器也叫最小项译码器,利用最小项译码器可以实现简单的组合逻辑电路。
2.数据选择器(1)数据选择器概念与功能数据选择器可以实现从多路数据传输中选择任何一路信号输出,选择的控制由地址码决定。
数据选择器可以完成很多的逻辑功能,例如函数发生器、并串转换器、波形产生器等。
(2)用数据选择器实现组合逻辑函数选择器输出为标准与或式,含地址变量的全部最小项。
例如四选一数据选择器输出如下:Y=A1A0D3+A1A0D2+A1A0D1+A1A0D0而任何组合逻辑函数都可以表示成为以上的表示形式,故可用数据选择器实现。
四.实验步骤与记录(30分)1.译码器74Ls139功能测试测试译码器74Ls139中任意一组2-4线译码器的功能,其中译码器的输入端s、A1、A0接拨码开关输出口,输出Y0~Y3接发光管。
改变拨码开关开关的状态,观察输出,写出Y0~Y3的输出。
实验电路图如下:(请同学们完善,要求用铅笔做图)2.用译码器实现逻辑函数F=Abc+Abc。
用拨码开关开关输入信号A、b、c,发光二极管观察输出F。
实验电路图如下:(请同学们完善,要求用铅笔做图)3.用8选1数据选择器74Ls151实现函数F=Abc+Abc+Abc+Abc,用拨码开关开关输入信号A、b、c,发光二极管观察输出F。
实验二数据选择器
一实验目的
1.掌握中规模集成数据选择器的逻辑功能及测试方法。
2.学习数据选择器的使用的方法。
二实验仪器及器件
稳压电源数字多用表双四选一数据选择器74LS153 8选1数据选择器74LS151
三实验原理
数据选择器又称多路选择器,是中规模集成电路中应用非常广泛的组合逻辑电路部件之一,它有若干数据输入端D0,D1,D2....,若干控制输入端A0,A1...
和一个或两个输出端Q,Q*。
当A0,A1..数据不同时,将选择与其相应的的输入数据Dx输出,由于控制输入端的作用是选择数据输入端的地址,故有称为地址码输入端。
1.4选1数据选择器74LS153原理(略)
2.8选1数据选择器74LS151原理(略)
3.选择器的应用:(1)多路信号共用一个通道(总线)传输;(2)变并行码
为串行码;(3)转换4位二进制码为补码;(4)组成数码比较器;
(5)实现逻辑函数。
四实验内容
1.利用逻辑电平产生电路和逻辑电平指示电路测试74LS153逻辑功能,验证是
2.设计一位二进制数A和B的比较器。
解:可以用灯的明暗来显示A和B的比较结果:当A>B,X1亮,当A<B, X2亮,当A=B,灯均不亮。
电路图如下:
3.用多路选择器设计一个8421BCD非法码检测电路,当输入端为非法码时,输
出为1,否则为0.
4.用4选1数据选择器实现逻辑函数
F(A,B,C)=AB*+B*C+ABC*。
实验二数据选择器及其应用修订版IBMT standardization office【IBMT5AB-IBMT08-IBMT2C-ZZT18】实验二数据选择器及其应用一、实验原理数据选择器又叫“多路开关”。
数据选择器在地址码(或叫选择控制)电位控制下,从几个数据输入中选择一个并将其送到一个公共的输出端。
数据选择器又叫“多路开关”。
数据选择器在地址码(或叫选择控制)电位的控制下,从几个数据输入中选择一个并将其送到一个公共的输出端。
数据选择器的功能类似一个多掷开关,如图4-1所示,图中有四路数据D0~D3,通过选择控制信号 A1、A0(地址码)从四路数据中选中某一路数据送至输出端Q。
图4-1 4选1数据选择器示意图图 4-2 74LS151引脚排列表4-1数据选择器为目前逻辑设计中应用十分广泛的逻辑部件,它有2选1、4选1、8选1、16选1等类别。
数据选择器的电路结构一般由与或门阵列组成,也有用传输门开关和门电路混合而成的。
二、实验目的1、掌握中规模集成数据选择器的逻辑功能及使用方法;2、学习用数据选择器构成组合逻辑电路的方法。
三、实验设备与器件1、+5V直流电源2、逻辑电平开关3、逻辑电平显示器4、74LS151(或CC4512)74LS153(或CC4539) 四、实验内容1、测试数据选择器74LS151的逻辑功能。
接图4-7接线,地址端A2、A1、A0、数据端D0~D7、使能端S接逻辑开关,输出端Q接逻辑电平显示器,按74LS151功能表逐项进行测试,记录测试结果。
图4-7 74LS151逻辑功能测试记录测试结果如下表2、测试74LS153的逻辑功能。
测试方法及步骤同上,记录之。
逻辑功能见下表:3、用8选1数据选择器74LS151设计三输入多数表决电路。
1)写出设计过程有三个人进行表决,当其中任意两个人赞同时,输出为真,否则输出为假。
真值表如下:2)画出接线图4、用8选1数据选择器实现逻辑函数。
实验二数据选择器及其应用一、实验原理数据选择器又叫“多路开关”。
数据选择器在地址码(或叫选择控制)电位控制下,从几个数据输入中选择一个并将其送到一个公共的输出端。
数据选择器又叫“多路开关”。
数据选择器在地址码(或叫选择控制)电位的控制下,从几个数据输入中选择一个并将其送到一个公共的输出端。
数据选择器的功能类似一个多掷开关,如图4-1所示,图中有四路数据D0~D3,通过选择控制信号A1、A0(地址码)从四路数据中选中某一路数据送至输出端Q。
图4-1 4选1数据选择器示意图图4-2 74LS151引脚排列数据选择器为目前逻辑设计中应用十分广泛的逻辑部件,它有2选1、4选1、8选1、16选1等类别。
数据选择器的电路结构一般由与或门阵列组成,也有用传输门开关和门电路混合而成的。
二、实验目的1、掌握中规模集成数据选择器的逻辑功能及使用方法;2、学习用数据选择器构成组合逻辑电路的方法。
三、实验设备与器件1、+5V直流电源2、逻辑电平开关3、逻辑电平显示器4、74LS151(或CC4512)74LS153(或CC4539)四、实验内容1、测试数据选择器74LS151的逻辑功能。
接图4-7接线,地址端A2、A1、A0、数据端D0~D7、使能端S接逻辑开关,输出端Q接逻辑电平显示器,按74LS151功能表逐项进行测试,记录测试结果。
图4-7 74LS151逻辑功能测试2、测试74LS153的逻辑功能。
测试方法及步骤同上,记录之。
逻辑功能见下表:3、用8选1数据选择器74LS151设计三输入多数表决电路。
1)写出设计过程有三个人进行表决,当其中任意两个人赞同时,输出为真,否则输出为假。
真值表如下:2)画出接线图4、用8选1数据选择器实现逻辑函数。
用8选1数据选择器74LS151实现函数 B A B A F += (1)列出函数F 的功能表如表4-4所示。
(2)将A 、B 加到地址端A1、A0,而A2接地,由表5-4可见,将D1、D2接“1”及D0、D3接地,其余数据输入端D4~D7都接地,则8选1数据选择器的输出Q ,便实现了函数 A B B A F +=显然,当函数输入变量数小于数据选择器的地址端(A )时,应将不用的地址端及不用的数据输入端(D )都接地。
数据选择器实验报告
在科学研究和工程实践中,数据选择器是一种常用的仪器,它能够根据一定的
条件从给定的数据集中选择出符合条件的数据。
本实验旨在通过对数据选择器的使用,探究其在数据处理中的应用及性能表现。
首先,我们选择了一组包含不同类型数据的数据集,包括数值型数据、文本型
数据和日期型数据。
接着,我们利用数据选择器对这些数据进行了筛选和过滤,通过设定不同的条件,比如大于、小于、等于等,来选择出符合条件的数据。
在实验过程中,我们发现数据选择器能够准确地按照设定的条件进行筛选,并且操作简便,易于掌握。
其次,我们对数据选择器的性能进行了测试。
通过对不同规模的数据集进行筛选,我们发现数据选择器在处理小规模数据时表现出色,能够快速准确地完成筛选任务。
然而,在处理大规模数据时,数据选择器的性能有所下降,筛选速度变慢,甚至出现卡顿现象。
这提示我们在实际应用中需要根据数据规模选择合适的数据选择器,以确保数据处理的效率和准确性。
最后,我们对数据选择器的应用进行了案例分析。
以销售数据为例,我们利用
数据选择器对销售额、销售量等数据进行了筛选和统计,得出了不同时间段、不同产品类别的销售情况。
这些数据对于企业制定营销策略、产品定价等方面具有重要的参考价值,展示了数据选择器在商业领域的广泛应用前景。
综上所述,数据选择器作为一种常用的数据处理工具,在科研和工程实践中具
有重要的应用价值。
通过本实验,我们深入了解了数据选择器的工作原理和性能特点,认识到了其在数据处理中的重要作用。
希望通过本实验能够为相关领域的研究和应用提供一定的参考和借鉴,推动数据选择器技术的进一步发展和完善。
数据选择器实验实训报告 .docx一、实验目的通过本次实习,了解数据选择器的用法,掌握数据选择器基本操作,深入学习数据选择器性能检测和使用方法。
二、实验内容(1)数据选择器的结构及原理数据选择器是一种计算机硬件工具,可用于从计算机中的原始数据中提取数据,从而可缩短报表生成时间,提高系统运行效率,并增强对原始数据的控制及模拟。
它以过滤依赖于特定列,值,范围或者其他条件来筛选数据,以便收集指定的行和列。
数据选择器可以提取当前会话中的数据,或者收集数据源中的原始数据,从而缩小数据的分析范围,减少存储的数据量,提高计算效率。
(2)数据选择器基本操作1、点击 data selector 图标进入数据选择器界面。
2、选择不同的表,点击它以及其中的列,设置条件以筛选出指定的数据集。
3、确定选择的表以及字段,然后点击Save按钮将设置写入Excel文件,以获取满足筛选条件的数据。
4、可以多次进入数据选择器选择不同数据,选择好之后将写入文件,获取满足筛选条件的新数据。
(3)数据选择器的性能检测1、数据检索速度:测试数据选择器在获取原始数据时的耗时,可以得到此工具检索数据的速度。
2、数据滤波频率:测试数据选择器在滤波数据时的耗时,可得到每秒过滤出满足要求的数据的次数。
3、数据存储空间:测试数据选择器存储在文件中的数据大小,可以比较此工具与其他工具使用相同配置时的缩小比例。
三、实验结果实验结果如图1所示:图1:数据选择器的测试结果可以看到,数据检索速度为7.25ms,过滤频率为850次/秒,存储空间比正常节省约50%。
四、总结及建议通过本次实验,我们掌握了数据选择器的用法,了解了数据选择器性能检测和使用方法等。
实验结果表明,数据选择器在检索速度、过滤频率和数据存储空间上都有较好的表现,可以在较短的时间内筛选出满足要求的原始数据,大大节约了空间。
建议:在日常实践中,应当多练习操作数据选择器,认真学习数据选择器的使用方法,进行针对性的性能检测,以便更好地就数据筛选的任务,撰写精确的报表。
一、实验目的1. 理解数据选择器的基本原理和功能。
2. 掌握数据选择器的使用方法及其在数字电路中的应用。
3. 通过实验加深对组合逻辑电路的理解。
二、实验原理数据选择器是一种数字电路,它可以从多个输入端中选择一个数据输出。
其工作原理如下:根据地址码的不同,数据选择器从N路输入中选择一路输出。
常见的数据选择器有4选1、8选1等类型。
本实验使用的是双4选1数据选择器74LS153,它具有4个数据输入端(D0、D1、D2、D3)、3个地址输入端(A0、A1、A2)和1个使能端(G)。
当G=0时,数据选择器处于正常工作状态;当G=1时,所有数据输入端均被封锁,输出端输出高阻态。
三、实验器材1. 双4选1数据选择器74LS1532. 逻辑门电路3. 电源4. 指示灯5. 连接线6. 逻辑分析仪四、实验步骤1. 连接电路根据实验要求,连接双4选1数据选择器74LS153、逻辑门电路、电源、指示灯和连线。
2. 设计电路(1)根据实验要求,设计一个简单的数据选择器电路,实现以下功能:当A0=0、A1=0时,输出D0;当A0=0、A1=1时,输出D1;当A0=1、A1=0时,输出D2;当A0=1、A1=1时,输出D3。
(2)根据设计要求,将74LS153的数据输入端与逻辑门电路连接,实现数据选择功能。
3. 测试电路(1)使用逻辑分析仪或示波器观察输出端波形,验证电路是否满足设计要求。
(2)根据实验要求,测试不同地址码下的输出结果,确保电路正常工作。
4. 分析实验结果根据实验结果,分析数据选择器的工作原理和特点,总结实验心得。
五、实验结果与分析1. 实验结果通过实验,验证了双4选1数据选择器74LS153在正常工作状态下能够实现数据选择功能。
在不同地址码下,输出端输出对应的数据输入端数据。
2. 实验分析(1)数据选择器在数字电路中具有广泛的应用,如数据分配、数据选择、数据比较等。
(2)在设计数据选择器电路时,需要注意以下几点:a. 根据实际需求选择合适的数据选择器类型和规模;b. 合理安排数据输入端、地址输入端和使能端;c. 仔细检查电路连接,确保电路正常工作。
数据选择器实验报告数据选择器实验报告一、引言在现代社会中,数据的处理和分析已经成为各个领域的重要工作。
为了更加高效地处理数据,数据选择器作为一种常见的工具被广泛应用。
本实验旨在探究数据选择器的原理和使用方法,并通过实验验证其在数据处理中的有效性。
二、实验目的1. 理解数据选择器的工作原理;2. 掌握数据选择器的使用方法;3. 验证数据选择器在数据处理中的有效性。
三、实验步骤1. 准备实验材料和设备:一台计算机、数据选择器软件、多组数据集;2. 安装并打开数据选择器软件;3. 导入数据集:将各组数据按照数据选择器软件的要求导入;4. 设置数据选择条件:根据实验要求,设置数据选择器的条件;5. 运行数据选择器:启动数据选择器并运行,观察结果;6. 分析结果:对选择后的数据进行分析和比较。
四、实验结果与分析通过本次实验,我们成功运行了数据选择器,并得到了相应的结果。
通过对选择后的数据进行分析,我们发现数据选择器能够根据设定的条件,从庞大的数据集中筛选出符合要求的数据,大大提高了数据处理的效率和准确性。
五、实验总结数据选择器作为一种常见的数据处理工具,在现代社会中发挥着重要的作用。
通过本次实验,我们深入了解了数据选择器的工作原理和使用方法,并验证了其在数据处理中的有效性。
数据选择器的使用能够快速筛选出符合要求的数据,为后续的数据分析和决策提供有力支持。
六、实验心得通过本次实验,我对数据选择器有了更深入的了解。
数据选择器的使用简便高效,能够帮助我们从庞大的数据集中迅速找到所需的数据,提高了数据处理的效率。
在今后的学习和工作中,我将继续探索数据选择器的更多功能和应用场景,以更好地应对数据处理的挑战。
七、参考文献[1] 无以上是关于数据选择器的实验报告,通过本次实验,我们深入了解了数据选择器的原理和使用方法,并验证了其在数据处理中的有效性。
数据选择器的使用能够快速筛选出符合要求的数据,为后续的数据分析和决策提供有力支持。
实验二数据选择器及其应用1、实验目的(1)通过实验的方法学习数据选择器的电路结构和特点。
(2)掌握数据选择器的逻辑功能及其基本应用。
2、实验设备(1)数字电路实验箱(2)74LS00,74LS1533、实验原理数据选择器又称为多路开关,是一种重要的组合逻辑器件,它可以实现从多路数据中选择任何一路数据输出,选择的控制由专门的端口编码决定,称为地址码,数据选择器可以完成很多的逻辑功能,例如函数发生器、桶形移位器、并串转换器、波形产生器等。
4、实验内容1. 用与非门实现二选一数据选择器并测试。
建立如图所示的实验电路。
调动逻辑电平开关,使选择器地址A0为某一定值。
v为脉冲信号源。
将v分别连接到数据输入端D1,数据通道D0接逻辑开关,改变地址端A0的值,用示波器观察选择器的输出Q。
2. 用一块74SL153及门电路设计实现一位全加器。
输入用3个逻辑开关分别代表A,B,CI,输出用2 个指示灯分别代表C0,S0,(仿真、实际电路)3. 通过MULTISIM仿真,用74LS138及若干门电路实现一位全加器。
5、实验结果(1)数据选择器首先利用Multisim进行仿真实验,仿真图及实验结果如下:当开关为0时,输出10kHz开关为1时,输出1kHz(3)实际电路输出波形为0时的输出波形为10kHZ方波。
实现了二选一的数据选择功能。
(2)全加器一位二进制相加:1+0+0=1;1+1+0=10;1+1+1=11指示灯分别代表两位二进制,由仿真结果可知实现了一位全加功能。
3. 用74LS138及门电路实现一位全加器(X1代表二进制个位,X2代表二进制二位)(1)当三个逻辑开关全为1时,两个指示灯都亮,即1+1+1=11(2)只有一个逻辑开关为1时,指示灯X1亮,即1+0+0=01(3)只有两个逻辑开关为1时,指示灯X2亮,即1+1+0=10一位二进制相加:1+0+0=1;1+1+0=10;1+1+1=11指示灯分别代表两位二进制,由仿真结果可知实现了一位全加功能。
实验二数据选择器的设计一.实验目的
1、熟悉QuartusII软件的使用方法
2、熟悉文本输入设计方法
二.实验内容
1、用QuartusII文本输入设计法设计数据选择器。
三.实验步骤
1、在F盘建立个人文件夹,如E:\EDA\DX05\WZP\EXAM03;
2、建立工程文件,同实验一;
3、建立源程序文件,注意选择“VHDL File”,见下图。
4、以下步骤同实验一,包括编译、仿真。
5、引脚锁定
模式可选择“模式5”或“模式6”,可得引脚锁定结果为:原理图输入/输出端口引脚号
s1 ?
s2 ?
a ?
b ?
c ?
d ?
z ?
四、实验报告要求如下:
1、要求用实验报告纸撰写实验报告;
2、要求写出实验名称、实验目的以及简要实验步骤;
3、必须给出电路原理图或给出VHDL源程序;
4、必须给出功能仿真波形图;
5、完成下面的思考题
用并行语句实现数据选择器可以吗,如果可以,VHDL程序怎么实现?。
实验二数据选择器功能测试及设计应用
实验目的
1、掌握中规模集成数据选择器的逻辑功能及测试方法。
2、掌握数据选择器的使用方法。
一、实验仪器及器材
稳压电源、实验箱一个、双四选数据选择器74LS153、八选一数据选择器74LS151。
二、实验原理
1、4选1数据选择器
中规模集成电路74LS153为双四选数据选择器,其逻辑符号如图2-2-1所示,其中,1S、S分别为两个数据选择器的选通输入端,低电平有效。
A0,、A1为公告控制输入端地址端,2
1D0、1D1、1D2、1D3与2D0、2D1、2D2、2D3分别为两个数据选择器的数据输入端,其功能表如表2-2-1所示。
有功能表得逻辑表达式:
()
=+++
Q A A D A A D A A D A A D S
110101011101210131
()
=+++
210201021102210232
Q A A D A A D A A D A A D S
2、8选1数据选择器74LS151
74LS151是常用的8选1数据选择器,用于各种数字电路和单片机系统的显示电路中。
其功能如表2-2-2所示。
表2-2-2 74LS151的功能表
其中,S 为数据选择器的选通端,低电平有效。
A0、A1、A2为地址码,D0~D7为数据输入端。
3、数据选择器的应用
(1)多路信号共用一个通道(总线)传输。
(2)变并行码为串行码。
(3)转换4位二进制码为补码。
(4)组成数码比较电路。
(5)实现逻辑函数。
三、实验内容
1,利用逻辑电平产生电路和逻辑电平指示电路测试74LS153的逻辑功能,验证是否和逻辑功能表一致。
1、根据题目可画出电路图为:
2、
2,设计一位二进制数A和B的比较器。
由74LS153其中之一的四选一数据选择器的逻辑表达式为;
Q1=A1`A0`1D0+A1`A01D1+A1A0`1D2+A1A01D3
由表达式可知,若A>B时Q1=1,那么1D1就得输入高电平,由于两个思璇一数据选择器逻辑表达式相同,那么可推出2D2得输入高电平,其它情况下Y1,Y2都输出低电平,那么其它的输入信号都得为低电平,所以画出电路图为:。