数字实验三 数据选择器及其应用 实验报告
- 格式:doc
- 大小:82.00 KB
- 文档页数:2
实验三译码器、数据选择器及其应用一、实验目的1.熟练掌握集成译码器、数据选择器的工作原理、逻辑功能。
2.熟练掌握集成译码器、数据选择器实现某些逻辑函数。
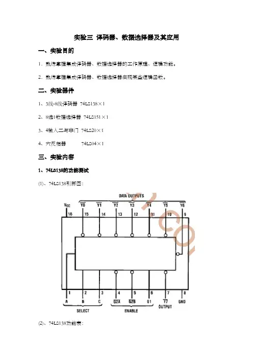
二、实验器件1、3线-8线译码器74LS138×12、8选1数据选择器74LS151×13、4输入二与非门74LS20×14、六反相器74LS04×1三、实验内容1、74LS138的功能测试(1)、74LS138引脚图:(2)、74LS138功能表:注:2G =G 2A +G 2B 2、74LS138用作逻辑函数发生器(1)、用74LS138和门电路实现逻辑函数 F=AB+AC+BC 实验步骤:将逻辑函数转化为最小项逻辑表达式 画卡诺图:由卡诺图得到:F=A BC+A B C+AB C +ABC=Σm (3,5,6,7) =7.6.5.3m m m m =7.6.5.3Y Y Y Y用一片74LS138和一片74LS20搭建电路:BC A 00 01 11 10 01 1111(2)、用74LS138和门电路实现逻辑函数F=A BC+A B C+AB C(判偶电路)(3)、用74LS138和门电路设计一个全加器3、74LS151功能测试(1)、74LS151引脚图:(2)、74LS151功能表:4、74LS151和门电路实现逻辑函数(1)、用74LS151和门电路实现逻辑函数 F=AB+AC+BC 实验步骤:将逻辑函数转化为最小项逻辑表达式 画卡诺图:由卡诺图得到:F=A BC+A B C+AB C +ABC=Σm (3,5,6,7)=m 0.0+m 1.0+m 2.0+m 3.1+m 4.0+m 5.1+m 6.1+m 7.1 74LS151输出Y=m 0.D 0+m 1.D 1+m 2.D 2+m 3.D 3+m 4.D 4+m 5.D 5+m 6.D 6+m 7.D 7 若令F=Y ,A=C ,B=B ,C=A 则D 0= D 1= D 2= D 4=0 D 3= D 5= D 6= D 7=1 根据以上分析,画出电路图:BC A 00 01 11 10 01 1111(2)、用数据选择器74LS151实现函数F=Σm (0,2,7,8,13)。
数据选择器及其应用实验报告数据选择器及其应用实验报告引言:数据选择器是数字电路中常见的一种基本逻辑电路元件,它用于从多个输入信号中选择一个输出信号。
在本次实验中,我们将通过设计和搭建一个数据选择器电路,并探讨其在实际应用中的潜力和限制。
一、实验目的本次实验的主要目的是通过搭建一个4位数据选择器电路,掌握数据选择器的原理和工作方式,并且了解其在数字电路中的应用。
二、实验器材和材料1. 电路模拟软件:我们选择了Multisim作为实验中的电路模拟软件,它可以帮助我们方便地进行电路设计和模拟。
2. 逻辑门芯片:我们使用了74LS153作为数据选择器的逻辑门芯片,它具有两个4-输入、1-输出的数据选择器。
3. 连接线、电源等辅助材料。
三、实验步骤1. 根据74LS153的逻辑图和引脚功能图,连接电路。
我们将两个74LS153芯片并联,以扩展数据选择器的位数,从而实现4位数据选择器。
2. 使用Multisim软件,设计并搭建电路。
根据74LS153的引脚功能图,将芯片的输入端与信号源相连,输出端与LED灯相连,以便观察电路的输出情况。
3. 对电路进行仿真测试。
通过Multisim软件,输入不同的数据信号,观察LED 灯的亮灭情况,并记录下来。
4. 分析和总结实验结果。
根据实验数据和观察结果,我们将对数据选择器的工作原理和应用进行分析和总结。
四、实验结果与分析在实验中,我们输入了不同的数据信号,观察到LED灯的亮灭情况与输入信号的变化相对应。
这验证了数据选择器的正确工作,并且证明了其在数字电路中的应用潜力。
然而,我们也发现了一些限制和局限性。
首先,数据选择器的位数限制了它能够处理的输入信号的数量。
在本次实验中,我们使用了4位数据选择器,因此只能选择4个输入信号中的一个。
如果需要选择更多的输入信号,我们需要使用更多的数据选择器进行级联。
此外,数据选择器的速度也是一个重要的考量因素。
在实际应用中,我们需要根据具体的需求选择适合的数据选择器,以确保其能够满足系统的时序要求。
电力学院数字电路与数字逻辑院(系):计算机科学与技术学院实验题目:数据选择器和译码器应用专业年级:学生:学号:一、实验目的和要求:1、了解并掌握集成组合电路的使用方法。
2、了解并掌握仿真(功能仿真及时序仿真)方法及验证设计正确性。
3、使用数据选择器和译码器实现特定电路。
二、实验容:1.要求用数据选择器74153和基本门设计用3个开关控制1一个电灯的电路,改变任何一个开关的状态都能控制电灯由亮变暗或由暗变亮。
(提示:用变量A、B、C表示三个开关,0、1表示通、断状态;用变量L表示灯,0、1表示灯灭、亮状态。
)画出电路的原理图,将电路下载到开发板进行验证。
根据题意画出真值表如下根据上表,可画出原理图试验现象:当开关断开的数量是奇数时,灯是亮的,除此之外是灭的.2. 人的血型有A,B,AB和O这4种,试用数据选择器74153和基本门设计一个逻辑电路,要求判断供血者和受血者关系是否符合下图的关系(提示:可用两个变量的4种组合表示供血者的血型,用另外两个变量的4种组合表示受血者的血型,用Y表示判断的结果)。
画出电路的原理图,通过仿真进行验证。
血型献血受血a b c dA 0 0 0 0B 0 1 0 1AB 1 0 1 0O 1 1 1 1真值表:a b c d Y0 0 0 0 10 0 0 1 00 0 1 0 10 0 1 1 00 1 0 0 00 1 0 1 10 1 1 0 10 1 1 1 01 0 0 0 01 0 0 1 01 0 1 0 11 0 1 1 01 1 0 0 11 1 0 1 11 1 1 0 11 1 1 1 1 根据上表,可画出原理图验证逻辑功能表,仿真结果如下3.试用集成译码器74LS138和基本门实现1位全加器,画出电路连线图,并通过仿真验证其功能。
根据题意画出真值表如下输入输出Ci A B S Co0 0 0 0 00 0 1 1 00 1 0 1 00 1 1 0 11 0 0 1 01 0 1 0 11 1 0 0 11 1 1 1 1根据上表,可画出原理图.验证逻辑功能表,仿真结果如下4.试用数据选择器74151实现1位全加器电路,画出电路连线图,并通过仿真验证其功能。
数据选择器及其应用实验报告实验目的:
本实验的目的是通过实现数据选择器的功能,加深对于数字电路的理解,并提升对于数字电路实现的实践能力。
实验原理:
数据选择器是一种能够从多个数据信号中选择特定信号输出的数字电路,通常它有一个或多个数据输入线、一个或多个控制输入线、一个输出线和一个使能输入线。
在数据选择器输出线上的输出值,取决于控制输入线上的值以及选择从哪一个数据输入线接收数据信号。
在本次实验中,我们使用的是双二选一的数码开关。
“双”指的是它一共有两个信道供选择,“二选一”则代表只会选择其中一个信道作为输出。
实验步骤:
1.根据实验原理和实验材料的提供,搭建实验电路。
2.设置信号源,对选择器进行输入数据和控制信号的测试。
3.根据信号源输出的数据,通过实验电路计算出数据选择器输出的结果。
4.逐一更改控制信号的值,反复测试并记录数据。
并对实验记录进行整理和比较分析,以达到理解、检验和加深对数据选择器的认识。
实验结果:
在实验中我们完成了数据选择器的搭建和调试,并通过多次实验数据的记录与比较,成功实现了数据选择器的功能。
实验结论:
通过本次实验,我们深入学习了数据选择器的工作原理和实现方式,并从中进一步了解了数字电路的基本概念和实现方式。
通
过反复实验和分析,我们成功完成了数据选择器的功能调试,提升了我们的实践能力和对数字电路的理解。
实验三译码器和数据选择器
一、实验目的
1.掌握译码器的功能和应用
2.掌握数据选择器的功能和应用
二、实验仪器及器件
1.仪器:数字电路学习机、双踪示波器
2.器件:74LS00 二输入四与非门1片
74LS139 双2-4线译码器1片
74LS153 双四选一数据选择器1片
三、实验内容
1.译码器功能测试
将74LS139中的一路2-4线译码器的输入接电平开关,输出接电平显示发光二极管按表3.1输入电平,填输出状态。
2.译码器转换
将双2-4线译码器转换为3-8线译码器Array(1)画出转换电路图
(2)在学习机上接线,并验证设计是否正
确。
(3)设计并填写3-8线译码器的功能表。
3.数据选择器的测试及应用
(1)将双四选一数据选择器74LS153中的2个选择端、4个输入端分别接电平开关,输出接电平显示发光二极管,按表3.2输入电平,填输出状态。
(2)将学习机脉冲信号源中的4个不同频率的信号接到数据选择器的4个输入端,将选择端置位,观察输出端的波形。
可以分别得到4种不同频率的脉冲信号。
在表3.3中记录频率值。
(3)分析上述实验结果,并总结数据选择器的作用。
四、实验报告
1.画出实验要求的波形图。
2.画出译码器转换的接线图。
3.总结译码器和数据选择器的使用体会。
实验三项目名称:数据选择器及其应用一、实验目的1、掌握中规模集成数据选择器的逻辑功能及使用方法2、学习用数据选择器构成组合逻辑电路的方法二、实验设备1、数字电子技术实验箱2、74LS1513、 74LS153三、实验内容及步骤1、测试数据选择器74LS151的逻辑功能接图3-4接线,地址端A2、A1、A、数据端D~D7、使能端S共12个引脚接逻辑开关,输出端Q接逻辑电平显示器,按74LS151功能表逐项进行测试,完成表格3-3。
拨动逻辑开关,使D0~D7的状态分别为:10011010图3-4 74LS151逻辑功能测试表3-32、测试74LS153的逻辑功能接图3-5接线,地址端A 1、A 0、数据端1D 0~1D 3、数据端2D 0~2D 3、使能端1S 、2S 共12个引脚接逻辑开关,输出端1Q 、2Q 接逻辑电平显示器,按74LS153功能表逐项进行测试,完成表格3-4。
拨动逻辑开关,使1D 0~1D 3 的状态分别为:1001;2D 0~2D 3 的状态分别为1010。
图3-5 74LS153引脚功能表3-43、用8选1数据选择器74LS151实现逻辑函数 1)按下图接线图3-6接图。
C B C A B A F ++=图3-6 用8选1数据选择器实现C B C A B A F ++=2)验证逻辑功能,即:A 2A 1A 0=CBA ,ABC 给不同的值,完成F 的数值,并验证结果是否满足 表3-55、用8选1数据选择器74LS151实现函数 B A B A F +=(1)将A 、B 加到地址端A 1、A 0,而A 2接地,由图3-7可见,将D 1、D 2接“1”及D 0、D 3接地,其余数据输入端D 4~D 7都接地,则8选1数据选择器的输出Q ,便实现了函数A B B A F += 。
图3-7 8选1数据选择器实现B A B A F += 的接线图(2)完成表格3-6表3-6CB C A B A F ++=四、思考题1、对实验步骤的电路,记录测试结果2、分别列举74LS151和74LS153有哪些实际用途。
实验三、数据选择器和译码器
一、实验目的
1、熟悉数据选择器的逻辑功能。
2、掌握译码器的逻辑功能。
二、实验所用仪器和芯片
1、双4选1数据选择器74LS153 1片
2、双2-4线译码器74LS139 1片
3、TEC-5实验系统 1台
4、示波器 1台
三、实验内容
1、测试74LS153中一个4选1数据选择器的逻辑功能。
4个数据输入引脚C0-C3分别接实验台上的500KHz、50KHz、5KHz、电平开关。
变化数据选择引脚A、B和使能引脚G的电平,产生8种不同的组合。
观测每种组合下,数据选择器的输出波形。
2、测试74LS139中一个2-4译码器的逻辑功能。
4个译码输出引脚Y0-Y3接电平指示灯。
改变引脚G、B、A的电平,产生8种组合。
观测并记录指示灯的显示状态。
*3、测试74LS139中2-4译码器的输出作为数码管(右边5个之一)的输入。
改变引脚G、B、A的电平,观察并记录数码管的显示。
四、实验报告要求
1、画出实验接线图。
2、根据实验结果写出74LS139的真值表。
3、根据实验结果写出74LS153的真值表。
4、分析74LS139和74LS153中引脚G的功能。
*5、根据实验结果写出引脚G、B、A的电平变化时,数码管的显示规律。
实验三数据选择器实验人员:班号:学号:一、实验目的(1) 熟悉并掌握数据选择器的功能。
(2) 用双4选1数据选择器74LS153设计出一个16选1的数据选择器。
(3) 用双4选1数据选择器74LS153 设计出一个全加法器。
二、实验设备数字电路实验箱,74LS00,74LS153。
三、实验内容(1) 测试双4选1数据选择器74LS153的逻辑功能。
74LS153含有两个4选1数据选择器,其中A0和A1为芯片的公共地址输入端,Vcc 和GND分别为芯片的公共电源端和接地端。
Figure1为其管脚图:Figure 11Q=A1A01D0+A1A0?1D1+A1A0?1D2+A1A0?1D32Q=A1A02D0+A1A0?2D1+A1A0?2D2+A1A0?2D3按下图连接电路:Figure 2(2) 设某一导弹发射控制机构有两名司令员A、B和两名操作员C、D,只有当两名司令员均同意发射导弹攻击目标且有操作员操作,则发射导弹F。
利用所给的实验仪器设计出一个符合上述要求的16选1数据选择器,并用数字电路实验箱上的小灯和开关组合表达实验结果。
思路:由于本实验需要有四个地址输入端来选中16个数据输入端的地址之中的一个,进而实现选择该数据输入端中的数据的功能,即16选1。
而公共的A0、A1两个地址输入端和S使能端(用于片选,已达到分片工作的目的,进而扩展了一位输入)一共可以提供三个地址输入端,故需要采用降维的方法,将一个地址输入隐藏到一个数据输入端Dx 中。
本实验可以降一维,也可以降两位。
由于两位比较复杂,本实验选择使用降一维的方式。
做法:画出如应用题中实现所需功能的卡诺图:将D 降到数据输入端中。
对应的卡诺图如下:其中,“1”表示高电平,“0”表低电平,均由开关上下拨动来控制;A 、B 、C 、D 分别为题中的两个司令员的同意情况和两个操作员的操作情况;F 为导弹发射情况,将F 接到小灯上即可。
电路如Figure 3所示(图中Cx 即Dx,后面的图均为如此):Figure 3(3) 用74LS00与74LS153设计一位全加器,并用数字电路实验箱上的小灯和开关组合表达实验结果。
数据选择器及其应用实验报告一、引言。
数据选择器是一种用于从数据集中选择特定数据的工具,它可以帮助用户快速、准确地筛选出需要的数据,提高工作效率。
在本实验中,我们将通过对数据选择器的应用实验,来探讨其在数据处理中的作用和应用。
二、实验目的。
1. 了解数据选择器的基本原理和功能;2. 掌握数据选择器的使用方法;3. 分析数据选择器在实际工作中的应用效果。
三、实验内容。
1. 数据选择器的基本原理和功能。
数据选择器是一种数据处理工具,它可以根据用户设定的条件,从数据集中筛选出符合条件的数据。
用户可以通过设置条件语句、逻辑运算符等方式,对数据进行筛选和过滤。
数据选择器可以大大简化数据处理的流程,提高工作效率。
2. 数据选择器的使用方法。
在实验中,我们将使用一个实际的数据集来演示数据选择器的使用方法。
首先,我们需要导入数据集,并打开数据选择器工具。
然后,我们可以设置筛选条件,如大于、小于、等于等条件,并选择需要筛选的数据字段。
最后,我们点击“筛选”按钮,即可得到符合条件的数据集。
3. 数据选择器在实际工作中的应用效果。
通过实际操作,我们可以观察到数据选择器在数据处理中的应用效果。
它可以帮助我们快速准确地筛选出需要的数据,避免了手动筛选数据的繁琐过程。
同时,数据选择器还可以通过保存筛选条件、批量处理数据等功能,进一步提高工作效率。
四、实验结果分析。
通过本次实验,我们深刻认识到数据选择器在数据处理中的重要作用。
它不仅可以帮助我们快速准确地筛选数据,还可以简化数据处理流程,提高工作效率。
在实际工作中,合理使用数据选择器,可以大大提高数据处理的效率和准确性。
五、结论。
数据选择器是一种强大的数据处理工具,它在数据筛选、过滤和处理中发挥着重要作用。
通过本次实验,我们深入了解了数据选择器的原理和功能,并掌握了其使用方法。
我们相信,在今后的工作中,数据选择器将会成为我们数据处理的得力助手,为我们的工作带来更多便利和效率。
六、参考文献。
数据选择器实验报告 GE GROUP system office room 【GEIHUA16H-GEIHUA GEIHUA8Q8-实验三 数据选择器实验人员: 班号: 学号:一、实验目的(1) 熟悉并掌握数据选择器的功能。
(2) 用双4选1数据选择器74LS153设计出一个16选1的数据选择器。
(3) 用双4选1数据选择器74LS153 设计出一个全加法器。
二、实验设备数字电路实验箱,74LS00,74LS153。
三、实验内容(1) 测试双4选1数据选择器74LS153的逻辑功能。
74LS153含有两个4选1数据选择器,其中A 0和A 1为芯片的公共地址输入端,A A c 和GND分别为芯片的公共电源端和接地端。
Figure1为其管脚图:Figure 11Q =A 1A 0̅̅̅̅̅̅̅̅̅1A 0+A 1̅̅̅̅A 01A 1+A 1A 0̅̅̅̅1A 2+A 1A 01A 3 2Q =A 1A 0̅̅̅̅̅̅̅̅̅2A 0+A 1̅̅̅̅A 02A 1+A 1A 0̅̅̅̅2A 2+A 1A 02A 3按下图连接电路:Figure 2(2) 设某一导弹发射控制机构有两名司令员A、B和两名操作员C、D,只有当两名司令员均同意发射导弹攻击目标且有操作员操作,则发射导弹F。
利用所给的实验仪器设计出一个符合上述要求的16选1数据选择器,并用数字电路实验箱上的小灯和开关组合表达实验结果。
思路:由于本实验需要有四个地址输入端来选中16个数据输入端的地址之中的一个,进而实现选择该数据输入端中的数据的功能,即16选1。
而公共的A0、A1两个地址输入端和A̅̅̅使能端(用于片选,已达到分片工作的目的,进而扩展了一位输入)一共可以提供三个地址输入端,故需要采用降维的方法,将一个地址输入隐藏到一个数据输入端A A中。
本实验可以降一维,也可以降两位。
由于两位比较复杂,本实验选择使用降一维的方式。
做法:画出如应用题中实现所需功能的卡诺图:将D降到数据输入端中。
实验三数据选择器及其应用一、实验目的1.通过试验的方法学习数据选择器的电路结构和特点;2.掌握数据选择器的逻辑功能及其基本应用。
二、实验设备1.数字电路试验箱2.数字万用表3.74LS00、74LS153以及基本门电路三、实验原理数据选择器(multiplexer)又称为多路开关, 是一种重要的组合逻辑部件, 它可以实现从多路数据中选择任何一路数据输出, 选择的控制由专门的端口编码决定, 称为地址码, 数据选择器可以完成很多的逻辑功能, 例如函数发生器、桶形移位器、并串转换器、波形产生器等。
1.双四选一数据选择器常见的双四选一数据选择器为TTL双极型数字集成逻辑电路74LS153, 它有两个4选1, 外形为双列直插, 引脚排列如图所示, 逻辑符号如图所示。
其中D0、D1.D2.D3为数据输入端, A0、A1为数据选择器的控制端(地址码), 同时控制两个选择器的数据输出, 为工作状态控制端(使能端), 74LS153的功能表见表。
图74LS000的引脚排列, 其功能表见表为。
其中:74LS153引脚图 74LS153逻辑符号74LS153功能表输入输出A1 A0 1Q 2Q0 X X 0 00 0 0 1D0 2D00 0 1 1D1 2D10 1 0 1D2 2D20 1 1 1D3 2D3四、实验内容1.测试数据选择器74LS153(双四选一数据选择器)的逻辑功能;2.设计实验3.某导弹发射场有正、副指挥各一名, 操作员两名。
当正副指挥员同时发出命令时, 只要两名操作员中有一人按下发射按钮, 即可产生一个点火信号, 将导弹发射出去, 根据此设计一个组合逻辑电路, 完成点火信号的控制。
4.实现一位全加器五、用一块74SL153及74SL00完成连接, 输入用3个开关分别代表A.B.CI,输出用2个指示灯分别代表CO、S1。
六、实验过程1.设计实验—点火信号控制器(1)列出半加半减器的真值表(2)画出卡诺图(3)降维①②A0 1B0 0 01 0 D+C(4)转化为与非门2.全加器的实现(1)列出全加全减器的真值表输入输出A B C(i-1) S CI0 0 0 0 00 0 1 1 00 1 0 1 00 1 1 0 11 0 0 1 01 0 1 0 11 1 0 0 11 1 1 1 1(2)画出卡诺图S=AB00 01 11 10C0 0 1 0 11 1 0 1 0CI=AB00 01 11 10C0 0 0 1 01 0 1 1 1 (3)降维S=A0 1B0 C1 CCI=A0 1B0 0 C1 C 13.逻辑电路设计(1)点火信号控制器5V BFACD (2)全加器&& &5V B CIS AC&。
数电实验三数据选择器和译码器应用IMB standardization office【IMB 5AB- IMBK 08- IMB 2C】上海电力学院数字电路与数字逻辑院(系):计算机科学与技术学院实验题目:数据选择器和译码器应用专业年级:学生姓名:学号:一、实验目的和要求:1、了解并掌握集成组合电路的使用方法。
2、了解并掌握仿真(功能仿真及时序仿真)方法及验证设计正确性。
3、使用数据选择器和译码器实现特定电路。
二、实验内容:1.要求用数据选择器74153和基本门设计用3个开关控制1一个电灯的电路,改变任何一个开关的状态都能控制电灯由亮变暗或由暗变亮。
(提示:用变量A、B、C表示三个开关,0、1表示通、断状态;用变量L表示灯,0、1表示灯灭、亮状态。
)画出电路的原理图,将电路下载到开发板进行验证。
根据题意画出真值表如下根据上表,可画出原理图试验现象:当开关断开的数量是奇数时,灯是亮的,除此之外是灭的.2.人的血型有A,B,AB和O这4种,试用数据选择器74153和基本门设计一个逻辑电路,要求判断供血者和受血者关系是否符合下图的关系(提示:可用两个变量的4种组合表示供血者的血型,用另外两个变量的4种组合表示受血者的血型,用Y表示判断的结果)。
画出电路的原理图,通过仿真进行验证。
真值表:根据上表,可画出原理图验证逻辑功能表,仿真结果如下3.试用集成译码器74LS138和基本门实现1位全加器,画出电路连线图,并通过仿真验证其功能。
根据题意画出真值表如下根据上表,可画出原理图.验证逻辑功能表,仿真结果如下4.试用数据选择器74151实现1位全加器电路,画出电路连线图,并通过仿真验证其功能。
原理图.验证逻辑功能表,仿真结果如下图三、实验小结:通过本次试验,我更加了解集成组合电路的使用方法,了解并掌握了仿真包括功能仿真及时序仿真的方法及验证设计正确性。
我还学会使用数据选择器和译码器实现特定电路。
实验三选数据选择器实验报告实验三、八选一数据选择器一、实验目的:1.熟悉Quartus116.0软件的使用和FPGA设计流程2.用VHDL语言进行八选一数据选择器的设计二、实验步骤:一建立文件夹:在D盘“_ngmng”的文件夹下建立一个名为“choce8”的文件夹。
二建立新工程1.双击桌面上Quartus6.0的图标,启动该软件。
2.通过Fle=NewProjectWzard菜单命令启动新项目向导。
在随后弹出的对话框上点击Ne_t按钮,在Whatstheworkngdrectoryforthsproject栏目中设定新项目所使用的路径:D:_ngmngchoce8;在Whatsthenameofthsproject栏目中输入新项目的名字:choce8,点击Ne_t按钮。
在下一个出现的对话框中继续点击Ne_t,跳过这步。
3.为本项目指定目标器件:选择器件系列为ACE_1K,选择具体器件为EP1K30TC144FlowSunrTary1或LBRARYEEEjU5EEEE.STDLOGC1164stated。
点击确定按钮,确认设置。
回到Setng对话框,点击OK按钮。
3.在这些均设置好后,选择Processng 菜单下,点击StartComplaton命令,开始再一次编译我们的项目。
编译结束后,点击“确定”按钮。
七与配置1.可编程器件通过专用电缆和计算机相连,使用命Tools=Programmer打开编程模块窗口,目标器件名和编程文件名必须正确地显示在该窗口中。
2.回到编程器窗口,选中program/confgure,再点击Start启动编程。
3成功后,在试验箱中进行试验,可观察到实验结果。
三、实验感想在这次的试验中,因为是第三次使用Quartus6.0做实验,所以,对于实验的步骤和流程比较熟悉了,这次试验是根据二选一和四选一数据选择器来改编八选一数据选择器,但是,在改编VHDL语言程序的过程中,遇到的一个问题就是由于输入法没有调整到英文状态,导致程序无法正常进行编译,后面检查后就修正过来了。
数字电路实验报告姓名:班级:学号:同组人员:实验二数据选择器及其应用一、实验目的1.了解74LS00、74LS153芯片的内部结构和功能;2.掌握数据选择器的逻辑功能及其基本应用。
二、实验设备1、数字电路试验箱2、74LS00、74LS153三、实验原理数据选择器可以实现从多路数据中选择任何一路数据输出,选择的控制由专门的端口编码决定,称为地址码,数据选择器可以完成很多逻辑功能。
具体原理见课本四、实验内容1、用数据选择器完成导弹发射导弹发射的时候,A、B是指挥官,只有当A、B都同意才能发射,C、D是操作员,听到A、B都同意的指令C、D才发射导弹,C、D任何一个发射都算完成任务。
同意指令为“1”,不同意为“0”,发射为“1”,不发射为“0”。
真值表如下:发射导弹的情况如下:实验中只有74LS00、74LS153,利用这两个器件设计电路如下:开关从左到右依次为A 、B 、C 、D ,AB 接C 1、C 2、C 3 ,C 0=0,C 、D 接地址端,即可完成导弹发射功能。
2、 用数据选择器设计全加器电路实验电路如下:如图所示:开关从左至右依次为Ai、Bi、Ci-1,A、B位地址输入端,1C1、1C2接Ci-1’,1C0、1C3接Ci-1;2C0=0,2C3=1,2C1、2C2接Ci-1,即可完成全加器功能。
五、实验结果12、全加器实验结果A i=1,B i=0,C i-1=1时的实验结果以上两个实验结果均符合设计要求。
六、实验心得通过这三次实验,对数字电路的有了进一步的了解。
学会用数据选择器设计简单的功能电路。
对数据选择器的掌握程度有了进一步的加深。
实验三 译码器和数据选择器一、实验目的1. 掌握中规模集成译码器74LSl39的逻辑功能和使用方法。
2. 掌握中规模集成数据选择器74LSl53的逻辑功能和使用方法。
二、实验仪器及材料1. 数字示波器2. 器件74LSl39 双2-4线译码器 1片74LSl53 双4选1数据选择器 1片 74LS00 二输入端四与非门 l 片三、实验内容1. 译码器功能测试将74LSl39译码器按图3.1接线, 按表3.1输入电平分别置位, 填输出状态表1413121110981234567VCC 2G 2A 2B 2Y02Y12Y21G 1A1B1Y01Y11Y21Y315162Y3GND74LS139接电平开关 接电平显示图3.12. 译码器转换将双2-4线译码器转换为3-8线译码器。
(1) 画出转换器电路图。
(2) 在实验台上接线并验证设计是否正确。
(3) 设计并填写该3-8线译码器功能表表3.1输入输出使能选择G B A Y0Y1Y2Y3H X XL L LL L HL H LL H H3. 数据选择器的测试及应用(1)将双4选1数据选择器74LSl53参照下图, 测试其功能并填写功能表。
表3-2选择端数据输入端输出控制输出B A C0C1C2C3G YX X X X X X HL L L X X X LL L H X X X LL H X L X X LL H X H X X LH L X X L X L(2) 用双4选1数据选择器74LSl53实现函数Y=AB+AC, 画出其逻辑电路图, 并通过实验测试填写函数Y=AB+AC的真值表3-3。
表 3-3四、实验报告1. 画出实验内容2.3的接线图, 填写表格。
2. 总结译码器和数据选择的使用体会。
实验三数据选择器及其应用
要求:当3个输入变量中的2个或3个为高电平时,输出为高电平,否则输出
为低电平。
(1)根据设计要求列出真值表(或卡诺图)。
(2)使74LS151的3个地址端与多数表决器3个输入变量一一对应,根据真
值表,确定74LS151的8个数据输入端的取值。
(3)画出实验电路图。
并自拟数据记录表格。
(4)搭建所设计的电路,验证其逻辑功能是否符合要求。
(5)记录实验结果。
4.用双4选1数据选择器74LS153实现一位二进制全加器(选做)
(1)按图3.6接线。
(2)按全加器的真值表(表3.4),验证电路逻辑功能是否符合要求。
(3)自拟数据记录表格,记录实验结果。
五、预习要求
1.复习数据选择器的工作原理。
2.熟悉74LS151、74LS153和74LSOO
的功能及外引脚排列。
3.用8选1数据选择器74LS151设计3输
入多数表决电路,写出设计过程、画出实验
电路图。
4.自拟各实验内容所需的数据记录表
格。
六、实验报告要求
1.写明实验目的
图3.774LS151逻辑功能测试实验接线图
2.简述实验原理,画出实验电路图。
对实验内容3,需写出设计过程。
3.整理和记录实验数据。
4.总结在实验过程中遇到的问题及解决的办法。
5.列写所用的实验设备和器件。
6.总结注意事项。
七、思考题
1.用两片74LS151如何实现16选1功能?
2.74LS153双4选1数据选择器能否各自独立工作?。