固有风险清册
- 格式:docx
- 大小:28.53 KB
- 文档页数:4
线路工程施工序号工序作业内容可产生的危险固有风险评定D1固有风险级别预控措施1、项目驻地建设1.1 驻地临建临建搭拆坍塌高处坠落42 2房屋结构件及板材应牢固,禁止使用损伤或毁烂的结构件及板材,搭设和拆除作业应指定工作负责人,作业前应进行安全技术交底,拆除破旧临建房及霜冻雨雪天气屋面作业时,应做好可靠的防坠、防滑措施,作业中加强安全监护。
1.2 医疗保障1.2.1医疗卫生培训及体检人身伤害54 2(1)对参加施工的全体员工进行培训,让其了解自我保护和保护环境的相关知识。
(2)对参加施工的全部员工进行体检。
1.2.2施工未建立工前、工中、工后体检制度人身伤害54 2(1)建立健全相关疾病的制度,并监督执行。
(2)严格履行开工前、施工中、完工后人员的身体检查和复检制度。
1.3 疾病防治1.3.1强紫外线照射人身伤害18 1 尽量减少和避免在强光下工作、停留,必要时采取防晒措施(涂抹防晒霜和唇膏)。
1.3.2气候伤害人身伤害9 1 对参加施工的全体员工发放必备的劳动保护用品。
1.3.3大风、雨雪、冰雹等伤害人生伤害设备损坏9 1遇到大风、雨雪、冰雹等天气严禁施工,建立健全防止自然灾害的应急预案,合理安排工作日。
2、线路复测2.1 线路复桩定位2.1.1通道清理物体打击高处坠落45 2(1)砍伐通道上的树时,应控制其倾倒方向,砍伐人员应向倾倒的相反方向躲避。
(2)多人在同一处对向砍伐或在安全距离不足的相邻处砍伐时,应保持的安全距离,为树高度的1.2 倍。
(3)砍伐工具在使用前应作检查,砍刀手柄应安装牢固。
(4)在茂密的林中或路边砍伐时应设监护人,树木倾倒前应呼叫警告。
(5)上树砍伐树梢或树枝应使用安全带,不得攀扶脆弱、枯死的树枝或已砍过但尚末断的树木,并应注意蜂窝。
2.1.2山区及森林作业中毒18 1(1)在有毒蛇、野兽、毒蜂的地区施工或外出时,应携带必要的保卫器械、防护用具及药品。
(2)在人烟稀少、有野兽活动的大山区施工时,应取得当地群众的配合,并采取防范措施。
电网工程固有风险汇总清册序号工序作业内容可产生的危险固有风险评定D1 固有风险级别预控措施一、公用部分二、变电站土建工程部分1. 桩基础施工1.2 人工挖孔灌注桩施工1.2.3 深度5米以下逐层往下循环作业高处坠落、物体打击、触电、中毒窒息、坍塌126 3 1桩孔口安装水平推移的活动安全盖板当桩孔内有人挖土时应盖好安全盖板防止杂物掉下砸伤人。
无关人员不得靠近桩孔口边。
吊运土时再打开安全盖板。
2从第二节桩孔开始利用提升设备运土桩孔内人员应正确佩戴安全帽地面人员应系好安全带设置应急软爬梯供人员上下井。
3每日开工前必须检测井下有无有毒、有害气体并应有足够的安全防护措施。
4当桩深大于10m时井底应设照明且照明必须采用12V以下电源带罩防水安全灯具应设专门向井下送风的设备风量不得少于25Ls且孔内电缆必须有防磨损、防潮、防断等保护措施。
5操作时上下人员轮换作业桩孔上人员密切观察桩孔下人员的情况互相呼应不得擅离岗位发现异常立即协助孔内人员撤离并及时上报。
6在孔内上下递送工具物品时严禁抛掷严防孔口的物件落入桩孔内。
7吊运土不要满装防提升掉落伤人。
使用的电动葫芦、吊笼等应安全可靠并配有自动卡紧保险装置。
电动葫芦宜用按钮式开关使用前必须检验其安全起吊能力。
8挖出的土方应及时运离孔口不得堆放在孔口四周1m范围内3m内不得有机动车辆行驶或停放。
9开挖过程如出现地下水异常水量大、水压高应立即停止作业及时上报在制定切实有效措施方案前不得擅自施工。
2. 混凝土基础施工2.2 土方开挖2.2.1深度超过5米含5米的深基坑挖土或未超过5米但地质条件与周边环境复杂坍塌270 4 1通过施工方案的专家审查。
2制定施工的控制措施。
3进行安全技术交底。
4严格按批准的施工方案执行。
序号工序作业内容可产生的危险固有风险评定D1 固有风险级别预控措施2.2.2 开挖深度在3 米到5米之间的基坑挖土坍塌90 3 1弃土堆高≤1.5 米。
2一般土质条件下弃土堆底至基坑顶边距离≥1.2 米。
军营 110 千伏输变电工程(电力隧道)(第三标段)三级及以上施工安全风险识别、评估和预控清册一、三级及以上施工安全风险识别、评估及控制管理针对三级及以上施工安全风险,项目部应采取以下管理措施:(1)施工项目部是现场施工安全风险识别、评估及控制的执行主体。
组织项目部所有员工学习《国家电网公司电网工程施工安全风险识别、评估及控制办法(试行)》文件,确保施工项目部管理人员、施工人员熟悉施工安全风险管理流程及相关工作。
(2)开展现场初勘,确定本项目各工序固有风险。
编制《施工安全风险识别、评估、预控清册》,对三级及以上作业风险逐一进行复测并填写《施工作业风险现场复测单》。
(3)将《三级及以上施工安全风险识别、评估和预控清册》和《作业风险现场复测单》报监理项目部审核并报业主项目部备案。
(4)根据作业前动态因素,计算确定作业动态风险等级,建立《三级及以上施工安全风险动态识别、评估及预控措施台帐》,并根据动态风险等级采取相应措施。
(5)三级及以上风险作业前,相关管理人员必须到岗到位。
(6)三级及以上风险作业必须填写《电网工程安全施工作业票 B》。
同时,按照作业步骤填写《电网工程安全施工作业票 B》中的作业风险控制卡有关项目,并由工作负责人逐项确认。
(7)将《三级及以上施工安全风险识别、评估和预控清册》报送公司审查,公司审查通过后报业主项目部和监理项目部审批。
(8)三级施工安全风险控制:施工班组负责人、安全员(监护人)和监理人员到场。
四级施工安全风险控制:施工单位要有分管领导组织现场检查,相关职能部门派专人监督,施工项目经理、专职安全员到位;监理单位要有分管领导组织现场检查,项目总监、安全监理工程师现场监督;建设单位要有分管领导组织现场检查,业主项目经理、业主项目部安全专职现场监督;省级公司要有基建安全管理人员适时开展监督检查。
项目部经过动态识别、计算得知,开挖深度大于 5 米的开挖作业内容的风险等级为 3 级。
输变电工程固有风险汇总清册全输变电工程是电力系统中一个必不可少的环节,其安全性关系到整个电网的稳定运行。
但是由于工程本身的复杂性,使得其存在一定的固有风险,需要在设计、施工、运行和维护中尽可能减少这些风险。
本文将从多个方面对输变电工程的固有风险进行汇总清单,以便更全面地了解它们对固有风险的影响。
设计风险1.电力负荷需求不确定性。
电力负荷的需求是通过预估进行的,但由于经济、社会、气候等因素影响,实际负荷需求可能与预估不同,因此设计时需要考虑这种不确定性。
2.机组故障概率。
输变电工程中的机组是重要的设备之一,它们的故障概率是直接影响到系统可靠性的一个因素。
因此,在设计阶段需要对机组故障概率进行评估,并采取相应的措施以降低故障率。
3.周围环境因素变化。
输变电工程通常建在不同的地理环境中,如山区、平原、海边或者沙漠等,这些地域差异会对设备的性能和寿命产生影响。
在设计时需要考虑这些因素对设备的影响,如温度、湿度、风等。
4.地区自然灾害。
地震、风暴、洪灾等自然灾害都会对输变电工程的设计产生影响。
在设计中应考虑此类事件对设备和工程造成的影响,并进行预防措施。
施工风险1.现场工程安全风险。
在建造输变电工程时,现场安全是一个至关重要的问题。
高高架设备、危险气体和化学品等都可能对工作人员造成伤害。
因此,需要在施工过程中采取安全措施以确保施工人员和周围居民的安全。
2.材料和设备选择。
在建造输变电工程时,选择合适的材料和设备对工程的质量和安全性具有重要影响。
需要按照标准选择材料和设备,并要求加工、检验等环节严格按照要求进行。
3.地形条件。
网络连接输变电工程的地形条件复杂,有时建造施工环境不良,如山区、高海拔地区等,因此,在施工时需要采取相应的措施,以确保工程的安全和质量。
4.现场清洁和垃圾处理。
在建造输变电工程时,可能会产生大量垃圾和废弃物,应采取环保措施以确保现场整洁和行业规范。
运行风险1.电力负荷变化。
输变电工程的运行负荷通常存在日、月甚至季度等时间尺度上的波动,造成了电压、频率和电流等参数的变化。
施工安全固有风险识别、评估及预控措施清册1. 引言施工安全是建设工程中一个非常重要的方面,施工过程中存在着许多固有风险。
为了避免事故的发生,需要对施工安全风险进行识别、评估和预控。
本文将列出施工安全固有风险的识别、评估和预控措施清单,以提供施工人员参考和遵循。
2. 施工安全固有风险的识别在施工过程中,存在着许多固有的安全风险。
以下是常见的施工安全固有风险:•高空作业风险:在高空作业中,人员容易滑倒或坠落,造成严重伤害或致命事故。
•电气安全风险:电气设备可能存在漏电、短路等问题,可能导致火灾或触电事故。
•物体打击风险:施工过程中,可能存在物体从高处坠落,打击施工人员的风险。
•机械设备操作风险:机械设备可能存在操作不当、故障等问题,可能导致事故发生。
•施工现场交通风险:施工现场存在车辆行驶、人员流动等交通风险,容易导致碰撞事故。
•化学品泄漏风险:施工现场使用一些化学品,可能发生泄漏事故,对人员健康造成危害。
3. 施工安全固有风险的评估为了更好地控制施工过程中的安全风险,需要对固有风险进行评估。
评估旨在确定风险的严重程度和可能性,以便制定相应的预控措施。
评估施工安全固有风险的方法包括但不限于:•风险矩阵评估:将风险的可能性和严重程度综合考虑,确定风险的级别。
•扩展Bowtie分析:通过建立风险源、事故事件和后果之间的关系,分析风险的传递路径,从而评估风险的大小。
•统计分析:根据历史数据和统计方法,评估风险发生的概率和频率。
4. 施工安全固有风险的预控措施清单为了避免事故发生,需要采取一系列的预控措施来降低施工安全固有风险。
以下是施工安全固有风险的一些常见预控措施:4.1 高空作业风险的预控措施•提供稳定的工作平台和防护设施。
•严格执行高空作业的操作规程,如穿戴安全带等。
•定期检查和维护工作平台和防护设施的安全性能。
4.2 电气安全风险的预控措施•保证电气设备的安全运行,定期检查和维护设备。
•配备符合安全标准的电气设备和保护装置。
军营110千伏输变电工程(电力隧道)(第三标段)三级及以上施工安全风险识别、评估和预控清册一、三级及以上施工安全风险识别、评估及控制管理针对三级及以上施工安全风险,项0部应采取以下管理措施:(1)施工项0部是现场施工安全风险识别、评估及控制的执行主体。
组织项0部所有员工学习《国家电网公司电网工程施工安全风险识别、评估及控制办法(试行)》文件,确保施工项B部管理人员、施工人员熟悉施工安全风险管理流程及相关工作。
(2)开展现场初勘,确定本项S各工序固有风险。
编制《施工安全风险识别、评估、预控清册》,对三级及以上作业风险逐一进行复测并填写《施工作业风险现场复测单》。
(3)将《三级及以上施工安全风险识别、评估和预控清册》和《作业风险现场复测单》报监理项0部审核并报业主项0部备案。
(4)根据作业前动态因素,计算确定作业动态风险等级,建立《三级及以上施工安全风险动态识别、评估及预控措施台帐》,并根据动态风险等级采取相应措施。
(5)三级及以上风险作业前,相关管理人员必须到岗到位。
(6)三级及以上风险作业必须填写《电网工程安全施工作业票B》。
同时,按照作业步骤填写《电网工程安全施工作业票B》中的作业风险控制卡有关项B,并巾工作负责人逐项确认。
(7)将《三级及以上施工安全风险识别、评估和预控清册》报送公司审查,公司审查通过后报业主项0部和监理项目部审批。
(8)三级施工安全风险控制:施工班组负责人、安全员(监护人)和监理人员到场。
四级施工安全风险控制:施工单位要有分管领导组织现场检查,相关职能部门派专人监督,施工项目经理、专职安全员到位;监理单位要有分管领导组织现场检査,项S总监、安全监理工程师现场监督;建设单位要有分管领导组织现场检査,业主项0经理、业主项0部安全专职现场监督;省级公司要有基建安全管理人员适时开展监督检查。
项目部经过动态识别、计算得知,开挖深度大于5米的开挖作业内容的风险等级为3级。
三级及以上施工安全风险清册及计算公式见附表。
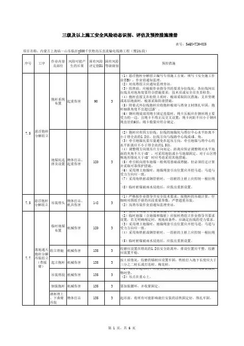
序号工序作业内容及部位风险可能导致的后果固有风险评定值D1固有风险级别1.1.1施工准备触电632222223163636363631269触电触电触电触电触电 火灾触电火灾高处坠落坍塌火灾触电 机械伤害1.1.2架设架空线路1.1.3敷设直埋电缆1.1.4配电箱及开关箱安装1.1.5保护接地或接零1.1.6现场照明布置1.1.7施工用电系统的接火现场临时建筑物搭设施工用电布设施工前准备1.11.1一、施工用电布设二、变电站土建施工1、变电站桩基础施工电 机械伤害触电其他伤害1232222234590636363636312618物体打击触电机械伤害触电机械伤害物体打击高处坠落触电机械伤害机械伤害触电坍塌机械伤害触电其他伤害机械伤害触电机械伤害触电物体打击触电其他伤害1.4.3桩机施工1.4.4桩机连接与焊接1.4.5桩机拆卸地基强夯2.1.1现场作业准备及布置2.1.2主要机具检查2.2.1深度超过5m(含5m)的深基坑挖土或未超过5m,但地质条件与周边环境复杂1.4.1施工准备1.4.2桩机进场安装机械成桩地基强夯施工施工前准备1.41.52.12、变电站混凝土基础工程13341122290106240181845424218物体打击机械伤害触电物体打击机械伤害触电物体打击机械伤害触电高处坠落坍塌物体打击坍塌物体打击坍塌机械伤害触电机械伤害物体打击高处坠落触电机械伤害触电3.1.1现场作业准备与布置3.1.2主要机具及材料配置3.2.1钢筋加工3.2.2钢筋搬运作业3.2.3钢筋安装作业3.3.1模板安装3.3.2模板拆除3.3.3高度超过8m或跨度超过18m的模板支撑系统混凝土作业现场作业准备及布置现场作业准备及布置钢筋工程模板工程混凝土工程3.13.13.23.33.43、变电站主建筑物工程222212260274545185462触电高处坠落物体打击高处坠落火灾高处坠落物体打击高处坠落物体打击高处坠落物体打击触电机械伤害物体打击高处坠落触电物体打击主体填充墙砌筑屋面施工高处作业高处作业作业准备及布置钢筋加工、搬运和安装模板作业砌筑工程屋面工程室内外抹灰室内外抹灰现场作业准备及布置钢筋工程模板工程3.53.63.73.74.14、变电站防火墙工程4.24.3222222163424254541863高处坠落其他伤害坍塌机械伤害机械伤害机械伤害机械伤害高处坠落坍塌高处坠落物体打击坍塌高处坠落其他伤害坍塌砌筑施工抹灰施工涂料施工施工现场准备工作5.2.1一般起重吊装5.2.1一般起重吊装重机抬吊同一重物混凝土施工混凝土工程砌筑工程抹灰工程涂料工程现场作业准备、布置吊装5、变电站构支架安装工程(5.1、5.2通用于起重机吊装相关作业)4.44.54.64.75.15.23432211312624012642421818118机械伤害机械伤害触电物体打击机械伤害触电 灼伤灼伤 火灾 爆炸物体打击机械伤害其他伤害机械伤害高处坠落5.2.2两台及以上起重机抬吊同一重物5.2.3起重重量达到起重机械额定负荷的95%5.2.4起重机械临近带电体作业5.3.1排杆5.3.2电焊机焊接5.3.3气焊机焊接5.3.4横梁组装5.3.5A型构架的吊装吊装钢管、水泥杆构支架组立5.25.36.3.2电缆沟垫层施工其他伤害1811122332111118542711890451818121018其他伤害物体打击物体打击机械伤害高处坠落物体打击触电 火灾机械伤害高处坠落机械伤害高处坠落雷击物体打击高处坠落机械伤害坍塌 触电 机械伤害物体打击触电 火灾5.3.8格构式构支架组立现场作业前准备及资源配置6.2.1电缆沟预制盖板外框制作6.2.2预制构件混凝土浇筑6.2.3预制构件堆放6.2.4构件运输、安装6.3.1电缆沟挖方6.3.3钢筋加工及绑扎5.3.5A型构架的吊装5.3.6横梁吊装5.3.7构支架、避雷针吊装及接地预制电缆槽施工现浇式电缆沟施工钢管、水泥杆构支架组立现场作业准备及布置6、变电站电缆沟道工程5.36.16.26.3221222133127271827272718906318其他伤害触电 其他伤害其他伤害其他伤害其他伤害触电物体打击其他伤害触电 机械伤害物体打击坍塌坍塌坍塌8.2.3开挖深度在1m 到3m之间的基坑挖土6.3.4模板安装及拆除6.3.5浇混凝土浇筑7.1.1开挖接地网沟准备7.1.2人工开挖接地网沟7.1.3机械开挖接地网沟7.1.4接地网沟敷设现场作业前准备及资源配置8.2.1深度超过5m(含5m)的深基坑挖土或未超过5m,但地质条件与周边环境复杂8.2.2开挖深度在3m到5m(含3m)之间的基坑挖土接地网施工接地网施工现场作业准备及布置站区三通一平、站区道路工程7.18.18.27、变电站接地网工程8、变电站站区道路工程及围墙工程7.12212224222718542727240272727触电 机械伤害物体打击其他伤害物体打击高处坠落其他伤害触电 机械伤害物体打击坍塌 触电机械伤害触电高处坠落物体打击爆炸机械伤害8.2.4土石方爆破8.2.5路基填压施工8.2.6路面施工8.3.1毛石基础施工8.3.2墙体砌筑现场作业前准备及资源配置9.2.1管道的土方开挖9.2.2管道的下料、敷设与焊接9.2.3管道连接和支架安装道路工程围墙工程现场作业准备及布置消防管道管网施工消防管道管网施工8.39.19.29.29、变电站消防工程122222429272727454524065物体打击物体打击高处坠落物体打击其他伤害高处坠落其他伤害触电 其他伤害触电 其他伤害物体打击机械伤害物体打击机械伤害10.1.2混凝土支撑架安装9.2.4管道系统的水压试验9.3.1消防设备安装9.3.2消防控制设备的安装9.3.3热敏电缆敷设9.4.1火灾报警系统单体调试9.4.2消防系统的联合调试10.1.1钢筋笼吊装消防设备和控制设备安装报警与消防水系统联合调试地下维护结构施工9.39.410.110、地下变电站土建施工10.2.3基坑周边沉降观测坍塌652343443224012030030012065135坍塌物体打击物体打击坍塌物体打击坠落物体打击爆炸坍塌火灾物体打击坍塌坍塌10.2.1基坑开挖10.2.2基坑排水10.2.3基坑周边沉降观测10.2.4基坑垂直作业10.3.1高大模板支撑系统施工10.3.2钢支撑拆除10.3.3基坑钢筋混凝土支撑爆破地下变深基坑开挖地下变深基坑开挖地下主体结构施工10.210.210.33122212211501845545418545418爆炸坍塌火灾物体打击高处坠落坍塌机械伤害物体打击高处坠落触电机械伤害机械伤害触电高处坠落机械伤害中毒火灾塌坍高处坠落机械伤害物体打击高处坠落触电机械伤害物体打击高处坠落机械伤害物体打击高处坠落灼伤火灾爆炸基坑钢筋混凝土支撑爆破10.3.4基坑钢筋混凝土支撑切割11.1.1现场作业准备及布置11.1.2彩板压制11.1.3屋面彩板安装11.1.4墙面彩板安装11.2.1现场作业准备及布置11.2.2围墙上隔音降噪装置安装11.2.3换流变压器隔音降噪装置安装焊接隔音降躁装置安装钢结构建筑物接地施工钢结构彩板安装11.111.211.311、钢结构及相关施工12.直流换流站专属工程332232229054429063273690火灾触电灼伤机械伤害物体打击机械伤害物体打击高处坠落机械伤害其他伤害高处坠落机械伤害触电其他伤害坍塌坍塌机械伤害12.1.1深度超过5m(含5m)的深基坑挖土或未超过5m,但地质条件与周边环境复杂12.1.2开挖深度在3m到5m之间的基坑挖土12.2.1轨道加工、运输12.2.2轨道安装12.3.1阀厅钢柱吊装12.3.2阀厅钢屋架整体吊装12.4.1二次运输12.4.2现场作业准备及布置水池及盐池施工换流变广场及轨道广场施工阀厅钢结构吊装防火墙大面积(超长、超高)钢模板安装12.212.312.412.1221122222544218185427455427高处坠落机械伤害触电 其他伤害高处坠落火灾触电触电机械伤害物体打击 机械伤害物体打击高处坠落物体打击触电其他伤害高空坠落物体打击触电、火灾12.4.3安装作业12.5.1高处作业12.5.2焊接12.6.1现场作业前准备及资源配置12.6.2阀厅通风系统安装12.6.3空调设备安装12.6.4空调系统的联合调试12.7.1火灾探测器、控制模块、照明灯具安装12.7.2系统调试及联动试验阀厅建筑物接地施工阀厅通风空调设备安装阀厅辅助设备安装调试工程(包括火灾报警、照明等)12.512.612.712.8.6馈电元件敷设物体打击181222221321362754541890631854坍塌机械伤害中毒触电灼伤机械伤害物体打击物体打击物体打击中毒机械伤害物体打击触电坍塌坍塌12.8.1现场作业准备及布置12.8.2内外环基坑土方开挖深度超过 5 m(含 5 m)的深基坑挖土或未超过5 m,但地质条件与周边环境复杂12.8.3内外环基坑土方开挖深度在3 m到5m之间的基坑挖土(含3米)12.8.4内外环基坑土方开挖深度在1 m到3m之间的基坑挖土12.8.5活性填充材料铺设12.8.7馈电元件放热焊接12.8.8电缆运输12.8.9电缆敷设12.8.10滤水层铺设动试验接地极工程12.813、钢管脚手架工程122222222221845272727272727632727高处坠落物体打击触电坍塌触电 物体打击高处坠落高处坠落物体打击坍塌触电物体打击高处坠落物体打击高处坠落物体打击触电高处坠落高处坠落高处坠落坍塌高处坠落坍塌高处坠落坍塌13.2.7搭上层脚手架安装13.2.8连墙件安装13.2.9剪刀撑安装13.1.1现场作业准备及布置13.1.2脚手架构件检查13.2.1搭设前准备13.2.2铺垫板安装13.2.3纵横向扫地杆安装13.2.4竖立杆安装13.2.5纵向水平杆安装13.2.6横向水平杆安装现场准备工作钢管脚手架搭设13.113.22223422222272790240634263272727高处坠落物体打击坍塌高处坠落物体打击坍塌高处坠落物体打击坍塌高处坠落物体打击坍塌高处坠落物体打击坍塌高处坠落物体打击高处坠落物体打击坍塌高处坠落物体打击坍塌高处坠落物体打击坍塌高处坠落物体打击坍塌触电坍塌13.2.9剪刀撑安装13.2.10脚手板安装13.2.11人行、材料运输斜道安装13.2.12安全通道安装13.2.13临边防护安装13.2.14搭设高度不超过24m的落地钢管脚手架、附着式升降脚手架、悬挑式脚手架、门型脚手架、悬挂脚手架、吊篮脚手架、卸料平台13.2.15搭设高度超过24m的落地钢管脚手架、附着式升降脚手架、悬挑式脚手架、门型脚手架、悬挂脚手架、吊篮脚手架、卸料平台13.3.1模板支撑脚手架13.3.2防火墙脚手架13.3.3围墙及内装饰脚手架搭设其它专用脚手架13.31232323223211264213542126424212618机械伤害高处坠落火灾高处坠落物体打击坍塌触电高处坠落物体打击坍塌其他伤害机械伤害物体打击高处坠落火灾中毒机械伤害火灾机械伤害高处坠落中毒窒息触电机械伤害高处坠落1.1.4吊罩检查1.1.5不吊罩检查1.1.6附件安装1.1.7套管安装1.1.8抽真空及真空注油脚手架的验收与维护脚手架拆除作业1.1.1现场作业准备及布置1.1.2电力变压器进场1.1.3绝缘油处理脚手架的验收与维护脚手架拆除油浸电力变压器、油浸电抗器施工作业13.413.51.1三、变电站电气安装1、变电站变压器、电抗器安装22222332122545442545490903092745机械伤害火灾机械伤害物体打击触电火灾高处坠落机械伤害触电火灾其他伤害机械伤害触电其他伤害灼伤触电其他伤害机械伤害高处坠落机械伤害高处坠落高处坠落物体打击其他伤害机械伤害高处坠落1.1.9滤油1.1.10门形组装式安全围栏安装2.1.1现场作业准备及布置2.1.2管母线加工2.1.3焊接2.1.4支撑式安装2.1.5悬吊式安装2.2.1档距测量及增量计算2.2.2下料2.2.3压接2.2.4母线安装管母线安装软母线安装2.12.22、变电站一次设备安装222222222545445454527545442机械伤害高处坠落中毒高处坠落机械伤害其他伤害高处坠落机械伤害高处坠落高处坠落机械伤害其他伤害机械伤害中毒高处坠落其他伤害2.2.6设备引下线安装2.3.1搬运与开箱2.3.2本体安装2.3.3套管安装2.3.4充SF6气体2.4.1本体安装2.4.2静触头安装2.2.4母线安装2.2.5母线跳线安装断路器安装隔离开关安装与调整2.32.4212222222222541854545454545454544254物体打击物体打击其他伤害物体打击其他伤害机械伤害其他伤害机械伤害物体打击机械伤害物体打击其他伤害机械伤害物体打击其他伤害机械伤害高处坠落物体打击机械伤害高处坠落物体打击机械伤害高处坠落物体打击高处坠落机械伤害触电火灾其他伤害灼伤触电物体打击高处坠落其他伤害物体打击2.6.2支吊架、支持绝缘子安装2.6.3金具检查及安2.4.2静触头安装2.4.3机构箱安装2.4.4隔离开关调整2.5.1二次运输2.5.2吊装2.5.3互感器吊装2.5.4耦合电容器、避雷器2.5.5干式电抗器安装2.5.6悬挂式阻波器安装2.5.7座式阻波器安装2.6.1施工准备其他户外设备安装母线桥施工作业2.52.63.2.2GIS母线及母线筒对接其他伤害181222222222263214542542754545442机械伤害物体打击高处坠落其他伤害机械伤害物体打击高处坠落中毒机械伤害物体打击高处坠落中毒触电高处坠落机械伤害物体打击其他伤害机械伤害物体打击其他伤害物体打击高处坠落高处坠落其他伤害触电机械伤害其他伤害装2.6.4母线加工2.6.5母线安装技术准备和现场布置3.2.1室内外GIS就位3.2.3抽真空、充气3.2.4试验4.1.1现场作业准备及布置4.1.2二次搬运4.1.3屏、柜就位现场作业准备及布置GIS组合电器安装开关柜、屏安装3.13.24.13、变电站GIS组合电气安装4、变电站二次系统2222232274227543012642高处坠落火灾其他伤害物体打击触电火灾其他伤害机械伤害物体打击其他伤害物体打击高处坠落其他伤害触电机械伤害触电电网事故触电4.1.3屏、柜就位4.2.1现场作业准备及布置4.2.2电缆装卸4.2.3敷设及接线作业前的准备工作5.2.1土建间隔扩建施工5.2.2材料、设备搬运电缆敷设及二次接线现场作业准备及布置户外作业4.25.15.25、变电站改扩建工程34333330090909090120触电电网事故物体打击机械伤害物体打击机械伤害触电电网事故触电火灾触电电网事故5.2.3邻近带电作业5.3.1设备安装5.3.2运行盘柜上二次接线5.3.3二次接入带电系统6.1.1一般设备起吊6.1.2大型设备(30t及以上)起吊户内作业设备安装6、地下变电站电气安装施工5.36.122233222242424212612054545463机械伤害中毒窒息机械伤害触电火灾其他伤害窒息触电其他伤害物体打击机械伤害机械伤害火灾其他伤害高处坠落机械伤害触电大型设备(30t及以上)起吊6.1.3有毒有害气体控制7.1.1作业现场准备及布置7.1.2器身内部检查7.1.3套管、油枕、散热器等附件吊装7.1.4牵引就位7.1.5抽真空及真空注油、热油循环注油7.1.6电缆敷设及接线敷设7.1.7降噪设施安装7.1.8电气试验换流变安装与试验7、换流站电气安装7.122323222225412054120545454545454高处坠落机械伤害物体打击其他伤害高处坠落机械伤害物体打击高处坠落机械伤害物体打击高处坠落高处坠落高处坠落机械伤害触电其他伤害高处坠落物体打击高处坠落机械伤害物体打击高处坠落机械伤害物体打击7.2.2阀塔悬挂支架安装7.2.3阀组模块安装7.2.4阀避雷器安装设备吊装7.4.1作业前的准备工作7.4.2绝缘支架安装7.4.3平波电抗器主体安装7.4.4电抗器引线安装7.1.9换流变压器在低端运行运情况下高端安装(简称“低运高建”)7.2.1作业前的准备工作换流阀安装换流阀冷却设备安装平波电抗器安装7.27.37.432213331355454181359090高处坠落物体打击机械伤害高处坠落机械伤害物体打击触电物体打击高处坠落其他伤害触电物体打击高处坠落其他伤害触电高处坠落触电高处坠落触电起重吊装7.6.1设备吊装一次电气设备交接试验二次设备调试一次设备耐压试验油浸电力变压器局放及耐压试验高压电缆耐压试验直流穿墙套管安装直流场设备安装试验8.48.58、变电站工程电气调试试验7.57.68.18.28.322332232242126906363135424221触电电网事故触电坍塌高处坠落窒息高原反应疫情传播触电高处坠落触电电网事故 电网事故爆炸触电设备事故电网事故触电二次设备调试试验系统稳定控制、系统联调试验一次设备检查继电保护装置向量测试设备抢修临建搭拆1.2.1高海拔地区施工未建立医疗保障和后勤保障体系换流站阀厅内试验一次设备调试试验改扩建工程户内施工调试作业系统调试设备检查投产试验投产应急抢修驻地临建改扩建工程户外施工调试作业8.68.78.88.99.19.29.31.19、投产送电四、架空线路工程施工1、项目驻地建设1.3.2高原寒冷气候伤害高原反应911.3.3高原大风、雨雪、冰雹等伤害设备事故911.3.4日常巡诊及医疗药品设备未配备高原反应5421.4.2高原地区饮用水重金属超标高原反应5423221221212231265454185445185418425490高原反应高原反应高原反应高原反应疫情传播物体打击高处坠落中毒高处坠落机械伤害物体打击高处坠落机械伤害坍塌坍塌3.2.1在3米以下人工开挖3.2.2开挖深度在3m-5m之间(含3米)的人工开挖1.2.2进入高海拔地区施工未习服1.2.3进入高海拔地区未经医疗卫生培训及体检1.2.4进入高海拔地区施工未建立工前、工中、工后体检管理1.3.1高原强紫外线照射1.4.1进入自然性疫源区施工2.1.1通道清理2.1.2山区及森林作业2.1.3复杂地形作业3.1.1现场作业准备及布置3.1.2主要机具检查医疗保障高原性疾病防治高原生活安全线路复桩定位施工前准备一般土石方开挖1.21.31.42.13.13.22、架空线路复测3、土石方工程3.2.3深度超过5m(含5m)深基槽开挖3.3.4底盘扩底基坑清理3.4.2机械钻孔机械伤害45222431432342632701261816090541262702763坍塌机械伤害物体打击物体打击高处坠落物体打击坍塌坍塌物体打击爆炸坍塌坍塌物体打击、坍塌、高处坠落高处坠落物体打击坍塌5m之间(含3米)的人工开挖3.2.4机械开挖3.3.1孔口施工3.3.2渣土提升3.3.3深度大于5m的开挖3.4.1人工成孔3.4.3爆破作业3.5.1泥沙流沙坑开挖3.5.2水坑、沼泽地、冻土基坑开挖3.5.3大坎、高边坡基础开挖掏挖基础基坑开挖岩石基坑开挖特殊基坑开挖作业3.43.53.33.6.2桩机就位机械伤害4523.6.3钻进操作其他伤害 坍塌4523.6.4冲孔操作机械伤害4523.6.5清孔及换浆其他伤害4523.6.7导管安装与下放机械伤害 物体打击45223322221122126126456345631818454563坍塌高处坠落物体打击坍塌高处坠落物体打击触电中毒窒息坍塌处坠落坍塌机械伤害 物体打击其他伤害机械伤害机械伤害机械其他伤害坍塌机械伤害物体打击3.8.3架设垂直运输系统3.8.4支模、护壁3.8.5开挖吊运第二节桩孔土方(修边)3.8.6逐层往下循环作业桩身长度小于等于15m基础开挖3.6.1埋设护筒3.6.6钢筋笼制作与吊放3.6.8混凝土灌注机械钻孔3.8.1现场作业准备3.8.2开挖第一节桩孔土方人工挖孔桩基础作业机械冲、钻孔灌注桩基础作业锚杆基础作业3.63.73.83.8.8底盘扩底基坑清理3.9.4提升、拔管机械伤害18143222221222401264545454563184245高处坠落物体打击触电中毒息坍塌坍塌机械伤害其他伤害机械伤害物体打击高处坠落机械伤害机械伤害触电其他伤害机械伤害物体打击机械伤害机械伤害物体打击3.8.7逐层往下循环作业桩身长度超出(含)15m3.8.9钢筋笼制作与吊放3.8.10混凝土作业3.9.1桩机就位3.9.2钻进成孔3.9.3旋喷注浆4.1.1现场作业准备及布置4.1.2主要机具检查4.2.1钢筋加工高压旋喷桩基础作业施工前准备3.94.14、钢筋工程5.2.1人力运输其他伤害4525.3.1模板安装其他伤害2725.4.1钢筋绑扎其他伤害1815.4.2扎筋组模物体打击181232221222902742451842546345其他伤害其他伤害淹溺物体打击坍塌机械伤害物体打击高处坠落物体打击机械伤害触电火灾机械伤害物体打击高处坠落机械伤害机械伤害5.2.3畜力运输5.2.4水上运输5.2.5索道运输5.3.2模板支护5.5.1搭设浇筑平台4.2.2切割焊接5.1.1现场作业准备及布置5.1.2主要机具检查5.2.2机动车运输钢筋作业施工前准备机料机具运输模板安装和支护作业钢筋绑扎安装作业4.25.15.25.35.45、基础施工5.5.2搅拌系统布置(含施工电源)触电6325.5.3混凝土搅拌物体打击6325.5.4出料运输物体打击6325.5.7拆模其他伤害181221211122224263184518181842455463高处坠落物体打击触电火灾中毒窒息其他伤害物体打击机械伤害物体打击高处坠落机械伤害高处坠落物体打击机械伤害其它伤害5.5.1搭设浇筑平台5.5.5浇筑5.5.6振捣5.5.8冬季养护现场作业准备及布置开掘与焊接7.1.1现场作业准备及布置7.1.2主要机具检查7.2.1人力运输7.2.2机动车辆运输7.2.3畜力运输现场浇筑混凝土作业6.1.1施工前准备6.1.2接地施工施工前准备5.56.17.16、接地工程7、杆塔施工23333212090120904545机械伤害爆炸火灾物体打击机械伤害物体打击机械伤害物体打击机械伤害坍塌其他伤害淹溺7.3.1水泥杆排杆7.3.2水泥杆焊接7.3.3地锚坑选择及设置7.3.4水泥杆组立7.2.4索道运输7.2.5船舶运输杆塔运输水泥杆施工7.27.37.5.1吊装塔腿塔片机械伤害6327.5.2临时接地触电4527.5.5起立抱杆机械伤害4527.5.8提升抱杆物体打击6327.5.10拆除抱杆物体打击6323333123212013590120186313554机械伤害机械伤害 物体打击械伤害机械伤害物体打击、机械伤害其他伤害物体打击高处坠落物体打击、机械伤害其他伤害7.4.1起重机械就位7.4.2起重机械吊装7.5.3抱杆系统布置7.5.4地锚坑选择及设置7.5.6地面塔片组装7.5.7吊装塔片7.5.9吊装塔头7.6.1地面组装钢管杆施工悬浮抱杆分解组立(含附着式外拉线分解组立)7.47.57.6.3抱杆系统布置机械伤害6527.6.4初始起立机械伤害6327.6.5正式起立机械伤害6327.6.6慢速起立机械伤害13537.6.7停止牵引、调整塔身固定临时拉线机械伤害5427.7.4组立塔腿机械伤害13537.7.5起立抱杆机械伤害13537.7.6第一次倒装抱杆物体打击6327.7.8倒装抱杆机械伤害13537.7.9酒杯塔上、下曲臂吊装物体打击13537.8.4组立塔腿机械伤害6527.8.5起立抱杆机械伤害13537.8.6第一次倒装抱杆物体打击1353323232323354120541355412063135135126物体打击、机械伤害物体打击机械伤害机械伤害物体打击物体打击机械伤害机械伤害其他伤害机械伤害7.7.10吊装顶架、横担7.7.11抱杆拆除7.8.1牵引设备布置7.8.2临时地锚布置7.8.3地面组装7.6.2临时地锚布置7.7.1牵引设备布置7.7.2临时地锚布置7.7.3地面组装7.7.7吊装塔段落地通天抱杆分解吊装组立(带摇臂)落地通天抱杆分解吊装组立(不带摇臂)整体立塔施工7.67.77.87.8.8倒装抱杆机械伤害6327.8.9吊装塔片物体打击6327.9.5倒装架封口物体打击126323333432333436313513513512027012663135135135270135高处坠落机械伤害物体打击、机械伤害物体打击物体打击机械伤害机械伤害物体打击物体打击物体打击机械伤害物体打击高处坠落机械伤害物体打击高处坠落触电机械伤害物体打击高处坠落全高为80m及以上的杆塔组立7.8.7吊装塔段7.8.10吊装塔头7.8.11拆除抱杆7.9.1设置倒装架基础7.9.2临时地锚布置7.9.3安装倒装架7.9.4组立塔头7.9.6塔段提升7.9.7塔段安装7.10.1起重机械设备及工器具的选择7.10.2杆塔吊装装组立(不带摇臂)全倒装分解组立起重机吊装立塔临近带电体组立塔高塔组立7.97.1##########7.128、架线施工122333342541351601359018机械伤害物体打击高处坠落机械伤害倒塌公路通行中断电铁停运停航其他伤害倒塌其他伤害高处坠落其他伤害倒塌物体打击倒塌物体打击公路通行中断8.1.1现场作业准备及布置8.1.2主要机具检查8.2.1一般跨越架搭设和拆除(24m以下)8.2.2一般跨越架搭设和拆除(24m以上)8.2.3无跨越架跨越架线(使用防护网)8.2.4跨越10kV及以上带电运行电力线路8.2.5跨越2级及以上公路施工前准备跨越公路、铁路、航道作业8.18.244313424030015018120240物体打击公路通行中断倒塌物体打击公路通行中断倒塌触电电铁停运停航淹溺高处坠落触电电网事故触电电网事故触电电网事故公路8.2.6跨越高速公路8.2.7跨越铁路8.2.8跨越主通航河流、海上主航道8.3.1停电跨越或同塔线路扩建第二回导线停电架设的作业8.3.2跨越110kV以下带电线路(或同塔扩建第二回,另一回不停电)作业8.3.3跨越110kV及以上带电线路(或同塔扩建第二回,另一回不停电)作业跨越(或同塔)架设架设电力线8.3。
临沂费县芍药山35kV变电站新建工程三级及以上施工安全风险识别、评估和预控清册费县超然电气有限公司施工项目部2018年04月批准:年月日项目总工:年月日项目质检员:年月日项目安全员:年月日编写:年月日三级及以上施工安全风险识别、评估和预控清册三级及以上施工安全动态风险计算一、主建筑物工程-模板工程(1)模板工程,作业内容为模板安装,可产生的危险为坠落、坍塌,固有风险评定D1为96,固有风险级别为3级。
项目部根据施工方法、作业人员、机械设备、材料、环境、安全管理六个维度影响因素的实际情况,按照《动通过计算得知k=0.99,则动态风险值D2=D1/k=96/0.91=106,因70<106<160,故查表得知模板安装作业的风险等级3级。
(2)模板工程,作业内容为模板拆除,可产生的危险为物体打击、坍塌,固有风险评定D1为106,固有风险级别为3级。
项目部根据施工方法、作业人员、机械设备、环境、安全管理五个维度影响因素的实际情况,按照《动态风险通过计算得知k=0.988,则动态风险值D2=D1/k=106/0.912=116,因70<116<160,故查表得知模板拆除作业的风险等级3级。
三、钢管脚手架搭设(1)钢管脚手架搭设,作业内容为搭设高度没有超过24米的落地钢管脚手架、卸料平台,可产生的危险为坍塌、高出坠落、物体打击,固有风险评定D1为90,固有风险级别为3级。
项目部根据施工方法、作业人员、机械设备、材料、环境、安全管理六个维度影响因素的实际情况,按照《动态风险值计算》计算出动态调整系数k值如下:通过计算得知k=0.99,则动态风险值D 2=D 1/k=90/0.91=99,因70<99<160,故 查表得知,搭设高度没有超过24米的落地钢管脚手架、卸料平台作业的风险等级3级。
(2)脚手架拆除,作业内容为脚手架拆除作业,可产生的危险为高出坠落、物体打击、坍塌、其他伤害,固有风险评定D1为126,固有风险级别为3级。