安全网验收表
- 格式:doc
- 大小:156.00 KB
- 文档页数:18
网站安全检查验收表项目信息- 项目名称:- 项目负责人:- 客户/使用方:- 检查日期:检查内容及结果1. 网站访问控制- 检查网站的访问控制机制是否完善:- [ ] 网站后台登录是否需要用户名和密码- [ ] 是否有用户权限管理功能- [ ] 是否有登录失败锁定功能2. 数据传输安全- 检查网站的数据传输安全措施:- [ ] 是否有使用 SSL/TLS 加密传输用户数据- [ ] 是否有业务敏感数据的加密措施- [ ] 是否有防止窃听和中间人攻击的措施3. 网站漏洞扫描- 检查网站的漏洞扫描情况:- [ ] 是否进行过定期的漏洞扫描- [ ] 是否及时修复漏洞- [ ] 是否有漏洞修复记录和漏洞管理流程4. 日志记录与分析- 检查网站的日志记录与分析情况:- [ ] 是否有日志记录功能- [ ] 是否对日志进行定期分析和监控- [ ] 是否有异常行为的告警机制5. 网站备份与恢复- 检查网站的备份与恢复情况:- [ ] 是否定期备份网站数据- [ ] 是否有可靠的数据恢复机制- [ ] 是否进行过备份和恢复测试6. 网站安全培训- 检查网站安全培训情况:- [ ] 是否进行过员工、开发人员的安全培训- [ ] 是否有定期的安全意识培训计划- [ ] 是否有安全培训记录和反馈机制验收结论经过专业人员的网站安全检查,根据以上检查内容,结论如下:- [ ] 网站安全状况优秀,未发现安全隐患- [ ] 网站安全状况良好,安全隐患已经得到妥善处理- [ ] 网站安全状况存在风险,需要采取相应的安全措施签字确认- 检查人员签字:- 项目负责人签字:- 客户/使用方签字:。
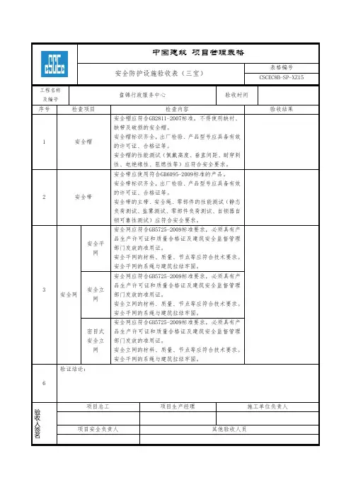
施工现场安全防护设施验收记录表-1说明:参照《建筑施工作业安全技术规范》(JGJ80-91); 《建筑施工安全检查标准》(JGJ-59-99)《安全帽检测和试验标准》(GB2811-2006);《安全带检验方法》(GB 6096—1985);《安全网》(GB5727-1997)等相关内容。
施工现场安全防护设施验收记录表-2说明:参照《建筑施工作业安全技术规范》(JGJ80-91); 《建筑施工安全检查标准》(JGJ-59-99)《安全帽检测和试验标准》(GB2811-2006);《安全带检验方法》(GB 6096—1985);《安全网》(GB5727-1997)等相关内容。
施工现场安全防护设施验收记录表-3说明:参照《建筑施工作业安全技术规范》(JGJ80-91); 《建筑施工安全检查标准》(JGJ59-99)《安全帽检测和试验标准》(GB2811-2006);《安全带检验方法》(GB 6096—1985);《安全网》(GB5727-1997)、《电气装置安装工程接地装置施工及验收规范》(GB50169-2006)等相关内容。
施工现场安全防护设施验收记录表-4说明:参照《建筑施工作业安全技术规范》(JGJ80-91); 《建筑施工安全检查标准》(JGJ59-99)《安全帽检测和试验标准》(GB2811-2006);《安全带检验方法》(GB 6096—1985);《安全网》(GB5727-1997)、《电气装置安装工程接地装置施工及验收规范》(GB50169-2006)、《一般用喷油螺杆空气压缩机》GB6430等相关内容。
附件:4-1固定式喷油螺杆压缩机维修保养项目与周期表(摘自说明书)注:①自动排污不正常则清洗。
②用手拉安全阀杠杆来检查。
③如果压缩机机组工作环境较脏,保养周期应缩短;如果环境很好保养周期可适当延长。
④若油气分离器前压力表读数和控制面板上压力表读数之差超过0.1MPa时,应更换油气分离器滤芯。
安全防护设施检查验收记录表工程名称:___生活服务楼施工单位:___监理单位:___首步脚手架验收记录表序号检查验收内容检查(实测)情况验收结果1 专项技术方案是否经施工单位技术负责人、总监理工程师审批(超高、超重脚手架方案是否经专家审查论证)材料选用是否符合专项施工方案设计的要求经审批并符合设计要求2 脚手架搭设前是否进行技术交底符合设计要求3 立杆基础、底部垫板、锚环预埋、悬挑梁安装是否符合要求4 立杆纵、横向间距是否符合专项施工方案设计的要求符合设计要求5 立杆垂直度是否大于1/2006 纵、横向扫地杆设置是否齐全齐全7 大、小横杆步距是否符合专项施工方案设计的要求剪刀撑设置是否符合专项施工方案设计的要求符合设计要求8 连墙杆件设置是否符合专项施工方案设计的要求,且不大于3步3跨9 架身整体稳固、有无摇晃无摇晃10 脚手板是否满铺并固定,有无探头板无探头板11 护身栏杆搭设是否符合专项施工方案设计的要求符合设计要求12 安全网是否符合专项施工方案设计的要求且挂设完好符合设计要求13 作业层楼层临边与外架之间是否设置安全防护已设置施工单位验收(检查)意见:监理单位验收(检查)意见:项目经理:监理工程师。
年月日年月日建筑工程模板支撑体系安全验收表序号项目验收要求验收结果1 施工方案已审批的模板工程施工方案2 基础现浇楼板3 扫地杆立杆距离楼板200mm处设置两个方向扫地杆4 钢管、扣件钢管、扣件有产品合格证、生产许可证、质量合格检测证明;进场钢管、扣件按批次检测,并有检测合格报告书5 立杆间距立杆间距符合方案设计要求,立柱接长无搭接,相邻两立柱的对接接头不在同以高度内,接头沿竖向错开的距离大于500mm,各接头中心距距主节点小于1/3步距。
6 水平拉杆除扫地杆外,每一层应设置至少两道以上的水平拉杆与四周建筑物顶牢。
7 螺杆螺杆伸出钢管顶部不大于200mm,螺杆外径与立柱钢管内径的8 剪刀撑在立杆的纵横方向上设置剪刀撑,剪刀撑与每一根立杆之间用扣件相连。
施工临时用电验收记录表
安——1 编号:
注:验收栏目内有数据的,在验收栏目内填写实测数据,无数据的用文字说明的。
施工机具验收记录表
安—2 编号:
基坑支护安全防护验收记录表
安-—3 编号:
文明施工验收记录表
落地式钢管脚手架搭设验收记录表
悬挑式脚手架验收记录表
附着式脚手架资料检查、主要技术参数记录表安-7—1 编号:
附着式脚手架(升、降)验收记录表
注:验收栏目内有数据的,在验收栏目内填写实测数据,无数据的用文字说明的。
附着式脚手架(升、降)验收记录表
安—7-2续表编号:
注:验收栏目内有数据的,在验收栏目内填写实测数据,无数据的用文字说明的。
模板工程安全验收记录表
安全防护验收记录表
塔式起重机验收记录表
安——10 编号:
注:验收栏目内有数据的,在验收栏目内填写实测数据,无数据的用文字说明的。
物料提升机井架(龙门架)验收记录表
施工电梯安装验收记录表
安-—12
编号:
悬挂式钢平台验收记录表
注:验收栏目内有数据的,在验收栏目内填写实测数据,无数据的用文字说明的.
桩工机械验收记录表
安——14
编号:
注:验收栏目内有数据的,在验收栏目内填写实测数据,无数据的用文字说明的.。
安全网架设验收单工程名称:验收位置:层至层闽建安表(五)一2序号验收内容验收情况1安全网质量必须符合GB5725-85标准。
符合要求2在首层及每隔四层设一道固定安全网,另设一道随施工高度上升的安全网。
符合要求3每道网挂设要严密,不漏挂。
符合要求4采用大于7㎜直径的尼龙绳绑扎,不准用铁丝做绑绳。
符合要求5里横杆离墙面空隙小于15㎝。
符合要求6外口比内口高出50㎝以上。
符合要求7网的水平投影应大于2.50m。
符合要求8网与下方物体表面距离≥3m。
符合要求9支撑架应有足够的强度、刚性和稳定性。
符合要求10外口每隔3m设一根支撑,座落点要稳固符合要求11网内无什物符合要求12立网高度1.20m,网要封严、绑紧、下部扎密。
符合要求验收结论:同意验收、移交使用架设组长2014年月日架子工长2014年月日施工员2014年月日安技员2014年月日工程负责人2014年月日南平市建筑工人入场安全教育试卷(钢筋工)幢号名称:姓名:成绩;一、填空题:(每格2分共50分)1、安全生产管理必须坚持、的方针。
2、人人有责,使用劳动保护用品,反对指挥,反对作业。
3、进入工地必须戴好安全帽、严禁穿鞋、鞋、或光脚上工地生产。
4、钢材及半成品等应按、分别堆放整齐,制作场地要,工作台要。
5、钢筋的调查卷杨机电源开关、不能用开关。
6、多人合运钢筋,起、落、转、停、动作要,人工上下传送不得在同一,钢筋堆放要稳当,防止倾倒和塌落。
7、绑扎立柱,墙体钢筋,不得钢筋骨架上和骨架上下。
8、在高空、深坑绑扎钢筋和安装骨架,须搭设和。
9、绑扎高层基础建筑的圈梁、挑檐、外墙、边柱钢筋应搭设或,绑扎时要挂好。
10、焊接钢筋时应戴和,并站在橡胶板或干燥木板上。
二、是非题:每题2.50分共20分(对的打“√”,错的打“×”)1、调直钢筋,卡头要卡牢,地锚要结实牢固,拉筋沿线两侧应设防护栏杆。
()2、切断小于30厘米的短钢筋,应用钳子夹牢,禁止用手把扶,并在外侧设置防护箱笼罩。
网络安全验收表1. 项目概述该网络安全验收表用于对网络系统的安全性进行全面评估并确保其满足安全要求。
通过此表的填写与确认,可以评估网络系统的安全漏洞,并采取相应的措施进行修复与改进。
2. 验收标准以下为网络安全验收的标准,根据实际情况适当调整:- 所有系统用户的身份验证机制已经实施并生效,确保只有授权用户可以访问系统。
- 网络系统已安装最新的安全补丁和更新,并定期进行更新和维护。
- 网络系统已配置防火墙和入侵检测系统,并确保其有效运行。
- 系统管理员已为网络系统设置了安全策略,并对其进行了定期的检查和监控。
- 高风险的数据和敏感信息已经加密,并设置了适当的访问控制策略。
- 网络系统的备份策略已制定,并定期进行备份测试和恢复演练。
- 网络系统的日志记录已开启,并保留一段合适的时间,以便进行安全审计。
- 网络系统已禁用不必要的服务和端口,并进行了必要的网络安全设置。
3. 验收步骤以下为网络安全验收的步骤:1. 确认网络系统的基本信息,包括系统名称、版本号和所属部门。
2. 检查网络系统的身份验证机制,验证其是否满足安全要求。
3. 检查网络系统的安全补丁和更新情况,确认是否符合最新标准。
4. 检查网络系统的防火墙和入侵检测系统的配置和运行情况,验证其有效性。
5. 检查网络系统的安全策略和访问控制策略,确保其符合安全要求。
6. 检查网络系统的数据加密和访问控制策略,确认高风险数据和敏感信息的保护措施。
7. 检查网络系统的备份策略和恢复演练情况,验证其可靠性。
8. 检查网络系统的日志记录设置,确认其合规性和完整性。
9. 检查网络系统的服务和端口设置,确保只开放必要的服务和端口。
10. 撰写网络安全验收报告,记录发现的问题和建议的改进措施。
4. 验收结果根据实际的验收情况,填写以下内容:- 验收日期:[填写日期]- 验收人员:[填写验收人员姓名]- 验收结果:[填写验收结果,如合格、不合格等]- 问题及改进措施:[填写发现的问题和建议的改进措施]5. 验收确认网络安全验收表由项目负责人进行确认,并保留于项目文档中备查。
“三宝,四口,五临边”防护验收表序号验收项目验收标准结果1 三宝安全带、安全帽、安全网符合国家标准要求,“三证一标志”齐全。
高处作业配带安全带,进入施工现场戴好安全帽,井架采用30×30纤维绳编织网,脚手架用密目式标准安全网绑扎牢固。
符合要求2 楼梯口楼梯段设置二道栏杆,上杆1.2米,下杆0.5-0.6米,横杆大于3米时,须设置三根立杆,楼梯井空间距较大应每三层设隔离防坠网(棚),所有防护栏杆必须涂黄黑相间的安全色。
符合要求3 预留洞口楼地面短边尺寸大于2.5㎝的预留洞口必须使用工具化定型化的盖板,较大的利用结构配筋网。
洞口周边设二道防护栏杆,强度符合要求,栏杆主柱间距不超过2m,每三层设置一道硬防护,并在硬防护上方1-1.5米处设安全网符合要求4 通道口底层人员进出通道口,临街建筑的外人行道,搭设牢固可靠的双层双向硬质防护棚,中间隔开0.5米,所有钢管必须涂黄黑相间的安全色。
防护棚张贴安全提示、警示标志。
符合要求5 电梯井、口电梯口必须装置搭设1.5-1.8米高固定钢筋防护栏门,并挂醒目警告标志,栏门下设置20cm踢脚板。
电梯井内随建筑物增高每三层或不大于10m设一道硬质防护,并在硬防护上方1-1.5米处设安全网。
钢筋防护栏门及踢脚板必须涂黄黑相间的安全色。
符合要求6 阳台边楼层周边屋面周边基坑过沟槽边阳台边、楼层周边设置防护栏杆,栏杆须设置三道横杆,高度1.5米、1.2米、0.6米,横杆大于3米的,应设置三根立杆,屋面周边外脚手架高出檐口1.5米,用密目网封闭,基坑边、构槽边设置二道防护栏,高度1.2米、0.6米,夜间设置红灯警示。
所有防护栏杆必须涂黄黑相间的安全色。
符合要求验收意见“三宝、四口、五临边”防护经验收,符合要求。
年月日项目负责人安全员监理工程师注:搭设防护材质必须符合使用要求,防护栏杆的上杆应能承受任何方向1000N外力,各类防护设施,应尽可能做到定型化、标准化,工具化提高防护水平。