《数控铣》实训五教案
- 格式:doc
- 大小:60.50 KB
- 文档页数:5
数控铣床教案第一篇:数控铣床教案数控铣床加工技术一、标题数控铣床加工技术二、教学目标数控铣床加工技术实训是一门结合数控编程和零件加工的综合性实践课程。
希望通过该课程的学习,培养学生的思维创新能力,通过对数控铣床的结构、分类及主要加工对象的认识,对常用数控编程指令的掌握,对基本加工工艺的理解,让学生掌握一种先进制造方法,通过实训培养学生的创新意识和实践动手能力。
三、教学内容实习内容通过介绍数控铣床的组成、分类和主要加工对象,使学生了解一种先进制造方法;通过讲解数控铣床坐标系确立的方法及常用数控程序基本指令的使用方法,让学生自行设计一个零件并完成零件的编程;通过介绍数控铣床基本加工工艺,让学生合理安排零件加工工艺;通过介绍KND100型数控铣床操作面板上的各个按键的功能及操作使用方法以及程序传输方法,让学生熟悉机床面板,完成程序从电脑到机床的传输;通过介绍对刀及零件加工方法,让学生自行完成所设计零件的加工。
重点难点:λ数控铣床主要加工对象λ工件坐标系原点的确立λ零件加工工艺的合理安排λ数控系统的功能及其操作使用方法λ零件加工时,正确的对刀方法四、教学媒体λ PPT讲解λ现场实际演示讲解五、教学形式λ集体演示与讲解、个别指导λ理论、实训六、教学方法接受式方法:讲教、讲解、讲演、演示七、教学过程(7学时)7.1数控铣床基础知识(0.5学时)(ppt教学)λ数控铣床特点加工的零件精度高生产效率高特别适合加工复杂的轮廓表面有利于实现计算机辅助制造λ数控铣床分类立式数控铣床卧式数控铣床立卧两用数控铣床λ数控铣床基本组成λ数控铣床主要加工对象数控铣床适合加工平面、斜面、外轮廓、型腔、槽、键槽、钻孔、较孔、扩孔、攻丝等。
λ数控铣床常用刀柄及刀具在数控铣床上使用的刀具主要为铣刀,包括面铣刀、立铣刀、球头铣刀、三面刃盘铣刀、环形铣刀等,除此以外还有各种孔加工刀具,如钻头(锪钻、铰刀、镗刀等)、丝锥等λ数控铣床常用夹具平口虎钳、卡盘、压板 7.2数控铣床编程基础(1学时)(ppt教学)λ数控铣床坐标系的建立。
《数控铣实训教案》word版一、教学目标1. 掌握数控铣床的基本结构及工作原理。
2. 学会数控铣床的操作方法,包括手动和自动操作。
3. 熟悉数控铣床的编程方法,包括G代码和M代码的使用。
4. 能够正确使用数控铣床进行零件加工,并掌握加工过程中的注意事项。
二、教学内容1. 数控铣床的基本结构及工作原理。
2. 数控铣床的操作方法,包括手动和自动操作。
3. 数控铣床的编程方法,包括G代码和M代码的使用。
4. 数控铣床的安全操作规程。
5. 数控铣床的常见故障及排除方法。
三、教学方法1. 理论讲解:通过PPT、视频等多媒体手段,讲解数控铣床的基本结构、工作原理、编程方法等理论知识。
2. 实践操作:学生在数控铣床上进行实际操作,熟悉操作方法,掌握加工技巧。
3. 案例分析:通过分析实际加工案例,使学生更好地理解数控铣床的应用和编程方法。
4. 问题讨论:组织学生进行问题讨论,培养学生的解决问题的能力和团队合作精神。
四、教学环境1. 教室:配备有多媒体教学设备,如投影仪、音响等。
2. 数控铣床实验室:配备有数控铣床、计算机等设备。
五、教学评价1. 平时成绩:包括课堂表现、作业完成情况等,占总成绩的30%。
2. 实操考核:学生在数控铣床上进行实际操作,考核其操作技能和加工能力,占总成绩的40%。
3. 期末考试:理论考试,考核学生对数控铣床的基本知识、编程方法等的掌握程度,占总成绩的30%。
六、教学实施1. 课时安排:本课程共计30课时,其中理论教学15课时,实践教学15课时。
2. 教学方式:采用小班授课,理论与实践相结合的方式。
3. 教学过程:a. 理论教学:讲解数控铣床的基本结构、工作原理、编程方法等理论知识。
b. 实践教学:学生在数控铣床上进行实际操作,熟悉操作方法,掌握加工技巧。
c. 案例分析:分析实际加工案例,使学生更好地理解数控铣床的应用和编程方法。
d. 问题讨论:组织学生进行问题讨论,培养学生的解决问题的能力和团队合作精神。
数控铣实训教案范文一、教学目标:1.了解数控铣床的工作原理和结构。
2.掌握数控铣床的操作方法和技巧。
3.学会使用数控编程软件进行工艺参数设定和加工程序编写。
4.能够熟练运用数控铣床进行加工操作,完成各种加工任务。
二、教学内容:1.数控铣床的基本构造和工作原理。
2.数控编程软件的使用方法。
3.数控铣床的操作方法和技巧。
4.数控铣床的常见加工任务。
三、教学重点:1.数控铣床的操作方法和技巧。
2.数控编程软件的使用方法。
3.数控铣床的常见加工任务。
四、教学难点:1.数控编程软件的使用方法。
2.数控铣床的常见加工任务。
五、教学准备:1.数控铣床设备。
2.数控编程软件。
3.加工工件和刀具。
4.教学课件和教学视频。
六、教学步骤:1.介绍数控铣床的基本构造和工作原理。
a)数控铣床的结构。
b)数控铣床的工作原理。
2.演示数控编程软件的使用方法。
a)介绍数控编程软件的界面和功能。
b)讲解数控编程的基本步骤。
c)示范如何进行加工参数设定和编写加工程序。
3.讲解数控铣床的操作方法和技巧。
a)各种操作按钮和操作面板的功能。
b)数控铣床的开机和关机程序。
c)如何进行加工工件的夹紧和定位。
d)数控铣床的手动操作和自动操作。
4.示范数控铣床的常见加工任务。
a)平面加工。
b)开槽加工。
c)孔加工。
d)轮廓加工。
5.让学生进行实操练习。
a)学生根据教师指导,自行进行数控铣床的操作和加工任务。
b)教师对学生的操作进行指导和纠正。
6.小结本节课的教学内容。
a)回顾本节课的教学重点和难点。
b)解答学生提出的问题。
c)鼓励学生继续努力,加强实操练习。
七、教学评价:1.观察学生在实操练习中的操作方法和技巧是否正确。
2.检查学生编写的加工程序和设定的工艺参数是否符合要求。
3.听取学生的问题和意见,及时进行指导和解答。
八、教学延伸:1.组织学生进行更复杂的加工任务,提高他们的操作技能和编程能力。
2.组织学生参观数控铣床的实际生产现场,了解数控铣床的实际应用和发展趋势。
数控铣实训教案教案标题:数控铣实训教案教案概述:本教案旨在为学生提供数控铣实训的基础知识和技能,使他们能够理解数控铣床的工作原理、操作方法以及相关安全措施。
通过实际操作和实训,学生将能够熟练运用数控铣床进行零件加工,并掌握数控编程和调整加工参数的技巧。
教学目标:1. 理解数控铣床的工作原理和基本组成部分。
2. 掌握数控铣床的操作方法,包括开机、关机、刀具安装、加工参数调整等。
3. 熟悉数控编程语言和代码的基本格式和规范。
4. 能够根据零件图纸进行数控编程,实现零件的精确加工。
5. 掌握数控铣床的常见故障排除方法和维护保养知识。
6. 培养学生的团队合作能力和问题解决能力。
教学内容和步骤:1. 数控铣床的工作原理和基本组成部分(理论讲解,示意图展示)。
- 数控铣床的工作原理- 数控铣床的主要组成部分:床身、工作台、主轴、刀库、控制系统等。
2. 数控铣床的操作方法(理论讲解,实操演示)。
- 开机和关机流程- 刀具的安装和调整- 加工参数的调整:进给速度、主轴转速、切削深度等3. 数控编程语言和代码的基本格式和规范(理论讲解,示例演示)。
- 常用的数控编程语言:G代码、M代码等- 编程语言的基本格式和规范- 示例演示:根据零件图纸进行数控编程4. 数控铣床的实际操作和加工实训(实操演示,学生实践)。
- 学生根据给定的零件图纸进行数控编程- 学生操作数控铣床进行零件加工- 学生调整加工参数,优化加工效果5. 数控铣床的故障排除和维护保养(理论讲解,示意图展示)。
- 常见故障及排除方法:刀具磨损、主轴异常、控制系统故障等- 数控铣床的日常维护保养知识6. 团队合作和问题解决能力培养(小组讨论,实操演练)。
- 学生分组进行实操演练,模拟实际工作环境- 学生在实践中解决实际问题,培养团队合作和问题解决能力评估方法:1. 实操表现评估:根据学生的实际操作和加工效果进行评估。
2. 编程能力评估:根据学生的数控编程能力和代码规范进行评估。
《数控铣实训教案》word版一、教学目标1. 理解数控铣床的基本原理和结构。
2. 掌握数控铣床的操作方法和技巧。
3. 学会使用数控铣床进行简单的零件加工。
二、教学内容1. 数控铣床的基本原理和结构。
2. 数控铣床的操作方法和技巧。
3. 数控铣床的安全操作规程。
4. 数控铣床的维护和保养。
5. 数控铣床加工的基本工艺。
三、教学方法1. 讲授法:讲解数控铣床的基本原理和结构,数控铣床的操作方法和技巧,数控铣床的安全操作规程,数控铣床的维护和保养,数控铣床加工的基本工艺。
2. 演示法:演示数控铣床的操作方法和技巧,数控铣床的安全操作规程,数控铣床的维护和保养。
3. 实践法:让学生亲自动手操作数控铣床,进行简单的零件加工。
四、教学准备1. 数控铣床一台,要求运行正常。
2. 数控铣床操作手册一本,要求详细。
3. 数控铣床安全操作规程一份,要求详细。
4. 数控铣床维护和保养方法一份,要求详细。
5. 简单的零件加工图纸若干份,要求详细。
五、教学过程1. 讲解数控铣床的基本原理和结构,数控铣床的操作方法和技巧,数控铣床的安全操作规程,数控铣床的维护和保养,数控铣床加工的基本工艺。
2. 演示数控铣床的操作方法和技巧,数控铣床的安全操作规程,数控铣床的维护和保养。
3. 让学生亲自动手操作数控铣床,进行简单的零件加工。
4. 教师巡回指导,纠正学生的操作错误。
5. 总结本次教学内容,布置课后作业。
六、教学评估1. 观察学生在操作数控铣床时的准确性、熟练程度和安全意识。
2. 检查学生加工的零件质量,评价其加工技巧和工艺水平。
3. 收集学生作业,评估其对数控铣床操作理论和实践知识的掌握程度。
七、教学反思1. 总结本次教学过程中的亮点和不足之处。
2. 针对不足之处,提出改进措施,以便提高教学质量。
3. 思考如何调整教学方法,以适应不同学生的学习需求。
八、课后作业1. 复习数控铣床的基本原理和结构,整理笔记。
2. 复习数控铣床的操作方法和技巧,尝试独立完成操作步骤。
《数控铣实训教案》教案编写者:教案编辑专员教学目标:1. 了解数控铣床的基本结构和原理;2. 学会数控铣床的操作方法和技巧;3. 掌握数控铣削的基本工艺和加工流程;4. 能够独立完成数控铣削加工任务。
教学内容:第一章:数控铣床概述1.1 数控铣床的定义和发展历程1.2 数控铣床的分类和结构特点1.3 数控铣床的优缺点和应用范围第二章:数控铣床的硬件组成2.1 数控铣床的硬件系统结构2.2 数控铣床的数控系统组成2.3 数控铣床的主轴和进给系统第三章:数控铣床的操作方法3.1 数控铣床的操作界面和功能3.2 数控铣床的启动和停止3.3 数控铣床的坐标系和编程方法第四章:数控铣床的编程技巧4.1 数控铣床编程的基本指令4.2 数控铣床编程的常用功能指令4.3 数控铣床编程的注意事项和技巧第五章:数控铣床的安全操作规程5.1 数控铣床的安全操作注意事项5.2 数控铣床的故障分析和排除方法5.3 数控铣床的维护和保养方法教学方法:1. 理论讲解:通过PPT、教材等资料,对数控铣床的基本概念、原理和操作方法进行讲解;2. 实践操作:安排实验室或实训基地,让学生亲自动手操作数控铣床,加深对数控铣床的理解和掌握;3. 案例分析:通过分析实际加工案例,让学生了解数控铣床在实际生产中的应用和注意事项;4. 交流互动:鼓励学生提问和分享经验,加强师生之间的沟通和交流,提高学生的学习兴趣和积极性。
教学评价:1. 平时成绩:根据学生的出勤、作业和课堂表现,评估学生的学习态度和理解能力;2. 实操考核:安排实操考试,评估学生的数控铣床操作技能和加工能力;3. 期末考试:设置理论考试,评估学生的数控铣床知识和编程能力。
教学资源:1. 教材和参考资料:提供相关的教材和参考资料,帮助学生了解数控铣床的基本知识和操作方法;2. PPT和多媒体课件:制作精美的PPT和多媒体课件,增强课堂教学的趣味性和生动性;3. 实验室和实训基地:提供实验室或实训基地,让学生亲自动手操作数控铣床,提高实践能力;4. 案例分析和实际加工任务:提供相关的案例分析和实际加工任务,让学生了解数控铣床在实际生产中的应用和注意事项。
数控铣实习教案教案标题:数控铣实习教案一、教学目标:1. 了解数控铣的基本原理和工作方式;2. 掌握数控铣机的操作方法和安全规范;3. 学习数控铣的程序编写和调试技巧;4. 能够运用数控铣机完成简单的铣削加工任务。
二、教学内容:1. 数控铣的基本原理与工作方式:介绍数控铣的结构组成,加工过程和工作原理。
2. 数控铣机的操作方法与安全规范:演示数控铣机的开机、关机和清洁维护操作;讲解使用数控铣机时需要遵循的安全规范。
3. 数控铣的程序编写与调试技巧:讲解数控铣机编程语言与代码结构,教授程序编写的基本步骤和常用指令;演示数控铣的程序调试与修改技巧。
4. 数控铣削加工任务实训:设计并指导学生完成数控铣削加工任务,如简单零件的铣削加工和曲线加工等。
三、教学方法:1. 演示法:通过演示数控铣机的操作过程和编程调试技巧,直观地展示给学生,提高学生对操作流程和步骤的理解。
2. 实践法:组织学生进行实际的铣削加工实训,让学生亲自操作数控铣机,巩固所学的知识和技能。
3. 示范法:辅导学生进行程序编写和调试的实际操作,引导学生正确掌握编程与调试技巧。
四、教学步骤:1. 引入活动:通过提问和举例介绍数控铣的应用领域和重要性,激发学生对学习的兴趣。
2. 知识讲解:介绍数控铣的基本原理和工作方式,详细解释数控铣机的结构组成和加工过程。
3. 操作演示:演示数控铣机的开机、关机和清洁维护操作,讲解使用数控铣机时的安全规范。
4. 程序编写与调试技巧讲解:讲解数控铣的程序编写语言和基本指令,教授编写程序的步骤和调试技巧。
5. 实训任务指导:设计并指导学生完成数控铣削加工任务,提供必要的支持和指导。
6. 总结与回顾:总结所学内容,回答学生提出的问题,强调数控铣实习的重要性和实用性。
五、教学评价:1. 阶段性测验:在教学过程中设置小测验,测试学生对基本原理、操作方法和程序编写技巧的掌握情况。
2. 实际操作评估:对学生的实际操作进行评估,检查学生的操作规范和安全意识。
数控铣床实训教案——数控铣床基本操作一、教学目标1. 了解数控铣床的基本结构与功能2. 掌握数控铣床的基本操作步骤3. 学会使用数控铣床进行简单零件的加工4. 培养学生的动手能力、安全意识和团队合作精神二、教学内容1. 数控铣床简介a. 数控铣床的定义b. 数控铣床的分类与特点c. 数控铣床的应用范围2. 数控铣床的基本结构a. 主机部分b. 数控系统c. 夹具与刀具d. 冷却与润滑系统3. 数控铣床的操作步骤a. 开机与关机b. 数控系统的操作界面c. 参数设置与调整d. 程序的输入与编辑e. 装夹与刀具更换f. 加工与监控g. 加工结束后的工作三、教学方法1. 讲授法:讲解数控铣床的基本概念、结构与操作步骤2. 演示法:展示数控铣床的操作过程,让学生直观地了解操作方法3. 实践法:学生分组进行操作练习,培养动手能力4. 讨论法:引导学生总结操作技巧,分享经验四、教学资源1. 数控铣床实训基地2. 数控铣床操作手册3. 安全防护用品4. 教学课件与视频五、教学评价1. 操作考核:评价学生的数控铣床操作熟练程度2. 作品评价:评估学生加工出的零件质量3. 小组评价:考察学生的团队合作精神与安全意识4. 理论知识考核:测试学生对数控铣床相关知识的掌握程度六、教学环境2. 设备要求:配置符合教学需求的数控铣床,并确保设备正常运行。
3. 安全设施:配备必要的防护装置,如安全罩、紧急停止按钮等。
4. 教学材料:准备操作手册、教学课件、视频资料等相关教学资料。
七、教学安排1. 实训时间:根据课程安排,确保每个学生有足够的时间进行实际操作练习。
2. 教学流程:理论讲解-> 操作演示-> 学生实操-> 讨论与总结-> 作品评估。
3. 教学周期:根据课程要求,安排适量的课时进行数控铣床的基本操作教学。
八、教学注意事项1. 安全教育:强调操作过程中的安全事项,如穿戴适当的个人防护装备。
2. 操作规范:指导学生按照正确的操作流程和规范进行操作,避免设备损坏和人身伤害。
数控铣床工实训教程主编主审目录安全教育项目一、FANUC 0i数控铣床编程项目二、数控铣床仿真软件应用项目三、板类零件铣削仿真加工项目四、盘类零件铣削仿真加工项目五、铣床加工—板类零件铣削项目六、铣床加工—盘类零件铣削安全及注意事项:一、数控仿真实训安全文明生产制度1、学生上机操作必须经学校同意或有关规定,由电脑管理员或计算机教师带入机房安排机号,学号按号入座练习。
2、学生在指定地点穿上专用鞋套方可进入机房,除携带规定的教科书、练习资料及教学用品外,其它的不得随意带入。
3、学生必须服从电脑管理员或计算机教师的管理和安排,遵循操作程序,遵守操作时间。
所练习的内容不能超越老师所授课的范围,如盲目操作造成机器损坏,由操作者赔偿维修费。
4、机房内严禁吸烟、喝茶、吃瓜皮糖果之类食物,严禁吐痰、乱抛纸屑,保持室内清洁。
5、机房内要保持安静,走路要轻,不得大声喧哗。
6、注意安全,不要乱动机房中的电气设备、不要乱碰电线、开关插座及接触点。
7、为防止计算机病毒,严禁将外面的磁盘带入机房内。
8、学习完毕,关掉开关,切断电源,套好套子,整理好凳子,由管理员检查后方可离去。
9、学员要爱护电脑、电气设备及课桌凳,若损坏照价赔偿。
10、工作完毕后,应将工作台擦干净,并认真填写工作日志二、实训车间安全文明生产制度1、操作者必须熟悉机床的结构,性能及传动系统,润滑部位,电气等基本知识和使用维护方法,操作者必须经过考核合格后,方可进行操作。
2、工作前要做到:(1)检查润滑系统储油部位的油量应符合规定,封闭良好。
油标、油窗、油杯、油嘴、油线、油毡、油管和分油器等应齐全完好,安装正确。
按润滑指示图表规定作人工加油,查看油窗是否来油。
(2)必须束紧服装、套袖、戴好工作帽、防护眼镜,工作时应检查各手柄位置的正确性,应使变换手柄保持在定位位置上,严禁戴围巾、手套、穿裙子、凉鞋、高跟鞋上岗操作。
工作时严禁戴手套。
(3)检查机床、导轨以及各主要滑动面,如有障碍物、工具、铁屑、杂质等,必须清理、擦拭干净、上油。
教学实施过程:一、组织教学:10分安全文明生产学习实习场地纪律学习本次实习考核办法(平时表现+平时成绩考核)介绍项目组织实施思路,讲解过程;二、知识准备10知识1、数控铣床基础知识1、机床坐标系:机床自带,确定数控机床的无能无力位移与方向,一般由开机后“回零”操作来激活。
坐标原点叫机床原点。
工件坐标系:由编程人员设定在编程和加工时使用的坐标系。
坐标原点叫工件原点。
2、对刀:找出工件原点在机床坐标系中的机床坐标。
知识2、指令介绍1、G54 G55 G56 G57 G58 G59:设定工件坐标系(用来存放对刀找出来的机床坐标值)2、G90: 绝对坐标编程G91:相对坐标编程3、M03:主轴正转;M04:主轴反转;M05:主轴停止;S 主轴功能,指定转速(r/min)4、M02:程序结束;M30:程序结束并返回程序头5、G00:定位(快速移动);G01:直线插补;F进给功能,指定进给量(mm/min)知识3、仿真系统操作启动、切削准备、对刀、程序录入、仿真。
三、任务实施20(一)任务一平面铣削1、任务描述将直径65mm长度30MM的零件端面铣平,零件图如下左图。
2、分析与解决问题:(1)工艺分析此零件为一圆钢,采用卡盘装夹,先将卡盘固定在工作台,再装夹工件。
采用直径12MM的立铣刀。
用水平往复轨迹铣削,如上图右图。
(2)程序O0001; (程序名,发那克系统程序名以字母O开头后跟四位数字,分号分行) G54 G90 M3 S800; (指定坐标系、绝对坐标编程、开主轴,转速为800mm/min) G00 X38.5 Y27.5; (快速定位至下刀点)Z100.; (参考高度)Z5.; (进给下刀位置)G01 Z-1. F100; (直线插补下刀)X-38.5;Y17.5;X38.5;G91 Y-10.; (相对坐标编程)X-77.;Y-10.;X77.;Y-10.;X-77.;Y-10.;X77.;Y-10.;G90 X-38.5; (绝对坐标编程)G00 Z100.; (快速抬刀)M05; (主轴停止)M30; (程序结束)(3)仿真讲解上海仿真系统的启动,加工准备,对刀,程序录入与执行等,再仿真出本任务。
数控铣床实训教案——自动编程一、教学目标1. 了解数控铣床的基本工作原理和功能。
2. 掌握数控铣床自动编程的基本方法和技巧。
3. 能够独立完成简单零件的数控铣削加工。
二、教学内容1. 数控铣床的基本概念和工作原理。
2. 数控铣床编程的基本方法。
3. 数控铣床操作的基本步骤。
4. 常用数控铣床编程指令及其功能。
5. 数控铣床加工工艺及参数设置。
三、教学重点与难点1. 教学重点:数控铣床的基本工作原理,数控铣床编程的基本方法,数控铣床操作的基本步骤。
2. 教学难点:数控铣床编程指令的理解和应用,数控铣床加工工艺的制定。
四、教学准备1. 设备准备:数控铣床一台,电脑一台,CAD/CAM软件一套。
2. 材料准备:数控铣床操作手册,编程实例,安全防护用品。
3. 环境准备:保持实训车间清洁、整齐,遵守安全生产规定。
五、教学过程1. 导入:介绍数控铣床的基本工作原理和功能,激发学生的学习兴趣。
2. 讲解:讲解数控铣床编程的基本方法和技巧,示例演示。
3. 实操:学生分组进行数控铣床操作,练习编程和加工。
4. 讨论:学生分组讨论数控铣床加工过程中遇到的问题,教师指导解答。
5. 总结:总结数控铣床自动编程的要点,强调注意事项。
6. 作业:布置课后作业,巩固所学知识。
7. 安全:强调实训过程中的安全事项,确保学生的人身安全和设备安全。
六、教学评价1. 学生能熟练掌握数控铣床的基本工作原理和功能。
2. 学生能理解并运用数控铣床编程的基本方法和技巧。
3. 学生能独立完成简单零件的数控铣削加工。
4. 学生能遵守安全生产规定,安全操作数控铣床。
七、教学方法与手段1. 采用讲授法,讲解数控铣床的基本工作原理和编程方法。
2. 采用演示法,展示数控铣床的操作步骤和加工过程。
3. 采用实践法,让学生亲自动手操作数控铣床,提高实际操作能力。
4. 采用分组讨论法,培养学生团队合作意识和问题解决能力。
八、教学进度安排1. 第1周:讲解数控铣床的基本工作原理和功能。
《数控铣实训教案》word版一、实训目的与要求1. 目的(1)掌握数控铣床的基本结构、工作原理及操作方法。
(2)学会使用数控铣床进行零件加工,提高动手能力和实际操作技能。
(3)培养安全生产意识和团队协作精神。
2. 要求(1)熟悉数控铣床的安全操作规程,做到安全第一。
(2)掌握数控铣床的基本操作,能独立完成简单零件的加工。
(3)了解数控铣床的维护保养知识,能对数控铣床进行日常维护。
二、实训内容与步骤1. 内容(1)数控铣床的基本结构及功能。
(2)数控铣床的操作方法。
(3)数控铣床的维护与保养。
2. 步骤(1)讲解数控铣床的基本结构及功能,包括主机、数控系统、刀库、换刀装置等。
(2)介绍数控铣床的操作方法,包括开机、关机、手动操作、程序操作等。
(3)讲解数控铣床的维护与保养,包括日常维护、定期保养、故障处理等。
三、实训过程与要求1. 过程(1)实训前期:学习数控铣床的基本知识,了解数控铣床的操作方法。
(2)实训中期:进行数控铣床的实际操作,加工简单零件。
2. 要求(1)实训前期:认真听讲,做好笔记,掌握数控铣床的基本知识。
(2)实训中期:按照指导书的要求,进行实际操作,注意安全。
四、实训评价与考核1. 评价(1)对数控铣床的基本结构及功能进行考核。
(2)对数控铣床的操作方法进行实际操作考核。
(3)对数控铣床的维护与保养知识进行考核。
2. 考核(1)期末考试:包括理论知识考试和实际操作考试。
(2)平时成绩:根据实训报告、作业完成情况、团队协作表现等进行评价。
五、实训资源与设备1. 资源(1)教材:《数控铣床操作与维护》。
(2)课件:数控铣床的基本结构、操作方法、维护保养等。
(3)网络资源:数控铣床的相关视频、案例、技术文章等。
2. 设备(1)数控铣床:用于实际操作训练。
(2)计算机:用于学习数控铣床的相关知识、编写程序等。
(3)辅助工具:如卡尺、千分尺、螺丝刀等。
六、实训安全与环保1. 安全(1)操作数控铣床时,必须佩戴好个人防护用品,如眼镜、手套、口罩等。
数控铣实训教案教案:数控铣实训一、教学内容本节课以《数控铣床操作与编程》教材为基础,主要讲解第五章第二节的内容,包括:数控铣床的基本操作、铣削刀具的选择、铣削路线的确定、程序的编写与调试等。
二、教学目标1. 使学生掌握数控铣床的基本操作方法。
2. 培养学生正确选择铣削刀具和确定铣削路线的能力。
3. 引导学生掌握数控程序的编写与调试技巧。
三、教学难点与重点1. 重点:数控铣床的基本操作、铣削刀具的选择、铣削路线的确定。
2. 难点:数控程序的编写与调试。
四、教具与学具准备1. 教具:数控铣床、铣削刀具、示教棒。
2. 学具:教材、笔记本、画图工具。
五、教学过程1. 实践情景引入:介绍数控铣床在现代制造业中的应用,激发学生学习兴趣。
2. 知识讲解:讲解数控铣床的基本操作、铣削刀具的选择、铣削路线的确定。
3. 示例演示:教师操作数控铣床,展示铣削过程,引导学生理解操作要领。
4. 学生实践:分组进行数控铣床操作,教师巡回指导,纠正错误操作。
5. 程序编写与调试:学生根据给定图形,编写数控程序,并进行调试。
6. 随堂练习:学生自主完成一定难度的数控铣削任务,巩固所学知识。
六、板书设计1. 数控铣床基本操作流程开动机床 > 装夹工件 > 选择刀具 > 设置坐标系 > 编写程序 > 调试程序 > 开始铣削2. 铣削刀具选择要点刀具类型 > 刀具尺寸 > 刀具材质 > 工件材料3. 铣削路线确定原则避免碰撞 > 提高加工效率 > 保证加工质量七、作业设计1. 作业题目:编写一段数控程序,实现正方形加工。
2. 答案:G90 G40 G17 G21 (X0 Y0) Z5 F100 (X10 Y10) Z0F100八、课后反思及拓展延伸1. 反思:本节课学生掌握了数控铣床的基本操作,但在程序编写与调试方面仍需加强。
2. 拓展延伸:介绍数控铣床在其他领域的应用,如航空、汽车等。
《数控铣实训教案》第一章:数控铣床概述1.1 数控铣床的定义1.2 数控铣床的分类1.3 数控铣床的主要组成部分1.4 数控铣床的优点与应用范围第二章:数控铣床的操作与维护2.1 数控铣床的操作步骤2.2 数控铣床的安全操作规程2.3 数控铣床的日常维护与保养2.4 数控铣床的故障诊断与排除第三章:数控铣床编程基础3.1 数控编程的基本概念3.2 数控编程的常用指令3.3 数控编程的格式与方法3.4 数控编程的注意事项与技巧第四章:数控铣床加工工艺4.1 数控铣床加工工艺的基本原则4.2 数控铣床加工路径的规划与选择4.3 数控铣床加工参数的选择与优化4.4 数控铣床加工中的刀具补偿与对刀第五章:典型数控铣床加工案例分析5.1 案例一:平面加工5.2 案例二:孔加工5.3 案例三:型腔加工5.4 案例四:复杂零件加工第六章:数控铣床编程高级应用6.1 用户宏程序的编写与应用6.2 子程序的调用与嵌套6.3 刀具半径补偿的编程与实现6.4 加工中心的编程与操作第七章:数控铣床仿真与加工实验7.1 数控铣床仿真软件的使用方法7.2 数控铣床仿真加工的步骤与技巧7.3 数控铣床实际加工操作演练7.4 数控铣床加工质量的检验与评估第八章:数控铣床加工中的工艺问题与解决方案8.1 加工中的切削参数选择与优化8.2 加工中的切削液选用与应用8.3 加工中的刀具磨损与更换8.4 加工中的振动与噪音控制第九章:数控铣床安全生产与质量管理9.1 数控铣床安全生产的基本要求9.2 数控铣床安全生产的操作规范9.3 数控铣床质量管理的内涵与方法9.4 数控铣床质量控制体系的建立与实施第十章:数控铣床技术发展趋势与展望10.1 数控铣床技术的国内外发展现状10.2 数控铣床技术的发展趋势分析10.3 数控铣床在制造业中的应用前景10.4 数控铣床技术发展的挑战与应对策略重点和难点解析一、数控铣床的定义和分类:重点关注数控铣床的基本概念和分类,理解数控铣床与传统铣床的区别,以及不同类型数控铣床的特点和应用场景。
一、教学目标1. 掌握数控铣床的基本结构及功能。
2. 学会数控铣床的各种基本操作,包括上料、装夹、编程、加工等。
3. 了解数控铣床的安全操作规程。
4. 能够独立完成简单零件的数控铣削加工。
二、教学内容1. 数控铣床概述数控铣床的定义数控铣床的分类数控铣床的优缺点2. 数控铣床的基本结构主机部分数控系统伺服系统刀库与刀具3. 数控铣床的基本操作开机与关机手动操作自动运行故障排除4. 数控铣床编程基础数控编程的概念数控编程的基本指令编程实例5. 数控铣床的安全操作规程一般安全规程特殊安全规程紧急情况处理三、教学方法1. 理论讲解:通过PPT、视频等辅助工具,讲解数控铣床的基本概念、结构、编程等方面的知识。
2. 实操演示:操作数控铣床,展示各种基本操作及加工过程。
3. 学生实操:学生分组进行数控铣床操作,练习编程及加工。
4. 讨论与问答:引导学生主动思考,解答学生在学习过程中遇到的问题。
四、教学资源1. 数控铣床实训室:提供足够的数控铣床设备,保证学生能够进行实操练习。
2. PPT、视频等教学课件:帮助学生更好地理解数控铣床的相关知识。
3. 数控铣床操作手册:为学生提供详细的操作指南。
五、教学评价1. 理论知识考核:通过笔试或口试方式,检验学生对数控铣床基本知识的掌握程度。
2. 实操能力考核:观察学生在数控铣床操作过程中的熟练程度,评估其实操能力。
3. 综合能力考核:结合学生的理论知识、实操能力及课堂表现,对其综合能力进行评价。
六、教学安排1. 课时:共计40课时,其中理论讲解20课时,实操练习20课时。
2. 教学进度安排:第1-10课时:数控铣床概述、基本结构及功能(理论)第11-20课时:数控铣床的基本操作、编程基础(理论+实操)第21-30课时:数控铣床的安全操作规程、故障排除(理论+实操)第31-40课时:综合练习、考核(理论+实操)七、教学注意事项1. 确保学生掌握数控铣床的基本操作及编程知识,为其后续深入学习打下基础。
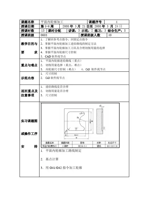
《数控加工技术》实训教案
机械教研组
数铣部分
任务和目的
学习数控铣床的编程和操作加工,通过该门课程的学习,要求学生能够独立地完成典型零件的工艺处理、数值计算,以及编制出合理的加工程序,并能完成操作加工。
(总学时:36)
实训五铣削加工-典型零件编程与加工(课
时:6)
教学目的要求:
通过典型零件编程与加工,进一步熟悉和掌握HNC-21M数控系统常用指令的编程与加工工艺,加深对数控铣床工作原理的了解;
重点难点:
数控铣床编程中数值的计算以及工艺分析。
教学进程(含教学内容、学时分配、教学方法、辅助手段)
数控铣床的主要加工对象为平面类零件、箱体类零件和曲面类零件,还能进行数控钻、镗、锪、铰及攻螺纹等孔加工操作。
由于数控铣床没有刀库,不具有自动换刀功能,所以其加工程序的编制比较简单;通常数值计算量不大的平面轮廓加工程序或孔加工程序可直接通过手工编程完成。
举例:
典型零件编程(理论学时:2)
⑴图样分析
⑵工艺分析
⑶数值计算
⑷程序的编制
%0001
N01 T01M06(Ф12立铣刀)
N02 G54G90G40G49 N03 M03S1000
N04 G0X-65Y60
N05 G43H01Z10
N06 M08
N07 G01Z-3F300
N08 Y-40.49
N09 X-55
N10 Y40.49
N11 X-45
N12 Y-40.49
N13 X-40.49 N14 Y-36
N15 X-24
N16 Y-30
N17 X-40.49
N18 Y30
N19 X-24
N20 Y36
N21 X-40.49
N22 Y40.49
N23 X60
N24 Y-40.49
N25 X50
N26 Y40.49
N27 X44
N28 Y-40.49
N29 X40.49
N30 Y-36
N31 X24
N32 Y-30
N33 X40.49
N34 Y30
N35 X24
N36 Y36
N37 X40.49
N38 Y40.49
N39 G0Z10
N40 X40.49Y-40.49
N41 G01Z-3F100
N42 X-40.49
N43 X-62Y-46.8
N44 X62
N45 G0Z10
N46 Y46.8
N47 G01Z-3
N48 X-62
N49 G0Z10
N50 G0X-50Y0
N51 G01Z-3F300
N52 G41D01Y7
N53 G01X-34.293
N54 M98P1012
N55 G68X0Y0P-90 N56 M98P1012
N57 G68X0Y0P-180 N58 M98P1012
N59 G68X0Y0P-270 N60M98P1012
N61 G69
N62 G02X35Y0R35 N63 G01G40X50
N64 G49G0Z100
N65 M09
N66 M05
N67 T02M06(Ф2.5中心钻)
N68 M03S1800 N69 G00X-50Y25
N70 G43H03Z20
N71 M08
N72
G99G81R5Z-4.5F200
N73 M98P1013
N74 G0X0Y0
N75
G99G81R5Z-4.5F200
N76 G49G0Z100
N77 M09
N78 M05
N79 T03M06(Ф10钻
头)
N80 M03S1500
N81 G00X-50Y25
N82 G43H03Z20
N83 M08
N84
G99G83R5Q-3K2Z-2
5
N85 M98P1013
N86 G0X0Y0
N87
G99G83R5Q-3K2Z-2
5
N88 G49G0Z100
N89 M09
N90 M05
N91 T04M06(Ф11.8
钻头)
N92 M03S1500
N93 G00X0Y0
N94 G43H04Z20
N95 M08
N96
G99G81R5Z-25F150
N97 G49G0Z100
N98 M09
N99 M05
N100T05M06(Ф12
H铰刀)
N101M03S350
N102 G00X0Y0
N103 G43H05Z20
N104 M08
N105
G99G85R5Z-25F80
N106 G49G0Z100
N107 M09
N108 M05
N109M30
%1012
N01 G01X-34.293Y-7 N02 X-20
N03 G03Y7R7
N04 G01X-34.293
N05
G02X-32.62Y12.67R 35
N06 G03X-12.67Y32.62R
50
N07
G02X-7Y34.293R35
N08 M99
%1013
X50
Y-25
X-50
M99
典型零件的校验与加工(实训学时:4)
本次课思考题
1.零件加工设备的概述(系统名称、机床型号)。
2.零件加工过程的概述(零件图、刀具轨迹、加工程序)。
3.根据本次实训,总结数控铣床加工零件的全过程。
主要参考资料:
HNC-21M数控系统操作说明书。