模板安装工程检验批质量验收记录表
- 格式:docx
- 大小:23.94 KB
- 文档页数:2
模板、支架和拱架安装检验批质量验收记录填写模板范本1. 项目概述为确保模板、支架和拱架安装工程质量,特制定此检验验收记录,对安装工程进行检验验收。
本文档详细记录了模板、支架和拱架安装过程中的质量验收记录,以确保工程符合相关规范和标准。
2. 安装基本信息•工程名称:[工程名称]•工程地点:[工程地点]•施工单位:[施工单位]•质检单位:[质检单位]•施工时间:[施工时间]•质检时间:[质检时间]3. 检验内容3.1. 模板安装质量验收模板安装过程中需检验以下内容:•模板材料的合格证明和检验报告•模板安装是否符合设计要求•模板的固定性和稳定性•模板的表面是否光滑平整•模板接缝是否严密3.2. 支架安装质量验收支架安装过程中需检验以下内容:•支架的材质和型号是否符合设计和规范要求•支架的平整度和垂直度是否满足要求•支架的固定性和稳定性•支架的连接件和钢板是否齐全,并符合要求3.3. 拱架安装质量验收拱架安装过程中需检验以下内容:•拱架的材质和型号是否符合设计和规范要求•拱架的尺寸和位置是否符合设计要求•拱架的焊接质量是否合格•拱架的连接件和螺栓是否齐全,并符合要求4. 检验结果记录4.1. 模板安装检验结果记录以下为模板安装的检验结果记录表:序号检验项目标准要求实际验收情况备注1 模板材料合格证明和检验报告- - -2 模板安装是否符合设计要求- - -3 模板固定性和稳定性- - -4 模板表面是否光滑平整- - -5 模板接缝是否严密- - -4.2. 支架安装检验结果记录以下为支架安装的检验结果记录表:序号检验项目标准要求实际验收情况备注1 支架材料和型号是否符合要求- - -2 支架平整度和垂直度是否满足要求- - -3 支架固定性和稳定性- - -4 支架连接件是否齐全- - -4.3. 拱架安装检验结果记录以下为拱架安装的检验结果记录表:序号检验项目标准要求实际验收情况备注1 拱架材料和型号是否符合要求- - -2 拱架尺寸和位置是否符合要求- - -3 拱架焊接质量是否合格- - -4 拱架连接件是否齐全- - -5. 结论经过质检单位对模板、支架和拱架安装工程的检验验收,现结论如下:•模板安装检验结果:合格 / 不合格•支架安装检验结果:合格 / 不合格•拱架安装检验结果:合格 / 不合格如有不合格现象,请施工单位及时整改,并重新申请验收。
模板安装工程检验批质量验收记录表
模板安装工程检验批质量验收记录表
模板安装工程检验批质量验收记录表
模板安装工程检验批质量验收记录表
模板安装工程检验批质量验收记录表
模板安装工程检验批质量验收记录表
模板安装工程检验批质量验收记录表
模板安装工程检验批质量验收记录表
模板安装工程检验批质量验收记录表
模板安装工程检验批质量验收记录表
模板安装工程检验批质量验收记录表
模板安装工程检验批质量验收记录表
模板安装工程检验批质量验收记录表。
工程检验批质量验收记录表51. 引言工程检验批质量验收记录表5是用于记录工程项目中的第五批次检验和验收过程的质量相关信息。
本文档将详细介绍记录表的填写要求和相关注意事项。
2. 检验批基本信息2.1 项目名称填写工程项目的名称。
2.2 批次编号填写本次检验批的编号。
2.3 检验日期填写检验完成的日期。
3. 检验内容在表格中按照要求填写本次检验批的检验内容,并标明具体的验收标准。
检验内容验收标准部位1 标准1部位2 标准2……部位n 标准n4. 检验结果根据实际检验情况,填写本次检验的结果。
4.1 合格填写合格的检验项数目。
4.2 不合格填写不合格的检验项数目。
4.3 未验收填写未验收的检验项数目。
5. 不合格情况记录对于不合格的检验项,按照以下要求进行记录。
5.1 不合格部位填写不合格的具体部位。
5.2 不合格描述对不合格部位进行详细描述。
5.3 处理措施填写针对不合格部位所采取的处理措施。
5.4 责任追究填写对于不合格部位责任的追究情况。
6. 验收意见根据本次检验批的结果,填写相关的验收意见。
6.1 合格率计算本次检验批的合格率。
6.2 验收结论根据合格率,填写本次检验批的验收结论。
7. 附件如有必要,可以在此处列出附件的名称和相关信息。
8. 签名8.1 项目负责人填写项目负责人的姓名和日期。
8.2 监理工程师填写监理工程师的姓名和日期。
8.3 施工单位负责人填写施工单位负责人的姓名和日期。
9. 结束语工程检验批质量验收记录表5是确保工程项目质量的关键文档之一。
通过按照本文档的要求填写记录表,可以有效记录和管理工程项目的检验和验收过程,促进工程质量的提升和控制。
注意:本文档仅为示例,实际填写工程检验批质量验收记录表5时,请根据具体项目的要求进行相应的调整和修改。
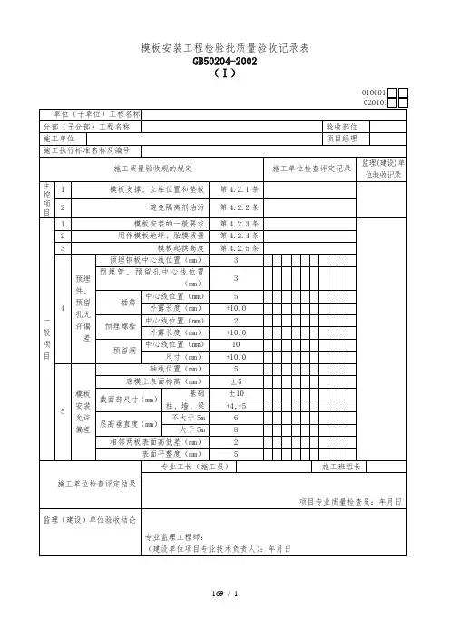
A段三层顶板、梁、楼梯12345678910
1 4.2.1条
2 4.2.2条12345678910
1 4.2.3条
2 4.2.4条
3 4.2.5条--一般项目模板及其支架强度、承受荷载
的承载能力规范规定
规范规定
分包单位主控项目涂刷隔离剂 --项目经理专业工长混凝土结构工程施工质量验收规范GB50204-2002----
模板接缝、涂刷隔离剂、表面
清理、清水混凝土和装饰混凝
土外观质量用作模板的地坪、胎模表面质
量≥4m的现浇钢筋混凝土梁、板
起拱高度模板安装工程检验批质量验收记录(表一)
工程名称
施工单位
施工执行标准名
称及编号
验收部位√
施工班组
长
√
√
监理(建设)单位
验收记录√
施工单位检查评定记录
√
分包项目经理施工单位检查评定记录。
附录E铝合金模板安装工程检验批质量验收记录表表E铝合金模板安装工程检验批质量验收记录表单位(子单位)工程名称分项工程名称验收部位总承包施工单位项目负责人专业承包施工单位项目负责人施工执行标准名称及编号本规程第6章的规定施工单位检查评定记录监理(建设)单位验收记录主控项目1安装现浇结构的上层模板及其支架时,下层楼板应具有承受上层荷载的承载力,或加设支架;上、下层支架的立柱应对准,并铺设垫板申请人2涂刷脱模剂时,不得沾污钢筋和混凝土接槎处3可调钢支撑等支架的规格、间距、垂直度、插销直径等是否符合要求4销钉、背楞、对拉螺栓、定位撑条、承接模板和斜撑的预埋螺栓等的数量、位置是否符合要求一般项目1模板安装的拼缝应平整、严密,不应漏浆2模板与混凝土的接触面应清理干净并涂刷脱模剂3浇筑混凝土前,模板内的杂物应清理干净734模板起拱高度当设计要求时按设计要求,设计无要求时按跨度的1‰~3‰5预埋件、预留孔、预留洞偏差预埋管、预留孔中心线位置3mm预埋螺栓中心线位置2mm尺寸+10,0mm预留洞中心线位置10mm尺寸+10,0mm6模板安装允许偏差模板垂直度5mm梁侧、墙、柱模板平整度3mm墙、柱、梁模板轴线位置3mm底模上表面标高±5mm截面内部尺寸柱、墙、梁+4,-5mm单跨楼板模板的长宽尺寸累计误差±5mm相邻模板表面高低差1.5mm相邻模板拼接缝隙宽度≤1.5mm7早拆模板支撑允许偏差支撑立杆垂直度≤层高的1/300支撑立杆定位偏差≤15mm74施工单位检查评定结果专业工长(施工员)施工班组长项目专业质量检查员:年月日监理(建设)单位验收结论专业监理工程师:(建设单位项目专业技术负责人)年月日注:本表由专业质检员填写,施工单位保存。
75。
5.10.1现浇混凝土模板安装工程检验批质量验收记录(共17页)--本页仅作为文档封面,使用时请直接删除即可----内页可以根据需求调整合适字体及大小--挡土墙现浇混凝土模板安装分项工程报审、报验表工程名称:矿业公司白马铁矿4#矿石破碎站建设工程项目编号:注:本表一式份,由承包单位填报,建设单位、项目监理机构、承包单位各一份。
表5.10.1 现浇混凝土模板安装工程检验批质量验收记录工程名称:矿业公司白马铁矿4#矿石破碎站建设工程项目编号:表5.10.1 现浇混凝土模板安装工程检验批质量验收记录(续表)工程名称:矿业公司白马铁矿4#矿石破碎站建设工程项目编号:注:L 为长度。
表5.10.1 现浇混凝土模板安装工程检验批质量验收记录工程名称:矿业公司白马铁矿4#矿石破碎站建设工程项目编号:表5.10.1 现浇混凝土模板安装工程检验批质量验收记录(续表)工程名称:矿业公司白马铁矿4#矿石破碎站建设工程项目编号:注:L 为长度。
表5.10.1 现浇混凝土模板安装工程检验批质量验收记录工程名称:矿业公司白马铁矿4#矿石破碎站建设工程项目编号:表5.10.1 现浇混凝土模板安装工程检验批质量验收记录(续表)工程名称:矿业公司白马铁矿4#矿石破碎站建设工程项目编号:注:L 为长度。
表5.10.1 现浇混凝土模板安装工程检验批质量验收记录工程名称:矿业公司白马铁矿4#矿石破碎站建设工程项目编号:表5.10.1 现浇混凝土模板安装工程检验批质量验收记录(续表)工程名称:矿业公司白马铁矿4#矿石破碎站建设工程项目编号:注:L 为长度。
表5.10.1 现浇混凝土模板安装工程检验批质量验收记录工程名称:矿业公司白马铁矿4#矿石破碎站建设工程项目编号:表5.10.1 现浇混凝土模板安装工程检验批质量验收记录(续表)工程名称:矿业公司白马铁矿4#矿石破碎站建设工程项目编号:注:L 为长度。
表5.10.1 现浇混凝土模板安装工程检验批质量验收记录工程名称:矿业公司白马铁矿4#矿石破碎站建设工程项目编号:表5.10.1 现浇混凝土模板安装工程检验批质量验收记录(续表)工程名称:矿业公司白马铁矿4#矿石破碎站建设工程项目编号:注:L 为长度。