盾构洞门凿除
- 格式:doc
- 大小:96.50 KB
- 文档页数:9
南 京 地 铁 工 程
承包单位:中国建筑股份有限公司 合同号:D10-TA06-0000 -1107 监理单位:江苏建科建设监理有限公司 编 号:A3.11-(2012)-002
技术交底记录 A3.11
工程名称 南京地铁十号线土建工程D10-TA06标
交底部位
城西路站~凤凰大街站区间
工序名称
盾构始发洞门凿除及密封
交底提要:
盾构始发前,需对城西路站东端始发井洞门部分的800mm 厚地下连续墙进行凿除,现将洞门凿除及密封进行施工技术交底。
交底内容: 一、洞门凿除
为确保围护结构的稳定,施工前先进行洞门水平超前探孔6m ,确定洞门6m 范围内搅拌加固满足设计要求。
凿除施工前先在端墙上按设计尺寸画出洞门轮廓线,将洞门分为4块(如图)。
按先上后下、先中间后两边的顺序进行凿除,凿除顺序如图所示。
施工时需在洞门口搭设钢管脚手架,采用人工手持风镐进行破除。
整个作业过程中,由专职安全员进行全过程的监督,杜绝安全事故发生,确保人生安全。
洞门破除顺序示意图 洞门破除示意图
二、洞门密封
由于洞口与盾构存在建筑空隙,易造成泥水流失,从而引起地表沉降,因此,盾构正式始发前须在洞口安装洞口密封装置。
待破除洞门
盾构
脚手架
南京地铁工程
承包单位:中国建筑股份有限公司合同号:D10-TA06-0000 -1107 监理单位:江苏建科建设监理有限公司编号:
技术交底签认表。
施工技术交底记录编号:表B2交底时间年月日工程名称武汉市轨道交通8号线一期工程土建部分BT项目一标段交底提要:本次为盾构始发洞门凿除施工技术交底。
交底内容:一、工程概况1、三金潭车辆段站至宏图大道站盾构区间,从三金潭车辆段站南端始发,最后到达终点站宏图大道站。
2、因盾构进出洞洞门外土体多为软弱含水的土层(3-4)淤泥质粉质黏土Q4al 、、(3-5)粉质黏土、(7-1) 黏土Q3al+p1,始发洞门区域采取Φ800@500mm三重高压旋喷桩加固,改变端头土层土体性质,避免始发前方土体坍塌;洞门采用800mm钢筋混泥土地连墙制作。
二、工艺流程施工准备搭设脚手架凿除地下连续墙背土侧保护层切除地下连续墙背土侧钢筋凿除地下连续墙中间混凝土图1 洞门凿除工艺流程示意图 三、施工准备 1、端头加固三金潭车辆段站盾构始发端头土体加固采用Φ800@500mm 三重管法高压旋喷桩加固,加固范围为隧道结构外左右3m ,隧道顶底板上3m ,下3m ,线性方向9m 。
土体加固后对土体的加固效果进行检查,检查内容包括加固土体强度、 洞门处渗透性以及土体的匀质性,检查合格,方可凿除。
2、水平探孔洞门前方土体已经进行了高压旋喷桩加固,但不能完全排除无加固盲区、渗水通道的可能性。
前期已经沿垂直洞门方向进行了水平探孔检查,水平探孔工钻孔5口,水平探孔穿过地下连续墙,进入加固体2m (水平探孔示意图见图2)。
未发现承压水渗水通道,但为确保凿除施工安全实施,洞门凿除施工前必须将水平探水孔的闸阀全部打开,并随时观察渗水变化情况。
80闸阀连续墙加固土体50钻孔20泄压阀兼注浆孔80钻孔棉纱膨胀螺栓切除地下连续墙迎土侧钢筋凿除地下连续墙迎土侧保护层图2 水平探孔施工平面示意图3、帘布橡胶板保护对洞门下半圆帘布橡胶板进行保护,首先在下半圆帘布橡胶板上铺设木板并进行固定,后采用5mm帆布从洞门腰部以上自上而下整体进行覆盖,防止在洞门凿除过程中掉落渣土损坏并污染帘布橡胶板。
目录一、编制说明 (1)二、工程概况 (2)三、洞门凿除设计方案 (3)四、洞门凿除施工方法 (4)五、安全施工措施 (7)六、文明施工保证措施 (8)一、编制说明洞门凿除是盾构进、出洞的关键工序之一,其施工的质量、安全等因素影响到了盾构施工能否顺利进行。
虽然,洞门凿除工序简单,但其安全隐患较多、难度较大,凿出时经常会发生沙涌、涌水等现象。
盾构始发井围护结构采用地下地连墙,墙厚1000mm,凿除难度较大。
始发井端头处采用2排C15混凝土Φ1500@1100mm钻孔咬合桩(桩长26228mm)进行加固。
待端头加固完成后方进行洞门凿除施工。
始发井端头加固平面布置图二、工程地质概况隧道范围内地层主要为第四系全新统新近沉积层(Q4si)、第Ⅰ陆相层(Q4al)、第Ⅰ海相层(Q4m)、第Ⅱ陆相层(Q4al)、第Ⅲ陆相层(Q3al)、第Ⅱ海相层(Q3m)、第Ⅳ陆相层(Q3al)、第Ⅲ海相层(Q3m)、第Ⅴ陆相层(Q3al);表层覆盖第四系全新统人工堆积层(Q4ml)。
岩性主要为黏性土、淤泥质土、粉土、粉砂及细砂。
1.77~-1.45m)。
潜水主要依靠大气降水入渗和地表水体入渗补给,水位具有明显的丰、枯水期变化,受季节影响明显。
微承压水以冲积层⑤21粉质黏土、⑤11黏土为相对隔水顶板。
⑤、⑥31粉土、⑤43、⑥43、⑥54细砂为主要含水地层,含水层厚度较31大,分布相对稳定。
勘测期间对微承压水进行了稳定水位观测,稳定水位埋深约为3.73~7.85m(高程为-4.55~-1.17m)。
其承压水头为隔水板到稳定水位隔离。
根据《岩土工程勘察规范》(GB50021-2001),经取样化验,地下水腐蚀性如下:1、潜水的腐蚀性该段潜水对结构具硫酸盐侵蚀,环境作用等级为H2。
2、微承压水的腐蚀性该段第一层微承压水对混凝土结构具硫酸盐侵蚀,环境作用等级为H2。
三、洞门凿除设计方案洞门围护结构地下连续墙凿除前应打水平探孔,探孔主要分布在盾构范围边缘处,上半圆布置孔数宜少,下半圆孔数宜多,孔深不宜过深,穿透地下连续墙即可,以便确认地下连续墙与咬合桩之间的隔水情况,若发生透水现象,需采取封堵加固等措施,确保始发时无地下水作业。
隧道工程洞门凿除应急预案1、预防措施盾构始发、到达端头采用三重管高压旋喷加固,加固体强度较高,正面土体稳定性较好,其主要的风险点在于加固体与车站围护结构的外侧表面结合不好及加固体之间的密实度未达到施工要求。
如果出现上述情况,则洞门破除时很容易产生土体失稳现象,故在洞门破除前要做好预防措施:(1)加固体抽芯检测盾构端头抽芯检测桩数取总数的1%,且不少于3根。
依据抽芯的结果对盾构端头加固的效果进行评价,若质量达不到要求,则对加固体进行补充加固。
(2)洞门水平观察孔洞门破除前15~20天,对洞门区域进行抽芯试验和通过水平观察孔来检测盾构端头的加固效果,主要是观察正面土体的含水量及土体的加固强度等。
通过水平观察孔观察,计算土体的渗水量与设计值比较评定渗水情况。
(3)抢险物资储备破除洞门前,准备好注浆泵及相关的应急抢险物资(水泥、沙子、编织袋、木方、木板和棉被等),一旦洞门漏砂、漏水或塌陷则立即注浆止水,同时采用砂袋、棉被等进行封堵。
(4)紧急安全通道利用盾构井后方的明挖车站结构设置破除洞门时的紧急安全通道,在施工期间,严禁任何人员和物品堵塞通道。
(5)破除洞门时间盾构始发前的洞门破除工作,必须是在盾构机验收合格后盾构施工成员全部工作准备就绪后才能进行。
2、在凿除过程中,现场准备一台双液注浆机及水泥、水玻璃、砂子等材料,洞门渗漏含砂量大时立即进行注浆封堵。
3、做好渗漏水的抽排准备,利用现有的竖井防洪排污泵。
4、保持竖井上下楼梯畅通,一旦发生险情,确保人员安全撤离。
5、少量土体塌落洞门破除过程中,由于机械破除时产生的震动等原因不可避免的有砂石掉落的现象。
如果掉落砂石的量在控制范围内,不影响正常的施工,也不会对设备和人员构成安全风险,则可将砂石清理后继续施工,需要时可派专人在旁观测土体状况一旦发生危险即使通知施工人员撤离。
6、大量土体塌落若因端头加固效果不好或施工不当等,造成洞口土体大量塌落时,应立即停止施工,并组织施工人员使用注浆泵对塌落初的土体进行注浆封堵,直到封堵完毕后方可进行下一步施工。
盾构洞门破除施工工艺3.3.1作业内容洞门破除是盾构在始发或到达前进行的洞门端头围护结构凿除的施工准备工作。
3.3.2质量标准及验收方法1.在破除盾构洞门之前首先要对洞门的地层进行勘测。
2.结合勘测结果和盾构洞门的加固方法制定洞门破除的施工方案。
3.按照施工方案施工。
整个施工一般分两次进行,第一次先将围护结构主体凿除,只保留- 207 -207- 208 - 端头加固场地准备人员进场洞门破除破除至最后一层钢筋网维护结构的钢筋保护层,在盾构始发前或盾构出洞前前将保护层混凝土凿除。
在凿除完最后一层混凝土之后,要及时检查始发洞口的净空尺寸,确保没有钢筋、混凝土侵入设计轮廓范围之内。
3.3.3工序步骤及质量控制说明1.围护桩凿除施工以人工风镐方式进行。
三把风镐同时作业,风源以 12m3/min内燃空压机提供。
施工组织采取两班制,连续作业,每班 6 人(其中包括一名空压机管理员)。
2.为避免脚手架与凿除施工的相互干扰并保证施工安全,洞门凿除时分四区依序进行,分区如图 1 所示。
Ⅰ区为洞门下部围护桩外侧,Ⅱ区为洞门顶部围护桩,Ⅲ区为洞门上部围护桩,Ⅳ区为洞门下部剩余围护桩。
凿除顺序为:Ⅰ区→Ⅱ区→Ⅲ区→Ⅳ区。
如图3.3.3-1。
图 3.3.3-1 洞门围护桩凿除顺序示意图3.人员进场后,首先全面检查施工影响范围内的脚手架连接情况,进一步紧固脚手架连接螺栓,保证脚手架稳固。
洞门凿除施工在现有的脚手架空隙处进行。
在需要时,以人行踏板搭设工作平台。
4.洞门凿除施工时,不能把所有的钢筋和混凝土全部除掉,应保留围护结构的最后一层钢筋和钢筋保护层,待盾构刀盘到达之后再割除最后一层钢筋网,不能直接暴露出土体。
5.洞门凿除与清碴同步进行,产生的混凝土碎碴及时清理并装入编织带中。
将编织带整齐的堆砌在洞门附近底板两侧。
3.3.4工艺流程图不合格合格图 3.3.4-1 洞门破除工艺流程框图地层勘测2083.3.5施工机械及工艺装备3.3.5-1 主要施工机具配备表3.3.6作业组织3.3.5-2 主要施工人员配置表3.3.7安全生产及环境保护1)施工人员进入施工场地必须严格遵守安全规定,遵守相关技术人员的现场管理。
目录一、编制说明 (1)二、工程概况 (1)2.1 文华路站~三坝村站区间 (1)2.1.1始发端头 (1)2.2.2接收端头 (2)2.2 文华路站~丰潭路站区间 (2)2.1.1始发端头 (2)2.2.2接收端头 (2)三、施工筹划 (3)四、工程地质 (4)五、水平注浆 (5)5.1水平注浆施工方法 (5)5.2注浆过程 (6)5.3注浆要求 (6)5.4注浆材料 (6)5.5注浆设备 (6)5.6注浆人员 (7)六、洞门凿除施工部署 (7)七、洞门凿除 (7)7.1凿除施工方法 (7)7.1.1第一次洞门凿除 (7)7.1.2第二次洞门凿除 (8)7.2凿除施工过程 (8)7.2.1脚手架搭设 (8)7.2.2水平探孔施工及土体加固状况观察 (10)7.2.3洞门凿除作业顺序 (10)7.3凿除机具 (10)7.4凿除人员 (10)八、安全施工措施 (10)九、文明施工保证措施 (12)一、编制说明洞门凿除是盾构进、出洞的关键工序之一,其施工的质量、安全等因素影响到了盾构施工能否顺利进行,虽然,洞门凿除工序简单,但其安全隐患较多、难度较大,凿除时经常会发生涌水、涌泥等现象。
盾构始发、接收井围护结构采用地下地连墙,其中丰潭路站接收端头、文华路站接收、始发端头、三坝村站始发端头墙厚均为800 mm。
三坝村站始发端头、文华路站始发、接收端头采用三轴搅拌桩和高压旋喷桩相结合进行加固,文华路站始发端头完成时间是2015年11月27日,文华路站接收端头完成时间是2015年12月7日,三坝村站始发端头完成时间是2016年1月11日。
以上端头取芯检测加固土体无侧限抗压强度均大于1MPa,满足设计要求。
丰潭路站接收端头因无作业场地及原设计盾构接收安全性不满足要求,专家意见(见附件1)为采用水平冷冻进行加固,加固长度12m。
待端头冻结完成并达到接收验收条件方可进行洞门凿除施工。
二、工程概况杭州地铁2号线二期工程SG2-20标位于杭州市西湖区,线路由位于文二西路的丰潭路站向西布设,在文二西路与古墩路口转向北布置。
目录一、编制说明 (1)二、工程地质及水文地质概况 (2)三、洞门凿除设计方案 (3)四、洞门凿除施工方法 (4)五、安全施工措施 (7)六、文明施工保证措施 (8)一、编制说明洞门凿除是盾构进、出洞的关键工序之一,其施工的质量、安全等因素影响到了盾构施工能否顺利进行。
虽然,洞门凿除工序简单,但其安全隐患较多、难度较大,凿出时经常会发生沙涌、涌水等现象。
盾构始发井围护结构采用地下地连墙,墙厚1000mm,凿除难度较大。
始发井端头处采用3排C15混凝土Φ1500@1100mm钻孔咬合桩(桩长26228mm)进行加固。
待端头加固完成后方进行洞门凿除施工。
始发井端头加固平面布置示意图二、工程地质及水文地质概况隧道范围内地层主要为第四系全新统新近沉积层(Q4si)、第Ⅰ陆相层(Q4al)、第Ⅰ海相层(Q4m)、第Ⅱ陆相层(Q4al)、第Ⅲ陆相层(Q3al)、第Ⅱ海相层(Q3m)、第Ⅳ陆相层(Q3al)、第Ⅲ海相层(Q3m)、第Ⅴ陆相层(Q3al);表层覆盖第四系全新统人工堆积层(Q4ml)。
岩性主要为黏性土、淤泥质土、粉土、粉砂及细砂。
1.77~-1.45m)。
潜水主要依靠大气降水入渗和地表水体入渗补给,水位具有明显的丰、枯水期变化,受季节影响明显。
微承压水以冲积层⑤21粉质黏土、⑤11黏土为相对隔水顶板。
⑤、⑥31粉土、⑤43、⑥43、⑥54细砂为主要含水地层,含水层厚度较31大,分布相对稳定。
勘测期间对微承压水进行了稳定水位观测,稳定水位埋深约为3.73~7.85m(高程为-4.55~-1.17m)。
其承压水头为隔水板到稳定水位隔离。
根据《岩土工程勘察规范》(GB50021-2001),经取样化验,地下水腐蚀性如下:1、潜水的腐蚀性该段潜水对结构具硫酸盐侵蚀,环境作用等级为H2。
2、微承压水的腐蚀性该段第一层微承压水对混凝土结构具硫酸盐侵蚀,环境作用等级为H2。
三、洞门凿除设计方案洞门围护结构地下连续墙凿除前应打水平探孔,探孔主要分布在盾构范围边缘处,上半圆布置孔数宜少,下半圆孔数宜多,孔深不宜过深,穿透地下连续墙即可,以便确认地下连续墙与咬合桩之间的隔水情况,若发生透水现象,需采取封堵加固等措施,确保始发时无地下水作业。
洞门凿除技术交底1、交底范围盾构始发洞门、过风井(站)洞门、到达洞门2、质量要求及标准《盾构法隧道施工与验收规范》(GB50446-2008)《建筑施工高处作业安全技术规范》(建筑JGJ80-91)《建筑与市政降水工程技术规范》(建筑JGJ/T111-1998)《建筑施工扣件式钢管脚手架安全技术规范》(建筑JGJ130-2011)《施工现场机械设备检查技术规程》(建筑JGJ160-2008)《建筑施工场界环境噪声排放标准》(GB 12523-2011)《建筑工程地质勘探与取样技术规程》(建筑JGJ/T 87-2012)《轨道交通盾构隧道工程施工质量验收标准》(QGD-008-2005)3、施工准备3.1端头加固对端头进行土体加固,土体加固后对土体的加固效果进行检查,检查内容包括加固土体强度、洞门处渗透性以及土体的匀质性,验收合格后,进行下一道工区施工,否则补充加固。
3.2端头降水根据盾构掘进的需要,洞门处连续墙破除后,暴露土体需具有自稳能力,且洞门开挖断面内无渗、漏水。
由于承压水头高于盾构洞门,为保证盾构始发施工的顺利进行,必须对端头的承压水进行有效治理。
根据水文地质勘察结果,经优化布置降水软件模拟计算后,确定布置降水井口数,保证将端头场地承压水降低至洞底以下1m。
3.3脚手架搭设洞门之间,用脚手架搭设作业平台,平台依据空间搭建满堂脚手架,经过洞门尺寸计算脚手架间距、步距。
凿除过程中随时调整脚手架与主体结构支撑位置,作业平台铺设木板,木板与脚手架连接处用铁丝绑扎牢固,保证作业平台整体稳定性。
3.4钢丝刷保护重点对洞门下半圆钢丝刷进行保护,首先在下半圆钢丝刷上铺设木板并进行固定,后采用5mm帆布从洞门腰部自上而下整体进行覆盖,防止在洞门凿除过程中掉落渣土损坏洞门钢丝刷。
3.5洞口水平探孔检查洞门前方土体已经进行了土体加固,但不能完全排除无加固盲区、渗水通道的可能性。
垂直洞门进行水平探孔检查,水平探孔分部上、中、下,一般为5个探孔。
施 工 技 术 交 底 记 录编号: 表B2工程名称 武汉市轨道交通8号线一期工程土建部分BT 项目一标段交底时间 年 月 日交底提要:本次为盾构始发洞门凿除施工技术交底。
交底内容: 一、工程概况1、三金潭车辆段站至宏图大道站盾构区间,从三金潭车辆段站南端始发,最后到达终点站宏图大道站。
2、因盾构进出洞洞门外土体多为软弱含水的土层(3-4)淤泥质粉质黏土Q 4al、、(3-5)粉质黏土、(7-1) 黏土Q 3al+p1,始发洞门区域采取Φ800@500mm 三重高压旋喷桩加固,改变端头土层土体性质,避免始发前方土体坍塌;洞门采用800mm 钢筋混泥土地连墙制作。
二、工艺流程图1 洞门凿除工艺流程示意图施工准备搭设脚手架凿除地下连续墙背土侧保护层切除地下连续墙背土侧钢筋凿除地下连续墙中间混凝土切除地下连续墙迎土侧钢筋凿除地下连续墙迎土侧保护层三、施工准备 1、端头加固三金潭车辆段站盾构始发端头土体加固采用Φ800@500mm 三重管法高压旋喷桩加固,加固范围为隧道结构外左右3m ,隧道顶底板上3m ,下3m ,线性方向9m 。
土体加固后对土体的加固效果进行检查,检查内容包括加固土体强度、 洞门处渗透性以及土体的匀质性,检查合格,方可凿除。
2、水平探孔洞门前方土体已经进行了高压旋喷桩加固,但不能完全排除无加固盲区、渗水通道的可能性。
前期已经沿垂直洞门方向进行了水平探孔检查,水平探孔工钻孔5口,水平探孔穿过地下连续墙,进入加固体2m (水平探孔示意图见图2)。
未发现承压水渗水通道,但为确保凿除施工安全实施,洞门凿除施工前必须将水平探水孔的闸阀全部打开,并随时观察渗水变化情况。
图2 水平探孔施工平面示意图 3、帘布橡胶板保护对洞门下半圆帘布橡胶板进行保护,首先在下半圆帘布橡胶板上铺设木板并进行固定,后采用5mm 帆布从洞门腰部以上自上而下整体进行覆盖,防止在洞门凿除过程中掉落渣土损坏并污染帘布橡胶板。
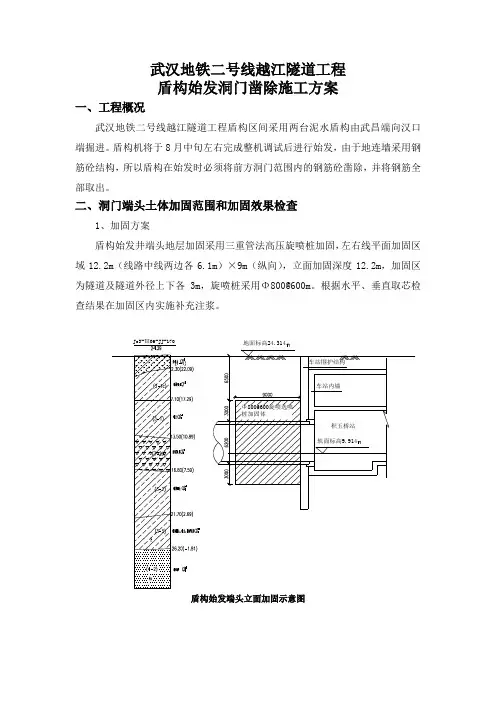
武汉地铁二号线越江隧道工程盾构始发洞门凿除施工方案一、工程概况武汉地铁二号线越江隧道工程盾构区间采用两台泥水盾构由武昌端向汉口端掘进。
盾构机将于8月中旬左右完成整机调试后进行始发,由于地连墙采用钢筋砼结构,所以盾构在始发时必须将前方洞门范围内的钢筋砼凿除,并将钢筋全部取出。
二、洞门端头土体加固范围和加固效果检查1、加固方案盾构始发井端头地层加固采用三重管法高压旋喷桩加固,左右线平面加固区域12.2m(线路中线两边各6.1m)×9m(纵向),立面加固深度12.2m,加固区为隧道及隧道外径上下各3m,旋喷桩采用Φ800@600m。
根据水平、垂直取芯检查结果在加固区内实施补充注浆。
盾构始发端头立面加固示意图左线中心线1右线中心线2.1强度验算(1)验算模式将加固土体视为厚度为t的周边自由支撑的弹性圆板,在外侧水土压力作用下,板中心处的最大弯曲应力,支座处的最大剪力,按照弹性力学原理求得,强度验算公式为:σmax=±β×w×r2/t2≤σt/k1β=3÷8×(3+μ)τmax=3×w×r/4/t≤τc/ k2其中:r——工作井端墙开洞的半径,r=D/2;t——加固土体的长度;σt—加固土体的极限抗拉强度,一般可取其极限抗压强度的10%,即σt =qu/10;k1 、k2——安全系数,一般取K=1.5;w——作用于洞门中心处的侧向水土压力;μ——加固后土体的泊桑比,一般取μ=0.2;τc——加固后土体的极限抗剪强度,取τ c = qu/6;按照洞门处地层情况,洞门中心压力为侧向土压力(不计水压力)。
地面超载p按照20KN/ m2计,强度和稳定性检算按照该工况计算。
(2)土体物理力学参数的选择由于洞门所处地层以粘土和淤泥质粉质粘土为主,取淤泥质粉质粘土平均物理力学参数进行计算:淤泥质粉质粘土平均物理力学如下:γ=18.55KN/m3,C=14.65KPa,φ=7.5则:Ka=tg2(45-φ/2)=0.770;tgφ=0.132。
施工组织设计(方案)报审表编号:致:北京地铁监理公司:由我方承包天津地铁6号线工程土建施工第R3合同段工程的施工组织设计(左江道站〜梅江风景区站区间洞门凿除施工方案)已编制完成,并经技术负责人批准,请审查确认。
附件:□天津地铁6号线工程土建施工第R3合同段工程左江道站〜梅江风景区站区间洞门凿除施工方案项目经理(签字):承包单位(盖章):日期:~~监理单位审查意见:□报审表格填写不符合要求,现予退回。
请重新填表报审。
□编制的施工组织设计(方案)不符合要求,现予退回。
请按审查附件要求抓紧完善后再行填表报审。
□报审的施工组织设计(方案)符合要求,监理予以确认,呈报总监审批。
□其他问题:(由监理工程师填写)□附件:号监理通知单(不符合要求的具体内同)监理工程师(签字):日期:总监理工程师审定意见:□编制的施工组织设计(方案)不符合要求,现予退回。
请按审查附件要求抓紧完善后再行填表报审。
□报审的施工组织设计(方案)符合要求,监理予以确认。
□附件:号监理通知单(不符合要求的具体内同)总监理工程师(签字):监理单位(盖章):日期:注:单位工程施工组织设计和重大风险源专项施工方案一式四份,施工单位、监理单位、建设公司项目管理部、质量安全部各一份;一般施工方案一式三份,施工单位、监理单位、项目管理部各一份。
天津地铁6号线工程土建施工第R3合同段左江道站〜梅江风景区站区间洞门凿除施工方案编制:审核:审批:中冶天工集团有限公司天津地铁六号线土建施工第R3合同段项目经理部2016年5月目录1、编制说明 (1)1.1编制依据 (1)2、工程概况 (3)2.1工程施工范围及概况 (3)2.2地质水文条件 (3)3、施工前布置 (8)3.1人员组织机构,见图3-1。
(8)3.2人员设备准备 (9)3.3材料及设备,见表3-2 (9)3.4废弃物运输设备 (9)4、洞门凿除施工方法 (10)4.1洞门凿除的条件 (10)4.2盾构始发、接收洞门破除施工工艺流程 (10)4.3脚手架的搭设 (11)4.4水平探孔 (12)4.5混凝土凿除 (13)4.6废弃物清理方式 (15)4.7洞门止水帘布安装 (15)4.8洞门凿除施工注意事项 (15)5、安全施工措施 (16)6、应急预案 (16)6.1应急准备 (16)6.2事故应急处理程序,如图6-1。
目录一、编制依据 (1)二、工程概况 (1)三、工程及水文地质情况 (1)3.1、端头地层情况 (1)3.2、水文地质情况 (2)四、施工工艺及应急措施 (3)4.1、洞门凿除流程图 (3)4.2、洞门凿除的时间 (3)4.3、打检测孔 (3)4.4、洞门凿除 (4)4.5、洞门凿除过程的应急措施 (4)五、洞门凿除施工安全要求 (4)六、现场文明施工措施 (5)对洞门加固土体检查验收合格,确定洞门到达止水效果后开始进行洞门凿除施工。
一、编制依据1、《区间土建工程施工组织设计》2、《区间岩土工程勘察报告》。
3、《铁路瓦斯隧道技术规范》(TB10120-2002 J160-2002)4、《地铁设计规范》(GB 50157-2003)5、以前在各工程中洞门凿除的经验。
二、工程概况区间线路左线长为1191.584m,右线长为1183.698m,总长度为2375.282m。
设有一个联络通道,与泵房合建;线路最大纵坡坡度26.7‰,最小坡度2‰,最大埋深19m,最小埋深9.1m。
始发洞门内径为6680mm,为钢混结构,需破除部分为原车站维护结构(地下连续墙),厚800mm。
三、工程及水文地质情况3.1、端头地层情况该端头隧道断面内地层情况从上到下依次为:(3-4)层粉质粘土夹粉土、粉砂:褐灰~深灰色,软~流塑,高压缩性,夹少许有机质土。
该层大部分地段分布,层厚1.2~17.6m。
(3-5)层粉质黏土、粉土、粉砂夹层:褐灰色,中压缩性,以粉质粘土、粉土为主,粉质粘土呈软塑状态,粉砂呈松散状态。
该层大部分地段分布,层厚1.3~13.5m。
(4-1)层粉细砂:灰色,稍密~中密,中压缩性,层中多夹粉土、粉质粘土薄层,含长石、石英、云母等。
该层分布不连续,层厚0.9~6.7m。
隧道上部覆土情况为:(1-1)杂填土:松散,由粘性土、砂土与砖块、碎石、块石、片石、炉渣等建筑及生活垃圾混成,层厚1.1m;(1-2)素填土:松散,以粘性土及砂土为主组成,混少量碎石、砖瓦片等,四、施工工艺及应急措施4.1、洞门凿除流程图清除洞门表面水泥块→打检测孔→洞门第一次凿除→割除连续墙第一层钢筋→洞门第二次凿除→割除连续墙第二层钢筋4.2、洞门凿除的时间盾构机就位前,清除洞门表面水泥块,在连续墙之间用风钻打3m 深的检测孔,观测端头土体加固效果,确保凿除洞门安全;确认端头土体加固达到效果后,进行第一次凿除洞门并割除第一层钢筋; 10kv 高压电电接好、盾构机调试完毕后,进行第二次凿除洞门;盾构始发的前2小时,割除洞门剩余的钢筋。
一、编织依据(1)《北京市南水北调配套工程东干渠工程施工图技术要求》(2012年6月);(2)《施工图文件组成及内容》等总体组下发的相关资料;(3)主要采用的设计规范1)《城市轨道交通技术规范》(GB50490-2009)2)《城市轨道交通工程项目建设标准》(建标104-2008)3)《地铁设计规范》(GB50157-2003)4)《混凝土结构设计规范》(GB50010-2002)5)《建筑结构荷载规范》(GB50009-2006)6)《建筑抗震设计规范》(GB50011-2010 )7)《铁路隧洞设计规范》(TB 10003-2005)9)《盾构法隧洞施工与验收规范》(GB 50446-2008)10)《地下工程防水技术规范》(GB50108-2008)11)《地下防水工程质量验收规范》(GB50208-2002)12)《混凝土结构工程施工质量验收规范》(GB50204-2002)13)《地下铁道工程施工及验收规范》(GB50299-1999)15)《地铁工程监控量测技术规程》(DB11-490-2007)16)《地下铁道工程施工及验收规范》GB50299-200317)《建筑变形测量规程》JGJ/T8-9718)《地下铁道、轻轨交通工程测量规范》GB50308-1999及国家、行业和北京地区相关的设计标准、规范、规程。
二、工程概况本标段为北京市南水北调配套工程东干渠工程第十二标段,采用盾构法施工。
工程起始于大兴区五环路荣华桥南100m处16#盾构井,沿五环路外侧穿越荣华路,至亦庄桥外侧至17#盾构井,继续沿南五环路外侧向西南延伸,至北环西路后向东偏移,渐转为向东南延伸,穿越凉水河后到达2#盾构井。
隧洞覆土厚度11~22.6m,平面最小坡度1‰~2‰,隧洞半径最小为350m。
输水隧洞桩号为37+568.390~40+817.220m,中心导线全长3248.83m。
三、吊出洞门破除施工准备1、首先对吊出洞门加固效果进行地面垂直取芯及水平钻孔取样,分析加固效果。
一、工程概况车红【盾构始发井~车公庙站】盾构区间呈东西走向,线路基本位于白石路和深南大道下方。
施工时从大里程往小里程方向掘进,右线掘进起点里程k6+927.695,终点里程k3+424.002,线路全长3503.693m;左线掘进起点里程k6+923.256,终点里程k3+424.010,线路全长3499.246m.线路最小曲线半径800m,线间距13~37.6m;隧道最大纵坡28‰,最小纵坡4‰,隧道埋深4.0~28.65m。
二、洞门端头土体加固因盾构进出洞洞门外土体多为软弱含水的土层,若不提前加固处理极易坍方或流失,造成地面塌陷,甚至使盾构失去控制,为确保施工安全,必须对洞门外土体进行加固处理。
2.1地基加固方法端头井位置地层上部为残积可(硬)塑状粘土层,采取高压旋喷桩进行加固。
加固后的土体,应有良好的均匀性、自立性、止水性,其无侧限抗压强度qu≥0.8MPa,渗透系数≤1.0×10-6cm/sec。
2.2地基加固范围经计算和同类型工程施工经验,加固范围为:盾构始发:加固长度一般为10m,加固宽度为盾构外径两侧3m和顶部3m、底部2m。
盾构到达:加固长度一般为10m,加固宽度为盾构外径两侧3m和顶部3m、底部2m。
2.3地基加固检验对加固区的桩体进行无侧限抗压强度检验。
加固注浆结束28天后进行,桩体的质量检验数量均为其施工总数量的2~5%,且不少于3孔(在桩径1/4处,桩头至桩长2/3长度范围内垂直取芯)。
三、洞门凿除前准备工作洞门凿除是盾构进、出洞的关键工序之一,其施工的质量、安全等因素影响到了盾构施工能否顺利进行。
虽然,洞门凿除工序简单,但其安全隐患较多、难度较大,凿出时经常会发生沙涌、涌水等现象。
1、成立监测小组,负责洞门破除的监测。
派专人全程跟踪洞门破除施工,一旦发现洞门存在变形、漏水等情况,暂停施工并及时上报给相关负责人。
负责人根据施工实际情况采取相应的应急措施。
2、准备好满足凿除作业的施工机具,并取得厂家的合格保证,做到材料可控。
盾构洞门凿除目录目录 0一、工程概况 (1)二、技术保证措施 (1)1、洞门破除前准备措施 (1)2、洞门破除措施 (2)三、其他施工保证措施 (3)四、应急措施 (4)1、应急准备 (4)2、应急情况及处理办法 (6)一、工程概况本工程为----------------------------------------------始发洞门区域采取三重搅拌桩,三重高压旋喷桩加固,洞门采用钢筋混泥土板墙制作。
本工程掘进断面以粉质粘土为主,上覆砂质粉土层;场地地下水类型主要是第四纪松散岩类孔隙水,根据地下水的含水介质、赋存条件、水理性质和水力特征,可划分为孔隙潜水和孔隙承压水两大类。
二、技术保证措施1、洞门破除前准备措施根据本区间实际施工工况,为保证洞门破除的安全,我部实施了端头井的土体加固等措施,具体措施如下:出洞地基加固洞门破除前准备措施洞门周边降水第一次水平探孔2、洞门破除措施1)洞门混凝土桩为粉碎性凿除,采用人工高压风镐,总体施工顺序为:凿除素混凝土桩外层600mm厚砼→在剩余400mm素混凝土桩上探孔→(若洞门探孔情况良好)凿除钢筋混凝土桩600mm厚砼→凿除剩余400mm素混凝土桩→凿除400mm钢筋混凝土桩。
洞门探孔孔位示意见下图2-1:图2-1 洞门探孔孔位布置2)外层凿除工作先上部后下部。
钢筋及预埋件割除须彻底,以保证预留门洞的直径。
3)若探孔无明显的渗漏水、泥情况,则应迅速凿除剩余砼。
凿除钢筋砼顺序为从上而下,先凿除洞圈内所有砼,再割除所有钢筋,砼凿除顺序为由上而下,钢筋割断顺序为由下而上。
砼及钢筋清理掉后,盾构机方可始发。
4)洞门凿除平台用脚手架搭设。
脚手架采用Ф48钢管,高度6.8m(含顶部1.2 m护栏),设置5道竖撑,5道横撑,间距均为1.8m,宽度1.0m。
脚手架需下部垫实,脚手架侧面须用斜撑将其撑实,正面与盾构机撑实。
上人横撑上面均铺设木板,并与横撑固定。
脚手架具体搭设如下图2-2所示:图2-2脚手架具体搭设三、其他施工保证措施1)及时关注天气情况。
盾构洞门凿除
目录
目录 0
一、工程概况 (1)
二、技术保证措施 (1)
1、洞门破除前准备措施 (1)
2、洞门破除措施 (2)
三、其他施工保证措施 (3)
四、应急措施 (4)
1、应急准备 (4)
2、应急情况及处理办法 (6)
一、工程概况
本工程为----------------------------------------------始发洞门区域采取三重搅拌桩,三重高压旋喷桩加固,洞门采用钢筋混泥土板墙制作。
本工程掘进断面以粉质粘土为主,上覆砂质粉土层;场地地下水类型主要是第四纪松散岩类孔隙水,根据地下水的含水介质、赋存条件、水理性质和水力特征,可划分为孔隙潜水和孔隙承压水两大类。
二、技术保证措施
1、洞门破除前准备措施
根据本区间实际施工工况,为保证洞门破除的安全,我部实施了端头井的土体加固等措施,具体措施如下:
出洞地基加固
洞门破除前准备措施洞门周边降水
第一次水平探孔
2、洞门破除措施
1)洞门混凝土桩为粉碎性凿除,采用人工高压风镐,总体施工顺序为:凿除素混凝土桩外层600mm厚砼→在剩余400mm素混凝土桩上探孔→(若洞门探孔情况良好)凿除钢筋混凝土桩600mm厚砼→凿除剩余400mm素混凝土桩→凿除400mm钢筋混凝土桩。
洞门探孔孔位示意见下图2-1:
图2-1 洞门探孔孔位布置
2)外层凿除工作先上部后下部。
钢筋及预埋件割除须彻底,以保证预留门洞的直径。
3)若探孔无明显的渗漏水、泥情况,则应迅速凿除剩余砼。
凿除钢筋砼顺序为从上而下,先凿除洞圈内所有砼,再割除所有钢筋,砼凿除顺序为由上而下,钢筋割断顺序为由下而上。
砼及钢筋清理掉后,盾构机方可始发。
4)洞门凿除平台用脚手架搭设。
脚手架采用Ф48钢管,高度6.8m(含顶部1.2 m护栏),设置5道竖撑,5道横撑,间距均为1.8m,宽度1.0m。
脚手架需下部垫实,脚手架侧面须用斜撑将其撑实,正面与盾构机撑实。
上人横撑上面均铺设木板,并与横撑固定。
脚手架具体搭设如下图2-2所示:
图2-2脚手架具体搭设
三、其他施工保证措施
1)及时关注天气情况。
洞门破除时间定在天气晴朗的时间段,尽量保证洞门破除期间地下水位在可控范围内。
2)为缩短加固区土体暴露在空气中的时间,洞门破除期间实施24小时不间断施工。
3)洞门破除期间,端头井上方的龙门吊、吊机等重物移到指定位置,远离施工影响范围。
4)洞门破除产生的渣土由吊机直接调运出端头井,保证洞门凿除施工的工作面。
5)成立监测小组,负责洞门破除的监测。
监测方法如下:
(1)目测:派专人全程跟踪洞门破除施工,一旦发现洞门存在变形、漏水等情况,暂停施工并及时上报给相关负责人。
负责人根据施工实际情况采取相应的应急措施。
(2)布置沉降观测点:在洞门上方布沿隧道轴线方向布设2个沉降观测点(间距500mm)。
隧道轴线两侧各布设3个观测点(间距1000mm)。
沉降标杆采用Φ18mm螺纹钢标杆,螺纹钢标杆应深入原状土60cm以上。
洞门凿除期间监测频率为6~7次/天。
具体布点和监测由第三方监测单位负责。
6)降水井派专人负责管理,保证在施工期间6口降水井能正常抽水。
管理人员负责以下具体工作:
(1)检查频率为2小时/次,检查水泵是否正常工作、电箱有否跳闸出水量是否正常。
如遇特殊情况,半小时内排除险情。
(2)准备2.2KW备用水泵6台(洞门破除施工前2天开始使用),水管60m。
(3)准备发电机一台,保证施工用电。
四、应急措施
为确保在洞门破除过程中能快速有效地处理各种紧急情况,特制定以下应
急措施。
1、应急准备
人员安排准备工作材料准备
设备准备
1.1人员安排
1)人员组织架构图如下:
2)人员具体分工:
(1)总负责人(1人):负责整个洞门破除期间的方案制定、施工总体决策。
(2)安全负责人(2人):负责施工前的安全交底、施工期间安全巡查并及时发现和排除安全隐患。
(3)技术负责人(2人):负责施工前的技术交底、施工期间的降水井管理、水平探孔施工指导及施工过程中其他技术工作。
抢险注浆:
技术负责人:
物
资
准
备
:
控
制
监
测
负
责
人
:
碴
土
清
理
:
安全负责人:总负责人:
洞
门
凿
除
班
:电
工
班
:
(4)监测负责人(2人):负责洞门监测点的观测及数据处理,并将观测成果及时上报总负责人。
(5)电工班(2人):负责检查整个施工场地的用电情况,发现停电、跳闸等特殊情况及时排查,并上报总负责人,必要情况启用备用发电机供电。
(6)物资准备(1人):施工前准备好水泵、备用发电机、抢险物资等物资设备,并随时待命,听从总负责人的安排及时准备其他临时物资设备。
(7)洞门凿除班(6人):负责洞门破除工作。
洞门破除前认真学习技术安全交底、施工过程中时刻保持安全性和警惕性,如有特殊情况可自行暂停施工并第一时间上报总负责人,由负责人决策施工应急措施。
(8)渣土清理(8人):相关人员必须保证整个洞门破除期间施工人员有足够的操作空间,渣土在保证安全的条件下及时处理;在施工前要认真学习技术安全交底,杜绝违规、危险施工。
(9)抢险注浆(15人):洞门破除前负责检查注浆设备是否完好,注浆材料是否准备到位;施工前认真学习技术安全交底,如遇特殊情况需要注浆,则根据总负责人的指令,控制好技术掺量,保证注浆及时、有效。
1.2材料准备
应急材料准备如下:
物品名称数量物品名称数量
沙袋(条)800 沙(m3)50
快速水泥(T) 2 水玻璃(T) 3
水泥(T)20 聚氨酯(kg)200
注:应急材料如水玻璃、快速水泥、聚氨酯等关键材料如有不足,必须保证30分钟内及时到场。
1.3设备准备
具体设备准备如下:
设备名称数量设备名称数量60KW发电机(台) 1 双液注浆泵(台) 1
2.2KW水泵(台) 6 7.5KW水泵(台) 1
手提灯(只)20 泥浆泵(台) 2 PRD150地质钻机(台) 1 铁锹(把)20 注:盾构机随时待命,洞门一旦破除就迅速推进。
2、应急情况及处理办法
2.1 洞门少量漏水
处理办法:注双液浆(水玻璃+水泥浆)
(1)技术要求:
A、注浆速度为30~40L/min;
B、水玻璃浓度为35Be′;
C、水泥:水:水玻璃=1:1:0.5,凝结时间控制在1分钟,配比
根据实际情况适当调整;
D、注浆压力:0.5~0.6Mpa;
E、7天抗压强度约为4.4Mpa;
(2)施工要求:
A、注浆前认真学习技术交底,掌握注浆的关键技术参数
B、水平注浆:注浆时先用注浆嘴尽量插入到出水口内部,周围用纱布封
堵,注浆过程中时刻观察出水量,直到出水口不漏水为止才停止注浆。
垂直注浆:水平注浆完成后,在漏水上方利用地质钻机引孔并注双液浆。
双液浆配比和水平注浆配比一样。
C、注浆时提高警觉性,如有异常情况如大面积坍塌等及时撤离,并及时
通知总负责人处理现场。
D、双液注浆泵要及时清洗。
2.2 洞门大量漏水及局部塌方
处理办法:封洞门
如遇大量涌水及塌方,应及时疏散非抢险人员,并用木板、沙袋等封堵洞门。
具体人员及职责安排如下:
⑴人员安排:
抢险总指挥:
抢险注浆负责人:
抢险队长:
抢险队员:
⑵工作安排:
A、抢险总指挥下达抢险指令,由抢险队长王东军带队负责洞门的封堵,用事先准备好的木板、沙袋、工字钢(应急材料堆放在盾尾附近)将洞门堵住,并开启泥浆泵将泥沙抽走。
(具体分工由冯军负责,并事前做好演习)。
B、洞门封堵完成后,抢险注浆负责人金三峰负责注浆(注浆设备及注浆材料事先准备好),注浆量以实际情况为准。
C、注浆完成后暂停施工,将实际情况上报业主及相关单位,组织专家研讨会,讨论处理办法。