接地网测试报告
- 格式:docx
- 大小:21.90 KB
- 文档页数:17
防雷接地检测报告
目录
1. 概述
1.1 作用
1.2 检测流程
2. 设备准备
2.1 防雷接地装置
2.2 测试仪器
3. 检测步骤
3.1 连接测试仪器
3.2 开始测试
3.3 测试结果分析
4. 结论
概述
作用
防雷接地检测是用来检测各种设备的接地情况,确保在雷电等恶劣天气下能够有效防止雷电对设备造成损害。
检测流程
防雷接地检测通过测量接地电阻值、接地电位等参数来评估设备的接地情况,以确保设备能够有效接地,达到预防雷击的效果。
设备准备
防雷接地装置
在进行检测前,需要对防雷接地装置进行检查,确保其安装牢固、连接良好,没有损坏或腐蚀现象。
测试仪器
进行检测时需要准备好专业的防雷接地检测仪器,确保测试结果的准确性和可靠性。
检测步骤
连接测试仪器
将测试仪器按照说明书连接到需检测的设备的接地装置上,确保连接正确稳固。
开始测试
启动测试仪器,进行接地电阻值、接地电位等参数的测量,记录测试结果。
测试结果分析
根据测试结果分析设备的接地情况,判断是否符合相关标准,并提出改进建议。
结论
经过防雷接地检测后,可以得出设备的接地状况评估,及时发现问题并进行修复,以确保设备在雷电天气下的安全运行。
甘肃陇恒电力安装有限责任公司
光伏电站接地网测试
使用仪器:M71L数字接地电阻测试仪、电压线总长40米、电流线总长20米。
结论:合格
试验负责人: 李启甲
试验员:王栋林
线路接地网测试记录
使用仪器:M71数字接地电阻测试仪、电压线总长40米、电流线总长20米。
结论:合格
试验负责人:
试验员:
甘肃陇恒电力安装有限责任公司
线路阻抗测试记录
使用仪器:PW31微机保护校验仪。
结论:合格
试验负责人:
试验员:
光伏电站接地网测试
使用仪器:M71L数字接地电阻测试仪、电压线总长40米、电流线总长20米。
结论:合格
试验负责人: 李启甲
试验员:王栋林。
甘肃陇恒电力安装有限责任公司
线路接地网测试记录
线路名称3517神佳线线路长度1公里导线型号LGJ-10 地线型号1X7-7.8-170-B 光缆型号ADSS 光缆长度 1.45公里电缆型号YJV22-26/35-3X120 电缆长度300米
温度26℃试验日期2013.06.20 测试位置电阻值(Ω)3517佳神终端塔(1#) 1. 64
2# 杆 2.4
3# 杆 2.43
4# 杆 1.95
5# 杆 1.91
3517神佳终端塔(6#) 1.68
使用仪器:M71数字接地电阻测试仪、电压线总长40米、电流线总长20米。
结论:合格
试验负责人:
试验员:
甘肃陇恒电力安装有限责任公司
线路阻抗测试记录
线路名称3517神佳线线路长度1公里导线型号LGJ-10 地线型号1X7-7.8-170-B 光缆型号ADSS 光缆长度 1.45公里电缆型号YJV22-26/35-3X120 电缆长度300米温度26℃试验日期2013.06.20 测试位置阻抗值(Ω)
线路阻抗0.246
使用仪器:PW31微机保护校验仪。
结论:合格
试验负责人:
试验员:
变电站接地网测试
试验日期2013.06.25 温度28℃
测试位置电阻值(Ω)
避雷针10.4
35kV高压配电室0.4
继电保护室 1.43
低压配电室 1.5
1#方阵箱变0.91
17#方阵箱变0.38
18#方阵箱变0.48
11#方阵箱变0.12
11#方阵箱变0.12
使用仪器:M71L数字接地电阻测试仪、电压线总长40米、电流线总长20米。
结论:合格
试验负责人:
试验员:。
接地线试验报告范文一、试验目的本次试验的目的是对某建筑物的接地线进行测试,了解接地线的电阻和接地效果。
二、试验设备和仪器1. 接地电阻测试仪:用于测量接地线的电阻值。
2. 电压表:用于检测接地线的电位差。
3. 试验电源:用于提供电流和电压。
三、试验步骤1. 准备工作(1)检查接地线的连接情况,确保接地线与建筑物主体以及设备的良好接触。
(2)确认试验电源的电流和电压参数,保证试验的安全性。
2. 测量接地线电阻(1)将接地电阻测试仪的接地极连接至接地线的接地端,将电流极连接至接地线的测量端。
(2)调整测试仪器的参数,设置适当的电流和时长。
(3)按下测试按钮,开始测量接地线的电阻值。
(4)记录测量结果,并计算平均值。
3. 检测接地线电位差(1)将电压表的一个探头连接至接地线的接地端,将另一个探头连接至建筑物或设备的金属部分。
(2)测量接地线与建筑物或设备之间的电位差。
(3)记录测量结果,并进行分析。
四、试验结果和分析经过试验,我们得到了某建筑物接地线的电阻值和电位差。
根据测量结果,我们可以得出以下结论:1. 接地线的电阻值为XΩ,符合国家标准要求。
2. 接地线与建筑物或设备之间的电位差为XV,表明接地效果良好。
五、试验总结通过本次接地线试验,我们对某建筑物的接地线进行了全面的测试,得出了满意的结果。
接地线的电阻值符合标准要求,接地效果良好。
这将为建筑物和设备的安全运行提供了保障。
六、存在的问题和改进措施在试验过程中,我们也发现了一些问题:1. 接地线连接处存在松动现象,影响了电阻值的准确性。
应定期检查接地线的连接情况,确保良好接触。
2. 试验电源的参数设置有待优化,以提高测试的可靠性和准确性。
为改进上述问题,我们将采取以下措施:1. 加强接地线的定期维护和检修,确保连接处的稳固性。
2. 调整试验电源的参数设置,以适应不同试验条件的需求。
七、试验的启示本次试验表明,接地线的电阻和接地效果对建筑物和设备的安全运行至关重要。
地网接地电阻交接试验报告
工程名称:
1.概述:
对新建XX变电站主地网接地电阻进行测量,评价是否满足设计要求和变电站运行要求,本站主电网接地电阻设计要求为≤Ω。
2. 试验日期:XX年XX月XX日
3. 气候:
4. 试验依据:
4.1 DL/T621-1997《交流电气装置的接地》
4.2 DL475/T-2006《接地装置特性参数测量导则》
4.3 GB/T17949.1-2000《接地系统的土壤电阻率、接地阻抗和地面电位测量导则》
4.4 GB50150-2006《电气装置安装工程电气设备交接试验标准》
5. 测试方法:
XX变电站主接地网最大对角线为D≈米,根据变电站地形,电流、电压线为同一直线向XXXXX 方向放电流线米,电流线选用 mm2塑料绝缘导线,电压线选用 mm2塑料绝缘导线。
根据DL/T475-2006《接地装置特性参数测量导则》的要求,采用异频45-60Hz接地阻抗测试仪测试。
6. 测试位置及测量结果:
8. 试验结果:
试验人员:试验负责人:。
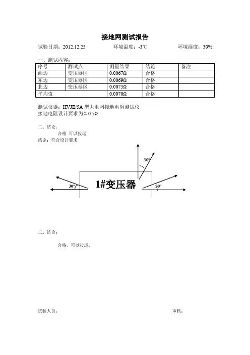
试验日期:2012.12.25 环境温度:-3℃环境湿度:30%一、测试内容:序号测试点测量结果结论备注西边变压器区0.0067Ω合格东边变压器区0.0069Ω合格北边变压器区0.0075Ω合格平均值0.0070Ω合格测试仪器:HVJE/5A型大电网接地电阻测试仪接地电阻设计要求为≦0.5Ω二、结论:合格可以投运结论:符合设计要求30º1#变压器30º30º三、结论:合格,可以投运。
试验人员:审核:试验日期:2012.12.25 环境温度:-3℃环境湿度:30%四、测试内容:序号测试点测量结果结论备注西边变压器区0.0073Ω合格东边变压器区0.0078Ω合格北边变压器区0.0075Ω合格平均值0.0075Ω合格测试仪器:HVJE/5A型大电网接地电阻测试仪接地电阻设计要求为≦0.5Ω五、结论:合格可以投运结论:符合设计要求30º2#变压器30º30º六、结论:合格,可以投运。
试验人员:审核:试验日期:2012.12.25 环境温度:-3℃环境湿度:30%七、测试内容:序号测试点测量结果结论备注西边变压器区0.0071Ω合格东边变压器区0.0064Ω合格北边变压器区0.0077Ω合格平均值0.0071Ω合格测试仪器:HVJE/5A型大电网接地电阻测试仪接地电阻设计要求为≦0.5Ω八、结论:合格可以投运结论:符合设计要求30º3#变压器30º30º九、结论:合格,可以投运。
试验人员:审核:。
接地网测试报告
一、概述
平顶山绿巨人能源有限公司120MWp光伏发电项目接地网已施工完毕,对该站接地电阻进行测试。
本工程要求电气设备接地电阻需≤0.5Ω;
二、试验目的
检测该站接地阻抗值是否符合设计院或国家标准的要求
三、试验依据
1、已批准的施工组织总设计和电气专业施工组织设计
2、《电气装置安装工程接地装置施工及验收规范》(GB 50168-92)
3、《电气装置安装工程电气设备交接试验标准》(GB 50150-91)
四、试验仪器
BCDW-10自动抗干扰大地网电阻测试仪
测试点在箱变本体接地点;(试验接线见附图)
五、测试数据:
5.1 开关站接地电阻测试:
5.2开关站接地导通测试报告
5.3光伏区接地电阻测试
5.5逆变器至光伏板支架接地导通测试报告
跨步电压、接触电势试验:
欢迎您的下载,
资料仅供参考!
致力为企业和个人提供合同协议,策划案计划书,学习资料等等
打造全网一站式需求。
接地网测试报告
一、概述
平顶山绿巨人能源有限公司120MWp光伏发电项目接地网已施工完毕,对该站接地电阻进行测试。
本工程要求电气设备接地电阻需≤0.5Ω;
二、试验目的
检测该站接地阻抗值是否符合设计院或国家标准的要求
三、试验依据
1、已批准的施工组织总设计和电气专业施工组织设计
2、《电气装置安装工程接地装置施工及验收规范》(GB 50168-92)
3、《电气装置安装工程电气设备交接试验标准》(GB 50150-91)
四、试验仪器
BCDW-10自动抗干扰大地网电阻测试仪
测试点在箱变本体接地点;(试验接线见附图)
五、测试数据:
5.1 开关站接地电阻测试:
5.6箱变至光伏板支架接地导通测试报告
跨步电压、接触电势试验:。
地网接地电阻试验报告
工程名称:阳光城假日广场(时代广场)10kV配电工程
安装位置:配电房
1.概述:
对新建阳光城假日广场(时代广场)10kV配电工程地网接地电阻进行测量,评价是否满足设计要求和配电房运行要求,本站主电网接地电阻设计要求为≤1.50Ω。
2.试验日期:2014年10月29日
3.气候:
名称天气温度℃湿度℅
项目晴2160
4.试验依据:
4.1DL/T621-1997《交流电气装置的接地》
4.2DL475/T-2006《接地装置特性参数测量导则》
4.3GB/T17949.1-2000《接地系统的土壤电阻率、接地阻抗和地面电位测量导则》
4.4GB50150-2006《电气装置安装工程电气设备交接试验标准》
5.测试方法:
阳光城假日广场(时代广场)10kV配电工程主接地网最大对角线为D≈80米,根据配电房地形,电流、电压线向前各延伸20米,电流线选用 2.5mm2塑料绝缘导线,电压线选用 2.5mm2塑料绝缘导线。
根据DL/T475-2006《接地装置特性参数测量导则》的要求,采用异频45-60Hz接地阻抗测试仪测试。
6.测试位置及测量结果:
序号测试地点电阻值(Ω)要求值(Ω) 1阳光城假日广场(时代广场)0.23≤1.5 7.试验仪器仪表:
器具名称编号检验证编号检验单位有效期大地网接地电阻测试仪HCID-1见检测报告
8.试验结果:合格
试验人员:试验负责人:
57。
接地网测试报告 Prepared on 22 November 2020
接地网测试报告
一、概述
平顶山绿巨人能源有限公司120MWp光伏发电项目接地网已施工完毕,对该站接地电阻进行测试。
本工程要求电气设备接地电阻需≤Ω;
二、试验目的
检测该站接地阻抗值是否符合设计院或国家标准的要求
三、试验依据
1、已批准的施工组织总设计和电气专业施工组织设计
2、《电气装置安装工程接地装置施工及验收规范》(GB 50168-92)
3、《电气装置安装工程电气设备交接试验标准》(GB 50150-91)
四、试验仪器
BCDW-10自动抗干扰大地网电阻测试仪
测试点在箱变本体接地点;(试验接线见附图)
五、测试数据:
开关站接地电阻测试:
箱变至逆变器接地导通测试报告
跨步电压、接触电势试验:。
接地网测试报告
一、概述
平顶山绿巨人能源有限公司120MW光伏发电项目接地网已施工完毕,对该站接地电阻进行测试。
本工程要求电气设备接地电阻需w 0.5 Q;
二、试验目的
检测该站接地阻抗值是否符合设计院或国家标准的要求
三、试验依据
1、已批准的施工组织总设计和电气专业施工组织设计
2、《电气装置安装工程接地装置施工及验收规范》(GB 50168 —92)
3、《电气装置安装工程电气设备交接试验标准》(GB 50150-91 )
四、试验仪器
BCDW-10自动抗干扰大地网电阻测试仪
测试点在箱变本体接地点;(试验接线见附图)
五、测试数据:
5.1开关站接地电阻测试:
5.5
5.6
跨步电压、接触电势试验:。