完整版本碗扣式钢管脚手架进场检查验收表.doc
- 格式:doc
- 大小:117.54 KB
- 文档页数:2
碗扣式钢管脚手架安全验收表工程名称开县中学人行桥施工单位重庆海雕建筑工程有限责任公司项目负责人谭立明工程部位桥梁支架(碗扣式支架)现场负责人蒋宏施工执行标准及编号建筑施工碗扣式脚手架安全技术规范JGJ166-2008建筑施工模板安全技术规范JGJ162-2008验收部位桥梁支架搭设高度材质型号Φ48*3.2钢管序号检查项目检查内容与要求实测实量实查验收结果一施工方案搭设单位应取得脚手架搭设资质,架子工持证上岗脚手架搭设前必须编制施工组织设计并经专家审批,审批手续完备施工组织设计应有荷载计算、最不利位置立杆、横杆、斜杆强度验算、基础强度验算,绘制架体结构计算图立杆、大横杆、小横杆间距符合设计和规范要求必须设置纵横扣地杆并符合要求脚手架搭设前技术负责人应按脚手架施工设计或专项方案的要求对搭设和使用人员进行技术交底二立杆基础基础经验收合格,平整坚实与方案一致,有排水设施立杆底部有底部座或垫板符合方案要求并应准确放线定位基础是否有不均匀沉降、立杆底座与基础面的接触有无松动或悬空现象三剪刀撑纵向剪刀撑按毎腹板下及周边各设一道,横向剪刀撑按毎隔4.8米设置一道,水平剪刀撑按上、中、下各一道四杆件联接步距、纵距、横距和立杆垂直度搭设误差符合规范要求;保证架体几何不变性的斜杆、十字撑等设置是否完善立杆上碗扣是否可靠锁紧、立杆连接销是否安装、斜杆扣接点是否符合规范要求、扣件螺栓拧紧程度程度符合规范要求碗扣支架总体稳定,构造措施按规范执行,支架应与既有桥墩及桥台台身可靠联结11五脚手板与防护栏杆施工层满铺脚手板,其材质符合要求(上人通道部分)脚手架施工作业层搭设不低于 1.2m高的防护栏杆和180mm的挡脚板并用密目安全网防护六材质脚手架材质符合方案或计算书中要求材质(钢管及扣件)有出厂质量合格证、产品性能检验报告、构配件有使用前的复验合格记录使用的钢管壁厚度、焊接质量、外观质量符合规范要求,可调底座和可调托撑丝杆直径、与螺母配合间隙及材质符合规范要求七架体安全防护脚手架外立杆内侧满挂密目式安全网封闭作业层下的水平安全网按《安全技术规范》规定设置八通道架体已设上下通道(斜道)坡度宜采用1:3防滑条间距不大于250~300mm,有防护栏杆及挡脚板,并符合规范要求验收结论年月日验收人员签名建设单位监理单位施工单位(盖章)(盖章)(盖章)22。
扣件式钢管脚手架检查查收表表工程名称总包单位安(拆)单位查收部位 / 高度序号检查项目1施工庙山大花山社区建设项目D5-5 地块构造形式武汉荣城建设企业有限企业项目经理湖北梦都建筑劳务有限企业安(拆)负责人38#楼二层查收时间标准架体搭设已编制专项施工方案并按规定审查、审批。
架体构造设计已进行设计计算。
剪力墙黄刚胡水法查收结果2保证项方案立杆基础架体搭设在规范赞同高度内,专项施工方案已按规定组织专家论证。
立杆基础平坦、夯实,切合专项施工方案要求。
立杆底部已安底座、垫板或垫板的规格切合规范要求。
按规范要求设置纵、横向扫地杆。
扫地杆的设置和固定切合规范要求。
采纳排水举措。
架体与建筑构造拉结方式或间距切合规范要求。
目架体与3建筑结构拉结杆件间距4与剪刀撑架体基层第一步纵向水平杆处按规定设置连墙件或采纳其余靠谱举措固定。
搭设高度超出 24m的双排脚手架,采纳刚性连墙件与建筑构造靠谱连结。
立杆、纵向水平杆、横向水平杆间距知足设计或规范要求。
按规定设置纵向剪刀撑或横向斜撑。
剪刀撑沿脚手架高度连续设置且角度切合规范要求。
剪刀撑斜杆的接长或剪刀撑斜杆与架体杆件固定切合规范要求。
5 6 7 8 9 10 11脚手板与防备栏杆交底与验收横向水平杆设置杆件连结一般项层间目防备构配件材质通道脚手板未满铺且铺设坚固、安稳。
脚手板规格或材质切合规范要求。
架体外侧设置密目式安全网关闭或网间连结严实。
作业层防备栏杆切合规范要求。
作业层设置高度不小于180 ㎜的挡脚板。
架体搭设前已进行交底而且交底留有文字记录。
架体分段搭设、分段使用未进行分段查收。
架体搭设完成未且已办理查罢手续。
查收内容进行量化,并经责任人署名确认在立杆与纵向水平杆交点处设置横向水平杆。
按脚手板铺设的需要增添设置横向水平杆。
双排脚手架横向水平杆完好固定。
单排脚手架横向水平杆插入墙内不于180mm。
纵向水平杆搭接长度不于1m且固定切合要求。
立杆除顶层顶步外未采纳搭接。
碗扣式脚手架验收表格全集文档(可以直接使用,可编辑实用优质文档,欢迎下载)碗扣式钢管脚手架联合验收施工单位:××××××监理单位:××××××监理咨询总则为了在碗扣式脚手架的设计与施工中贯彻执行国家有关安全生产法规,做到技术先进、经济合理、安全适用、确保质量,制定本规范。
本规范适用于工业与民用建筑工程施工中脚手架及模板支撑架的设计、施工和使用。
其它用途如:烟囱、水塔等一般构筑物以及道路、桥梁、水坝等工程可按照本规范的原则执行。
落地碗扣式脚手架当搭设高度H≤20m时可按普通架子常规搭设,当搭设高度H>20m及超高、超重、大跨度的模板支撑体系必须制定专项施工设计方案,并进行结构分析和计算。
与碗扣式脚手架结构类型相似的其他脚手架可参照本规范的原则执行。
碗扣式脚手架的设计与施工除应执行本规范外,尚应符合现行国家有关强制性标准的规定。
术语、符号2.1术语碗扣式脚手架CuplokScaffolding采用碗扣方式连接的钢管脚手架。
碗扣节点Cuplok Joint脚手架碗扣连接的部位。
立杆Standing Tube碗扣脚手架的竖向支撑杆。
上碗扣Bell Shape Cap沿立杆滑动起锁紧作用的碗扣节点零件。
下碗扣Bowl Shape Socket焊接于立杆上的碗型节点零件。
立杆连接销Pin立杆竖向接长连接专用销子。
限位销limitPin焊接在立杆上能锁紧上碗扣的定位销。
横杆Flat TubeCross碗扣式脚手架的水平杆件。
横杆接头Spigot焊接于横杆两端的连接件。
专用斜杆:Special Batter Tube带有旋转横杆接头,提高框架平面稳定性的斜向拉压杆。
水平斜杆Horizontal SlantTube钢管两端焊有插头的水平连接斜杆。
十字撑CrossBracing用作双排脚手架竖向加强支撑的构件。
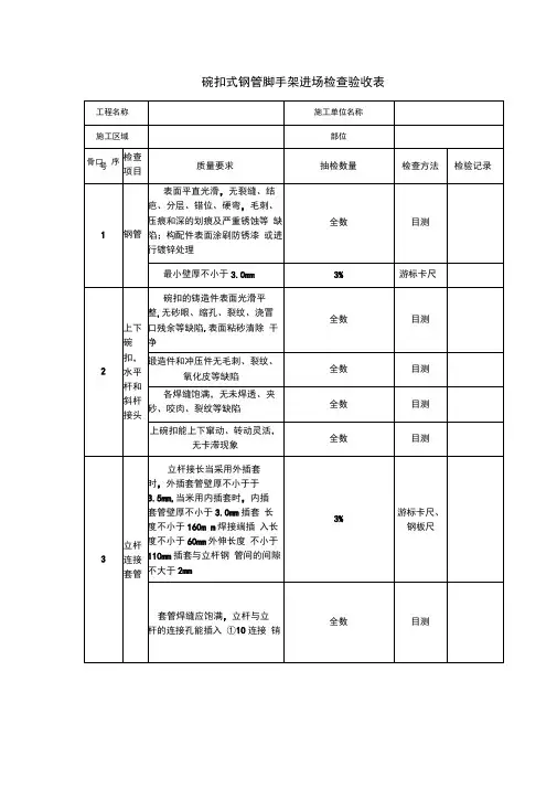
碗扣式钢管脚手架进场检查验收表工程名称施工单位名称
施工区域部位
序号1 检查
抽检数量检查方法检验记录质量要求
项目
表面平直光滑 , 无裂缝、结
疤、分层、错位、硬弯 , 毛刺、
压痕和深的划痕及严重锈蚀等全数目测
钢管缺陷;构配件表面涂刷防锈漆
或进行镀锌处理
2 3
最小壁厚不小于 3.0mm
碗扣的铸造件表面光滑平
整,无砂眼、缩孔、裂纹、浇冒
上下口残余等缺陷 , 表面粘砂清除
碗干净
扣,锻造件和冲压件无毛刺、
裂纹、水平
氧化皮等缺陷
杆和
斜杆
各焊缝饱满,无未焊透、
夹
接头
砂、咬肉、裂纹等缺陷
上碗扣能上下窜动、转动灵
活,无卡滞现象
立杆接长当采用外插套
时, 外插套管壁厚不小于于
3.5mm,当采用内插套时, 内插
套管壁厚不小于 3.0mm。
插套
长度不小于 160mm,焊接端插
立杆入长度不小于 60mm,外伸长度连
接不小于110mm,插套与立杆钢套
管管间的间隙不大于 2mm
3%游标卡尺
全数目测
全数目测
全数目测
全数目测
游标卡尺、
3%
钢板尺
套管焊缝应饱满 ,立杆与立
杆的连接孔能插入Ф10 连接全数目测
销
螺杆外径不小于38mm;空心螺杆壁厚不小于 5mm,螺杆
可调与调节螺母啮合长度不少于 5
底座扣, 螺母厚度不小于 30mm;可4及可调托撑U形托板厚度不小于
游标卡尺、3%
调托 5mm,弯曲变形不大于
钢板尺1mm,可
撑调底座垫板厚度不小于6mm;
螺杆与托板或垫板焊接牢固,
焊脚尺寸不小于钢板厚度
施工单位检查评定结果:
检查人员:年月日监理单位检查评定结果:
检查人员:年月日。