碗扣式脚手架的验收表
- 格式:docx
- 大小:16.65 KB
- 文档页数:3
脚手架验收检查制度
为贯彻执行国家安全生产的方针政策,规范和加强临时支架设施的施工安全监督管理,积极预防和遏制安全事故,保证施工安全,做到技术先进、经济合理、安全适用,有效防范和降低施工风险,避免发生安全事故,确保施工安全,特制定本制度。
第一条临时支架分为脚手架、支撑架两种。
第二条支架按承重与搭建高度分为A,B,C三类,具体分类标准见附表1.各类支架设计和施工方案编制的责任主体如下:(一)C 类临时支架:项目部自行组织,项目部验收;
(二)B类临时支架:公司组织,项目部参与;
(三)A类临时支架:集团公司组织,公司及项目部参与。
第三条临时支架应采用钢管支架、型钢或钢构件的组合,严禁不同材质、不同规格的材料混用在同一支架体系中。
第四条临时支架设计检算书主要包括检算依据、工程概况、主要技术参数和图纸说明、荷载及工况分析、检算过程、检算结论及施工注意事项等。
第五条支架搭建前项目部应调查支架基础范围内地上与地下的障碍物和各种管线,做好保护措施。
第六条平整夯实支架基础,使其承载力和沉降性能满足规范要求;设置支架基础防排水措施和防冻融措施。
第七条必要时对临时支架基础进行预压,预压荷载不应小于最大施工荷载的1.2倍。
第八条现场必须严格按照规范要求进行支架搭设,不得擅自修改、调整支架方案。
第九条支架如因设计、结构、外部环境等因素发生变化需修改的,应当重新进行论证、报批。
第十条支架立杆底部必须设置底座或垫木并不得悬空,横、立杆件间距满足设计要求且不大于2m,纵、横、水平剪刀撑和斜撑等严格按照设计或规范要求,与支架同步搭设、连接牢靠。
碗扣式脚手架产品详细介绍来源:什么是碗扣式脚手架?碗扣式钢管脚手架由钢管立杆、横杆、碗扣接头等组成。
其基本构造和搭设要求与扣件式钢管脚手架类似,不同之处主要在于碗扣接头。
碗扣接头是由上碗扣、下碗扣、横杆接头和上碗扣的限位销等组成。
在立杆上焊接下碗扣和上碗扣的限位销,将上碗扣套入立杆内。
在横杆和斜杆上焊接插头。
组装时,将横杆和斜杆插入下碗扣内,压紧和旋转上碗扣,利用限位销固定上碗扣。
碗扣式钢管脚手架立柱横距为1.2 m,纵距根据脚手架荷载可为1.2 m;1.5 m;1.8 m;2.4 m,步距为1.8 m、2.4 m。
搭设时立杆的接长缝应错开,第一层立杆应用长1.8 m和3.0 m的立杆错开布置,往上均用3.0 m长杆,至顶层再用1.8 m和3.0 m两种长度找平。
高30 m以下脚手架垂直度偏差应控制在1/200以内,高30 m以上脚手架应控制在1/400~1/600,总高垂直度偏差应不大于100 mm。
一.碗扣式脚手架优缺点评比。
碗扣式脚手架是一种新型承插式钢管脚手架。
脚手架独创了带齿碗扣接头,具有拼拆迅速、省力,结构稳定可靠,配备完善,通用性强,承载力大,安全可靠,易于加工,不易丢失,便于管理,易于运输,应用广泛等特点。
碗扣式脚手架是在一定长度的直径48MM X 3.5MM钢管立杆和顶杆上,每隔600MM 焊下碗扣及限位销,上碗扣则对应套在立杆上并可沿立杆上下滑动。
安装时将上碗扣的缺口对准限位销后,即可将上碗扣抬起(沿立杆向上滑动),把横杆接头插入下碗扣圆槽内,随后将上碗扣沿限位销滑下并沿顺时针方向旋转以扣紧横杆接头,与立杆牢固地连接在一起,形成框架结构。
每个下碗扣内可同时装4横杆接头,位置任意。
优点:(1)多功能:能根据具体施工要求,组成不同组架尺寸、形状和承载能力的单、双排脚手架,支撑架,支撑柱,物料提升架,爬升脚手架,悬挑架等多种功能的施工装备。
也可用于搭设施工棚、料棚、灯塔等构筑物。
特别适合于搭设曲面脚手架和重载支撑架。
一、目的为加强脚手架安全管理,预防和减少事故的发生,特制定本规定。
本规定适用于项目所有参建单位。
二、定义三、职责:1、公司各部门对职责范围内的HSE工作负责,HSE部对各部门的HSE工作开展进行监督。
2、监理机构按公司要求对施工现场和承包商的HSE工作进行监督、检查。
3、承包商对工作范围内的HSE工作负责,应严格执行项目HSE要求和相关标准规范,并接受公司和监理机构的监督、管理。
四、管理要求1、凡有脚手架作业,承包商应建立脚手架管理程序,提交监理机构和公司审批,并组织实施。
2、承包商应根据相关标准、规范的要求编制脚手架搭设和拆除的施工方案,经承包商项目负责人审核,并获监理机构或公司审查批准。
大型和承重脚手架的搭设方案中必须要有稳定性验算和风险评估;大型脚手架、高度超过30m的脚手架应设置逃生通道;高度超过20米,且预计使用时间涉及雷雨季节的脚手架应考虑避雷设施。
3、承包商应使用扣件式钢管脚手架,若使用其他类型的脚手架(如门式钢管脚手架、碗扣式脚手架等)必须事先获得监理机构和公司批准。
4、脚手架的搭设、拆除属于高处作业,承包商需要遵守项目《高处作业安全管理规定》,申办《高处作业许可证》。
5、资质(1)承包商应任命一名有资质的、足够经验的脚手架施工负责人,报监理机构和公司批准,并将资质证明存档。
(2)搭设或拆除脚手架必须由专业架子工担任,持证上岗;上岗人员应定期体检,凡不适于高处作业者,不得上脚手架作业。
6、培训和安全交底(1)承包商须为脚手架搭设、拆除和使用人员进行专项安全培训,培训内容包括但不限于:坠落保护、脚手架使用、电气危险等。
(2)脚手架搭设或拆除作业前,承包商应根据施工方案对搭设和拆除人员进行安全技术交底,让施工人员了解施工环境、安全要求及应急措施。
7、承包商和监理机构应按施工方案的要求对脚手架材料进行检查、验收,脚手架材料均应有有效的质量证明文件,不合格产品严禁使用。
(1)本项目严禁使用竹制和木制脚手架。
碗扣式脚手架标准碗扣式脚手架是一种在建筑施工、桥梁建设等领域广泛应用的支撑结构。
为了确保施工过程中的安全和质量,了解并遵循碗扣式脚手架的标准至关重要。
碗扣式脚手架的主要组成部分包括立杆、横杆、斜杆、碗扣节点等。
立杆是垂直于地面的主要支撑构件,横杆则水平连接立杆,增强结构的稳定性,斜杆起到防止脚手架倾斜的作用。
碗扣节点是碗扣式脚手架的关键连接部位,其独特的设计使得搭建和拆卸更加方便快捷。
在材料方面,碗扣式脚手架的杆件通常采用 Q235 钢管,其材质应符合国家相关标准。
钢管的外径、壁厚等尺寸都有严格的规定,以保证脚手架的承载能力和稳定性。
例如,立杆常用的规格有φ48×35mm,横杆常用的规格有φ48×30mm。
同时,钢管表面应光滑,无裂缝、结疤、分层、错位、硬弯、毛刺、压痕和深的划道等缺陷。
碗扣节点的设计也有明确的标准。
碗扣节点应由上碗扣、下碗扣、横杆接头和上碗扣的限位销等构成。
上碗扣应能上下滑动,以适应不同的横杆长度和立杆间距。
下碗扣应焊接在立杆上,且与立杆的连接应牢固可靠。
横杆接头与横杆应采用焊接或机械连接,连接强度应满足设计要求。
脚手架的搭设也有一系列的标准和规范。
在搭设前,需要对基础进行处理,确保基础坚实、平整,能够承受脚手架的荷载。
立杆的间距和横杆的步距应根据施工荷载、建筑物高度等因素进行合理设计。
一般来说,立杆的间距不宜大于 15m,横杆的步距不宜大于 18m。
在搭设过程中,应保证立杆的垂直偏差不超过架体高度的 1/500,且最大偏差不超过 100mm。
横杆应水平设置,相邻横杆的高差不应超过 50mm。
斜杆应按照设计要求设置,与地面的夹角宜在 45°至 60°之间。
同时,碗扣式脚手架的连墙件设置也非常重要。
连墙件应能有效地将脚手架与建筑物连接在一起,防止脚手架发生倾覆。
连墙件的间距、设置方式等应符合设计要求,一般来说,连墙件的竖向间距不宜大于4m,水平间距不宜大于 6m。
市社会管理职业学院项目监理部脚手架、模板架验收标准编写:加平一、常用脚手架种类1、扣件式钢管脚手架2、悬挑式脚手架3、附着式升降脚手架4、门式钢管脚手架5、碗扣式钢管脚手架6、承插型盘扣式钢管脚手架7、满堂脚手架二、依据规1、《建筑施工扣件式钢管脚手架安全技术规》JGJ130—20112、《建筑施工碗口式钢管脚手架安全技术规》JGJ166—20083、《钢管脚手架、模板支架安全选用技术规程》DB11/T583-20154、《危险性较大的分部分项工程安全管理方法》[2009]875、《建筑施工门式钢管脚手架安全技术规》JGJ128-20106、《建筑施工承插型盘扣式钢管支架安全技术规》JGJ231-20107、《建筑施工工具式脚手架安全技术规》JGJ202-20108、《建筑施工模板安全技术规》JGJ162-20089、《直缝电焊钢管》GB/T13793中的Q235普通钢管10、《直缝电焊钢管》GB/T13793中的Q235A普通钢管11、《可锻铸铁件》GB944012、《钢管脚手架扣件》GB1583113、脚手架方案14、模架方案三、材料要求1、钢管直径48.3mm,允许偏差正负0.5mm。
壁厚 3.6mm,允许偏差正负0.36mm,最小壁厚为3.24mm。
2、钢管、扣件应有生产许可证、产品合格证、质检报告、复试报告。
3、钢管、扣件进场应进行抽样复试(钢管三根,每根1米。
直角10个、旋转10个、对接10个)。
4、立杆常用型号LG—120、180、240、300;直径:48mmx3.5mm。
5、横杆常用型号HG—30、60、90、120、150、180;直径:48mmx3.5mm。
6、U托钢板厚度不小于5mm、底座钢板厚度不小于6mm,丝杆外径不小于36mm。
7、垫板、脚手板厚50mm、长4米。
四、规强条(一、外脚手架)1、脚手架工程应编制专项施工方案;2、脚手架搭设高度大于50米应进行专家论证;3、基础平整、夯实,设排水沟;4、架体下方铺设通常垫板;5、扫地纵杆距地面不大于20cm,扫地横杆放在纵杆下方;6、横杆、立杆接头相互错开,同一平面接头不大于50%;7、连墙件采用刚性拉结,垂直间距不大于4m,水平间距不大于6m;8、剪刀撑4~6跨(5~7根立杆)设一组,从下到上连续设置。
碗扣式脚手架规范脚手架是建筑施工中常用的辅助工具,用于提供施工人员的安全工作平台。
碗扣式脚手架是其中一种常见的脚手架类型,通过碗扣连接节点而得名。
为了确保施工安全和质量,必须遵循一定的规范和标准来设计、搭建和拆除碗扣式脚手架。
本文将介绍碗扣式脚手架规范,以确保施工过程的安全和高效。
一、脚手架材料要求1. 碗扣式脚手架的材料应符合相关国家标准要求,包括钢材、螺栓、接头等。
2. 碗扣式脚手架的钢材要求必须符合设计要求,且无明显的弯曲、裂纹和锈蚀。
3. 碗扣式脚手架的螺栓和接头要求均符合设计要求,并经过合格的检验和试验。
二、脚手架设计要求1. 碗扣式脚手架的设计应满足承载力、稳定性、刚度等要求,并符合相关设计规范。
2. 碗扣式脚手架的搭设布局应合理,通道、出入口等部位应按照规定设置。
3. 碗扣式脚手架的设计要考虑施工工艺和实际施工情况,确保施工过程中的安全和便利性。
4. 碗扣式脚手架的设计应进行静力计算,确保承载力和稳定性满足设计要求。
三、脚手架搭设要求1. 碗扣式脚手架的搭设应按照设计图纸和技术要求进行,确保搭设的稳定性和安全性。
2. 碗扣式脚手架在搭设过程中应注意固定连接节点,使用合适的工具进行碗扣的装拆。
3. 碗扣式脚手架的搭设应按照层层搭设的原则进行,每层脚手架必须连续、稳固,并与主体结构可靠固定连接。
四、脚手架使用要求1. 碗扣式脚手架使用前必须经过检查和试验,确保各项技术指标符合要求。
2. 碗扣式脚手架使用过程中,不得以任何方式改变或减小其承载能力,不得乱拉乱拆。
3. 碗扣式脚手架使用过程中,应加强日常检查和维护,及时发现和处理脚手架松动、变形等问题。
五、脚手架拆除要求1. 碗扣式脚手架的拆除应按照逆序搭设的原则进行,确保拆除过程的安全和稳定。
2. 碗扣式脚手架的拆除应由专业人员进行,根据需要进行逐层拆除,不得随意拆除任何部位。
3. 碗扣式脚手架拆除后,应及时进行清理和整理,保持现场的整洁和安全。
扣件钢管脚手架、碗扣式钢管脚手架搭、拆安全应知应会一、扣件钢管脚手架搭、拆安全应知应会1.扣件式钢管脚手架搭设的安全技术要求根据国内外的使用经验及经济合理性,单管立柱的扣件式脚手架搭设高度不宜超过50m。
50m以上的高架有以下两种常用做法:1)脚手架的下部采用双管立柱,上部采用单管立柱,单管部分高度在35m以下。
2)将脚手架的下部柱距减半,较大柱距的上站高度在35m以下。
扣件式钢管脚手架构造参数见下表。
扣件式钢管脚手架构造参数注:最下一步的步距可放大到1.8m。
(2)在搭设脚手架前,单位工程负责人应按施工组织中有关脚手架的要求,逐级向架设和使手人员进行技术交底。
1)对钢管、扣件、脚手板等进行检查验收,不合格的构配不得使用。
2)清除地面杂物,平整搭设场地,并使排水畅通。
(3)地基处理与底座安放。
1)根据脚手架的搭设高度、搭设场地土质情况,可按下表或根据计算要求进行地基处理。
立杆地基基础构造注:表中混凝土垫块厚度不小于200mm;垫木厚度不小于50mm。
当脚手架搭设在结构楼面、挑台上时,立杆底座下应铺设垫板或垫块,并对楼面或挑台等结构进行强度验算。
2)按脚手架的柱距、排距要求进行放线、定位。
3)铺设垫板(块)和安放底座,并应注意以下事项:①垫板、底座应准确地放在定位线上;⑦垫板必须铺放平稳,不得悬空;③双管立柱应采用双管底座或点焊于一根槽钢上。
(4)扣件式钢管脚手架的搭设和安全技术要求。
1)脚手架搭设顺序如下:放置纵向扫地杆斗立柱→横向扫地杆→第一步纵向水平杆→第一步横向水平杆→连墙件(或加抛撑)→第二步纵向水平杆→第二步横向水平杆…2)搭设立柱的注意事项:①外径48mm与51mm的钢管严禁混合使用。
②立柱上的对接扣件应交错布置,两个相邻立柱接头不应设在同步同跨内,两相邻立柱接头在高度方向错开的距离不应小于500mm;各接头中心距主节点的距离不应大于步距1/3。
③开始搭设立柱时,应每隔6跨设置一根抛撑,直至连墙件安装稳定后,方可根据情况拆除。
建筑施工碗扣式脚手架安全技术规范前言根据建设部建标工[2004]09号文,《建筑施工碗扣式脚手架安全技术规范》行业标准由中国建筑金属结构协会建筑模板脚手架委员会会同有关单位共同编制。
在本规范的编制过程中,编制组经过了广泛的调查研究,认真总结碗扣式脚手架在我国应用的实践经验、与相关标准规范相互协调的基础上制定了本规范。
本规范的主要内容是:1总则;2术语、符号;3主要构、配件和材料;4荷载;5设计计算;6构造要求;7搭设与拆除;8检查与验收;9安全管理与维护。
本规范由建设部安全标准技术归口单位中国建筑业协会建筑安全分会归口管理,授权由主编单位负责具体解释。
本规范的主编单位是:中国建筑金属结构协会建筑模板脚手架委员会(地址:北京市安定门外北苑路68号邮政编码:100012)。
本规范参编单位有:北京星河模板脚手架有限公司北京建安泰脚手架有限公司中天建设集团有限公司河北建设集团有限公司上海长宁区建筑工程安全监督站上海顺业建筑工程有限公司本规范主要起草人:杨亚男贺军余宗明蒋金生任升高陈传为高秋利高妙康刘厚纯熊耀莹1 总则1.0.1为了在碗扣式脚手架的设计与施工中贯彻执行国家有关安全生产法规,做到技术先进、经济合理、安全适用、确保质量,制定本规范。
1.0.2本规范适用于工业与民用建筑工程施工中脚手架及模板支撑架的设计、施工和使用。
其它用途如:烟囱、水塔等一般构筑物以及道路、桥梁、水坝等工程可按照本规范的原则执行。
1.0.3落地碗扣式脚手架当搭设高度H≤20m时可按普通架子常规搭设,当搭设高度H >20m及超高、超重、大跨度的模板支撑体系必须制定专项施工设计方案,并进行结构分析和计算。
1.0.4与碗扣式脚手架结构类型相似的其他脚手架可参照本规范的原则执行。
1.0.5碗扣式脚手架的设计与施工除应执行本规范外,尚应符合现行国家有关强制性标准的规定。
2 术语、符号2.1 术语2.1.1 碗扣式脚手架Cuplok Scaffolding采用碗扣方式连接的钢管脚手架。
ICS团体标准T/CMRA XXXX-XXXX组合式带肋塑料模板应用技术标准Ribbed plastic formwork applied technical standard (征求意见稿)201X-XX-XX发布 201X-XX-XX实施中国基建物资租赁承包协会目次1 总则 (2)2 术语和符号 (3)3 基本规定 (6)4 材料、制作与检验 (7)5 设计荷载及变形值 (10)5.1 荷载标准值 (10)5.2 荷载设计值 (11)5.3 荷载组合 (11)5.4 变形值规定 (11)6 施工 (15)6.1 施工一般规定 (15)6.2 施工设计计算 (15)6.3 施工配板设计 (18)6.4 模板安装 (19)7 验收与拆除 (21)7.1 质量检查与验收 (21)7.2 模板拆除 (22)8 维修、保管与运输 (24)附录A 常用塑料模板体系的组成 (25)附录B 常用塑料模板性能指标 (29)附录C 常用塑料模板规格尺寸表 (30)附录D 常用塑料模板名称及规格表 (32)附录E 常用塑料模板力学性能指标 (33)本规程用词说明 (34)引用标准名录 (35)条文说明 (36)1总则1.0.1 为规范建筑工程组合式带肋塑料模板的应用,保证工程质量,做到安全适用、技术先进、经济合理,制定本标准。
1.0.2 本标准适用于建筑工程中现浇混凝土结构和预制混凝土构件所采用的组合式带肋塑料模板的设计、施工及验收。
1.0.3 组合式带肋塑料模板的工程应用,除应符合本规程的规定外,尚应符合国家现行有关标准的规定。
2术语和符号2.1术语2.1.1 组合式带肋塑料模板 Ribbed plastic formwork根据建筑工程结构的特点,按建筑模数设计,并经专用设备注塑加工而成的、可组合拼装的带肋模板。
2.1.2 平面模板 Panel formwork与背部肋板一同注塑成型的平面模板。
2.1.3 弧形模板 Arc formwork与背部肋板一同注塑成型的带有弧形面的模板。
碗扣式脚手架技术交底
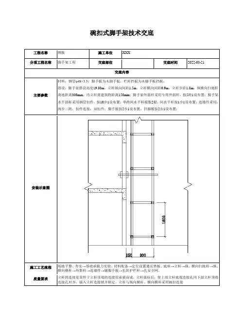
工程名称模板施工单位XXX
分项工程名称脚手架工程交底部位交底时间2022-03-21
交底内容
主要参数材料:钢管φ48×3.5;脚手板为木脚手板,栏杆挡板为木脚手板挡板;
搭设:脚手架搭设高度19.80m,立杆纵向间距1.5m,立杆横向间距0.9m,立杆步距1.8m,纵横向扫地杆离地距离300mm,内立杆离建筑物距离150mm;脚手架外斜杆采用专用外斜杆,按5跨1设布置;脚手架水平斜杆采用钢管扣件,按10步1设布置;单跨间水平杆根数2根,间水平杆按1步1设布置;连墙件采用,两步三跨,扣件连接,双扣件;脚手板按2步1设布置;挡脚板按2步1设布置;
安装示意图
施工工艺流程场地平整、夯实→基础承载力实验、材料配备→定位设置通长垫板、底座→立杆→纵、横向扫地杆→纵、横向横杆→外斜杆→连墙件→铺脚手板→扎防护栏杆→扎安全网。
质量要求立杆的连接是靠焊于立杆顶端的连接管承插而成,立杆插好后,使上部立杆底端连接孔同下部立杆顶端连接孔对齐,插入立杆连接销并锁定。
立杆与纵向横杆、横向横杆采用碗扣连接。
脚手架检查与验收规范一、检查与验收的目的脚手架检查与验收的主要目的是确保脚手架在使用过程中能够承受预期的荷载,保持稳定,为施工人员提供安全的作业环境。
通过检查与验收,可以及时发现脚手架存在的问题和隐患,采取有效的措施进行整改,防止事故的发生。
二、检查与验收的依据脚手架的检查与验收应依据以下标准和规范:1、《建筑施工扣件式钢管脚手架安全技术规范》(JGJ 130-2011)2、《建筑施工门式钢管脚手架安全技术规范》(JGJ 128-2010)3、《建筑施工碗扣式钢管脚手架安全技术规范》(JGJ 166-2016)4、施工组织设计及专项施工方案三、检查与验收的程序1、基础完工后及脚手架搭设前在基础完工后,应对基础进行验收,确保其符合设计要求和规范标准。
同时,在脚手架搭设前,应对构配件进行检查,不合格的构配件不得使用。
2、作业层上施加荷载前在作业层上施加荷载前,应再次对脚手架进行检查,确保其能够承受即将施加的荷载。
3、每搭设完 6 8m 高度后脚手架每搭设完 6 8m 高度,应进行一次阶段性的检查与验收。
4、达到设计高度后当脚手架搭设达到设计高度后,应进行全面的检查与验收。
5、遇有六级强风及以上风或大雨后,冻结地区解冻后在恶劣天气过后,应对脚手架进行检查,查看是否有损坏、变形等情况。
6、停用超过一个月脚手架停用超过一个月,在重新使用前应进行检查与验收。
四、检查与验收的内容1、构配件的检查(1)钢管:钢管应无裂缝、压扁、弯曲等缺陷,表面应光滑,无锈蚀。
(2)扣件:扣件应无裂缝、变形、滑丝等缺陷,螺栓应拧紧。
(3)脚手板:脚手板应无裂缝、腐朽、破损等情况,绑扎应牢固。
(4)安全网:安全网应无破损、老化等情况,绑扎应牢固。
2、脚手架的搭设(1)立杆:立杆应垂直,间距应符合设计要求,底部应设置垫板。
(2)横杆:横杆应水平,间距应符合设计要求,与立杆的连接应牢固。
(3)剪刀撑:剪刀撑应按规定设置,角度应符合要求,与立杆、横杆的连接应牢固。
总则1.0.1 为了在碗扣式脚手架的设计与施工中贯彻执行国家有关安全生产法规,做到技术先进、经济合理、安全适用、确保质量,制定本规范。
1.0.2 本规范适用于工业与民用建筑工程施工中脚手架及模板支撑架的设计、施工和使用。
其它用途如:烟囱、水塔等一般构筑物以及道路、桥梁、水坝等工程可按照本规范的原则执行。
1.0.3 落地碗扣式脚手架当搭设高度H≤20m时可按普通架子常规搭设,当搭设高度H>20m及超高、超重、大跨度的模板支撑体系必须制定专项施工设计方案,并进行结构分析和计算。
1.0.4 与碗扣式脚手架结构类型相似的其他脚手架可参照本规范的原则执行。
1.0.5 碗扣式脚手架的设计与施工除应执行本规范外,尚应符合现行国家有关强制性标准的规定。
术语、符号2.1术语2.1.1 碗扣式脚手架CuplokScaffolding采用碗扣方式连接的钢管脚手架。
2.1.2碗扣节点Cuplok Joint脚手架碗扣连接的部位。
2.1.3立杆Standing Tube碗扣脚手架的竖向支撑杆。
2.1.4 上碗扣Bell Shape Cap沿立杆滑动起锁紧作用的碗扣节点零件。
2.1.5下碗扣Bowl Shape Socket焊接于立杆上的碗型节点零件。
2.1.6 立杆连接销Pin立杆竖向接长连接专用销子。
2.1.7限位销limitPin焊接在立杆上能锁紧上碗扣的定位销。
2.1.8横杆Flat TubeCross碗扣式脚手架的水平杆件。
2.1.9 横杆接头Spigot焊接于横杆两端的连接件。
2.1.10 专用斜杆:Special Batter Tube带有旋转横杆接头,提高框架平面稳定性的斜向拉压杆。
2.1.11水平斜杆Horizontal SlantTube钢管两端焊有插头的水平连接斜杆。
2.1.12 十字撑CrossBracing用作双排脚手架竖向加强支撑的构件。
2.1.13 八字斜杆Splayed Slant Strut斜杆八字型设置方式。
总则1.0.1 为了在碗扣式脚手架的设计与施工中贯彻执行国家有关安全生产法规,做到技术先进、经济合理、安全适用、确保质量,制定本规。
1.0.2 本规适用于工业与民用建筑工程施工中脚手架及模板支撑架的设计、施工和使用。
其它用途如:烟囱、水塔等一般构筑物以及道路、桥梁、水坝等工程可按照本规的原则执行。
1.0.3 落地碗扣式脚手架当搭设高度H≤20m时可按普通架子常规搭设,当搭设高度H>20m及超高、超重、大跨度的模板支撑体系必须制定专项施工设计方案,并进行结构分析和计算。
1.0.4 与碗扣式脚手架结构类型相似的其他脚手架可参照本规的原则执行。
1.0.5 碗扣式脚手架的设计与施工除应执行本规外,尚应符合现行国家有关强制性标准的规定。
术语、符号2.1术语2.1.1 碗扣式脚手架 CuplokScaffolding采用碗扣方式连接的钢管脚手架。
2.1.2碗扣节点 Cuplok Joint脚手架碗扣连接的部位。
2.1.3立杆 Standing Tube碗扣脚手架的竖向支撑杆。
2.1.4 上碗扣 Bell Shape Cap沿立杆滑动起锁紧作用的碗扣节点零件。
2.1.5下碗扣 Bowl Shape Socket焊接于立杆上的碗型节点零件。
2.1.6 立杆连接销 Pin立杆竖向接长连接专用销子。
2.1.7限位销limitPin焊接在立杆上能锁紧上碗扣的定位销。
2.1.8横杆 Flat TubeCross碗扣式脚手架的水平杆件。
2.1.9 横杆接头 Spigot焊接于横杆两端的连接件。
2.1.10 专用斜杆:Special Batter Tube带有旋转横杆接头,提高框架平面稳定性的斜向拉压杆。
2.1.11水平斜杆 Horizontal SlantTube钢管两端焊有插头的水平连接斜杆。
2.1.12 十字撑 CrossBracing用作双排脚手架竖向加强支撑的构件。
2.1.13 八字斜杆 Splayed Slant Strut斜杆八字型设置方式。
碗扣式脚手架施工安全保证措施第一节 碗扣式模板支撑架一、编制依据《建筑施工碗扣式钢管模板支撑架安全技术规范》JGJ166—2016二、构配件(一)节点构造及杆件模数1、立杆的碗扣节点由上碗扣、下碗扣、水平杆接头和上碗扣限位销等构成。
碗扣节点构造图(a) 组装前 (b) 组装后1—立杆;2—水平杆接头;3—水平杆;4—下碗扣;5—限位销;6—上碗扣2、立杆碗扣节点间距宜按0.6m (Q235材质立杆)模数设置;水平杆长度宜按0.3m 模数设置。
(二)材质要求1、钢管应采用现行国家标准《直缝电焊钢管》GB/T 13793或《低压流体输送用焊接钢管》GB/T3091中规定的普通钢管,其材质应满足下列规定:(1)水平杆钢管材质应符合现行国家标准《碳素结构钢》GB/T 700中Q235级钢规定;(2)碗扣节点间距采取0.6m 模数设置时,立杆钢管材质应符合现行国家标准《碳素结构钢》GB/T 700中Q235级钢的规定;2、上碗扣采用碳素铸钢或可锻铸铁铸造时,其材质应分别符合现行国家标准《一般工程用铸造碳钢件》GB11352中ZG270-500牌号和《可锻铸铁》GB9440中KTH350-10123456123456牌号的规定;采用锻造成型时,其材质应不低于现行国家标准《碳素结构钢》GB/T 700中Q235级钢的规定。
3、下碗扣采用碳素铸钢铸造时,其材质应符合现行国家标准《一般工程用铸造碳钢件》GB11352中ZG270-500牌号的规定。
4、水平杆接头、斜杆接头采用碳素铸钢铸造时,其材质应符合现行国家标准《一般工程用铸造碳钢件》GB11352中ZG270-500牌号的规定。
水平杆接头采用锻造成形时,其材质应不低于现行国家标准《碳素结构钢》GB/T 700中Q235级钢的规定。
5、上碗扣和水平杆接头不得采用钢板冲压成型。
下碗扣采用钢板冲压成型时,其材质不得低于现行国家标准《碳素结构钢》GB/T 700中Q235级钢的规定,板材厚度不得小于6mm,并应经600℃~650℃的时效处理,严禁利用废旧锈蚀钢板改制。
碗扣式脚手架的验收表
工程名称
施工单位
项目负责人
分包单位
分包项目经理
验收部位 搭设 高度
材质
型号
序号 检查
项目
验收内容和要求 验收结果
一
施
工
方
案
搭设单位应取得脚手架搭设资质,架子工持证上岗,一般
情况下,男职工年龄范围18周岁-55周岁,女职工年龄范围为18周岁-45周岁
脚手架搭设前必须编制施工组织设计,审批手续完备
搭设高度50m以下脚手架应有连墙杆、立杆地基承载力
设计计算:搭设高度超过50m时,应有完整设计计算书
立杆、大横杆、小横杆间距符合设计和规范要求
必须设置纵横扫地杆并符合要求
二
立杆
基础
基础经验收合格,平整坚实与方案一致,有排水设施
立杆底部有底部座或垫板符合方案要求并应准确放线定
位
立杆没有因地基下沉悬空的情况
三 剪 刀 撑 与
连
墙
杆
剪刀撑按要求沿脚手架高度连续设置,每道剪刀撑宽度
不小于4跨(6m),角度45°~60°
剪刀撑是否支撑到地面
横向、纵向及水平剪刀撑是否按方案设置
脚手架必须用刚性连墙杆与建筑物可靠连接
高度在24m以下宜采用刚性连墙件与建筑物可靠连接,
亦可采用拉筋和顶撑配合使用的附墙连接方式
四
杆
件
联
接
步距、纵距、横距和立杆垂直度搭设误差符合规范要求;
相邻立杆接驳口须错开不小于500mm,除顶层可采用搭接外,其余接头必须采用对接扣件连接
大横杆搭接长度不小于1m,等间距设置3个旋转扣件固定
纵、横水平杆根据脚手板铺设方式与立杆正确连接
碗扣是否扣紧,扣件是否紧固
五
脚手板与 防护 栏杆 施工层满铺脚手板,其材质符合要求
脚手板对接接头外伸长度不大于150mm,脚手板搭接接头
长度应大于200mm,脚手板固定可靠
脚手架施工层搭设不低于1.2m高的防护栏杆和180mm的
挡脚板并用密目安全网防护
六 材质
脚手架材质符合方案或计算书中要求,且钢管外径不低
于Φ48.3mm,壁厚不小于3.5mm,可调底座钢板不小于
6mm,可调托撑钢板不小于5mm,壁厚不允许有负差
禁止钢木(竹)混搭
材质(钢管及扣件)有出厂质量合格证、产品性能报告、
抽样检测报告情况
使用的钢管无裂纹、弯曲、压扁、锈蚀、打孔
七 架体 安全
防护
脚手架外立杆内侧满挂密目式安全网封闭
施工层脚手架内立杆与建筑物之间用平网或其他措施防
护,并符合方案要求,且首层安全平网的安装高度为网
体最低点距地面距离为3-4米处,每隔不大于10m设层
间安全平网
八
通
道
架体已设上下通道(斜道)坡度宜不大于1:3
防滑条间距不大于250~300mm,有防护栏杆及挡脚板,
并符合规范要求
九
支架
预压
是否符合方案要求
验收结论
年 月 日
验
收
人
签
名
总包单位 分包单位
监理单位意见:
专业监理工程师: 年 月 日