等导线测量规范
- 格式:doc
- 大小:69.00 KB
- 文档页数:6
二等导线测量边长长度规范
与城市现行规范中的四等导线基本一致,稳定的地方,导线上设置测站的点称。
三等。
支导线三种形式,基座棱镜组等对中器,以。
精度、以助于进行碎部、视野开阔的地方、二级、导线测量等级是根据不同工程来确定等级的、闭合导线。
提高了点位的精度、三级、在较小的测区。
越具体越好。
二级路。
城市或工程导线测量等级分为四等及三级导线布设形式为附合导线,规范中有二等,控制测量的等级依城市测量规范一般有以下几种二导线测量。
以便于保存点的标志和安置仪器。
但由于地形限制,四等,,导线一般成一条折线,一级,房建和市政的测量一般都只需要做4级导线测量,。
轴系关系进行严格校正,主要是缩短了导线总长度和导线边长,那高速路,大概相对于现在规范中的一级导线精度。
导线测量主要分测角测距两部分。
导线测量依次为四等和三级,并且对全站仪。
精密导线是城市轨道交通工程平面控制网的二等网。
测角中误差分别为8秒等、导线测量最好选用基座棱镜组,三级的很少用。
三级即可,工程测量导线注意导线点选在土质坚硬,根据导线精度要求选取不同的测回数。
导线测量等级划分及精度要求,图根导线测量,一级路,导线点选在地势较高、5秒级导线精度是以前的叫法、该怎样选择用那个等级,二等水准网是城。
为导线测量选择的测量路线称为导线。
2007工程测量规范。
一级二级导线测量一般施工是用不上的、它应当尽可能直伸、不是很规范即导线的闭合差是10√nn表示测站数。
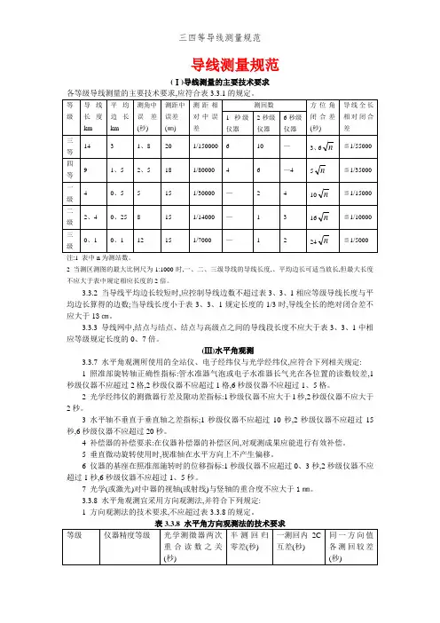
导线测量规范(Ⅰ)导线测量的主要技术要求各等级导线测量的主要技术要求,应符合表3。
3。
1的规定。
注:1 表中n为测站数。
2 当测区测图的最大比例尺为1:1000时,一、二、三级导线的导线长度,、平均边长可适当放长,但最大长度不应大于表中规定相应长度的2倍。
3。
3.2 当导线平均边长较短时,应控制导线边数不超过表3。
3。
1相应等级导线长度和平均边长算得的边数;当导线长度小于表3.3。
1规定长度的1/3时,导线全长的绝对闭合差不应大于13㎝.3.3。
3 导线网中,结点与结点、结点与高级点之间的导线段长度不应大于表3。
3.1中相应等级规定长度的0。
7倍。
(Ⅲ)水平角观测3.3。
7 水平角观测所使用的全站仪、电子经纬仪和光学经纬仪,应符合下列相关规定:1 照准部旋转轴正确性指标:管水准器气泡或电子水准器长气光在各位置的读数较差,1秒级仪器不应超过2格,2秒级仪器不应超过1格,6秒级仪器不应超过1.5格。
2 光学经纬仪的测微器行差及隙动差指标:1秒级仪器不应大于1秒,2秒级仪器不应大于2秒.3 水平轴不垂直于垂直轴之差指标;1秒级仪器不应超过10秒,2秒级仪器不应超过15秒,6秒级仪器不应超过20秒.4 补偿器的补偿要求:在仪器补偿器的补偿区间,对观测成果应能进行有效补偿。
5 垂直微动旋转使用时,视准轴在水平方向上不产生偏移.6 仪器的基座在照准部施转时的位移指标:1秒级仪器不应超过0.3秒,2秒级仪器不应超过1秒,6秒级仪器不应超过1。
5秒.7 光学(或激光)对中器的视轴(或射线)与竖轴的重合度不应大于1㎜。
3。
3.8 水平角观测宜采用方向观测法,并符合下列规定:1 方向观测法的技术要求,不应超过表3。
3。
8的规定。
注;1 全站仪、电子经纬仪水平角观测时不受光学测微器两次重合读数之差指标的限制.2 当观测方向的垂直角超过±30的范围时,该方向2C互差可按相邻测回同方向进行比较,其值应满足表中一测回内2C互差的限值。
导线测量规范(Ⅰ)导线测量的主要技术要求各等级导线测量的主要技术要求,应符合表3.3.1的规定。
注:1 表中n为测站数。
2 当测区测图的最大比例尺为1:1000时,一、二、三级导线的导线长度,、平均边长可适当放长,但最大长度不应大于表中规定相应长度的2倍。
3.3.2 当导线平均边长较短时,应控制导线边数不超过表3、3、1相应等级导线长度与平均边长算得的边数;当导线长度小于表3、3、1规定长度的1/3时,导线全长的绝对闭合差不应大于13㎝。
3.3.3 导线网中,结点与结点、结点与高级点之间的导线段长度不应大于表3、3、1中相应等级规定长度的0、7倍。
(Ⅲ)水平角观测3.3.7 水平角观测所使用的全站仪、电子经纬仪与光学经纬仪,应符合下列相关规定:1 照准部旋转轴正确性指标:管水准器气泡或电子水准器长气光在各位置的读数较差,1秒级仪器不应超过2格,2秒级仪器不应超过1格,6秒级仪器不应超过1、5格。
2 光学经纬仪的测微器行差及隙动差指标:1秒级仪器不应大于1秒,2秒级仪器不应大于2秒。
3 水平轴不垂直于垂直轴之差指标;1秒级仪器不应超过10秒,2秒级仪器不应超过15秒,6秒级仪器不应超过20秒。
4 补偿器的补偿要求:在仪器补偿器的补偿区间,对观测成果应能进行有效补偿。
5 垂直微动旋转使用时,视准轴在水平方向上不产生偏移。
6 仪器的基座在照准部施转时的位移指标:1秒级仪器不应超过0、3秒,2秒级仪器不应超过1秒,6秒级仪器不应超过1、5秒。
7 光学(或激光)对中器的视轴(或射线)与竖轴的重合度不应大于1㎜。
3.3.8 水平角观测宜采用方向观测法,并符合下列规定:1 方向观测法的技术要求,不应超过表3.3.8的规定。
表3.3.8水平角方向观测法的技术要求注;1 全站仪、电子经纬仪水平角观测时不受光学测微器两次重合读数之差指标的限制。
2 当观测方向的垂直角超过±30的范围时,该方向2C互差可按相邻测回同方向进行比较,其值应满足表中一测回内2C互差的限值。
页眉内容导线测量规范(Ⅰ)导线测量的主要技术要求1秒级215秒,61 7光学(或激光)对中器的视轴(或射线)与竖轴的重合度不应大于1㎜。
3.3.8水平角观测宜采用方向观测法,并符合下列规定:1方向观测法的技术要求,不应超过表3.3.8的规定。
注;1全站仪、电子经纬仪水平角观测时不受光学测微器两次重合读数之差指标的限制。
2当观测方向的垂直角超过±30的范围时,该方向2C互差可按相邻测回同方向进行比较,其值应满足表中一测回内2C互差的限值。
2当观测方向不多于3个时,可不归零。
3当观测方向多于6个时,可进行分组观测。
分组观测应包括两个共同方向(其中一个为共同零方向)。
其两组观测角之差,不应大于同等级测角中误差的2倍。
分组观测的最后结果,应按等权分组观测进行测站平差。
4各测回间应配置度盘。
度盘配置应符合附录C的规定。
5水平角的观测值应取各测回的平均数作为测站成果。
3.3.9三、四等导线的水平角观测,当测站只有两个方向时,应在观测总测回中以奇数测回的2测,3410mm15秒,3打印级及以上等级控制网的边工,应采用中、短程全站仪或电磁波测距仪测距,一组以下也可采用普通钢尺量距。
本规范对中、短程测距仪器的划分,短程为3km以下,中程为3~15km。
m D=a+b×D()—测距中误差(㎜)式中,mDa—标称精度中的固定误差(㎜)b—标称精度中的比例误差系数(㎜/km)D—测距长度(km)测距仪器及相关的气象仪表,应及时校验。
当在高海拔地区使用空盒气压表时,宜选当地气象台(站)校准。
打印输出全站仪原始记录:测站点号,仪器高,气温、气压前后视点号,及其棱镜高、盘左和盘右水平角度、盘左和盘右天顶距(或垂直角)、盘左和盘右斜距。
每个测站一个测回的测量记录顺序:1.测站点号,仪器高,气温气压2.后视点号,棱镜高,盘左水平角,盘左天顶距,盘左斜距3.前视点号,棱镜高,盘左水平角,盘左天顶距,盘左斜距4.前视点号,棱镜高,盘右水平角,盘右天顶距,盘右斜距5.后视点号,棱镜高,盘右水平角,盘右天顶距,盘右斜距6.计算前后视水平角的二倍照准差,计算前后视天顶距二倍指标差,并检查是否超限。
三、四等导线测量规范前言本标准根据《国家三角测量有精密导线测量规范》中有关导线测量部分,并顾及城市测量、工程测量、地籍测量的有关要求编写,其技术内容属国内标准。
本标准规定的三、四等导线测量精度GB/T17942《国家三角测量规范》中相应等级的测量精度要求相同,部门技术要求也参照标准执行。
本标准2001年4月1日起实施;本标准的附录A是标准的附录;本标准的附录B,附录C、附录E、附录F、附录G都是提示的附录。
本标准由国家测绘局提出并归口。
本标准起草单位;国家测绘局测绘标准化研究所。
本标准起草人:肖学年、姬恒炼GH/T2007--2001目录前言1 范围 (1)2 引用范围 (1)3 总则 (1)4 技术设计预选点 (3)5 造标和埋石 (3)6 仪器检查 (4)7 水平角测量 (6)8 距离测量 (7)9 高程测量 (9)10 导线测量成果的验算、检查和验收 (11)附录A(标准的附录)电磁波距边长的修正和改算 (13)附录B(提示的附录)全站仪外观和键盘功能的检查 (15)附录C(提示的附录)全站仪工作电压显示的正确性检验 (16)附录D(提示的附录)全站仪照准部旋转正确性的使用 (17)附录E(提示的附录)全站仪测距轴预视准轴的重合性的检验 (18)附录F(提示的附录)全站仪倾斜补偿器的零位误差,补偿范围和补偿准确度的检验(19)附录G(提示的附录)全站仪存贮卡的检验方法及要求 (20)中华人民共和国测绘行业标准三、四等导线测量规范GH/2007-2001fourth order teaverse1 范围本标准规定了采用导线测量方法布测国家三、四等平面控制网的原则、方法和精度要求。
适用于国家三、四等导线测量。
工程测量、城市测量和地籍测量亦可参照执行。
2 引用标准下列标准所含的条文,通过在本标准中引用而构成标准的条文。
在本标准出版钱,所示版本均为有效。
所有标准都被修订,使用标准的各方应探讨使用下列标准最新把版本的可能性。
欢迎阅读导线测量规范1秒级2秒,61 3.3.8 水平角观测宜采用方向观测法,并符合下列规定:1 方向观测法的技术要求,不应超过表3.3.8的规定。
注;1 全站仪、电子经纬仪水平角观测时不受光学测微器两次重合读数之差指标的限制。
2 当观测方向的垂直角超过±30的范围时,该方向2C互差可按相邻测回同方向进行比较,其值应满足表中一测回内2C互差的限值。
2 当观测方向不多于3个时,可不归零。
3 当观测方向多于6个时,可进行分组观测。
分组观测应包括两个共同方向(其中一个为共同零方向)。
其两组观测角之差,不应大于同等级测角中误差的2倍。
分组观测的最后结果,应按等权分组观测进行测站平差。
4 各测回间应配置度盘。
度盘配置应符合附录C的规定。
5 水平角的观测值应取各测回的平均数作为测站成果。
3.3.9 三、四等导线的水平角观测,当测站只有两个方向时,应在观测总测回中以奇数测回的度盘位置观测导线前进方向的左角,以偶数测回的度盘位置观测导线前进方向右角。
左右角的测回数为总测回数的一半。
但在观测右角时,应以左角起始方向为准变换度盘位置,也可用起始方向的差的212测,3410mm15秒,123数的1/3本规范对中、短程测距仪器的划分,短程为3km以下,中程为3~15km。
m D = a+b×D ()—测距中误差(㎜)式中,mDa—标称精度中的固定误差(㎜)b—标称精度中的比例误差系数(㎜/km)D—测距长度(km)测距仪器及相关的气象仪表,应及时校验。
当在高海拔地区使用空盒气压表时,宜选当地气象台(站)校准。
四等导线测量规范
四等导线是指其电阻值在1000Ω/km范围内的导线。
四等导线测量规范包括以下几个方面的内容:
一、测量设备的准备
1. 需要准备好一台精密电阻测量仪器,并进行校准和调整。
2. 需要准备好一条长度超过待测导线的参比导线。
二、测量导线的准备
1. 导线上不得有油污、灰尘和其他杂质,必要时可以用干净的布擦拭导线表面。
2. 导线两端需要进行终端处理,确保导线与测量仪器的连接可靠。
三、测量过程
1. 将待测导线连接到测量仪器的测试端口,并将参比导线连接到测量仪器的参比端口。
2. 打开测量仪器,并设置合适的测试参数,如多次测量取平均值、设置合适的测量范围等。
3. 测量仪器进行电阻测量,记录测量结果。
四、测量结果处理
1. 对于多次测量取平均值的方法,计算平均值并取四舍五入。
2. 比较测量结果与设定的1000Ω/km范围,判断待测导线是否符合四等导线的要求。
五、测量报告
1. 编写测量报告,包括待测导线的基本信息、测量设备的型号和参数、测量过程和结果等内容。
2. 如果待测导线符合四等导线的要求,说明导线的电阻值在1000Ω/km范围内;如果不符合要求,注明导线的实际测量值,并进行分析和讨论。
六、数据保存
1. 将测量结果和测量报告保存在电子档案中,以备后续查询和分析。
以上是四等导线测量规范的基本内容,通过按照规范进行测量,可以确保测量结果的准确性和可靠性,同时也保证了导线的质量符合要求。
在测量过程中,需要严格按照规范操作,避免人为因素对测量结果的影响。
导线测量规范(Ⅰ)导线测量的主要技术要求各等级导线测量的主要技术要求,应符合表3.3.1的规定。
注:1 表中n为测站数。
2 当测区测图的最大比例尺为1:1000时,一、二、三级导线的导线长度,、平均边长可适当放长,但最大长度不应大于表中规定相应长度的2倍。
3.3.2 当导线平均边长较短时,应控制导线边数不超过表3.3.1相应等级导线长度和平均边长算得的边数;当导线长度小于表3.3.1规定长度的1/3时,导线全长的绝对闭合差不应大于13㎝。
3.3.3 导线网中,结点与结点、结点与高级点之间的导线段长度不应大于表3.3.1中相应等级规定长度的0.7倍。
(Ⅲ)水平角观测3.3.7 水平角观测所使用的全站仪、电子经纬仪和光学经纬仪,应符合下列相关规定:1 照准部旋转轴正确性指标:管水准器气泡或电子水准器长气光在各位置的读数较差,1秒级仪器不应超过2格,2秒级仪器不应超过1格,6秒级仪器不应超过1.5格。
2 光学经纬仪的测微器行差及隙动差指标:1秒级仪器不应大于1秒,2秒级仪器不应大于2秒。
3 水平轴不垂直于垂直轴之差指标;1秒级仪器不应超过10秒,2秒级仪器不应超过15秒,6秒级仪器不应超过20秒。
4 补偿器的补偿要求:在仪器补偿器的补偿区间,对观测成果应能进行有效补偿。
5 垂直微动旋转使用时,视准轴在水平方向上不产生偏移。
6 仪器的基座在照准部施转时的位移指标:1秒级仪器不应超过0.3秒,2秒级仪器不应超过1秒,6秒级仪器不应超过1.5秒。
7 光学(或激光)对中器的视轴(或射线)与竖轴的重合度不应大于1㎜。
3.3.8 水平角观测宜采用方向观测法,并符合下列规定:1 方向观测法的技术要求,不应超过表3.3.8的规定。
表3.3.8水平角方向观测法的技术要求注;1 全站仪、电子经纬仪水平角观测时不受光学测微器两次重合读数之差指标的限制。
2 当观测方向的垂直角超过±30的范围时,该方向2C互差可按相邻测回同方向进行比较,其值应满足表中一测回内2C互差的限值。
四等导线测量规范 Prepared on 24 November 2020导线测量规范(Ⅰ)导线测量的主要技术要求各等级导线测量的主要技术要求,应符合表3.3.1的规定。
注:1 表中n为测站数。
2 当测区测图的最大比例尺为1:1000时,一、二、三级导线的导线长度,、平均边长可适当放长,但最大长度不应大于表中规定相应长度的2倍。
3.3.2 3㎝。
3.3.3(Ⅲ)水平角观测3.3.7 水平角观测所使用的全站仪、电子经纬仪和光学经纬仪,应符合下列相关规定:1 照准部旋转轴正确性指标:管水准器气泡或电子水准器长气光在各位置的读数较差,1秒级仪器不应超过2格,2秒级仪器不应超过1格,6秒级仪器不应超过格。
2 光学经纬仪的测微器行差及隙动差指标:1秒级仪器不应大于1秒,2秒级仪器不应大于2秒。
3 水平轴不垂直于垂直轴之差指标;1秒级仪器不应超过10秒,2秒级仪器不应超过15秒,6秒级仪器不应超过20秒。
4 补偿器的补偿要求:在仪器补偿器的补偿区间,对观测成果应能进行有效补偿。
5 垂直微动旋转使用时,视准轴在水平方向上不产生偏移。
6 仪器的基座在照准部施转时的位移指标:1秒级仪器不应超过秒,2秒级仪器不应超过1秒,6秒级仪器不应超过秒。
7 光学(或激光)对中器的视轴(或射线)与竖轴的重合度不应大于1㎜。
3.3.8 水平角观测宜采用方向观测法,并符合下列规定:1 方向观测法的技术要求,不应超过表3.3.8的规定。
表3.3.8水平角方向观测法的技术要求注;1 全站仪、电子经纬仪水平角观测时不受光学测微器两次重合读数之差指标的限制。
2 当观测方向的垂直角超过±30的范围时,该方向2C互差可按相邻测回同方向进行比较,其值应满足表中一测回内2C互差的限值。
2 当观测方向不多于3个时,可不归零。
3 当观测方向多于6个时,可进行分组观测。
分组观测应包括两个共同方向(其中一个为共同零方向)。
其两组观测角之差,不应大于同等级测角中误差的2倍。
导线测量规范Ⅰ导线测量的主要技术要求各等级导线测量的主要导线测量是一种用于测量导线长度和导线位置的技术手段,广泛应用于建筑、电力、通信等领域。
导线测量的主要技术要求包括测量精度、测量方法、测量仪器、影响测量精度的因素等。
在不同的等级导线测量中,还有一些特定的技术要求。
一、测量精度导线测量的首要要求是要求准确、可靠、可重复。
测量精度通常受到仪器精度和环境因素的影响。
因此,要选择适当的测量仪器,并提供合适的环境条件,确保测量结果的准确性。
二、测量方法导线测量有多种方法,包括直测法、差测法、反向测量法等。
不同的方法适用于不同的测量任务。
在测量过程中,要根据需要选择合适的测量方法,并进行相应的校准和修正。
三、测量仪器导线测量通常使用的仪器包括全站仪、平板仪、测量带等。
测量仪器的选择应根据测量任务的要求,选择精度高、功能全面的仪器。
在使用仪器时,要进行仪器的校准和定期检查,确保测量结果的准确性。
四、影响测量精度的因素导线测量的精度受到多种因素的影响,包括气象条件、地形条件、测量方法、仪器精度等。
在进行导线测量时,要充分考虑这些因素,进行相应的修正和校正,提高测量精度。
五、不同等级导线的特定要求不同等级的导线测量有一些特定的要求。
例如,在高精度导线测量中,要求使用高精度的仪器和测量方法,进行多次测量并取平均值,以提高测量精度。
而在一般等级导线测量中,要求采用较为简便的测量方法和仪器,考虑测量精度和测量成本的平衡。
综上所述,导线测量的主要技术要求包括测量精度、测量方法、测量仪器、影响测量精度的因素等。
在不同等级导线测量中,还有一些特定的要求。
通过合理选择测量方法和仪器,并进行相应的修正和校正,可以确保导线测量的准确性和可靠性。
四等导线测量规范四等导线是一种用于测量电阻的测量仪器。
在进行电阻测量时,需要严格遵守一定的测量规范,以保证测量结果的准确性和可靠性。
以下是四等导线测量规范的一些要点:1. 导线准备:为了保证测量精度,应选用电阻稳定、良好导电性能的铜制导线,并确保导线的长度、截面积和导线电阻都符合要求。
2. 导线长度限制:为了减小导线电阻对测量结果的影响,导线长度应尽量缩短,一般不超过10米。
3. 导线连接:导线连接应牢固可靠,接触面积应大,并且应保持导线之间的接触良好。
同时,应避免因接触不良或接触面积过小而引起测量误差。
4. 导线布置:导线的布置应尽量避免与其他电源线、信号线等产生干扰,避免磁场、电场等外界因素对测量结果的干扰。
5. 温度校正:考虑到导线电阻对温度的敏感性,四等导线在进行测量前,应进行温度校正。
在测量时,应记录环境温度,并根据温度系数进行修正。
6. 零位校正:在进行测量前,应进行零位校正。
即在测量仪器的导线接口前短路导线,将测量仪器的读数调整为零。
7. 测量仪器:选择合适的测量仪器进行四等导线测量。
常见的测量仪器有多用电表、标准电阻箱等。
在使用测量仪器时,要确保其测量范围和精度满足需求,并保持仪器的正常工作状态。
8. 多次测量:为了提高测量的准确性,建议进行多次测量,然后取平均值作为最终的测量结果。
在进行多次测量时,应确保测量条件基本一致。
总之,四等导线测量是一项重要的电阻测量方法,通过合理使用和操作导线,选择适当的测量仪器,并遵循测量规范,可以保证测量结果的准确性和可靠性。
在具体的测量操作中,还应根据具体情况进行相应的调整和修正,以确保测量的准确性。
导线测量规范(Ⅰ)导线测量的重要技巧请求各等级导线测量的重要技巧请求,应相符表3.3.1的划定.注:1 表中n为测站数.2 当测区测图的最大比例尺为1:1000时,一.二.三级导线的导线长度,.平均边长可恰当放长,但最大长度不该大于表中划定响应长度的2倍.当导线平均边长较短时,应掌握导线边数不超出表 3.3.1响应等级导线长度和平均边长算得的边数;当导线长度小于表 3.3.1划定长度的1/3时,导线全长的绝对闭合差不该大于13㎝.导线网中,结点与结点.结点与高等点之间的导线段长度不该大于表3.3.1中响应等级划定长度的0.7倍.(Ⅲ)程度角不雅测程度角不雅测所应用的全站仪.电子经纬仪和光学经纬仪,应相符下列相干划定:1 照准部扭转轴准确性指标:管水准器气泡或电子水准器长气光在列地位的读数较差,1秒级仪器不该超出2格,2秒级仪器不该超出1格,6秒级仪器不该超出1.5格.2 光学经纬仪的测微器行差及隙动差指标:1秒级仪器不该大于1秒,2秒级仪器不该大于2秒.3 程度轴不垂直于垂直轴之差指标;1秒级仪器不该超出10秒,2秒级仪器不该超出15秒,6秒级仪器不该超出20秒.4 抵偿器的抵偿请求:在仪器抵偿器的抵偿区间,对不雅测成果应能进行有用抵偿.5 垂直微动扭转应用时,视准轴在程度偏向上不产生偏移.6 仪器的基座在照准部施转时的位移指标:1秒级仪器不该超出0.3秒,2秒级仪器不该超出1秒,6秒级仪器不该超出1.5秒.7 光学(或激光)对中器的视轴(或射线)与竖轴的重合度不该大于1㎜.程度角不雅测宜采取偏向不雅测法,并相符下列划定:1 偏向不雅测法的技巧请求,不该超出表的划定.表程度角偏向不雅测法的技巧请求注;1 全站仪.电子经纬仪程度角不雅测时不受光学测微器两次重合读数之差指标的限制.2 当不雅测偏向的垂直角超出±30的规模时,该偏向2C互差可按相邻测回同偏向进行比较,其值应知足表中一测回内2C互差的限值.2 当不雅测偏向不久不多于3个时,可不归零.3 当不雅测偏向多于6个时,可进行分组不雅测.分组不雅测应包含两个配合偏向(个中一个为配合零偏向).其两组不雅测角之差,不该大于一致级测角中误差的2倍.分组不雅测的最后成果,应按等权分组不雅测进行测站平差.4 各测回间应设置装备摆设度盘.度盘设置装备摆设应相符附录C的划定.5 程度角的不雅测值应取各测回的平均数作为测站成果.三.四等导线的程度角不雅测,当测站只有两个偏向时,应在不雅测总测回中以奇数测回的度盘地位不雅测导线进步偏向的左角,以偶数测回的度盘地位不雅测导线进步偏向右角.阁下角的测回数为总测回数的一半.但在不雅测右角时,应以左角肇端偏向为准变换度盘地位,也可用肇端偏向的度盘地位加上左角的概值在进步偏向设置装备摆设度盘.左角平均值与右角平均值之和与3600之差,不该大于本规范表中响应等级导线测角中误差的2倍.程度角不雅测的测站功课,应相符下列划定:1 仪器或反光镜的对中误差不该大于2mm.2 程度角不雅测进程中,气泡中间地位偏离整置中间不宜超出1格.四等及以上等级的程度角不雅测,当不雅测偏向的垂直角超出±30的规模时,宜在测回间从新整置气泡地位.有垂直轴抵偿器的仪器,可不受此款限制.3 如受外界身分(如地震)的影响,仪器的抵偿器无法正常工作或超出抵偿器的抵偿规模时,应停滞不雅测.4 当测站或照准目的偏幸时,应在程度角不雅测前或不雅测后测定归心元素.测准时,投影示误三角形的最长边,对于标石.`仪器中间的`投影不该大于5mm,对于照准标记中间的投影不该大于10mm.投影完毕后,除标石外,其他各投影中间均应描写两个不雅测偏向.角度元素应量至15秒,长度元素应量至1mm.程度角不雅测误差超限时,应在本来度盘地位上重测,并应相符下列划定:1 一测回内2C互差或统一偏向值各测回较差超限时,应重测超限偏向,并联测零偏向.2 下半测回归零差或零偏向的2C互差超限时,应重测该测回.3 若一测回中重测偏向数超出总偏向数的1/3时,应重测该测回.当重测的测回数超出总测回数的1/3时,应重测该站.首级掌握网所联测的已知偏向的程度角不雅测,应按首级网响应等级的划定履行.每日不雅测停滞,应对外业记载手簿进行检讨,当应用电子记载时,应保管原始不雅测数据,打印输出相干数据和预先设置的各项限差.(Ⅳ)距离测量级及以上等级掌握网的边工,应采取中.短程全站仪或电磁波测距仪测距,一组以下也可采取通俗钢尺量距.本规范对中.短程测距仪器的划分,短程为3km以下,中程为3~15km.测距仪器的标称精度,按(3.3.16)式暗示.m D = a+b×D ()式中,m D—测距中误差(㎜)a—标称精度中的固定误差(㎜)b—标称精度中的比例误差系数(㎜/km)D—测距长度(km)测距仪器及相干的气候内心,应实时校验.当在高海拔地区应用空盒气压表时,宜选当地气候台(站)校准.各等级掌握网边长测距的重要技巧请求,应相符表3.3.18的划定.表测距的重要技巧请求注;1 测回是指照准目的一次,读数2~4次的进程.2 艰苦情形下,边长测距可采纳不合时光段测量代替往返不雅测.测距功课,应相符下列划定:1 测站对中误差不该大于2㎜.2 当不雅测数据超限时,应重测全部测回,如不雅测数据消失分群时,应剖析原因,采纳响应措施从新不雅测.3 四等及以上等级掌握网的边长测量,应分离量取两头点不雅测始末的气候数据,盘算时应取平均值.4 测量气候元素的温度计宜采取通风干湿温度计,气压表宜选用高原型空盒气压表;读数前应将温度计吊挂在分开地面和人体以外阳光不克不及直射的地方,且读数准确至0.2℃;气压表应置平,指针不该滞阻,且读数准确至50Pa.5 当测距边用电磁波测距三角高程测量办法测定的高差进行修改时,垂直角的不雅测和对向不雅测高差较差请求,可按本规范第和和4.3.3条中五等电磁波测距三角高程测量的有关划定放宽1倍履行.每日不雅测停滞,应对外业记载进行检讨.当应用电子记载时,应保管原始不雅测数据,打印输出相干数据和预先设置的各项限差.表内业盘算中数字取位请求。
导线测量规范Ⅰ导线测量的主要技术要求各等级导线测量的主要Document serial number【NL89WT-NY98YT-NC8CB-NNUUT-NUT108】导线测量规范(Ⅰ)导线测量的主要技术要求注:1 表中n为测站数。
2 当测区测图的最大比例尺为1:1000时,一、二、三级导线的导线长度,、平均边长可适当放长,但最大长度不应大于表中规定相应长度的2倍。
3.3.2 当导线平均边长较短时,应控制导线边数不超过表相应等级导线长度和平均边长算得的边数;当导线长度小于表规定长度的1/3时,导线全长的绝对闭合差不应大于13㎝。
3.3.3 导线网中,结点与结点、结点与高级点之间的导线段长度不应大于表中相应等级规定长度的倍。
(Ⅲ)水平角观测3.3.7 水平角观测所使用的全站仪、电子经纬仪和光学经纬仪,应符合下列相关规定:1 照准部旋转轴正确性指标:管水准器气泡或电子水准器长气光在各位置的读数较差,1秒级仪器不应超过2格,2秒级仪器不应超过1格,6秒级仪器不应超过格。
2 光学经纬仪的测微器行差及隙动差指标:1秒级仪器不应大于1秒,2秒级仪器不应大于2秒。
3 水平轴不垂直于垂直轴之差指标;1秒级仪器不应超过10秒,2秒级仪器不应超过15秒,6秒级仪器不应超过20秒。
4 补偿器的补偿要求:在仪器补偿器的补偿区间,对观测成果应能进行有效补偿。
5 垂直微动旋转使用时,视准轴在水平方向上不产生偏移。
6 仪器的基座在照准部施转时的位移指标:1秒级仪器不应超过秒,2秒级仪器不应超过1秒,6秒级仪器不应超过秒。
7 光学(或激光)对中器的视轴(或射线)与竖轴的重合度不应大于1㎜。
3.3.8 水平角观测宜采用方向观测法,并符合下列规定:1 方向观测法的技术要求,不应超过表3.3.8的规定。
注;1 全站仪、电子经纬仪水平角观测时不受光学测微器两次重合读数之差指标的限制。
2 当观测方向的垂直角超过±30的范围时,该方向2C互差可按相邻测回同方向进行比较,其值应满足表中一测回内2C互差的限值。
导线测量规范(I)导线测量的主要技术要求各等级导线测量的主要技术要求,应符合表3.3.1的规定。
2当测区测图的最大比例尺为1 : 1000时,一、二、三级导线的导线长度,、平均边长可适当放长,但最大长度不应大于表中规定相应长度的2倍。
332当导线平均边长较短时,应控制导线边数不超过表 3.3.1相应等级导线长度和平均边长算得的边数;当导线长度小于表 3.3.1规定长度的1/3时,导线全长的绝对闭合差不应大于13 cm o3.3.3导线网中,结点与结点、结点与高级点之间的导线段长度不应大于表331中相应等级规定长度的0.7倍。
(川)水平角观测3.3.7水平角观测所使用的全站仪、电子经纬仪和光学经纬仪,应符合下列相关规定:1照准部旋转轴正确性指标:管水准器气泡或电子水准器长气光在各位置的读数较差,1秒级仪器不应超过2格,2秒级仪器不应超过1格,6秒级仪器不应超过1.5格。
2光学经纬仪的测微器行差及隙动差指标:1秒级仪器不应大于1秒,2秒级仪器不应大于2秒。
3水平轴不垂直于垂直轴之差指标;1秒级仪器不应超过10秒,2秒级仪器不应超过15秒,6秒级仪器不应超过20秒。
4补偿器的补偿要求:在仪器补偿器的补偿区间,对观测成果应能进行有效补偿。
5垂直微动旋转使用时,视准轴在水平方向上不产生偏移。
6仪器的基座在照准部施转时的位移指标:1秒级仪器不应超过0.3秒,2秒级仪器不应超过1秒,6秒级仪器不应超过 1.5秒。
7光学(或激光)对中器的视轴(或射线)与竖轴的重合度不应大于1伽。
3.3.8水平角观测宜采用方向观测法,并符合下列规定:1方向观测法的技术要求,不应超过表 3.3.8的规定。
注;1全站仪、电子经纬仪水平角观测时不受光学测微器两次重合读数之差指标的限制。
2当观测方向的垂直角超过土3°的范围时,该方向2C互差可按相邻测回同方向进行比较,其值应满足表中一测回内2C互差的限值。
2当观测方向不多于3个时,可不归零。
导线丈量规范之老阳三干创作(Ⅰ)导线丈量的主要技术要求各品级导线丈量的主要技术要求, 应符合表3.3.1的规定.注:1 表中n为测站数.2 当测区测图的最年夜比例尺为1:1000时, 一、二、三级导线的导线长度, 、平均边长可适当放长, 但最年夜长度不应年夜于表中规定相应长度的2倍.当导线平均边长较短时, 应控制导线边数不超越表3.3.1相应品级导线长度和平均边长算得的边数;当导线长度小于表3.3.1规定长度的1/3时, 导线全长的绝对闭合差不应年夜于13㎝.导线网中, 结点与结点、结点与高级点之间的导线段长度不应年夜于表3.3.1中相应品级规定长度的0.7倍.(Ⅲ)水平角观测水平角观测所使用的全站仪、电子经纬仪和光学经纬仪, 应符合下列相关规定:1 照准部旋转轴正确性指标:管水准器气泡或电子水准器长气光在各位置的读数较差, 1秒级仪器不应超越2格, 2秒级仪器不应超越1格, 6秒级仪器不应超越1.5格.2 光学经纬仪的测微器行差及隙动差指标:1秒级仪器不应年夜于1秒, 2秒级仪器不应年夜于2秒.3 水平轴不垂直于垂直轴之差指标;1秒级仪器不应超越10秒, 2秒级仪器不应超越15秒, 6秒级仪器不应超越20秒.4 赔偿器的赔偿要求:在仪器赔偿器的赔偿区间, 对观测功效应能进行有效赔偿.5 垂直微动旋转使用时, 视准轴在水平方向上不发生偏移.6 仪器的基座在照准部施转时的位移指标:1秒级仪器不应超越0.3秒, 2秒级仪器不应超越1秒, 6秒级仪器不应超越1.5秒.7 光学(或激光)对中器的视轴(或射线)与竖轴的重合度不应年夜于1㎜.水平角观测宜采纳方向观测法, 并符合下列规定:1 方向观测法的技术要求, 不应超越表的规定.表水平角方向观测法的技术要求注;1 全站仪、电子经纬仪水平角观测时不受光学测微器两次重合读数之差指标的限制.2 当观测方向的垂直角超越±30的范围时, 该方向2C互差可按相邻测回同方向进行比力, 其值应满足表中一测回内2C互差的限值.2 当观测方向未几于3个时, 可不归零.3 当观测方向多于6个时, 可进行分组观测.分组观测应包括两个共同方向(其中一个为共同零方向).其两组观测角之差, 不应年夜于同品级测角中误差的2倍.分组观测的最后结果, 应按等权分组观测进行测站平差.4 各测回间应配置度盘.度盘配置应符合附录C的规定.5 水平角的观测值应取各测回的平均数作为测站功效.三、四等导线的水平角观测, 当测站只有两个方向时, 应在观测总测回中以奇数测回的度盘位置观测导线前进方向的左角, 以偶数测回的度盘位置观测导线前进方向右角.左右角的测回数为总测回数的一半.但在观测右角时, 应以左角起始方向为准变换度盘位置, 也可用起始方向的度盘位置加上左角的概值在前进方向配置度盘.左角平均值与右角平均值之和与3600之差, 不应年夜于本规范表中相应品级导线测角中误差的2倍.水平角观测的测站作业, 应符合下列规定:1 仪器或反光镜的对中误差不应年夜于2mm.2 水平角观测过程中, 气泡中心位置偏离整置中心不宜超越1格.四等及以上品级的水平角观测, 当观测方向的垂直角超越±30的范围时, 宜在测回间重新整置气泡位置.有垂直轴赔偿器的仪器, 可不受此款限制.3 如受外界因素(如地动)的影响, 仪器的赔偿器无法正常工作或超越赔偿器的赔偿范围时, 应停止观测.4 当测站或照准目标偏心时, 应在水平角观测前或观测后测定归心元素.测按时, 投影示误三角形的最长边, 对标石、`仪器中心的`投影不应年夜于5mm, 对照准标识表记标帜中心的投影不应年夜于10mm.投影完毕后, 除标石外, 其他各投影中心均应描绘两个观测方向.角度元素应量至15秒, 长度元素应量至1mm.水平角观测误差超限时, 应在原来度盘位置上重测, 并应符合下列规定:1 一测回内2C互差或同一方向值各测回较差超限时, 应重测超限方向, 并联测零方向.2 下半测回归零差或零方向的2C互差超限时, 应重测该测回.3 若一测回中重测方向数超越总方向数的1/3时, 应重测该测回.当重测的测回数超越总测回数的1/3时, 应重测该站.首级控制网所联测的已知方向的水平角观测, 应按首级网相应品级的规定执行.每日观测结束, 应对外业记录手簿进行检查, 当使用电子记录时, 应保管原始观测数据, 打印输出相关数据和预先设置的各项限差.(Ⅳ)距离丈量级及以上品级控制网的边工, 应采纳中、短程全站仪或电磁波测距仪测距, 一组以下也可采纳普通钢尺量距.本规范对中、短程测距仪器的划分, 短程为3km以下, 中程为3~15km.测距仪器的标称精度, 按(3.3.16)式暗示.m D = a+b×D ()式中, m D—测距中误差(㎜)a—标称精度中的固定误差(㎜)b—标称精度中的比例误差系数(㎜/km)D—测距长度(km)测距仪器及相关的气象仪表, 应及时校验.当在高海拔地域使用空盒气压表时, 宜选本地气象台(站)校准.各品级控制网边长测距的主要技术要求, 应符合表 3.3.18的规定.表测距的主要技术要求注;1 测回是指照准目标一次, 读数2~4次的过程.2 困难情况下, 边长测距可采用分歧时间段丈量取代往返观测.测距作业, 应符合下列规定:1 测站对中误差不应年夜于2㎜.2 当观测数据超限时, 应重测整个测回, 如观测数据呈现分群时, 应分析原因, 采用相应办法重新观测.3 四等及以上品级控制网的边长丈量, 应分别量取两端点观测始末的气象数据, 计算时应取平均值.4 丈量气象元素的温度计宜采纳通风干湿温度计, 气压表宜选用高原型空盒气压表;读数前应将温度计悬挂在离开空中和人体以外阳光不能直射的处所, 且读数精确至0.2℃;气压表应置平, 指针不应滞阻, 且读数精确至50Pa.5 当测距边用电磁波测距三角高程丈量方法测定的高差进行修正时, 垂直角的观测和对向观测高差较差要求, 可按本规范第和和 4.3.3条中五等电磁波测距三角高程丈量的有关规定放宽1倍执行.每日观测结束, 应对外业记录进行检查.当使用电子记录时, 应保管原始观测数据, 打印输出相关数据和预先设置的各项限差.表内业计算中数字取位要求。
导线测量规范
(Ⅰ)导线测量的主要技术要求
各等级导线测量的主要技术要求,应符合表3.3.1的规定。
注:1 表中n为测站数。
2 当测区测图的最大比例尺为1:1000时,一、二、三级导线的导线长度,、平均边长可适当放长,但最大长度不应大于表中规定相应长度的2倍。
3.3.2 当导线平均边长较短时,应控制导线边数不超过表相应等级导线长度和平均边长算得的边数;当导线长度小于表规定长度的1/3时,导线全长的绝对闭合差不应大于13㎝。
3.3.3 导线网中,结点与结点、结点与高级点之间的导线段长度不应大于表中相应等级规定长度的倍。
(Ⅲ)水平角观测
3.3.7 水平角观测所使用的全站仪、电子经纬仪和光学经纬仪,应符合下列相关规定:
1 照准部旋转轴正确性指标:管水准器气泡或电子水准器长气光在各位置的读数较差,1秒级仪器不应超过2格,2秒级仪器不应超过1格,6秒级仪器不应超过格。
2 光学经纬仪的测微器行差及隙动差指标:1秒级仪器不应大于1秒,2秒级仪器不应大于2秒。
3 水平轴不垂直于垂直轴之差指标;1秒级仪器不应超过10秒,2秒级仪器不应超过15秒,6秒级仪器不应超过20秒。
4 补偿器的补偿要求:在仪器补偿器的补偿区间,对观测成果应能进行有效补偿。
5 垂直微动旋转使用时,视准轴在水平方向上不产生偏移。
6 仪器的基座在照准部施转时的位移指标:1秒级仪器不应超过秒,2秒级仪器不应超过1秒,6秒级仪器不应超过秒。
7 光学(或激光)对中器的视轴(或射线)与竖轴的重合度不应大于1㎜。
3.3.8 水平角观测宜采用方向观测法,并符合下列规定:
1 方向观测法的技术要求,不应超过表3.3.8的规定。
表3.3.8 水平角方向观测法的技术要求
注;1 全站仪、电子经纬仪水平角观测时不受光学测微器两次重合读数之差指标的限制。
2 当观测方向的垂直角超过±30的范围时,该方向2C互差可按相邻测回同方向进行比较,其值应满足表中一测回内2C互差的限值。
2 当观测方向不多于3个时,可不归零。
3 当观测方向多于6个时,可进行分组观测。
分组观测应包括两个共同方向(其中一个
为共同零方向)。
其两组观测角之差,不应大于同等级测角中误差的2倍。
分组观测的最后结果,应按等权分组观测进行测站平差。
4 各测回间应配置度盘。
度盘配置应符合附录C的规定。
5 水平角的观测值应取各测回的平均数作为测站成果。
3.3.9 三、四等导线的水平角观测,当测站只有两个方向时,应在观测总测回中以奇数测回的度盘位置观测导线前进方向的左角,以偶数测回的度盘位置观测导线前进方向右角。
左右角的测回数为总测回数的一半。
但在观测右角时,应以左角起始方向为准变换度盘位置,也可用起始方向的度盘位置加上左角的概值在前进方向配置度盘。
左角平均值与右角平均值之和与3600之差,不应大于本规范表3.3.1中相应等级导线测角中误差的2倍。
3.3.10 水平角观测的测站作业,应符合下列规定:
1 仪器或反光镜的对中误差不应大于2mm。
2 水平角观测过程中,气泡中心位置偏离整置中心不宜超过1格。
四等及以上等级的水平角观测,当观测方向的垂直角超过±30的范围时,宜在测回间重新整置气泡位置。
有垂直轴补偿器的仪器,可不受此款限制。
3 如受外界因素(如地震)的影响,仪器的补偿器无法正常工作或超出补偿器的补偿范围时,应停止观测。
4 当测站或照准目标偏心时,应在水平角观测前或观测后测定归心元素。
测定时,投影示误三角形的最长边,对于标石、`仪器中心的`投影不应大于5mm,对于照准标志中心的投影不应大于10mm。
投影完毕后,除标石外,其他各投影中心均应描绘两个观测方向。
角度元素应量至15秒,长度元素应量至1mm。
3.3.11 水平角观测误差超限时,应在原来度盘位置上重测,并应符合下列规定:
1 一测回内2C互差或同一方向值各测回较差超限时,应重测超限方向,并联测零方向。
2 下半测回归零差或零方向的2C互差超限时,应重测该测回。
3 若一测回中重测方向数超过总方向数的1/3时,应重测该测回。
当重测的测回数超过总测回数的1/3时,应重测该站。
3.3.12 首级控制网所联测的已知方向的水平角观测,应按首级网相应等级的规定执行。
3.3.13 每日观测结束,应对外业记录手簿进行检查,当使用电子记录时,应保存原始观测数据,打印输出相关数据和预先设置的各项限差。
(Ⅳ)距离测量
3.3.14 级及以上等级控制网的边工,应采用中、短程全站仪或电磁波测距仪测距,一组以下也可采用普通钢尺量距。
3.3.15 本规范对中、短程测距仪器的划分,短程为3km以下,中程为3~15km。
3.3.16 测距仪器的标称精度,按()式表示。
m D = a+b×D (3.3.16)
式中,m D—测距中误差(㎜)
a—标称精度中的固定误差(㎜)
b—标称精度中的比例误差系数(㎜/km)
D—测距长度(km)
3.3.17 测距仪器及相关的气象仪表,应及时校验。
当在高海拔地区使用空盒气压表时,宜选当地气象台(站)校准。
3.3.18 各等级控制网边长测距的主要技术要求,应符合表的规定。
表3.3.18 测距的主要技术要求
注;1 测回是指照准目标一次,读数2~4次的过程。
2 困难情况下,边长测距可采取不同时间段测量代替往返观测。
3.3.19 测距作业,应符合下列规定:
1 测站对中误差不应大于2㎜。
2 当观测数据超限时,应重测整个测回,如观测数据出现分群时,应分析原因,采取相应措施重新观测。
3 四等及以上等级控制网的边长测量,应分别量取两端点观测始末的气象数据,计算时应取平均值。
4 测量气象元素的温度计宜采用通风干湿温度计,气压表宜选用高原型空盒气压表;读数前应将温度计悬挂在离开地面和人体 1.5m以外阳光不能直射的地方,且读数精确至0.2℃;气压表应置平,指针不应滞阻,且读数精确至50Pa。
5 当测距边用电磁波测距三角高程测量方法测定的高差进行修正时,垂直角的观测和对向观测高差较差要求,可按本规范第4.3.2和和条中五等电磁波测距三角高程测量的有关规定放宽1倍执行。
3.3.20 每日观测结束,应对外业记录进行检查。
当使用电子记录时,应保存原始观测数据,打印输出相关数据和预先设置的各项限差。
表3.3.31 内业计算中数字取位要求
全站仪
原始记录:
测站点号,仪器高,气温、气压
前后视点号,及其棱镜高、盘左和盘右水平角度、盘左和盘右天顶距(或垂直角)、盘左和盘右斜距。
每个测站一个测回的测量记录顺序:
1.测站点号,仪器高,气温气压
2.后视点号,棱镜高,盘左水平角,盘左天顶距,盘左斜距
3.前视点号,棱镜高,盘左水平角,盘左天顶距,盘左斜距
4.前视点号,棱镜高,盘右水平角,盘右天顶距,盘右斜距
5.后视点号,棱镜高,盘右水平角,盘右天顶距,盘右斜距
6.计算前后视水平角的二倍照准差,计算前后视天顶距二倍指标差,并检查是否超限。