导线测量规范
- 格式:doc
- 大小:79.00 KB
- 文档页数:6
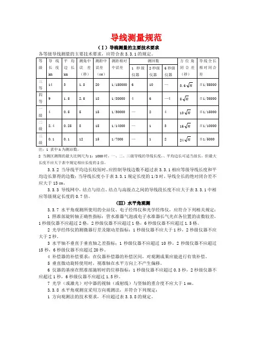
导线测量规范(Ⅰ)导线测量的主要技术要求注:1 表中n为测站数。
2 当测区测图的最大比例尺为1:1000时,一、二、三级导线的导线长度,、平均边长可适当放长,但最大长度不应大于表中规定相应长度的2倍。
3.3.2 3㎝。
3.3.3(Ⅲ)水平角观测3.3.7 水平角观测所使用的全站仪、电子经纬仪和光学经纬仪,应符合下列相关规定:1 照准部旋转轴正确性指标:管水准器气泡或电子水准器长气光在各位置的读数较差,1秒级仪器不应超过2格,2秒级仪器不应超过1格,6秒级仪器不应超过1.5格。
2 光学经纬仪的测微器行差及隙动差指标:1秒级仪器不应大于1秒,2秒级仪器不应大于2秒。
3 水平轴不垂直于垂直轴之差指标;1秒级仪器不应超过10秒,2秒级仪器不应超过15秒,6秒级仪器不应超过20秒。
4 补偿器的补偿要求:在仪器补偿器的补偿区间,对观测成果应能进行有效补偿。
5 垂直微动旋转使用时,视准轴在水平方向上不产生偏移。
6 仪器的基座在照准部施转时的位移指标:1秒级仪器不应超过0.3秒,2秒级仪器不应超过1秒,6秒级仪器不应超过1.5秒。
7 光学(或激光)对中器的视轴(或射线)与竖轴的重合度不应大于1㎜。
3.3.8 水平角观测宜采用方向观测法,并符合下列规定:1 方向观测法的技术要求,不应超过表3.3.8的规定。
表3.3.8 水平角方向观测法的技术要求注;1 全站仪、电子经纬仪水平角观测时不受光学测微器两次重合读数之差指标的限制。
2 当观测方向的垂直角超过±30的范围时,该方向2C互差可按相邻测回同方向进行比较,其值应满足表中一测回内2C互差的限值。
2 当观测方向不多于3个时,可不归零。
3 当观测方向多于6个时,可进行分组观测。
分组观测应包括两个共同方向(其中一个为共同零方向)。
其两组观测角之差,不应大于同等级测角中误差的2倍。
分组观测的最后结果,应按等权分组观测进行测站平差。
4 各测回间应配置度盘。
度盘配置应符合附录C的规定。
页眉内容导线测量规范(Ⅰ)导线测量的主要技术要求1秒级215秒,61 7光学(或激光)对中器的视轴(或射线)与竖轴的重合度不应大于1㎜。
3.3.8水平角观测宜采用方向观测法,并符合下列规定:1方向观测法的技术要求,不应超过表3.3.8的规定。
注;1全站仪、电子经纬仪水平角观测时不受光学测微器两次重合读数之差指标的限制。
2当观测方向的垂直角超过±30的范围时,该方向2C互差可按相邻测回同方向进行比较,其值应满足表中一测回内2C互差的限值。
2当观测方向不多于3个时,可不归零。
3当观测方向多于6个时,可进行分组观测。
分组观测应包括两个共同方向(其中一个为共同零方向)。
其两组观测角之差,不应大于同等级测角中误差的2倍。
分组观测的最后结果,应按等权分组观测进行测站平差。
4各测回间应配置度盘。
度盘配置应符合附录C的规定。
5水平角的观测值应取各测回的平均数作为测站成果。
3.3.9三、四等导线的水平角观测,当测站只有两个方向时,应在观测总测回中以奇数测回的2测,3410mm15秒,3打印级及以上等级控制网的边工,应采用中、短程全站仪或电磁波测距仪测距,一组以下也可采用普通钢尺量距。
本规范对中、短程测距仪器的划分,短程为3km以下,中程为3~15km。
m D=a+b×D()—测距中误差(㎜)式中,mDa—标称精度中的固定误差(㎜)b—标称精度中的比例误差系数(㎜/km)D—测距长度(km)测距仪器及相关的气象仪表,应及时校验。
当在高海拔地区使用空盒气压表时,宜选当地气象台(站)校准。
打印输出全站仪原始记录:测站点号,仪器高,气温、气压前后视点号,及其棱镜高、盘左和盘右水平角度、盘左和盘右天顶距(或垂直角)、盘左和盘右斜距。
每个测站一个测回的测量记录顺序:1.测站点号,仪器高,气温气压2.后视点号,棱镜高,盘左水平角,盘左天顶距,盘左斜距3.前视点号,棱镜高,盘左水平角,盘左天顶距,盘左斜距4.前视点号,棱镜高,盘右水平角,盘右天顶距,盘右斜距5.后视点号,棱镜高,盘右水平角,盘右天顶距,盘右斜距6.计算前后视水平角的二倍照准差,计算前后视天顶距二倍指标差,并检查是否超限。
三、四等导线测量规范前言本标准根据《国家三角测量有精密导线测量规范》中有关导线测量部分,并顾及城市测量、工程测量、地籍测量的有关要求编写,其技术内容属国内标准。
本标准规定的三、四等导线测量精度GB/T17942《国家三角测量规范》中相应等级的测量精度要求相同,部门技术要求也参照标准执行。
本标准2001年4月1日起实施;本标准的附录A是标准的附录;本标准的附录B,附录C、附录E、附录F、附录G都是提示的附录。
本标准由国家测绘局提出并归口。
本标准起草单位;国家测绘局测绘标准化研究所。
本标准起草人:肖学年、姬恒炼GH/T2007--2001目录前言1 范围 (1)2 引用范围 (1)3 总则 (1)4 技术设计预选点 (3)5 造标和埋石 (3)6 仪器检查 (4)7 水平角测量 (6)8 距离测量 (7)9 高程测量 (9)10 导线测量成果的验算、检查和验收 (11)附录A(标准的附录)电磁波距边长的修正和改算 (13)附录B(提示的附录)全站仪外观和键盘功能的检查 (15)附录C(提示的附录)全站仪工作电压显示的正确性检验 (16)附录D(提示的附录)全站仪照准部旋转正确性的使用 (17)附录E(提示的附录)全站仪测距轴预视准轴的重合性的检验 (18)附录F(提示的附录)全站仪倾斜补偿器的零位误差,补偿范围和补偿准确度的检验(19)附录G(提示的附录)全站仪存贮卡的检验方法及要求 (20)中华人民共和国测绘行业标准三、四等导线测量规范GH/2007-2001fourth order teaverse1 范围本标准规定了采用导线测量方法布测国家三、四等平面控制网的原则、方法和精度要求。
适用于国家三、四等导线测量。
工程测量、城市测量和地籍测量亦可参照执行。
2 引用标准下列标准所含的条文,通过在本标准中引用而构成标准的条文。
在本标准出版钱,所示版本均为有效。
所有标准都被修订,使用标准的各方应探讨使用下列标准最新把版本的可能性。
一级导线测量规范一级导线测量规范一级导线测量是工程测量的重要环节,它直接关系到工程的质量和安全。
为了保证导线测量的准确性和一致性,制定一级导线测量规范是必要的。
一、测量前的准备工作1.确定一级导线的起点和终点,并在起终点附近设置基准点;2.清理测量线路,确保测量线路没有阻碍物;3.根据需要,设置临时测量桩或标志物,以便后续测量工作的进行;4.检查测量仪器的工作状态,并对其进行校准和调试。
二、测量过程的规范要求1.测量点的选择:根据工程需要和测量精度要求,选择合适数量和位置的测量点;2.观测方向的确定:根据工程要求和测量精度要求,确定测量点之间的观测方向;3.测量仪器的使用:使用经过校准和检验合格的测量仪器进行测量;4.观测方式的选择:根据工程要求和测量精度要求,选择合适的观测方式,如直接测距、转角测量等;5.数据的记录和处理:在测量过程中,要及时准确地记录观测数据,并进行数据处理和校核;6.测量误差的控制:在测量过程中,要注意控制各种误差,如观测误差、仪器误差等;7.测量结果的分析和判读:对观测数据进行分析和判读,判断测量结果的可靠性和准确性;8.测量精度的评定:根据测量结果和误差控制情况,评定测量精度是否符合工程要求。
三、测量结果的处理和报告1.测量结果的处理:对测量结果进行计算和处理,得出最终的导线长度和方位角;2.测量结果的校核:对测量结果进行校核,确保测量结果的准确性和可靠性;3.编制测量报告:将测量结果、计算方法和测量过程等内容进行整理和编制,形成测量报告;4.测量报告的审核和签发:经过审核合格后,由工程负责人签发测量报告;5.测量报告的存档:将测量报告进行存档,以备后续工程验收和追溯需要。
四、安全措施1.在测量过程中,要注意安全,严禁在高压、高温、易燃等危险环境下进行测量;2.在测量过程中,要注意保护仪器设备,防止丢失和损坏;3.在测量过程中,要注意交通安全,防止发生交通事故;4.在测量过程中,要注意遵守相关规定和操作规程,确保测量工作的顺利进行。
导线测量规范做好每一个测点的标记工作。
标记的类型因地质的不同而不同。
部分类型如下:(a)坚硬的土地标识应由30平方厘米和一米长的混凝土柱组成,安置于地下75厘米处,中心还应由直径为4厘米、长度为1.5—2米的铁管加固。
混凝土柱是由沙子或沙子、橡胶和水泥的混合物按5:1的比例混合而成。
铁管必须与混凝土柱的表面保持齐平,并在顶部一英尺处,用小石头和小圆石灌实。
在最顶部,用水泥泥浆填充,中心标志用0.22口径的弹壳或铜螺钉制作。
混凝土柱的表层应抛光摩平,以易于鉴别数字和字母。
(b)软土地放置底标和顶标,共同组成点标志。
底标是由直径为30厘米、深度至少为15厘米的混凝土块组成,置于……(第三页下端少一行),固定铜螺钉作为中心标志。
顶标表层不应低于地面75厘米深。
顶标是由30平方厘米的预制混凝土柱制成,中心为软钢,钢筋垂直于底标。
底标在顶标安置前,覆盖10厘米厚的沙子。
见图表所示。
(c)坚硬的岩石在岩石上垂直钻一个深度为30厘米的洞,然后将一根长度为46厘米直径为5厘米的管子插入洞内,露出岩石面16厘米处。
将水泥泥浆灌注到洞内,捣实,以固定中间的管子。
然后,用水泥泥浆填充至管子边缘,再插入0.22铜螺钉作为中央标志。
洞口周围的岩石表面出现裂痕,宜为水泥图章提供相应承载力。
管应与图章表面保持齐平,识别的标志印在水泥图章的上面。
2.3.1 (c)参考标点对于每一根混凝土柱,附近除了有明显的指向标志外,还应仔细描述至少3个参考标识。
参考标点可用15平方厘米,长60厘米的支柱及与上述标志相同的材料制作。
参考标点应选择良好的角度,其距离应控制在30米范围内,并可供经纬仪聚焦。
2.3.2标识的数量见“测量标识列举和分类”标识以字母P作为后缀连续排列,前缀为各地籍测量的英文单词第一个字母拼成。
例如:LCS 4P也就是:拉各斯地籍测量第4标志。
3. 地形观测3.1 角位观测水平角度的测量需用大地经纬仪,角度至少是0.5’’。
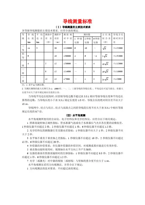
导线测量规范(Ⅰ)导线测量的主要技术要求各等级导线测量的主要技术要求,应符合表3.3.1的规定。
注:1 表中n为测站数。
2 当测区测图的最大比例尺为1:1000时,一、二、三级导线的导线长度,、平均边长可适当放长,但最大长度不应大于表中规定相应长度的2倍。
3.3.2 当导线平均边长较短时,应控制导线边数不超过表3.3.1相应等级导线长度和平均边长算得的边数;当导线长度小于表3.3.1规定长度的1/3时,导线全长的绝对闭合差不应大于13㎝。
3.3.3 导线网中,结点与结点、结点与高级点之间的导线段长度不应大于表3.3.1中相应等级规定长度的0.7倍。
(Ⅲ)水平角观测3.3.7 水平角观测所使用的全站仪、电子经纬仪和光学经纬仪,应符合下列相关规定:1 照准部旋转轴正确性指标:管水准器气泡或电子水准器长气光在各位置的读数较差,1秒级仪器不应超过2格,2秒级仪器不应超过1格,6秒级仪器不应超过1.5格。
2 光学经纬仪的测微器行差及隙动差指标:1秒级仪器不应大于1秒,2秒级仪器不应大于2秒。
3 水平轴不垂直于垂直轴之差指标;1秒级仪器不应超过10秒,2秒级仪器不应超过15秒,6秒级仪器不应超过20秒。
4 补偿器的补偿要求:在仪器补偿器的补偿区间,对观测成果应能进行有效补偿。
5 垂直微动旋转使用时,视准轴在水平方向上不产生偏移。
6 仪器的基座在照准部施转时的位移指标:1秒级仪器不应超过0.3秒,2秒级仪器不应超过1秒,6秒级仪器不应超过1.5秒。
7 光学(或激光)对中器的视轴(或射线)与竖轴的重合度不应大于1㎜。
3.3.8 水平角观测宜采用方向观测法,并符合下列规定:1 方向观测法的技术要求,不应超过表3.3.8的规定。
表3.3.8水平角方向观测法的技术要求注;1 全站仪、电子经纬仪水平角观测时不受光学测微器两次重合读数之差指标的限制。
2 当观测方向的垂直角超过±30的范围时,该方向2C互差可按相邻测回同方向进行比较,其值应满足表中一测回内2C互差的限值。
欢迎阅读导线测量规范1秒级2秒,61 3.3.8 水平角观测宜采用方向观测法,并符合下列规定:1 方向观测法的技术要求,不应超过表3.3.8的规定。
注;1 全站仪、电子经纬仪水平角观测时不受光学测微器两次重合读数之差指标的限制。
2 当观测方向的垂直角超过±30的范围时,该方向2C互差可按相邻测回同方向进行比较,其值应满足表中一测回内2C互差的限值。
2 当观测方向不多于3个时,可不归零。
3 当观测方向多于6个时,可进行分组观测。
分组观测应包括两个共同方向(其中一个为共同零方向)。
其两组观测角之差,不应大于同等级测角中误差的2倍。
分组观测的最后结果,应按等权分组观测进行测站平差。
4 各测回间应配置度盘。
度盘配置应符合附录C的规定。
5 水平角的观测值应取各测回的平均数作为测站成果。
3.3.9 三、四等导线的水平角观测,当测站只有两个方向时,应在观测总测回中以奇数测回的度盘位置观测导线前进方向的左角,以偶数测回的度盘位置观测导线前进方向右角。
左右角的测回数为总测回数的一半。
但在观测右角时,应以左角起始方向为准变换度盘位置,也可用起始方向的差的212测,3410mm15秒,123数的1/3本规范对中、短程测距仪器的划分,短程为3km以下,中程为3~15km。
m D = a+b×D ()—测距中误差(㎜)式中,mDa—标称精度中的固定误差(㎜)b—标称精度中的比例误差系数(㎜/km)D—测距长度(km)测距仪器及相关的气象仪表,应及时校验。
当在高海拔地区使用空盒气压表时,宜选当地气象台(站)校准。
导线测量规范(Ⅰ)导线测量的主要技术要求各等级导线测量的主要技术要求,应符合表3.3.1的规定。
注:1 表中n为测站数。
2 当测区测图的最大比例尺为1:1000时,一、二、三级导线的导线长度,、平均边长可适当放长,但最大长度不应大于表中规定相应长度的2倍。
3.3.2 当导线平均边长较短时,应控制导线边数不超过表3.3.1相应等级导线长度和平均边长算得的边数;当导线长度小于表3.3.1规定长度的1/3时,导线全长的绝对闭合差不应大于13㎝。
3.3.3 导线网中,结点与结点、结点与高级点之间的导线段长度不应大于表3.3.1中相应等级规定长度的0.7倍。
(Ⅲ)水平角观测3.3.7 水平角观测所使用的全站仪、电子经纬仪和光学经纬仪,应符合下列相关规定:1 照准部旋转轴正确性指标:管水准器气泡或电子水准器长气光在各位置的读数较差,1秒级仪器不应超过2格,2秒级仪器不应超过1格,6秒级仪器不应超过1.5格。
2 光学经纬仪的测微器行差及隙动差指标:1秒级仪器不应大于1秒,2秒级仪器不应大于2秒。
3 水平轴不垂直于垂直轴之差指标;1秒级仪器不应超过10秒,2秒级仪器不应超过15秒,6秒级仪器不应超过20秒。
4 补偿器的补偿要求:在仪器补偿器的补偿区间,对观测成果应能进行有效补偿。
5 垂直微动旋转使用时,视准轴在水平方向上不产生偏移。
6 仪器的基座在照准部施转时的位移指标:1秒级仪器不应超过0.3秒,2秒级仪器不应超过1秒,6秒级仪器不应超过1.5秒。
7 光学(或激光)对中器的视轴(或射线)与竖轴的重合度不应大于1㎜。
3.3.8 水平角观测宜采用方向观测法,并符合下列规定:1 方向观测法的技术要求,不应超过表3.3.8的规定。
表3.3.8 水平角方向观测法的技术要求注;1 全站仪、电子经纬仪水平角观测时不受光学测微器两次重合读数之差指标的限制。
2 当观测方向的垂直角超过±30的范围时,该方向2C互差可按相邻测回同方向进行比较,其值应满足表中一测回内2C互差的限值。
四等导线测量规范
四等导线是指其电阻值在1000Ω/km范围内的导线。
四等导线测量规范包括以下几个方面的内容:
一、测量设备的准备
1. 需要准备好一台精密电阻测量仪器,并进行校准和调整。
2. 需要准备好一条长度超过待测导线的参比导线。
二、测量导线的准备
1. 导线上不得有油污、灰尘和其他杂质,必要时可以用干净的布擦拭导线表面。
2. 导线两端需要进行终端处理,确保导线与测量仪器的连接可靠。
三、测量过程
1. 将待测导线连接到测量仪器的测试端口,并将参比导线连接到测量仪器的参比端口。
2. 打开测量仪器,并设置合适的测试参数,如多次测量取平均值、设置合适的测量范围等。
3. 测量仪器进行电阻测量,记录测量结果。
四、测量结果处理
1. 对于多次测量取平均值的方法,计算平均值并取四舍五入。
2. 比较测量结果与设定的1000Ω/km范围,判断待测导线是否符合四等导线的要求。
五、测量报告
1. 编写测量报告,包括待测导线的基本信息、测量设备的型号和参数、测量过程和结果等内容。
2. 如果待测导线符合四等导线的要求,说明导线的电阻值在1000Ω/km范围内;如果不符合要求,注明导线的实际测量值,并进行分析和讨论。
六、数据保存
1. 将测量结果和测量报告保存在电子档案中,以备后续查询和分析。
以上是四等导线测量规范的基本内容,通过按照规范进行测量,可以确保测量结果的准确性和可靠性,同时也保证了导线的质量符合要求。
在测量过程中,需要严格按照规范操作,避免人为因素对测量结果的影响。
导线测量规范LG GROUP system office room 【LGA16H-LGYY-LGUA8Q8-LGA162】导线测量规范(Ⅰ)导线测量的主要技术要求注:1 表中n为测站数。
2 当测区测图的最大比例尺为1:1000时,一、二、三级导线的导线长度,、平均边长可适当放长,但最大长度不应大于表中规定相应长度的2倍。
3.3.2 3㎝。
3.3.3(Ⅲ)水平角观测3.3.7 水平角观测所使用的全站仪、电子经纬仪和光学经纬仪,应符合下列相关规定:1 照准部旋转轴正确性指标:管水准器气泡或电子水准器长气光在各位置的读数较差,1秒级仪器不应超过2格,2秒级仪器不应超过1格,6秒级仪器不应超过格。
2 光学经纬仪的测微器行差及隙动差指标:1秒级仪器不应大于1秒,2秒级仪器不应大于2秒。
3 水平轴不垂直于垂直轴之差指标;1秒级仪器不应超过10秒,2秒级仪器不应超过15秒,6秒级仪器不应超过20秒。
4 补偿器的补偿要求:在仪器补偿器的补偿区间,对观测成果应能进行有效补偿。
5 垂直微动旋转使用时,视准轴在水平方向上不产生偏移。
6 仪器的基座在照准部施转时的位移指标:1秒级仪器不应超过秒,2秒级仪器不应超过1秒,6秒级仪器不应超过秒。
7 光学(或激光)对中器的视轴(或射线)与竖轴的重合度不应大于1㎜。
3.3.8 水平角观测宜采用方向观测法,并符合下列规定:1 方向观测法的技术要求,不应超过表3.3.8的规定。
注;1 全站仪、电子经纬仪水平角观测时不受光学测微器两次重合读数之差指标的限制。
2 当观测方向的垂直角超过±30的范围时,该方向2C互差可按相邻测回同方向进行比较,其值应满足表中一测回内2C互差的限值。
2 当观测方向不多于3个时,可不归零。
3 当观测方向多于6个时,可进行分组观测。
分组观测应包括两个共同方向(其中一个为共同零方向)。
其两组观测角之差,不应大于同等级测角中误差的2倍。
分组观测的最后结果,应按等权分组观测进行测站平差。
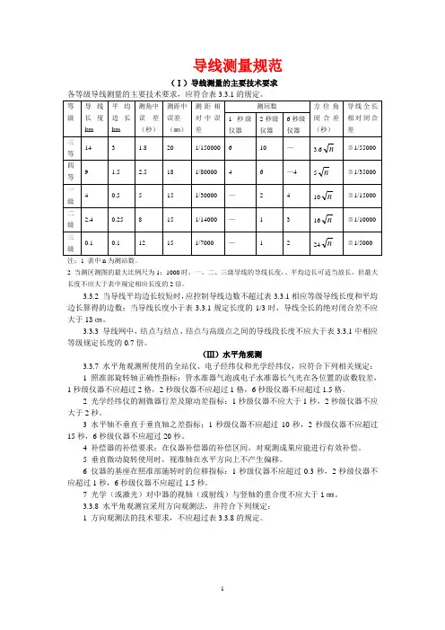
导线测量标准〔Ⅰ〕导线测量的主要技术要求各等级导线测量的主要技术要求,应符合表的规定。
注:1 表中n为测站数。
2 当测区测图的最大比例尺为1:1000时,一、二、三级导线的导线长度,、平均边长可适当放长,但最大长度不应大于表中规定相应长度的2倍。
当导线平均边长较短时,应控制导线边数不超过表3.3.1相应等级导线长度和平均边长算得的边数;当导线长度小于表3.3.1规定长度的1/3时,导线全长的绝对闭合差不应大于13㎝。
导线网中,结点与结点、结点与高级点之间的导线段长度不应大于表3.3.1中相应等级规定长度的0.7倍。
〔Ⅲ〕水平角观测水平角观测所使用的全站仪、电子经纬仪和光学经纬仪,应符合以下相关规定:1 照准部旋转轴正确性指标:管水准器气泡或电子水准器长气光在各位置的读数较差,1秒级仪器不应超过2格,2秒级仪器不应超过1格,6秒级仪器不应超过1.5格。
2 光学经纬仪的测微器行差及隙动差指标:1秒级仪器不应大于1秒,2秒级仪器不应大于2秒。
3 水平轴不垂直于垂直轴之差指标;1秒级仪器不应超过10秒,2秒级仪器不应超过15秒,6秒级仪器不应超过20秒。
4 补偿器的补偿要求:在仪器补偿器的补偿区间,对观测成果应能进行有效补偿。
5 垂直微动旋转使用时,视准轴在水平方向上不产生偏移。
6 仪器的基座在照准部施转时的位移指标:1秒级仪器不应超过0.3秒,2秒级仪器不应超过1秒,6秒级仪器不应超过1.5秒。
7 光学〔或激光〕对中器的视轴〔或射线〕与竖轴的重合度不应大于1㎜。
水平角观测宜采用方向观测法,并符合以下规定:1 方向观测法的技术要求,不应超过表的规定。
表水平角方向观测法的技术要求注;1 全站仪、电子经纬仪水平角观测时不受光学测微器两次重合读数之差指标的限制。
2 当观测方向的垂直角超过±30的范围时,该方向2C互差可按相邻测回同方向进行比拟,其值应满足表中一测回内2C互差的限值。
2 当观测方向不多于3个时,可不归零。
导线测量规范Ⅰ导线测量的主要技术要求各等级导线测量的主要导线测量是一种用于测量导线长度和导线位置的技术手段,广泛应用于建筑、电力、通信等领域。
导线测量的主要技术要求包括测量精度、测量方法、测量仪器、影响测量精度的因素等。
在不同的等级导线测量中,还有一些特定的技术要求。
一、测量精度导线测量的首要要求是要求准确、可靠、可重复。
测量精度通常受到仪器精度和环境因素的影响。
因此,要选择适当的测量仪器,并提供合适的环境条件,确保测量结果的准确性。
二、测量方法导线测量有多种方法,包括直测法、差测法、反向测量法等。
不同的方法适用于不同的测量任务。
在测量过程中,要根据需要选择合适的测量方法,并进行相应的校准和修正。
三、测量仪器导线测量通常使用的仪器包括全站仪、平板仪、测量带等。
测量仪器的选择应根据测量任务的要求,选择精度高、功能全面的仪器。
在使用仪器时,要进行仪器的校准和定期检查,确保测量结果的准确性。
四、影响测量精度的因素导线测量的精度受到多种因素的影响,包括气象条件、地形条件、测量方法、仪器精度等。
在进行导线测量时,要充分考虑这些因素,进行相应的修正和校正,提高测量精度。
五、不同等级导线的特定要求不同等级的导线测量有一些特定的要求。
例如,在高精度导线测量中,要求使用高精度的仪器和测量方法,进行多次测量并取平均值,以提高测量精度。
而在一般等级导线测量中,要求采用较为简便的测量方法和仪器,考虑测量精度和测量成本的平衡。
综上所述,导线测量的主要技术要求包括测量精度、测量方法、测量仪器、影响测量精度的因素等。
在不同等级导线测量中,还有一些特定的要求。
通过合理选择测量方法和仪器,并进行相应的修正和校正,可以确保导线测量的准确性和可靠性。
三四等导线测量规范公司标准化编码 [QQX96QT-XQQB89Q8-NQQJ6Q8-MQM9N]导线测量规范(Ⅰ)导线测量的主要技术要求注:1 表中n为测站数。
2 当测区测图的最大比例尺为1:1000时,一、二、三级导线的导线长度,、平均边长可适当放长,但最大长度不应大于表中规定相应长度的2倍。
3.3.2 当导线平均边长较短时,应控制导线边数不超过表相应等级导线长度和平均边长算得的边数;当导线长度小于表规定长度的1/3时,导线全长的绝对闭合差不应大于13㎝。
3.3.3 导线网中,结点与结点、结点与高级点之间的导线段长度不应大于表中相应等级规定长度的倍。
(Ⅲ)水平角观测3.3.7 水平角观测所使用的全站仪、电子经纬仪和光学经纬仪,应符合下列相关规定:1 照准部旋转轴正确性指标:管水准器气泡或电子水准器长气光在各位置的读数较差,1秒级仪器不应超过2格,2秒级仪器不应超过1格,6秒级仪器不应超过格。
2 光学经纬仪的测微器行差及隙动差指标:1秒级仪器不应大于1秒,2秒级仪器不应大于2秒。
3 水平轴不垂直于垂直轴之差指标;1秒级仪器不应超过10秒,2秒级仪器不应超过15秒,6秒级仪器不应超过20秒。
4 补偿器的补偿要求:在仪器补偿器的补偿区间,对观测成果应能进行有效补偿。
5 垂直微动旋转使用时,视准轴在水平方向上不产生偏移。
6 仪器的基座在照准部施转时的位移指标:1秒级仪器不应超过秒,2秒级仪器不应超过1秒,6秒级仪器不应超过秒。
7 光学(或激光)对中器的视轴(或射线)与竖轴的重合度不应大于1㎜。
3.3.8 水平角观测宜采用方向观测法,并符合下列规定:1 方向观测法的技术要求,不应超过表3.3.8的规定。
注;1 全站仪、电子经纬仪水平角观测时不受光学测微器两次重合读数之差指标的限制。
2 当观测方向的垂直角超过±30的范围时,该方向2C互差可按相邻测回同方向进行比较,其值应满足表中一测回内2C互差的限值。
四等导线测量规范四等导线是一种用于测量电阻的测量仪器。
在进行电阻测量时,需要严格遵守一定的测量规范,以保证测量结果的准确性和可靠性。
以下是四等导线测量规范的一些要点:1. 导线准备:为了保证测量精度,应选用电阻稳定、良好导电性能的铜制导线,并确保导线的长度、截面积和导线电阻都符合要求。
2. 导线长度限制:为了减小导线电阻对测量结果的影响,导线长度应尽量缩短,一般不超过10米。
3. 导线连接:导线连接应牢固可靠,接触面积应大,并且应保持导线之间的接触良好。
同时,应避免因接触不良或接触面积过小而引起测量误差。
4. 导线布置:导线的布置应尽量避免与其他电源线、信号线等产生干扰,避免磁场、电场等外界因素对测量结果的干扰。
5. 温度校正:考虑到导线电阻对温度的敏感性,四等导线在进行测量前,应进行温度校正。
在测量时,应记录环境温度,并根据温度系数进行修正。
6. 零位校正:在进行测量前,应进行零位校正。
即在测量仪器的导线接口前短路导线,将测量仪器的读数调整为零。
7. 测量仪器:选择合适的测量仪器进行四等导线测量。
常见的测量仪器有多用电表、标准电阻箱等。
在使用测量仪器时,要确保其测量范围和精度满足需求,并保持仪器的正常工作状态。
8. 多次测量:为了提高测量的准确性,建议进行多次测量,然后取平均值作为最终的测量结果。
在进行多次测量时,应确保测量条件基本一致。
总之,四等导线测量是一项重要的电阻测量方法,通过合理使用和操作导线,选择适当的测量仪器,并遵循测量规范,可以保证测量结果的准确性和可靠性。
在具体的测量操作中,还应根据具体情况进行相应的调整和修正,以确保测量的准确性。
导线测量规范Ⅰ导线测量的主要技术要求各等级导线测量的主要Document serial number【NL89WT-NY98YT-NC8CB-NNUUT-NUT108】导线测量规范(Ⅰ)导线测量的主要技术要求注:1 表中n为测站数。
2 当测区测图的最大比例尺为1:1000时,一、二、三级导线的导线长度,、平均边长可适当放长,但最大长度不应大于表中规定相应长度的2倍。
3.3.2 当导线平均边长较短时,应控制导线边数不超过表相应等级导线长度和平均边长算得的边数;当导线长度小于表规定长度的1/3时,导线全长的绝对闭合差不应大于13㎝。
3.3.3 导线网中,结点与结点、结点与高级点之间的导线段长度不应大于表中相应等级规定长度的倍。
(Ⅲ)水平角观测3.3.7 水平角观测所使用的全站仪、电子经纬仪和光学经纬仪,应符合下列相关规定:1 照准部旋转轴正确性指标:管水准器气泡或电子水准器长气光在各位置的读数较差,1秒级仪器不应超过2格,2秒级仪器不应超过1格,6秒级仪器不应超过格。
2 光学经纬仪的测微器行差及隙动差指标:1秒级仪器不应大于1秒,2秒级仪器不应大于2秒。
3 水平轴不垂直于垂直轴之差指标;1秒级仪器不应超过10秒,2秒级仪器不应超过15秒,6秒级仪器不应超过20秒。
4 补偿器的补偿要求:在仪器补偿器的补偿区间,对观测成果应能进行有效补偿。
5 垂直微动旋转使用时,视准轴在水平方向上不产生偏移。
6 仪器的基座在照准部施转时的位移指标:1秒级仪器不应超过秒,2秒级仪器不应超过1秒,6秒级仪器不应超过秒。
7 光学(或激光)对中器的视轴(或射线)与竖轴的重合度不应大于1㎜。
3.3.8 水平角观测宜采用方向观测法,并符合下列规定:1 方向观测法的技术要求,不应超过表3.3.8的规定。
注;1 全站仪、电子经纬仪水平角观测时不受光学测微器两次重合读数之差指标的限制。
2 当观测方向的垂直角超过±30的范围时,该方向2C互差可按相邻测回同方向进行比较,其值应满足表中一测回内2C互差的限值。
导线测量规范(I)导线测量的主要技术要求各等级导线测量的主要技术要求,应符合表3.3.1的规定。
2当测区测图的最大比例尺为1 : 1000时,一、二、三级导线的导线长度,、平均边长可适当放长,但最大长度不应大于表中规定相应长度的2倍。
332当导线平均边长较短时,应控制导线边数不超过表 3.3.1相应等级导线长度和平均边长算得的边数;当导线长度小于表 3.3.1规定长度的1/3时,导线全长的绝对闭合差不应大于13 cm o3.3.3导线网中,结点与结点、结点与高级点之间的导线段长度不应大于表331中相应等级规定长度的0.7倍。
(川)水平角观测3.3.7水平角观测所使用的全站仪、电子经纬仪和光学经纬仪,应符合下列相关规定:1照准部旋转轴正确性指标:管水准器气泡或电子水准器长气光在各位置的读数较差,1秒级仪器不应超过2格,2秒级仪器不应超过1格,6秒级仪器不应超过1.5格。
2光学经纬仪的测微器行差及隙动差指标:1秒级仪器不应大于1秒,2秒级仪器不应大于2秒。
3水平轴不垂直于垂直轴之差指标;1秒级仪器不应超过10秒,2秒级仪器不应超过15秒,6秒级仪器不应超过20秒。
4补偿器的补偿要求:在仪器补偿器的补偿区间,对观测成果应能进行有效补偿。
5垂直微动旋转使用时,视准轴在水平方向上不产生偏移。
6仪器的基座在照准部施转时的位移指标:1秒级仪器不应超过0.3秒,2秒级仪器不应超过1秒,6秒级仪器不应超过 1.5秒。
7光学(或激光)对中器的视轴(或射线)与竖轴的重合度不应大于1伽。
3.3.8水平角观测宜采用方向观测法,并符合下列规定:1方向观测法的技术要求,不应超过表 3.3.8的规定。
注;1全站仪、电子经纬仪水平角观测时不受光学测微器两次重合读数之差指标的限制。
2当观测方向的垂直角超过土3°的范围时,该方向2C互差可按相邻测回同方向进行比较,其值应满足表中一测回内2C互差的限值。
2当观测方向不多于3个时,可不归零。
导线测量规范(Ⅰ)导线测量的主要技术要求各等级导线测量的主要技术要求,应符合表的规定。
注:1 表中n为测站数。
2 当测区测图的最大比例尺为1:1000时,一、二、三级导线的导线长度,、平均边长可适当放长,但最大长度不应大于表中规定相应长度的2倍。
3.3.2 当导线平均边长较短时,应控制导线边数不超过表相应等级导线长度和平均边长算得的边数;当导线长度小于表规定长度的1/3时,导线全长的绝对闭合差不应大于13㎝。
3.3.3 导线网中,结点与结点、结点与高级点之间的导线段长度不应大于表中相应等级规定长度的倍。
(Ⅲ)水平角观测3.3.7 水平角观测所使用的全站仪、电子经纬仪和光学经纬仪,应符合下列相关规定:1 照准部旋转轴正确性指标:管水准器气泡或电子水准器长气光在各位置的读数较差,1秒级仪器不应超过2格,2秒级仪器不应超过1格,6秒级仪器不应超过格。
2 光学经纬仪的测微器行差及隙动差指标:1秒级仪器不应大于1秒,2秒级仪器不应大于2秒。
3 水平轴不垂直于垂直轴之差指标;1秒级仪器不应超过10秒,2秒级仪器不应超过15秒,6秒级仪器不应超过20秒。
4 补偿器的补偿要求:在仪器补偿器的补偿区间,对观测成果应能进行有效补偿。
5 垂直微动旋转使用时,视准轴在水平方向上不产生偏移。
6 仪器的基座在照准部施转时的位移指标:1秒级仪器不应超过秒,2秒级仪器不应超过1秒,6秒级仪器不应超过秒。
7 光学(或激光)对中器的视轴(或射线)与竖轴的重合度不应大于1㎜。
3.3.8 水平角观测宜采用方向观测法,并符合下列规定:1 方向观测法的技术要求,不应超过表3.3.8的规定。
表3.3.8 水平角方向观测法的技术要求注;1 全站仪、电子经纬仪水平角观测时不受光学测微器两次重合读数之差指标的限制。
2 当观测方向的垂直角超过±30的范围时,该方向2C互差可按相邻测回同方向进行比较,其值应满足表中一测回内2C互差的限值。
2 当观测方向不多于3个时,可不归零。
1.条件摘要导线测量类型规范精确度或地籍图框架工作第一级第二级第三级次要控制最大闭合误差1/50,0001/30,0001/20,0001/15,0001/5,0002、主要用途在主要三角点低洼地势或茂密的森林,主要三角点或不可测或成本太大第一级联测是从C.F导线或更高的三角点。
大城镇区域的框架从第一级测点或第二级三角点联测。
小城镇区域的框架从更高导线或第三级三角点联测,来控制地形和实物测量从更高导线和三角点联测,控制实物和具体测量3、方位角观测(a)方位角测点数不应超过:(b)方位角闭合差测点数不应超过) 观测数量和类型(d) 理想的标准误差为不超过(e) 限差范围4-6个测点或不超过沿导线40km2’’√N至少16对可接受的星体+0’’.602’’.010个测点或相隔不超过100km3’’√N至少8对东西两侧星体+0’’.603’’.025个测点5’’√N至少4对东西两侧星体+2’’.05’’.025个测点10’’√N至少3对东西两侧星体,或3个早晨和3个下午+3’’.010’’.025个测点10’’√N至少3对东西两侧星体, 或3个早晨和3个下午5’’.020.00纬度和经度观测适用于第一级三角点(应用拉普拉斯纠正法)不适用不适用不适用不适用距离测量精确度范围1/75,000 1/50,000 1/30,000 1/15,000 1/7,500使用仪器的类型(f) 距离)天文和角位观测E.D.M设备T4 或DK11,3A,T3,DKM-3钢尺或E.D.M设备C.F导线钢尺或E.D.M设备T2或等价物钢尺或E.D.M设备T2或等价物钢尺T1或等价物2.1 一级导线测量简介一级导线测量是指从C.F导线或更高等级三角点开始,这将组成大城镇地图的主要框架。
导线通常是指沿公路或铁路或海岸线,且闭合误差小于1/30,000。
2.2 规范(i)导线边长度大于等于1.5公里(ii)方位角测点不应超过10个或相隔不应大于8公里(ii)仪器见上表2.3 标识做好每一个测点的标记工作。
标记的类型因地质的不同而不同。
部分类型如下:(a)坚硬的土地标识应由30平方厘米和一米长的混凝土柱组成,安置于地下75厘米处,中心还应由直径为4厘米、长度为1.5—2米的铁管加固。
混凝土柱是由沙子或沙子、橡胶和水泥的混合物按5:1的比例混合而成。
铁管必须与混凝土柱的表面保持齐平,并在顶部一英尺处,用小石头和小圆石灌实。
在最顶部,用水泥泥浆填充,中心标志用0.22口径的弹壳或铜螺钉制作。
混凝土柱的表层应抛光摩平,以易于鉴别数字和字母。
(b)软土地放置底标和顶标,共同组成点标志。
底标是由直径为30厘米、深度至少为15厘米的混凝土块组成,置于……(第三页下端少一行),固定铜螺钉作为中心标志。
顶标表层不应低于地面75厘米深。
顶标是由30平方厘米的预制混凝土柱制成,中心为软钢,钢筋垂直于底标。
底标在顶标安置前,覆盖10厘米厚的沙子。
见图表所示。
(c)坚硬的岩石在岩石上垂直钻一个深度为30厘米的洞,然后将一根长度为46厘米直径为5厘米的管子插入洞内,露出岩石面16厘米处。
将水泥泥浆灌注到洞内,捣实,以固定中间的管子。
然后,用水泥泥浆填充至管子边缘,再插入0.22铜螺钉作为中央标志。
洞口周围的岩石表面出现裂痕,宜为水泥图章提供相应承载力。
管应与图章表面保持齐平,识别的标志印在水泥图章的上面。
2.3.1 (c)参考标点对于每一根混凝土柱,附近除了有明显的指向标志外,还应仔细描述至少3个参考标识。
参考标点可用15平方厘米,长60厘米的支柱及与上述标志相同的材料制作。
参考标点应选择良好的角度,其距离应控制在30米范围内,并可供经纬仪聚焦。
2.3.2标识的数量见“测量标识列举和分类”标识以字母P作为后缀连续排列,前缀为各地籍测量的英文单词第一个字母拼成。
例如:LCS 4P也就是:拉各斯地籍测量第4标志。
3. 地形观测3.1 角位观测水平角度的测量需用大地经纬仪,角度至少是0.5’’。
所有的角度都需观测到与圆圈盘左盘右均等距离的6个测回6个零角度。
3.2 方位角观测方位应由角位观测控制,每10个点选一个,在2个不同的夜晚观测一套8星。
1套包括一颗西星和一颗东星。
步骤与C.F导线相同。
闭合操作应严格按照第2段所规定。
3.3 高程每一个导线测点应按第二级水平仪测高。
3.4 Linca测量用带有钢尺的EDM设备测量距离。
步骤可参照EDM测量中的C.F导线。
最终的水平长度应保留米单位小数点后三个数。
4. 测定值的纠正(a)钢尺测量距离(i)标准(ii)温度(iii)坡度(iv)垂度(v)海平面以上高度(vi)比例尺矫正(b)电子观测距离(i)仪器常数(ii)反射器常数(iii)折射率校正(iv)坡度矫正(v)海平面矫正(vi)弦矫正5. 估算方位角估算接近0’’.1秒。
纬度和偏差也应估算到同样的精确度。
最终水平长度和最终配位则应精确到小数点后三位。
二级导线测量6.1简介二级导线测量是指在一级或更高等级控制点位之间,为在更小区域建立控制的测量。
二级导线测量相对闭合精度不应大于1/20,000。
二级导线测量沿着次级公路……(页角缺内容)6.2导线边长不应短于350米。
6.3 方位角测点两个方位角测点间的导线测点数不应大于25测站。
6.4 仪器(a)角度观测和天文观测应使用1秒级经纬仪。
(b)距离测量应使用光电测距仪测量距离或钢尺量距离。
6.5 标识每一根导线的转折处都应在观测点前正确安放标石。
标石用直径20厘米、长1米的立柱制作,并用比例为5:1的沙子(或沙子和橡胶)和水泥浇注。
立柱应用1.5--2米长的铁管在中间加固。
管子应与立柱表面保持齐平。
铜螺钉作为测点标志,按一级导线要求放置。
柱子表层应磨平,以固定标志用。
6.6 标识的编号标识应连续排列。
前面是各地籍测量的大写英文字母缩写,后面附上S。
例如:I.C.S.6也就是Ilorin地籍测量标识6。
6.7 角度观测应使用秒级经纬仪测量角度。
观测点为4个测回4个零角度。
一测回包括正镜和倒镜的测量方法。
6.8 方位角观测每25个测点应对导线方位角进行控制。
一套完整的测量应包括4对东西星。
为了测绘夹角,需要矫正方位角。
6.9 线性测量应使用EDM装置或钢尺测量。
前后测量的精度不应少于1/100,000。
用钢尺量距遵循30米间隔的规则。
两个读数选其一,钢尺读数应接近千位,温度表读数则按钢尺长度选择。
最终水平长度应精确到小数点后三位。
6.10 高程每一个观测点的高度应按第二级水准测量。
6.11 测距的校正(i)EDM测量矫正按一级导线测量处理。
(ii)钢尺测量以下测距校正应计算到米单位小数点后四位,并能适用于测量距离。
(i)标准(ii)温度(iii)倾角(iv)垂度6.12 位置估算计算方位角以秒为单位。
水平距离应估算到最接近的小数点后三位。
最终校对应舍入到米单位小数点后三位。
7. 三级导线测量三级导线测量主要目的是针对较小区域形成控制以便进行精细测量,并在更高精确级别的点进行。
三级导线测量相对闭合精度为1/15,000。
见上表。
7.1标识:施工和列数标识的尺寸和施工与上面所述二级导线测量相似。
列数也可参照二级导线测量,唯一不同是后缀为T。
7.2观测应使用十秒级经纬仪进行角度测量,如T1.A。
在每一测点只需两套观测数据。
一套应包括FL和FR测量。
7.3方位角方位角观测每25个测点记录一组数据,包括3套东西星数据或一天内清晨和下午太阳的数据。
7.4线性观测线性测量应使用钢尺,但如果工期紧迫,可以使用小范围型式的EDM装置例如D.1.3。
单向和往返测量也同样适用。
7.5高程每个测点高度应按第三级水准测量。
8. 水准测量的技术规格8.1 二级水准测量这是一级水准测量网的联测。
应使用镍铁合金板。
应朝向前后独立的两个方向水平延伸,并应达到8.4√Kmm,其中K为千米。
视距长度不超过45米,前后视角应同样达到1.5米范围。
标尺的读数应精确到0.0001米,并且读三丝数。
记录应当在大地水准测量手簿703上完成8.2 三级水准测量这级水准测量是从更高一级水准线联测的。
可以使用任何传统标尺的工程水准。
任何延伸应朝向前、后两个方向独立测量,并应达到24√Kmm,其中K为千米。
视距长度不超过60米,前后平均在10%范围内。
标尺的读数应精确到0.001米,只需要读出水准三丝数。
并在勘测手簿70上完成记录。