某综合楼深基坑支护设计(手算)
- 格式:doc
- 大小:328.50 KB
- 文档页数:17
深基坑支护结构的设计计算深基坑支护结构设计计算是指在进行深基坑施工时,为了保证基坑的稳定和安全,需要设计合理的支护结构来抵抗土压力和地下水力,并进行相应的计算与分析。
下面将从设计原则、支护结构类型、计算方法和实例分析等方面进行详细介绍。
设计原则:1.充分了解地质环境:通过钻孔、地质勘探等手段对周边地质环境进行充分了解,确定基坑边坡的稳定性和地下水情况等。
2.综合考虑安全和经济性:在满足基坑稳定要求的前提下,尽量优化支护结构的形式和尺寸,使其既能保证施工安全,又能降低成本。
3.遵循现场施工管理规范:根据施工组织方案和现场管理要求,进行支护结构设计,确保施工操作的可行性和安全性。
支护结构类型:常见的深基坑支护结构主要有以下几种类型:1.土方支撑法:包括开挖后土侧临时支护、钢支撑、混凝土支撑、钻孔锚杆支护等。
2.桩承台围护法:采用桩承台、连续墙等结构形式围护基坑。
3.地下连续墙法:采用成排的连续墙围护基坑,形成闭合空间。
4.排浆松土法:通过水平和垂直排浆井人工排除地下水,减小土体侧压力。
5.钢结构支护法:采用钢桩和钢板桩等结构形式围护基坑。
计算方法:1.土体侧压力计算:根据基坑周边土体的物理力学参数和基坑的几何形状,采用经验公式或数值模拟方法计算土体的侧压力。
2.支护结构稳定性计算:根据支护结构的形式和受力状况,进行结构的静力分析和稳定性校核,计算结构内力和变形等。
3.变形计算:根据支护结构的刚度和土体的变形特性,利用有限元分析方法或基于弹性平衡原理的计算方法,对基坑的变形进行计算。
实例分析:以一些深基坑工程为例,具体讲解支护结构设计计算的流程和方法。
1.地质环境调查:通过钻孔和地质勘探,了解地质层位、土壤性质、地下水位等信息。
2.施工组织方案:根据地质环境和工程要求,制定合理的施工组织方案,确定基坑开挖的顺序和方法。
3.土体侧压力计算:根据开挖的深度和基坑周围土体的物理力学参数,计算土体的侧压力,并确定开挖时的土压力分布。
理正深基坑使用说明打开理正选择右侧的单元计算按钮,然后出现下边界面点击小对话窗口中的增按钮,出现新增项目选用模板,如下图选择排桩支护设计一项,然后确认显示如下:然后开始数据输入:(可根据软件提示进行填写)基坑等级和基坑侧壁重要性系数可查下图基坑侧壁岩土体性质基坑深度(m)复杂中等简单软土h>10 6<h≤10 h≤6非软土h>14 10<h≤14 h≤10岩体h>18 12<h≤18 h≤12嵌固深度可先不填写,等所有数据结束后再来桩间距是两桩之间间隔最多0.6m,如图:混凝土强度等级的选择,不明0.60m放坡信息坡度系数为放坡高宽比超载信息超载4种类型前2个均布荷载常用,后两个属于偏心荷载(不晓得什么情况用)若有作用深度,作用宽度,距坑边距就用第二个。
土层信息内侧降水最终深度和外侧水位深度2项数值一般是相同(无隔水的情况下),经验数值为基坑深度加深1.5米土层数根据实际填写,其他项一般不变这个表根据勘察报告填写,厚度用相关孔该层平均值,与锚固体摩擦阻力可查软件中的表,宜取小值。
水土一项中土用合算,砂、砾用分算。
计算m值可根据软件提供的公式计算,如图:基坑底面位移量估计值经验选10mm,也可以根据实际选小。
点确定前注意区分水上水下。
支锚信息上图中画红圈的不用填写预加力可选择50-100,锚固体直径有150,160的(用哪个不晓得怎么选)锚固力调整系数和材料抗力调整系数都是1.00不用改。
其它项为自己设计。
来个规范建筑基坑支护技术规程JGJ 120-991.锚杆上下排垂直间距不宜小于2.0m,水平间距不宜小于1.5m;2.锚杆锚固体上覆土层厚度不宜小于4.0m3.锚杆倾角宜为15°~25°,且不应大于45°下边是网上查来的预应力锚索布置经验:①土层锚索上下排间距不宜小于2.5m,水平不宜小于2.0m;岩层锚索间距宜采用3~6m;②锚索自由段伸入滑动面或潜在滑动面以外的长度不小于1m,自由锻长度不应小于4~5m;③锚固体上覆岩土体厚度不应小于5.0m,锚固段长度不应小于4.0m。
深基坑手算计算书深基坑手算计算书》是一本旨在帮助人们进行深基坑工程计算的重要手册。
深基坑工程是指在建筑施工中需要挖掘较深的基坑,用于容纳建筑物的地下部分。
这类工程涉及到许多复杂的计算,包括结构力学、土力学、水文地质等方面。
本计算书的目的是提供一个简洁、实用的方法,帮助从业人员进行手算计算,并确保计算结果的准确性。
深基坑工程的计算是至关重要的,它直接关系到工程的安全性和稳定性。
任何计算错误都可能导致基坑结构的垮塌、土体的滑移或渗漏等问题,给工程带来损失甚至危险。
因此,深基坑手算计算书的编写和使用具有重要意义。
本计算书的编写将遵循简单策略,避免使用复杂的法律条款和不确定的内容。
我们将充分发挥土木工程的专长,采用简洁明了的语言和方法,确保计算过程的可靠性和易于理解。
所有计算内容都将经过充分确认和验证,以保证准确性和可信度。
文档标题:《深基坑手算计算书》第二段:计算书内容概述深基坑手算计算书》涵盖了以下内容:深基坑的计算部分:本计算书将详细解释基坑的设计要求和参数,并提供基于手算的计算方法。
包括基坑土压力、侧向地面位移、支撑结构设计、基坑排水等方面的计算。
相关材料:除了基坑计算部分外,计算书还包含了与基坑相关的材料信息,例如混凝土配合比、钢筋计算表、土壤力学参数等,以便读者可以更全面地理解和进行深基坑设计计算。
本计算书旨在提供简单和易于理解的计算方法,以帮助读者在深基坑设计和施工过程中进行准确的计算和决策。
请读者注意,本文档中引用的内容需要经过确认,以确保准确性。
本文档为《深基坑手算计算书》的使用说明,旨在提供使用规则和技巧的指导。
在使用《深基坑手算计算书》进行计算时,请遵循以下规则:输入正确的参数:确保输入的参数准确无误,包括基坑尺寸、土体性质等。
遵循计算顺序:按照计算书中的顺序进行计算,确保结果的准确性。
参考说明:在需要特殊处理或注意事项的地方,参考计算书中的相关说明进行操作。
以下是使用《深基坑手算计算书》的一些技巧:仔细阅读说明:在开始使用之前,请仔细阅读计算书中的说明部分,了解计算书的结构和使用方法。
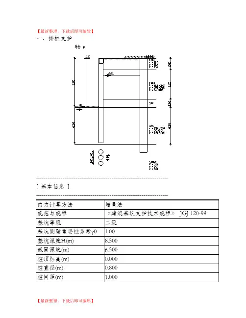
【最新整理,下载后即可编辑】一、排桩支护---------------------------------------------------------------------- [ 基本信息]----------------------------------------------------------------------[ 超载信息]----------------------------------------------------------------------[ 土层信息]----------------------------------------------------------------------[ 土层参数]----------------------------------------------------------------------[ 土压力模型及系数调整 ]---------------------------------------------------------------------- 弹性法土压力模型: 经典法土压力模型:[ 设计结果 ]---------------------------------------------------------------------- ---------------------------------------------------------------------- [ 结构计算 ]---------------------------------------------------------------------- 各工况:内力位移包络图:地表沉降图:---------------------------------------------------------------------- [ 冠梁选筋结果 ]----------------------------------------------------------------------[ 截面计算]---------------------------------------------------------------------- [ 截面参数]二、整体稳定验算----------------------------------------------------------------------计算方法:瑞典条分法应力状态:总应力法条分法中的土条宽度: 0.40m滑裂面数据整体稳定安全系数Ks = 4.022圆弧半径(m) R = 12.550圆心坐标X(m) X = -2.417圆心坐标Y(m) Y = 5.630----------------------------------------------------------------------[ 抗倾覆稳定性验算]----------------------------------------------------------------------抗倾覆安全系数:, 对于内支撑支点力由内支撑抗压力决定;对于锚杆或锚索,支点力为锚杆或锚索的锚固力和抗拉力的较小值。
基坑支护设计计算书1. 引言本文档旨在进行基坑支护设计的计算和分析。
基坑是建筑施工中常见的一种临时结构,用于挖掘地下土层以进行建筑施工。
基坑支护设计是保证基坑施工安全和土体稳定性的重要环节。
本文将根据实际项目要求进行基坑支护设计的计算和分析,包括土体力学参数的确定、支护结构的选择和计算等内容。
2. 土体力学参数的确定在进行基坑支护设计之前,首先需要确定土体力学参数,包括土的黏聚力、内摩擦角、单位体积重等。
这些参数是基坑支护设计的基础,直接影响支护结构和施工的安全性。
2.1 土壤试验为确定土体力学参数,需要进行室内土壤试验。
常见的试验包括标准贯入试验、剪切试验和固结试验等。
通过这些试验,可以得到土的黏聚力、内摩擦角等参数。
此外,还需要进行土的湿度和密度等的测试,以确定土的单位体积重。
2.2 地质勘探资料分析除了进行土壤试验,还可以利用地质勘探资料来分析土体力学参数。
地质勘探资料包括钻孔资料、地质勘探报告等。
通过对这些资料的分析,可以初步确定土的性质和力学参数。
2.3 实测数据分析在一些材料相对简单的项目中,可以利用实测数据来确定土体力学参数。
实测数据包括挖掘试验、压力板试验等。
通过这些试验,可以获得土体的力学性质和参数。
3. 基坑支护结构设计基坑支护结构设计是基坑支护设计的关键环节。
支护结构的选择和设计直接影响施工安全性和支护效果。
常见的基坑支护结构包括护坡、桩墙、土挡墙等。
3.1 护坡设计3.1.1 护坡类型选择根据土体力学参数和基坑的深度等因素,选择合适的护坡类型。
常见的护坡类型包括削坡、嵌岩坡、预埋锚杆坡等。
3.1.2 护坡稳定性计算根据所选护坡类型,进行护坡的稳定性计算。
包括计算护坡的自重、土压力、附加荷载等,以确保护坡的稳定性。
3.2 桩墙设计3.2.1 桩墙类型选择根据项目要求和土体条件,选择合适的桩墙类型。
常见的桩墙类型包括钢板桩、混凝土搭接桩等。
3.2.2 桩墙的稳定性计算对选定的桩墙类型进行稳定性计算,包括桩身桩头的受力计算、土压力的计算等。
基坑工程计算书(复核\15米)1.内力计算主动土压力系数:Ka=tan 2(45°-ϕi/2) 被动土压力系数:Kp=tan 2(45°+ϕi/2)计算时,不考虑支护桩体与土体的摩擦作用,且不对主、被动土压力系数进行调整,仅作为安全储备处理。
计算所得土压力系数表如表2-1所示:表1-1主动土压力计算:由于分层土体前三层性能相差不大,ϕ、C 值取各层土的,按其厚度加权平均。
1) 现分三层土○1、○2、○3计算 ○1号土层为原土层1、2、3层土;1 1.30.8 1.711.511 1.511.60.8 1.7 1.5ϕ⨯+⨯+⨯==++ 130.88 1.711 1.58.13()0.8 1.7 1.5c kPa ⨯+⨯+⨯==++ ○2土层为原4号层土019.1ϕ=,241.3()c kPa =○3土层为原5号层土028ϕ=,25()c kPa =02111.6tan (45)0.6652ka =-= 020219.1tan (45)0.5072ka =-=02328tan (45)0.3612ka =-= 020111.6tan (45) 1.502kp =+=02219.1tan (45) 1.972kp =+= 020328tan (45) 2.782kp =+=○1号土层顶部1200.66528.130.04()a k e kPa =⨯-⨯=○1号土层底部()11180.8 1.7 1.520247.92()a d e ka c kPa =⨯+++-=⎡⎤⎣⎦○2土层顶部()22180.8 1.7 1.520212.17()a e ka c kPa =⨯+++-=-⎡⎤⎣⎦○2土层水位处()221842019227.1()a s e ka c kPa =⨯++⨯-=○2土层底部()()()222184201922 6.46 6.467.1 1.9729.07()a d w e ka c ka kPa γ=⨯++⨯----⎡⎤⎣⎦=+=○3土层顶部()3318420192190.420.40.40.36146.12()a e ka c kPa =⨯++⨯+⨯-⨯⨯=○3土层基坑底部()3318420192190.4 1.6518248.43()a j e ka c kPa =⨯++⨯+⨯+⨯-=被动土压力计算基坑顶部22516.67()p e c kPa ==⨯=支护桩底部32 6.9518 2.7825364.65()pd p e h kp c kPa γ=+=⨯⨯+⨯='3218 2.26 2.7825129.76()pd p e h kp c kPa γ=+=⨯⨯+⨯=设定弯矩零点以上各土层压力合力及作用点距离的计算18.31ha m = 214117.643ha m=⨯+= 32 1.26 4.31 5.153ha m =⨯+= 41 1.1415 6.4 4.69 4.293ha m =⨯+--= 51 1.65 2.26 3.0852ha m=⨯+= 61 1.65 2.26 2.813ha m =⨯+= 71 2.26 1.132ha m=⨯=814.69 2.3452ha m=⨯= 12 2.26 1.513hp m =⨯= 21 2.26 1.132hp m =⨯= 32 4.69 3.133hp m=⨯=414.69 2.342hp m=⨯= 10.0440.16(/)a E kN m =⨯= 2447.92/295.84(/)a E kN m =⨯= 3 1.2612.17/27.67(/)a E kN m =-⨯=- 4 1.148.92/2 5.08(/)a E kN m =⨯= 5 1.6546.1276.1(/)a E kN m =⨯= 6 1.65 2.31/2 1.91(/)a E kN m =⨯= 748.43 2.26/254.73(/)a E kN m =⨯= 848.43 4.69/2113.57(/)a E kN m =⨯=()1129.7616.67 2.26/2127.79(/)p E kN m =-⨯= 216.67 2.2637.67(/)p E kN m =⨯=()3 4.69364.65129.76550.82(/)2p E kN m =-⨯=4129.76 4.69608.57(/)p E kN m =⨯=本工程设计按施工顺序开挖时:1) 第一层支护开挖至第二层支护标高时: 通过计算得右图按11a k p ke e =计算基坑底面以下支护结构设定弯矩零点位置至坑底面的距离0.65c h m=111a ac p pcc T ch E h E T h h -=+∑∑解得:146.13/c T kN m=所以设计值:'111.25 1.2546.13/57.7/c c T T kN m kN m==⨯=2) 开挖至设计基坑标高时:按11a k p ke e =计算基坑底面以下支护结构设定弯矩零点位置至坑底面的距离1.60c h m=112a ac p pcc T ch E h E T h h -=+∑∑解得:2104.54/c T kN m=所以设计值:'221.25 1.25104.54/130.68/c c T T kN m kN m==⨯=2、整体稳定验算整体稳定采用瑞典分条法计算:1)按比例绘出该支护结构截面图,如图所示,垂直界面方向取1m 计算。
基坑支护施工方案(含计算书)一、引言基坑支护施工是建筑工程中的重要环节,其施工质量直接影响到整个项目的安全和进度。
本文旨在针对基坑支护施工进行综合规划和方案制定,结合相关计算书对支护结构的稳定性进行分析,以确保工程施工的安全与质量。
二、工程背景1. 工程地点: - 工程位于 urban location 地区,地质条件复杂,存在天然坡体和水文条件不利的地质特点; - 施工现场周围有 urban infrastructure 设施,要求基坑支护施工不影响周边建筑和交通。
2. 工程规模: - 基坑平面尺寸为XXXm x XXXm; - 基坑深度为XXm。
三、施工方案1. 地基处理:在开挖前,对工程地基进行勘察和地质分析,根据地质情况选择合适的地基处理方法,确保开挖后基坑周围土体的稳定性。
2. 支护结构选择: - 根据基坑深度和周围环境,选择合适的支护结构; - 本工程选用XXX形式的支护结构,以满足工程安全的要求。
3. 施工工艺: - 施工过程中严格遵守相关规范和标准,保证施工质量; - 准备开挖前支护方案、支护结构设计图纸等文件,协调施工人员配合施工。
四、支护结构计算书1. 承载能力计算:边坡结构稳定性系数K 地盘梁承载力P(kN)第一行数据第一行数据第一行数据第一行数据第二行数据第二行数据第二行数据第二行数据第三行数据第三行数据第三行数据第三行数据2. 地下水压力计算:地下水压力对基坑支护结构稳定性有重要影响,需参考现场地下水位,计算地下水压力并根据相关标准进行合理设计。
五、施工安全与质量控制1. 安全措施:- 施工现场设立警示标识,保持通道畅通,设立安全围栏等措施,确保施工安全; - 定期进行施工现场安全检查,及时处理安全隐患。
2. 质量控制: - 对材料的选用、施工工艺的控制等方面进行严格把控,保证支护结构的质量; - 施工过程中进行质量检查,开展质量记录,确保施工质量合格。
六、结论基于对工程地质特征、支护结构选择、施工工艺和施工安全质量控制的综合考虑,本文提出了一套完整的基坑支护施工方案。
深基坑工程支护结构设计计算分析本文以重庆轻轨五号线巴山站基坑工程为例,对该深基坑工程的结构设计进行了研究。
通过该深基坑支护方案的设计计算分析、肋板锚杆挡墙支护方式介绍及对支护结构的内力分析,获得了一些工程经验,为当地的深基坑工程的推广和应用提供参考。
标签:深基坑工程;桩锚支护;设计计算;内力分析深基坑支护问题已经成为建筑界的热点和难点之一,我国的很多城市或地区相继发生多起深基坑事故。
造成基坑事故的原因有很多,其中基坑支护方案的设计就是其中一个重要的原因。
基坑支护设计是一个半理论半经验的设计,如何确保基坑的稳定,满足周边环境的要求,设计经济,并且在设计中考虑到尽可能多的因素,降低不可见因素的影响等等都具有着重要的现实意义。
下面,笔者以重庆轻轨五号线巴山站基坑工程为例,对该深基坑工程的结构设计进行了研究。
1.工程概况巴山站基坑位于金开大道西段,两侧有民用住宅,建筑密度较高,周边场地狭窄。
基坑起讫里程为YAK9+294.350~YAK9+564.350;基坑成矩形分布,南北方向宽23.2m,东西方向长272.0m,开挖面积达7000 ;设计±0.00标高为+307.50m,场地地面标高+306.90m~+307.30m,基坑最深开挖深度为20.24m,属于Ⅰ级基坑。
2.支护工况根据工程特点及场地条件,经过对土体位移变化、基坑稳定性、施工速度、工程造价等方面综合考虑,决定该工程采用排桩(截面:1.5m×1.8m、间距:4.0m)进行支护,加五道锚索(分别距基坑顶2.5m、5.5.0m、8.5m、11.5m、14.5m)。
肋板锚杆挡墙支护形式在本地区应用比较广泛且技术成熟,其特点是施工速度较快,支护效果好,对其他工序的干扰较少,比较经济。
其工况图如图1所示。
图1 支护工况图3.基坑支护结构计算分析3.1 土压力计算模型及系数调整土压力计算采用朗肯土压力理论,“规程”分布模式,除砂土层采用水土分算外,其余土层均采用水土合算,计算所得土压力系数表如表1所示:表1 土压力系数表土层素填土 0.552 0.743 ——粉质粘土0.507 0.712 1.973 1.404砂岩0.832 0.937 2.572 1.603粉质泥岩0.725 0.862 2.035 1.4453.2 支护结构嵌固深度及桩长的确定支护结构的嵌固深度,目前常采用极限平衡法计算确定。
xxxxx 房地产开发有限公司xxxxx 住宅楼及沿街商业、地下车库基坑支护工程设 计 计 算 书院 长审 核审 定总 工校 核设 计项目负责xxxx 基础工程有限公司 xxxx 年xx 月xx 日本基坑支护设计计算主要依据建筑基坑支护技术规程(JGJ120-2012)的有关规定,同时考虑其他有关规范和规程。
基坑开挖深度6.10~7.30m 。
周边环境条件一般,地质条件较好。
基坑支护设计参考xxxx 深基坑x 版,分别对1-1~6-6等6个支护剖面的安全稳定系数进行计算。
各剖面计算勘察钻孔的选取如表1。
各剖面设计计算勘察钻孔的选取 表1设计计算的物理力学参数详见表2。
设计计算的各土层的物理力学参数 表2各剖面支护段的安全稳定系数计算结果见附件,各计算的安全系数均能满足《规程》要求。
1-1剖面---------------------------------------------------------------------- [ 支护方案 ]---------------------------------------------------------------------- 排桩支护---------------------------------------------------------------------- [ 基本信息 ]---------------------------------------------------------------------- [ 放坡信息 ]---------------------------------------------------------------------- [ 超载信息 ]---------------------------------------------------------------------- [ 附加水平力信息 ]---------------------------------------------------------------------- [ 土层信息 ]---------------------------------------------------------------------- [ 土层参数 ]---------------------------------------------------------------------- [ 支锚信息 ]---------------------------------------------------------------------- [ 土压力模型及系数调整 ]---------------------------------------------------------------------- 弹性法土压力模型: 经典法土压力模型:---------------------------------------------------------------------- [ 工况信息 ]-------------------------------------------------------------------------------------------------------------------------------------------- [ 设计结果 ]-------------------------------------------------------------------------------------------------------------------------------------------- [ 结构计算 ]---------------------------------------------------------------------- 各工况:内力位移包络图:地表沉降图:---------------------------------------------------------------------- [ 冠梁选筋结果 ]-------------------------------------------------------------------------------------------------------------------------------------------- [ 环梁选筋结果 ]-------------------------------------------------------------------------------------------------------------------------------------------- [ 截面计算 ]----------------------------------------------------------------------钢筋类型对应关系:d-HPB300,D-HRB335,E-HRB400,F-RRB400,G-HRB500,P-HRBF335,Q-HRBF400,R-HRBF500---------------------------------------------------------------------- [ 锚杆计算 ]----------------------------------------------------------------------[ 锚杆自由段长度计算简图]---------------------------------------------------------------------- [ 整体稳定验算 ]----------------------------------------------------------------------计算方法:Bishop 法 应力状态:有效应力法条分法中的土条宽度: 0.40m滑裂面数据整体稳定安全系数 K s = 2.012 圆弧半径(m) R = 17.612 圆心坐标X(m) X = -0.481 圆心坐标Y(m) Y = 10.398---------------------------------------------------------------------- [ 抗倾覆稳定性验算 ]---------------------------------------------------------------------- 抗倾覆安全系数:p , 对于内支撑支点力由内支撑抗压力 决定;对于锚杆或锚索,支点力为锚杆或锚索的锚固力和抗拉力的较小值。
理正深基坑最的手把手叫你设计基坑支护的教程基坑支护设计手把手教程第一步:基坑支护设计前准备工作在开始设计基坑支护之前,需要进行以下准备工作:1.准备基坑资料:收集基坑位置、尺寸、土质及地下水位等相关信息。
2.土质调查:对基坑周边土质进行勘探,了解不同土层的性质和稳定性。
3.地下水位调查:通过测井等方法获取地下水位,并评估对基坑施工的影响。
4.确定荷载:分析并确定基坑周边的荷载情况,包括土压力、地震荷载等。
第二步:基坑支护形式的选择基坑支护形式的选择通常有梁板桩、垂直支撑和构筑物支撑等多种形式,根据具体情况选择最适合的支护形式。
1.梁板桩支护:适用于较深且土壤稳定性较好的基坑,可以采用梁板桩形成围护墙来支护挖土,保持挖土面的稳定。
2.垂直支撑支护:适用于浅基坑或土壤稳定性较差的基坑,可以采用垂直支撑体系,如钢支撑和混凝土支撑等,来支持挖土的侧面。
3.构筑物支护:适用于需要同时进行建设和基坑支护的情况,如挡土墙、钢结构支撑和混凝土面板等构筑物。
第三步:基坑支护设计根据基坑资料和支护形式的选择,进行具体的基坑支护设计。
1.挂墙设计:对于梁板桩支护形式,需要进行挂墙设计,包括挂板预制和挂板施工等。
2.土压力计算:对于各种支护形式,需要计算土体的荷载和土压力,确定支撑材料和尺寸。
3.支护材料选择:根据土压力计算结果和实际工程要求,选择适合的支撑材料,如预制钢板、钢管和木质支撑等。
4.连接方式设计:对于支撑材料之间的连接,如挂板和支撑材料之间的连接,需要进行设计,并选择适当的连接方式,如焊接和螺栓连接等。
第四步:基坑支护施工基坑支护设计完成后,需要进行具体的施工工作。
1.挖土:根据设计要求,按照支护计划进行挖土工作,确保挖土面的稳定性。
2.安装支撑:根据支护设计,安装预制的挂板和支撑材料,保证基坑的稳定性。
3.进一步处理:根据土质条件和地下水位等情况,可能需要进行其他处理,如加固支护材料和加装临时支撑等。
4.监测:在施工过程中,需要进行基坑支护的监测,如地下水位监测和支护结构变形监测等,及时调整和处理问题。
一、设计方案综合说明书1、设计依据(1)、本工程的地质勘察报告。
(2)、徐州华润花园高层住宅楼的总平面图、地下室平面图。
(3)、有关设计计算规范及规程。
①《建筑基坑支护技术规程》②《混凝土结构设计规范》2、工程概况拟建的xx花园高层住宅楼位于徐州市城区西北部,东临二环西路,北接黄河故道。
该建筑物为28层框剪结构,总高度100m,地下库一层,基坑开挖深度7.45m,该基坑施工间距较小。
3、工程地质概况根据本工程的地质勘察报告,地貌类型为古秦淮河漫滩,基坑开挖深度范围内土层分布大致为:①杂填土:上部为粉砂混碎砖、碎石等建筑垃圾,下部为棕黄色粉砂,层厚0.60~2.0m;②~1粉砂:棕黄色,湿~很湿,松散~稍密,层厚4.1~5.5m③~1粉砂:灰~深灰色,很湿,松散~中密,夹粘土薄层,层厚3.4~4.8m。
④粘土:灰色,可塑,局部软塑,夹薄层粉土,粉土松散~稍密,单层厚度20~40cm,层厚3.65~6.1m。
⑤粉质粘土:棕红色、棕黄色、褐黄色、杂青灰色,1可塑,含少量砂礓及铁锰结核,砂礓块径2-3cm,分布不均,局部富集含量可达20%左右,层厚6.1~8.5m。
该建筑场地地下水为潜水~弱承压水,主要分布于上部粉砂、粉土层中,地下水主要由大气降水补给为主,其次是废黄河河水渗透补给,地下水位埋深1.5~1.9m左右。
4、方案概述本基坑开挖深度为7.45m,基坑侧壁大部分为②~1层及③~1层粉砂层。
由于地下水埋深在1.7m左右,基坑侧壁土层大部分为透水性强的土层,开挖易发生坍塌,因此基坑开挖时应降低地下水位,基坑应进行支护。
本基坑支护方案为:①整个基坑采用Φ700@1000钻孔桩加混凝土环梁支撑作为挡土结构;③钻孔桩段基坑采用SMW深层搅拌桩止水;③基坑采用疏干井加明沟排水。
经过设计计算,本工程基坑支护结构的设计参数见下表:钻孔桩设计参数区段桩长(M) 桩径(M)主筋螺旋筋加强筋砼等级桩中心矩(M)ABCDEFGHA段17 0.7 12Ф22 φ8@200 φ16@2000 C25 1.0基坑监测是指导正确施工避免事故发生的必要措施,本设计制定了详细的沉降、位移监测方案,施工过程中应严格按照设计要求做好监测监控工作。
深基坑支护施工方案一、工程概况本工程是一座深基坑支护工程,用于建设一个地下商业综合体。
基坑深度为20m,面积为1000平方米。
二、地质勘察根据地质勘察报告显示,该基坑区域地质条件较为复杂,地下水位较高,存在一定的地下水渗流。
地质层次上主要包括上部松散层和下部硬岩层。
三、基坑支护方案1.削土与侧墙支护为保证施工的安全性和稳定性,首先需要进行削土,将基坑周围的土方削除,以减轻支护结构负荷。
削土深度为基坑深度的1.5倍。
在削土的同时,需要进行侧墙支护。
由于地下水位较高,我们将采用粉土搅拌桩+钢板桩的组合形式进行侧墙支护。
钢板桩的长度根据地下水位和土壤条件确定,一般为12~15m。
搅拌桩的直径为600mm,桩间距为800mm。
2.地下排水系统为控制基坑内的地下水位,需要设置地下排水系统。
我们将设置水平排水带和垂直排水井。
水平排水带可采用高效突水泵进行抽水。
排水带设置在基坑周边,与钢板桩顶部平行,深度为削土深度的1.2倍。
垂直排水井设置在基坑内,井深为基坑深度的1.5~2倍。
井内安装抽水泵,以控制基坑内的地下水位。
3.支护结构基坑支护结构将采用钢支撑+预应力锚杆的组合形式。
钢支撑将设置在侧墙顶部,以提供水平支撑和抵抗土压力。
支撑材料为钢板,厚度为10mm,长度为基坑宽度的1.2倍。
预应力锚杆将设置在侧墙底部和底板部分,以提供纵向支撑和抵抗下沉力。
锚杆直径为32mm,间距为1.5m。
四、施工组织1.措施为确保施工的顺利进行,需要采取以下措施:(1)地下水排泄及处理措施:在地下水位较高且渗流较大的区域,采用高效突水泵进行排水,同时对排出的水进行处理。
(2)安全防护措施:为保护施工人员和周边环境的安全,需要设置防护网和警示标志。
2.施工步骤(1)基坑削土:按设计要求进行削土,同时进行侧墙支护的施工。
(2)地下排水系统施工:先施工水平排水带,再施工垂直排水井。
(3)支护结构施工:先施工钢支撑,再施工预应力锚杆。
3.施工进度根据施工的实际情况,计划总工期为60天。
题目:基坑深17.0m ,支护方式为排桩加外锚方案,设两道锚杆支护(第一道设在-6.0m 处,第二道-11.5m 处。
土层相关参数见下表:表1 土层参数信息表土层编号 土层名称 重度γ)/(3m kN黏聚力c )(kPa 内摩擦角ϕ)( 土层厚度 )(m 1-1 杂填土 16 0.7 15 6.0 3-1-2 新黄土2 19.4 21.7 22 4.0 3-2-2 古土壤 20.2 24.5 20 4.8 4-1-2 老黄土21.120.3246.1此基坑采用分层开挖的方式,在基坑顶部承受拟定的均布荷载,荷载值为20kPa ,荷载及各土层分布情况见图1.1。
图1.1 荷载分布及支护方案解:1 计算各土层侧压力系数(1)郎肯主动土压力系数计算589.0)2/1545(tan )2/45(tan 2121=-=-= ϕKa 767.01=Kaq=20kPa1-1 杂填土3-1-2 新黄土23-2-2 古土壤4-1-2 老黄土1T2T3T455.0)2/2245(tan )2/45(tan 2222=-=-= ϕKa 675.02=Ka490.0)2/2045(tan )2/45(tan 2323=-=-= ϕKa 700.03=Ka 422.0)2/2445(tan )2/45(tan 2424=-=-= ϕKa 649.04=Ka(2)郎肯被动土压力系数计算698.1)2/1545(tan )2/45(tan 2121=+=+= ϕKp 303.11=Kp 198.2)2/2245(tan )2/45(tan 2222=+=+= ϕKp 483.12=Kp040.2)2/2045(tan )2/45(tan 2323=+=+= ϕKp 428.13=Kp 371.2)2/2445(tan )2/45(tan 2424=+=+= ϕKp 540.14=Kp2 各工况土压力及支撑力计算(1)工况1:基坑开挖至-6.0m ,并在此处设置第一道锚杆,地面处的主动土压力为:kPa Ka c qKa e a 706.10767.07.02589.02021110=⨯⨯-⨯=-=m 0.6处的主动土压力:第一层土层:1111162)(Ka c Ka z q e a -+=γkPa 250.67767.07.02589.0)61620(=⨯⨯-⨯⨯+= 第二层土层:22211'62)(Ka c Ka z q e a -+=γkPa 485.23675.07.212455.0)61620(=⨯⨯-⨯⨯+= 开挖面处的被动土压力为:kPa Kp c e p 362.64483.17.2122226=⨯⨯==开挖面处主动土压力减去被动土压力为:kPa e e e p a 877.40362.64485.236'6"6-=-=-= 则所有的主动土压力合力为:m kN E a /868.2336)250.67706.10(5.01=⨯+⨯=10.706图3.2 工况1土压力分布图假设开挖面以下m t 1处剪力为0 ,该处即是最大弯矩所在截面,则m t 1处的主动土压力减去被动土压力为:)2(22212212'61Kp c Kp t Ka t e e t +-+=γγkPat t t )877.40814.33()483.17.212198.24.19(455.04.19485.23111--=⨯⨯+⨯-⨯+=由静力平衡列方程:111)814.33877.40877.40(5.0t t Ea ++⨯=211592.16877.40868.233t t +=解得 m t 719.21= 所以kPa e t 817.132877.40719.2814.331-=-⨯-= 因此最大弯矩为:mm kN M /266.827719.231719.2)877.40817.132(5.0719.25.0719.2877.40)719.2631(6)706.10250.67(5.0)719.265.0(6706.101max ⋅=⨯⨯⨯-⨯-⨯⨯⨯--+⨯⨯⨯-⨯++⨯⨯⨯= (2) 工况2:开挖至处m 5.11-,并在此处设第二道锚杆,土压力分布: 开挖面处主动土压力:第二层土层:kPa Ka z e e a a 793.58455.044.19485.23222'610=⨯⨯+=+=γ 第三层土层:3332211'102)(Ka c Ka z z q e a -++=γγ67.25040.877 1t e1tkPa 564.60700.05.242490.0)44.1961620(=⨯⨯-⨯⨯+⨯+= 开挖面处的主动土压力为:kPa Ka z e e a a 411.75490.05.12.20564.603'23'105.11=⨯⨯+=+=γ 开挖面处的被动土压力为:kPa Kp c e p 972.69428.15.2422335.11=⨯⨯== 则主动土压力减去被动土压力为:kPa e e e p a 439.5972.69411.755.115.11'5.11=-=-= 假设土压力零点位置为开挖面以下2d 处,则有:3235.113235.11Kp d e Ka d e p a γγ+=+m Ka Kp e d 174.0)490.0040.2(2.20439.5)(333'5.112=-⨯=-=γ主动土压力合力为:mkN Ea /878.5005.1)564.60411.75(5.04)793.58485.23(5.0868.2332=⨯+⨯+⨯+⨯+=土压力零点位置处截面的弯矩为:mm kN Ma /943.2507174.032174.0439.55.0)174.05.131(5.1)564.60411.75(5.0)174.05.15.0(5.1564.60)174.05.1431(4)485.23793.58(5.0)174.05.145.0(4485.23)174.05.14631(6)706.10250.67(5.0)174.05.1465.0(6706.102⋅=⨯⨯⨯⨯++⨯⨯⨯-⨯++⨯⨯⨯+++⨯⨯⨯-⨯+++⨯⨯⨯++++⨯⨯⨯-⨯++++⨯⨯⨯=则第一道(6m)处锚杆的水平分力为:m kN a Ma T /006.442174.05.5943.2507221=+==假设土压力零点位置以下m t 2处剪力为0,即弯矩最大,则由几何关系可知,m t 2处的土压力为:174.0439.522=-t e t , 22259.31t e t -=由静力平衡可列方程:图3.3 工况2土压力分布图22125.0t e T Ea t ⨯⨯+=22259.315.0006.442878.500t t ⨯⨯+=解得 m t 941.12= 所以 kPa e t 674.60941.1259.312-=⨯-= 因此最大弯矩为:mm kN M /607.270)941.1174.05.5(006.442941.131674.60941.15.0)941.1174.032(174.0439.55.0)941.1174.05.131(5.1)564.60411.75(5.0)941.1174.05.15.0(5.1564.60)941.1174.05.1431(4)485.23793.58(5.0)941.1174.05.145.0(4485.23)941.1174.05.14631(6)706.10250.67(5.0)941.1174.05.4465.0(6706.102max ⋅=++⨯-⨯⨯⨯⨯-+⨯⨯⨯⨯+++⨯⨯⨯-⨯+++⨯⨯⨯++++⨯⨯⨯-⨯++++⨯⨯⨯+++++⨯⨯⨯-⨯+++++⨯⨯⨯=(3)工况3:开挖至m 0.17-,并在此处设第三道锚杆:kPa Ka z e e a a 074.108490.08.42.20564.60333'108.14=⨯⨯+=+=γ 第四层土层:444332211'8.142)(Ka c Ka z z z q e a -++++=γγγkPa267.96649.03.202422.0)2.42.2044.1961620(=⨯⨯-⨯⨯+⨯+⨯+=10.70667.25023.485 58.793 60.5645.4391T2d2t75.4112t ekPa Ka z e e a a 856.115422.02.22.20267.96444'5.1417=⨯⨯+=+=γ 开挖面处的被动土压力为:kpa Kp c e p 524.62540.13.20224417=⨯⨯==主动土压力减去被动土压力:kPa e e e p a 332.53524.62856.1151717"17=-=-=假设土压力零点位置为开挖面以下3d 处,则:图3.4 工况3的土压力分布图444444172Kp c dKp dKa e a +=+γγ540.13.202371.21.21422.01.21856.11533⨯⨯+⨯⨯=⨯⨯+d d解得 m d 297.1=所有主动土压力合力为:mkN E a /076.1070297.1332.535.02.2856.115267.965.08.4074.108564.605.04)796.58485.23(5.06)250.67706.10(5.03=⨯⨯+⨯+⨯+⨯+⨯+⨯+⨯++⨯+⨯=)()(土压力零点处截面的弯矩为:67.25023.485 58.79360.564108.074 96.26753.3321T2T3d3t10.706115.8563t emm kN Ma /991.7931297.132297.1233.535.0)297.12.231(2.2)267.96856.115(5.0)297.12.25.0(2.2267.96)297.12.28.431(8.4)564.60074.108(5.0)297.12.28.45.0(8.4564.60)297.12.28.4431(4)485.23793.58(5.0)297.12.28.445.0(4485.23)297.12.28.44631(6)706.10250.67(5.0)297.15.28.4465.0(6706.103⋅=⨯⨯⨯⨯++⨯⨯⨯-⨯++⨯⨯⨯+++⨯⨯⨯-⨯+++⨯⨯⨯++++⨯⨯⨯-⨯++++⨯⨯⨯+++++⨯⨯⨯-⨯+++++⨯⨯⨯=所以第二道(11.5m 处)锚杆的水平分力为:mkN T Ma T /303.438297.15.5)297.111(006.442991.7931297.15.5)617(132=++⨯-=+-⨯-=假设土压力零点位置以下m t 3处剪力为0,即该处弯矩最大,则该界面处的土压力为:由几何关系有:333332.53d t e t =- 所以33120.41t e t -= 则由静力平衡列方程:33213120.415.0t t T T Ea ⨯⨯⨯++=33120.415.0303.438006.442076.1070t t ⨯⨯++=解得 m t 038.33=kPa e t 922.124038.3120.413-=⨯-= 因此最大弯矩为:mm kNM /109.95)038.3297.15.511(303.438)038.3297.111(006.442038.331038.3922.1245.0)038.3297.132(297.1332.535.0)038.3297.12.231(2.2)267.96856.115(5.0)038.3297.12.25.0(2.2267.96)038.3972.12.28.431(8.4)564.60074.108(5.0)038.3297.12.28.45.0(8.4564.60)038.3297.12.28.4431(4)485.23793.58(5.0)038.3297.12.28.445.0(4485.23)038.3297.12.28.44631(6)706.10250.67(5.0)038.3297.12.28.4465.0(6706.103max ⋅-=++-⨯-++⨯-⨯⨯⨯⨯-+⨯⨯⨯⨯+++⨯⨯⨯-⨯+++⨯⨯⨯++++⨯⨯⨯-⨯++++⨯⨯⨯+++++⨯⨯⨯-⨯+++++⨯⨯⨯++++++⨯⨯⨯-⨯++++++⨯⨯⨯=(4)嵌固深度的计算m kN T T Ea T d /767.189303.438006.442076.1070213=--=--=h e h 120.41-=图3.5 嵌固深度计算图对O 点取矩,由力矩平衡可知:0)(=∑O M:031)120.41(5.0767.189=⨯⨯⨯-⨯+⨯h h h h解得 m h 262.5=则嵌固深度m t h h a 96.9)038.3262.5(2.1)(2.13=+⨯=+= 因此桩总长m L 96.2696.917=+=3 灌注桩的内力设计值及配筋设计最大弯矩计算值: m kN M c ⋅=⨯=899.12405.1266.827最大弯矩设计值:m kN M M c ⋅=⨯⨯==236.1706899.12401.125.125.10γ 灌注桩的配筋取分段开挖的最大弯矩:m kN M ⋅=899.1240max 。
**大厦深基坑支护设计摘要本设计是**大厦的基坑支护设计。
地基土层主要由素填土、淤泥质粘土、粉质粉土、粉质粘土构成。
地形为坡地,局部为水塘。
由人工推填平整,场地较平整。
原始地貌为侵蚀性堆积岗地。
主体基坑支护采用分两侧采用不同的支护体系支护:一种是钻孔灌注桩加锚杆的支护体系,采用钻孔灌注桩的基坑开挖深度为9m,总桩长13m;一种是土钉墙支护,基坑开挖深度10m。
基坑采用深层搅拌桩止水,排水沟排水。
土层锚杆作为一种新兴科学,将会更广泛地运用到工程实践中,其具有较高的科学性、使用性,且施工方便,不占场地。
设计的主要内容有支护方案的选择、钻孔灌注桩的设计与计算、土钉及锚杆的计算、基坑的止水和施工组织设计和概预算。
关键词:深基坑支护;土钉墙;钻孔灌注桩;深层搅拌桩;锚杆支撑;施工组织设计;概预算。
1目录第1章设计方案综合说明 (1)1.1设计任务 (1)1.1.1 本设计为基坑工程 (1)1.1.2基坑工程设计图纸要求 (1)1.1.3针对性设计专题在论文的相应章节详细论述 (1)1.2原始资料 (1)1.2.1工程概况 (1)1.2.2基坑周边环境条件 (2)1.2.3岩土层分布特征 (2)1.2.4基坑侧壁安全等级及重要性系数 (3)1.3设计依据 (4)第2章支护体系方案的选择 (5)2.1支护体系的组成 (5)2.2基坑支护结构的选择 (7)2.3支护方案的比较和确定 (9)2.4总结 (10)2.4.1 各土层的计算参数 (10)2.4.2 计算区段的划分 (10)2.4.3 计算方法 (11)2.4.4 方案确定 (11)第3章 BC断面的围护结构设计与计算 (12)3.1土压力系数计算 (12)3.2支护结构设计计算 (12)3.2.1 侧向土压力计算 (12)3.3锚杆设计的内容和步骤 (17)3.3.1 锚杆承载力的计算 (18)3.4 桩的配筋 (21)3.4.1 桩体的配筋计算方法 (21)3.4.2 构造配筋 (22)3.5冠梁设计 (23)3.6腰梁设计 (23)第4章基坑的稳定性验算 (25)4.1概述 (25)4.2验算内容 (25)24.3验算方法及计算过程 (25)4.3.1 基坑的整体抗滑稳定性验算 (25)4.3.2 基坑抗倾覆稳定性验算 (25)4.3.3基坑抗隆起稳定性验算 (27)4.3.4抗渗流(或管涌)稳定性验算 (29)第5章(AB.AD.DC)断面的围护结构设计与计算 (32)5.1土钉概述 (32)5.2土钉墙设计内容包括 (32)5.2.1 方案确定 (32)5.2.2 土钉计算 (33)5.2.3 结构计算 (37)第6章基坑止水设计 (38)6.1方案选择 (38)6.2基坑止水方案设计 (38)6.2.1 止水桩长确定 (38)6.3排水设计 (38)6.3.1 排水方案设计 (38)第7章监测方案 (39)7.1基坑监测 (39)7.1.1 位移观测 (39)7.1.2沉降监测 (39)7.2观测精度及技术要求 (39)第8章施工组织设计 (42)8.1主要施工顺序 (42)8.2主要配备 (42)8.3施工工期与进度计划 (44)8.3.1 组织管理机构 (44)8.3.2 施工准备 (45)8.4施工方法、施工工艺及技术措施 (46)8.4.1 主要分项工程施工方法 (46)8.4.2 施工工艺 (47)8.4.3 主要技术措施 (49)8.5质量保证措施 (50)8.5.1 工程质量目标 (50)8.5.2 土方工程质量要求 (51)8.5.3 土钉墙施工注意事项及质量要求 (51)8.6环保管理及措施 (53)38.6.1 环境目标 (53)8.6.2 环境指标 (53)8.6.4 环境控制措施 (54)8.7安全防火管理 (55)8.8工程监测与信息施工 (56)8.9技术资料管理 (57)8.9.1 工程归档资料 (57)8.9.2 资料收集整理要求 (58)8.9.3 资料保证措施 (58)第9章概预算 (59)9.1工程量的计算 (59)9.2工程预算书 (60)9.3工程总造价 (64)结束语 (65)参考文献 (66)致谢......................................................................................................................... 错误!未定义书签。
某综合楼深基坑支护设计一、工程概况1.环境条件概况某综合楼是集购物、商住、办公于一体的综合性建筑,建筑面积70000m2。
工程占地面积144×40m2。
上部结构由三幢19~20层的塔楼组成,最大高度达81.5m,其中1号、2号楼带三层裙楼,三幢楼的裙房连在一起。
塔楼群房采用框架剪力墙结构,钻孔灌注桩箱形基础,设两层地下室,挖深为8.9m,电梯井局部挖深达11.6m。
该建筑物西侧剧长宁街仅5m,且在路面下埋有电缆线、煤气管道、自来水管道及污水管道等市政公用设施。
南边是新华联施工现场,其围墙局开挖最小距离为4m,青春小区土方开挖时,新华联施工现场正处于打钻孔灌注桩阶段。
东侧大部分为一片已完成拆迁的空地,其中有一幢友谊服装厂的四层厂房,间距约13m,北侧距长庆街约12m。
该场地为原住宅及厂房等拆除后整平,场地基本平坦。
根据地质勘测勘料,地下水位埋藏较浅,平均深度为1.15m,其中上部土层透水性较好。
该场地30m深范围内土层的主要物理力学指标如下:二、降水设计根据本地的工程地质水文条件以及周围环境,设计采用喷射井点降水系统。
由于上部透水性较好,采用环圈形式布置井点,并配抽水设备。
方案为潜水完整井。
1.井点系统布置井点管呈长方形布置,总管距沉井边缘1.5m。
沉井平面尺寸为144×40m2,水力坡度取1/10。
1)井点系统总长度[(144+1.50*2)+(40+1.50*2)]*2=380m2)喷射井点管埋深H=11.6+IL1=11.6+1/10*43/2=13.75m取喷射井点管长度为14m3)虑水管长度取L=1.5m ,φ38mm4)在埋设喷射井点时冲孔直径为600mm,冲孔深度比滤水管深1米.即:14.50+1.50+1.00=17.00m井点管与滤水管和孔壁间用粗砂填实作为砂滤层,距地表1.00m处用粘土封实以防漏气。
2. 基坑排水量计算2) 渗透系数k 的确定土的渗透系数用第二层和第三层的加权平均值 k =1.725.5*1.34*44.5+*10-4=5.36*10-4cm/s =0.46m/d 2)含水层厚度H w H w =3.9+3.8+3.5+3.5+3+1-1.15=17.55m2) 基坑要求降低水位深度S ′S ′=11.6-1.15+0.5=10.95m2) 地下水位以及井管长度,即井管内水位下降深度SS= S ′+i L 1=10.95+1/10*43/2=13.1m 2) 影响半径RR=10s k =10*13.1*46.0=88.8m 2) 引用半径rr=14.3/F =14.3/43*147=44.87m2) 基坑总排水量Q Q=rR s s H k ln 'ln ')'2(14.3--=87.44ln )8.448.88ln(95.10)95.1075.13*2(46.0*14.3-+-=239.8m 3/d3. 单根井点管的出水量q =65πdl 3k=65*3.14*0.038*1.5*346.0=8.98m 3/d4. 单根井点管数及间距N=1.1Q/q=1.1*239.8/8.98=29.4 实际用30根井点管D=(147+43)*2/30=12.67m 实际间距取12米注意:在井点系统抽水期间应加强地面沉降的观测,防止由于地面沉降而引起的环境问题。
按此喷射井点设计方案降水在沉井施工过程中降水效果好,满足设计要求。
三、土层压力计算因墙背竖直、光滑,填土面基本水平,符合郎金条件计算时假定附加荷载q=10kp个填土层物理力学性质该书中已给,不再赘述。
计算过程如下:K a1 =tan2(45。
-10。
/2)=0.7kσa0 =qK a1-2c11a=10*0.7-2*5*7.0=-1.37kpσa1 =(10+18.1*1.15)*0.7-2*57.0=13.2kpσa2 =(10+18.1*1.15+8.1*3.35)*0.7-2*57.0=32.2kpK a3 =tan2(45。
-35。
/2)=0.27.0σa2’=(10+18.1*1.15+8.1*3.35)*0.27-2*1027=5.25kp.0σa3=(10+18.1*1.15+8.1*3.35+8.9*4)*0.27-2*1027=14.86kpK a4= tan2(45。
-35.15。
/2)=0.27.0σa3’ =(10+18.1*1.15+8.1*3.35+8.9*4)*0.27-2*6.527=18.5kp.0σa4 =(10+18.1*1.15+8.1*3.35+8.9*4+8.7*3.5)*0.27-2*6.527=26.7kpK a5 = tan2(45。
-11.2。
/2)=0.67.0σa4’ =(10+18.1*1.15+8.1*3.35+8.9*4+8.7*3.5)*0.67-2*15.667 =57.5kp.0σa5 =(10+18.1*1.15+8.1*3.35+8.9*4+8.7*3.5+8.4*3.5)*0.67-2*15.667 =77.2kpK a6 = tan2(45。
-17.3。
/2)=0.54.0σa5’ =(10+18.1*1.15+8.1*3.35+8.9*4+8.7*3.5+8.4*3.5)*0.54-2*4354 =19.6kp.0σa6 =(10+18.1*1.15+8.1*3.35+8.9*4+8.7*3.5+8.4*3.5+8.9*3.5)*0.54-2*4354 =36.5kp被动:K p4= tan2(45。
+35.12。
/2)=3.7σp4 =8.7*0.4*3.7+2*6.57.3=37.9kpK p5= tan2(45。
+11.2。
/2)=1.48.1σp4’ =8.7*0.4*1.48+2*15.648=43.1kp.1σp5 =(8.7*0.4+8.4*3.5)*1.48+2*15.648=86.6kpK p6 = tan2(45。
+17.3。
/2)=1.85.1σp5’ =(8.7*0.4+8.4*3.5)*1.85+2*4385=177.8kp.1σp5’ =(8.7*0.4+8.4*3.5+8.9*3.5)*1.85+2*4385 =235.4kp土层水的压力:σW=γW H W10*(11.6-1.15)=104.5kp不考虑渗流的影响土层水土压力图四、基坑护围及支护方案设计1.方案选定1)东侧和北侧采用放坡另加适当的土钉墙;基坑开挖深度为9米,采用1:0.577即坡角60度放坡开挖,中间设1.5米平台。
2)南侧采用人工挖孔桩配合对拉锚杆支护结构。
3)西侧由于对基坑侧壁变形稳定性要求较高,宜采用土钉墙支护。
2.方案设计及计算1)东侧和北侧放坡段板面:C20喷射混凝土,厚度100mm钢筋网:φ6@200mm*200mm土钉:共设4排土钉,水平间距与垂直间距为2米土钉规格:φ28L8000mm@2000mm分布见图纸①内部稳定分析为方便计算土层力学性质采用加权平均值。
附加荷载为10kp,临界破坏面为楔性破坏面,破坏面倾角为:45○+φ/2计算时可用下式:K= [CL+(W+Q)Sin(45。
+φ/2)tanφ+Tsin(45。
+φ/2+Θ)tanφ+ Tcos(45。
+φ/2+Θ)]/(W+Q) cos(45。
-φ/2)公式说明:φ为土层平均内摩擦角取φ=9.815.35*4.035*410*5.4++=22.4。
c为土层平均粘聚力取c =9.85.6 * 4.010*45*5.4++=7.3kpγ为土层平均重度取γ=9.87.18*4.09.18*41.18*5.4++=18.5kN/m3w为土层自重取w=0.5γH2tan(45-φ/2)-0.5γ*H2cot60=0.5*18.5*8.92tan33.8-0.5*18.5*8.9*8.9*0.58 =65.5kn/mH为井深8.9mL为楔形滑移面长度L =H/cos(45-11.2)=8.9/cos33.8。
=10.7mQ为地面载荷Q =10*8.9tan(45-11.2)=59.6kn/mT为土钉的支撑力T =∑Lb*20/1.5=32*20/15=426.7kN/mΘ为土钉与水平面的夹角10度将以上数据带入公式中 K=︒+︒+︒︒+︒︒++8.33cos )5.656.59(2.66cos 7.4264.22tan 2.66sin 7.4264.22tan 8.33sin )5.656.59(7.10*3.7 =4.2② 抗滑稳定计算 安全系数K H =F T /E ax 公式说明:K H 为抗滑安全系数;F T 为墙底断面上产生的抗滑力; E ax 为墙后主动土压力。
E ax =(0.5γH+q )Htan 2(45-φ/2)-2cH tan(45-φ/2)+2c 2/γ=(0.5*18.5*8.9+10)*8.9tan 233.8-2*7.3*8.9tan33.8+2*7.32/18.5 =287kN/mF T =(W+qB)tan φB=11/12*8cos10=7.2mF T =(18.5*8.9*7.2+10*7.2)tan35.15○=885.4kN/m ∴ K H =885.4/287=3.1 满足稳定要求③ 抗倾覆稳定计算 安全系数:K Q =M W /M M W =(W+qB)*0.5B=(18.5*8.9*7.2+10*7.2)*0.5*7.2=4526.9kN/m M=E ax *1/3H=287*1/3*8.9=851.4kN/m K Q =4526.9/851.4=5.3 满足稳定要求2) 西侧土钉墙支护设计板面:C20喷射混凝土,厚度100mm 钢筋网:φ6@200mm*200mm土钉:共设8排土钉,水平间距为2米, 垂直间距为1米。
土钉规格:前三排:φ28L4000mm@1000mm 下五排:φ28L10000mm@1000mm 内部稳定分析为方便计算,土层力学指标采用加权平均值,临界破坏面为楔形划移面 破坏面倾角为(45+2ϕ) 楔形划移面长度⎪⎭⎫ ⎝⎛-=2263.2445cos H L =⎪⎭⎫⎝⎛-2263.2445cos 9.8=10.6 m土层平均加权内摩擦角φ=9.815.35*3.135*75.310*9.3++=24.263土层平均加权粘聚力cc=9.85.6*3.110*75.35*9.3++=7.354a kp0263.24=ϕ354.7=c 87.18=γ土层自重WW=21γH[tg(45-φ/2)-2.38] =0.5*18.87*8.9*⎥⎦⎤⎢⎣⎡-⎪⎭⎫⎝⎛-38.22263.2445tg =283.05 kN/m 地面附加载荷QQ=⎥⎦⎤⎢⎣⎡-⎪⎭⎫⎝⎛-38.22263.2445Htg q =20*8.9tan(45-2263.24)=67.41 kN/m⎪⎭⎫ ⎝⎛-=2263.2445cos H L =⎪⎭⎫ ⎝⎛-2263.2445cos 9.8=10.6 m土钉与水平面的夹角 θ= 10土钉锚固力TT =∑Lb *20/1.5= 29.6*20/15= 493.3kN/m土钉内部稳定系数K()()⎥⎦⎤⎢⎣⎡⎪⎭⎫ ⎝⎛-+⎥⎦⎤⎢⎣⎡⎪⎭⎫ ⎝⎛+++⎪⎭⎫ ⎝⎛+++⎪⎭⎫ ⎝⎛-++=245cos 245cos tan 245sin 245sin ϕθϕϕθϕϕϕQ W T T tg W Q Cl K=2.06抗滑稳定计算 K H =axTE F K H ————抗滑安全系数F T ————墙底断面上产生的抗滑力 E ax ————墙后主动土压力γϕϕγ222245224521C CHtg Htg q H E ax+⎪⎭⎫ ⎝⎛--⎪⎭⎫ ⎝⎛-⎪⎭⎫ ⎝⎛+= =(0.5*18.87*8.9+20)*8.9tan233.8-2*7.354*8.9tan33.8+2*7.3542/18.87=307.5 kN/m F T =(W+q) Btg ϕ B=1211*8815127+++cos10=4.74 F T =(18.87*8.9*4.74+10*4.74)tan24.263= 401.5kN/m∴ K H =401.5/307.5=1.31满足稳定要求抗倾覆稳定计算 K Q =M M wM W =(W+q) B*0.5B=(18.87*8.9*+10)4.74*0.5*4.74=2111.3kN/m M=H E ax31= 307.5*1/3*8.9=912.5kN/m K Q =2111.3/912.5= 2.31 满足稳定要求 3)南侧段基坑下土压力零点: 设土压力零点距基坑下x 米:3333333324.0*5.35.187.265.182a a p p K c xK K c xK -+-+=+γγ∴x= 0.51m9.8*1051.0*4.19)]4.195.18(4.0)86.1425.5(*4)15.15.4(*)2.132.32()11.015.1(*2.13[21++++++-++-=∑P =229.6 KN/m 计算合力点:6.2299.8*103251.0*4.19214.0)5.184.19(32214.05.18214)25.586.14(3221425.521)15.15.4)(2.132.32(3221)15.15.4(*2.13*2132*)11.015.1(*2.1321222222222++-⨯+⨯+-⨯+⨯+--⨯+-+-=a=4.8 mm K K l P a n m K K l P m mx h l K K m KN h h hh a p a p p a i ii i i i 24.0)45.023.2(41.95.186.2298.46)(643.0)45.023.2(41.95.186.2296)(641.951.09.823.2)245(tan 45.0)245(tan /5.189.84.07.1849.185.41.184.229.84.015.3540.355.40.10332202020000=-⨯⨯⨯⨯=-==-⨯⨯⨯=-==+=+==+==-==⨯+⨯+⨯===⨯+⨯+⨯==∑∑∑∑∑∑γγϕϕγγϕϕ 由布鲁姆理论的计算曲线可查得:84.0=ξmx x t m l x 99.99.72.151.0'2.19.741.984.0'=⨯+=+==⨯=⨯=ξ 桩总长 8.9+9.99=18.89 m求最大弯距最大弯距位置:在剪力Q=0处,设从地面往下m x 处Q=0,则有:m K K Px x K K P a p m m a p 73.3)45.023.2(5.186.2292)(20)(22=-⨯⨯=-==--∑∑γγ 最大弯距 6)()(3max m a p m x K K a x l P M ---+=∑γ673.3)45.023.2(5.18)8.473.341.9(6.2293⨯-⨯--+⨯= m KN ⋅=1.1630截面配筋选 32 204.8cm Ag = 2/38cm KN Rg =钢筋总抗弯能力 )21(4][121m m y y y y AgRg M ++++=-Λ )245.042.036.025.014.0(3804.84++++⨯⨯⨯= m KN ⋅=76.1704桩间距 m b 09.11.163.142776.1704=⨯= 取b=1.0 m 为了减少竖向钢筋的用量,可考虑受压区(靠基坑一侧的半圆截面)砼的抗压作用,砼用C20 2/34.1cm KN R w =KN n aR d N w a 34.1892034.159014.3221=⨯⨯⨯⨯==π 受压区每根钢筋截面积为206.33834.1893804.8''cm Rg Na AgRg Ag =-⨯=-= 按构造选配 25 291.4'cm Ag =为进一步减少钢筋用量,宜在桩身上部减半配筋。