搬运工绩效考核
- 格式:xlsx
- 大小:16.82 KB
- 文档页数:2
叉车工与搬运工绩效考核方案1. 背景与目标随着物流行业的快速发展,越来越多的企业开始使用叉车和搬运工设备来提高物流效率。
但是,如何对叉车工和搬运工的绩效进行科学的考核,成为了企业和管理者关注的问题。
有效的绩效考核方案可以提高员工工作积极性和工作效率,从而提高企业的整体效益。
本文讨论的目标是制定一份科学合理的叉车工和搬运工绩效考核方案,帮助企业全面了解员工的工作状况,激发员工的工作热情,促进企业生产效率的提高。
2. 绩效考核指标绩效考核指标是衡量员工工作表现的重要标准,本文中包括了对叉车工和搬运工的绩效考核指标解释。
2.1 叉车工绩效考核指标2.1.1 效率指标•叉车装货/卸货速度:单位时间内装货/卸货的箱数或托盘数;•叉车行驶里程:单位时间内叉车行驶的里程数;•操作质量:叉车的操作是否稳定,叉车行进的路线是否高效。
2.1.2 质量指标•操作过程中是否损坏物件;•是否有误操作,打碎或损坏商品;•有无违反安全规定,如重载操作,不按照指定路线行驶。
2.1.3 安全指标•驾驶过程是否遵守安全规定;•吊车过程中是否存在不安全习惯;•是否经常进行安全检查,如检查制动,稳定性和灯光的工作状态。
2.2 搬运工绩效考核指标2.2.1 效率指标•作业速度:单位时间内搬运的货物数量;•物品标识准确性:拣选子公司准确度的分数,准确率越高得分越高;•包装标识准确性:拣选子公司准确度的分数,准确率越高得分越高。
2.2.2 质量指标•打包质量:打包物品的质量,如是否打得结实妥善;•货物破损:货物在搬运过程中是否破损,是否有缺口。
2.2.3 安全指标•操作过程中是否遵守安全规定;•有无危及到他人的危险行为;•是否经常进行安全检查,如检查绑货情况。
3. 绩效考核流程一个科学合理的绩效考核流程可以帮助企业管理者更好的进行员工绩效考核。
以下是叉车工和搬运工绩效考核流程的细节。
3.1 叉车工绩效考核流程3.1.1 数据采集•科学收集叉车操作、安全和工作量数据;•将所有操作员共同确认的事件记录下来。
销售部部门内部绩效考核评分表—搬运工
销销售部部门内部绩效考核评分表—搬运组长
考核人:被考核人确认:审核
销售部绩效考核加分细则
1、参加公司组织的活动(非全员参加的)加0.5分/次,参加公司活动并获奖的,按公司标
准加分;
2、发现上一流程的工作失误或其他人、部门工作失误的,加分0.5分/次;
3、发现重大安全隐患并采取有效措施消除隐患的,加分10分/次;
4、对工作流程提出合理化建议,经采用并取得良好效果的,加分0.5—3分/次;
5、妥善处理突发事件,加分0.5—3分/次;。
仓储部成品搬运组工资方案1. 目的为了适应公司的发展,加强员工的自我管理,提高工作效率、工作质量、工作态度,团队合作,特制定本考核工资方案。
2. 适用范围成品搬运组:组长、备货、理备货、进仓搬运人员3. 人数编制及工资构成4. 其他规定员工在试用期期间,按不低于岗位工资的%计算工资;另:组长岗位津贴元月;法定假:正常支付工资;年假:正常支付工资;其他假期、考勤、加班费等按公司有关管理制度执行;其他津贴(夜餐、高温费等)按公司有关管理制度执行;年终奖:按员工整年工资水平的平均及公司有关准则计发。
5. 本方案从年月日开始实行,最终解释权归公司所有。
成品搬运各岗位工资考核表、搬运组长的工资考核备注:、以上各项数据依该方案当值班时所完成工作任务时实际考核和发生数据为准。
、按班组完成月备货工作总量计算工资总额,结合各班小组及个人月完成备货量占比分配,并参照个人工作表现考评、备货搬运工的工资考核2 / 5备注:、以上各项数据依该方案当值班时所完成工作任务时实际考核和发生数据为准。
、按班组完成月备货工作总量计算工资总额,结合各班小组及个人月完成备货量占比分配,并参照个人工作表现考评、杂项事务,含移库、备货区内托盘清理、盖棚等。
、理、备货搬运工的工资考核3 / 5备注:、以上各项数据依该方案当值班时所完成工作任务时实际考核和发生数据为准。
、按班组完成月工作总量和考核表现计算工资总额。
、杂项事务,含移库、备货区内托盘清理、盖棚等。
、进仓搬运工的工资考核4 / 5备注:、以上各项数据依该方案当值班时所完成工作任务时实际考核和发生数据为准。
、按班组完成月进仓工作总量计算工资总额,结合各班小组及个人月完成进仓量占比分配,并参照个人工作表现考评、杂项事务,含移库、备货区内托盘清理、盖棚及仓务现场管理等。
5 / 5。
搬运工量化考核方案搬运工量化工资考核方案(试行)为完善工资分配和绩效考核制度,体现按劳分配,按绩分配,最大限度地调动搬运工的工作积极性,创建凤凰机场服务品牌,特制订《搬运工工资量化方案(试行)》。
一、变革原则将搬运工、仓储员、行李分拣员的绩效工资总额与货邮量、工作质量挂钩,体现利益共享、按劳分配。
二、适用范围本方案适用货运部和地面服务部的搬运工、仓储员、行李分拣员(以下统称搬运工)。
三、薪酬结构搬运工薪酬由基本工资、工龄工资、绩效工资、加班费和其他福利组成。
㈠基本工资1. 搬运工基本工资标准为700元/月。
2. 如员工当月工资低于三亚市最低工资标准,则按照三亚市最低工资标准发放员工工资。
㈡工龄工资按照公司规定执行。
㈢绩效工资1.绩效工资计算办法按货运部和地面服务部每月处理进出港货物、邮件、行李的总吨位数量,兼顾工作质量,确定公式为:绩效工资总额=货邮总重量×26×(1-2X%)其中,X为月度发生顾客有效投诉次数。
2.绩效工资分配绩效工资实行不同工种加权分配办法,权重如下:以市内货运搬运装卸工为1计算。
搬运队外场值班员、监装员:1.7行李搬运组长:1.5装卸组组长:1.5柜台人员:1.5搬运队内场值班员:1.5仓管员:国内1.0、国际1.1搬运装卸工:外场1.3;内场1.1;国际1.0;市内1.0柜台人员、电瓶车司机:1.3㈣加班费搬运工执行综合计算工时制。
加班费核算办法按照公司规定执行。
㈤其他福利享受公司规定的过节费、年终奖、降温费、住房公积金、社会保险、商业保险、休假、婚丧病探望等福利。
四、工资及福利发放搬运工工资于次月发放。
流程如下:㈠货运部和地面服务部提供月度货邮总量表,会签计划财务部意见后,报综合管理部(次月8日前完成)。
㈡运行控制部质控管理室提供货运部和地面服务部当月服务引发有效投诉情况(次月8日前完成)。
㈢综合管理部根据货邮总量表及有效投诉情况计算当月绩效工资总额,并告知货运部和地面服务部(1个工作日处理)。
仓库搬运工绩效考核表仓库搬运工绩效考核表是评估搬运工工作表现和工作效率的重要工具。
通过对搬运工的考核,可以及时发现问题,为改进工作提供方向和参考。
以下是一个以考核内容为导向的仓库搬运工绩效考核表参考内容:第一部分:工作量指标1. 日均搬运量:根据仓库中商品的种类和数量,统计搬运工每天完成的货物件数。
2. 单次搬运货物数量:记录搬运工每次搬运货物的数量,评估其在一次搬运中的效率。
3. 搬运重量:根据货物的重量,统计搬运工每天搬运的重量,反映其体力工作能力和工作效率。
4. 搬运距离:记录搬运工每天行走的路程,以评估其工作的辛苦程度和运动量。
5. 搬运时间:统计搬运工每天用于搬运货物的时间,衡量其工作效率。
第二部分:准确性指标1. 货物损耗率:统计仓库中货物在搬运过程中损坏或丢失的比例,衡量搬运工的操作准确性。
2. 搬运错误率:记录搬运工搬运货物时出现的错误次数,包括货物型号错乱、数量错误等,评估其操作准确性。
3. 准时率:记录搬运工按照安排的时间完成工作的比例,反映其对时间的控制能力。
第三部分:安全指标1. 事故发生率:记录搬运工在工作过程中发生事故的次数,包括货物受损、人身伤害等,以评估其安全工作意识和操作规范性。
2. 操作规范性:评估搬运工在工作中是否按照操作规范进行操作,包括货物包装、搬运工具使用等方面。
3. 安全防护措施执行情况:评估搬运工在搬运过程中是否佩戴安全帽、手套等保护装备,以及是否合理使用护栏等安全设施。
第四部分:工作态度指标1. 工作积极性:评估搬运工对工作的主动性和积极性,包括工作时的态度、工作完成的质量等。
2. 合作性:评估搬运工与仓库其他员工之间的协调和合作情况,包括沟通能力、团队合作等。
第五部分:特殊能力指标1. 技能水平:评估搬运工的操作技能,包括使用搬运工具的熟练程度、货物堆放的准确性等。
2. 应急处理能力:评估搬运工在突发情况下的反应和处理能力,包括对货物损坏的快速处理等。
生产部搬运工绩效考核表注:考核实行100分制,考核得分为100-各项扣除分。
本人本月绩效奖=考核得分/100*岗位系数*当月绩效奖基数。
姓名:岗位: 考核时间: 序号 考核指标名称 考核指标标准 考核分值 实际分值1 劳动纪律 1、按时上班打卡,不带打卡 2、着厂服入厂,着工作服作业,保证工作服干净 3、对于不服从仓管员的工作安排、行动拖拉着4、未经过领导同意,有无故缺勤现象发生或不服上级领导安排,出现一次扣3分,直到扣完为止20 2 岗位计划的完成情况 确保岗位工作计划的有效实施,是否按时、保质、保量完成岗位计划5 3 团队合作性 1、在团队中能主动帮助他人的日常工作2、在团队中接受命令后能配合团队其他同事3、在团队中不散播负面消息出现一次扣3分,直到扣完为止15 4 工作能力 1、熟悉本公司产品各种原材料2、熟悉装车的各项知识3、了解仓库的存放位置4、熟悉包装工序,外观形象及整洁出现一次扣2分,直到扣完为止20 5 及时完成产品装卸工作 1、按时完成安排的工作包含外出送货工作2、装卸货注意保护人身安全及产品安全,未出现异常3、及时高效的完成产品装卸工作4、严禁出现野蛮装卸工作、消极怠工现象出现一次扣2分,直到扣完为止20 6 仓库整理 1、当班下班前完成出货区域仓库的整理2、完成其他临时性的整理工作3、生产原辅料及时发放或回收,物尽其用4、负责包材、原辅料发放和回收、统计工作出现一次扣2分,直到扣完为止10 7 完成领导交办的工作情况 领导交办事项是否及时、有效的完成4 8 管理卫生 在规定的卫生划分区域,卫生指标标准:区域无明显烟灰、纸屑、卫生死角、物品摆放整齐 6。
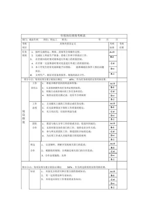
年度岗位绩效考核表部门:成品车间岗位:转运工姓名:年月日考核具体内容及定义考核考核项目标准结果任务 1.按时完成转运、堆放、消毒等全部操作过程。
A-10绩效 2.完成好上班前生产准备、消毒工作和下班清洁工作。
B-83.在牙膏回收时要对膏体进行外观上的质量控制。
4.在牙膏一支盒堆放时要对花盒进行外观上的质量控制。
C-65.本工序发生的常见故障能予以排除,能准确地给保养工指出问题D-4所在。
6.文明生产,做好对设备的保养、现场的清洁卫生。
得分小计:每项实得分累计相加后乘以40% ,作为任务绩效的实得考核结果。
工作1.尊重并维护组织的利益和形象;责任心2.乐意接纳额外的任务和必要的加班;3.积极主动承担相应的工作任务和责任;4.保持良好的出勤记录,没有不合理缺席工作1.主动服从上级的工作指示或任务安排;周态度2.在无监督情况下保持工作质量的稳定;3.从大局出发,以组织利益为重边绩效团队1.愿意与他人分享工作经验或方法,促进共同成长;合作2.支持同事及协作部门的工作,保持良好合作关系;3.参与和支持团队工作,推进团队目标的达成;4.为后续工作或人员提供最大程度的便利周边1.认真倾听、理解并发现相关部门的需求;合作2.根据组织规则,合理满足相关部门的合作需求;3.合作态度愉悦、友善得分小计:每项实得分累计相加后乘以30% ,作为周边绩效的实得考核结果。
知识1.具备充分的读写和计算方面的基础知识;2.有一定的理论和专业知识;3.具有适应岗位工作要求的业务知识;E-2A-10 B-8 C-6 D-4 E-2 A-10 B-8 C-6 D-4 E-2 A-10 B-8 C-6 D-4 E-2 A-10 B-8 C-6 D-4 E-2A-10 B-8 C-6 D-4 E-2执行力能理解力力绩效技能判断力1.不怕艰难困苦,不半途而废,坚持不懈地完成工作任务。
2.能够随机应变。
3.扎扎实实地做好必要的基础工作。
4.充分发挥自己和他人的作用。
搬运工绩效考核一、绩效考核的目的1、为了更好的引导员工行为,加强员工的自我管理,提高工作绩效,发掘员工潜能,同时实现员工与上级更好的沟通,创建一个具有发展潜力和创造力的优秀团队,推动公司总体战略目标的实现.2、为了更确切的了解员工队伍的工作态度、个性、能力状况、工作绩效等基本状况,为公司的人员选拔、岗位调动、奖惩、培训及职业规划等提供信息依据。
二、考核(适用)范围1、运输全体转正搬运工三、考核对象1、工作内容与职责2、工作态度与方式四、考核方法1、每名搬运每月绩效考核分数为100分,取得90分以上应给予全额绩效奖励,70-89分按照得分比例×绩效金额,70分以下取消绩效奖励.公平、公正、公开的原则,结合发货员对搬运工的评价进行上月的综合考评,由部门主管审批后上交财务部核算工资。
五、考核内容1、热爱本职工作,遵守公司各项规章制度,爱护产品和仓库一切物品.(10分)2、努力学习业务知识(对产品的型号、摆放位置、操作流程、搬运技巧……),不断提高自己,成为公司骨干。
(10分)3、负责搬运(摆放)产品。
对所搬运(摆放)产品的数量、质量负责.有监督发货员是否按单收、发产品的权力。
(10分)4、搬运工人要遵守劳动纪律,服从仓管员的指挥,执行仓管员的工作指令,在规定的时间内完成规定的工作.(10分)5、搬运(摆放)工作要实行正确的搬运(摆放)方式,严禁野蛮操作。
(10分)6、严禁破坏。
大件产品搬运(摆放)必须两人或两人以上操作.产品严禁拖地操作,产品从高处下放,要轻拿轻放,严禁乱丢、乱放产品。
严禁用产品作垫台下丢产品.要根据产品的各种搬运(摆放)要求,严格执行各种搬运(摆放)方式。
(10分)7、搬运工人要根据仓库、场地的安排,整齐规范摆放产品。
(10分)8、搞好工作场所的清洁卫生。
做好仓库的防火、防盗窃、防破坏工作。
(10分)9、敢于向坏人坏事作斗争,发现有人破坏或盗窃,要及时制止,并上报上级领导进行处理。
销售部部门内部绩效考核评分表—搬运工
考核人:被考核人确认:审核:
销销售部部门内部绩效考核评分表—搬运组长
考核人:被考核人确认:审核
销售部绩效考核加分细则
1、参加公司组织的活动(非全员参加的)加0.5分/次,参加公司活动并获奖的,按公司标准加分;
2、发现上一流程的工作失误或其他人、部门工作失误的,加分0.5分/次;
3、发现重大安全隐患并采取有效措施消除隐患的,加分10分/次;
4、对工作流程提出合理化建议,经采用并取得良好效果的,加分0.5—3分/次;
5、妥善处理突发事件,加分0.5—3分/次;。
货品搬运绩效考核方案背景货品搬运是一个重要的工作环节,尤其是在仓库和物流行业。
实现高效的货品搬运和正确的操作方法能够提高工作效率,减少劳动强度,节约时间和材料成本。
因此,对于货品搬运绩效进行考核和评估是必要的。
目的本文档旨在设计一种可行的货品搬运绩效考核方案,以评估货品搬运员的工作表现,发现问题并持续改进。
考核指标考核指标是测量货品搬运员表现的基础,应该与任务的性质和目标密切相关。
以下是可能的考核指标:•搬运速度:完成所需时间的搬运物品数量。
•操作准确度:完成操作的准确性和正确性。
•安全性:操作过程中遵守安全规定和标准操作程序的准确度。
•使用资源:使用工具和材料的数量和效率。
考核方案考核方案应该使搬运员能够了解他们的表现如何被评估以及如何改进。
考核方案应包括以下内容:考核周期考核应该在一个固定的时间内进行,例如每月或每季度。
在这个周期内,货品搬运员将被评估。
考核周期末,将针对其表现进行总结和评估。
考核方法考核方法应该是客观的,具体的和可衡量的。
提供一些标准操作程序或操作手册以指导货品搬运员正确的操作流程,以便进行考核。
考核将基于考核指标,考核者将评估货品搬运员的表现。
考核结果考核结果应该被记录下来,考核者应向搬运员和其上级报告考核结果,并提供改进建议。
在考核过程中,应允许搬运员和其上级对考核结果提出异议,必要时可以进行复议。
改进措施对于表现较差或未达到要求的搬运员,应提供改进措施。
建议采用计划跟踪,实施措施并监控这些措施的有效性。
总结货品搬运绩效是一个重要的工作指标,应根据任务性质和目标进行评估。
考核方案应该是客观的、具体的和可衡量的,以针对问题展开改进措施,提高效率和优化管理。
仓储部搬运组绩效考核薪酬方案1. 目的为了适应公司的发展,加强员工的自我管理,提高工作效率、工作质量、工作态度,团队合作,特制定本考核工资方案。
2. 适用范围成品搬运组:组长、备货、理/备货、进仓搬运人员3. 人数编制及工资构成4. 其他规定4.1员工在试用期期间,按不低于岗位工资的80 %计算工资;另:组长岗位津贴600元/月;4.2法定假:正常支付工资;4.3年假:正常支付工资;4.4其他假期、考勤、加班费等按公司有关管理制度执行;4.5其他津贴(夜餐、高温费等)按公司有关管理制度执行;4.6年终奖:按员工整年工资水平的平均及公司有关准则计发。
5. 本方案从年月日开始实行,最终解释权归公司所有。
搬运各岗位工资考核表备注:1、以上各项数据依该方案当值班时所完成工作任务时实际考核和发生数据为准。
2、按班组完成月备货工作总量计算工资总额,结合各班小组及个人月完成备货量占比分配,并参照个人工作表现考评2、备货搬运工的工资考核备注:1、以上各项数据依该方案当值班时所完成工作任务时实际考核和发生数据为准。
2、按班组完成月备货工作总量计算工资总额,结合各班小组及个人月完成备货量占比分配,并参照个人工作表现考评3、杂项事务,含移库、备货区内托盘清理、盖棚等。
3、理、备货搬运工的工资考核备注:1、以上各项数据依该方案当值班时所完成工作任务时实际考核和发生数据为准。
2、按班组完成月工作总量和考核表现计算工资总额。
3、杂项事务,含移库、备货区内托盘清理、盖棚等。
4、进仓搬运工的工资考核备注:1、以上各项数据依该方案当值班时所完成工作任务时实际考核和发生数据为准。
2、按班组完成月进仓工作总量计算工资总额,结合各班小组及个人月完成进仓量占比分配,并参照个人工作表现考评3、杂项事务,含移库、备货区内托盘清理、盖棚及仓务6s现场管理等。
江西远成集团/营销事业部南昌仓储部搬运工薪资方案为了提高仓库进、出库及运输效率,保证装卸过程的顺畅,安全等,鉴于搬运工岗位的职责划分、工作量情况在初期无法正确预算,故提报搬运工第一季度薪酬方案如下;一.组别/岗位1.综合配件组搬运工;2.板簧组搬运工二.综合配件组搬运工工资模式1.工资形式1)以计件工资加绩效工资或保底工资加绩效工资,两种薪酬模式选其一的工资形式计算员工收入;2)绩效工资指围绕员工工作服从、执行力、工作任务完成及时性、态度、工作量为指标,对员工执行绩效治理考核后予以一定物质激励的工资形式;3)计件工资指员工履行搬运货物的工作职责,公司以XX元/吨的形式予以搬运工岗位员工酬劳的工资形式;4)保底工资指当仓储月度出入库总货量所折算计件工资总和未达到一定收入水平时,予以员工固定额度工资酬劳的工资形式;5)全勤奖及其他福利以集团公司薪酬治理制度规范为准6)月工资=计件薪资+绩效工资+全勤奖+其他福利(指全员共有福利);2.计件工资加绩效工资标准1)计件工资:依据员工劳动强度、行业行情及公司内计件工资水平,设立南昌仓储综合配件出入库搬运计件标准为6.95元/吨;员工计件工资核算公式为:计件工资=(月搬运入库量+月搬运出库货量)×6.95元/吨;2)绩效工资:绩效工资标准为500元/月;员工绩效工资核算公式为:绩效工资=500元×(月度绩效分数×100%)3.计件工资分配1)可发放计件工资及员工日均计件工资额的核算①根据仓储部综合配件产品月进出货总量(吨)乘以6.95元/吨,核算出月度可发放计件工资总额;②以月度可发放计件工资总额除以搬运工出勤天数总和得出日均计件工资额;2)个人计件工资计算公示:个人月计件工资=日均计件工资额×实际出勤天数。
4.保底工资加绩效工资的标准1)由于南昌仓储部属于全新仓库,全新产品品类,鉴于目前营销事业部整体处于业务拓展初期,进出货量无法正确测算,特设立2500元/月保底工资;2)为激励员工工作服从性、工作任务完成及时性、态度、工作量程度。