电力变压器试验项目和标准说明
- 格式:doc
- 大小:40.50 KB
- 文档页数:8
变压器大修后试验标准一、前言。
变压器是电力系统中重要的电气设备,其正常运行对电力系统的稳定运行具有重要意义。
在变压器使用过程中,为了保证其安全可靠地运行,必须对其进行定期的大修,并在大修后进行试验,以确保其性能符合要求。
本文将介绍变压器大修后的试验标准。
二、试验前准备。
1. 清洁检查,在进行试验前,必须对变压器进行彻底的清洁检查,确保变压器表面无异物,绝缘子无污垢,并清除变压器内部的杂物。
2. 资料准备,准备好变压器的大修记录、绝缘油检测报告、绝缘子表面放电检测报告等相关资料。
3. 试验设备准备,准备好各种试验设备,包括绝缘电阻测试仪、局部放电测试仪、绝缘油介质损耗测试仪等。
三、试验内容。
1. 绝缘电阻测试,使用绝缘电阻测试仪对变压器的绝缘电阻进行测试,以确保绝缘电阻符合要求。
2. 局部放电测试,使用局部放电测试仪对变压器的绝缘子进行检测,以排除绝缘子存在放电现象。
3. 绝缘油介质损耗测试,对变压器的绝缘油进行介质损耗测试,以确保绝缘油的绝缘性能符合要求。
4. 负载试验,对变压器进行负载试验,以检测其在负载状态下的运行性能。
5. 过压试验,对变压器进行过压试验,以检测其在过压状态下的绝缘性能。
6. 过流试验,对变压器进行过流试验,以检测其在过流状态下的运行性能。
四、试验结果判定。
1. 绝缘电阻测试结果应符合变压器设计要求,否则需要进一步分析原因并采取相应措施。
2. 局部放电测试结果应为合格,否则需要对绝缘子进行进一步检查。
3. 绝缘油介质损耗测试结果应符合要求,否则需要对绝缘油进行更换或处理。
4. 负载试验、过压试验、过流试验的结果应符合变压器设计要求,否则需要对变压器进行进一步调整或修复。
五、试验报告编制。
根据试验结果,编制详细的试验报告,包括试验过程、试验结果、存在的问题以及解决措施等内容。
六、结语。
变压器大修后的试验是确保变压器安全可靠运行的重要环节,只有严格按照试验标准进行试验,并对试验结果进行认真分析和处理,才能保证变压器在大修后能够正常运行,为电力系统的稳定运行提供保障。
变压器常规试验电力变压器是发电厂、变电站和用电部门最主要的电力设备之一,近年来,随着电力工业的发展,电力变压器的数量日益增多,用途日益广泛,而且其绝缘结构、调压方式、冷却方式等均在不断发展中,对电力变压器进行电气试验是保证电力变压器安全运行的重要措施。
一、适用范围本作业指导适用于10 kV及以上的油浸式变压器,规定了变压器交接验收、检修过程中的常规电气试验的引用标准、仪器设备要求、作业程序、试验结果判断方法和试验注意事项等。
二、标准依据GB 50150 电气装置安装工程电气设备交接试验标准变压器设备出厂数据资料三、试验项目变压器常规试验包括以下试验项目:1.绝缘油试验2.测量绕组连同套管绝缘电阻、吸收比和极化指数;3.测量绕组连同套管的直流泄漏电流;4.绕组连同套管的tgδ;5.测量与铁芯绝缘和各紧固件及铁芯的绝缘电阻;6.测量绕组连同套管的直流电阻;7.检查绕组的电压比、极性与接线组别;8.测量绕组连同套管的交流耐压试验;9.额定电压下的冲击合闸试验。
四、试验前的准备工作1.清除变压器周围与试验无关的杂物,扫除器身尘垢,用干燥、洁净的棉布仔细擦净高低压绝缘子等;2.变压器如果已就位安装,应将高低压母线拆除;3.准备好现场试验用电源,要求安全可靠,做好接地工作,确保试验人员及设备的安全;4.记录当时的环境温度、油面温度、相对湿度、油标高度及变压器的铭牌数据;5.整理好被试变压器出厂时的说明书、实验记录单等相关资料,以作为试验结束后各数据参考、比较、判断之用;6.变压器试验前器身外部检查状况良好;7.做好现场安全措施,如围栏、警示牌等。
五、仪器设备要求1.温度计(误差±1℃)、湿度计。
2.2500 V兆欧表:输出电流大于1mA,220 kV及以上变压器试验时输出电流宜大于5 mA。
3.HXYDJZ(G)交直流耐压设备。
4.介质损耗测试仪(介质损耗测量精度为1%,电容量精度为0.5%)。
5.变压器直流电阻测试仪(0.2级):120 MVA以下变压器输出电流宜大于10 A, 120MVA及以上变压器输出电流宜大于20 A,180 MV A以上变压器输出电流宜大于40A。
35KV配电变压器电气试验项目1. 项目背景35KV配电变压器是电力系统中的重要设备,负责将高压电能转换成适用于城市和工业领域的低压电能。
为确保变压器的安全运行和稳定性,电气试验是必要的。
本文档旨在说明35KV配电变压器电气试验项目的内容和要求。
2. 试验内容2.1 绝缘电阻测试绝缘电阻测试是为了评估变压器绝缘系统的质量和可靠性。
使用适当的测试仪器,测量变压器绕组和导体之间的绝缘电阻,并记录测量结果。
2.2 介质损耗因数测试介质损耗因数测试是为了评估变压器油浸绝缘的性能,并判断变压器绝缘系统是否存在问题。
通过施加适当的电压和频率,测量变压器绕组的介质损耗因数,并记录相关数据。
2.3 低压边绕组电压试验低压边绕组电压试验是为了验证变压器的电气性能和耐受能力。
通过施加额定频率和电压,测试低压边绕组的绝缘强度和电气参数,并记录测试结果。
2.4 标称短路阻抗测试标称短路阻抗测试是为了评估变压器在短路状态下的电气性能。
通过施加适当的电压和负载,测量变压器的短路阻抗,并记录测试数据。
2.5 过载试验过载试验是为了验证变压器在额定负荷和超负荷情况下的稳定性和可靠性。
通过逐渐增加负载,观察变压器的温度升高和运行状态,并记录相关数据。
2.6 保护装置试验保护装置试验是为了验证变压器的保护系统是否正常工作。
通过模拟故障条件,测试保护装置的响应和检测能力,并记录测试结果。
3. 试验要求3.1 测量准确性所有试验应使用准确可靠的测试仪器进行,确保测量结果的准确性和可信度。
3.2 安全措施在进行试验时,必须遵循相关的安全操作规程,确保试验人员和设备的安全。
应采取适当的防护措施,如穿戴防护服、绝缘手套等。
3.3 数据记录和分析所有试验数据应准确记录,并进行合理的分析和解释。
试验结果应与标准或规范进行对比,判断变压器的工作状态和性能。
4. 结论35KV配电变压器电气试验项目涵盖了绝缘电阻测试、介质损耗因数测试、低压边绕组电压试验、标称短路阻抗测试、过载试验和保护装置试验。
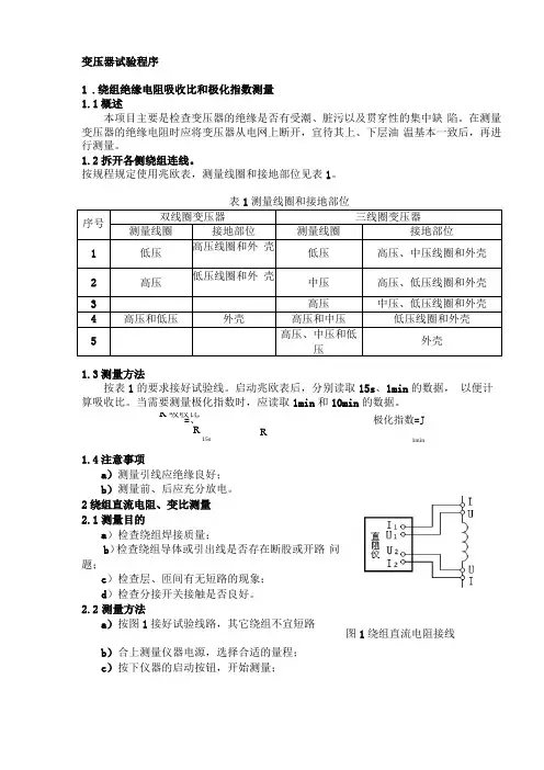
变压器试验程序1 .绕组绝缘电阻吸收比和极化指数测量 1.1 概述本项目主要是检查变压器的绝缘是否有受潮、脏污以及贯穿性的集中缺 陷。
在测量变压器的绝缘电阻时应将变压器从电网上断开,宜待其上、下层油 温基本一致后,再进行测量。
1.2 拆开各侧绕组连线。
按规程规定使用兆欧表,测量线圈和接地部位见表1。
表1测量线圈和接地部位序号 双线圈变压器 三线圈变压器 测量线圈 接地部位 测量线圈 接地部位1 低压 高压线圈和外 壳低压 高压、中压线圈和外壳 2 高压低压线圈和外 壳中压 高压、低压线圈和外壳 3高压 中压、低压线圈和外壳 4 高压和低压外壳高压和中压 低压线圈和外壳5高压、中压和低压外壳1.3 测量方法按表1的要求接好试验线。
启动兆欧表后,分别读取15s 、1min 的数据, 以便计算吸收比。
当需要测量极化指数时,应读取1min 和10min 的数据。
极化指数=JR1min1.4 注意事项a )测量引线应绝缘良好;b )测量前、后应充分放电。
2绕组直流电阻、变比测量 2.1 测量目的a )检查绕组焊接质量;b )检查绕组导体或引出线是否存在断股或开路 问题;c )检查层、匝间有无短路的现象;d )检查分接开关接触是否良好。
2.2 测量方法a )按图1接好试验线路,其它绕组不宜短路b )合上测量仪器电源,选择合适的量程;c )按下仪器的启动按钮,开始测量;R 吸收比=、 R15s图1绕组直流电阻接线d)待仪器显示的数据稳定后,读取测量数据;e)读完数据后,按下复位或放电按钮;f)仪器放电结束后,方可进行改接线或拆线。
2.4注意事项a)测量前应记录变压器绕组温度和绝缘油温度;b)测量端子应接触良好,必要时应打磨测点表面;c)调节无载分接开关时,应来回转动几次触头,使触头接触良好;d)测量时非被测绕组不宜短路,各绕组间也不能通过接地开关与大地形成短路;e)当测量线的电流引线和电压引线分开时,应将电流引线夹于被测绕组的外侧,电压引线夹于被测绕组的内侧,如图1所示;f)试验设备应可靠接地,被试品试验完毕后充分放电。
电力变压器预防性试验标准
一、说明:为规范我公司电力变压器预防性试验,特参照中华人民共和国国标《DL/T 596—1996 电力设备预防性试验规程》制定我公司电力变压器预防性试验标准。
1)运行设备的油中H2与烃类气体含量
(体积分数)超过下列任何一项值时应引
150×10-6
H2含量大于150×10-6
C2H2含量大于5×10-6(500kV变压器
为1×10-6)
2)烃类气体总和的产气速率大于
0.25ml/h(开放式)和0.5ml/h(密封式),
或相对产气速率大于10%/月则认为设备
有异常
3)对330kV及以上的电抗器,当出现
痕量(小于5×10-6)乙炔时也应引起注
意;如气体分析虽已出现异常,但判断
不至于危及绕组和铁芯安全时,可在超
过注意值较大的情况下运行
WORD格式整理
WORD 格式整理
1)非被试绕组应接地或屏蔽
2) 同一变压器各绕组tg δ的要求值相同 3)测量温度以顶层油温为准,尽量使每次测量的温度相近
4)尽量在油温低于50℃时测量,不同温度下的tg δ值一般可按下式换算
10/)(12123.1tg tg t t -⨯=δδ
tg δ1、tg δ2分别为温度t 1、t 2时的tg δ值
1) 1~5年(10kV及以下)
2)大修后(66kV及以下)
3)更换绕组后
4)必要时
WORD格式整理
WORD格式整理
WORD格式整理
三、我公司电力变压器主要预防性试验标准:
2、以上到周期试验项目须在5月份完成;
机电部 2013-5-21
WORD格式整理
WORD格式整理。
电力变压器预防性试验标准一、说明:为规范我公司电力变压器预防性试验,特参照中华人民共和国国标《DL/T596—1996 电力设备预防性试验规程》制定我公司电力变压器预防性试验标准。
1)运行设备的油中H2与烃类气体含量(体积分数)超过下列任何一项值时应引起注意:总烃含量大于150×10-6H2含量大于150×10-6C2H2含量大于5×10-6(500kV变压器为1×10-6)2)烃类气体总和的产气速率大于0.25ml/h(开放式)和0.5ml/h(密封式),或相对产气速率大于10%/月则认为设备有异常3)对330kV及以上的电抗器,当出现痕量(小于5×10-6)乙炔时也应引起注意;如气体分析虽已出现异常,但判断不至于危及绕组和铁芯安全时,可在超过注意值较大的情况下运行WORD格式整理版WORD 格式整理版1)非被试绕组应接地或屏蔽2) 同一变压器各绕组tg δ的要求值相同3)测量温度以顶层油温为准,尽量使每次测量的温度相近4)尽量在油温低于50℃时测量,不同温度下的tg δ值一般可按下式换算10/)(12123.1tg tg t t -⨯=δδ式中tg δ1、tg δ2分别为温度t 1、t 2时的tg δ值1)1~5年(10kV及以下)2)大修后(66kV及以下)3)更换绕组后4)必要时WORD格式整理版WORD格式整理版WORD格式整理版三、我公司电力变压器主要预防性试验标准:2、以上到周期试验项目须在5月份完成;机电部2013-5-21 WORD格式整理版。
变压器试验标准变压器作为电力系统中的重要设备,其性能的稳定和可靠性的高低直接影响着电力系统的运行效果和安全性。
为了保证变压器的质量和性能,对其进行试验是非常必要的。
变压器试验标准是对变压器进行性能测试和质量检验的指导性文件,其制定的目的是为了保证变压器的性能符合设计要求,同时也是为了保障电力系统的安全运行。
在变压器试验标准中,通常包括了多项试验内容,如空载试验、负载试验、短路试验、绝缘电阻试验、局部放电试验等。
这些试验项目旨在全面检验变压器的性能和质量,确保其在实际运行中能够正常工作并具有良好的稳定性和可靠性。
首先,空载试验是对变压器的空载损耗和空载电流进行测试,以验证其磁通特性和铁损耗。
通过空载试验可以了解变压器在额定电压下的空载损耗和空载电流,判断其铁芯的磁通特性是否符合设计要求,以及铁损耗是否在合理范围内。
其次,负载试验是对变压器的负载损耗和负载电流进行测试,以验证其铜损耗和负载能力。
通过负载试验可以了解变压器在额定电压和额定负载下的负载损耗和负载电流,判断其绕组的铜损耗是否符合设计要求,以及负载能力是否在合理范围内。
另外,短路试验是对变压器的短路阻抗和短路损耗进行测试,以验证其短路能力和短路稳定性。
通过短路试验可以了解变压器在短路状态下的短路阻抗和短路损耗,判断其短路能力是否符合设计要求,以及短路稳定性是否在合理范围内。
此外,绝缘电阻试验是对变压器的绝缘电阻进行测试,以验证其绝缘性能和绝缘强度。
通过绝缘电阻试验可以了解变压器的绝缘电阻是否符合设计要求,判断其绝缘性能和绝缘强度是否在合理范围内。
最后,局部放电试验是对变压器的局部放电情况进行测试,以验证其绝缘性能和局部放电水平。
通过局部放电试验可以了解变压器的局部放电情况是否符合设计要求,判断其绝缘性能和局部放电水平是否在合理范围内。
综上所述,变压器试验标准是对变压器进行性能测试和质量检验的重要依据,其制定的目的是为了保证变压器的性能符合设计要求,同时也是为了保障电力系统的安全运行。
10kv变压器试验标准一、引言。
10kV变压器是电力系统中常见的电气设备,其性能稳定与否直接影响着电力系统的安全运行。
为了保证10kV变压器的质量和性能,需要进行一系列的试验来验证其可靠性。
本文将介绍10kV变压器试验的标准及要求,以确保其安全可靠运行。
二、试验前准备。
在进行10kV变压器试验之前,需要做好以下准备工作:1. 检查试验设备,确保试验设备完好,并且符合相关标准要求。
2. 检查试验环境,确保试验环境符合相关安全要求,包括通风、防爆等。
3. 准备试验记录表,做好试验记录表的准备工作,以便及时记录试验数据。
4. 安全措施,确保试验人员了解试验设备的安全操作规程,并严格执行相关安全措施。
三、试验内容及标准。
1. 绝缘电阻测试,按照国家标准GB1094.1的要求,对10kV变压器的绝缘电阻进行测试,要求绝缘电阻不得低于一定数值。
2. 电压比测试,根据GB1094.3的要求,对10kV变压器的电压比进行测试,要求电压比的误差不得超出规定范围。
3. 负载损耗测试,按照GB1094.5的要求,对10kV变压器的负载损耗进行测试,要求负载损耗不得超出规定范围。
4. 空载损耗测试,根据GB1094.7的要求,对10kV变压器的空载损耗进行测试,要求空载损耗不得超出规定范围。
5. 过载能力测试,根据GB1094.11的要求,对10kV变压器的过载能力进行测试,要求其能够在规定的时间内承受规定的过载电流。
6. 短路阻抗测试,按照GB1094.9的要求,对10kV变压器的短路阻抗进行测试,要求短路阻抗不得低于规定数值。
四、试验方法。
1. 绝缘电阻测试,采用绝缘电阻测试仪进行测试,按照标准要求进行测试操作。
2. 电压比测试,采用电压比测试仪进行测试,按照标准要求进行测试操作。
3. 负载损耗测试,采用负载损耗测试仪进行测试,按照标准要求进行测试操作。
4. 空载损耗测试,采用空载损耗测试仪进行测试,按照标准要求进行测试操作。
变压器的试验项目和方法一、变压器的试验项目1、配电变压器小修后的试验项目1)绕组直流电阻;2)绕组绝缘电阻、吸收比或(和)极化指数;3)绝缘油击穿电压:15kV以下不低于25kV。
4)气体继电器及二次回路试验。
2、配电变压器大修后的试验项目1)绕组直流电阻;2)绕组绝缘电阻、吸收比或(和)极化指数;3)绝缘油击穿电压:15kV以下不低于25kV;4)交流耐压试验,试验电压按出厂值的85%,500V及以下线圈的试验电压为2kV;5)穿心螺栓、铁轭夹件、绑扎钢带、铁芯、线圈压环及屏蔽等的绝缘电阻;6)气体继电器及二次回路试验。
3、主变压器小修后试验项目1)测量变压器各个电压等级绕组的直流电阻;2)在同一抽头上测得的直流电阻数值,其相互间差别不应大于三相平均值的2%,与变压器出厂时原始数据相比不应超过2%;3)绕组绝缘电阻、吸收比或(和)极化指数;4)绕组连同套管的tanδ值不应大于出厂时原始数据的130%,如无原始数据,其值一般不应超过2%;5)电容型套管的tanδ和电容值;6)绝缘油试验;7)交流耐压试验;8)有外引接地线的铁芯绝缘电阻;9)绕组泄漏电流;10)测温装置及二次回路试验;11)气体继电器及二次回路试验;12)冷却装置及二次回路试验。
4、主变压器大修后的试验项目1)测量绕组连同套管的直流电阻(所有分接头位置),最后放在运行位置;2)测量绕组绝缘电阻、吸收比或(和)极化指数;3)测量绕组连同套管的tanδ;4)必要时测量电容型套管的tanδ和电容值;5)本体、有载分接开关和套管中的绝缘油试验;6)本体、有载分接开关中绝缘油的色谱分析;7)有条件时绕组连同套管的交流耐压试验;8)测量有外引接地线的铁芯对地绝缘电阻;9)测量绕组连同套管的泄漏电流;10)总装后对变压器油箱和冷却器做整体密封油压试验;11)必要时进行变压器空载特性实验、短路特性试验、绕组变形试验、局部放电试验;12)必要时测量绕组所有分接头的变比及连接组别;13)气体继电器、测温装置及二次回路试验;14)冷却装置及二次回路的检查和试验。
变压器检测标准变压器是电力系统中重要的电气设备,其正常运行对电网的稳定运行起着至关重要的作用。
为了确保变压器的安全可靠运行,必须对其进行定期的检测和维护。
本文将介绍变压器检测的标准和方法,以便广大电力工程技术人员能够更好地了解和掌握变压器的运行状态,及时发现问题并进行处理,确保电网的安全稳定运行。
一、外观检查。
1. 变压器外观应无损坏、漏油、渗油等现象,标牌应完整清晰。
2. 变压器周围应无杂物堆积,通风口不得被堵塞。
二、绝缘电阻测试。
1. 使用绝缘电阻测试仪对变压器绕组与地之间的绝缘电阻进行测试,应符合规定的数值范围。
2. 对变压器绕组之间的绝缘电阻进行测试,检查其是否存在短路或接地故障。
三、套管局部放电检测。
1. 使用套管局部放电检测仪对变压器套管进行局部放电测试,检查其是否存在异常放电现象。
2. 对局部放电超过规定范围的变压器进行进一步检测和处理。
四、油质检测。
1. 对变压器油进行外观检查,检查是否有悬浮杂质、水分等。
2. 对变压器油进行色谱分析,检测其是否存在异常气体和溶解气体。
五、温度测量。
1. 对变压器的温度进行定期测量,确保其工作温度在正常范围内。
2. 对变压器绕组和套管的温升进行监测,及时发现温升异常情况。
六、振动检测。
1. 对变压器进行振动测试,检查其是否存在异常振动。
2. 对振动超过规定范围的变压器进行进一步检测和处理。
七、局部放电检测。
1. 对变压器绕组进行局部放电检测,检查其是否存在异常放电现象。
2. 对局部放电超过规定范围的变压器进行进一步检测和处理。
八、绝缘油介质损耗测试。
1. 对变压器绝缘油的介质损耗进行测试,确保其在规定范围内。
2. 对介质损耗超过规定范围的变压器进行进一步检测和处理。
以上就是变压器检测的标准和方法,希望能够对广大电力工程技术人员有所帮助。
通过定期的检测和维护,可以及时发现变压器存在的问题,并进行处理,确保电网的安全稳定运行。
同时,也希望各单位能够根据实际情况,制定更为严格的检测标准和方法,确保变压器的安全可靠运行。
变压器出厂试验标准《变压器出厂试验标准:电力世界的把关者》嘿,你知道吗?在电力的奇幻世界里,变压器就像是一位超级英雄,默默守护着电流的顺畅传输!而变压器出厂试验标准,那可是这个超级英雄的“修炼秘籍”啊!要是没有它,那电力世界可不得乱了套呀,就像没了导航的汽车,在马路上横冲直撞,后果简直不堪设想!所以啊,不搞懂这变压器出厂试验标准,那可不行哟!一、绝缘电阻测试:“电界的防火墙”哇塞,绝缘电阻测试就像是在为变压器打造一道坚不可摧的“电界防火墙”呀!“嘿,变压器兄弟,你的绝缘性能可得像钢铁侠的盔甲一样靠谱啊,可别让那些漏电小怪兽有机可乘!”绝缘电阻测试就是要确保变压器的绕组、铁芯等部件之间有足够的绝缘性能,不然稍有不慎,就可能引发大麻烦呢!就好比一个人的免疫力低下,各种病菌就会趁虚而入。
通过专业的测试仪器,我们就能知道这道“防火墙”够不够牢固啦!比如,在一些高质量的变压器中,绝缘电阻值那是高得惊人,仿佛在向那些潜在的漏电隐患大声说:“嘿,有我在,你们别想乱来!”二、变比测试:“电流的指挥棒”哎呀呀,变比测试就像是掌握着电流流向的“指挥棒”呢!“嘿,变压器大人,你的变比可得精准无误呀,不然电流都不知道该往哪儿走啦!”它主要是检测变压器的一次绕组和二次绕组之间的电压比值是否符合设计要求。
这就好比一场音乐会,指挥家得精准地把握节奏,才能让乐队演奏出美妙的音乐。
如果变比不准确,那电流就像是一群无头苍蝇,乱了套啦!比如说,在一些重要的电力设备中,变比的精准度要求极高,稍有偏差都可能影响整个系统的运行呢。
三、空载试验:“电力的体检单”哇哦,空载试验简直就是给变压器开的一张详细的“电力体检单”呀!“嘿,变压器宝贝,让我们来看看你空载时的表现如何呀!”通过空载试验,可以了解变压器在空载状态下的损耗、电压变化等情况。
这就像我们去医院体检,各项指标都得正常才行呢。
如果空载试验不过关,那可能就意味着变压器存在一些潜在的问题,需要及时进行检修或调整。
JBT 501-2021 《电力变压器试验导则》是根据国家标准化管理委员会制定的,旨在规范和指导电力变压器的试验工作,以确保电力系统的安全运行。
本导则规定了电力变压器试验的一般要求、试验项目、试验方法、试验结果评定等内容。
全文共分十四章,具体内容如下:一、总则本章包括了导则的目的、适用范围、规范性引用文件等内容,对导则的适用范围进行了明确的界定。
二、术语和定义本章详细介绍了与电力变压器试验相关的术语和定义,包括了电力变压器、试验、试验项目等概念的解释,为后续章节的理解提供了基础。
三、试验前准备本章主要包括试验前的工作准备,包括对试验设备、试验人员、试验环境等的要求,确保试验能够顺利进行。
四、试验一般要求本章规定了电力变压器试验的一般要求,包括了试验时应注意的安全事项、试验记录的要求等内容,并对试验过程中可能出现的异常情况给予了应对措施。
五、试验项目本章详细列举了电力变压器试验的项目,包括了外观检查、绝缘测试、负荷试验、短路试验等各项内容,并对每一项试验项目的要求和方法进行了详细描述。
六、试验方法本章对各种试验方法进行了详细的介绍和说明,包括了试验仪器的选择、试验操作流程、试验数据的处理等内容,使读者能够清晰地了解每一项试验的具体操作步骤。
七、试验装置本章主要介绍了电力变压器试验所需的各种试验装置,包括了试验变压器、试验电源、试验计量装置等,对试验装置的要求和选择进行了规定。
八、试验环境本章对电力变压器试验的环境要求进行了明确规定,包括了试验场地的选取、试验设备的维护、试验环境的温湿度要求等内容,以确保试验的准确性和可靠性。
九、试验过程控制本章对电力变压器试验过程中的控制要求进行了详细说明,包括了试验操作人员的要求、试验过程中的监控和记录、试验后的数据分析等内容。
十、试验数据处理本章对试验数据的处理和记录进行了规定,包括了试验记录表的填写、试验数据的整理和分析、数据的存档和报告编制等内容。
十一、试验结果评定本章对电力变压器试验结果的评定标准进行了详细说明,包括了各项试验指标的合格范围、评定方法以及可能产生的影响因素等内容。
电力变压器试验项目及标准说明1 绝缘油试验或SF6气体试验;2 测量绕组连同套管的直流电阻;3 检查所有分接头的电压比;4 检查变压器的三相接线组别和单相变压器引出线的极性;5 测量与铁心绝缘的各紧固件(连接片可拆开者)及铁心(有外引接地线的)绝缘电阻;6 非纯瓷套管的试验;7 有载调压切换装置的检查和试验;8 测量绕组连同套管的绝缘电阻、吸收比或极化指数;9 测量绕组连同套管的介质损耗角正切值 tanδ ;10 测量绕组连同套管的直流泄漏电流;11 变压器绕组变形试验;12 绕组连同套管的交流耐压试验;13 绕组连同套管的长时感应电压试验带局部放电试验;14 额定电压下的冲击合闸试验;15 检查相位;16 测量噪音。
注:除条文内规定的原因外,各类变压器试验项目应按下列规定进行:1 容量为1600kVA 及以下油浸式电力变压器的试验,可按本条的第1、2、3、4、5、6、7、8、12、14、15款的规定进行;2 干式变压器的试验,可按本条的第2、3、4、5、7、8、12、14、15款的规定进行;3 变流、整流变压器的试验,可按本条的第1、2、3、4、5、7、8、12、14、15款的规定进行;4 电炉变压器的试验,可按本条的第1、2、3、4、5、6、7、8、12、14、15款的规定进行;5 穿芯式电流互感器、电容型套管应分别按本标准第9章互感器、第16章的试验项目进行试验。
6 分体运输、现场组装的变压器应由订货方见证所有出厂试验项目,现场试验按本标准执行。
7.0.2油浸式变压器中绝缘油及SF6气体绝缘变压器中SF6气体的试验,应符合下列规定:1 绝缘油的试验类别应符合本标准中表20.0.2 的规定;试验项目及标准应符合本标准中表20.0.1 的规定。
2 油中溶解气体的色谱分析,应符合下述规定:电压等级在66kV 及以上的变压器,应在注油静置后、耐压和局部放电试验24h后、冲击合闸及额定电压下运行24h后,各进行一次变压器器身内绝缘油的油中溶解气体的色谱分析。
试验应按《变压器油中溶解气体分析和判断导则》GB/T 7252进行。
各次测得的氢、乙炔、总烃含量,应无明显差别。
新装变压器油中H2 与烃类气体含量(μL/L)任一项不宜超过下列数值:总烃:20, H2:10, C2H2:0,3 油中微量水分的测量,应符合下述规定:变压器油中的微量水分含量,对电压等级为 110kV 的,不应大于 20mg/L;220kV 的,不应大于 15mg/L ;330~500kV 的,不应大于 10mg/L 。
4 油中含气量的测量,应符合下述规定:电压等级为330 ~500kV 的变压器,按照规定时间静置后取样测量油中的含气量,其值不应大于1%(体积分数)。
5 对SF6气体绝缘的变压器应进行SF6气体含水量检验及检漏:SF6气体含水量(20℃的体积分数)一般不大于250μL/L。
变压器应无明显泄漏点。
7.0.3测量绕组连同套管的直流电阻,应符合下列规定:1 测量应在各分接头的所有位置上进行;2 1600kVA 及以下电压等级三相变压器,各相测得值的相互差值应小于平均值的 4%,线间测得值的相互差值应小于平均值的2%;1600kVA 以上三相变压器,各相测得值的相互差值应小于平均值的 2%;线间测得值的相互差值应小于平均值的1%;3 变压器的直流电阻,与同温下产品出厂实测数值比较,相应变化不应大于 2%;不同温度下电阻值按照式7.0.3换算:R2=R1(T+t2)/( T+t1) (7.0.3)式中 R1、R2——分别为温度在t1、t2时的电阻值;T——计算用常数,铜导线取235,铝导线取225。
4 由于变压器结构等原因,差值超过本条第2款时,可只按本条第3款进行比较。
但应说明原因。
7.0.4检查所有分接头的电压比,与制造厂铭牌数据相比应无明显差别,且应符合电压比的规律;电压等级在 220kV 及以上的电力变压器,其电压比的允许误差在额定分接头位置时为±0.5%。
注:“无明显差别”可按如下考虑:1 电压等级在35kV以下,电压比小于3的变压器电压比允许偏差不超过±1%;2 其他所有变压器额定分接下电压比允许偏差不超过±0.5%;3 其它分接的电压比应在变压器阻抗电压值(%)的1/10以内,但不得超过±1%。
7.0.5检查变压器的三相接线组别和单相变压器引出线的极性,必须与设计要求及铭牌上的标记和外壳上的符号相符。
7.0.6测量与铁心绝缘的各紧固件(连接片可拆开者)及铁心(有外引接地线的)绝缘电阻应符合下列规定:1 进行器身检查的变压器,应测量可接触到的穿心螺栓、轭铁夹件及绑扎钢带对铁轭、铁心、油箱及绕组压环的绝缘电阻。
当轭铁梁及穿心螺栓一端与铁心连接时,应将连接片断开后进行试验;2 不进行器身检查的变压器或进行器身检查的变压器,所有安装工作结束后应进行铁心和夹件(有外引接地线的)的绝缘电阻测量;3 铁心必须为一点接地;对变压器上有专用的铁心接地线引出套管时,应在注油前测量其对外壳的绝缘电阻;4 采用 2500V 兆欧表测量,持续时间为1min,应无闪络及击穿现象。
7.0.7非纯瓷套管的试验,应按本标准第16章的规定进行。
7.0.8有载调压切换装置的检查和试验,应符合下列规定:1 变压器带电前应进行有载调压切换装置切换过程试验,检查切换开关切换触头的全部动作顺序,测量过渡电阻阻值和切换时间。
测得的过渡电阻阻值、三相同步偏差、切换时间的数值、正反向切换时间偏差均符合制造厂技术要求。
由于变压器结构及接线原因无法测量的,不进行该项试验;2 在变压器无电压下,手动操作不少于2个循环、电动操作不少于 5 个循环。
其中电动操作时电源电压为额定电压的 85%及以上。
操作无卡涩、连动程序,电气和机械限位正常;3 循环操作后进行绕组连同套管在所有分接下直流电阻和电压比测量,试验结果应符合本标准第7.0.3条、7.0.4 条的要求。
4 在变压器带电条件下进行有载调压开关电动操作,动作应正常。
操作过程中,各侧电压应在系统电压允许范围内。
5 绝缘油注入切换开关油箱前,其击穿电压应符合本标准表20.0.1 的规定。
7.0.9测量绕组连同套管的绝缘电阻、吸收比或极化指数,应符合下列规定:1 绝缘电阻值不低于产品出厂试验值的 70%。
2 当测量温度与产品出厂试验时的温度不符合时,可按表 7.0.9换算到同一温度时的数值进行比较;表 7.0.9油浸式电力变压器绝缘电阻的温度换算系数温度差 K51015202530354045505560换算系数A1.21.51.82.32.83.44.15.16.27.59.211.2注:1表中K为实测温度减去 20℃的绝对值。
2 测量温度以上层油温为准。
当测量绝缘电阻的温度差不是表中所列数值时,其换算系数 A 可用线性插入法确定,也可按下述公式计算:A=1.5K/10 (7.0.9-1)校正到 20℃时的绝缘电阻值可用下述公式计算:当实测温度为 20℃以上时:R20=ARt (7.0.9-2)当实测温度为 20℃以下时:R20=Rt/A (7.0.9-3)式中 R20——校正到 20℃时的绝缘电阻值(MΩ);Rt ——在测量温度下的绝缘电阻值(MΩ)。
3 变压器电压等级为 35kV 及以上,且容量在 4000kVA 及以上时,应测量吸收比。
吸收比与产品出厂值相比应无明显差别,在常温下应不小于 1.3;当R60s大于3000MΩ时,吸收比可不做考核要求。
4 变压器电压等级为 220kV 及以上且容量为 120MVA 及以上时,宜用5000V兆欧表测量极化指数。
测得值与产品出厂值相比应无明显差别,在常温下不小于1.3;当R60s大于10000MΩ时,极化指数可不做考核要求。
7.0.10测量绕组连同套管的介质损耗角正切值 tanδ,应符合下列规定:1 当变压器电压等级为35kV 及以上且容量在 8000kVA及以上时,应测量介质损耗角正切值 tanδ ;2 被测绕组的 tanδ值不应大于产品出厂试验值的130%;3 当测量时的温度与产品出厂试验温度不符合时,可按表 7.0.10 换算到同一温度时的数值进行比较。
表7.0.10介质损耗角正切值tgδ (%)温度换算系数温度差 K5101520253035404550换算系数 A1.151.31.51.71.92.22.52.93.33.7注:1 表中K为实测温度减去 20℃的绝对值;2 测量温度以上层油温为准;3 进行较大的温度换算且试验结果超过第二款规定时,应进行综合分析判断。
当测量时的温度差不是表中所列数值时,其换算系数A可用线性插入法确定,也可按下述公式计算:A=1.3K/10 (7.0.10-1)校正到20℃时的介质损耗角正切值可用下述公式计算:当测量温度在20℃以上时,tanδ20= tanδt/A (7.0.10-2)当测量温度在20℃以下时:tanδ20=A tanδ t (7.0.10-3)式中 tanδ20——校正到 20 ℃时的介质损耗角正切值;tanδt ——在测量温度下的介质损耗角正切值。
7.0.11 测量绕组连同套管的直流泄漏电流,应符合下列规定:1 当变压器电压等级为35kV 及以上,且容量在 8000kVA 及以上时,应测量直流泄漏电流;2 试验电压标准应符合表 7.0.11 的规定。
当施加试验电压达 1min 时,在高压端读取泄漏电流。
泄漏电流值不宜超过本标准附录D的规定。
表7.0.11油浸式电力变压器直流泄漏试验电压标准绕组额定电压(kV)6~1020~3563~330500直流试验电压(kV)10204060注:1 绕组额定电压为13.8kV及15.75kV时,按10kV级标准;18kV时,按20kV级标准;2 分级绝缘变压器仍按被试绕组电压等级的标准。
7.0.12变压器绕组变形试验,应符合下列规定:1 对于35kV及以下电压等级变压器,宜采用低电压短路阻抗法;2 对于66kV及以上电压等级变压器,宜采用频率响应法测量绕组特征图谱。
7.0.13绕组连同套管的交流耐压试验,应符合下列规定:1 容量为8000kVA以下、绕组额定电压在 110kV 以下的变压器,线端试验应按表7.0.13-1进行交流耐压试验;2 容量为8000kVA及以上、绕组额定电压在 110kV 以下的变压器,在有试验设备时,可按表7.0.13-1 试验电压标准,进行线端交流耐压试验;3 绕组额定电压为110kV及以上的变压器,其中性点应进行交流耐压试验,试验耐受电压标准为出厂试验电压值的80%(见表7.0.13-2)。
表7.0.13-1 电力变压器和电抗器交流耐压试验电压标准kV系统标称电压设备最高电压交流耐压油浸式电力变压器和电抗器干式电力变压器和电抗器<1≤1.1—2.533.6148.567.22017101228241517.53632202444433540.568606672.5112—110126160—220252316(288)—330363408(368)—500550544(504)—注:1上表中,变压器试验电压是根据现行国家标准《电力变压器第3部分:绝缘水平和绝缘试验和外绝缘空气间隙》GB 1094.3规定的出厂试验电压乘以0.8制定的。