常用电子元器件型号命名法与主要技术参数
- 格式:docx
- 大小:11.27 KB
- 文档页数:3
常用電子元器件基礎簡介分類:電解電容 陶瓷電容 積層電容安規電容(X 、丫電容) 麥拉電容金屬聚脂薄膜電容 SMD 電容 「熱敏電阻 壓敏電阻固定電阻(CF 、MF 、MOF ) 涂裝絕緣型繞線電阻(KNP )涂裝絕緣型無感電阻(NKNP ) 耐沖擊電阻 水泥電阻二極體電晶體 IC電感磁性元件類-電子元器件分類一保險絲類(慢速、快速)電容類電容類電阻類半導體類・光耦合器1. 電解電容2. 陶瓷電容3. 積層電容4. 麥拉電容5. 金屬聚脂薄膜電容6. 安規電容7. SMD 電容二. 電阻類1. 熱敏電阻2. 壓敏電阻3. 固定電阻4. 其它類型電阻5. 晶片電阻三. 保險類四. 半導體類1. 二極體2. 電晶體3. 光耦合器4. IC五. 磁性元件類1. 電感2. 變壓器電容器( CAPACITOR ) 電容器:是由兩個金屬電極中間夾一層電,代號“ C”介質構成的電子元件特性:是通交流(AC),隔直流(DC);通高頻阻低頻.1. 電解電容:C/E---ELECTROLYTIC CAPACITOR電解電容有正負極性之分(本體有兩個引腳,其中短腳的那一邊為負極),其本體一般都印有容值,誤差,耐壓, 製造商品牌(廠商標誌)等MARKING ,SPS 通常使用容量為0.1uF~4700uF ,誤差為20^%(M 等級),容值越 大,體積越大.單位換算:仆(法拉)=1000mF (毫法)=1000 000uF (微法)=1000 000 000(納法)=1000 000 000 000pF(皮 法). 電壓範圍有:6.3V,10V,16V,25V,35V,50V,100V,200V,400V,450V. 耐溫:85C ,105C ,工作溫度在:40~105C製造商有:(RUBYCON )馨昌,(CHEMICON )佳美工,(JAMICON )凱美,(ELITE )金日,(YIHCON ) 億泓,(PANASONIC )松下.2. 陶瓷電容:C/C---CERAMIC CAPACITOR陶瓷電容有高頻瓷介電容和低頻瓷介電容之分,Y 電容也屬于陶瓷電容,亦為安規電容.本體印有容值,誤差, 耐壓等標示. 例如容值標示:103=10 000pF , 224=22 0000Pf 電壓標示:C $50V(50V 容值下面劃有一橫線“一”).◎ 500V(本體不做標示) ©1KV,2KV(直接標示于容值下面)誤差:J( 5%),K( ±0%),M(±20%),Z(+80%-20%) 耐溫:Y 級(-25E ~85C )和 Z 級(10C ~85°C )製造商有:(TDK)東電化,(OZOK)名家,(PAN OVERSEAS)匯喬.3. 積層電容:(俗名叫 小黃豆”或“獨石電容”)作用:濾波、旁路、耦合、調諧• 符號: ------- 1 -------------- 公式:C1C2C1串聯——II ——I I ——並聯 _____ — |—1^— Cr —| C2串並聯I C 1C2C3 Cr=C1*C2/(C1+C2) ------- C r 一 Cr=C1+C2CrCr=C1*(C2+C3)/C1+(C2+C3)積層電容:C/MLC —MULTIPLE LAYER CAPACITOR,多層電極電容表面光滑•本體呈黃色,考慮其本體細小,一般只標示容值于本體,容值標示類似于陶瓷電容,如223(表示22000pf), 471 (表示470pF)誤差:J (芳%),K (±0%),M(±20%),Z(+80%-20%),S(+50%-20%),P (±00%/-0)耐壓:SPS 常用25V;50V;100V製造商有:(TDK)東電化,(OZOK)名家,(JYH CHUNG )智中4. 麥拉電容:(亦屬于塑膠電容系列)英文標示:C/MYLAR,本體顏色為GREEN,其容值,誤差,電壓直接標示于本體上,字體一般為白色誤差:J(±5%),K(±10%),M(±20%)電壓表示:1H(50V) ,1J(63V) ,2A(100VDC) ,2J (63V),1A(10V),1C(16V),0J(6.3V),3A(1000V)製造商有:(SUNTRONIC)上穩,(EUROPTRONIC GROUP)優普.5. 金屬聚脂薄膜電容:(即MINI-BOX 電容)英文標示為:C/POLYESTER,金屬聚脂薄膜電容有安規要求,外表通常為黃色,灰色,紫色. 作用:跨電源線,無線電干擾抑制器,天線耦合金屬聚脂薄膜電容容值,誤差,電壓直接標于本體,有些製造商還在本體上印有製造商品牌容值誤差有:±0%(K 級)和坐0%(M級)耐溫:-40C ~100C容值範圍通常在0.01uF~2.2uF.6. 安規電容:丫電容屬于安規電容,本體呈扁圓形,藍色,有Y1和丫2電容之分,在SPS中主要跨接于初次級中間其本體都有容值、誤差、安規MARKING、電壓、類型(Y1或丫2)等標示. 容值誤差為坐0% (M等級),耐壓為250VAC,PIN腳成型方式有直腳和KINK兩種方式.製造商有:(TDK)東電化(MURATA)村田(PAN OVERSEAS)匯喬6.2: X電容屬于安規電容,本體呈方型,黃色,有X1和X2之分別,在SPS中主要應用于EMI部分(即交流輸入部分)本體都有容值、誤差、電壓、類型、電容系列、安規MARK、製造商品牌等標示.容值誤差有±10% (K等級),±0% (M等級)耐壓:250VAC製造商有:(UTX)昱電,(CARLI )凱利,(HJC)華容,OKAYA7. SMD電容SMD電容包含貼片電解電容(C/E;SMD ),其本體無任何標示型號有0402,0805,1206,1210,1812,2220等幾種電壓有 6.3VDC,10VDC,16VDC,25VDC,50VDC,100VDC二:電阻類:1.熱敏電阻(THERMISTOR )熱敏電阻屬于安規零件,作用是吸收浪涌電流,起到保護作用•本體一般都有:系列、電流、阻值等標示,以為勤熱敏電阻為CUTTED LEAD LENGTH 4.0mmINNER KINK CUTTED LEADTOLERANCE OF RESISTANCE M: 20%RESISTANCE CODE 083:8Q 3ADISC SIZE:10书溫度特性有:X5R(-55 C ~85C );X7R(-55 C ~125°C );Y5V(-30 C ~85°C).SURGE CURRENT KILLER PRODUCT CODE誤差:±5% (L等級);±0% (M等級)熱敏電阻分類:負溫度系數熱敏電阻(NTC)和正溫度系數熱敏電阻(PTC),SPS電源中一般使用負溫度系數熱敏電阻(NTC).負溫度系數熱敏電阻(NTC)特性:溫度越高;阻值越小.正溫度系數熱敏電阻(PTC)特性:溫度越高;阻值越大.製造商有:(TKS)為勤;(CNR/CENTRA )舜全.2.壓敏電阻(VARISTOR)壓敏電阻本體都有系列本體尺寸電壓直接標于本體,以為勤為例子:TVR 07 471 K SI STRAIGHT LEAD:EPOXY COATING±10%(TOLERANCE OF VIMA)VIMA=470V(471)7 书(DISC DIAMETER)THINKING V ARISTOR RESISTANCE3. 固定電阻在電子線路中對電流起阻礙作用的電子元件,代號為“R”,是RESISTOR之第一個字母.通常所說的電阻指固定電阻,它是電子線路中使用最多的電子元件•特性:阻礙電流作用:分壓,限流R符號:-------- --------------- 或標示:①阻值:色環標示0123456789黑八、棕紅橙黃綠藍紫灰白21x102=2.1k Q 第一二位數字表示有效數字.第三位數字表示10的倍乖數.第四位數字表示誤差值.(NOTES:精密電阻:第一~三位數字為有效數字,第四位為10的倍乖數,第五位數字表示誤差值)水泥電阻之電阻值及功率直接標示于電阻本體上③誤差:誤差等級B C D F G J K M N V X Z S D誤差值±).1%±.2%±.5%±1%吃%±5%±10%±20%‘ ±30%±40%±50%±80%)+80%±:100%^20%外被顏色紫藍綠棕紅金銀無色③外被<環氧樹脂涂漆.>顏色R名稱 碳膜電阻 金屬皮膜電阻 (精密電阻)金屬氧化膜電阻 小型化電阻英文縮寫CF MFMOF SMALL SIZE顏色 米黃色藍色灰色暗紅色O 功率表示法(在電路中):1/4W1/2W 1W 2W 3W③尺寸:(功率俞大,尺寸俞大)⑥實際應用:1M Q =1000K Q =1000000 Q在電路中的作用是分壓,限流. 連接方式與計算公式:R=U/IR15W1W 以下 10Wd o尺寸 1/8W 1/4W 1/2W 1W 2W L3.26.59.01216T d O1 1D 1.8 2.3 3.2 4.5 6.0串聯:R1R2 並聯:L常用電阻功率尺寸對照表d0.6 0.8 0.80.5左右 0.6①按用途分類:分為光敏電阻,熱敏電阻,壓敏電阻,可變電阻(VR)4. 其它電阻類:除了固定電阻外還有以下電阻: 涂裝絕緣型繞線電阻(KNP) 涂裝絕緣型繞無感電阻(NKNP) 耐沖擊電壓電阻(SCF) 水泥電阻電力型法郎繞線電阻 厚膜排阻電阻器歐• 5•晶片電阻①英文:CHIP RESISTOR③標示:本體上只有標示電阻值:0/000=0Q ;121=120Q ;472=4700Q . ®誤差:J= ±%;F=±1% ◎型號/功率/耐壓對照表 型號定格電力(W)最高使用電壓(V)最高過負荷電壓(V)阻值範圍(Q )±%±2%,±5%0402 1/16 50 100 100Q -100K Q 10Q -1M Q 0603 1/10 50 100 10Q -1M Q 1 Q -10M Q 0805 1/8 150300 10Q -1M Q 1 Q -10M Q 1206 1/4 200 400 10Q -1M Q 1Q -10M Q12101/320040010Q -1M Q1Q -10M Q------------ Rx ---------------- ►Rx=R1+R2串並聯:R2Rx=R1+R2*R3/(R2+R3)2010 1/2200 400 10Q -1M Q 1 Q -10M Q 2512 120040010Q -1M Q1 Q -10M Q©額定電壓:E= P*R E:定格電壓 、P :定格電力 R:公稱電阻壓三•保險絲:保險絲屬于安規零件,英文:FUSE. 符號:FF圖形:------------ 或O 〜0分類:保險絲按熔斷時間一般分為快速保險絲和慢速保險絲,按結構又可以分為有腳和無腳保險絲 標示:保險絲屬于安規部品,所以本體都有安規符號,具體安規符號由實際申請的安規決定.,例如UL, CSA,VDE,PSE —— 作用:起到保護作用.製造商:CONQUER (功得),WALTER (華得) 四.半導體:SEMICONDUCTOR導體:導電良好的物質(金,銀,銅鐵等金屬) 絕緣體:不導電的物質(如玻璃,陶瓷,塑料) 半導體:導電性介于導體和絕緣體之間的物質(鍺,矽)特性:單向導電性.作用:整流(AC 轉DC );穩壓(穩定電壓);開關(導通和截止);發光 封裝:塑膠封裝(整流管,開關管)和玻璃封裝(穩壓管)、金屬封裝 分類:整流二極管穩壓二極管 檢波二極管1.二極體:半導體二極管是用半導體單晶材料(主要是鍺和矽及砷化鎵)制成,所以半導體器件又稱晶體器阻泥/升壓二極管 恆流二極管 變容二極管 ----命名方法:國內半導體器件命名方法 二極管的命名方法是根據分立器件型號命名方法,由5個部分組成: 第一部分:用阿拉伯數字表示器件的電極數目,2——二極管;3------三極管.第二部分:用漢語拼音字母表示器件的材料和極性,A ---表示N 型鍺材料;B---表示P 型鍺材料C---表示N 型矽材料;D---表示P 型矽材料第三部分:用漢語拼音字母表示器件類型 第四部分:用阿拉伯數字表示序號 第五部分:用漢語拼音字母表示規格號國內半導體分立器件型號命名方法規格號 序號例 1: 3 D G 180 C例 2: CS 2 B―r 1 —規格號序號高頻小功率管 NPN 型,矽材料三極管注:場效應器件,半導體特殊器件,復合管,PIN 型管,激光器件的型號命名只有第三,四,五部分.2.電晶體 電晶體大致可以分為三極體和場效應管兩種. 2.1三極體①三極體:代號TRANSISTOR(Q).電流控制器件,有三個電極(基極---B;集電極---C;發射極---E).®分類:電晶體可以分為兩類,即NPN 型和PNP 型.如上圖所示.③作用:開關2.2場效應管①場效應管:代號FET(Field Effect Transistor),電壓控制器件®分類;可以分為結型場效應管(J-FET)和金屬氧化物半導體(簡稱MOSvMetal Oxide Semic on ductor 〉 管).MOS 管又可以分為N 溝道MOS 管(N-CH)和P 溝道MOS 管(P-CH)兩種,SPS 常用P-CH.⑨管腳:有三個引腳,漏極---D(DRAIN);源極---S(SOURCE)柵極---G(GRID)④特性:輸入阻抗高,噪音低,熱穩定性好,壽命長, 3光耦合器光耦合器代號PHOTO COUPLER,光耦合器是將輸入側的發光器件和輸出側的光敏器件 (光敏電阻,光 電二極管,光電三極管,光電池,光控晶閘管等)組裝在同一管殼中構成的,發光器件與光敏器件的管芯相 互靠近且相對放置,除了前者發光,後者接收光之外,其它部分是完全封閉的 分類:光隔離型和光傳感型兩種,光傳感型又分為透過型和反射型 2種.型式:(只列舉其中幾種)4.集成電路①集成電路英文是:IC ——Integrated Circuits場效應器件(C)C ENPN 型匚②定義:集成電路是將晶體管,電阻及電容器等元器件按電路結構的要求,把一個電子單元電路或某一功能,一些功能,甚至某一整機的功能電路集中制作在一個晶片或瓷片上,然後封裝在一個便于安裝焊接的外殼之中•®優點:與分立元件相比較體積小,重量輕,功耗小,結構穩定,功能多•迪分類:按集成度分:小規模集成電路(小于100個元件);中規模集成電路(100至1000個元件);大規模集成電路(1000至數萬個);超大規模集成電路(100000個以上).另外集成電路還可以按照工藝及電路原理或按照功能進行分類•©封裝:雙列直扦型,扁平型,單列直扦型,金屬圓殼型------.⑥引腳識別:本體表面有平凹小圓點或有缺口標示處為第一腳,逆時針方向數依次遞增五.磁性元件類1.電感器:(CHOCK COIL)電感器是用漆包線在絕緣管或鐵芯,磁芯上的一種電子元件,電感器大體上有帶磁芯(包括各種磁體)和不帶磁芯的2大類.主要範圍是指電感線圈和變壓器,它們的工作原理基本上是相同的.電感線圈是根據電磁感應原理制成的,它是由導線一圈一圈地纏繞在絕緣管上,導線彼此相互絕緣, 這種元件稱為電感線圈,也叫電感器或電感•分類:常用的電感元件有固定電感器,阻流圈,電視機用行線性線圈和行,場振蕩線圈,偏轉線圈以及收音機,錄音機上用的各種電感線圈,還有延遲線和磁關等•它們在電路中起著不同的作用,但都具有在磁場中儲存能量的本領•電感器種類很多,分類方法也不統一,比較常見的方法是按工作性質,繞線結構,導磁體性質和電感形式進行分類•根據其結構和其不同的特點,在各種電器設備中常見的有單層線圈,多層線蜂圈,蜂房線圈,鐵氧體磁芯和鐵粉芯線圈,銅芯線圈,色碼電感器,阻流圈(扼流圈), 偏轉線圈,行偏轉線圈,振蕩線圈•2..變壓器:「--TRANSFORMER變壓器是電磁能轉換器件,它也是根據電磁感應原理制成的,它的主要作用是變換電壓,電流和阻抗, 在電源和負載之間進行直流隔離,以最大限度的傳送電源能量(功率).結構:結構由鐵芯(或磁芯)和線圈組成.線圈有2個或2個以上的繞組,其中接電源(或輸入信號)的繞組叫初級線圈,其余的繞組叫次級線圈•原理:當初級線圈接到交流電源或其它信號上,初級回路就有交流電流,因而在鐵芯中產生磁通.根據電磁感應原理,在次級線圈上也會產生感應電壓,當次級連接負載時,在所形成的次級回路中也會有感應電流,由于是利用磁耦合來達到傳遞電能的目的,因而在初級和次級之間就沒有電路的連接,這樣就可以較好的分別兩個回路.分類:按用途分類有電源變壓器,自耦變壓器,調壓變壓器,高頻變壓器,中頻變壓器,脈沖變壓器.。
一、电阻电阻器(Resistor)在日常生活中一般直接称为电阻。
是一个限流元件,将电阻接在电路中后,电阻器的阻值是固定的一般是两个引脚,它可限制通过它所连支路的电流大小。
阻值不能改变的称为固定电阻器。
阻值可变的称为电位器或可变电阻器。
理想的电阻器是线性的,即通过电阻器的瞬时电流与外加瞬时电压成正比。
用于分压的可变电阻器。
在裸露的电阻体上,紧压着一至两个可移金属触点。
触点位置确定电阻体任一端与触点间的阻值。
端电压与电流有确定函数关系,体现电能转化为其他形式能力的二端器件,用字母R 来表示,单位为欧姆Ω。
实际器件如灯泡,电热丝,电阻器等均可表示为电阻器元件。
电阻元件的电阻值大小一般与温度,材料,长度,还有横截面积有关,衡量电阻受温度影响大小的物理量是温度系数,其定义为温度每升高1℃时电阻值发生变化的百分数。
电阻的主要物理特征是变电能为热能,也可说它是一个耗能元件,电流经过它就产生内能。
电阻在电路中通常起分压、分流的作用。
对信号来说,交流与直流信号都可以通过电阻电阻的型号命名方法:国产电阻器的型号由四部分组成(不适用敏感电阻)第一部分:主称,用字母表示,表示产品的名字。
如R表示电阻,W表示电位器。
第二部分:材料,用字母表示,表示电阻体用什么材料组成,T-碳膜、H-合成碳膜、S-有机实心、N-无机实心、J-金属膜、Y-氮化膜、C-沉积膜、I-玻璃釉膜、X-线绕。
第三部分:分类,一般用数字表示,个别类型用字母表示,表示产品属于什么类型。
1-普通、2-普通、3-超高频、4-高阻、5-高温、6-精密、7-精密、8-高压、9-特殊、G-高功率、T-可调。
第四部分:序号,用数字表示,表示同类产品中不同品种,以区分产品的外型尺寸和性能指标等例如:R T 1 1 型普通碳膜电阻a1}国际电阻都是以R开头,前面2个字母表示电阻的系列名称。
RC表示一般厚膜电阻,例如:RC0402JR-07100KL;RL表示低阻值电阻,如RL0603JR-070R12L;RT表示高精密厚膜电阻;RJ表示薄膜电阻;RV表示高压电阻。
第二节常用电子元器件型号命名法及主要技术参数一.电阻器和电位器1.电阻器和电位器的型号命名方法(1)精密金属膜电阻器R J7 3第四局部:序号第三局部:类别〔精密〕第二局部:材料〔金属膜〕第一局部:主称〔电阻器〕(2) 多圈线绕电位器W X D 3第四局部:序号第三局部:类别〔多圈〕第二局部:材料〔线绕〕第一局部:主称〔电位器〕2.电阻器的主要技术指标(1) 额定功率电阻器在电路中长时间连续工作不损坏,或不显著改变其性能所允许消耗的最大功率称为电阻器的额定功率。
电阻器的额定功率并不是电阻器在电路中工作时一定要消耗的功率,而是电阻器在电路工作中所允许消耗的最大功率。
不同类型的电阻具有不同系列的额定功率,如表2所示。
(2) 标称阻值阻值是电阻的主要参数之一,不同类型的电阻,阻值范围不同,不同精度的电阻其阻值系列亦不同。
根据国家标准,常用的标称电阻值系列如表3所示。
E24、E12和E6系列也适用于电位器和电容器。
(3) 允许误差等级3.电阻器的标志内容及方法(1)文字符号直标法:用阿拉伯数字和文字符号两者有规律的组合来表示标称阻值,额定功率、允许误差等级等。
符号前面的数字表示整数阻值,后面的数字依次表示第一位小数阻值和第二位小数阻值,其文字符号所表示的单位如表5所示。
如1R5表示Ω,2K7表示Ω,RJ71--5k1-II允许误差±10%标称阻值Ω)额定功率1/8W型号由标号可知,它是精密金属膜电阻器,额定功率为1/8W,标称阻值为Ω,允许误差为±10%。
(2)色标法:色标法是将电阻器的类别及主要技术参数的数值用颜色〔色环或色点〕标注在它的外外表上。
色标电阻〔色环电阻〕器可分为三环、四环、五环三种标法。
其含义如图1和图2所示。
标称值第一位有效数字标称值第二位有效数字标称值有效数字后0的个数三色环电阻器的色环表示标称电阻值〔允许误差均为±20%〕。
例如,色环为棕黑红,表示10⨯102=Ω±20%的电阻器。
变压器的基本知识变压器几乎在所有的电子产品中都要用到,它原理简单但根据不同的使用场合(不同的用途)变压器的绕制工艺会有所不同的要求。
变压器的功能主要有:电压变换;阻抗变换;隔离;稳压(磁饱和变压器)等,变压器常用的铁心形状一般有E型和C型铁心。
一、变压器的基本原理图1是变压器的原理简体图,当一个正弦交流电压U1加在初级线圈两端时,导线中就有交变电流I1并产生交变磁通ф1,它沿着铁心穿过初级线圈和次级线圈形成闭合的磁路。
在次级线圈中感应出互感电势U2,同时ф1也会在初级线圈上感应出一个自感电势E1,E1的方向与所加电压U1方向相反而幅度相近,从而限制了I1的大小。
为了保持磁通ф1的存在就需要有一定的电能消耗,并且变压器本身也有一定的损耗,尽管此时次级没接负载,初级线圈中仍有一定的电流,这个电流我们称为“空载电流”。
如果次级接上负载,次级线圈就产生电流I2,并因此而产生磁通ф2,ф2的方向与ф1相反,起了互相抵消的作用,使铁心中总的磁通量有所减少,从而使初级自感电压E1减少,其结果使I1增大,可见初级电流与次级负载有密切关系。
当次级负载电流加大时I1增加,ф1也增加,并且ф1增加部分正好补充了被ф2所抵消的那部分磁通,以保持铁心里总磁通量不变。
如果不考虑变压器的损耗,可以认为一个理想的变压器次级负载消耗的功率也就是初级从电源取得的电功率。
变压器能根据需要通过改变次级线圈的圈数而改变次级电压,但是不能改变允许负载消耗的功率。
二、变压器的损耗当变压器的初级绕组通电后,线圈所产生的磁通在铁心流动,因为铁心本身也是导体,在垂直于磁力线的平面上就会感应电势,这个电势在铁心的断面上形成闭合回路并产生电流,好象一个旋涡所以称为“涡流”。
这个“涡流”使变压器的损耗增加,并且使变压器的铁心发热变压器的温升增加。
由“涡流”所产生的损耗我们称为“铁损”。
另外要绕制变压器需要用大量的铜线,这些铜导线存在着电阻,电流流过时这电阻会消耗一定的功率,这部分损耗往往变成热量而消耗,我们称这种损耗为“铜损”。
常用电子元器件介绍电子元件知识——电阻器电阻:导电体对电流的阻碍作用称为电阻,用符号R 表示,单位为欧姆、千欧、兆欧,分别用Ω、KΩ、MΩ表示。
电阻的型号命名方法:国产电阻器的型号由四部分组成(不适用敏感电阻)①主称②材料③分类④序号电阻器的分类:①线绕电阻器②薄膜电阻器:碳膜电阻器、合成碳膜电阻器、金属膜电阻器、金属氧化膜电阻器、化学沉积膜电阻器、玻璃釉膜电阻器、金属氮化膜电阻器③实心电阻器④敏感电阻器:压敏电阻器、热敏电阻器、光敏电阻器、力敏电阻器、气敏电阻器、湿敏电阻器。
※电阻器阻值标示方法:1、直标法:用数字和单位符号在电阻器表面标出阻值,其允许误差直接用百分数表示,若电阻上未注偏差,则均为±20% 。
2、文字符号法:用阿拉伯数字和文字符号两者有规律的组合来表示标称阻值,其允许偏差也用文字符号表示。
符号前面的数字表示整数阻值,后面的数字依次表示第一位小数阻值和第二位小数阻值。
表示允许误差的文字符号文字符号:DFGJKM 允许偏差分别为:±0.5%±1%±2%±5%±10%±20%3、数码法:在电阻器上用三位数码表示标称值的标志方法。
数码从左到右,第一、二位为有效值,第三位为指数,即零的个数,单位为欧。
偏差通常采用文字符号表示。
4、色标法:用不同颜色的带或点在电阻器表面标出标称阻值和允许偏差。
国外电阻大部分采用色标法。
黑-0、棕-1、红-2、橙-3、黄-4 、绿-5 、蓝-6 、紫-7、灰-8、白-9、金- ±5%、银- ±10% 、无色-±20% 当电阻为四环时,最后一环必为金色或银色,前两位为有效数字,第三位为乘方数,第四位为偏差。
当电阻为五环时,最後一环与前面四环距离较大。
前三位为有效数字,第四位为乘方数,第五位为偏差贴片电阻的阻值识别:(在通常的贴片电阻电阻表面都标识数字,或用字母来表示,阻值数法如下。
常见电子元器件讲解与命名第一部分电阻器系列1、概述电阻器是电子电路中应用最广泛的基本元器件之一,在电子设备中约占元件总数的 30%以上,其性能的好坏对电路工作的稳定性有极大影响。
1.1 定义电阻器,简称电阻(Resistor,通常用“R”表示),是指具有一定阻值,一定几何形状,一定技术性能的在电路中起特定作用的元件。
1.2 作用在电子设备中,电阻器主要用于稳定和调节电路中的电流和电压,其次还可作为消耗电能的负载、分流器、分压器、稳压电源中的取样电阻、晶体管电路中的偏执电阻等。
1.3 单位电阻器的基本单位是欧姆,用希腊字母Ω表示。
在实际应用中,常常使用由Ω导出的单位,如千欧(kΩ),兆欧(MΩ)等。
2、分类电阻器种类繁多,形状各异,有多种分类方法。
2.1 按结构分:2.1.1 固定电阻器2.1.2 可变电阻器:有滑线变阻器和电位器。
滑线变阻器电位器2.1.3 敏感电阻器:有热敏电阻、光敏电阻、压敏电阻、湿敏电阻、气敏电阻等。
2.2 按外形分:有圆柱型、圆盘型、管型、方型、片状、纽扣状电阻。
2.3 按材料分:2.3.1 合金型:用块状电阻合金拉制成合金线或碾成合金箔片,制成电阻。
如线绕电阻,精密合金箔电阻等。
2.3.2 薄膜型:在玻璃或陶瓷基体上沉积一层电阻薄膜,膜的厚度一般在几微米以下。
薄膜材料有碳膜、金属膜、化学沉积膜、金属氧化膜等。
2.3.3 合成型:电阻体由导电颗粒(石墨、碳黑)和有机(无机)粘接剂混合而成,可以制成薄膜或实芯两种类型。
碳膜电阻 金属膜电阻水泥电阻2.4 按安装方式分,有插件电阻和贴片电阻。
插件电阻2.5 按用途分:贴片电阻2.5.1 普通型(通用型):适用于一般技术要求的电阻,功率在 0.05~2W 之间,阻值为 1Ω~22M Ω,偏差为±5~±20%。
2.5.2 精密型:功率小于 2W ,阻值为 0.01Ω~20M Ω,偏差为 2%~0. 001%。
2.5.3 功率型:功率在 2~200W 之间,阻值 0.15~1M Ω,精度±5~20%,多为线绕电阻,不宜在高频电路中使用。
常用元器件主要参数电阻容差:通用场合选用1%精读,当有特殊要求比如输出电压精度要求时选用更小的选择比率:当阻值不是很重要时,比如分压器,以减少电路中不同阻值种类数目以实现大批量采购节约成本最大电压:电阻其实也可以被击穿,高压应用时要注意温度系数:大多数电阻都有很小的温度系数(50~250ppm每度),电阻发热时,线绕电阻的温度系数会有较大变化额定功率:一般电阻功耗为额定值一半脉冲功率:在较短时间内,线绕电阻可以承受远大于其额定功率的冲击,但非线绕电阻不行电容铝电解电容大容量小体积钽电容中等电容量陶瓷电容定时与信号电路多层陶瓷电容低ESR场合塑胶电容高dv/dt场合容差:典型值正负20%,电解电容还要差好多ESR:等效串联电阻,设计大容量滤波器时ES R比容量重要老化:“电源寿命1000h”实际就是对电解电容电容而言,如果把电源放到实际温度条件或者工作几年就要选择2000h到5000h肖特基二极管常用在整流器中,正向导通电压小,没有反向恢复时间整流二极管反向恢复:二极管正向导通后在很短时间内能够反向流过电流这段时间叫反向恢复时间,这对变换器的效率非常不利但并不是越快越好,会产生快速的电压电流尖锋晶体管(BJT)脉冲电流:一般BJT上不会提到脉冲电流(除非专为电源设计),取额定直流电流的两倍放大倍数:一般假定为10,不管手册数据如何晶体管(MOSFET)功率损耗:导通损耗+门极充电损耗+开关导通损导通损耗:当MOSFE T全部导通时漏源极之间存在一个电阻,导通损耗大小取决于管中电流大小,而且电阻随温升增大门极充电损耗:由于MOSF ET有一个相当大的等效门极电容引起开关导通损:在开通或关断转换的任何时候,晶体管上同时既有电压又有电流产生功率损耗最大门极电压:通常20V电阻型号命名方法分类及主要特性参数等导电体对电流的阻碍作用称着电阻,用符号R表示,单位为欧姆、千欧、兆欧,分别用Ω、KΩ、MΩ表示。
电子元器件型号命名规则2,电容器5,半导体二、三极管一、中国半导体器件型号命名方法半导体器件型号由五部分(场效应器件、半导体特殊器件、复合管、PIN型管、激光器件的型号命名只有第三、四、五部分)组成。
五个部分的意义分别如下:第一部分:用数字表示半导体器件有效电极数目。
2-二极管、3-三极管第二部分:用汉语拼音字母表示半导体器件的材料和极性。
表示二极管时:A-N型锗材料、B-P型锗材料、C-N型硅材料、D-P型硅材料。
表示三极管时:A-PNP型锗材料、B-NPN型锗材料、C-PNP型硅材料、D-NPN型硅材料。
第三部分:用汉语拼音字母表示半导体器件的内型。
P-普通管、V-微波管、W-稳压管、C-参量管、Z-整流管、L-整流堆、S-隧道管、N-阻尼管、U-光电器件、K-开关管、X-低频小功率管(f<3MHz,Pc<1W)、G-高频小功率管(f>3MHz,Pc<1W)、D-低频大功率管(f<3MHz,Pc>1W)、A-高频大功率管(f>3MHz,Pc>1W)、T-半导体晶闸管(可控整流器)、Y-体效应器件、B-雪崩管、J-阶跃恢复管、CS-场效应管、BT-半导体特殊器件、FH-复合管、PIN-PIN型管、JG-激光器件。
第四部分:用数字表示序号第五部分:用汉语拼音字母表示规格号例如:3DG18表示NPN型硅材料高频三极管。
二、日本半导体分立器件型号命名方法日本生产的半导体分立器件,由五至七部分组成。
通常只用到前五个部分,其各部分的符号意义如下:第一部分:用数字表示器件有效电极数目或类型。
0-光电(即光敏)二极管三极管及上述器件的组合管、1-二极管、2三极或具有两个pn结的其他器件、3-具有四个有效电极或具有三个pn结的其他器件、┄┄依此类推。
第二部分:日本电子工业协会JEIA注册标志。
S-表示已在日本电子工业协会JEIA注册登记的半导体分立器件。
第三部分:用字母表示器件使用材料极性和类型。
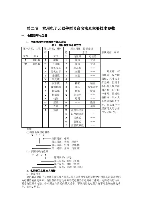
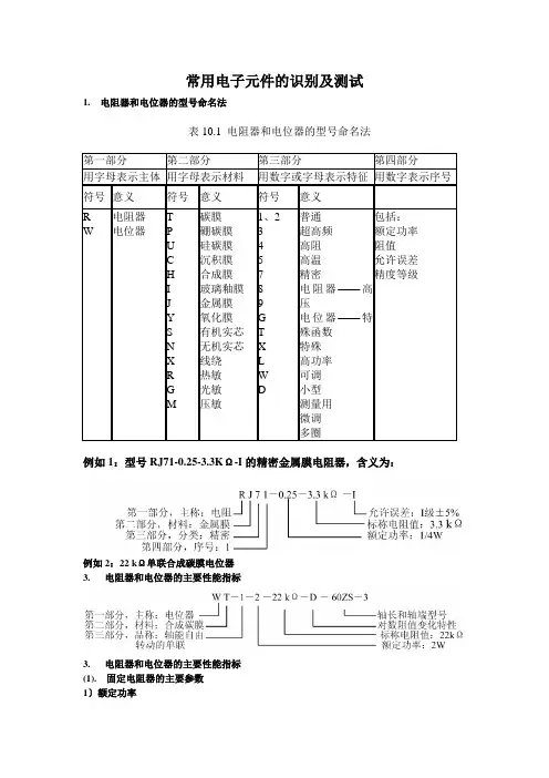
常用电子元件的识别及测试1.电阻器和电位器的型号命名法表10.1 电阻器和电位器的型号命名法第一部分第二部分第三部分第四部分用字母表示主体用字母表示材料用数字或字母表示特征用数字表示序号符号意义符号意义符号意义R W 电阻器电位器TPUCHIJYSNXRGM碳膜硼碳膜硅碳膜沉积膜合成膜玻璃釉膜金属膜氧化膜有机实芯无机实芯线绕热敏光敏压敏1、2345789GTXLWD普通超高频高阻高温精密电阻器——高压电位器——特殊函数特殊高功率可调小型测量用微调多圈包括:额定功率阻值允许误差精度等级例如1:型号RJ71-0.25-3.3KΩ-I的精密金属膜电阻器,含义为:例如2:22 kΩ单联合成碳膜电位器3. 电阻器和电位器的主要性能指标3. 电阻器和电位器的主要性能指标(1). 固定电阻器的主要参数1〕额定功率指电阻器在规定的环境温度和湿度下,假设周围空气不流通,在长期连续工作而不损坏或基本不改变电阻器性能的情况下,电阻器上允许消耗的最大功率。
2〕标称阻值及允许误差电阻器的阻值和误差有三种标注方法:•直标法是将电阻器的主要参数和技术性能用数字或字母直接标注在电阻体上。
•文字符号法是将需要标出的主要参数与技术性能用文字、数字符号两者有规律地组合起来标志在电阻器上。
如0.1Ω标注为Ω1,3.3Ω标为3Ω3,4.7kΩ标为4k7,10M Ω标注为10M等。
•色标法〔又称色环表示法〕是用不同颜色的色环来表示电阻器的阻值及误差等级。
3〕最高工作电压指电阻器长期工作不发生过热或电击穿的工作电压限度。
( 2) 电位器的主要参数电位器的主要参数除了与电阻器相同的标称阻值、额定功率外,还有:1〕阻值变化规律常用的电位器阻值变化规律有直线式〔X〕、指数式〔Z〕、对数式〔D〕三种。
2〕滑动噪声电位器的接触刷在电阻体上移动时,除了有用信号外还有起伏不定的噪声信号〔可用示波器观测到〕,这就是电位器的滑动噪声。
滑动噪声应在一定的范围内,否则影响电子设备的正常工作。
常用电子元器件参考资料部分电气图形符号一.电阻器、电容器、电感器和变压器二.半导体管三.其它电气图形符号常用电子元器件型号命名法及主要技术参数一.电阻器和电位器1.电阻器和电位器的型号命名方法示例:(1)精密金属膜电阻器R J7 3第四部分:序号第三部分:类别(精密)第二部分:材料(金属膜)第一部分:主称(电阻器)(2) 多圈线绕电位器W X D 3第四部分:序号第三部分:类别(多圈)第二部分:材料(线绕)第一部分:主称(电位器)2.电阻器的主要技术指标(1) 额定功率电阻器在电路中长时间连续工作不损坏,或不显著改变其性能所允许消耗的最大功率称为电阻器的额定功率。
电阻器的额定功率并不是电阻器在电路中工作时一定要消耗的功率,而是电阻器在电路工作中所允许消耗的最大功率。
不同类型的电阻具有不同系列的额定功率,如表2所示。
(2) 标称阻值阻值是电阻的主要参数之一,不同类型的电阻,阻值范围不同,不同精度的电阻其阻值系列亦不同。
根据国家标准,常用的标称电阻值系列如表3所示。
E24、E12和E6系列也适用于电位器和电容器。
(3) 允许误差等级3.电阻器的标志内容及方法(1)文字符号直标法:用阿拉伯数字和文字符号两者有规律的组合来表示标称阻值,额定功率、允许误差等级等。
符号前面的数字表示整数阻值,后面的数字依次表示第一位小数阻值和第二位小数阻值,其文字符号所表示的单位如表5所示。
如1R5表示1.5Ω,2K7表示2.7kΩ,表5例如:RJ71-0.125-5k1-II允许误差±10%标称阻值(5.1kΩ)额定功率1/8W型号由标号可知,它是精密金属膜电阻器,额定功率为1/8W,标称阻值为5.1kΩ,允许误差为±10%。
(2)色标法:色标法是将电阻器的类别及主要技术参数的数值用颜色(色环或色点)标注在它的外表面上。
色标电阻(色环电阻)器可分为三环、四环、五环三种标法。
其含义如图1和图2所示。
标称值第一位有效数字标称值第二位有效数字标称值有效数字后0的个数允许误差图1 两位有效数字阻值的色环表示法三色环电阻器的色环表示标称电阻值(允许误差均为±20%)。
一.电阻器、电容器、电感器和变压器一.电阻器和电位器1.电阻器和电位器的型号命名方法(1)精密金属膜电阻器R J 7 3第四部分:序号第三部分:类别(精密)第二部分:材料(金属膜)第一部分:主称(电阻器)(2) 多圈线绕电位器W X D 3第四部分:序号第三部分:类别(多圈)第二部分:材料(线绕)第一部分:主称(电位器)2.电阻器的主要技术指标(1) 额定功率电阻器在电路中长时间连续工作不损坏,或不显著改变其性能所允许消耗的最大功率称为电阻器的额定功率。
电阻器的额定功率并不是电阻器在电路中工作时一定要消耗的功率,而是电阻器在电路工作中所允许消耗的最大功率。
不同类型的电阻具有不同系列的额定功率,如表2所示。
(2) 标称阻值阻值是电阻的主要参数之一,不同类型的电阻,阻值范围不同,不同精度的电阻其阻值系列亦不同。
根据国家标准,常用的标称电阻值系列如表3所示。
E24、E12和E6系列也适用于电位器和电容器。
(3) 允许误差等级3.电阻器的标志内容及方法(1)文字符号直标法:用阿拉伯数字和文字符号两者有规律的组合来表示标称阻值,额定功率、允许误差等级等。
符号前面的数字表示整数阻值,后面的数字依次表示第一位小数阻值和第二位小数阻值,其文字符号所表示的单位如表5所示。
如1R5表示1.5,2K7表示2.7k,文字符号R K M G T表示单位欧姆(Ω)千欧姆(103Ω)兆欧姆(106Ω)千兆欧姆(109Ω)兆兆欧姆(1012Ω)RJ71-0.125-5k1-II允许误差10%标称阻值(5.1k)额定功率1/8W型号由标号可知,它是精密金属膜电阻器,额定功率为1/8W,标称阻值为5.1k,允许误差为10%。
(2)色标法:色标法是将电阻器的类别及主要技术参数的数值用颜色(色环或色点)标注在它的外表面上。
色标电阻(色环电阻)器可分为三环、四环、五环三种标法。
其含义如图1和图2所示。
标称值第一位有效数字标称值第二位有效数字标称值有效数字后0的个数允许误差颜色第一位有效值第二位有效值倍率允许偏差黑0 0 010棕 1 1 110红 2 2 210橙 3 3 310黄 4 4 410绿 5 5 510蓝 6 6 610紫7 7 710灰8 8 810白9 9 910―20% ~+50% 金110-±5%银210-±10% 无色±20%三色环电阻器的色环表示标称电阻值(允许误差均为20%)。
电子元器件命名规则MAXIM 专有产品型号命名MAX XXX (X) X X X1 2 3 4 5 61.前缀: MAXIM公司产品代号2.产品字母后缀:三字母后缀:C=温度范围; P=封装类型; E=管脚数四字母后缀:B=指标等级或附带功能; C=温度范围;P=封装类型; I=管脚数3.指标等级或附带功能:A表示5%的输出精度,E表示防静电4 .温度范围:C= 0℃ 至70℃(商业级)I =-20℃ 至+85℃(工业级)E =-40℃ 至+85℃(扩展工业级)A = -40℃至+85℃(航空级)M =-55?至+125℃(军品级)5.封装形式:A SSOP(缩小外型封装) Q PLCCB CERQUAD R 窄体陶瓷双列直插封装C TO-220, TQFP(薄型四方扁平封装) S 小外型封装D 陶瓷铜顶封装 T TO5,TO-99,TO-100E 四分之一大的小外型封装 U TSSOP,μMAX,SOTF 陶瓷扁平封装 H 模块封装, SBGA W 宽体小外型封装(300mil) J CERDIP (陶瓷双列直插) X SC-70(3脚,5脚,6脚) K TO-3 塑料接脚栅格阵列 Y 窄体铜顶封装L LCC (无引线芯片承载封装) Z TO-92MQUADM MQFP (公制四方扁平封装) / D裸片N 窄体塑封双列直插 / PR 增强型塑封P 塑料 / W 晶圆6.管脚数量:A:8 J:32 K:5,68 S:4,80B:10,64 L:40 T:6,160C:12,192 M:7,48 U:60D:14 N:18 V:8(圆形)E:16 O:42 W:10(圆形)F:22,256 P:20 X:36G:24 Q:2,100 Y:8(圆形)H:44 R:3,84 Z:10(圆形)I:28AD 常用产品型号命名单块和混合集成电路XX XX XX X X X1 2 3 4 51.前缀:AD模拟器件 HA 混合集成A/D HD 混合集成D/A2.器件型号3.一般说明:A 第二代产品,DI 介质隔离,Z 工作于±12V4.温度范围/性能(按参数性能提高排列):I、J、K、L、M 0℃至70℃A、B、C-25℃或-40℃至85℃S、T、U -55℃至125℃5.封装形式:D 陶瓷或金属密封双列直插R 微型“SQ”封装E 陶瓷无引线芯片载体RS 缩小的微型封装F 陶瓷扁平封装S 塑料四面引线扁平封装G 陶瓷针阵列 ST 薄型四面引线扁平封装H 密封金属管帽 T TO-92型封装J J形引线陶瓷封装U 薄型微型封装M 陶瓷金属盖板双列直插 W 非密封的陶瓷/玻璃双列直插N 料有引线芯片载体Y 单列直插Q 陶瓷熔封双列直插Z 陶瓷有引线芯片载体P 塑料或环氧树脂密封双列直插高精度单块器件XXX XXXX BI E X /8831 2 3 4 5 61.器件分类: ADC A/D转换器 OP 运算放大器AMP 设备放大器PKD 峰值监测器BUF 缓冲器 PM PMI二次电源产品CMP 比较器 REF 电压比较器DAC D/A转换器 RPT PCM线重复器JAN Mil-M-38510 SMP 取样/保持放大器LIU 串行数据列接口单元SW 模拟开关MAT 配对晶体管SSM 声频产品MUX 多路调制器TMP 温度传感器2.器件型号3.老化选择4.电性等级5.封装形式:H 6腿TO-78 S 微型封装J 8腿TO-99 T 28腿陶瓷双列直插K 10腿TO-100 TC 20引出端无引线芯片载体P 环氧树脂B双列直插V 20腿陶瓷双列直插PC 塑料有引线芯片载体X 18腿陶瓷双列直插Q 16腿陶瓷双列直插 Y 14腿陶瓷双列直插R 20腿陶瓷双列直插 Z 8腿陶瓷双列直插RC 20引出端无引线芯片载体6.军品工艺ALTERA 产品型号命名XXX XXX X X XX X1 2 3 4 5 61.前缀: EP 典型器件EPC 组成的EPROM器件EPF FLEX 10K或FLFX 6000系列、FLFX 8000系列EPM MAX5000系列、MAX7000系列、MAX9000系列EPX 快闪逻辑器件2.器件型号3.封装形式:D 陶瓷双列直插 Q 塑料四面引线扁平封装P 塑料双列直插R 功率四面引线扁平封装S 塑料微型封装 T 薄型J形引线芯片载体J 陶瓷J形引线芯片载体 W 陶瓷四面引线扁平封装L 塑料J形引线芯片载体 B 球阵列4.温度范围: C ℃至70℃,I -40℃至85℃,M -55℃至125℃5.腿数6.速度ATMEL 产品型号命名AT XX X XX XX X X X1 2 3 4 5 61.前缀:ATMEL公司产品代号2.器件型号3.速度4.封装形式:A TQFP封装 P 塑料双列直插B 陶瓷钎焊双列直插Q 塑料四面引线扁平封装C 陶瓷熔封R 微型封装集成电路D 陶瓷双列直插S 微型封装集成电路F 扁平封装T 薄型微型封装集成电路G 陶瓷双列直插,一次可编程U 针阵列J 塑料J形引线芯片载体 V 自动焊接封装K 陶瓷J形引线芯片载体W 芯片L 无引线芯片载体 Y 陶瓷熔封M 陶瓷模块 Z 陶瓷多芯片模块N 无引线芯片载体,一次可编程5.温度范围:C 0℃至70℃, I -40℃至85℃, M -55℃至125℃6.工艺:空白标准/883 Mil-Std-883, 完全符合B级B Mil-Std-883,不符合B级BB 产品型号命名XXX XXX (X) X X X1 2 3 4 5 6DAC 87 X XXX X /883B7 81.前缀:ADC A/D转换器MPY 乘法器ADS 有采样/保持的A/D转换器OPA 运算放大器DAC D/A转换器 PCM 音频和数字信号处理的A/D和D/A转换器DIV 除法器 PGA 可编程控增益放大器INA 仪用放大器 SHC 采样/保持电路ISO 隔离放大器 SDM 系统数据模块MFC 多功能转换器 VFC V/F、F/V变换器MPC 多路转换器 XTR 信号调理器2.器件型号3.一般说明:A 改进参数性能 L 锁定Z + 12V电源工作 HT 宽温度范围4.温度范围:H、J、K、L 0℃至70℃A、B、C -25℃至85 ℃R、S、T、V、W -55℃至125℃5.封装形式:L 陶瓷芯片载体 H 密封陶瓷双列直插M 密封金属管帽 G 普通陶瓷双列直插N 塑料芯片载体 U 微型封装P 塑封双列直插6.筛选等级: Q 高可靠性 QM 高可靠性,军用7.输入编码:CBI 互补二进制输入COB 互补余码补偿二进制输入CSB 互补直接二进制输入CTC 互补的两余码8.输出: V 电压输出 I 电流输出CYPRESS 产品型号命名XXX 7 C XXX XX X X X1 2 3 4 5 61.前缀: CY Cypress公司产品, CYM 模块, VIC VME总线2.器件型号:7C128 CMOS SRAM 7C245 PROM7C404 FIFO 7C9101 微处理器3.速度:A 塑料薄型四面引线扁平封装 V J形引线的微型封装B 塑料针阵列 U 带窗口的陶瓷四面引线扁平封装 D 陶瓷双列直插 W 带窗口的陶瓷双列直插F 扁平封装 X 芯片G 针阵列 Y 陶瓷无引线芯片载体H 带窗口的密封无引线芯片载体 HD 密封双列直插J 塑料有引线芯片载体K 陶瓷熔封 HV 密封垂直双列直插L 无引线芯片载体 PF 塑料扁平单列直插P 塑料 PS 塑料单列直插Q 带窗口的无引线芯片载体 PZ 塑料引线交叉排列式双列直插 R 带窗口的针阵列 E 自动压焊卷S 微型封装IC T 带窗口的陶瓷熔封 N 塑料四面引线扁平封装5.温度范围:C 民用(0℃至70℃)I 工业用(-40℃至85℃)M 军谩(-55℃至125℃)6.工艺: B 高可靠性HITACHI 常用产品型号命名XX XXXXX X X1 2 3 41.前缀:HA 模拟电路 HB 存储器模块HD 数字电路 HL 光电器件(激光二极管/LED)HM 存储器(RAM) HR光电器件(光纤)HN 存储器(NVM)PF RF功率放大器HG 专用集成电路2.器件型号3.改进类型4.封装形式:P 塑料双列 PG 针阵列C 陶瓷双列直插 S 缩小的塑料双列直插CP 塑料有引线芯片载体 CG 玻璃密封的陶瓷无引线芯片载体FP 塑料扁平封装 G 陶瓷熔封双列直插SO 微型封装INTERSIL 产品型号命名XXX XXXX X X X X1 2 3 4 5 61.前缀: D 混合驱动器 G 混合多路FETICL 线性电路 ICM 钟表电路IH 混合/模拟门 IM 存储器AD 模拟器件 DG 模拟开关DGM 单片模拟开关 ICH 混合电路MM 高压开关 NE/SE SIC产品2.器件型号3.电性能选择4.温度范围:A -55℃至125℃,B -20℃至85℃,C 0℃至70℃ I -40℃至125℃,M -55℃至125℃5.封装形式:A TO-237型 L 无引线陶瓷芯片载体B 微型塑料扁平封装P 塑料双列直插C TO-220型 S TO-52型D 陶瓷双列直插T TO-5、TO-78、TO-99、TO-100型E TO-8微型封装 U TO-72、TO-18、TO-71型F 陶瓷扁平封装V TO-39型H TO- 66型 Z TO-92型I 16脚密封双列直插 /W 大圆片J 陶瓷双列直插/D 芯片K T O-3型 Q 2引线金属管帽6.管脚数:A 8,B 10,C 12,D 14,E 16,F 22,G 24,H 42, I 28, J 32, K 35, L 40, M 48, N 18,P 20, Q 2, R 3, S 4, T 6, U 7,V 8(引线间距0.2"",绝缘外壳)W 10(引线间距0.23"",绝缘外壳)Y 8(引线间距0.2"",4脚接外壳)Z 10(引线间距0.23"",5脚接外壳)NEC 常用产品型号命名μP X XXXX X1 2 3 41.前缀2.产品类型:A 混合元件 B 双极数字电路,C 双极模拟电路D 单极型数字电路3.器件型号:4.封装形式:A 金属壳类似TO-5型封装 J 塑封类似TO-92型B 陶瓷扁平封装 M 芯片载体C 塑封双列 V 立式的双列直插封装D 陶瓷双列 L 塑料芯片载体G 塑封扁平 K 陶瓷芯片载体H 塑封单列直插 E 陶瓷背的双列直插国外IC芯片命名规则(二)2010-10-9 7:46:00MICROCHIP 产品型号命名PIC XX XXX XXX (X) -XX X /XX1 2 3 4 5 61. 前缀: PIC MICROCHIP公司产品代号2. 器件型号(类型):C CMOS电路 CR CMOS ROMLC 小功率CMOS电路LCS 小功率保护AA 1.8V LCR 小功率CMOS ROMLV 低电压 F 快闪可编程存储器HC 高速CMOS FR FLEX ROM3.改进类型或选择4.速度标示:-55 55ns, -70 70ns, -90 90ns, -10 100ns, -12 120ns-15 150ns -17 170ns, -20 200ns, -25 250ns, -30 300ns晶体标示:LP 小功率晶体,RC 电阻电容,XT 标季 /振荡器HS 高速晶体频率标示:-20 2MHZ, -04 4MHZ, -10 10MHZ, -16 16MHZ-20 20MHZ,-25 25MHZ,-33 33MHZ5.温度范围:空白0℃至70℃,I -45℃至85℃, E -40℃至125℃6.封装形式:L PLCC封装JW 陶瓷熔封双列直插,有窗口P 塑料双列直插PQ 塑料四面引线扁平封装W 大圆片SL 14腿微型封装-150milJN 陶瓷熔封双列直插,无窗口 SM 8腿微型封装-207milSN 8腿微型封装-150 mil VS 超微型封装8mm×13.4mmSO 微型封装-300 mil ST 薄型缩小的微型封装-4.4mm SP 横向缩小型塑料双列直插 CL 68腿陶瓷四面引线,带窗口SS 缩小型微型封装 PT 薄型四面引线扁平封装TS 薄型微型封装8mm×20mm TQ 薄型四面引线扁平封装ST 产品型号命名普通线性、逻辑器件MXXX XXXXX XX X X1 2 3 4 51.产品系列:74AC/ACT 先进CMOSHCF4XXX M74HC 高速CMOS2.序列号3.速度4.封装: BIR,BEY 陶瓷双列直插M,MIR 塑料微型封装5.温度普通存贮器件XX X XXXX X XX X XX1 2 3 4 5 6 71.系列:ET21 静态RAM ETL21 静态RAMETC27 EPROM MK41 快静态RAMMK45 双极端口FIFO MK48 静态RAMTS27 EPROM S28 EEPROMTS29 EEPROM2.技术:空白…NMOS C…CMOS L…小功率3.序列号4.封装:C 陶瓷双列 J 陶瓷双列N 塑料双列 Q UV窗口陶瓷熔封双列直插5.速度6.温度:空白0℃~70℃ E -25℃~70℃V -40℃~85℃ M -55℃~125℃7.质量等级:空白标准B/B MIL-STD-883B B级存储器编号(U.V EPROM和一次可编程OTP)M XX X XXX X X XXX X X1 2 3 4 5 6 7 81.系列:27…EPROM 87…EPROM锁存2.类型:空白…NMOS,C…CMOS,V…小功率 3.容量:64…64K位(X8)256…256K位(X8)512…512K位(X8)1001…1M位(X8)101…1M位(X8)低电压1024…1M位(X8)2001…2M位(X8)201…2M位(X8)低电压4001…4M位(X8)401…4M位(X8)低电压4002…4M位(X16)801…4M位(X8)161…16M位(X8/16)可选择160…16M位(X8/16)4.改进等级5.电压范围:空白 5V +10%Vcc, X 5V +10%Vcc6.速度:55 55n,60 60ns,70 70ns,80 80ns90 90ns, 100/10 100 n120/12 120 ns,150/15 150 ns200/20 200 ns,250/25 250 ns7.封装:F 陶瓷双列直插(窗口)L 无引线芯片载体(窗口)B 塑料双列直插C 塑料有引线芯片载体(标准)M 塑料微型封装N 薄型微型封装K 塑料有引线芯片载体(低电压)8.温度: 1 0℃~70℃, 6 -40℃~85℃, 3 -40℃~125℃快闪EPROM的编号M XX X A B C X X XXX X X1 2 3 4 5 6 7 8 9 101.电源2.类型: F 5V +10%, V 3.3V +0.3V3.容量: 1 1M, 2 2M, 3 3M,8 8M,16 16M4.擦除:0 大容量 1 顶部启动逻辑块2 启动逻辑块 4 扇区5.结构:0 ×8/×16可选择, 1 仅×8, 2 仅×166.改型:空白 A7.Vcc:空白 5V+10%Vcc X +5%Vcc8.速度:60 60ns,70 70ns, 80 80ns,90 90ns100 100ns,120 120ns,150 150ns,200 200ns9.封装:M 塑料微型封装N 薄型微型封装,双列直插C/K 塑料有引线芯片载体 B/P 塑料双列直插10.温度:1 0℃~70℃, 6 -40℃~85℃, 3 -40℃~125℃仅为3V和仅为5V的快闪EPROM编号M XX X XXX X XXX X X1 2 3 4 5 6 71.器件系列: 29 快闪2.类型: F 5V单电源V 3.3单电源3.容量:100T (128K×8.64K×16)顶部块,100B (128K×8.64K×16)底部块 200T (256K×8.64K×16)顶部块,200B (256K×8.64K×16)底部块 400T (512K×8.64K×16)顶部块,400B (512K×8.64K×16)底部块 040 (12K×8)扇区,080 (1M×8)扇区016 (2M×8)扇区4.Vcc:空白 5V+10%Vcc, X +5%Vcc5.速度:60 60ns,70 70ns, 80 80ns90 90ns, 120 120ns6.封装:M 塑料微型封装N 薄型微型封装K 塑料有引线芯片载体P 塑料双列直插7.温度: 1 0℃~70℃, 6 -40℃~85℃, 3 -40℃~125℃串行EEPROM的编号ST XX XX XX X X X1 2 3 4 5 61.器件系列:24 12C ,25 12C(低电压),93 微导线95 SPI总线 28 EEPROM2.类型/工艺:C CMOS(EEPROM) E 扩展I C总线W 写保护士 CS 写保护(微导线)P SPI总线 V 低电压(EEPROM)3.容量:01 1K 02 2K,04 4K,08 8K16 16K,32 32K, 64 64K4.改型:空白 A、 B、 C、 D5.封装:B 8腿塑料双列直插M 8腿塑料微型封装ML 14腿塑料微型封装6.温度:1 0℃~70℃ 6 -40℃~85℃ 3 -40℃~125℃微控制器编号ST XX X XX X X1 2 3 4 5 61.前缀2.系列: 62 普通ST6系列63 专用视频ST6系列72 ST7系列90 普通ST9系列92 专用ST9系列10 ST10位系列20 ST20 32位系列3.版本:空白 ROM T OTP(PROM)R ROMless P 盖板上有引线孔E EPROMF 快闪4.序列号5.封装:B 塑料双列直插 D 陶瓷双列真插F 熔封双列直插M 塑料微型封装S 陶瓷微型封装CJ 塑料有引线芯片载体K 无引线芯片载体L 陶瓷有引线芯片载体QX 塑料四面引线扁平封装 G 陶瓷四面扁平封装成针阵列R 陶瓷什阵列T 薄型四面引线扁平封装6.温度范围:1.5 0℃~70℃(民用) 2 -40℃~125℃(汽车工业)61 -40℃~85℃(工业) E -55℃~125℃XICOR 产品型号命名X XXXXX X X X (-XX)1 2 3 4 5 6EEPOT X XXXX X X X1 2 7 3 4串行快闪 X XX X XXX X X -X1 2 3 4 81.前缀2.器件型号3.封装形式:D 陶瓷双列直插P 塑料双列直插E 无引线芯片载体R 陶瓷微型封装F 扁平封装S 微型封装J 塑料有引线芯片载体T 薄型微型封装K 针振列 V 薄型缩小型微型封装L薄型四面引线扁平封装X 模块M 公∑微型封装 Y 新型卡式4.温度范围:空白标准, B B级(MIL-STD-883),E -20℃至85℃I -40℃至85℃,M -55℃至125℃5.工艺等级:空白标准, B B级(MIL-STD-883)6.存取时间(仅限EEPROM和NOVRAM):20 200NS, 25 250NS, 空白 300ns, 35 350ns, 45 450ns55 55ns, 70 70ns, 90 90ns, 15 150nsVcc限制(仅限串行EEPROM):空白 4.5V至5.5V,-3 3V至5.5V-2.7 2.7V至5.5V,-1.8 1.8V至5.5V7.端到末端电阻:Z 1KΩ, Y 2KΩ, W 10KΩ,U 50KΩ, T 100KΩ8. Vcc限制:空白 1.8V至3.6V,-5 4.5V至5.5VZILOG 产品型号命名Z XXXXX XX X X X XXXX1 2 3 4 5 6 71.前缀2.器件型号3.速度:空白 2.5MHz, A 4.0MHz, B 6.0MHzH 8.0MHz,L 低功耗的,直接用数字标示4.封装形式:A 极小型四面引线扁平封装 C 陶瓷钎焊D 陶瓷双列直插E 陶瓷,带窗口F 塑料四面引线扁平封装G 陶瓷针阵列H 缩小型微型封装I PCB芯片载体K 陶瓷双列直插,带窗口L 陶瓷无引线芯片载体P 塑料双列直插Q 陶瓷四列S 微型封装V 塑料有引线芯片载体 5.温度范围:E -40℃至100℃, M -55℃至125℃,S 0℃至70 ℃6.环境试验过程:A 应力密封,B 军品级,C 塑料标准,D 应力塑料,E 密封标准。
第二节常用电子元器件型号命名法及主要技术参数一.电阻器和电位器1.电阻器和电位器的型号命名方法(1)精密金属膜电阻器RJ7 3第四部分:序号第三部分:类别(精密)第二部分:材料(金属膜)第一部分:主称(电阻器)(2) 多圈线绕电位器WXD3第四部分:序号第三部分:类别(多圈)第二部分:材料(线绕)第一部分:主称(电位器)2.电阻器的主要技术指标(1) 额定功率电阻器在电路中长时间连续工作不损坏,或不显著改变其性能所允许消耗的最大功率称为电阻器的额定功率。
电阻器的额定功率并不是电阻器在电路中工作时一定要消耗的功率,而是电阻器在电路工作中所允许消耗的最大功率。
不同类型的电阻具有不同系列的额定功率,如表2所示。
(2) 标称阻值阻值是电阻的主要参数之一,不同类型的电阻,阻值范围不同,不同精度的电阻其阻值系列亦不同。
根据国家规范,常用的标称电阻值系列如表3所示。
E24、E12和E6系列也适用于电位器和电容器。
(3) 允许误差等级3.电阻器的标志内容及方法(1)文字符号直标法:用阿拉伯数字和文字符号两者有规律的组合来表示标称阻值,额定功率、允许误差等级等。
符号前面的数字表示整数阻值,后面的数字依次表示第一位小数阻值和第二位小数阻值,其文字符号所表示的单位如表5所示。
如1R5表示1.5Ω,2K7表示2.7kΩ,RJ71-0.125-5k1-II允许误差±10%标称阻值(5.1kΩ)额定功率1/8W型号1/8W,标称阻值为5.1kΩ,允许误差为±10%。
(2)色标法:色标法是将电阻器的类别及主要技术参数的数值用颜色(色环或色点)标注在它的外表面上。
色标电阻(色环电阻)器可分为三环、四环、五环三种标法。
其含义如图1和图2所示。
三色环电阻器的色环表示标称电阻值(允许误差均为±20%)。
例如,色环为棕黑红,表示10⨯102=1.0kΩ±20%的电阻器。
四色环电阻器的色环表示标称值(二位有效数字)及精度。
电子元器件型号命名规则2,电容器5,半导体二、三极管一、中国半导体器件型号命名方法半导体器件型号由五部分(场效应器件、半导体特殊器件、复合管、PIN型管、激光器件的型号命名只有第三、四、五部分)组成。
五个部分的意义分别如下:第一部分:用数字表示半导体器件有效电极数目。
2-二极管、3-三极管第二部分:用汉语拼音字母表示半导体器件的材料与极性。
表示二极管时:A-N型锗材料、B-P型锗材料、C-N型硅材料、D-P型硅材料。
表示三极管时:A-PNP型锗材料、B-NPN型锗材料、C-PNP型硅材料、D-NPN型硅材料。
第三部分:用汉语拼音字母表示半导体器件的内型。
P-普通管、V-微波管、W-稳压管、C-参量管、Z-整流管、L-整流堆、S-隧道管、N-阻尼管、U-光电器件、K-开关管、X-低频小功率管(f<3MHz,Pc<1W)、G-高频小功率管(f>3MHz,Pc<1W)、D-低频大功率管(f<3MHz,Pc>1W)、A-高频大功率管(f>3MHz,Pc>1W)、T-半导体晶闸管(可控整流器)、Y-体效应器件、B-雪崩管、J-阶跃恢复管、CS-场效应管、BT-半导体特殊器件、FH-复合管、PIN-PIN型管、JG-激光器件。
第四部分:用数字表示序号第五部分:用汉语拼音字母表示规格号例如:3DG18表示NPN型硅材料高频三极管。
二、日本半导体分立器件型号命名方法日本生产的半导体分立器件,由五至七部分组成。
通常只用到前五个部分,其各部分的符号意义如下:第一部分:用数字表示器件有效电极数目或类型。
0-光电(即光敏)二极管三极管及上述器件的组合管、1-二极管、2三极或具有两个pn结的其她器件、3-具有四个有效电极或具有三个pn结的其她器件、┄┄依此类推。
第二部分:日本电子工业协会JEIA注册标志。
S-表示已在日本电子工业协会JEIA注册登记的半导体分立器件。
第三部分:用字母表示器件使用材料极性与类型。
【关键字】方法常用电子元器件一、实验目标了解常用电子元器件的识别和主要性能参数二、常用电子元器件介绍(一)电阻器1、电阻器的分类电阻器是电子电路元器件中应用最广泛的一种,在电子设备中约占元件总数的30%以上,其质量的好坏对电路工作的稳定性有极大影响。
电阻器主要用途是稳定和调节电路中的电流和电压,其次还可作为分流器、分压器和消耗电能的负载等。
电阻器按结构可分为固定式和可变式两大类。
固定式电阻器一般称为“电阻”。
由于制作材料和工艺不同,可分为膜式电阻、实芯式电阻、金属线缆电阻(RX)和特殊电阻四种类型。
膜式电阻包括:碳膜电阻RT、金属膜电阻RJ、合成膜电阻RH和氧化膜电阻RY等。
实芯电阻包括:有机实芯电阻RS和无机实芯电阻RN。
特殊电阻包括:MG型光敏电阻和MF型热敏电阻。
可变式电阻器包括:滑线式变阻器和电位器。
其中应用最广泛的是电位器。
电位器是一种具有三个接头的可变电阻器。
其阻值可在一定范围内连续可调。
电位器的分类有以下几种:按电阻体材料分:可分为薄膜和线绕两种。
薄膜又可分为WTX型小型碳膜电位器,WTH型合成碳膜电位器,WS型有机实芯电位器,WHJ型精密合成膜电位器和WHD型多圈合成膜电位器等。
线绕电位器的代号为WX型。
一般线绕电位器的误差不大于+10%,非线绕电位器的误差不大于+2%。
其阻值、误差和型号均标在电位器厂。
按调节机构的运动方式分:有旋转式、直沿式。
按结构分:可分为单联、多联、带开关、不带开关等;开关形式又有旋转式、推拉式、按键式等。
按用途分:可分为普通电位器、精密电位器、功率电位器、微调电位器和专用电位器等。
按阻值随转角变化关系分:又可分为线性和非线性电位器,如图1-l曲线所示。
图1-1 电位器阻值随转角变化曲线它们的特点分别为:X式(直线式):常用于示波器的聚焦电位器和万用表的调零电位器(如MF-20型万用表),其线性精度为+2%、+l%、+03%、+005%。
D式(对数式):常用于电视机的黑白对比度调节电位器,其特点是,先粗调后细调。
常用电子元器件型号命名法与主要
技术参数
电子元器件是电子产品中非常重要的一部分,为了便于识别和使用,每种电子元器件都有相应的型号和技术参数。
本文将介绍常用电子元器件的命名法和主要技术参数,以帮助读者更好地了解电子元器件。
1. 电阻器
电阻器通常用来限制电路中的电流,并改变电压和功率。
电阻器的命名法为“R+数字”,数字表示电阻值。
例如,R100表示100欧姆的电阻器。
电阻器的主要技术参数有:
电阻值:电阻器的电阻值越大,电路中的电流越小。
功率:功率越大,电阻器发热越多。
精度:电阻器的精度越高,电路中的电流越精确。
温度系数:温度系数可以影响电阻器的电阻值。
2. 电容器
电容器通常用来存储能量或阻止电流。
电容器的命名法为“C+数字”,数字表示电容值。
例如,C1μF表示1微法的电容器。
电容器的主要技术参数有:
电容值:电容值越大,电容器可以存储的电力越大。
电压:电容器的电压越高,它可以承受的电力也越高。
电容器类型:电容器根据构造材料的不同,分为有机电容器和无机电容器。
3. 二极管
二极管通常用来控制电流的方向。
二极管的命名法为“D+数字”,数字表示型号。
例如,D1N4148表示1N4148型号的二极管。
二极管的主要技术参数有:
正向工作电压:正向工作电压是二极管正向工作时的最大电压。
反向击穿电压:反向击穿电压是二极管能承受的最大反向电压。
反向电流:反向电流是二极管反向工作时的电流。
4. 晶体管
晶体管通常用来放大电流和控制电路。
晶体管的命名法为“Q+数字”,数字表示型号。
例如,Q2N3904表示2N3904型号的晶体管。
晶体管的主要技术参数有:
最大工作电压:最大工作电压代表晶体管工作的最大电压。
最大功率:最大功率代表晶体管可以承受的最大功率。
放大系数:放大系数代表晶体管从输入信号到输出信号的增益。
5. 电感器
电感器通常用来阻止电路中的交流电流。
电感器的命名法为“L+数字”,数字表示型号。
例如,L100表示100微亨的电感器。
电感器的主要技术参数有:
电感值:电感值越大,电感器对电流的阻力也越大。
Q值:Q值代表了电感器在电路中产生的损耗。
Q值越高,损耗越小。
电感器类型:电感器根据构造材料的不同,分为铁氧体电感器、线圈电感器、多层电感器等。
以上是常用电子元器件型号命名法与主要技术参数的介绍。
电子元器件型号命名法有规律可循,掌握了这些规律,就可以很好地识别和使用电子元器件。
主要技术参数是对电子元器件性能的总结,很好地把握了这些参数,就可以更好地选择和应用电子元器件,提高电子产品的质量和性能。