检具及设计规范
- 格式:ppt
- 大小:5.27 MB
- 文档页数:39
检具制作规范检具概述检具是冲压件和焊接件等在线检测检验夹具的简称,与其它文件中提到的样架具有相同意义。
检具是一种按需方特定要求专门制造的检测工具。
检具的形面必须根据零件的CAD数据铣削加工,能体现零件的所有参数,对零件进行定性检测。
对于零件上的某些极重要的功能性尺寸,还能利用检具进行数值检测。
检具还应具有测量支架的功能,但是当检具在线检测功能与测量支架功能不能同时满足时,应首先满足检具的在线检测功能。
检具的设计、制造和验收应以产品图纸和主模型(或CAD数据)为基准。
当零件无主模型(或CAD数据)时,应以产品图纸和经需方认可的样件作为依据。
在正常使用频率和良好的保养维护情况下,应保证检具与其对应的压延模具和焊接夹具有相同的使用寿命。
检查治具仕样决定时考虑事项:A.成品要求精度的部位及精度确认方法。
B.精度要求的重要度及确认方法。
C.成品在冲压加工时产生变形量考虑。
D.使用上之考虑(方便、轻量化)。
E.整体结构坚实不变形。
目次检具概述一.单件检具仕样说明 (1)1. 检查治具基本式样 (2)1.1基本仕样 (2)1.2使用目的 (2)1.3使用材料 (2)1.3.1轮廓表面 (2)1.3.2检具骨架 (2)1.3.3基准块 (3)2. 制作仕样说明 (3)2.1检查治具制作方向 (3)2.2剪线及成品末端仕样 (4)2.3折线 (4)2.4一般孔 (4)2.5翻边孔 (4)2.6钣件定位 (6)2.6.1基准孔 (7)2.6.2零贴面 (10)2.6.3支撑与夹持 (11)3. 检具制作基本要求 (11)3.1形状面要求 (12)3.1.1检查面 (12)3.1.2非检查面 (12)3.1.3零接触面 (13)3.2分割体 (14)3.2.1钣件检查 (14)3.2.2钣件检查需要 (14)3.3端面样板 (15)3.4钣件固定 (15)3.5治具搬运 (16)3.5.1吊取装置 (16)3.5.2搬运孔 (17)4. 途装 (18)4.1检查作业性质之区分 (18)4.2外观途装 (18)4.3车种区别 (18)4.4途装色号 (19)5.基准 (19)5.1基准线 (19)5.2基准面 (20)5.3基准指示 (21)5.4其它 (21)二.车体组合件量具(U G)制作说明 (22)1. UG之定义 (22)2. UG之功能 (22)3.UG之主要结构 (22)3.1底座 (22)3.2支架 (22)3.2.1定位用支架 (22)3.2.1检验用支架 (22)4. UG设计所需标准之质料 (23)5. 设计与制图之程序 (24)5.1制图程序 (24)5.2制图规定 (25)5.3设计及制图要点 (25)一、单件检具仕样说明1.检查治具基本式样:零件形状、剪线、折线、孔位之检查。
东风乘用车质量保证部车体检具设计规范车体检具设计规范1、目的:通过制订《车体检具设计规范》,使车体检具在设计、制造、验收时,能够遵循统 一的技术标准和评价指标。
2、范围:各车型车体检具关于设计、制作、验收皆适用之。
3、参考资料:无 4、提供文件:车体检具检测内容相关零件及合件的三维数模。
5、技术要求: 5.1 检具的定义 检具是用来测量和评价零件或总成尺寸质量的专用检验设备。
UCF检具清单: 发动机罩及前翼子板总成检具 行李箱盖板总成检具 左前后门总成检具 右前后门总成检具 UCF-HOOD & FDR FR UCF-TRUNK LID ASSY UCF-DOOR FR & RR ASSY LH UCF-DOOR FR&RR ASSY RH5.2 检具设计与制造的总体技术要求 5.2.1 检具的构造、使用材料 基本框架为钢制材料(钢板或钢管),根据实际需要采用焊接方式或螺栓+定位销的方式 进行连接,工作型面材料推荐树脂材RS460。
树脂材料的要求性能:硬度 压缩强度 弯曲强度 2 70以上 500kg/cm 以上 300kg/cm2 以上 检具的一般构造示意图如下图所示:热线膨胀系数30×10-6 mm/mm℃以下第 1 頁,共 7 頁东风乘用车质量保证部车体检具设计规范5.2.2 检具精度的保证期:检具应在7年内保证使用精度;检具的防锈处理:在要求涂装的部 位进行油漆防锈,其余铁质部位需涂抹防锈油;耐磨损部位硬度:在定位、铰链等耐磨损部 位要求材质硬度在HRC35以上。
5.2.3 检具的一般制造精度 公差 (单位:mm) 底板平面度 底板平行度: HINGE面、基准面平行度、垂直度: HINGE面、基准面平面度 基准孔位置: 基准孔之间相对位置误差: 定位孔位置度 定位孔销位置 定位孔间距 基准面、支承面 曲线测量面 零件外轮廓测量面(齐平面)或线 零件形状功能测量面(3mm间隙面) 所有的造型面(非测量面) 检验销孔位置 划线孔位置: 划线孔直径: 0.05 0.1/1000 0.05/1000 0.30 ±0.05 0.03 ±0.15 ±0.1 ±0.2以内 ±0.10 ±0.15 ±0.1 ±0.1 ±0.2 ±0.1 ±0.15 ±0.2第 2 頁,共 7 頁东风乘用车质量保证部车体检具设计规范一般精度参见下图所示:5.3 UCF检具的夹紧器松开后,制件放入、取出操作方便;夹紧器底座位置合适,检具夹紧 点位置参照工艺相应夹具的夹紧点位置,其偏差不大于±5。
检具设计资料范文一、检具设计概述:检具是用于保证产品加工的精度、质量和效率的特种工具和设备。
在产品制造的各个环节中,检具起着至关重要的作用。
在设计检具时,需要考虑产品的材料、形状和尺寸等因素,选择合适的材料和工艺,并确保检具的稳定性和可靠性。
二、检具设计要求:1.准确性:检具应能够准确测量和校正产品的尺寸和形状,确保产品满足设计要求。
2.稳定性:检具应具有稳定的结构和可靠的性能,以保证长时间使用时的精度和重复性。
3.可靠性:检具应具有高强度和耐久性,确保在高强度使用条件下不变形、不磨损和不失效。
4.易于操作:检具应具有简单、方便的操作方式,使操作人员能够快速准确地完成检测工作。
5.适应性:检具应能够适应不同形状和尺寸的产品,具有灵活可调的设计特点。
三、检具设计的步骤:1.确定设计需求:根据产品的要求和检测要求,明确检具的形状、尺寸和精度等要求。
2.选取适当的材料:根据应力分析和工艺要求,选择适当的材料,确保检具具有足够的强度和耐磨性。
3.结构设计:根据产品的尺寸和形状,设计检具的结构和连接方式,确保检具的稳定性和可靠性。
4.零件制作:根据设计要求,制作检具的各个零部件,并进行精确加工和表面处理。
5.组装和调试:将各个零件组装到一起,并进行调试和校准,确保检具的准确性和可靠性。
6.测试和验证:对设计的检具进行测试和验证,检查其是否满足产品的要求和设计的准确性。
7.改进和优化:根据测试结果和反馈意见,对检具进行改进和优化,提高其性能和可靠性。
四、检具设计的注意事项:1.遵循标准:在设计检具时,需遵循相关的国家和行业标准,确保检具的质量和可靠性。
2.考虑工艺要求:在设计过程中,要综合考虑产品的工艺要求,确保检具的制造和使用的便利性。
3.加强团队合作:设计检具需要多个团队的协作,包括产品设计、工艺设计和质量控制等,需加强沟通和合作。
4.积累经验和教训:在设计和使用检具的过程中,要及时总结经验和教训,使设计更加科学和合理。
检具及设计规范范文
简单来说,现场检具是用于在特定环境中进行检测和测量的工具,主
要有仪器、仪表、显微镜等,它们可以满足各种不同的应用领域。
一、检测和测量仪器
主要有实验室测验仪器(如酸度计、粒度仪、硬度计、衡器)、原子
吸收光谱、气相色谱等,用于检测和测定物质的物理和化学性质。
二、实地检测仪器
包括用于多种土质检测的内压测试仪、晶体试验仪、比表面积仪、基
本特性仪等仪器,可以检测土壤类型、含水量、碎石等地质构成和结构特征。
三、测量工具
包括各种精密定位仪、测高仪、激光测距仪、电子经纬仪等,用于测
定和记录室内外、自然环境等的特征地物,以及对其细微变化的观察。
四、测量仪表
包括温度计、湿度计等,用于测量大气、水质、粉尘浓度等环境参数,以及土壤、建筑结构等商业环境参数的变化;可以用来监测和控制环境。
五、显微镜
包括光学显微镜、电子显微镜、扫描电子显微镜等,用于观察和研究
微观结构,如病毒、细胞、菌类等,可以进行细胞、微生物和病毒的分析
和监测。
六、力学测量仪
包括拉伸机、减薄机、冲击试验机等,可用来测定和记录金属件、塑料件、玻璃等材料的力学特性。
检具设计规范LY-15可加工塑脂方钢管焊接框架检具设计规范一.L Y-15可加工塑脂技术特性按工程纸或产品技术要求,对固化后的粗模型进行精加工或修整。
成品检具的型面为塑脂,法向厚度为30~~40mm.二.检验夹具结构简图(一). 检验夹具的方向和基准的确定1.检具方向的确定基本原则(1)以冲压零件的汽车位置(汽车坐标系)为基准。
(2)在汽车坐标系中呈立式的零件,允许按汽车坐标系以90°为增量将其进行旋转。
(3)零件是采用俯式还是仰式,主要取决于检测的方便程度,放置的平稳性和焊装的状态。
(4)要力争冲压零件的检测方便可靠。
2.检具基准的确定(1)基准孔a.考虑到检具和焊装夹具定位基准的统一。
b.考虑到基准孔的选定在加工时容易保证精度,容易定位。
c.考虑到和某些冲压工序中的定位相一致。
(2)基准线用零件在汽车坐标系位置中的坐标线为基准线。
(3)基准面指设在检具底面角部呈互相垂直的平面。
a.各基准面间的垂直度允差为±0.05mm/1000mm.b.各基准面间的基准面平行度允差为±0.05mm/1000mm.c.侧基准面与坐标线平行度允差为±0。
1mm/1000mm.(二) 检验夹具基本结构的设计1.检具的定位装置a.销孔定位:分主定位和辅定位。
圆锥形(主定位)锥棱形(辅定位)b. 挡板定位:c. 形状定位:当被测零件的形状比较特殊,放置于检具上比较平稳的时候,可直接用零件的形状定位。
2. 夹紧装置(1). 基本形式(2). 注意事项a.夹紧点的位置必须同焊装夹具中夹紧位置相同。
b.夹紧点的数量尽量少,不得超过焊装夹具中夹紧点数量。
具体数量需视被测零件的轮廓尺寸和形状复杂程度而定。
c.保证对被测零件表面法向垂直夹紧。
d.夹紧器的动件运动轨迹不得发生干涉。
3.检具检测孔位基本方法(1). 插销法(2). 台阶法:对于孔形复杂或孔径几何尺寸较大(Ф≥32)的孔,其位置的检测可以采用台阶式。
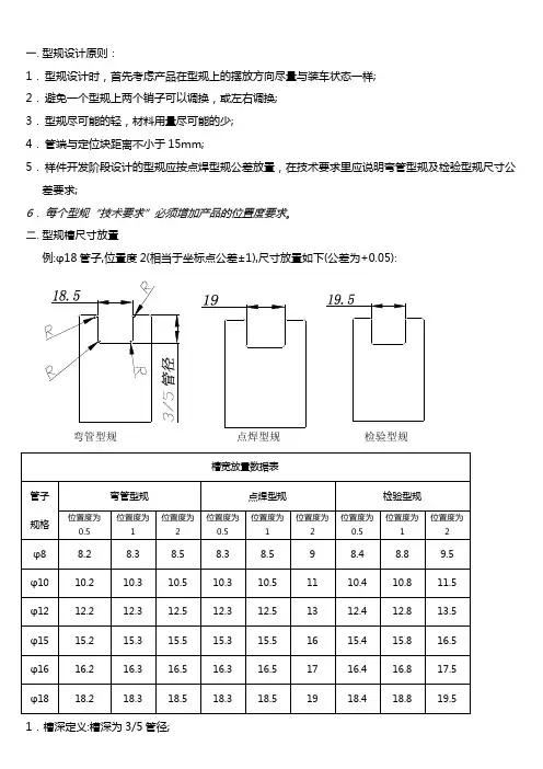
一.型规设计原则:1. 型规设计时,首先考虑产品在型规上的摆放方向尽量与装车状态一样; 2. 避免一个型规上两个销子可以调换,或左右调换; 3. 型规尽可能的轻,材料用量尽可能的少; 4. 管端与定位块距离不小于15mm;5. 样件开发阶段设计的型规应按点焊型规公差放置,在技术要求里应说明弯管型规及检验型规尺寸公差要求;6. 每个型规“技术要求”必须增加产品的位置度要求。
二.型规槽尺寸放置例:φ18管子,位置度2(相当于坐标点公差±1),尺寸放置如下(公差为+0.05):1.槽深定义:槽深为3/5管径;弯管型规 点焊型规检验型规2.线切割加工时,管子定位槽边缘割出倒圆φ12以下R0.5(含φ12),φ12以上R1,边缘倒角C1。
五、管端销子尺寸放置 类型①:镦头类管端销子例:φ18X1管子,镦头后尺寸放置如下(公差为-0.05):1.销子较大时可在销子手柄端钻孔以减轻销子重量; 2.销子中间段前端1.5mm 位置割一个槽,如图示一;图示一类型②:机加工类管端法兰、竹节、支架及接头销子例:法兰孔尺寸为φ9±0.2,销子尺寸放置如下(公差为-0.05):1.型规设计时,先固定法兰面,再考虑管子走向;2.型规上出现以上销子时,中间段应设计成梯形;3.当法兰与管子端面需要控制凹进量时,需要在销子法兰孔位置增加一柱体,见图示二。
六、底板设计规定1.点焊型规底板一律采用15mm或20mm厚的45#钢;2.总成检验型规底板采用20mm厚的铝板,型规总重量较轻的情况下可以采用45#钢;3.型规上基准孔一般定义为:φ10、φ15两种规格;4.底板与定位块连接的销子规格采用:φ8、φ10两种规格,标准螺钉采用M8、M10 ,除非型规太小时可采用φ5和M5,其它规格一律不得使用;5.标牌安装孔中心距为62X32,安装孔径为φ4,采用铆钉或M5螺钉固定(详见标牌设计图标准)。
七.技术要求:1.各尖角无毛刺,未注倒角C0.5;2.型规装配后公差按产品位置度公差的15%执行;3.块外形公差按±0.05执行,当符合装配后尺寸公差要求时,可判定为合格;4..弯管型规及检验型规根据位置度按槽宽放置数据表执行;5.型规表面需做防锈处理,表面喷漆或电镀、发黑;6.产品的位置度为:________。
附件七检具开发技术要求1.检具的设计要求1.1单件检具设计以绘制三维数模(3D设计方案)为主,分总成检具应首先绘制检具式样书,式样书经需方认可后绘制检具三维数模。
1.2检具设计图纸用1:1 绘制,所有检具零件图必须用三视图绘出,精确标注车身和工作参考线。
1.3检具设计图纸符合国家机械制图标准,图形、标识、文字只能有一个解释,使人容易了解,图面整洁、文字清晰、标注完整。
为了保证从设计到验收中尺寸测量的一致性,设计图纸中应明确标注出加工、检验基准起始点。
1.4检具设计图纸中第一张为检具说明表。
该说明表包括:零件状态、检具状态、材料、明细表、版本号、更改记录等信息。
在最终的设计稿中应该包括使用该种检具的操作指导或操作顺序书。
1.5检具所有装配件都应单独绘制零件图,并且所有装配件(包括底座、车轮、起吊棒、搬运把手等辅助件)其装配关系都应在装配图上表示清楚,必要时可用剖面图表示。
1.6被检测零件放置于检具上的位置,原则上和零件在车身坐标系中的位置一致。
要考虑便于操作等人体工程原理和节约费用等因素,特殊情况下允许将零件旋转±90°或±180°,但必须经过甲方同意方可执行。
1.7零件借助可插入式定位销固定于检具上,分总成检具设计成固定式定位销,特殊的辅助定位销设计成插拔式,检具定位面,支撑面及夹头通常根据产品图纸RPS点的坐标数值进行布置和安装,RPS定位(孔)面、支承面均采用装配式结构,夹头必须按RPS顺序进行数字编码。
1.8门盖总成检具采用定位压板压紧、定位螺钉支撑固定制件的形式。
1.9当产品更改时,检具图(包括3D、2D图纸)必须及时准确地按技术通知单进行变更,做到数模、图纸和实物一致。
1.10制件检测过程取放方便,不得出现卡件现象。
1.11检具型体连同底板刻注车身坐标线X-向和Y-向,Z-向, 车身坐标线以X-,Y-,Z-基准面为出发面,每隔100mm 为一档进行刻注,划线深度和宽度均为0.2mm。
检具设计要求一、底板厚度:25mm二、刻印要求:1、底板上刻印百格线,2、本体上间隙需要刻印间隙章,3、手持卡板上需要4、本体间隙章基本要求在一个区域刻一块间隙章,本体上刻印销子编号需要保持一致。
三、本体切边检测:投影0&3线或切齐四、本体喷漆颜色:用三色区分,底部留35mm五、夹钳:夹钳的压紧向,应向零贴的中间调整,夹钳压紧力为5N就可以;夹钳的加长杆需要紧,防止加长杆转动;夹钳前端需要使用橡胶布包裹,防止产品压伤;夹钳的支撑做,下面锁两个螺线,方便随时更换方向。
六、面差规:刻印车型、件号、通止尺寸七、止转销套外圈做Ф4定位销,特殊情况制作Ф3;所有的止转销套的内圈,D型部位两端做插销和排气;所有的销套的外圈和内圈之间距离至少保证1mm,标准销套的内外圈保证2mm距离;圈深0.5~1mm宽3mm的胶水槽,方便灌胶水;止转销套D型的平端到圆心至少保证1mm,4~6mm为切少切2mm。
八、销柄长度:无特殊情况下销柄统一50mm,除特殊情况;主副定位销销柄为红色;销柄刻字子编号,销子尺寸,零件号;销子锁销绳,所以销柄反面打M4的牙九、所有固定式的销,圆形的销,底下销套带牙锁死;所有销子在数模上标出编号,方便客户定位销在3D上做成红色外,其他销子,相同的做成同一颜色,不同的做成不同颜色,方便出图制位销的检测端为1mm时,定位端为1mm。
十、所有底板的基准孔能打通的全部打通,除客户特殊要求外;底板四周导R10的圆角,上部角,防止割手;底板上打插销孔,并且在孔附件刻印销子标号,销子的编号、孔的位置做成一致;底刻印一边,百格值到倒角部位距离5mm,到百格线距离5mm。
十一、所有零贴锁在代木本体上不锁牙套,直接锁死十二、所有弹簧销反面增加垫片,防止弹簧对销套松动和对本体的损坏,前端做一块台阶防止的带面压紧销,拧3~~4圈能压紧,所以牙做短(这类压紧销使用零件尺寸不大件,长期使用会出题)。
图片介绍:底板厚度和产品视图检具俯视图样板副定位销样板D型销套样板上需要刻印检测区域杆需要锁两个螺丝锁两个螺丝,做成一条直两端做成Ф1的孔,方便距离;销套外圈制作一m为切1mm,8mm以上至柄刻字对应部位刻印销便客户核对,除主、副出图制作销子;当副定,上部需要导C2的斜致;底板上刻印百格值阶防止顶出产品;所有用会出现螺纹滑丝等问手持通止规样板。
检具设计与制造技术要求1.总体要求1.1检具设计及制造依据甲方提供的产品数模和检查基准书为主要依据,产品图为辅助依据。
检具结构设计须径甲方确认方可制造。
1.2检具的结构1.2.1检具采用钢骨架结构或板式结构,(底座在400X600以下用板式结构)凡重量在20kg 以上的检具应在适当位置设置4个起吊钩,设置的位置须考虑起吊平稳、起吊钩高度应保证钢丝绳不与检具构件发生干涉。
1.2.2 检具放置时,基准面不应着地。
底座下面应有支撑。
钢骨架结构的检具应设置滚轮。
滚轮装置采用可拆卸结构,以便对检具进行校验。
1.2.3 手动夹紧装置及断面规装置应设置在检具的合理位置,操作灵活,锁紧稳定可靠,不与其它构件发生干涉,夹紧方向应与零面垂直。
1.3 检具材料及要求1.3.1 骨架采用钢管焊接骨架。
大型检具使用50*50*3方钢管,中型检具使用40*40*3方钢管。
焊缝应牢固,无夹渣等焊接缺陷,非焊接表面不允许有焊渣,焊瘤。
焊接完成后应消除内应力。
小型检具使用板式结构,45钢,板厚30mm,1.3.2 型面型面采用可加工树脂材料。
要求组织致密、均匀,无裂缝、夹生。
经过加工后的型面光顺、无麻点。
每100cm2内的气孔不得多余3处,气孔不得大于0.5mm。
型面1.4检具的基准及坐标标注:1.4.1基准块平面度为0.05mm/m2 ,基准孔位置精度±0.1mm 以内。
1.4.2 用铝板打字标明基准面的X、Y、Z 坐标方向,并标出基准面的坐标值。
检具形面刻坐标线,间距为100mm,大形检具间距可200mm,在可见处标注坐标值。
1.5 标准件的选用原则夹紧器选用台湾嘉手产品1.6 检具的标牌检具标牌应用铝板制作,安装在基座上。
并标出该检具所测量冲压制件的名称,检具编号、重量和制造日期。
1.8检具的编号检具的编号按照甲方文件执行。
检具图样标题栏应能表示出检具编号的内容。
1.9 检具的涂色检具的各部位颜色按照甲方要求涂色。
检具设计规范0901291(精)检具设计规范090129⼀检具的⼀般要求:1. 产品在检具上安装及取出不能有⼲涉。
如有⼲涉可能,就必须要⽤滑块结构;2. 检具设计应考虑结构的稳固、牢靠,线性尺⼨的合理。
特别是滑块结构设计;3. 对于检具在移动过程中可能的易碰伤位,要设计可靠的保护机构;4. 各基准块或检测块或模拟块不可在底板上沉坑。
以便检测时调整;5. 检具上各部件固定应⾄少⼆螺丝⼆销;6. 夹钳上的螺丝杆槽 , 设计时此槽应长多两个螺丝位, 以便作压紧点的调整;7. 三 CMM ⼯具块应按建议的做成圆的台阶套;8. 三 CMM 测量⼯具块材料应⽤不锈钢,以便维护保养;9. 检具的检棒材料应⽤不锈钢,以便维护保养;10. 检具底板应向指定的供应商定购;11. 模拟块精加⼯时应按建议的装在检具上精铣,并对三⼯具块孔作光⼑处理,使模拟块的 CMM 与 CAM 基准统⼀(以减少检具调整⼯作量 ;12. 检具制造完成应进⾏表⾯处理,以免锈蚀影响精度;13. 检具设计应考虑移动搬运⽅便;14. 检具上各种铭牌、标牌应⼀⼀俱全;15. 如有检具的⼯程更改, 必须以新版的 GD&T图或产品图为依据。
并逐⼀检查所有尺⼨, 且有详细记录并作为附件跟在 GD&T 图或产品图后;16. 如要调整检棒尺⼨, 也必须以新版的 GD&T图或产品图为依据, 且有详细记录,并注意更新已存档的操作说明;⼆检具的定位布局:17. 检具上产品定位 , 必须按装车绝对座标位置设计(可⽤座标基准平⾯检查检具是否旋转,⽤输点法检查是否平移 ;18. 检具上产品定位 , 如按装车位置,因重⼒造成产品在检具上难以定位,可按车⾝座标旋转 90度;19. 检具上产品定位 , 如按装车位置,⽽加⼯不便,可在保证检具操作⽅便的前提下,按车⾝座标旋转 90度;20. 检具上产品定位 , 如按装车位置,⽽检具操作不便,可在保证原检具设计不变的前提下,在检具底板下设计⼀斜撑⽀架; 21. 三CMM ⼯具块必须依照左上、左下、右下布局(按 GD&T图或产品主视图上下翻转⽅向及检具铭牌位置 ;22. 检具设计⽅向布局应与 GD&T图或产品主视图上下翻转⽅向⼀致(被三CMM ⼯具块、检具铭牌定义的⽅向 ;23. 检具底板⾯上的产品 100 mm线必须严格按车⾝绝对座标设计; 24. 检具设计布局不可以不同产品设计在同⼀检具上;25. 对于对称件设计在同⼀检具上,应避免使检具太⼤;26. 对于对称件设计在同⼀检具上,应避免不⾄于使检具变成不利于存放的正⽅形;27. 对于对称件设计在同⼀检具上,应设计成两个检具 3D 图档,避免改变两个零件的车⾝座标;28. 对于同⼀检具上的对称件, 检具底板上中间应有两产品 100 mm线的分界线;29. 检具设计布局应考虑检具各检测位 , 包括产品各检测位避免 CMM 测头有够不到、⾏程不够或倒扣等不能检测的设计; 30. 检具上任何部件 , 静⽌或⼯作状态不能超出检具边界;31. 产品最下端离检具底板⾼度距离应⼤于 70;检具上部件离 CMM ⼯具块距离及底板边缘的⽔平距离应⼤于 80;三检具的基准与检测位:32. 检具设计应严格按签字的 GD&T图或根据产品图编制的经批准确认的“检测⽅案”进⾏设计;33. 检具设计的“基准位”作为关联要素 (包容原则的⾮单⼀要素应遵守包容原则,即实体(产品要素处处不得超越⽽只能⼩于最⼤实体边界; “检测位” 应遵守最⼤实体原则 (被测要素偏离最⼤实体状态时, 形为公差可获得尺⼨公差的正补偿 , 即实体(产品要素处处不得超越⽽只能⼩于最⼤实效边界; 34. 产品“轮廓度”检测,应以产品⾯偏移⼀规定距离(3.0或 5.0 ⽤检棒检测;⽽产品“位置度”检测,应以实效尺⼨设计孔、销尺⼨;35. GD&T图或产品图纸上的基准或检测处未标注名义尺⼨,名义尺⼨必须按产品 3D 数模剥出。