方钢规格表
- 格式:doc
- 大小:144.00 KB
- 文档页数:6
方钢尺寸规格参数表(总31页) -CAL-FENGHAI.-(YICAI)-Company One1-CAL-本页仅作为文档封面,使用请直接删除方钢尺寸规格参数表(1)尺寸规格见表6—40-表6—45。
国标号GB/76728-2007表6-40冷拔无缝方形钢管的尺寸规格基本尺寸截面面积F/cm2 理论质量G/(kg/m)惯性矩J x=J y/cm4截面系数W x=W y/cm3 A Smm120 423141618200 453221272533031108 9注:理论质量计算G=(A+A一式中 G——每米钢管的质量(kg/m);A——方形钢管的边长(mm);S——方形钢管的公称壁厚(mm).以钢管R=时,钢的密度为/cm3的计算公式。
表6-41冷拔无缝矩形钢管的尺寸规格基本尺寸截面面积F /cm2理论质量G/(kg/m)惯性矩截面系数A B S Jx Jy Wx wymm cm4cm3lO5l125lO,06466l14617l注:理论质量计算。
G=(A+B一式中 G——每米钢管的质量(k(m);A、B——矩形钢管的长与宽(mm);S——矩形钢管的公称壁厚(mm)。
以钢管R=时,钢的密度为7-85g/cm3的计算公式。
表6-42冷拔无缝椭圆形钢管的尺寸规格基本尺寸截面面积F/cm2理论质量C/(kg/m)惯性矩截面系数A B S Jx JY Wx Wymm cm4cm363841lO517112416注:理论质量计算G=(A+B一2S)式中 G——每米钢管的质量(kg/m);A、B——椭圆形钢管的长轴、短轴(mm);S——椭圆形钢管的公称壁厚(mm)。
以钢的密度为cm3的计算公式。
表6-43冷拔无缝平椭圆形钢管的尺寸规格基本尺寸截面面积F/cm2理论质量C/(kg/m)惯性矩截面系数A B S Jx JY Wx Wymm cm4cm36384193105112416l1471 155l 1681 171218612691712,470351272242804028127290302注:理论质量计算G=(A+一式中 G——每米钢管的质量(kg/m)A、B——平椭圆钢管的长与宽(mm);S——平椭圆钢管的公称壁厚(mm)。
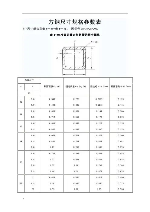
方钢尺寸规格参数表(1)尺寸规格见表6—40-表6—45。
国标号GB/76728-2007表6-40冷拔无缝方形钢管的尺寸规格基本尺寸截面面积F/cm2 理论质量G/(kg/m) 惯性矩J x=J y/cm4 截面系数W x=W y/cm3 A Smm12O.81.0O.3480 423O.2730.332O.0739O.0873O.123O.146141.01.50.503O.712O.394O.5590.144O.192O.2060.274161.O1.5O.583O.832O.4580.653O.222O.300O.278O.374181.O1.52.O0.6630.9521.21O.5210.747O.952O.324O.4420.535O.360O.4910.595201.01.52.02.5O.7431.071.371.640.583O.8411.081.29O.4530.624O.763O.8740 453O.624O.763O.8742211.527O.8231.191.53O.646O.9361.20O.6120.8501.05O.556O.773O.953注:理论质量计算G=0.0157S(A+A一2.8584S)式中G——每米钢管的质量(kg/m);A——方形钢管的边长(mm);S——方形钢管的公称壁厚(mm).以钢管R=1.5S时,钢的密度为7.85g/cm3的计算公式。
表6-41冷拔无缝矩形钢管的尺寸规格基本尺寸截面面积F/cm2理论质量G/(kg/m)惯性矩截面系数A B S Jx Jy Wx wymm cm4 cm3lO 50.8lO.203O.243O.160O.191O.0074O.0082O.0239O.02700.02970.03290.04780.0547 1250.8l0.2350.2830.1850.222O.00880.0099O.0388O.0449O.0354O.0395O,0646O.0748 6O.8lO.251O.3030.1970.2380.01390.0157O.04380.0509O.0462O.05240.0730O.0849 1460.811.50.2830.343O.471O.223O.269O.3700.0160O.0182O.02150.06540.0767O.09730.0535O.0608O.0715O.0935O.110O.139 70.8l1.50.299O.363O.501O.2350.285O.3940.0233O.02680.0324O.0724O.08520.109O.06650.0765O.0927O.104O.1220.15610 O.8 O.347 O.273 O.0545 O.0934 O.109 0.1338930.7434.0724.1326.75346.3375.8682.4751.681.4988.43105.9115.6 140 807891028.0031.5434.9738.2921.9824.7627.4530.05290.8320.3347.3371.7715.1794.1867.8936.472.7080.0886.8l92.92102.2113.4124.O133.8 150 757891028.7032.3435.8739.2922.5325.3928.1630.84266,0292.6316.8338.6814.6905.3990.11069.370.9378.0384.4790.29108.6120.7132.O142.6 160 6589101132.3435.8739.2942.5925.3928,1630.8433.43220.9238.1253.4266.9975.41066.81152.01231.267.9773.2777.9882.13121.9133.3144.O153.9 注:理论质量计算。
(完整版)常用方钢尺寸表常用方钢尺寸表 (完整版)下面是一份常用方钢尺寸表的完整版,其中包含了常见的方钢尺寸和相应的尺寸标识。
请注意,以下尺寸仅供参考,具体使用时需要根据实际需求进行确认。
20x20mm 方钢- 尺寸标识:20x20- 重量:2.47kg/m25x25mm 方钢- 尺寸标识:25x25- 重量:3.85kg/m30x30mm 方钢- 尺寸标识:30x30- 重量:5.57kg/m40x40mm 方钢- 尺寸标识:40x40 - 重量:7.53kg/m50x50mm 方钢- 尺寸标识:50x50 - 重量:9.37kg/m60x60mm 方钢- 尺寸标识:60x60 - 重量:13.2kg/m70x70mm 方钢- 尺寸标识:70x70 - 重量:16.5kg/m80x80mm 方钢- 尺寸标识:80x80 - 重量:20.2kg/m90x90mm 方钢- 尺寸标识:90x90- 重量:24.2kg/m100x100mm 方钢- 尺寸标识:100x100- 重量:29.6kg/m请注意,尺寸标识中的数字表示方钢的边长,重量单位为千克每米。
该尺寸表仅提供方钢的常用尺寸和相应重量的参考,具体的尺寸和重量还需根据实际需求进行确认。
如需进一步了解方钢的规格和应用,请参考相关的产品资料和标准规范。
根据您的要求,我为您提供了一份包含常用方钢尺寸和相应尺寸标识的完整版尺寸表。
尺寸表中列出了常见的方钢尺寸,每个尺寸都标有相应的尺寸标识和重量。
请注意,该尺寸表仅供参考,具体的尺寸和重量还需根据实际需求进行确认。
如需了解更多关于方钢的规格和应用信息,请参考相关的产品资料和标准规范。
方钢尺寸规格参数表(1)尺寸规格见表6—40-表6—45。
国标号GB/76728-2007表6-40冷拔无缝方形钢管的尺寸规格根本尺寸截面面积F/cm2 理论质量G/(kg/m) 惯性矩J x=J y/cm4 截面系数W x=W y/cm3 A Smm120 4231416180 4532012227注:理论质量计算G=0.0157S(A+A一2.8584S)式中G——每米钢管的质量(kg/m);A——方形钢管的边长(mm);S——方形钢管的公称壁厚(mm).以钢管R=1.5S时,钢的密度为7.85g/cm3的计算公式。
表6-41冷拔无缝矩形钢管的尺寸规格根本尺寸截面面积F /cm2 理论质量G/(kg/m)惯性矩截面系数A B S Jx Jy Wx wymm cm4 cm3lO 5l12 5lO,06466l146 17 l109140 807 8 9 10150 7578910266,0160 6589101128,16注:理论质量计算。
G=0.0157S(A+B一2.8584S)式中G——每米钢管的质量(k(m);A、B——矩形钢管的长与宽(mm);S——矩形钢管的公称壁厚(mm)。
以钢管R=1.5S时,钢的密度为7-85g/cm3的计算公式。
表6-42冷拔无缝椭圆形钢管的尺寸规格注:理论质量计算G=0.0123S(A+B一2S)式中G——每米钢管的质量(kg/m);A、B——椭圆形钢管的长轴、短轴(mm);S——椭圆形钢管的公称壁厚(mm)。
以钢的密度为7.85g/cm3的计算公式。
表6-43冷拔无缝平椭圆形钢管的尺寸规格根本尺寸截面面积F/cm2 理论质量C/(kg/m)惯性矩截面系数A B S Jx JY Wx Wymm cm4 cm36 38 419 310 5112 416l14 7 115 5 l16 81270 351272 24 280 40 281 27 290 30 2注:理论质量计算G=0.0157S(A+0.5708B一1.5708S)式中G——每米钢管的质量(kg/m)A、B——平椭圆钢管的长与宽(mm);S——平椭圆钢管的公称壁厚(mm)。
方钢尺寸规格表(总31页) -本页仅作为预览文档封面,使用时请删除本页-(1)尺寸规格见表6—40-表6—45。
表6-40冷拔无缝方形钢管的尺寸规格基本尺寸截面面积F/cm2 理论质量G/(kg/m) 惯性矩J x=J y/cm4截面系数W x=W y/cm3 A Smm120 423141618200 45322122533034323注:理论质量计算G=(A+A一式中 G——每米钢管的质量(kg/m); A——方形钢管的边长(mm);S——方形钢管的公称壁厚(mm).以钢管R=时,钢的密度为/cm3的计算公式。
表6-41冷拔无缝矩形钢管的尺寸规格基本尺寸截面面积F/cm2理论质量G/(kg/m)惯性矩截面系数A B S Jx Jy Wx wymm cm4cm3lO5l125lO,06466l14617l10l21561216829 101507578910266,01606589101128,16注:理论质量计算。
G=(A+B一式中 G——每米钢管的质量(k(m);A、B——矩形钢管的长与宽(mm);S——矩形钢管的公称壁厚(mm)。
以钢管R=时,钢的密度为7-85g/cm3的计算公式。
表6-42冷拔无缝椭圆形钢管的尺寸规格基本尺寸截面面积F/cm2理论质量C/(kg/m)惯性矩截面系数A B S Jx JY Wx Wymm cm4cm363841lO576382804028127242256290302注:理论质量计算G=(A+B一2S)式中 G——每米钢管的质量(kg/m);A、B——椭圆形钢管的长轴、短轴(mm);S——椭圆形钢管的公称壁厚(mm)。
以钢的密度为cm3的计算公式。
表6-43冷拔无缝平椭圆形钢管的尺寸规格基本尺寸截面面积F/cm2理论质量C/(kg/m)惯性矩截面系数A B S Jx JY Wx Wymm cm4cm3注:理论质量计算G=(A+一式中 G——每米钢管的质量(kg/m)A、B——平椭圆钢管的长与宽(mm);S——平椭圆钢管的公称壁厚(mm)。
重庆方钢规格表|方钢理论重量表#重庆高压合金管找重庆进鑫钢管
天津钢管集团重庆进鑫钢管公司常年销售成都钢铁集团、冶钢集团、包头钢厂、宝钢集团、鞍钢集团、天津大无缝、西宁特钢厂、无锡钢厂、衡阳钢厂等各大钢厂生产的各种规格的无缝钢管,低中压锅炉管,高压锅炉管,合金钢管,化肥专用管,地质管,螺旋管,石油裂化管,支架管,大口径直缝焊管等.主营材质:20#、35#、45#、20G、27SiMn、20Cr、40Cr、35CrMo、42CrMo、12Cr1MoV、12CrNi3、20G、15CrMoG、12Cr1MoVG、执行国标:GB/T8162-2008结构管、GB/T8163-2008流体管、GB/T3087-2008中低压锅炉管、GB/T5310-2008高压锅炉管、GB/T6479-2008化肥专用管、27SiMn液压支架管、高压合金管、GB/T9948-85石油裂化管GB9948-88、汽车半轴套管YB/T5035-96等各种标准的无缝钢管,我公司现有库存10000余吨,1000多个品种任你选购,主导产品:结构管、流体管、锅炉管、化肥专用管、合金管、异型管、精密冷拔管、大口径厚壁管、机械加工用管。
(液压支架管27SiMn、高炉钻杆、石油套管J55 、N80 等.
方钢规格表|方钢理论重量表
天津钢管集团驻重庆办事处。