方钢尺寸规格表
- 格式:pdf
- 大小:8.13 MB
- 文档页数:31
不锈钢方钢规格型号尺寸不锈钢方钢是一种常见的不锈钢材料,常用于建筑、制造和装饰等行业。
不锈钢方钢具有耐腐蚀、抗氧化和美观等特点,因此广泛应用于各种领域。
根据不同的需求,不锈钢方钢有着各种不同的规格型号和尺寸。
以下是一些常见的不锈钢方钢的规格型号和尺寸参考内容。
1. 304不锈钢方钢:规格型号为10*10mm、12*12mm、14*14mm、16*16mm、18*18mm、20*20mm,尺寸如下:10mm*10mm*1mm、12mm*12mm*1mm、14mm*14mm*1mm、16mm*16mm*1mm、18mm*18mm*1mm、20mm*20mm*1mm。
2. 316不锈钢方钢:规格型号为15*15mm、20*20mm、25*25mm、30*30mm、35*35mm,尺寸如下:15mm*15mm*1mm、20mm*20mm*1mm、25mm*25mm*1mm、30mm*30mm*1mm、35mm*35mm*1mm。
3. 201不锈钢方钢:规格型号为25*25mm、30*30mm、40*40mm、50*50mm、60*60mm,尺寸如下:25mm*25mm*1mm、30mm*30mm*1mm、40mm*40mm*1mm、50mm*50mm*1mm、60mm*60mm*1mm。
不锈钢方钢常用于建筑领域,如制作扶手、护栏和桥梁等。
在制造领域,不锈钢方钢可用于制造各种机器零部件、汽车零部件和电子设备等。
此外,不锈钢方钢在装饰领域也有广泛应用,可用于制作家具和装饰品等。
不锈钢方钢的选择应根据具体使用环境和要求来确定。
一般来说,304不锈钢方钢适用于一般室内环境,而316不锈钢方钢更适用于海洋环境或具有高腐蚀性的环境。
另外,不同的规格型号和尺寸可以根据具体需要进行定制。
总之,不锈钢方钢具有多种规格型号和尺寸可供选择,可满足不同行业和领域的需求。
根据具体使用环境和要求,选择合适的不锈钢方钢能够确保良好的耐腐蚀性和美观性。
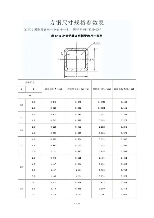
方钢尺寸规格参数表(1)尺寸规格见表6—40-表6—45。
国标号GB/76728-2007表6-40冷拔无缝方形钢管的尺寸规格基本尺寸截面面积F/cm2 理论质量G/(kg/m)惯性矩J x=J y/cm4截面系数W x=W y/cm3 A Smm120 423141618200 45322127注:理论质量计算G=(A+A一式中G——每米钢管的质量(kg/m);A——方形钢管的边长(mm);S——方形钢管的公称壁厚(mm).以钢管R=时,钢的密度为/cm3的计算公式。
表6-41冷拔无缝矩形钢管的尺寸规格基本尺寸截面面积F/cm2理论质量G/(kg/m)惯性矩截面系数A B S Jx Jy Wx wymm cm4cm3lO5l125lO,06466l14617l109140807 8 9 101507578910266,01606589101128,16注:理论质量计算。
G=(A+B一式中G——每米钢管的质量(k(m);A、B——矩形钢管的长与宽(mm);S——矩形钢管的公称壁厚(mm)。
以钢管R=时,钢的密度为7-85g/cm3的计算公式。
表6-42冷拔无缝椭圆形钢管的尺寸规格注:理论质量计算G=(A+B一2S)式中G——每米钢管的质量(kg/m);A、B——椭圆形钢管的长轴、短轴(mm);S——椭圆形钢管的公称壁厚(mm)。
以钢的密度为cm3的计算公式。
表6-43冷拔无缝平椭圆形钢管的尺寸规格基本尺寸截面面积F/cm2理论质量C/(kg/m)惯性矩截面系数A B S Jx JY Wx Wymm cm4cm3638419310511241 6l1471 155l 1681270351272242804028127290302注:理论质量计算G=(A+一式中G——每米钢管的质量(kg/m)A、B——平椭圆钢管的长与宽(mm);S——平椭圆钢管的公称壁厚(mm)。
以钢的密度为cm3的计算公式。
表6-44冷拔无缝内外六角形钢管的尺寸规格基本尺寸截面面积F/cm2理论质量C/(kg/m)惯性矩截面系数B S Jx=JY Wx Wymm cm4cm3注:理论质量计算G=(B一式中G——每米钢管的质量(kg/m);B——六角钢管的对边距离(mm)S——六角钢管的公称壁厚(mm)。
(完整版)常用方钢尺寸表常用方钢尺寸表 (完整版)下面是一份常用方钢尺寸表的完整版,其中包含了常见的方钢尺寸和相应的尺寸标识。
请注意,以下尺寸仅供参考,具体使用时需要根据实际需求进行确认。
20x20mm 方钢- 尺寸标识:20x20- 重量:2.47kg/m25x25mm 方钢- 尺寸标识:25x25- 重量:3.85kg/m30x30mm 方钢- 尺寸标识:30x30- 重量:5.57kg/m40x40mm 方钢- 尺寸标识:40x40 - 重量:7.53kg/m50x50mm 方钢- 尺寸标识:50x50 - 重量:9.37kg/m60x60mm 方钢- 尺寸标识:60x60 - 重量:13.2kg/m70x70mm 方钢- 尺寸标识:70x70 - 重量:16.5kg/m80x80mm 方钢- 尺寸标识:80x80 - 重量:20.2kg/m90x90mm 方钢- 尺寸标识:90x90- 重量:24.2kg/m100x100mm 方钢- 尺寸标识:100x100- 重量:29.6kg/m请注意,尺寸标识中的数字表示方钢的边长,重量单位为千克每米。
该尺寸表仅提供方钢的常用尺寸和相应重量的参考,具体的尺寸和重量还需根据实际需求进行确认。
如需进一步了解方钢的规格和应用,请参考相关的产品资料和标准规范。
根据您的要求,我为您提供了一份包含常用方钢尺寸和相应尺寸标识的完整版尺寸表。
尺寸表中列出了常见的方钢尺寸,每个尺寸都标有相应的尺寸标识和重量。
请注意,该尺寸表仅供参考,具体的尺寸和重量还需根据实际需求进行确认。
如需了解更多关于方钢的规格和应用信息,请参考相关的产品资料和标准规范。
方钢尺寸规格表公司内部档案编码:[OPPTR-OPPT28-OPPTL98-OPPNN08]方钢尺寸规格表(1)尺寸规格见表6—40-表6—45。
国标号GB/76728-2007表6-40冷拔无缝方形钢管的尺寸规格基本尺寸截面面积F/cm2理论质量G/(kg/m)惯性矩Jx=Jy/cm4截面系数Wx=Wy/cm3A Smm120 42314?1618200 4532212注:理论质量计算G=(A+A一式中 G——每米钢管的质量(kg/m);A——方形钢管的边长(mm);S——方形钢管的公称壁厚(mm).以钢管R=时,钢的密度为7.85g/cm3的计算公式。
表6-41冷拔无缝矩形钢管的尺寸规格基本尺寸截面面积F/cm2理论质量G/(kg/m)惯性矩截面系数A B S Jx Jy Wx wymm cm4cm3lO5l125lO,06466l1461101507578910266,01606589101128,16注:理论质量计算。
G=(A+B一式中 G——每米钢管的质量(k(m);A、B——矩形钢管的长与宽(mm);S——矩形钢管的公称壁厚(mm)。
以钢管R=时,钢的密度为7-85g/cm3的计算公式。
表6-42冷拔无缝椭圆形钢管的尺寸规格基本尺寸截面面积理论质量惯性矩截面系数A B S Jx JY Wx Wy注:理论质量计算G=(A+B一2S)式中 G——每米钢管的质量(kg/m);A、B——椭圆形钢管的长轴、短轴(mm);S——椭圆形钢管的公称壁厚(mm)。
以钢的密度为7.85g/cm3的计算公式。
表6-43冷拔无缝平椭圆形钢管的尺寸规格基本尺寸截面面积F/cm2理论质量C/(kg/m)惯性矩截面系数A B S Jx JY Wx Wymm cm4cm3638419310511241注:理论质量计算G=(A+一式中 G——每米钢管的质量(kg/m)A、B——平椭圆钢管的长与宽(mm);S——平椭圆钢管的公称壁厚(mm)。
方钢规格1. 方钢的定义方钢是一种常见的钢材产品,它的截面呈正方形。
方钢具有优良的强度和刚性,常用于建筑、制造、桥梁和机械等领域。
在各个行业中,方钢的规格会有一定的差异,下面将介绍一些常见的方钢规格。
2. 方钢的常见规格2.1 20×20方钢20×20方钢是指截面尺寸为20毫米×20毫米的方形钢材。
这种规格的方钢通常用于轻型结构、家具制造、船舶制造等领域。
它具有较好的抗拉强度,适用于各种焊接工艺。
2.2 30×30方钢30×30方钢的截面尺寸为30毫米×30毫米,是较为常见的方钢规格之一。
30×30方钢在建筑、机械制造、汽车零部件等领域具有广泛的应用。
这种规格的方钢具有较高的强度和可塑性,适合进行冷弯加工和热处理。
2.3 40×40方钢40×40方钢的截面尺寸为40毫米×40毫米,是较大尺寸的方钢规格。
它通常用于较重的结构和承重部件制造,如大型机械设备、重型车辆等。
40×40方钢具有较高的强度和稳定性,能够承受较大的压力和荷载。
2.4 50×50方钢50×50方钢的截面尺寸为50毫米×50毫米,是一种常见的中等尺寸方钢。
它广泛应用于建筑、工程结构、管道制造等领域。
50×50方钢具有较好的机械性能和耐腐蚀性,能够满足各种工程需求。
2.5 其他规格除了上述常见的规格外,方钢还有许多其他的尺寸和规格,例如60×60方钢、80×80方钢等。
根据不同的应用领域和工程要求,可以选择适合的方钢规格。
3. 方钢的材质和生产工艺方钢的材质通常为碳素钢或合金钢,具有优良的强度和机械性能。
生产方钢的工艺主要包括轧制和拉拔。
轧制工艺通过连续轧制机将坯料经过多道次的压制、轧制和冷却,最终形成所需的截面形状和尺寸。
拉拔工艺则是将加热的钢坯通过模具进行拉拔,使其逐渐变细并变长,形成所需的方钢规格。
方钢尺寸规格参数表(1)尺寸规格见表6—40-表6—45。
国标号GB/76728-2007表6-40冷拔无缝方形钢管的尺寸规格基本尺寸截面面积F/cm2 理论质量G/(kg/m) 惯性矩J x=J y/cm4 截面系数W x=W y/cm3 A Smm12O.81.0 O.3480 423O.2730.332O.0739O.0873O.123O.146141.01.5 0.503O.712O.394O.5590.144O.192O.2060.274161.O1.5 O.583O.832O.4580.653O.222O.300O.278O.37418 1.O1.52.O0.6630.9521.21O.5210.747O.952O.324O.4420.535O.360O.4910.59520 1.01.52.02.5O.7431.071.371.640.583O.8411.081.29O.4530.624O.763O.8740 453O.624O.763O.8742211.527O.8231.191.53O.646O.9361.20O.6120.8501.05O.556O.773O.953注:理论质量计算G=0.0157S(A+A一2.8584S)式中G——每米钢管的质量(kg/m);A——方形钢管的边长(mm);S——方形钢管的公称壁厚(mm).以钢管R=1.5S时,钢的密度为7.85g/cm3的计算公式。
表6-41冷拔无缝矩形钢管的尺寸规格基本尺寸截面面积F /cm2 理论质量G/(kg/m)惯性矩截面系数A B S Jx Jy Wx wymm cm4 cm3lO 50.8l O.203O.243O.160O.191O.0074O.0082O.0239O.02700.02970.03290.04780.054712 50.8l0.2350.2830.1850.222O.00880.0099O.0388O.0449O.0354O.0395O,0646O.0748 6O.8lO.251O.3030.1970.2380.01390.0157O.04380.0509O.0462O.05240.0730O.08491460.811.50.2830.343O.471O.223O.269O.3700.0160O.0182O.02150.06540.0767O.09730.0535O.0608O.0715O.0935O.110O.139 70.8l1.50.299O.363O.501O.2350.285O.3940.0233O.02680.0324O.0724O.08520.109O.06650.0765O.0927O.104O.1220.156 10 O.8 O.347 O.273 O.0545 O.0934 O.109 0.1338 9 30.7434.0724.1326.75346.3375.8682.4751.681.4988.43105.9115.6140 807891028.0031.5434.9738.2921.9824.7627.4530.05290.8320.3347.3371.7715.1794.1867.8936.472.7080.0886.8l92.92102.2113.4124.O133.8150 757891028.7032.3435.8739.2922.5325.3928.1630.84266,0292.6316.8338.6814.6905.3990.11069.370.9378.0384.4790.29108.6120.7132.O142.6160 6589101132.3435.8739.2942.5925.3928,1630.8433.43220.9238.1253.4266.9975.41066.81152.01231.267.9773.2777.9882.13121.9133.3144.O153.9注:理论质量计算。
方钢尺寸规格参数表(1)尺寸规格见表6—40-表6—45。
国标号GB/76728-2007表6-40冷拔无缝方形钢管的尺寸规格基本尺寸截面面积F/cm2 理论质量G/(kg/m) 惯性矩J x=J y/cm4 截面系数W x=W y/cm3 A Smm12O.81.0O.3480 423O.2730.332O.0739O.0873O.123O.146141.01.50.503O.712O.394O.5590.144O.192O.2060.274161.O1.5O.583O.832O.4580.653O.222O.300O.278O.374181.O1.52.O0.6630.9521.21O.5210.747O.952O.324O.4420.535O.360O.4910.595201.01.52.02.5O.7431.071.371.640.583O.8411.081.29O.4530.624O.763O.8740 453O.624O.763O.8742211.527O.8231.191.53O.646O.9361.20O.6120.8501.05O.556O.773O.953注:理论质量计算G=0.0157S(A+A一2.8584S)式中G——每米钢管的质量(kg/m);A——方形钢管的边长(mm);S——方形钢管的公称壁厚(mm).以钢管R=1.5S时,钢的密度为7.85g/cm3的计算公式。
表6-41冷拔无缝矩形钢管的尺寸规格基本尺寸截面面积F/cm2理论质量G/(kg/m)惯性矩截面系数A B S Jx Jy Wx wymm cm4 cm3lO 50.8lO.203O.243O.160O.191O.0074O.0082O.0239O.02700.02970.03290.04780.0547 1250.8l0.2350.2830.1850.222O.00880.0099O.0388O.0449O.0354O.0395O,0646O.0748 6O.8lO.251O.3030.1970.2380.01390.0157O.04380.0509O.0462O.05240.0730O.0849 1460.811.50.2830.343O.471O.223O.269O.3700.0160O.0182O.02150.06540.0767O.09730.0535O.0608O.0715O.0935O.110O.139 70.8l1.50.299O.363O.501O.2350.285O.3940.0233O.02680.0324O.0724O.08520.109O.06650.0765O.0927O.104O.1220.15610 O.8 O.347 O.273 O.0545 O.0934 O.109 0.1338930.7434.0724.1326.75346.3375.8682.4751.681.4988.43105.9115.6 140 807891028.0031.5434.9738.2921.9824.7627.4530.05290.8320.3347.3371.7715.1794.1867.8936.472.7080.0886.8l92.92102.2113.4124.O133.8 150 757891028.7032.3435.8739.2922.5325.3928.1630.84266,0292.6316.8338.6814.6905.3990.11069.370.9378.0384.4790.29108.6120.7132.O142.6 160 6589101132.3435.8739.2942.5925.3928,1630.8433.43220.9238.1253.4266.9975.41066.81152.01231.267.9773.2777.9882.13121.9133.3144.O153.9 注:理论质量计算。
方钢尺寸规格参数表(1)尺寸规格见表6—40-表6—45。
国标号GB/76728-2007表6-40冷拔无缝方形钢管的尺寸规格基本尺寸截面面积F/cm2 理论质量G/(kg/m) 惯性矩J x=J y/cm4 截面系数W x=W y/cm3 A Smm12O.81.0 O.3480 423O.2730.332O.0739O.0873O.123O.146141.01.5 0.503O.712O.394O.5590.144O.192O.2060.274161.O1.5 O.583O.832O.4580.653O.222O.300O.278O.37418 1.O1.52.O0.6630.9521.21O.5210.747O.952O.324O.4420.535O.360O.4910.59520 1.01.52.02.5O.7431.071.371.640.583O.8411.081.29O.4530.624O.763O.8740 453O.624O.763O.8742211.527O.8231.191.53O.646O.9361.20O.6120.8501.05O.556O.773O.953252.53 2.142.491.681.951.862.081.491.5730 2.533.542.643.013.503.892.082.422.753.053.413.864.254.582.272.582.833.0532 2.533.52.843.333 782.232.612.974.214.795.292.633.003.3132 4 4.21 3.30 5.73 3.5835 2.533.5453.143.694.204.685.582.472.893.303.684.385.546.457.167.788.793.223.684.094.455.0236 2.533.5453.243.814.3_44.855.752.552.993.4l3.8l4.536.187.077.878.569.703.433.934.374.765.3940 2.533.54563.644.294.905.496.587.552.863.373.854.3l5.165.938.689.9811.1612.2113.9815.344.344.995.586.1l6.997.67422.53 3.844.533.023.5510.1511.704.835.574 5 6 5.816.988.034.565.486.3014.3716.5618.226.847.878.5845 3.5455.606.237.584.404.945.9516.4318.0720.907.308.039.2945 6788.759.8110.86.877.808.4423.1924.9726.30lO.3111.1011.5950 456787.098.589.9511.2112.355.566.737.8l8.809.7025.5629.8133.3536.2338.5110.2211.9313.3414.4915.4155 456787.899.5811.1512.5113.956.197.528.759.9010.9534.8740.9546.1350.4754.0412.5814.8916.7718.3519.6560 456788.6910.5812.3514.0l15.556.828.309.6911.0012.2146.2154.5761.8268.0373.2815.418.1920.6122.6824.4365 45679.4911.5813.5515.417.459.0710.6412.1059.7870.9280.7289.2718.3921.8224.8427.4670 45610.2912.5814.78.089.8711.5875.7890.26103.121.6525.7929.477078 16.8118.7513.1914.72114.5124.532.7235.5775 4567811.0913.5815.9518 2120.358.7010.6612.5214.2915.9894.4112.8129.4144.2157.325.1730.0834.5038.4441.9480 4567811.8914.5817.1519.6121.959.3311.4413.4615.3917.23115.9138.9159.7178.5195.428.9634.7239.9344.6348.85 567816.9820.0322.9725.7913.3315.7218.0320.25217.1251.1282.3310.947.1954.5961.3867.58100 567818.5821.9525.2128.3514.5817.2319.7922.26282.8328.2370.2408.956.5765.5474.0481.78110 78928.0131.5534.9821.9924.7727.46503.4557.9608.491.54101.411O.6注:理论质量计算G=0.0157S(A+A一 2.8584S)式中G——每米钢管的质量(kg/m);A——方形钢管的边长(mm);S——方形钢管的公称壁厚(mm).以钢管R=1.5S时,钢的密度为7.85g/cm3的计算公式。
方钢尺寸规格参数表方钢尺寸规格参数表⑴尺寸规格见表6—40-表6—45。
国标号GB/76728-2007表6-40冷拔无缝方形钢管的尺寸规格r评-注:理论质量计算G=0.0157S(A+A —2.8584S)式中G ——每米钢管的质量(kg /m);A ---- 方形钢管的边长(mm);S --- 方形钢管的公称壁厚(mm).以钢管R=1.5S时,钢的密度为7.85g / cm3 的计算公式。
表6-41冷拔无缝矩形钢管的尺寸规格基本尺寸截面面积F / cm2 理论质量G/(kg / m)惯性矩截面系数A B S Jx Jy Wx wymm cm4 cm30.8 O.203 O.160 O.0074 O.0239 0.0297 0.0478 10 5l O.243 O.191 O.0082 O.0270 0.0329 0.05470.8 0.235 0.185 O.0088 O.0388 O.0354 O, 06465l 0.283 0.222 0.0099 O.0449 O.0395 O.0748 12O.8 O.251 0.197 0.0139 O.0438 O.0462 0.0730 6l O.303 0.238 0.0157 0.0509 O.0524 O.0849 14 6 0.8 0.283 O.223 0.0160 0.0654 0.0535 O.0935注:理论质量计算。
G=0.0157S(A+B —2.8584S)式中G——每米钢管的质量(k(m);A、B――矩形钢管的长与宽(mm);S ---- 矩形钢管的公称壁厚(mm)。
以钢管R=1.5S时,钢的密度为7-85g / cm3的计算公式。
表6-42冷拔无缝椭圆形钢管的尺寸规格56 2 4.27 3.35 17.18 32.25 6.14 7.682.5 5.30 4.16 20.96 39.52 7.49 9.4l1.52.16 2.763.53 20.08 2.354.46 90 30 2 3.64 2.86 4.5l 26.16 3.005.812.5 4.523.55 5.4I 32.01 3.60 7.11 注:理论质量计算G=0.0123S(A+B —2S)式中G ——每米钢管的质量(kg /m);A、B――椭圆形钢管的长轴、短轴(mm);S ――椭圆形钢管的公称壁厚(mm)。
方钢尺寸规格参数表(1)尺寸规格见表6 —40-表6 —45。
国标号GB/76728-2007表6-40冷拔无缝方形钢管的尺寸规格注:理论质量计算G=0.0157S(A+A —2.8584S)式中G --------- 每米钢管的质量(kg / m);A ------- 方形钢管的边长(mm);S——方形钢管的公称壁厚(mm).以钢管R=1.5S时,钢的密度为7.85g / cm3的计算公式。
表6-41冷拔无缝矩形钢管的尺寸规格注:理论质量计算。
G=0.0157S(A+B —2.8584S)式中G ---------- 每米钢管的质量(k(m);A、B -------- 矩形钢管的长与宽(mm);S——矩形钢管的公称壁厚(mm)。
以钢管R=1.5S时,钢的密度为7-85g / cm3的计算公式。
表6-42冷拔无缝椭圆形钢管的尺寸规格2.5 4.523.55 5.4I 32.01 3.60 7.11 注:理论质量计算G=0.0123S(A+B —2S)式中G --------- 每米钢管的质量(kg / m);A、B——椭圆形钢管的长轴、短轴(mm);S——椭圆形钢管的公称壁厚(mm) o以钢的密度为7.85g/cm3的计算公式。
表6-43冷拔无缝平椭圆形钢管的尺寸规格根本尺寸截面面积F/cm2 理论质量C/ (kg/ m)惯性矩截面系数A B S Jx JY Wx Wymm cm4 cm36 3 O.8 0.103 0.0811 0.000985 O.00320 O.00557 0.01070.8 0.144 0.113 0.00277 O.00851 O.0138 O.0213 8 410.174 0.137 O.00305 O.00975 0.0152 0.0244 9 3 0.8 O.151 O.119 0.00159 0.0107 O.0106 0.0237O.8 O.186 O.146 0.00598 0.0178 0.0239 O.0357 10 51 O.226 0.177 O.00675 O.0208 0.0270 O.0416O.8 0.208 O.164 0.O0444 0.0275 O.0222 0.045812 41 O.254 O.200 O.00491 O.0323 0.0246 O.05380.8 O.227 O.178 O.O111 0.0323 O.0369 0.0538 6l O.277 0.0127 0.0380 O.0424 0.0634注:理论质量计算G=0.0157S(A+0.5708B —1.5708S) 式中G---------- 每米钢管的质量(kg/m)A、B——平椭圆钢管的长与宽(mm);S——平椭圆钢管的公称壁厚(mm)。