方钢尺寸规格表
- 格式:doc
- 大小:646.00 KB
- 文档页数:31
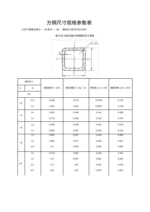
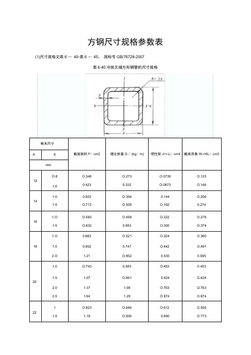
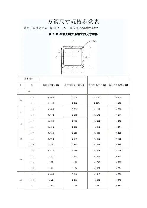
(1)尺寸规格见表6—40-表6—45。
表6-40冷拔无缝方形钢管的尺寸规格基本尺寸截面面积F/cm2 理论质量G/(kg/m) 惯性矩J x=J y/cm4 截面系数W x=W y/cm3 A Smm12O.81.0O.3480 423O.2730.332O.0739O.0873O.123O.146141.01.50.503O.712O.394O.5590.144O.192O.2060.274161.O1.5O.583O.832O.4580.653O.222O.300O.278O.374181.O1.52.O0.6630.9521.21O.5210.747O.952O.324O.4420.535O.360O.4910.595201.01.52.02.5O.7431.071.371.640.583O.8411.081.29O.4530.624O.763O.8740 453O.624O.763O.8742211.52O.8231.191.53O.646O.9361.20O.6120.8501.05O.556O.773O.953注:理论质量计算G=0.0157S(A+A一2.8584S)式中G——每米钢管的质量(kg/m);A——方形钢管的边长(mm);S——方形钢管的公称壁厚(mm).以钢管R=1.5S时,钢的密度为7.85g/cm3的计算公式。
表6-41冷拔无缝矩形钢管的尺寸规格基本尺寸截面面积F/cm2理论质量G/(kg/m)惯性矩截面系数A B S Jx Jy Wx wymm cm4 cm3lO 50.8lO.203O.243O.160O.191O.0074O.0082O.0239O.02700.02970.03290.04780.0547 1250.8l0.2350.2830.1850.222O.00880.0099O.0388O.0449O.0354O.0395O,0646O.0748 6O.8lO.251O.3030.1970.2380.01390.0157O.04380.0509O.0462O.05240.0730O.0849 1460.811.50.2830.343O.471O.223O.269O.3700.0160O.0182O.02150.06540.0767O.09730.0535O.0608O.0715O.0935O.110O.139 70.8l1.50.299O.363O.501O.2350.285O.3940.0233O.02680.0324O.0724O.08520.109O.06650.0765O.0927O.104O.1220.15610 O.8 O.347 O.273 O.0545 O.0934 O.109 0.1338 9 30.7434.0724.1326.75346.3375.8682.4751.681.4988.43105.9115.6140 80 7891028.0031.5434.9738.2921.9824.7627.4530.05290.8320.3347.3371.7715.1794.1867.8936.472.7080.0886.8l92.92102.2113.4124.O133.8150 75 7891028.7032.3435.8739.2922.5325.3928.1630.84266,0292.6316.8338.6814.6905.3990.11069.370.9378.0384.4790.29108.6120.7132.O142.6160 65 89101132.3435.8739.2942.5925.3928,1630.8433.43220.9238.1253.4266.9975.41066.81152.01231.267.9773.2777.9882.13121.9133.3144.O153.9注:理论质量计算。
方钢尺寸规格参数表(1)尺寸规格见表6 —40-表6 —45。
国标号GB/76728-2007表6-40冷拔无缝方形钢管的尺寸规格注:理论质量计算G=0.0157S(A+A —2.8584S)式中G ----------- 每米钢管的质量(kg / m);A ------ 方形钢管的边长(mm);S——方形钢管的公称壁厚(mm).以钢管R=1.5S时,钢的密度为7.85g / cm3的计算公式。
表6-41冷拔无缝矩形钢管的尺寸规格"一2珈形附ft8 9 30.7434.0724.1326.75346.3375.8682.4751.681.4988.43105.9115.6 140 807891028.0031.5434.9738.2921.9824.7627.4530.05290.8320.3347.3371.7715.1794.1867.8936.472.7080.0886.8l92.92102.2113.4124.O133.8 150 757891028.7032.3435.8739.2922.5325.3928.1630.84266,0292.6316.8338.6814.6905.3990.11069.370.9378.0384.4790.29108.6120.7132.O142.6 160 6589101132.3435.8739.2942.5925.3928,1630.8433.43220.9238.1253.4266.9975.41066.81152.01231.267.9773.2777.9882.13121.9133.3144.O153.9 注:理论质量计算。
G=0.0157S(A+B —2.8584S)式中G ----------- 每米钢管的质量(k(m);A、B ------- 矩形钢管的长与宽(mm);S——矩形钢管的公称壁厚(mm)。
以钢管R=1.5S时,钢的密度为7-85g / cm3的计算公式。
(完整版)常用方钢尺寸表常用方钢尺寸表 (完整版)下面是一份常用方钢尺寸表的完整版,其中包含了常见的方钢尺寸和相应的尺寸标识。
请注意,以下尺寸仅供参考,具体使用时需要根据实际需求进行确认。
20x20mm 方钢- 尺寸标识:20x20- 重量:2.47kg/m25x25mm 方钢- 尺寸标识:25x25- 重量:3.85kg/m30x30mm 方钢- 尺寸标识:30x30- 重量:5.57kg/m40x40mm 方钢- 尺寸标识:40x40 - 重量:7.53kg/m50x50mm 方钢- 尺寸标识:50x50 - 重量:9.37kg/m60x60mm 方钢- 尺寸标识:60x60 - 重量:13.2kg/m70x70mm 方钢- 尺寸标识:70x70 - 重量:16.5kg/m80x80mm 方钢- 尺寸标识:80x80 - 重量:20.2kg/m90x90mm 方钢- 尺寸标识:90x90- 重量:24.2kg/m100x100mm 方钢- 尺寸标识:100x100- 重量:29.6kg/m请注意,尺寸标识中的数字表示方钢的边长,重量单位为千克每米。
该尺寸表仅提供方钢的常用尺寸和相应重量的参考,具体的尺寸和重量还需根据实际需求进行确认。
如需进一步了解方钢的规格和应用,请参考相关的产品资料和标准规范。
根据您的要求,我为您提供了一份包含常用方钢尺寸和相应尺寸标识的完整版尺寸表。
尺寸表中列出了常见的方钢尺寸,每个尺寸都标有相应的尺寸标识和重量。
请注意,该尺寸表仅供参考,具体的尺寸和重量还需根据实际需求进行确认。
如需了解更多关于方钢的规格和应用信息,请参考相关的产品资料和标准规范。
方钢尺寸规格表公司内部档案编码:[OPPTR-OPPT28-OPPTL98-OPPNN08]方钢尺寸规格表(1)尺寸规格见表6—40-表6—45。
国标号GB/76728-2007表6-40冷拔无缝方形钢管的尺寸规格基本尺寸截面面积F/cm2理论质量G/(kg/m)惯性矩Jx=Jy/cm4截面系数Wx=Wy/cm3A Smm120 42314?1618200 4532212注:理论质量计算G=(A+A一式中 G——每米钢管的质量(kg/m);A——方形钢管的边长(mm);S——方形钢管的公称壁厚(mm).以钢管R=时,钢的密度为7.85g/cm3的计算公式。
表6-41冷拔无缝矩形钢管的尺寸规格基本尺寸截面面积F/cm2理论质量G/(kg/m)惯性矩截面系数A B S Jx Jy Wx wymm cm4cm3lO5l125lO,06466l1461101507578910266,01606589101128,16注:理论质量计算。
G=(A+B一式中 G——每米钢管的质量(k(m);A、B——矩形钢管的长与宽(mm);S——矩形钢管的公称壁厚(mm)。
以钢管R=时,钢的密度为7-85g/cm3的计算公式。
表6-42冷拔无缝椭圆形钢管的尺寸规格基本尺寸截面面积理论质量惯性矩截面系数A B S Jx JY Wx Wy注:理论质量计算G=(A+B一2S)式中 G——每米钢管的质量(kg/m);A、B——椭圆形钢管的长轴、短轴(mm);S——椭圆形钢管的公称壁厚(mm)。
以钢的密度为7.85g/cm3的计算公式。
表6-43冷拔无缝平椭圆形钢管的尺寸规格基本尺寸截面面积F/cm2理论质量C/(kg/m)惯性矩截面系数A B S Jx JY Wx Wymm cm4cm3638419310511241注:理论质量计算G=(A+一式中 G——每米钢管的质量(kg/m)A、B——平椭圆钢管的长与宽(mm);S——平椭圆钢管的公称壁厚(mm)。
方钢尺寸规格参数表(1)尺寸规格见表6—40-表6—45。
国标号GB/76728-2007表6-40冷拔无缝方形钢管的尺寸规格基本尺寸截面面积F/cm2 理论质量G/(kg/m) 惯性矩J x=J y/cm4截面系数W x=W y/cm3A Smm12O.81.0O.3480 423O.2730.332O.0739O.0873O.123O.146141.01.50.503O.712O.394O.5590.144O.192O.2060.274161.O1.5O.583O.832O.4580.653O.222O.300O.278O.374181.O1.52.O0.6630.9521.21O.5210.747O.952O.324O.4420.535O.360O.4910.595201.01.52.02.5O.7431.071.371.640.583O.8411.081.29O.4530.624O.763O.8740 453O.624O.763O.8742211.527O.8231.191.53O.646O.9361.20O.6120.8501.05O.556O.773O.953注:理论质量计算G=0.0157S(A+A一2.8584S)式中G——每米钢管的质量(kg/m);A——方形钢管的边长(mm);S——方形钢管的公称壁厚(mm).以钢管R=1.5S时,钢的密度为7.85g/cm3的计算公式。
表6-41冷拔无缝矩形钢管的尺寸规格基本尺寸截面面积F/cm2理论质量G/(kg/m)惯性矩截面系数A B S Jx Jy Wx wymm cm4 cm3lO 50.8lO.203O.243O.160O.191O.0074O.0082O.0239O.02700.02970.03290.04780.0547 1250.8l0.2350.2830.1850.222O.00880.0099O.0388O.0449O.0354O.0395O,0646O.0748 6O.8lO.251O.3030.1970.2380.01390.0157O.04380.0509O.0462O.05240.0730O.0849 1460.811.50.2830.343O.471O.223O.269O.3700.0160O.0182O.02150.06540.0767O.09730.0535O.0608O.0715O.0935O.110O.139 70.8l1.50.299O.363O.501O.2350.285O.3940.0233O.02680.0324O.0724O.08520.109O.06650.0765O.0927O.104O.1220.15610 O.8 O.347 O.273 O.0545 O.0934 O.109 0.1338 9 30.7434.0724.1326.75346.3375.8682.4751.681.4988.43105.9115.6140 80 7891028.0031.5434.9738.2921.9824.7627.4530.05290.8320.3347.3371.7715.1794.1867.8936.472.7080.0886.8l92.92102.2113.4124.O133.8150 75 7891028.7032.3435.8739.2922.5325.3928.1630.84266,0292.6316.8338.6814.6905.3990.11069.370.9378.0384.4790.29108.6120.7132.O142.6160 65 89101132.3435.8739.2942.5925.3928,1630.8433.43220.9238.1253.4266.9975.41066.81152.01231.267.9773.2777.9882.13121.9133.3144.O153.9注:理论质量计算。
方钢尺寸规格参数表(1)尺寸规格见表6—40-表6—45。
国标号GB/76728-2007表6-40冷拔无缝方形钢管的尺寸规格基本尺寸截面面积F/cm2 理论质量G/(kg/m)惯性矩J x=J y/cm4截面系数W x=W y/cm3A Smm120 42314161820 45322127注:理论质量计算G=(A+A一式中G——每米钢管的质量(kg/m);A——方形钢管的边长(mm);S——方形钢管的公称壁厚(mm).以钢管R=时,钢的密度为/cm3的计算公式。
表6-41冷拔无缝矩形钢管的尺寸规格基本尺寸截面面积F/cm2理论质量G/(kg/m)惯性矩截面系数A B S Jx Jy Wx wymm cm4cm3lO5l125lO,06466l14617l注:理论质量计算。
G=(A+B一式中G——每米钢管的质量(k(m);A、B——矩形钢管的长与宽(mm);S——矩形钢管的公称壁厚(mm)。
以钢管R=时,钢的密度为7-85g/cm3的计算公式。
表6-42冷拔无缝椭圆形钢管的尺寸规格基本尺寸截面面积F/cm2理论质量C/(kg/m)惯性矩截面系数A B S Jx JY Wx Wymm cm4cm363841lO 5171124190302注:理论质量计算G=(A+B一2S)式中G——每米钢管的质量(kg/m);A、B——椭圆形钢管的长轴、短轴(mm);S——椭圆形钢管的公称壁厚(mm)。
以钢的密度为cm3的计算公式。
表6-43冷拔无缝平椭圆形钢管的尺寸规格基本尺寸截面面积F/cm2理论质量C/(kg/m)惯性矩截面系数A B S Jx JY Wx Wymm cm4cm3 63841931051124注:理论质量计算G=(A+一式中G——每米钢管的质量(kg/m)A、B——平椭圆钢管的长与宽(mm);S——平椭圆钢管的公称壁厚(mm)。
以钢的密度为cm3的计算公式。
表6-44冷拔无缝内外六角形钢管的尺寸规格基本尺寸截面面积F/cm2理论质量C/(kg/m)惯性矩截面系数B S Jx=JY Wx Wymm cm4cm382102122142172319232256105456注:理论质量计算G=(B一式中G——每米钢管的质量(kg/m);B——六角钢管的对边距离(mm)S——六角钢管的公称壁厚(mm)。
方钢尺寸规格参数表(1)尺寸规格见表6—40-表6—45。
国标号GB/76728-2007表6-40冷拔无缝方形钢管的尺寸规格基本尺寸截面面积F/cm2 理论质量G/(kg/m) 惯性矩J x=J y/cm4 截面系数W x=W y/cm3 A Smm12O.81.0O.3480 423O.2730.332O.0739O.0873O.123O.146141.01.50.503O.712O.394O.5590.144O.192O.2060.274161.O1.5O.583O.832O.4580.653O.222O.300O.278O.374181.O1.52.O0.6630.9521.21O.5210.747O.952O.324O.4420.535O.360O.4910.595201.01.52.02.5O.7431.071.371.640.583O.8411.081.29O.4530.624O.763O.8740 453O.624O.763O.8742211.527O.8231.191.53O.646O.9361.20O.6120.8501.05O.556O.773O.953注:理论质量计算G=0.0157S(A+A一2.8584S)式中G——每米钢管的质量(kg/m);A——方形钢管的边长(mm);S——方形钢管的公称壁厚(mm).以钢管R=1.5S时,钢的密度为7.85g/cm3的计算公式。
表6-41冷拔无缝矩形钢管的尺寸规格基本尺寸截面面积F/cm2理论质量G/(kg/m)惯性矩截面系数A B S Jx Jy Wx wymm cm4 cm3lO 50.8lO.203O.243O.160O.191O.0074O.0082O.0239O.02700.02970.03290.04780.0547 1250.8l0.2350.2830.1850.222O.00880.0099O.0388O.0449O.0354O.0395O,0646O.0748 6O.8lO.251O.3030.1970.2380.01390.0157O.04380.0509O.0462O.05240.0730O.0849 1460.811.50.2830.343O.471O.223O.269O.3700.0160O.0182O.02150.06540.0767O.09730.0535O.0608O.0715O.0935O.110O.139 70.8l1.50.299O.363O.501O.2350.285O.3940.0233O.02680.0324O.0724O.08520.109O.06650.0765O.0927O.104O.1220.15610 O.8 O.347 O.273 O.0545 O.0934 O.109 0.1338930.7434.0724.1326.75346.3375.8682.4751.681.4988.43105.9115.6 140 807891028.0031.5434.9738.2921.9824.7627.4530.05290.8320.3347.3371.7715.1794.1867.8936.472.7080.0886.8l92.92102.2113.4124.O133.8 150 757891028.7032.3435.8739.2922.5325.3928.1630.84266,0292.6316.8338.6814.6905.3990.11069.370.9378.0384.4790.29108.6120.7132.O142.6 160 6589101132.3435.8739.2942.5925.3928,1630.8433.43220.9238.1253.4266.9975.41066.81152.01231.267.9773.2777.9882.13121.9133.3144.O153.9 注:理论质量计算。
方钢尺寸规格参数表(1)尺寸规格见表6 —40-表6 —45。
国标号GB/76728-2007表6-40冷拔无缝方形钢管的尺寸规格注:理论质量计算G=0.0157S(A+A —2.8584S)式中G --------- 每米钢管的质量(kg / m);A ------- 方形钢管的边长(mm);S——方形钢管的公称壁厚(mm).以钢管R=1.5S时,钢的密度为7.85g / cm3的计算公式。
表6-41冷拔无缝矩形钢管的尺寸规格注:理论质量计算。
G=0.0157S(A+B —2.8584S)式中G ---------- 每米钢管的质量(k(m);A、B -------- 矩形钢管的长与宽(mm);S——矩形钢管的公称壁厚(mm)。
以钢管R=1.5S时,钢的密度为7-85g / cm3的计算公式。
表6-42冷拔无缝椭圆形钢管的尺寸规格2.5 4.523.55 5.4I 32.01 3.60 7.11 注:理论质量计算G=0.0123S(A+B —2S)式中G --------- 每米钢管的质量(kg / m);A、B——椭圆形钢管的长轴、短轴(mm);S——椭圆形钢管的公称壁厚(mm) o以钢的密度为7.85g/cm3的计算公式。
表6-43冷拔无缝平椭圆形钢管的尺寸规格根本尺寸截面面积F/cm2 理论质量C/ (kg/ m)惯性矩截面系数A B S Jx JY Wx Wymm cm4 cm36 3 O.8 0.103 0.0811 0.000985 O.00320 O.00557 0.01070.8 0.144 0.113 0.00277 O.00851 O.0138 O.0213 8 410.174 0.137 O.00305 O.00975 0.0152 0.0244 9 3 0.8 O.151 O.119 0.00159 0.0107 O.0106 0.0237O.8 O.186 O.146 0.00598 0.0178 0.0239 O.0357 10 51 O.226 0.177 O.00675 O.0208 0.0270 O.0416O.8 0.208 O.164 0.O0444 0.0275 O.0222 0.045812 41 O.254 O.200 O.00491 O.0323 0.0246 O.05380.8 O.227 O.178 O.O111 0.0323 O.0369 0.0538 6l O.277 0.0127 0.0380 O.0424 0.0634注:理论质量计算G=0.0157S(A+0.5708B —1.5708S) 式中G---------- 每米钢管的质量(kg/m)A、B——平椭圆钢管的长与宽(mm);S——平椭圆钢管的公称壁厚(mm)。
(1)尺寸规格见表6—40-表6—45。
表6-40冷拔无缝方形钢管的尺寸规格基本尺寸截面面积F/cm2 理论质量G/(kg/m) 惯性矩J x=J y/cm4 截面系数W x=W y/cm3 A Smm12O.81.0 O.3480 423O.2730.332O.0739O.0873O.123O.146141.01.5 0.503O.712O.394O.5590.144O.192O.2060.274161.O1.5 O.583O.832O.4580.653O.222O.300O.278O.37418 1.O1.52.O0.6630.9521.21O.5210.747O.952O.324O.4420.535O.360O.4910.59520 1.01.52.02.5O.7431.071.371.640.583O.8411.081.29O.4530.624O.763O.8740 453O.624O.763O.8742211.52O.8231.191.53O.646O.9361.20O.6120.8501.05O.556O.773O.953注:理论质量计算G=0.0157S(A+A一2.8584S)式中G——每米钢管的质量(kg/m);A——方形钢管的边长(mm);S——方形钢管的公称壁厚(mm).以钢管R=1.5S时,钢的密度为7.85g/cm3的计算公式。
表6-41冷拔无缝矩形钢管的尺寸规格基本尺寸截面面积F /cm2 理论质量G/(kg/m)惯性矩截面系数A B S Jx Jy Wx wymm cm4 cm3lO 50.8l O.203O.243O.160O.191O.0074O.0082O.0239O.02700.02970.03290.04780.054712 50.8l0.2350.2830.1850.222O.00880.0099O.0388O.0449O.0354O.0395O,0646O.0748 6O.8lO.251O.3030.1970.2380.01390.0157O.04380.0509O.0462O.05240.0730O.084914 60.811.50.2830.343O.471O.223O.269O.3700.0160O.0182O.02150.06540.0767O.09730.0535O.0608O.0715O.0935O.110O.139 70.8l1.50.299O.363O.501O.2350.285O.3940.0233O.02680.0324O.0724O.08520.109O.06650.0765O.0927O.104O.1220.156 10 O.8 O.347 O.273 O.0545 O.0934 O.109 0.1338 9 30.7434.0724.1326.75346.3375.8682.4751.681.4988.43105.9115.6140 80 7891028.0031.5434.9738.2921.9824.7627.4530.05290.8320.3347.3371.7715.1794.1867.8936.472.7080.0886.8l92.92102.2113.4124.O133.8150 75 7891028.7032.3435.8739.2922.5325.3928.1630.84266,0292.6316.8338.6814.6905.3990.11069.370.9378.0384.4790.29108.6120.7132.O142.6160 65 89101132.3435.8739.2942.5925.3928,1630.8433.43220.9238.1253.4266.9975.41066.81152.01231.267.9773.2777.9882.13121.9133.3144.O153.9注:理论质量计算。
G=0.0157S(A+B一2.8584S)式中G——每米钢管的质量(k(m);A、B——矩形钢管的长与宽(mm);S——矩形钢管的公称壁厚(mm)。
以钢管R=1.5S时,钢的密度为7-85g/cm3的计算公式。
表6-42冷拔无缝椭圆形钢管的尺寸规格注:理论质量计算G=0.0123S(A+B一2S)式中G——每米钢管的质量(kg/m);A、B——椭圆形钢管的长轴、短轴(mm);S——椭圆形钢管的公称壁厚(mm)。
以钢的密度为7.85g/cm3的计算公式。
表6-43冷拔无缝平椭圆形钢管的尺寸规格基本尺寸截面面积F/cm2 理论质量C/(kg/m)惯性矩截面系数A B S Jx JY Wx Wymm cm4 cm36 3 O.8 0.103 0.0811 0.000985 O.00320 O.00557 0.01078 40.81 0.1440.1740.1130.1370.00277O.00305O.00851O.00975O.01380.0152O.02130.02449 3 0.8 O.151 O.119 0.00159 O.Ol07 O.0106 0.023710 5O.81 O.186O.226O.1460.1770.00598O.006750.0178O.02080.02390.0270O.0357O.041612 4O.810.208O.254O.164O.2000.O0444O.004910.0275O.0323O.02220.02460.0458O.0538 60.8lO.227O.277O.1780.218O.O1110.01270.03230.0380O.0369O.04240.05380.063414 7 O.811.5O.2680.3290.4690.2100.2580.368O.01840.0214O.02680.0528O.0630O.0833O.0527O.06120.07660.07550.0900O.11915 5 0.8l1.5O.266O.326O.4650.209O.256O.365O.00955O.0108O.01270.05640.067lO.0887O.03820.0434O.0510O.0752O.08950.11816 8O.81 O.3090.3800.243O.2980.0285O.0335O.08100.09690.07130.0837O.10l0.12l注:理论质量计算G=0.02719S(B一1.2327S)式中G——每米钢管的质量(kg/m);B——六角钢管的对边距离(mm)S——六角钢管的公称壁厚(mm)。
以钢管R=1.5S时,钢的密度为7.85/cm3的计算公式。
表6-45冷拔无缝直角梯形钢管的尺寸规格基本尺寸截面面积F/cm2 理论质量G/(kg/m)惯性矩截面系数A B H S Jx Jx1 W xB W xAmm cm4 cm325 lO 30 2 1.68 1.32 1.88 6.5l 1.09 5.06 30 2520 2 1.68 1.32 1.0l 3.89 0.980 4.0l30 1.5 1.59 1.25 2.13 8.25 1.38 5.67 32 25 20 2 1.72 1.35 1.04 3.95 0.998 4.1235 20 35 1.8 2.07 1.62 3.56 12.95 1.87 8.14 30 25 2 2.09 1.64 2.00 7.75 1.56 6.36 25 30 2 2.18 1.71 2.88 10.82 1.82 7.634540 60 1.5 2.95 2.31 15.42 60.42 5.04 20.5432 50 1.8 3.01 2.36 10.90 41.09 4.13 17.4250 4035 1.5 2.27 1.78 4.55 17.42 2.51 10.3330 1.5 2.12 1.66 3.19 12.20 2.05 8.4530 1.7 2.39 1.87 3.55 13.57 2.28 9.40 35 60 2.2 4.25 3.34 21.65 81.50 6.82 28.86 45 301.2 1.77 1.392.76 10.79 l.81 7.321.42.05 1.613.16 12.36 2.07 8.391.72.47 1.943.73 14.60 2.45 9.9l注:1.冷拔无缝异型钢管适用于制作各种结构件及零件。
2.牌号及化学成分应符合GB/T699《优质碳素结构钢》及GB/T159l《低合金结构钢》的规定。