方钢尺寸规格参数表
- 格式:docx
- 大小:148.04 KB
- 文档页数:33
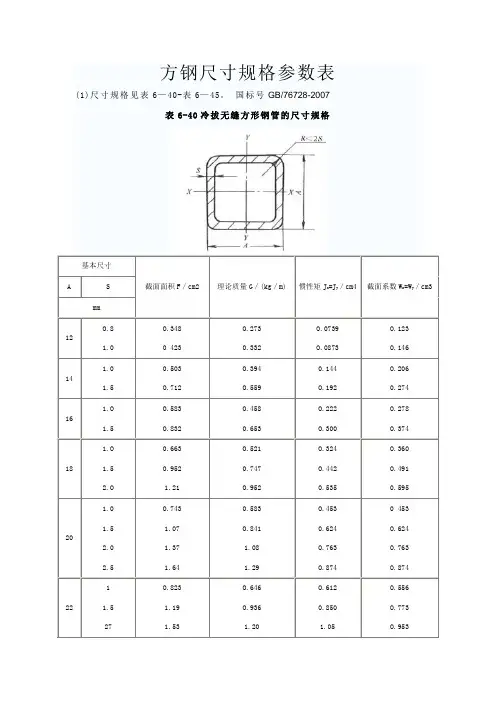
(1)尺寸规格见表6—40-表6—45。
表6-40冷拔无缝方形钢管的尺寸规格基本尺寸截面面积F/cm2 理论质量G/(kg/m) 惯性矩J x=J y/cm4 截面系数W x=W y/cm3 A Smm12O.81.0 O.3480 423O.2730.332O.0739O.0873O.123O.146141.01.5 0.503O.712O.394O.5590.144O.192O.2060.274161.O1.5 O.583O.832O.4580.653O.222O.300O.278O.37418 1.O1.52.O0.6630.9521.21O.5210.747O.952O.324O.4420.535O.360O.4910.59520 1.01.52.02.5O.7431.071.371.640.583O.8411.081.29O.4530.624O.763O.8740 453O.624O.763O.8742211.52O.8231.191.53O.646O.9361.20O.6120.8501.05O.556O.773O.953注:理论质量计算G=0.0157S(A+A一2.8584S)式中G——每米钢管的质量(kg/m);A——方形钢管的边长(mm);S——方形钢管的公称壁厚(mm).以钢管R=1.5S时,钢的密度为7.85g/cm3的计算公式。
表6-41冷拔无缝矩形钢管的尺寸规格基本尺寸截面面积F /cm2 理论质量G/(kg/m)惯性矩截面系数A B S Jx Jy Wx wymm cm4 cm3lO 50.8l O.203O.243O.160O.191O.0074O.0082O.0239O.02700.02970.03290.04780.054712 50.8l0.2350.2830.1850.222O.00880.0099O.0388O.0449O.0354O.0395O,0646O.0748 6O.8lO.251O.3030.1970.2380.01390.0157O.04380.0509O.0462O.05240.0730O.084914 60.811.50.2830.343O.471O.223O.269O.3700.0160O.0182O.02150.06540.0767O.09730.0535O.0608O.0715O.0935O.110O.139 70.8l1.50.299O.363O.501O.2350.285O.3940.0233O.02680.0324O.0724O.08520.109O.06650.0765O.0927O.104O.1220.156 10 O.8 O.347 O.273 O.0545 O.0934 O.109 0.1338 9 30.7434.0724.1326.75346.3375.8682.4751.681.4988.43105.9115.6140 80 7891028.0031.5434.9738.2921.9824.7627.4530.05290.8320.3347.3371.7715.1794.1867.8936.472.7080.0886.8l92.92102.2113.4124.O133.8150 75 7891028.7032.3435.8739.2922.5325.3928.1630.84266,0292.6316.8338.6814.6905.3990.11069.370.9378.0384.4790.29108.6120.7132.O142.6160 65 89101132.3435.8739.2942.5925.3928,1630.8433.43220.9238.1253.4266.9975.41066.81152.01231.267.9773.2777.9882.13121.9133.3144.O153.9注:理论质量计算。
不锈钢方钢规格型号尺寸不锈钢方钢是一种常见的不锈钢材料,通常用于制造机械配件、建筑结构、压力容器和食品加工设备等领域。
不锈钢方钢规格型号尺寸多样,常用的规格有304、316、201等,下面就不锈钢方钢的规格型号尺寸进行详细介绍。
1. 304不锈钢方钢:304不锈钢是最常用的一种不锈钢材料,具有良好的耐腐蚀性和可塑性。
常用的304不锈钢方钢规格有10mm×10mm、12mm×12mm、15mm×15mm等。
其中,方钢的尺寸一般是指边长,例如10mm×10mm的方钢即指每条边长为10mm。
2. 316不锈钢方钢:316不锈钢是一种采用镍、钼等元素进行合金化的不锈钢材料,能够在高温和腐蚀环境中保持较好的性能。
常用的316不锈钢方钢规格有10mm×10mm、12mm×12mm、15mm×15mm等。
3. 201不锈钢方钢:201不锈钢是一种低镍不锈钢,具有良好的耐腐蚀性和可塑性,适用于一般的室内环境。
常用的201不锈钢方钢规格有10mm×10mm、12mm×12mm、15mm×15mm 等。
除了上述常用规格外,不锈钢方钢还有其他非标准尺寸,可以根据客户的要求进行定制。
例如,不锈钢方钢的尺寸可以根据厚度、宽度和长度来标识,如20mm×20mm×3mm代表边长为20mm,厚度为3mm的不锈钢方钢。
同时,不锈钢方钢也可以根据用途和特殊要求进行特殊加工,如圆角、孔洞等。
总的来说,不锈钢方钢规格型号尺寸多样,常用的规格有304、316、201等。
不同规格的不锈钢方钢适用于不同的领域和环境,客户可以根据自身需求选择合适的规格和尺寸。
在使用不锈钢方钢时,还应注意根据具体的应用场景和要求选择材质、加工工艺和表面处理,以确保其性能和寿命。
(1)尺寸规格见表6—40-表6—45。
表6-40冷拔无缝方形钢管的尺寸规格基本尺寸截面面积F/cm2 理论质量G/(kg/m) 惯性矩J x=J y/cm4 截面系数W x=W y/cm3 A Smm12O.81.0 O.3480 423O.2730.332O.0739O.0873O.123O.146141.01.5 0.503O.712O.394O.5590.144O.192O.2060.274161.O1.5 O.583O.832O.4580.653O.222O.300O.278O.37418 1.O1.52.O0.6630.9521.21O.5210.747O.952O.324O.4420.535O.360O.4910.59520 1.01.52.02.5O.7431.071.371.640.583O.8411.081.29O.4530.624O.763O.8740 453O.624O.763O.8742211.52O.8231.191.53O.646O.9361.20O.6120.8501.05O.556O.773O.953注:理论质量计算G=0.0157S(A+A一2.8584S)式中G——每米钢管的质量(kg/m);A——方形钢管的边长(mm);S——方形钢管的公称壁厚(mm).以钢管R=1.5S时,钢的密度为7.85g/cm3的计算公式。
表6-41冷拔无缝矩形钢管的尺寸规格基本尺寸截面面积F /cm2 理论质量G/(kg/m)惯性矩截面系数A B S Jx Jy Wx wymm cm4 cm3lO 50.8l O.203O.243O.160O.191O.0074O.0082O.0239O.02700.02970.03290.04780.054712 50.8l0.2350.2830.1850.222O.00880.0099O.0388O.0449O.0354O.0395O,0646O.0748 6O.8lO.251O.3030.1970.2380.01390.0157O.04380.0509O.0462O.05240.0730O.084914 60.811.50.2830.343O.471O.223O.269O.3700.0160O.0182O.02150.06540.0767O.09730.0535O.0608O.0715O.0935O.110O.139 70.8l1.50.299O.363O.501O.2350.285O.3940.0233O.02680.0324O.0724O.08520.109O.06650.0765O.0927O.104O.1220.156 10 O.8 O.347 O.273 O.0545 O.0934 O.109 0.1338 9 30.7434.0724.1326.75346.3375.8682.4751.681.4988.43105.9115.6140 80 7891028.0031.5434.9738.2921.9824.7627.4530.05290.8320.3347.3371.7715.1794.1867.8936.472.7080.0886.8l92.92102.2113.4124.O133.8150 75 7891028.7032.3435.8739.2922.5325.3928.1630.84266,0292.6316.8338.6814.6905.3990.11069.370.9378.0384.4790.29108.6120.7132.O142.6160 65 89101132.3435.8739.2942.5925.3928,1630.8433.43220.9238.1253.4266.9975.41066.81152.01231.267.9773.2777.9882.13121.9133.3144.O153.9注:理论质量计算。
方钢尺寸规格参数表(1)尺寸规格见表6—40-表6—45。
国标号GB/76728-2007表6-40冷拔无缝方形钢管的尺寸规格基本尺寸截面面积F/cm2理论质量G/(kg/m)惯性矩J x=J y/cm4截面系数W x=W y/cm3 A%Smm^120 423-14·16:18:20。
0 453注:理论质量计算G=(A+A一式中G——每米钢管的质量(kg/m);A——方形钢管的边长(mm);S——方形钢管的公称壁厚(mm).以钢管R=时,钢的密度为/cm3的计算公式。
表6-41冷拔无缝矩形钢管的尺寸规格*基本尺寸截面面积F/cm2理论质量G/(kg/m)惯性矩截面系数A B S Jx Jy Wx wymm cm4(cm3lO5l~125&l:O,06466l…14'61:;910%160"65891011—28,16!注:理论质量计算。
)G=(A+B一式中G——每米钢管的质量(k(m);A、B——矩形钢管的长与宽(mm);S——矩形钢管的公称壁厚(mm)。
以钢管R=时,钢的密度为7-85g/cm3的计算公式。
表6-42冷拔无缝椭圆形钢管的尺寸规格基本尺寸截面面积F|/cm2理论质量C/(kg/m)惯性矩截面系数A B S Jx JY Wx Wymm cm4cm3】3422*| 562$·9030、2|,注:理论质量计算G=(A+B一2S)式中G——每米钢管的质量(kg/m);A、B——椭圆形钢管的长轴、短轴(mm);S——椭圆形钢管的公称壁厚(mm)。
以钢的密度为cm3的计算公式。
表6-43冷拔无缝平椭圆形钢管的尺寸规格基本尺寸截面面积F¥理论质量C/(kg/m)惯性矩截面系数A B S~JY Wx Wy272~242/( 80402,?81272.%9030、2,—注:理论质量计算G=(A+一式中G——每米钢管的质量(kg/m)A、B——平椭圆钢管的长与宽(mm);S——平椭圆钢管的公称壁厚(mm)。
方钢尺寸规格表1(总31页) -CAL-FENGHAI.-(YICAI)-Company One1-CAL-本页仅作为文档封面,使用请直接删除方钢尺寸规格表(1)尺寸规格见表6—40-表6—45。
国标号GB/76728-2007表6-40冷拔无缝方形钢管的尺寸规格基本尺寸截面面积F/cm2 理论质量G/(kg/m)惯性矩J x=J y/cm4截面系数W x=W y/cm3 A Smm120 423141618200 453221272533031108 9注:理论质量计算G=(A+A一式中 G——每米钢管的质量(kg/m);A——方形钢管的边长(mm);S——方形钢管的公称壁厚(mm).以钢管R=时,钢的密度为/cm3的计算公式。
表6-41冷拔无缝矩形钢管的尺寸规格基本尺寸截面面积F /cm2理论质量G/(kg/m)惯性矩截面系数A B S Jx Jy Wx wymm cm4cm3lO5l125lO,06466l14617l注:理论质量计算。
G=(A+B一式中 G——每米钢管的质量(k(m);A、B——矩形钢管的长与宽(mm);S——矩形钢管的公称壁厚(mm)。
以钢管R=时,钢的密度为7-85g/cm3的计算公式。
表6-42冷拔无缝椭圆形钢管的尺寸规格基本尺寸截面面积F/cm2理论质量C/(kg/m)惯性矩截面系数A B S Jx JY Wx Wymm cm4cm363841lO517112416注:理论质量计算G=(A+B一2S)式中 G——每米钢管的质量(kg/m);A、B——椭圆形钢管的长轴、短轴(mm);S——椭圆形钢管的公称壁厚(mm)。
以钢的密度为cm3的计算公式。
表6-43冷拔无缝平椭圆形钢管的尺寸规格基本尺寸截面面积F/cm2理论质量C/(kg/m)惯性矩截面系数A B S Jx JY Wx Wymm cm4cm36384193105112416l1471 155l 1681 171218612691712,470351272242804028127290302注:理论质量计算G=(A+一式中 G——每米钢管的质量(kg/m)A、B——平椭圆钢管的长与宽(mm);S——平椭圆钢管的公称壁厚(mm)。
方钢规格尺寸表方钢作为一种常见的钢材产品,在建筑、制造业和其他工业领域中得到广泛应用。
方钢的规格尺寸对于选择合适的材料和参与相应项目的设计和施工至关重要。
本文将介绍方钢的规格尺寸表,以帮助读者更好地了解方钢的尺寸标准。
方钢的尺寸标准通常包括边长和厚度两个方面。
不同的国家和地区可能有不同的尺寸标准,以下是一些常见的方钢规格尺寸表。
1. GB/T 706-2008国家标准(中国标准):- 方钢型号:Q235、Q275、Q345等- 规格尺寸:边长为20mm-200mm,厚度为3mm-20mm2. ASTM A36标准(美国标准):- 方钢型号:A36- 规格尺寸:边长为3/8英寸-8英寸,厚度为1/8英寸-2英寸3. EN 10025标准(欧洲标准):- 方钢型号:S235JR、S275JR、S355JR等- 规格尺寸:边长为20mm-200mm,厚度为3mm-20mm需要注意的是,以上只是方钢规格尺寸表的一部分示例。
在实际应用中,不同的项目和要求可能需要使用特定的方钢规格尺寸。
因此,在选择方钢材料之前,应仔细查看项目或相关标准中的具体规格要求。
方钢规格尺寸表的重要性在于:- 确保材料的质量和性能:通过使用符合规格要求的方钢材料,可以确保项目的结构稳定性和安全性。
- 提高施工效率:根据规格尺寸表提前确定所需方钢的尺寸和数量,有助于准确计算和采购所需材料,从而提高施工进度。
- 降低成本:合理使用规格尺寸表,可以减少浪费材料的情况,降低材料采购成本。
除了方钢的边长和厚度规格外,还有一些其他因素也需要考虑。
例如,方钢的截面形状可以是正方形、矩形或其他非规则形状。
此外,方钢材料的硬度、强度和化学成分等也会在选择时起到重要作用。
同时,方钢在实际应用中往往需要进行切割、焊接和表面处理等加工。
因此,在选择方钢规格尺寸时,还需要考虑这些后续加工的需求。
总之,方钢规格尺寸表是选择合适材料并参与相关项目的重要依据。
通过了解和应用规格尺寸表,能够确保方钢的质量、有效管理材料采购成本、提高施工效率和降低项目风险。
方钢尺寸规格全参数表-六方钢规格(共31页)--本页仅作为文档封面,使用时请直接删除即可----内页可以根据需求调整合适字体及大小--方钢尺寸规格参数表(1)尺寸规格见表6—40-表6—45。
国标号GB/76728-2007表6-40冷拔无缝方形钢管的尺寸规格基本尺寸截面面积F/cm2理论质量G/(kg/m)惯性矩J x=J y/cm4截面系数W x=W y/cm3 A Smm120 423141618200 453221 27253 30311089注:理论质量计算G=(A+A一式中 G——每米钢管的质量(kg/m);A——方形钢管的边长(mm);S——方形钢管的公称壁厚(mm).以钢管R=时,钢的密度为/cm3的计算公式。
表6-41冷拔无缝矩形钢管的尺寸规格基本尺寸截面面积F /cm2理论质量G/(kg/m)惯性矩截面系数A B S Jx Jy Wx wymm cm4cm3lO5l125lO,06466l14617l注:理论质量计算。
G=(A+B一式中 G——每米钢管的质量(k(m);A、B——矩形钢管的长与宽(mm);S——矩形钢管的公称壁厚(mm)。
以钢管R=时,钢的密度为7-85g/cm3的计算公式。
表6-42冷拔无缝椭圆形钢管的尺寸规格基本尺寸截面面积F/cm2理论质量C/(kg/m)惯性矩截面系数A B S Jx JY Wx Wymm cm4cm363841lO 51711241 6注:理论质量计算G=(A+B一2S)式中 G——每米钢管的质量(kg/m);A、B——椭圆形钢管的长轴、短轴(mm);S——椭圆形钢管的公称壁厚(mm)。
以钢的密度为cm3的计算公式。
表6-43冷拔无缝平椭圆形钢管的尺寸规格基本尺寸截面面积F/cm2理论质量C/(kg/m)惯性矩截面系数A B S Jx JY Wx Wymm cm4cm36384193105112416l1471 155l 1681 171218612691712,470351272242804028127290302注:理论质量计算G=(A+一式中 G——每米钢管的质量(kg/m)A、B——平椭圆钢管的长与宽(mm);S——平椭圆钢管的公称壁厚(mm)。
方钢尺寸规格参数表(1)尺寸规格见表6—40-表6—45。
国标号GB/76728-2007表6-40冷拔无缝方形钢管的尺寸规格基本尺寸截面面积F/cm2 理论质量G/(kg/m) 惯性矩J x=J y/cm4 截面系数W x=W y/cm3 A Smm12O.81.0O.3480 423O.2730.332O.0739O.0873O.123O.146141.01.50.503O.712O.394O.5590.144O.192O.2060.274161.O1.5O.583O.832O.4580.653O.222O.300O.278O.374181.O1.52.O0.6630.9521.21O.5210.747O.952O.324O.4420.535O.360O.4910.595201.01.52.02.5O.7431.071.371.640.583O.8411.081.29O.4530.624O.763O.8740 453O.624O.763O.8742211.527O.8231.191.53O.646O.9361.20O.6120.8501.05O.556O.773O.953注:理论质量计算G=0.0157S(A+A一2.8584S)式中G——每米钢管的质量(kg/m);A——方形钢管的边长(mm);S——方形钢管的公称壁厚(mm).以钢管R=1.5S时,钢的密度为7.85g/cm3的计算公式。
表6-41冷拔无缝矩形钢管的尺寸规格基本尺寸截面面积F/cm2理论质量G/(kg/m)惯性矩截面系数A B S Jx Jy Wx wymm cm4 cm3lO 50.8lO.203O.243O.160O.191O.0074O.0082O.0239O.02700.02970.03290.04780.0547 1250.8l0.2350.2830.1850.222O.00880.0099O.0388O.0449O.0354O.0395O,0646O.0748 6O.8lO.251O.3030.1970.2380.01390.0157O.04380.0509O.0462O.05240.0730O.0849 1460.811.50.2830.343O.471O.223O.269O.3700.0160O.0182O.02150.06540.0767O.09730.0535O.0608O.0715O.0935O.110O.139 70.8l1.50.299O.363O.501O.2350.285O.3940.0233O.02680.0324O.0724O.08520.109O.06650.0765O.0927O.104O.1220.15610 O.8 O.347 O.273 O.0545 O.0934 O.109 0.1338930.7434.0724.1326.75346.3375.8682.4751.681.4988.43105.9115.6 140 807891028.0031.5434.9738.2921.9824.7627.4530.05290.8320.3347.3371.7715.1794.1867.8936.472.7080.0886.8l92.92102.2113.4124.O133.8 150 757891028.7032.3435.8739.2922.5325.3928.1630.84266,0292.6316.8338.6814.6905.3990.11069.370.9378.0384.4790.29108.6120.7132.O142.6 160 6589101132.3435.8739.2942.5925.3928,1630.8433.43220.9238.1253.4266.9975.41066.81152.01231.267.9773.2777.9882.13121.9133.3144.O153.9 注:理论质量计算。
!- 方钢尺寸规格参数表 (1)尺寸规格见表6 — 40-表6 — 45。 国标号GB/76728-2007 表6-40冷拔无缝方形钢管的尺寸规格 r . “埠・1
基本尺寸 截面面积F/ cm2 理论质量G/ (kg / m) 惯性矩Jx=Jy/ cm4 截面系数W=W/ cm3 A S
mm
12 O.8 1.0 O.348 0 423 O.273 0.332 O.0739 O.0873 O.123 O.146
14 1.0 1.5 0.503 O.712 0.394 O.559 0.144 O.192 O.206 0.274
16 1.O 1.5 O.583 O.832 O.458 0.653 O.222 O.300 O.278
O.374
18 1.O 1.5
2.O
0.663 0.952 1.21 O.521 0.747 O.952 O.324 O.442 0.535 O.360
O.491 0.595
20 1.0 1.5 2.0 2.5 O.743 1.07 1.37 1.64 0.583 O.841 1.08 1.29 O.453 0.624 O.763 O.874 0 453 O.624 O.763 O.874 !- 22 1 1.5 27 O.823 1.19 1.53 O.646 O.936 1.20 O.612 0.850 1.05 O.556 O.773 O.953 !- 2.5 1.84 1.45 1.21 1.10 25 2.5 2.14 1.68 1.86 1.49 3 2.49 1.95 2.08 1.57
2.5 2.64 2.08 3.41 2.27
30 3 3.01 2.42 3.86 2.58 3.5 3.50 2.75 4.25 2.83
4 3.89 3.05 4.58 3.05 2.5 2.84 2.23 4.21 2.63 32 3 3.33 2.61 4.79 3.00 3.5 3 78 2.97 5.29 3.31 32 4 4.21 3.30 5.73 3.58 2.5 3.14 2.47 5.54 3.22 3 3.69 2.89 6.45 3.68 35 3.5 4.20 3.30 7.16 4.09 4 4.68 3.68 7.78 4.45 5 5.58 4.38 8.79 5.02 2.5 3.24 2.55 6.18 3.43 3 3.81 2.99 7.07 3.93 36 3.5 4.3_4 3.41 7.87 4.37 4 4.85 3.81 8.56 4.76 5 5.75 4.53 9.70 5.39 2.5 3.64 2.86 8.68 4.34 3 4.29 3.37 9.98 4.99
40 3.5 4.90 3.85 11.16 5.58 4 5.49 4.31 12.21 6.11 5 6.58 5.16 13.98 6.99 6 7.55 5.93 15.34 7.67
42 2.5 3.84 3.02 10.15 4.83 3 4.53 3.55 11.70 5.57 !- 3.5 5.18 4.07 13.10 6.24 4 5.81 4.56 14.37 6.84 5 6.98 5.48 16.56 7.87 6 8.03 6.30 18.22 8.58 3.5 5.60 4.40 16.43 7.30 45 4 6.23 4.94 18.07 8.03 5 7.58 5.95 20.90 9.29
6 8.75 6.87 23.19 1O.31 45 7 9.81 7.80 24.97 11.10 8 10.8 8.44 26.30 11.59 4 7.09 5.56 25.56 10.22 5 8.58 6.73 29.81 11.93 50 6 9.95 7.8l 33.35 13.34 7 11.21 8.80 36.23 14.49 8 12.35 9.70 38.51 15.41 4 7.89 6.19 34.87 12.58 5 9.58 7.52 40.95 14.89 55 6 11.15 8.75 46.13 16.77 7 12.51 9.90 50.47 18.35 8 13.95 10.95 54.04 19.65 4 8.69 6.82 46.21 15.4 5 10.58 8.30 54.57 18.19 60 6 12.35 9.69 61.82 20.61 7 14.01 11.00 68.03 22.68 8 15.55 12.21 73.28 24.43 4 9.49 7.45 59.78 18.39 5 11.58 9.07 70.92 21.82 65
6 13.55 10.64 80.72 24.84
7 15.41 12.10 89.27 27.46 !- 8 17.15 13.47 96.64 29.74
70 4 5 6 10.29 12.58 14.7 8.08 9.87 11.58 75.78 90.26 103.1 21.65
25.79 29.47
70 7 8 16.81 18.75 13.19 14.72 114.5 124.5 32.72 35.57
75 4 5 6 7 8 11.09 13.58 15.95 18 21 20.35 8.70 10.66 12.52 14.29 15.98 94.4 112.8 129.4 144.2 157.3 25.17
30.08 34.50 38.44 41.94
80 4 5 6 7 8 11.89 14.58 17.15 19.61 21.95 9.33 11.44 13.46 15.39 17.23 115.9 138.9 159.7 178.5 195.4 28.96 34.72 39.93 44.63 48.85 5 6 7 8 16.98 20.03 22.97 25.79 13.33 15.72 18.03 20.25 217.1 251.1 282.3 310.9 47.19 54.59 61.38 67.58
100 5 6 7 8 18.58 21.95 25.21 28.35 14.58 17.23 19.79 22.26 282.8 328.2 370.2 408.9 56.57 65.54 74.04 81.78
110 7 8 9 28.01 31.55 34.98 21.99 24.77 27.46 503.4 557.9 608.4 91.54 101.4 11O.6
注:理论质量计算 G=0.0157S(A+A — 2.8584S) !- 式中 G ----------- 每米钢管的质量(kg / m); A ------ 方形钢管的边长(mm); S——方形钢管的公称壁厚(mm). 以钢管R=1.5S时,钢的密度为7.85g / cm3的计算公式。 表6-41冷拔无缝矩形钢管的尺寸规格
& 2.K
基本尺寸 截面面积F / cm2 理论质量G /(kg / m) 惯性矩 截面系数 A B S Jx Jy Wx wy mm cm4 cm3
0.8 O.203 O.160 O.0074 O.0239 0.0297 0.0478 10 5 l O.243 O.191 O.0082 O.0270 0.0329 0.0547
0.8 0.235 0.185 O.0088 O.0388 O.0354 O, 0646
12 5 l 0.283 0.222 0.0099 O.0449 O.0395 O.0748
6 O.8 O.251 0.197 0.0139 O.0438 O.0462 0.0730 l O.303 0.238 0.0157 0.0509 O.0524 O.0849
0.8 0.283 O.223 0.0160 0.0654 0.0535 O.0935 6 1 0.343 O.269 O.0182 0.0767 O.0608 O.110 1.5 O.471 O.370 O.0215 O.0973 O.0715 O.139 14 0.8 0.299 O.235 0.0233 O.0724 O.0665 O.104 7 l O.363 0.285 O.0268 O.0852 0.0765 O.122 1.5 O.501 O.394 0.0324 0.109 O.0927 0.156 10 O.8 O.347 O.273 O.0545 O.0934 O.109 0.133 !- 1 1.5 2 0.423 0.591 0.731 0.332 0.464 0.574 0.0640 0.0818 0.0925 0.111 0.144 0.167 0.128 0.164 0.185 0.158 0.206 0.238
15 6 0.8 1 1.5 2 0.299 0.363 0.501 0.611 0.235 0.285 0.394 0.480 0.0171 0.0195 0.0230 0.0240 0.0784 0.0922 0.118 0.133 0.0571 0.0651 0.0768 0.0799 0.105 0.123 0.157 0.177
16 8 O.8 11.5 2
0.347 0.423 0.591 0.731 0.273 0.332 0.464 0.574 0.0362 0.0421 0.0525 0.0579 0.111 0.132 0.173 0.200 0.0905 0.105 0.131 0.145 0.139 0.165 0.216 0.250
12 0.8 1 1.5 2 0.411 0.503 0.711 0.891 0.323 0.395 0.559 0.700 0.0941 0.112 0.147 0.170 0.148 0.177 0.236 0.279 0.157 0.186 0.244 0.284 0.186 0.222 0.295 0.349
18 9 0.8 1 1.5 2 0.395 0.483 0.681 0.851 0.310 0.379 0.535 0.668 0.0532 0.0624 0.0796 0.0897 0.162 0.194 0.258 0.304 0.118 0.139 0.177 0.199 0.180 0.215 0.287 0.337
10 0.2 1 1.5 2 0.411 0.503 0.711 0.891 0.323 0.395 0.559 0.700 0.0680 0.0802 0.1037 0.119 0.174 0.208 0.278 0.329 0.136 0.161 0.207 0.237 0.194 0.231 0.309 0.366