方钢尺寸规格全参数表
- 格式:doc
- 大小:948.89 KB
- 文档页数:31
注:理论质量计算
G=(A+A一
式中 G——每米钢管的质量(kg/m);
A——方形钢管的边长(mm);
S——方形钢管的公称壁厚(mm).
以钢管R=时,钢的密度为/cm3的计算公式。
格规寸尺的管钢形矩缝无拔冷6-41表.
注:理论质量计算
G=(A+一
式中 G——每米钢管的质量(kg/m) A、B——平椭圆钢管的长与宽(mm); S——平椭圆钢管的公称壁厚(mm)。
式公算计的cm3为度密的钢以.
G=(2hs+AS+BS-
tan
a=ascta
A-
(kg/m)
(mm
(mm
(mm
S——直角梯形钢管的公称壁厚(mm)。
以上钢管R=时,钢的密度为/cm3的计算公式。
(2)允许偏差见表6-46、表6-47
表6-46冷拔无缝异型钢管的尺寸允许偏差
精确度边凹凸度精确度壁厚尺寸/mm /mm 普通级高级普通级高级普通级高级士±≤1 士±边长≤30.
注:1.冷拔无缝异型钢管适用于制作各种结构件及零件。
2.牌号及化学成分应符合GB/T699《优质碳素结构钢》及GB/T159l《低合金结构钢》的规定。
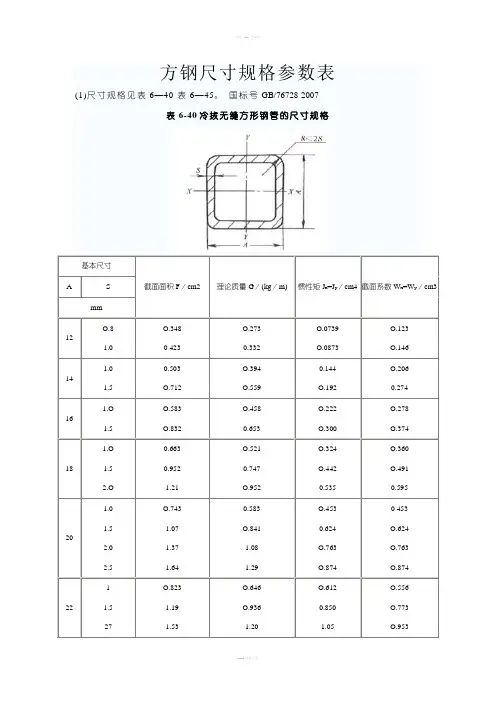
方钢尺寸规格参数表(1)尺寸规格见表6—40-表6—45。
国标号GB/76728-2007表6-40冷拔无缝方形钢管的尺寸规格基本尺寸截面面积F/cm2 理论质量G/(kg/m)惯性矩J x=J y/cm4截面系数W x=W y/cm3 A Smm120 423141618200 45322181005 6 7 81107 8 9注:理论质量计算G=(A+A一式中G——每米钢管的质量(kg/m);A——方形钢管的边长(mm);S——方形钢管的公称壁厚(mm).以钢管R=时,钢的密度为/cm3的计算公式。
表6-41冷拔无缝矩形钢管的尺寸规格基本尺寸截面面积F /cm2理论质量G/(kg/m)惯性矩截面系数A B S Jx Jy Wx wymm cm4cm3注:理论质量计算。
G=(A+B一式中G——每米钢管的质量(k(m);A、B——矩形钢管的长与宽(mm);S——矩形钢管的公称壁厚(mm)。
以钢管R=时,钢的密度为7-85g/cm3的计算公式。
表6-42冷拔无缝椭圆形钢管的尺寸规格基本尺寸截面面积F/cm2理论质量C/(kg/m)惯性矩截面系数A B S Jx JY Wx Wymm cm4cm363841lO 51711241注:理论质量计算G=(A+B一2S)式中G——每米钢管的质量(kg/m);A、B——椭圆形钢管的长轴、短轴(mm);S——椭圆形钢管的公称壁厚(mm)。
以钢的密度为cm3的计算公式。
表6-43冷拔无缝平椭圆形钢管的尺寸规格基本尺寸截面面积F/cm2理论质量C/(kg/m)惯性矩截面系数A B S Jx JY Wx Wymm cm4cm3 6384193105112416l147115590302注:理论质量计算G=(A+一式中G——每米钢管的质量(kg/m)A、B——平椭圆钢管的长与宽(mm);S——平椭圆钢管的公称壁厚(mm)。
以钢的密度为cm3的计算公式。
表6-44冷拔无缝内外六角形钢管的尺寸规格基本尺寸截面面积F/cm2理论质量C/(kg/m)惯性矩截面系数B S Jx=JY Wx Wymm cm4cm382102122142172注:理论质量计算G=(B一式中G——每米钢管的质量(kg/m);B——六角钢管的对边距离(mm)S——六角钢管的公称壁厚(mm)。
(完整版)常用方钢尺寸表常用方钢尺寸表 (完整版)下面是一份常用方钢尺寸表的完整版,其中包含了常见的方钢尺寸和相应的尺寸标识。
请注意,以下尺寸仅供参考,具体使用时需要根据实际需求进行确认。
20x20mm 方钢- 尺寸标识:20x20- 重量:2.47kg/m25x25mm 方钢- 尺寸标识:25x25- 重量:3.85kg/m30x30mm 方钢- 尺寸标识:30x30- 重量:5.57kg/m40x40mm 方钢- 尺寸标识:40x40 - 重量:7.53kg/m50x50mm 方钢- 尺寸标识:50x50 - 重量:9.37kg/m60x60mm 方钢- 尺寸标识:60x60 - 重量:13.2kg/m70x70mm 方钢- 尺寸标识:70x70 - 重量:16.5kg/m80x80mm 方钢- 尺寸标识:80x80 - 重量:20.2kg/m90x90mm 方钢- 尺寸标识:90x90- 重量:24.2kg/m100x100mm 方钢- 尺寸标识:100x100- 重量:29.6kg/m请注意,尺寸标识中的数字表示方钢的边长,重量单位为千克每米。
该尺寸表仅提供方钢的常用尺寸和相应重量的参考,具体的尺寸和重量还需根据实际需求进行确认。
如需进一步了解方钢的规格和应用,请参考相关的产品资料和标准规范。
根据您的要求,我为您提供了一份包含常用方钢尺寸和相应尺寸标识的完整版尺寸表。
尺寸表中列出了常见的方钢尺寸,每个尺寸都标有相应的尺寸标识和重量。
请注意,该尺寸表仅供参考,具体的尺寸和重量还需根据实际需求进行确认。
如需了解更多关于方钢的规格和应用信息,请参考相关的产品资料和标准规范。
方钢尺寸规格参数表(1)尺寸规格见表6—40-表6—45。
国标号GB/76728-2007表6-40冷拔无缝方形钢管的尺寸规格根本尺寸截面面积F/cm2 理论质量G/(kg/m) 惯性矩J x=J y/cm4 截面系数W x=W y/cm3 A Smm120 4231416180 4532012227注:理论质量计算G=0.0157S(A+A一2.8584S)式中G——每米钢管的质量(kg/m);A——方形钢管的边长(mm);S——方形钢管的公称壁厚(mm).以钢管R=1.5S时,钢的密度为7.85g/cm3的计算公式。
表6-41冷拔无缝矩形钢管的尺寸规格根本尺寸截面面积F /cm2 理论质量G/(kg/m)惯性矩截面系数A B S Jx Jy Wx wymm cm4 cm3lO 5l12 5lO,06466l146 17 l109140 807 8 9 10150 7578910266,0160 6589101128,16注:理论质量计算。
G=0.0157S(A+B一2.8584S)式中G——每米钢管的质量(k(m);A、B——矩形钢管的长与宽(mm);S——矩形钢管的公称壁厚(mm)。
以钢管R=1.5S时,钢的密度为7-85g/cm3的计算公式。
表6-42冷拔无缝椭圆形钢管的尺寸规格注:理论质量计算G=0.0123S(A+B一2S)式中G——每米钢管的质量(kg/m);A、B——椭圆形钢管的长轴、短轴(mm);S——椭圆形钢管的公称壁厚(mm)。
以钢的密度为7.85g/cm3的计算公式。
表6-43冷拔无缝平椭圆形钢管的尺寸规格根本尺寸截面面积F/cm2 理论质量C/(kg/m)惯性矩截面系数A B S Jx JY Wx Wymm cm4 cm36 38 419 310 5112 416l14 7 115 5 l16 81270 351272 24 280 40 281 27 290 30 2注:理论质量计算G=0.0157S(A+0.5708B一1.5708S)式中G——每米钢管的质量(kg/m)A、B——平椭圆钢管的长与宽(mm);S——平椭圆钢管的公称壁厚(mm)。
方钢尺寸规格表2017(共31页)--本页仅作为文档封面,使用时请直接删除即可----内页可以根据需求调整合适字体及大小--方钢尺寸规格表(1)尺寸规格见表6—40-表6—45。
国标号GB/76728-2007表6-40冷拔无缝方形钢管的尺寸规格基本尺寸截面面积F/cm2 理论质量G/(kg/m)惯性矩J x=J y/cm4截面系数W x=W y/cm3 A Smm120 423141618200 453221 27253 30311089注:理论质量计算G=(A+A一式中 G——每米钢管的质量(kg/m);A——方形钢管的边长(mm);S——方形钢管的公称壁厚(mm).以钢管R=时,钢的密度为/cm3的计算公式。
表6-41冷拔无缝矩形钢管的尺寸规格基本尺寸截面面积F /cm2理论质量G/(kg/m)惯性矩截面系数A B S Jx Jy Wx wymm cm4cm3lO5l125lO,06466l14617l注:理论质量计算。
G=(A+B一式中 G——每米钢管的质量(k(m);A、B——矩形钢管的长与宽(mm);S——矩形钢管的公称壁厚(mm)。
以钢管R=时,钢的密度为7-85g/cm3的计算公式。
表6-42冷拔无缝椭圆形钢管的尺寸规格基本尺寸截面面积F/cm2理论质量C/(kg/m)惯性矩截面系数A B S Jx JY Wx Wymm cm4cm363841lO 51711241 6注:理论质量计算G=(A+B一2S)式中 G——每米钢管的质量(kg/m);A、B——椭圆形钢管的长轴、短轴(mm);S——椭圆形钢管的公称壁厚(mm)。
以钢的密度为cm3的计算公式。
表6-43冷拔无缝平椭圆形钢管的尺寸规格基本尺寸截面面积F/cm2理论质量C/(kg/m)惯性矩截面系数A B S Jx JY Wx Wymm cm4cm36384193105112416l1471 155l 1681 171218612691712,470351272242804028127290302注:理论质量计算G=(A+一式中 G——每米钢管的质量(kg/m)A、B——平椭圆钢管的长与宽(mm);S——平椭圆钢管的公称壁厚(mm)。
方钢尺寸规格参数表(1)尺寸规格见表6—40-表6—45。
国标号GB/76728-2007表6-40冷拔无缝方形钢管的尺寸规格基本尺寸截面面积F/cm2 理论质量G/(kg/m) 惯性矩J x=J y/cm4 截面系数W x=W y/cm3 A Smm12O.81.0 O.3480 423O.2730.332O.0739O.0873O.123O.146141.01.5 0.503O.712O.394O.5590.144O.192O.2060.274161.O1.5 O.583O.832O.4580.653O.222O.300O.278O.37418 1.O1.52.O0.6630.9521.21O.5210.747O.952O.324O.4420.535O.360O.4910.59520 1.01.52.02.5O.7431.071.371.640.583O.8411.081.29O.4530.624O.763O.8740 453O.624O.763O.8742211.527O.8231.191.53O.646O.9361.20O.6120.8501.05O.556O.773O.953252.53 2.142.491.681.951.862.081.491.5730 2.533.542.643.013.503.892.082.422.753.053.413.864.254.582.272.582.833.0532 2.533.52.843.333 782.232.612.974.214.795.292.633.003.3132 4 4.21 3.30 5.73 3.5835 2.533.5453.143.694.204.685.582.472.893.303.684.385.546.457.167.788.793.223.684.094.455.0236 2.533.5453.243.814.3_44.855.752.552.993.4l3.8l4.536.187.077.878.569.703.433.934.374.765.3940 2.533.54563.644.294.905.496.587.552.863.373.854.3l5.165.938.689.9811.1612.2113.9815.344.344.995.586.1l6.997.67422.53 3.844.533.023.5510.1511.704.835.574 5 6 5.816.988.034.565.486.3014.3716.5618.226.847.878.5845 3.5455.606.237.584.404.945.9516.4318.0720.907.308.039.2945 6788.759.8110.86.877.808.4423.1924.9726.30lO.3111.1011.5950 456787.098.589.9511.2112.355.566.737.8l8.809.7025.5629.8133.3536.2338.5110.2211.9313.3414.4915.4155 456787.899.5811.1512.5113.956.197.528.759.9010.9534.8740.9546.1350.4754.0412.5814.8916.7718.3519.6560 456788.6910.5812.3514.0l15.556.828.309.6911.0012.2146.2154.5761.8268.0373.2815.418.1920.6122.6824.4365 45679.4911.5813.5515.417.459.0710.6412.1059.7870.9280.7289.2718.3921.8224.8427.4670 45610.2912.5814.78.089.8711.5875.7890.26103.121.6525.7929.477078 16.8118.7513.1914.72114.5124.532.7235.5775 4567811.0913.5815.9518 2120.358.7010.6612.5214.2915.9894.4112.8129.4144.2157.325.1730.0834.5038.4441.9480 4567811.8914.5817.1519.6121.959.3311.4413.4615.3917.23115.9138.9159.7178.5195.428.9634.7239.9344.6348.85 567816.9820.0322.9725.7913.3315.7218.0320.25217.1251.1282.3310.947.1954.5961.3867.58100 567818.5821.9525.2128.3514.5817.2319.7922.26282.8328.2370.2408.956.5765.5474.0481.78110 78928.0131.5534.9821.9924.7727.46503.4557.9608.491.54101.411O.6注:理论质量计算G=0.0157S(A+A一 2.8584S)式中G——每米钢管的质量(kg/m);A——方形钢管的边长(mm);S——方形钢管的公称壁厚(mm).以钢管R=1.5S时,钢的密度为7.85g/cm3的计算公式。
实用文档方钢尺寸规格参数表(1) 尺寸规格见表 6— 40- 表 6— 45。
国标号 GB/76728-2007表 6-40 冷拔无缝方形钢管的尺寸规格基本尺寸A S 截面面积 F/cm2理论质量 G/(kg/ m)惯性矩J=Jy/ cm4截面系数 W=W/cm3x xymmO.8 O.348 O.273 O.0739 O.123 121.0 0 423 0.332 O.0873 O.1461.0 0.503 O.394 0.144 O.206141.5 O.712 O.559 O.1920.2741.O O.583 O.458 O.222O.278161.5 O.832 0.653 O.300O.3741.O 0.663 O.521 O.324O.36018 1.5 0.952 0.747 O.442O.4912.O 1.21 O.952 0.535 0.5951.0 O.743 0.583 O.4530 4531.5 1.07 O.841 0.624 O.624202.0 1.37 1.08 O.763O.7632.5 1.64 1.29 O.874O.8741O.823 O.646 O.612O.55622 1.5 1.19 O.936 0.850 O.77327 1.53 1.20 1.05O.953 标准文案实用文档2.5 1.84 1.45 1.211.1 02.5 2.14 1.68 1.861.4 9253 2.49 1.95 2.081.5 72.5 2.64 2.083.412.2 73 3.01 2.42 3.862.5 8303.5 3.50 2.754.252.8 34 3.89 3.05 4.583.0 52.5 2.84 2.23 4.212.6 3323 3.33 2.61 4.793.0 03.5 3 78 2.97 5.293.3 1324 4.21 3.30 5.733.5 82.53.14 2.47 5.543.2 23 3.69 2.89 6.453.6 835 3.5 4.20 3.30 7.164.0 94 4.68 3.68 7.784.4 55 5.58 4.38 8.795.0 22.53.24 2.55 6.183.4 33 3.81 2.99 7.073.9 336 3.5 4.3_4 3.4l 7.874.3 74 4.85 3.8l 8.564.7 65 5.75 4.53 9.705.3 92.53.64 2.86 8.684.3 43 4.29 3.37 9.984.9 93.54.90 3.85 11.165.5 8404 5.49 4.3l 12.21 6.1 l5 6.58 5.16 13.98 6.9 967.55 5.93 15.34 7.6 72.53.84 3.02 10.154.8 3423 4.53 3.55 11.70 5.5 7标准文案实用文档3.5 5.184.07 13.10 6.2 44 5.81 4.56 14.37 6.8 45 6.98 5.48 16.56 7.8 768.03 6.30 18.22 8.5 83.5 5.604.40 16.43 7.3 0454 6.23 4.94 18.07 8.0 357.58 5.95 20.90 9.2 968.75 6.87 23.19 lO.3 14579.81 7.80 24.97 11.1 0810.8 8.44 26.30 11.5 947.09 5.56 25.56 10.2 258.58 6.73 29.81 11.9 35069.95 7.8l 33.35 13.3 4711.21 8.80 36.23 14.4 9812.35 9.70 38.51 15.4 147.89 6.19 34.87 12.5 859.58 7.52 40.95 14.8 955611.15 8.75 46.13 16.7 7712.51 9.90 50.47 18.3 5813.95 10.95 54.04 19.6 548.69 6.82 46.21 15. 4510.58 8.30 54.57 18.1 960612.35 9.69 61.82 20.6 1714.0l 11.00 68.03 22.6 8815.55 12.21 73.28 24.4 349.49 7.45 59.78 18.3 9511.58 9.07 70.92 21.8 265613.55 10.64 80.72 24.84715.41 12.10 89.27 27.4 6标准文案实用文档8 17.15 13.47 96.64 29.7 44 10.29 8.0875.78 21.6 570 5 12.58 9.8790.26 25.7 96 14.711.58 103.1 29.4 77 16.81 13.19 114.5 32.7 2708 18.75 14.72 124.5 35.5 74 11.09 8.7094.425.1 75 13.58 10.66 112.8 30.0 875 6 15.95 12.52 129.4 34.5 07 18 21 14.29 144.2 38.4 48 20.35 15.98 157.3 41.9 44 11.89 9.33115.9 28.9 65 14.58 11.44 138.9 34.7 280 6 17.15 13.46 159.7 39.9 37 19.61 15.39 178.5 44.6 38 21.95 17.23 195.4 48.8 55 16.98 13.33 217.1 47.1 96 20.03 15.72 251.1 54.5 97 22.97 18.03 282.3 61.3 88 25.79 20.25 310.9 67.5 85 18.58 14.58 282.8 56.5 76 21.95 17.23 328.2 65.5 41007 25.21 19.79 370.2 74.0 48 28.35 22.26 408.9 81.7 87 28.01 21.99 503.4 91.5 4110 8 31.55 24.77 557.9 101. 49 34.98 27.46 608.4 11O. 6注:理论质量计算G=0.0157S(A+A 一 2.8584S) 标准文案实用文档式中G——每米钢管的质量 (kg / m);A——方形钢管的边长 (mm) ;S——方形钢管的公称壁厚 (mm).以钢管 R=1.5S 时,钢的密度为 7.85g / cm3 的计算公式。
方钢尺寸规格参数表(1)尺寸规格见表6—40-表6—45。
国标号GB/76728-2007表6-40冷拔无缝方形钢管的尺寸规格基本尺寸截面面积F/cm2理论质量G/(kg/m)惯性矩J x=J y/cm4截面系数W x=W y/cm3 A Smm12O.81.0O.3480 423O.2730.332O.0739O.0873O.123O.146141.01.50.503O.712O.394O.5590.144O.192O.2060.274161.O1.5O.583O.832O.4580.653O.222O.300O.278O.374181.O1.52.O0.6630.9521.21O.5210.747O.952O.324O.4420.535O.360O.4910.595201.01.52.02.5O.7431.071.371.640.583O.8411.081.29O.4530.624O.763O.8740 453O.624O.763O.8742211.527O.8231.191.53O.646O.9361.20O.6120.8501.05O.556O.773O.953注:理论质量计算G=0.0157S(A+A一2.8584S)式中G——每米钢管的质量(kg/m);A——方形钢管的边长(mm);S——方形钢管的公称壁厚(mm).以钢管R=1.5S时,钢的密度为7.85g/cm3的计算公式。
表6-41冷拔无缝矩形钢管的尺寸规格基本尺寸截面面积F/cm2理论质量G/(kg/m)惯性矩截面系数A B S Jx Jy Wx wymm cm4cm3lO50.8lO.203O.243O.160O.191O.0074O.0082O.0239O.02700.02970.03290.04780.0547 1250.8l0.2350.2830.1850.222O.00880.0099O.0388O.0449O.0354O.0395O,0646O.0748 6O.8lO.251O.3030.1970.2380.01390.0157O.04380.0509O.0462O.05240.0730O.0849 1460.811.50.2830.343O.471O.223O.269O.3700.0160O.0182O.02150.06540.0767O.09730.0535O.0608O.0715O.0935O.110O.139 70.8l1.50.299O.363O.501O.2350.285O.3940.0233O.02680.0324O.0724O.08520.109O.06650.0765O.0927O.104O.1220.15610O.8O.347O.273O.0545O.0934O.1090.1338 930.7434.0724.1326.75346.3375.8682.4751.681.4988.43105.9115.6140807891028.0031.5434.9738.2921.9824.7627.4530.05290.8320.3347.3371.7715.1794.1867.8936.472.7080.0886.8l92.92102.2113.4124.O133.8150757891028.7032.3435.8739.2922.5325.3928.1630.84266,0292.6316.8338.6814.6905.3990.11069.370.9378.0384.4790.29108.6120.7132.O142.61606589101132.3435.8739.2942.5925.3928,1630.8433.43220.9238.1253.4266.9975.41066.81152.01231.267.9773.2777.9882.13121.9133.3144.O153.9注:理论质量计算。
方钢尺寸规格参数表方钢尺寸规格参数表⑴尺寸规格见表6—40-表6—45。
国标号GB/76728-2007表6-40冷拔无缝方形钢管的尺寸规格r评-注:理论质量计算G=0.0157S(A+A —2.8584S)式中G ——每米钢管的质量(kg /m);A ---- 方形钢管的边长(mm);S --- 方形钢管的公称壁厚(mm).以钢管R=1.5S时,钢的密度为7.85g / cm3 的计算公式。
表6-41冷拔无缝矩形钢管的尺寸规格基本尺寸截面面积F / cm2 理论质量G/(kg / m)惯性矩截面系数A B S Jx Jy Wx wymm cm4 cm30.8 O.203 O.160 O.0074 O.0239 0.0297 0.0478 10 5l O.243 O.191 O.0082 O.0270 0.0329 0.05470.8 0.235 0.185 O.0088 O.0388 O.0354 O, 06465l 0.283 0.222 0.0099 O.0449 O.0395 O.0748 12O.8 O.251 0.197 0.0139 O.0438 O.0462 0.0730 6l O.303 0.238 0.0157 0.0509 O.0524 O.0849 14 6 0.8 0.283 O.223 0.0160 0.0654 0.0535 O.0935注:理论质量计算。
G=0.0157S(A+B —2.8584S)式中G——每米钢管的质量(k(m);A、B――矩形钢管的长与宽(mm);S ---- 矩形钢管的公称壁厚(mm)。
以钢管R=1.5S时,钢的密度为7-85g / cm3的计算公式。
表6-42冷拔无缝椭圆形钢管的尺寸规格56 2 4.27 3.35 17.18 32.25 6.14 7.682.5 5.30 4.16 20.96 39.52 7.49 9.4l1.52.16 2.763.53 20.08 2.354.46 90 30 2 3.64 2.86 4.5l 26.16 3.005.812.5 4.523.55 5.4I 32.01 3.60 7.11 注:理论质量计算G=0.0123S(A+B —2S)式中G ——每米钢管的质量(kg /m);A、B――椭圆形钢管的长轴、短轴(mm);S ――椭圆形钢管的公称壁厚(mm)。
方钢尺寸规格参数表(1)尺寸规格见表6—40-表6—45。
国标号GB/76728-2007表6-40冷拔无缝方形钢管的尺寸规格基本尺寸截面面积F/cm2 理论质量G/(kg/m) 惯性矩J x=J y/cm4 截面系数W x=W y/cm3 A Smm12O.81.0 O.3480 423O.2730.332O.0739O.0873O.123O.146141.01.5 0.503O.712O.394O.5590.144O.192O.2060.274161.O1.5 O.583O.832O.4580.653O.222O.300O.278O.37418 1.O1.52.O0.6630.9521.21O.5210.747O.952O.324O.4420.535O.360O.4910.59520 1.01.52.02.5O.7431.071.371.640.583O.8411.081.29O.4530.624O.763O.8740 453O.624O.763O.8742211.527O.8231.191.53O.646O.9361.20O.6120.8501.05O.556O.773O.953注:理论质量计算G=0.0157S(A+A一2.8584S)式中G——每米钢管的质量(kg/m);A——方形钢管的边长(mm);S——方形钢管的公称壁厚(mm).以钢管R=1.5S时,钢的密度为7.85g/cm3的计算公式。
表6-41冷拔无缝矩形钢管的尺寸规格基本尺寸截面面积F /cm2 理论质量G/(kg/m)惯性矩截面系数A B S Jx Jy Wx wymm cm4 cm3lO 50.8l O.203O.243O.160O.191O.0074O.0082O.0239O.02700.02970.03290.04780.054712 50.8l0.2350.2830.1850.222O.00880.0099O.0388O.0449O.0354O.0395O,0646O.0748 6O.8lO.251O.3030.1970.2380.01390.0157O.04380.0509O.0462O.05240.0730O.08491460.811.50.2830.343O.471O.223O.269O.3700.0160O.0182O.02150.06540.0767O.09730.0535O.0608O.0715O.0935O.110O.139 70.8l1.50.299O.363O.501O.2350.285O.3940.0233O.02680.0324O.0724O.08520.109O.06650.0765O.0927O.104O.1220.156 10 O.8 O.347 O.273 O.0545 O.0934 O.109 0.1338 9 30.7434.0724.1326.75346.3375.8682.4751.681.4988.43105.9115.6140 807891028.0031.5434.9738.2921.9824.7627.4530.05290.8320.3347.3371.7715.1794.1867.8936.472.7080.0886.8l92.92102.2113.4124.O133.8150 757891028.7032.3435.8739.2922.5325.3928.1630.84266,0292.6316.8338.6814.6905.3990.11069.370.9378.0384.4790.29108.6120.7132.O142.6160 6589101132.3435.8739.2942.5925.3928,1630.8433.43220.9238.1253.4266.9975.41066.81152.01231.267.9773.2777.9882.13121.9133.3144.O153.9注:理论质量计算。
G=0.0157S(A+B一2.8584S)式中G——每米钢管的质量(k(m);A、B——矩形钢管的长与宽(mm);S——矩形钢管的公称壁厚(mm)。
以钢管R=1.5S时,钢的密度为7-85g/cm3的计算公式。
表6-42冷拔无缝椭圆形钢管的尺寸规格注:理论质量计算G=0.0123S(A+B一2S)式中G——每米钢管的质量(kg/m);A、B——椭圆形钢管的长轴、短轴(mm);S——椭圆形钢管的公称壁厚(mm)。
以钢的密度为7.85g/cm3的计算公式。
表6-43冷拔无缝平椭圆形钢管的尺寸规格基本尺寸截面面积F/cm2 理论质量C/(kg/m)惯性矩截面系数A B S Jx JY Wx Wymm cm4 cm36 3 O.8 0.103 0.0811 0.000985 O.00320 O.00557 0.01078 40.81 0.1440.1740.1130.1370.00277O.00305O.00851O.00975O.01380.0152O.02130.02449 3 0.8 O.151 O.119 0.00159 O.Ol07 O.0106 0.023710 5O.81 O.186O.226O.1460.1770.00598O.006750.0178O.02080.02390.0270O.0357O.041612 4O.810.208O.254O.164O.2000.O0444O.004910.0275O.0323O.02220.02460.0458O.0538 60.8lO.227O.277O.1780.218O.O1110.01270.03230.0380O.0369O.04240.05380.063414 7 O.811.5O.2680.3290.4690.2100.2580.368O.01840.0214O.02680.0528O.0630O.0833O.0527O.06120.07660.07550.0900O.11915 5 0.8l1.5O.266O.326O.4650.209O.256O.365O.00955O.0108O.01270.05640.067lO.0887O.03820.0434O.0510O.0752O.08950.11816 8O.81 O.3090.3800.243O.2980.0285O.0335O.08100.09690.07130.0837O.10l0.12l注:理论质量计算G=0.02719S(B一1.2327S)式中G——每米钢管的质量(kg/m);B——六角钢管的对边距离(mm)S——六角钢管的公称壁厚(mm)。
以钢管R=1.5S时,钢的密度为7.85/cm3的计算公式。
表6-45冷拔无缝直角梯形钢管的尺寸规格基本尺寸截面面积F/cm2 理论质量G/(kg/m)惯性矩截面系数A B H S Jx Jx1 W xB W xAmm cm4 cm325 lO 30 2 1.68 1.32 1.88 6.5l 1.09 5.06 30 2520 2 1.68 1.32 1.0l 3.89 0.980 4.0l30 1.5 1.59 1.25 2.13 8.25 1.38 5.67 32 25 20 2 1.72 1.35 1.04 3.95 0.998 4.1235 20 35 1.8 2.07 1.62 3.56 12.95 1.87 8.14 30 25 2 2.09 1.64 2.00 7.75 1.56 6.36 25 30 2 2.18 1.71 2.88 10.82 1.82 7.634540 60 1.5 2.95 2.31 15.42 60.42 5.04 20.5432 50 1.8 3.01 2.36 10.90 41.09 4.13 17.4250 4035 1.5 2.27 1.78 4.55 17.42 2.51 10.3330 1.5 2.12 1.66 3.19 12.20 2.05 8.4530 1.7 2.39 1.87 3.55 13.57 2.28 9.40 35 60 2.2 4.25 3.34 21.65 81.50 6.82 28.86 45 301.2 1.77 1.392.76 10.79 l.81 7.321.42.05 1.613.16 12.36 2.07 8.391.72.47 1.943.73 14.60 2.45 9.9l实用文档注:1.冷拔无缝异型钢管适用于制作各种结构件及零件。
2.牌号及化学成分应符合GB/T699《优质碳素结构钢》及GB/T159l《低合金结构钢》的规定。
标准文案。