阀门强度和严密性试验记录(消防系统)
- 格式:doc
- 大小:29.00 KB
- 文档页数:2
阀门强度及严密性试验(3)试验介质采用洁净水或煤油。
对于奥氏不锈钢阀门,水的氯含量不(6)带有蒸汽夹套的阀门,夹套部分应以1.5倍的蒸汽工作压力进行压力试验。
(7)质量标准——阀门达到保压时间后,阀体(包括填料函和中口连接处)不得发生渗漏。
—不得发生结构损伤。
2)阀门密封和上密封试验(1)密封试验指阀门启闭件和阀体等密封面止漏性能的试验。
(2)上密封试验(倒密封试验)指阀杆与阀盖密封面止漏性能的试验。
(3)试验介质:密封试验介质可用洁净水、煤油、空气或其它惰性气体进行试验。
用洁净水(对于奥氏体不锈钢阀门,水的氯含量不得超过25mmp。
)、煤油等液体作介质时,密封试验压力应符合表6的规定。
(4)介质引入方向和施加压力方向规定:——规定了介质流通方向的阀门,如截止阀,按流通方向引入介质和施压;——没有规定介质流通方向的阀门,如闸阀、球阀、蝶阀等,应分别从每端引入介质和施加压力;——有两个密封面的阀门,如双闸板阀,可向两个密封面之间的腔体引入介3)试验要求(1)减压阀试验及疏水阀的动作试验安装后在系统中进行。
(2)减压阀在试验过程中,不应作任何妨碍试验的调整,当试验条件发生变化或偏离时,可以重新进行调整,但不得更换零件。
(3)疏水阀动作试验,向阀内通入蒸汽时,疏水阀应关闭;在引入一定负荷率的热凝结水时,疏水阀应开启,凝结水排出后,疏水阀应重新关闭。
至少应进行三个完整的循环,本试验才算完成。
对于某些机械型疏水阀可以用空气和水进行试验。
(4)阀门做液体试验时,应尽量排除阀门内的空气,阀门试压完毕后,及时排除阀腔内的积液必要时可用空气吹干。
(5)观测压力表平视表针所指刻度处。
(6)试压设备、机具应由专人负责操作维护,注意安全。
(7)阀门在保管运输过程中,不得将索具直接拴绑在手轮上或将阀门倒置。
(8)阀门在试验过程中,只允许一人以正常体力进行关闭,当手轮的直径仅超过320mm时,允许两个人共同关闭,不准使用臂杆。
阀门强度及严密性试验a)液体压力试验(强度和严密试验)1)下列管道所用阀门应逐个进行壳体液压试验,不合格者不得使用;—输送剧毒流体介质、有毒介质、可燃介质管道的阀门;—输送设计压力>1MPa或设计压力≤1MPa且设计温度≤-29℃或>186℃的非可燃介质、无毒介质管道的阀门;2)设计压力≤1MPa且设计温度为≤-29℃或>186℃的非可燃介质、无毒介质,应从每批抽10%且不少于一个,进行液体压力试验,当不合格时,应再抽查20%,仍有不合格时,则该批阀门不得使用。
3)公称压力<1MPa且公称直径≥600mm的闸阀,可不单独进行液体压力试验,可在系统试压时进行检查。
b)试验要求1)壳体强度试验(1)公称压力≤31.4MPa时,试验压力为公称压力的1.5倍;(2)公称压力>31.4MPa时,其试验压力应按表3要求进行;阀门壳体强度试验压力表3公称通径(mm)磨损余量(mm)39.2 49.0 62.7 78.454.9 68.7 88.2 107.9(3)试验介质采用洁净水或煤油。
对于奥氏不锈钢阀门,水的氯含量不得超过25PPm。
(4)强度试验最短保持压力的时间,一般阀门应不少于表4的规定。
一般阀门试验最短保压时间表4公称通径(mm)试验保压时间(s)阀体试验止回阀其它阀类≤50601565-1506060 200-30060120≥350120300(5)蝶阀壳体强度试验最短保压时间不少于表5的规定。
蝶阀强度实验最短保压时间表5公称通径(mm)试验保压时间(s)阀门试验≤501565-20060≥250180(6)带有蒸汽夹套的阀门,夹套部分应以1.5倍的蒸汽工作压力进行压力试验。
(7)质量标准——阀门达到保压时间后,阀体(包括填料函和中口连接处)不得发生渗漏。
—不得发生结构损伤。
2)阀门密封和上密封试验(1)密封试验指阀门启闭件和阀体等密封面止漏性能的试验。
(2)上密封试验(倒密封试验)指阀杆与阀盖密封面止漏性能的试验。
精心整理
①、阀门安装前应作强度和严密性试验,试验介质为自来水,环境温度不得低于5℃;当
环境温度低于5℃时,应采取防冻措施:
②、试验应在每批(同牌号、同型号、同规格)数量中抽查10%,且不少于一个,无渗漏
及裂纹为合格,如有渗漏或裂纹时,再抽查20%,如仍有时,该批阀门不得使用;对用于主管道的起切断作用的闭路阀门及消防泵房内的所有阀门应逐个进行强度及严密性
试验;减压阀及泄压阀应逐个进行功能试验;
③、阀门的强度和严密性试验,应符合如下规定:阀门的强度试验压力为工程压力的1.5
⑧、闭式喷头严密性试验无渗漏及损伤为合格,应以每批(同牌号、同规格、同型号)数
量中抽查1%,且不得少于5只,试验压力为3.0Mpa,保压时间不得少于3min,当2只及2只以上不合格时,不得使用该批喷头;若仅有1只不合格时,再抽查2%,但不得少于10只,如仍有不合格时,该批喷头不得使用;
⑨、消火栓及水泵接合器强度试验为工作压力的1.5倍,稳压10min,严密性试验为工作压
力,稳压10min。
精心整理
①、阀门安装前应作强度和严密性试验,试验介质为自来水,环境温度不得低于5℃;当
环境温度低于5℃时,应采取防冻措施:
②、试验应在每批(同牌号、同型号、同规格)数量中抽查10%,且不少于一个,无渗漏
及裂纹为合格,如有渗漏或裂纹时,再抽查20%,如仍有时,该批阀门不得使用;对用于主管道的起切断作用的闭路阀门及消防泵房内的所有阀门应逐个进行强度及严密性
试验;减压阀及泄压阀应逐个进行功能试验;
③、阀门的强度和严密性试验,应符合如下规定:阀门的强度试验压力为工程压力的1.5
⑧、闭式喷头严密性试验无渗漏及损伤为合格,应以每批(同牌号、同规格、同型号)数
量中抽查1%,且不得少于5只,试验压力为3.0Mpa,保压时间不得少于3min,当2只及2只以上不合格时,不得使用该批喷头;若仅有1只不合格时,再抽查2%,但不得少于10只,如仍有不合格时,该批喷头不得使用;
⑨、消火栓及水泵接合器强度试验为工作压力的1.5倍,稳压10min,严密性试验为工作压
力,稳压10min。
阀门强度及严密性试验a)液体压力试验(强度和严密试验)1)下列管道所用阀门应逐个进行壳体液压试验,不合格者不得使用;—输送剧毒流体介质、有毒介质、可燃介质管道的阀门;—输送设计压力>1MPa或设计压力≤1MPa且设计温度≤-29℃或>186℃的非可燃介质、无毒介质管道的阀门;2)设计压力≤1MPa且设计温度为≤-29℃或>186℃的非可燃介质、无毒介质,应从每批抽10%且不少于一个,进行液体压力试验,当不合格时,应再抽查20%,仍有不合格时,则该批阀门不得使用。
3)公称压力<1MPa且公称直径≥600mm的闸阀,可不单独进行液体压力试验,可在系统试压时进行检查。
b)试验要求1)壳体强度试验(1)公称压力≤31.4MPa时,试验压力为公称压力的1.5倍;(2)公称压力>31.4MPa时,其试验压力应按表3要求进行;阀门壳体强度试验压力表3公称通径(mm)磨损余量(mm)39.2 49.0 62.7 78.454.9 68.7 88.2 107.9(3)试验介质采用洁净水或煤油。
对于奥氏不锈钢阀门,水的氯含量不得超过25PPm。
(4)强度试验最短保持压力的时间,一般阀门应不少于表4的规定。
一般阀门试验最短保压时间表4公称通径(mm)试验保压时间(s)阀体试验止回阀其它阀类≤50601565-1506060 200-30060120≥350120300(5)蝶阀壳体强度试验最短保压时间不少于表5的规定。
蝶阀强度实验最短保压时间表5公称通径(mm)试验保压时间(s)阀门试验≤501565-20060≥250180(6)带有蒸汽夹套的阀门,夹套部分应以1.5倍的蒸汽工作压力进行压力试验。
(7)质量标准——阀门达到保压时间后,阀体(包括填料函和中口连接处)不得发生渗漏。
—不得发生结构损伤。
2)阀门密封和上密封试验(1)密封试验指阀门启闭件和阀体等密封面止漏性能的试验。
(2)上密封试验(倒密封试验)指阀杆与阀盖密封面止漏性能的试验。
②、试验应在每批(同牌号、同型号、同规格)数量中抽查10%,且不少于一个,无
渗漏及裂纹为合格,如有渗漏或裂纹时,再抽查20%,如仍有时,该批阀门不得使用;对用于主管道的起切断作用的闭路阀门及消防泵房内的所有阀门应逐个进行强度及严密性试验;减压阀及泄压阀应逐个进行功能试验;
③、阀门的强度和严密性试验,应符合如下规定:阀门的强度试验压力为工程压力的
倍,严密性试验压力应为工程压力的倍,试验压力在试验持续时间内应保持不变,且壳体填料及阀瓣密封面无渗漏,阀门试压的试验持续时间应不少于下表的规定:
④、严密性试验压力为阀门额定工作压力的倍,DN≤50为15S,65~200时为30s,
250~450时为60S;
⑤、强度试验时,阀门应打开,(止回阀应从出水侧进水),严密性试验时阀门应关闭
(止回阀应从进水侧进水);
⑥、报警阀应逐个进行严密性试验,试验压力为额定工作压力的2倍,保压时间不应
小于5min,阀瓣处无渗漏为合格;
⑦、信号阀应逐个进行严密性试验,试验压力为阀门额定工作压力的倍保压时间不少
于60S,无渗漏为合格;
⑧、闭式喷头严密性试验无渗漏及损伤为合格,应以每批(同牌号、同规格、同型号)
数量中抽查1%,且不得少于5只,试验压力为,保压时间不得少于3min,当2只及2只以上不合格时,不得使用该批喷头;若仅有1只不合格时,再抽查2%,但不得少于10只,如仍有不合格时,该批喷头不得使用;
⑨、消火栓及水泵接合器强度试验为工作压力的倍,稳压10min,严密性试验为工作
压力,稳压10min。
阀门强度及严密性试验a)液体压力试验(强度和严密试验)1)下列管道所用阀门应逐个进行壳体液压试验,不合格者不得使用;—输送剧毒流体介质、有毒介质、可燃介质管道的阀门;—输送设计压力>1MPa或设计压力≤1MPa且设计温度≤-29℃或>186℃的非可燃介质、无毒介质管道的阀门;2)设计压力≤1MPa且设计温度为≤-29℃或>186℃的非可燃介质、无毒介质,应从每批抽10%且不少于一个,进行液体压力试验,当不合格时,应再抽查20%,仍有不合格时,则该批阀门不得使用。
3)公称压力<1MPa且公称直径≥600mm的闸阀,可不单独进行液体压力试验,可在系统试压时进行检查。
b)试验要求1)壳体强度试验(1)公称压力≤31.4MPa时,试验压力为公称压力的1.5倍;(2)公称压力>31.4MPa时,其试验压力应按表3要求进行;阀门壳体强度试验压力表3公称通径(mm)磨损余量(mm)39.2 49.0 62.7 78.454.9 68.7 88.2 107.9(3)试验介质采用洁净水或煤油。
对于奥氏不锈钢阀门,水的氯含量不得超过25PPm。
(4)强度试验最短保持压力的时间,一般阀门应不少于表4的规定。
一般阀门试验最短保压时间表4公称通径(mm)试验保压时间(s)阀体试验止回阀其它阀类≤50601565-1506060 200-30060120≥350120300(5)蝶阀壳体强度试验最短保压时间不少于表5的规定。
蝶阀强度实验最短保压时间表5公称通径(mm)试验保压时间(s)阀门试验≤501565-20060≥250180(6)带有蒸汽夹套的阀门,夹套部分应以1.5倍的蒸汽工作压力进行压力试验。
(7)质量标准——阀门达到保压时间后,阀体(包括填料函和中口连接处)不得发生渗漏。
—不得发生结构损伤。
2)阀门密封和上密封试验(1)密封试验指阀门启闭件和阀体等密封面止漏性能的试验。
(2)上密封试验(倒密封试验)指阀杆与阀盖密封面止漏性能的试验。
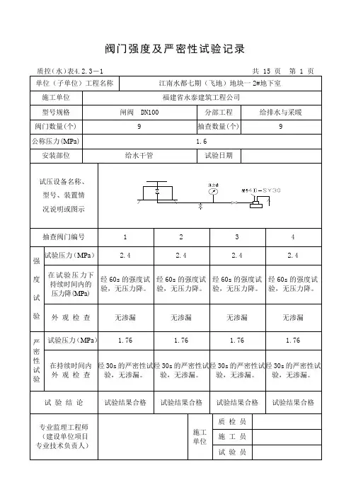
阀门强度和严密性试验记录
表11.3.33 GB50242-2002
3.2.4:阀门安装前,应作强度和严密性试验。
试验应在每批(同牌号、同型号、同规格)数量中抽10%,且不少于一个。
对于安装在主干管上起切断作用的闭路阀门,应逐个作强度和严密性试验。
3.2.5:阀门的强度和严密性试验,应符合以下规定:阀门的强度试验压力为公称压力的1.5倍;严密性试验压力为公称压力的1.1倍;试验压力在试验持续时间内应保持不变,且壳体填料及阀瓣密封面无渗漏。
阀门试压的持续时间应不少于表3.2.5的规定。