承压管道系统设备阀门强度及严密性试验记录
- 格式:xls
- 大小:23.50 KB
- 文档页数:4
质控(水)表4.2.3-1单位(子单位)工程名称钦州市公共场馆第Ⅵ标段(体育馆)工程子分部(系统)工程名称空调水系统安装单位广西建工集团第二建筑工程有限责任公司项目经理罗戆毅施工执行标准及编号《通风与空调工程质量验收规范》GB50243-2002 试验时间2011.6.15 型号规格电动蝶阀DN200 安装部位机房阀门数量(个) 2 抽查个数(个) 2试压设备名称、型号装置情况说明或图示试压设备:电动试压泵规格:SY-30试压方法:把阀门接入已安装固定好的试验台相应闭口,后闭阀加压至试验压力强度试验试验压力(MPA) 1.0 1.0在试验压力下持续时间内的压力降(MPA)0.99 1外观检查外观完整,无变形外观完整,无变形严密性试验试验压力(MPA) 1.0 1.0 在试验压力内外观检查无渗水无渗水试验结论合格合格安装单位检测评定结果专业工长(施工员)检测人员项目专业质量检查员:年月日监理(建设)单位验收结论专业监理工程师(建设单位项目专业技术负责人):年月日质控(水)表4.2.3-1单位(子单位)工程名称钦州市公共场馆第Ⅵ标段(体育馆)工程子分部(系统)工程名称空调水系统安装单位广西建工集团第二建筑工程有限责任公司项目经理罗戆毅施工执行标准及编号《通风与空调工程质量验收规范》GB50243-2002 试验时间2011.6.15 型号规格电动蝶阀DN250 安装部位机房阀门数量(个) 4 抽查个数(个) 4试压设备名称、型号装置情况说明或图示试压设备:电动试压泵规格:SY-30试压方法:把阀门接入已安装固定好的试验台相应闭口,后闭阀加压至试验压力强度试验试验压力(MPA) 1.0 1.0 1.0 1.0在试验压力下持续时间内的压力降(MPA)0.99 0.99 1 0.99外观检查外观完整,无变形外观完整,无变形外观完整,无变形外观完整,无变形严密性试验试验压力(MPA) 1.0 1.0 1.0 1.0 在试验压力内外观检查无渗水无渗水无渗水无渗水试验结论合格合格合格合格安装单位检测评定结果专业工长(施工员)检测人员项目专业质量检查员:年月日监理(建设)单位验收结论专业监理工程师(建设单位项目专业技术负责人):年月日质控(水)表4.2.3-1单位(子单位)工程名称钦州市公共场馆第Ⅵ标段(体育馆)工程子分部(系统)工程名称空调水系统安装单位广西建工集团第二建筑工程有限责任公司项目经理罗戆毅施工执行标准及编号《通风与空调工程质量验收规范》GB50243-2002 试验时间2011.6.16 型号规格蝶阀DN50 安装部位机房阀门数量(个) 2 抽查个数(个) 1试压设备名称、型号装置情况说明或图示试压设备:电动试压泵规格:SY-30试压方法:把阀门接入已安装固定好的试验台相应闭口,后闭阀加压至试验压力强度试验试验压力(MPA) 1.0在试验压力下持续时间内的压力降(MPA)0.99外观检查外观完整,无变形严密性试验试验压力(MPA) 1.0 在试验压力内外观检查无渗水试验结论合格安装单位检测评定结果专业工长(施工员)检测人员项目专业质量检查员:年月日监理(建设)单位验收结论专业监理工程师(建设单位项目专业技术负责人):年月日质控(水)表4.2.3-1单位(子单位)工程名称钦州市公共场馆第Ⅵ标段(体育馆)工程子分部(系统)工程名称空调水系统安装单位广西建工集团第二建筑工程有限责任公司项目经理罗戆毅施工执行标准及编号《通风与空调工程质量验收规范》GB50243-2002 试验时间2011.6.16 型号规格蝶阀DN65 安装部位机房阀门数量(个) 2 抽查个数(个) 1试压设备名称、型号装置情况说明或图示试压设备:电动试压泵规格:SY-30试压方法:把阀门接入已安装固定好的试验台相应闭口,后闭阀加压至试验压力强度试验试验压力(MPA) 1.0在试验压力下持续时间内的压力降(MPA)0.99外观检查外观完整,无变形严密性试验试验压力(MPA) 1.0 在试验压力内外观检查无渗水试验结论合格安装单位检测评定结果专业工长(施工员)检测人员项目专业质量检查员:年月日监理(建设)单位验收结论专业监理工程师(建设单位项目专业技术负责人):年月日质控(水)表4.2.3-1单位(子单位)工程名称钦州市公共场馆第Ⅵ标段(体育馆)工程子分部(系统)工程名称空调水系统安装单位广西建工集团第二建筑工程有限责任公司项目经理罗戆毅施工执行标准及编号《通风与空调工程质量验收规范》GB50243-2002 试验时间2011.6.16 型号规格蝶阀DN80 安装部位机房阀门数量(个) 2 抽查个数(个) 1试压设备名称、型号装置情况说明或图示试压设备:电动试压泵规格:SY-30试压方法:把阀门接入已安装固定好的试验台相应闭口,后闭阀加压至试验压力强度试验试验压力(MPA) 1.0在试验压力下持续时间内的压力降(MPA)0.99外观检查外观完整,无变形严密性试验试验压力(MPA) 1.0 在试验压力内外观检查无渗水试验结论合格安装单位检测评定结果专业工长(施工员)检测人员项目专业质量检查员:年月日监理(建设)单位验收结论专业监理工程师(建设单位项目专业技术负责人):年月日质控(水)表4.2.3-1单位(子单位)工程名称钦州市公共场馆第Ⅵ标段(体育馆)工程子分部(系统)工程名称空调水系统安装单位广西建工集团第二建筑工程有限责任公司项目经理罗戆毅施工执行标准及编号《通风与空调工程质量验收规范》GB50243-2002 试验时间2011.6.17 型号规格蝶阀DN100 安装部位机房阀门数量(个) 3 抽查个数(个) 1试压设备名称、型号装置情况说明或图示试压设备:电动试压泵规格:SY-30试压方法:把阀门接入已安装固定好的试验台相应闭口,后闭阀加压至试验压力强度试验试验压力(MPA) 1.0在试验压力下持续时间内的压力降(MPA)0.99外观检查外观完整,无变形严密性试验试验压力(MPA) 1.0 在试验压力内外观检查无渗水试验结论合格安装单位检测评定结果专业工长(施工员)检测人员项目专业质量检查员:年月日监理(建设)单位验收结论专业监理工程师(建设单位项目专业技术负责人):年月日质控(水)表4.2.3-1单位(子单位)工程名称钦州市公共场馆第Ⅵ标段(体育馆)工程子分部(系统)工程名称空调水系统安装单位广西建工集团第二建筑工程有限责任公司项目经理罗戆毅施工执行标准及编号《通风与空调工程质量验收规范》GB50243-2002 试验时间2011.6.17 型号规格蝶阀DN125 安装部位机房阀门数量(个) 2 抽查个数(个) 1试压设备名称、型号装置情况说明或图示试压设备:电动试压泵规格:SY-30试压方法:把阀门接入已安装固定好的试验台相应闭口,后闭阀加压至试验压力强度试验试验压力(MPA) 1.0在试验压力下持续时间内的压力降(MPA)0.99外观检查外观完整,无变形严密性试验试验压力(MPA) 1.0 在试验压力内外观检查无渗水试验结论合格安装单位检测评定结果专业工长(施工员)检测人员项目专业质量检查员:年月日监理(建设)单位验收结论专业监理工程师(建设单位项目专业技术负责人):年月日质控(水)表4.2.3-1单位(子单位)工程名称钦州市公共场馆第Ⅵ标段(体育馆)工程子分部(系统)工程名称空调水系统安装单位广西建工集团第二建筑工程有限责任公司项目经理罗戆毅施工执行标准及编号《通风与空调工程质量验收规范》GB50243-2002 试验时间2011.6.17 型号规格蝶阀DN200 安装部位机房阀门数量(个)20 抽查个数(个) 2试压设备名称、型号装置情况说明或图示试压设备:电动试压泵规格:SY-30试压方法:把阀门接入已安装固定好的试验台相应闭口,后闭阀加压至试验压力强度试验试验压力(MPA) 1.0 1.0在试验压力下持续时间内的压力降(MPA)0.99 1外观检查外观完整,无变形外观完整,无变形严密性试验试验压力(MPA) 1.0 1.0 在试验压力内外观检查无渗水无渗水试验结论合格合格安装单位检测评定结果专业工长(施工员)检测人员项目专业质量检查员:年月日监理(建设)单位验收结论专业监理工程师(建设单位项目专业技术负责人):年月日质控(水)表4.2.3-1单位(子单位)工程名称钦州市公共场馆第Ⅵ标段(体育馆)工程子分部(系统)工程名称空调水系统安装单位广西建工集团第二建筑工程有限责任公司项目经理罗戆毅施工执行标准及编号《通风与空调工程质量验收规范》GB50243-2002 试验时间2011.6.17 型号规格蝶阀DN250 安装部位机房阀门数量(个)19 抽查个数(个) 2试压设备名称、型号装置情况说明或图示试压设备:电动试压泵规格:SY-30试压方法:把阀门接入已安装固定好的试验台相应闭口,后闭阀加压至试验压力强度试验试验压力(MPA) 1.0 1.0在试验压力下持续时间内的压力降(MPA)1 1外观检查外观完整,无变形外观完整,无变形严密性试验试验压力(MPA) 1.0 1.0 在试验压力内外观检查无渗水无渗水试验结论合格合格安装单位检测评定结果专业工长(施工员)检测人员项目专业质量检查员:年月日监理(建设)单位验收结论专业监理工程师(建设单位项目专业技术负责人):年月日质控(水)表4.2.3-1单位(子单位)工程名称钦州市公共场馆第Ⅵ标段(体育馆)工程子分部(系统)工程名称空调水系统安装单位广西建工集团第二建筑工程有限责任公司项目经理罗戆毅施工执行标准及编号《通风与空调工程质量验收规范》GB50243-2002 试验时间2011.6.17 型号规格蝶阀DN300 安装部位机房阀门数量(个) 3 抽查个数(个) 3试压设备名称、型号装置情况说明或图示试压设备:电动试压泵规格:SY-30试压方法:把阀门接入已安装固定好的试验台相应闭口,后闭阀加压至试验压力强度试验试验压力(MPA) 1.0 1.0 1.0在试验压力下持续时间内的压力降(MPA)0.99 1 1外观检查外观完整,无变形外观完整,无变形外观完整,无变形严密性试验试验压力(MPA) 1.0 1.0 1.0 在试验压力内外观检查无渗水无渗水无渗水试验结论合格合格合格安装单位检测评定结果专业工长(施工员)检测人员项目专业质量检查员:年月日监理(建设)单位验收结论专业监理工程师(建设单位项目专业技术负责人):年月日质控(水)表4.2.3-1单位(子单位)工程名称钦州市公共场馆第Ⅵ标段(体育馆)工程子分部(系统)工程名称空调水系统安装单位广西建工集团第二建筑工程有限责任公司项目经理罗戆毅施工执行标准及编号《通风与空调工程质量验收规范》GB50243-2002 试验时间2011.6.18 型号规格闸阀DN50 安装部位机房阀门数量(个) 2 抽查个数(个) 2试压设备名称、型号装置情况说明或图示试压设备:电动试压泵规格:SY-30试压方法:把阀门接入已安装固定好的试验台相应闭口,后闭阀加压至试验压力强度试验试验压力(MPA) 1.0 1.0在试验压力下持续时间内的压力降(MPA)0.99 1外观检查外观完整,无变形外观完整,无变形严密性试验试验压力(MPA) 1.0 1.0 在试验压力内外观检查无渗水无渗水试验结论合格合格安装单位检测评定结果专业工长(施工员)检测人员项目专业质量检查员:年月日监理(建设)单位验收结论专业监理工程师(建设单位项目专业技术负责人):年月日质控(水)表4.2.3-1单位(子单位)工程名称钦州市公共场馆第Ⅵ标段(体育馆)工程子分部(系统)工程名称空调水系统安装单位广西建工集团第二建筑工程有限责任公司项目经理罗戆毅施工执行标准及编号《通风与空调工程质量验收规范》GB50243-2002 试验时间2011.6.18 型号规格止回阀DN200 安装部位机房阀门数量(个) 3 抽查个数(个) 3试压设备名称、型号装置情况说明或图示试压设备:电动试压泵规格:SY-30试压方法:把阀门接入已安装固定好的试验台相应闭口,后闭阀加压至试验压力强度试验试验压力(MPA) 1.0 1.0 1.0在试验压力下持续时间内的压力降(MPA)0.99 1 1外观检查外观完整,无变形外观完整,无变形外观完整,无变形严密性试验试验压力(MPA) 1.0 1.0 1.0 在试验压力内外观检查无渗水无渗水无渗水试验结论合格合格合格安装单位检测评定结果专业工长(施工员)检测人员项目专业质量检查员:年月日监理(建设)单位验收结论专业监理工程师(建设单位项目专业技术负责人):年月日质控(水)表4.2.3-1单位(子单位)工程名称钦州市公共场馆第Ⅵ标段(体育馆)工程子分部(系统)工程名称空调水系统安装单位广西建工集团第二建筑工程有限责任公司项目经理罗戆毅施工执行标准及编号《通风与空调工程质量验收规范》GB50243-2002 试验时间2011.6.18 型号规格止回阀DN250 安装部位机房阀门数量(个) 3 抽查个数(个) 3试压设备名称、型号装置情况说明或图示试压设备:电动试压泵规格:SY-30试压方法:把阀门接入已安装固定好的试验台相应闭口,后闭阀加压至试验压力强度试验试验压力(MPA) 1.0 1.0 1.0在试验压力下持续时间内的压力降(MPA)0.98 1 1外观检查外观完整,无变形外观完整,无变形外观完整,无变形严密性试验试验压力(MPA) 1.0 1.0 1.0 在试验压力内外观检查无渗水无渗水无渗水试验结论合格合格合格安装单位检测评定结果专业工长(施工员)检测人员项目专业质量检查员:年月日监理(建设)单位验收结论专业监理工程师(建设单位项目专业技术负责人):年月日质控(水)表4.2.3-1单位(子单位)工程名称钦州市公共场馆第Ⅵ标段(游泳馆)工程子分部(系统)工程名称空调水系统安装单位广西建工集团第二建筑工程有限责任公司项目经理罗戆毅施工执行标准及编号《通风与空调工程质量验收规范》GB50243-2002 试验时间2011.5.21 型号规格电动蝶阀DN200 安装部位机房阀门数量(个) 6 抽查个数(个) 4试压设备名称、型号装置情况说明或图示试压设备:电动试压泵规格:SY-30试压方法:把阀门接入已安装固定好的试验台相应闭口,后闭阀加压至试验压力强度试验试验压力(MPA) 1.0 1.0 1.0 1.0在试验压力下持续时间内的压力降(MPA)0.98 1 1 1外观检查外观完整,无变形外观完整,无变形外观完整,无变形外观完整,无变形严密性试验试验压力(MPA) 1.0 1.0 1.0 1.0 在试验压力内外观检查无渗水无渗水无渗水无渗水试验结论合格合格合格合格安装单位检测评定结果专业工长(施工员)检测人员项目专业质量检查员:年月日监理(建设)单位验收结论专业监理工程师(建设单位项目专业技术负责人):年月日质控(水)表4.2.3-1单位(子单位)工程名称钦州市公共场馆第Ⅵ标段(游泳馆)工程子分部(系统)工程名称空调水系统安装单位广西建工集团第二建筑工程有限责任公司项目经理罗戆毅施工执行标准及编号《通风与空调工程质量验收规范》GB50243-2002 试验时间2011.5.21 型号规格蝶阀DN250 安装部位机房阀门数量(个)10 抽查个数(个) 4试压设备名称、型号装置情况说明或图示试压设备:电动试压泵规格:SY-30试压方法:把阀门接入已安装固定好的试验台相应闭口,后闭阀加压至试验压力强度试验试验压力(MPA) 1.0 1.0 1.0 1.0在试验压力下持续时间内的压力降(MPA)0.99 1 1 0.99外观检查外观完整,无变形外观完整,无变形外观完整,无变形外观完整,无变形严密性试验试验压力(MPA) 1.0 1.0 1.0 1.0 在试验压力内外观检查无渗水无渗水无渗水无渗水试验结论合格合格合格合格安装单位检测评定结果专业工长(施工员)检测人员项目专业质量检查员:年月日监理(建设)单位验收结论专业监理工程师(建设单位项目专业技术负责人):年月日质控(水)表4.2.3-1单位(子单位)工程名称钦州市公共场馆第Ⅵ标段(游泳馆)工程子分部(系统)工程名称空调水系统安装单位广西建工集团第二建筑工程有限责任公司项目经理罗戆毅施工执行标准及编号《通风与空调工程质量验收规范》GB50243-2002 试验时间2011.5.21 型号规格蝶阀DN200 安装部位机房阀门数量(个)26 抽查个数(个) 4试压设备名称、型号装置情况说明或图示试压设备:电动试压泵规格:SY-30试压方法:把阀门接入已安装固定好的试验台相应闭口,后闭阀加压至试验压力强度试验试验压力(MPA) 1.0 1.0 1.0 1.0在试验压力下持续时间内的压力降(MPA)1 1 1 0.99外观检查外观完整,无变形外观完整,无变形外观完整,无变形外观完整,无变形严密性试验试验压力(MPA) 1.0 1.0 1.0 1.0 在试验压力内外观检查无渗水无渗水无渗水无渗水试验结论合格合格合格合格安装单位检测评定结果专业工长(施工员)检测人员项目专业质量检查员:年月日监理(建设)单位验收结论专业监理工程师(建设单位项目专业技术负责人):年月日质控(水)表4.2.3-1单位(子单位)工程名称钦州市公共场馆第Ⅵ标段(游泳馆)工程子分部(系统)工程名称空调水系统安装单位广西建工集团第二建筑工程有限责任公司项目经理罗戆毅施工执行标准及编号《通风与空调工程质量验收规范》GB50243-2002 试验时间2011.5.21 型号规格蝶阀DN150 安装部位机房阀门数量(个)10 抽查个数(个) 4试压设备名称、型号装置情况说明或图示试压设备:电动试压泵规格:SY-30试压方法:把阀门接入已安装固定好的试验台相应闭口,后闭阀加压至试验压力强度试验试验压力(MPA) 1.0 1.0 1.0 1.0在试验压力下持续时间内的压力降(MPA)0.99 1 1 0.99外观检查外观完整,无变形外观完整,无变形外观完整,无变形外观完整,无变形严密性试验试验压力(MPA) 1.0 1.0 1.0 1.0 在试验压力内外观检查无渗水无渗水无渗水无渗水试验结论合格合格合格合格安装单位检测评定结果专业工长(施工员)检测人员项目专业质量检查员:年月日监理(建设)单位验收结论专业监理工程师(建设单位项目专业技术负责人):年月日质控(水)表4.2.3-1单位(子单位)工程名称钦州市公共场馆第Ⅵ标段(游泳馆)工程子分部(系统)工程名称空调水系统安装单位广西建工集团第二建筑工程有限责任公司项目经理罗戆毅施工执行标准及编号《通风与空调工程质量验收规范》GB50243-2002 试验时间2011.5.22 型号规格蝶阀DN125 安装部位机房阀门数量(个) 2 抽查个数(个) 1试压设备名称、型号装置情况说明或图示试压设备:电动试压泵规格:SY-30试压方法:把阀门接入已安装固定好的试验台相应闭口,后闭阀加压至试验压力强度试验试验压力(MPA) 1.0在试验压力下持续时间内的压力降(MPA)0.99外观检查外观完整,无变形严密性试验试验压力(MPA) 1.0 在试验压力内外观检查无渗水试验结论合格安装单位检测评定结果专业工长(施工员)检测人员项目专业质量检查员:年月日监理(建设)单位验收结论专业监理工程师(建设单位项目专业技术负责人):年月日质控(水)表4.2.3-1单位(子单位)工程名称钦州市公共场馆第Ⅵ标段(游泳馆)工程子分部(系统)工程名称空调水系统安装单位广西建工集团第二建筑工程有限责任公司项目经理罗戆毅施工执行标准及编号《通风与空调工程质量验收规范》GB50243-2002 试验时间2011.5.22 型号规格蝶阀DN100 安装部位机房阀门数量(个)15 抽查个数(个) 1试压设备名称、型号装置情况说明或图示试压设备:电动试压泵规格:SY-30试压方法:把阀门接入已安装固定好的试验台相应闭口,后闭阀加压至试验压力强度试验试验压力(MPA) 1.0在试验压力下持续时间内的压力降(MPA)1外观检查外观完整,无变形严密性试验试验压力(MPA) 1.0 在试验压力内外观检查无渗水试验结论合格安装单位检测评定结果专业工长(施工员)检测人员项目专业质量检查员:年月日监理(建设)单位验收结论专业监理工程师(建设单位项目专业技术负责人):年月日质控(水)表4.2.3-1单位(子单位)工程名称钦州市公共场馆第Ⅵ标段(游泳馆)工程子分部(系统)工程名称空调水系统安装单位广西建工集团第二建筑工程有限责任公司项目经理罗戆毅施工执行标准及编号《通风与空调工程质量验收规范》GB50243-2002 试验时间2011.5.22 型号规格蝶阀DN70 安装部位机房阀门数量(个) 2 抽查个数(个) 1试压设备名称、型号装置情况说明或图示试压设备:电动试压泵规格:SY-30试压方法:把阀门接入已安装固定好的试验台相应闭口,后闭阀加压至试验压力强度试验试验压力(MPA) 1.0在试验压力下持续时间内的压力降(MPA)1外观检查外观完整,无变形严密性试验试验压力(MPA) 1.0 在试验压力内外观检查无渗水试验结论合格安装单位检测评定结果专业工长(施工员)检测人员项目专业质量检查员:年月日监理(建设)单位验收结论专业监理工程师(建设单位项目专业技术负责人):年月日质控(水)表4.2.3-1单位(子单位)工程名称钦州市公共场馆第Ⅵ标段(游泳馆)工程子分部(系统)工程名称空调水系统安装单位广西建工集团第二建筑工程有限责任公司项目经理罗戆毅施工执行标准及编号《通风与空调工程质量验收规范》GB50243-2002 试验时间2011.5.22 型号规格蝶阀DN50 安装部位机房阀门数量(个) 4 抽查个数(个) 1试压设备名称、型号装置情况说明或图示试压设备:电动试压泵规格:SY-30试压方法:把阀门接入已安装固定好的试验台相应闭口,后闭阀加压至试验压力强度试验试验压力(MPA) 1.0在试验压力下持续时间内的压力降(MPA)0.99外观检查外观完整,无变形严密性试验试验压力(MPA) 1.0 在试验压力内外观检查无渗水试验结论合格安装单位检测评定结果专业工长(施工员)检测人员项目专业质量检查员:年月日监理(建设)单位验收结论专业监理工程师(建设单位项目专业技术负责人):年月日质控(水)表4.2.3-1单位(子单位)工程名称钦州市公共场馆第Ⅵ标段(游泳馆)工程子分部(系统)工程名称空调水系统安装单位广西建工集团第二建筑工程有限责任公司项目经理罗戆毅施工执行标准及编号《通风与空调工程质量验收规范》GB50243-2002 试验时间2011.5.23 型号规格止回阀DN200 安装部位机房阀门数量(个) 6 抽查个数(个) 1试压设备名称、型号装置情况说明或图示试压设备:电动试压泵规格:SY-30试压方法:把阀门接入已安装固定好的试验台相应闭口,后闭阀加压至试验压力强度试验试验压力(MPA) 1.0在试验压力下持续时间内的压力降(MPA)0.99外观检查外观完整,无变形严密性试验试验压力(MPA) 1.0 在试验压力内外观检查无渗水试验结论合格安装单位检测评定结果专业工长(施工员)检测人员项目专业质量检查员:年月日监理(建设)单位验收结论专业监理工程师(建设单位项目专业技术负责人):年月日。
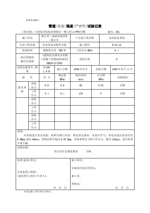
管道(设备)强度(严密性)试验记录
工程名称:宁波某学院杭州湾校区一期工程1~4#教学楼编号:001
本表由施工单位填写并保存。
管道(设备)强度(严密性)试验记录
工程名称:宁波某学院杭州湾校区一期工程1~4#教学楼编号:002
本表由施工单位填写并保存。
管道(设备)强度(严密性)试验记录
工程名称:宁波某学院杭州湾校区一期工程1~4#教学楼编号:003
本表由施工单位填写并保存。
管道(设备)强度(严密性)试验记录
工程名称:宁波某学院杭州湾校区一期工程1~4#教学楼编号:004
本表由施工单位填写并保存。