数控车工 普车操作图纸大全
- 格式:doc
- 大小:2.76 MB
- 文档页数:83
外圆车削(一)要求:车削一定要在熟悉车床之后进行并首先会刃磨外圆车刀。
D L Ra142±1Ø45—0140±2Ø40—0序号质检内容配分评分标准1外圆公差30超扣5分2外圆20降一级扣10分3长度公差10超差不得分4倒角二处5×2不合格不得分5平端面二处5×2不合格不得分6接刀痕5接刀痕大扣分7工件完整5不完整扣分8安全文明操作10违章扣分第三次课件请保留阶台车削(二)序号质检内容配分评分标准1外圆公差三处10x3超扣2分2外圆三处6x3降一级扣3分3长度公差三处4x3超差不得分4倒角二处3x2不合格不得分5平端面二处4x2不合格不得分6清角去锐边四处2x4不合格不得分7工件完整5不完整扣分8安全操作10违章扣分材料毛坯时间材料毛坯时间45Ø50x14545Ø50x150多阶台车削(三)序号质检内容配分评分标准1外圆公差六处5x6超扣2分,超不得分2外圆六处3x6降一级扣2分3长度公差六处3x6超差不得分4倒角二处2x2不合格不得分5清角去锐边十处10不合格不得分6平端面二处2x2不合格不得分7工件外观6不完整扣分8安全文明操作10违章扣分此件用上次课件改制材料毛坯时间45一夹一顶车削(四)序号质检内容配分评分标准1外圆公差四处8x4超扣2分,超不得分2外圆四处4x4降一级扣2分3长度公差四处3x4超差不得分4倒角二处3x2不合格不得分5清角二处2x3不合格不得分6平端面二处3x2不合格不得分7中心孔5不合格不得分8工件外观7不完整扣分9安全文明操作10违章扣分要求:会正确使用A.B型中心钻。
会使用活顶尖材料毛坯时间此件用课件(三)改制矩形槽车削(五)序号质检内容配分评分标准1外圆公差四处6x4超扣2分,超不得分2外圆四处3x4降一级扣2分3外沟槽四处6x4超差槽壁不直扣分4长度公差四处3x4超差不得分5倒角二处2x2不合格不得分6清角去锐边5一处不合格扣0.5分7平端面二处2x2不合格不得分8中心孔2不合格不得分9工件外观5不完整扣分4510安全文明操作 7 违章扣分要求:会刃磨槽刀及切断刀。
1 X ZO 0 0A 4 -3.791B 6.841 -5.705C 13.719 -7.397D 17.106 -18.125E 19.439 -22.564F 22.651 -42.6751.大葫芦2 X ZO 0 0A 4 -2B 4 -3.133C 5.717 -4.123D 26.849 -5.632E 32 -8.62.陀螺3 X ZO 0 0A 4 -3.791B 6.841 -5.705C 13.719 -7.397D 17.161 -17.89E 18.682 -22.756F 20.687 -36.385G 18.665 -37.25H 11.429 -38.8353.小葫芦4 X ZO 0 0A 10.098 -1.728B 19.219 -7.48C 24.342 -13.974D 24.574 -26.387E 23.531 -28.15F 18.151 -32.965G 13.922 -34.866H 8.793 -36.0944.蛋5.酒杯5 X ZO 0 0A 32.216 -0.94B 34 -17C 20.583 -30.531D 8.802 -41.543E 7.531 -51.806F 14.924 -56.944G 31.903 -59.219H 34 -60.585 J 31.171 -626 X ZO 0 0A 1.487 -0.494B 4 -6C 5 -12.5D 6.4 -17.5E 8.4 -226.子弹7.公章7 X ZO 0 0A 4 0B 12.132 -7.91C 10.282 -12.9278 X ZO 0 0A 13.949 -7.599B 11.337 -15.433C 8.03 -30.292D 15.994 -42.705E 23.842 -52.06F 12.122 -908.大保龄球瓶9. 小保龄球瓶:毛坯直径10mm,1号刀为外圆,4号刀为切断刀。
要求:车削一定要在熟悉车床之后进行并首先会刃磨外圆车刀。
D L Ra1 Ø45 —0 0.10142±0.50 6.32 Ø40 —0 0.10140±0.30 3.2序号质检内容配分评分标准1 外圆公差30 超0.02扣5分2 外圆RX6.3 20 降一级扣10分3 长度公差10 超差不得分4 倒角二处5×2 不合格不得分5 平端面二处5×2 不合格不得分6 接刀痕 5 接刀痕大扣分7 工件完整 5 不完整扣分8 安全文明操作10 违章扣分材料毛坯时间零件请保留45 Ø50x145序号质检内容配分评分标准1 外圆公差三处10x3 超0.01扣2分2 外圆Ra3.2 三处6x3 降一级扣3分3 长度公差三处4x3 超差不得分4 倒角二处3x2 不合格不得分5 平端面二处4x2 不合格不得分6 清角去锐边四处2x4 不合格不得分7 工件完整 5 不完整扣分8 安全操作10 违章扣分材料毛坯时间45 Ø50x150多台阶车削(三)序号质检内容配分评分标准1 外圆公差六处5x6 超0.01扣2分,超0.02不得分2 外圆Ra3.2 六处3x6 降一级扣2分3 长度公差六处3x6 超差不得分4 倒角二处2x2 不合格不得分5 清角去锐边十处10 不合格不得分6 平端面二处2x2 不合格不得分7 工件外观 6 不完整扣分8 安全文明操作10 违章扣分此件用上次课件改制材料毛坯时间45一夹一顶练习(四)序号质检内容配分评分标准1 外圆公差四处8x4 超0.01扣2分,超0.02不得分2 外圆Ra3.2 四处4x4 降一级扣2分3 长度公差四处3x4 超差不得分4 倒角二处3x2 不合格不得分5 清角二处2x3 不合格不得分6 平端面二处3x2 不合格不得分7 中心孔 5 不合格不得分8 工件外观7 不完整扣分9 安全文明操作10 违章扣分要求:会正确使用A.B型中心钻。
要求:车削一定要在熟悉车床之后进行并首先会刃磨外圆车刀。
D L Ra1 Ø45 —0 0.10142±0.50 6.32 Ø40 —0 0.10140±0.30 3.2序号质检内容配分评分标准1 外圆公差30 超0.02扣5分2 外圆RX6.3 20 降一级扣10分3 长度公差10 超差不得分4 倒角二处5×2 不合格不得分5 平端面二处5×2 不合格不得分6 接刀痕 5 接刀痕大扣分7 工件完整 5 不完整扣分8 安全文明操作10 违章扣分材料毛坯时间第三次课件请保留45 Ø50x145序号质检内容配分评分标准1 外圆公差三处10x3 超0.01扣2分2 外圆Ra3.2 三处6x3 降一级扣3分3 长度公差三处4x3 超差不得分4 倒角二处3x2 不合格不得分5 平端面二处4x2 不合格不得分6 清角去锐边四处2x4 不合格不得分7 工件完整 5 不完整扣分8 安全操作10 违章扣分材料毛坯时间45 Ø50x150多台阶车削(三)序号质检内容配分评分标准1 外圆公差六处5x6 超0.01扣2分,超0.02不得分2 外圆Ra3.2 六处3x6 降一级扣2分3 长度公差六处3x6 超差不得分4 倒角二处2x2 不合格不得分5 清角去锐边十处10 不合格不得分6 平端面二处2x2 不合格不得分7 工件外观 6 不完整扣分8 安全文明操作10 违章扣分此件用上次课件改制材料毛坯时间45一夹一顶练习(四)序号质检内容配分评分标准1 外圆公差四处8x4 超0.01扣2分,超0.02不得分2 外圆Ra3.2 四处4x4 降一级扣2分3 长度公差四处3x4 超差不得分4 倒角二处3x2 不合格不得分5 清角二处2x3 不合格不得分6 平端面二处3x2 不合格不得分7 中心孔 5 不合格不得分8 工件外观7 不完整扣分9 安全文明操作10 违章扣分要求:会正确使用A.B型中心钻。
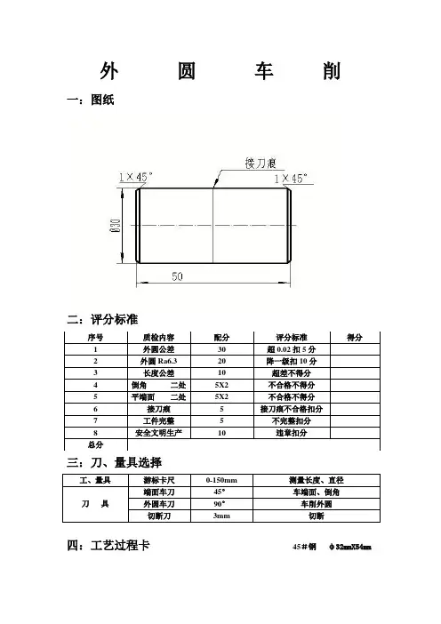
外 圆 车 削一:图纸二:评分标准三:刀、量具选择工、量具 游标卡尺 0-150mm 测量长度、直径 刀 具 端面车刀 45° 车端面、倒角 外圆车刀 90° 车削外圆 切断刀3mm切断四:工艺过程卡 45#钢 ф32mmX54mm序号 质检内容 配分 评分标准 得分 1 外圆公差 30 超0.02扣5分 2 外圆Ra6.3 20 降一级扣10分 3 长度公差 10 超差不得分 4 倒角 二处 5X2 不合格不得分 5 平端面 二处5X2 不合格不得分 6 接刀痕 5 接刀痕不合格扣分 7 工件完整 5 不完整扣分 8 安全文明生产10违章扣分总分工步加工类容工序简图1 检查毛坯、找正装夹Ф32mmX54mm2 车端面3 车ф30mmX30mm4 倒角C15 切断保证总长52mm 略6 调头夹ф30外圆7车端面、保证总长50mm8 车ф30mmX20mm9 倒角C19 检查后取下工件阶台车削一:图纸二:评分标准序号质检内容配分评分标准得分1 外圆尺寸三处10X3 超0.01扣2分2 外圆Ra3.2 三处6X3 降一级扣3分3 长度尺寸三处4X3 超0.05扣2分4 倒角二处3X2 不合格不得分5 平端面二处4X2 不合格不得分6 清角去锐边二处4X2 不合格不得分7 工件完整 5 不完整扣分8 安全文明生产10 违章扣分总分三:刀、量具选择工、量具游标卡尺0-150mm 测量长度、直径刀具端面车刀45°车外圆、倒角外圆车刀90°车削外圆切断刀3mm 切断45#钢ф32mmX54mm四:工艺过程卡工步加工内容工序简图1 检查毛坯、找正装夹Ф32mmX54mm2 车端面3 车ф30mmX30mm4 车ф26mmX20mm5 倒角C16 切断保证总长52mm 略7 调头装夹ф26外圆8车端面、保证总长50mm9 车ф26mmX20mm10 倒角C111 检查后取下工件多阶台车削一:图纸二:评分标准序号质检内容配分评分标准得分1 外圆公差五处6X5 超0.01扣2分,超0.02不得分2 外圆Ra3.2 六处3X6 降一级扣2分3 长度公差六处3X6 超差不得分4 倒角二处2X2 不合格不得分5 清角去锐边五处10 不合格不得分6 平端面二处2X2 不合格不得分7 工件外观 6 不完整扣分8 安全文明生产10 违章扣分总分三:工、量具选择工、量具游标卡尺0-150mm测量长度、直径刀具端面车刀45°车外圆、倒角外圆车刀90°车削外圆切断刀3mm切断45#钢ф32mmX54mm四:工艺过程卡工步加工内容加工简图1 检查毛坯、找正装夹Ф32mmX54mm2 车端面3 车ф30mmX30mm4 车ф26mmX20mm5 车Ф22mmX10mm6 倒角C17 切断保证总长52mm 略8 调头装夹ф26外圆9 车端面、保证总长50mm10 车ф26mmX20mm11 车Ф22mmX10mm12 倒角C113 检查后取下工件。
外圆车削(一)要求:车削一定要在熟悉车床之后进行并首先会刃磨外圆车刀。
D L Ra1 Ø45 —0 0.10142±0.50 6.32 Ø40—0 0.10140±0.30 3.2序号质检内容配分评分标准1 外圆公差30 超0.02扣5分2 外圆RX6.3 20 降一级扣10分3 长度公差10 超差不得分4 倒角二处5×2 不合格不得分5 平端面二处5×2 不合格不得分6 接刀痕 5 接刀痕大扣分7 工件完整 5 不完整扣分8 安全文明操作10 违章扣分材料毛坯时间第三次课件请保留45 Ø50x145阶台车削(二)序号质检内容配分评分标准1 外圆公差三处10x3 超0.01扣2分2 外圆Ra3.2 三处6x3 降一级扣3分3 长度公差三处4x3 超差不得分4 倒角二处3x2 不合格不得分5 平端面二处4x2 不合格不得分6 清角去锐边四处2x4 不合格不得分7 工件完整 5 不完整扣分8 安全操作10 违章扣分材料毛坯时间45 Ø50x150序号质检内容配分评分标准1 外圆公差六处5x6 超0.01扣2分,超0.02不得分2 外圆Ra3.2 六处3x6 降一级扣2分3 长度公差六处3x6 超差不得分4 倒角二处2x2 不合格不得分5 清角去锐边十处10 不合格不得分6 平端面二处2x2 不合格不得分7 工件外观 6 不完整扣分8 安全文明操作10 违章扣分此件用上次课件改制材料毛坯时间45序号质检内容配分评分标准1 外圆公差四处8x4 超0.01扣2分,超0.02不得分2 外圆Ra3.2 四处4x4 降一级扣2分3 长度公差四处3x4 超差不得分4 倒角二处3x2 不合格不得分5 清角二处2x3 不合格不得分6 平端面二处3x2 不合格不得分7 中心孔 5 不合格不得分8 工件外观7 不完整扣分9 安全文明操作10 违章扣分要求:会正确使用A.B型中心钻。
会使用活顶尖此件用课件(三)改制材料毛坯时间45矩形槽车削(五)序号质检内容配分评分标准1 外圆公差四处6x4 超0.01扣2分,超0.02不得分2 外圆Ra3.2 四处3x4降一级扣2分3外沟槽四处6x4 超差槽壁不直扣分4长度公差四处3x4 超差不得分5倒角二处2x2 不合格不得分6清角去锐边 5 一处不合格扣0.5分7平端面二处2x2 不合格不得分8中心孔 2 不合格不得分9工件外观 5 不完整扣分10安全文明操作7 违章扣分要求:会刃磨槽刀及切断刀。
材料毛坯时间此课件用课件(四)改制45锥体车削(六)序号质检内容配分评分标准1 外圆公差三处8x3 超0.01扣2分,超0.02不得分2 外圆Ra3.2 三处4x3 降一级扣2分3 锥体二处10x2 超1´扣2分4 锥体 Ra3.2 二处5x2 降一级扣3分5 长度公差三处3x3 超差不得分6 清角去锐边六处 6 一处不合格扣1分7 平端面二处2x2 不合格不得分8 工件完整 5 不完整扣分9 安全文明操作10 违章扣分要求:了解掌握锥体检测的方法材料毛坯时间45 Ø40x150综合件车削(七)序号质检内容配分评分标准1 外圆公差四处6x4 超0.01扣2分,超0.02不得分2 外圆 Ra3.2 四处4x4 降一级扣2分3 沟槽二处8x2 超差槽壁不直扣分4 锥体 Ra3.2 二处10/5 超1´扣2分,降一级扣2分5 长度公差三处3x3 超差不得分6 倒角 1x45° 2 不合格不得分7 清角去锐边三处0.5x8 不合格不得分8 平端面二处2x2 不合格不得分9 中心孔 2 不合格不得分10 工件完整 4 不完整扣分11 安全文明操作 4 违章扣分第一阶段测验材料毛坯时间45 Ø32x145 180分钟滚花练习(八)序号质检内容配分评分标准1 外圆公差二处5x2 超0.01扣2分2 外圆 Ra3.2 二处4x2 降一级扣2分3 滚花三处10x3 花纹不清乱纹扣分4 沟槽二处5x2 超差不得分5 长度公差三处3x3 超差不得分6 倒角八处2x8 不合格不得分7 平端面二处2x2 不合格不得分8 中心孔二处2x2 不合格不得分9 工件完整 4 不完整扣分10 安全文明操作 4 违章扣分要求:会刃磨45°车刀此课件留做下一课题材料毛坯时间45 Ø32x145 180分钟两顶尖装夹车削(九)序号质检内容配分评分标准1 外圆公差五处5x5 超0.01扣2分超0.02不得分2 外圆 Ra3.2 五处3x5 降一级扣2分3 同轴度10 超0.02扣5分4 平行度10 超0.01扣5分5 长度公差五处3x5 超差不得分6 倒角四处2x4 不合格不得分7 清角去锐边六处1x6 不合格不得分8 中心孔二处2x2 不合格不得分9 工件完整 3 不完整扣分10 安全文明操作 4 违章扣分要求:会车制前顶尖及使用,会使用鸡心夹。
此题用课件八改制并保留做下一课题材料毛坯时间45圆弧槽车削(十)序号质检内容配分评分标准1 外圆公差三处6x3 超0.01扣2分2 外圆 Ra3.2 三处4x3 降一级扣2分3 圆弧槽四处5x2 R规检测.间隙大扣分4 长度公差三处3x3 超差不得分5 倒角二处2x2 不合格不得分6 清角去锐边二处1x4 不合格不得分7 中心孔 3 不合格不得分8 工件完整 5 不完整扣分9 安全文明操作 5 违章扣分要求:R8圆弧槽不允许用成型刀.会刃磨圆弧车刀。
此题用课件九改制。
材料毛坯时间45探测锤头(十一)说明: 1.此件用课题(一)改制。
2.此件不设评分标准。
要求: 1.此件可用锉刀.砂布抛光。
2.比例合适.美观。
3.注意锉刀的使用方法。
4.锤柄长度不够可在80处进行螺纹连接。
锤柄线垂(十二)掌握在车床上攻丝.套丝的方法掌握小直径钻头的使用方法要求:1保证形位公差2可用砂布抛光3要有实用性。
4此件不设评分标准材料毛坯时间45加工步骤见尾页综合件车削(十三)序号质检内容配分评分标准1 外圆公差六处4x6 超0.01扣2分2 外圆 Ra3.2 六处2x6 不合格不得分3 圆弧槽 R10 8x2 R规检测间隙大扣分4 圆弧 Ra3.2 10 不合格不得分5 矩形槽二处4x2 超差槽壁不直扣分6 长度公差五处3x5 超差不得分7 倒角四处2x4 不合格不得分8 清角去锐边六处1x6 不合格不得分9 中心孔二处2x2 不合格不得分10 工件完整 4 不完整扣分11 安全文明操作 5 违章扣分圆弧槽不允许用成型刀及锉刀此件请保留材料毛坯时间加工步骤见尾页45 Ø50x145综合件车削(十四)序号质检内容配分评分标准1 外圆公差四处6x4 超0.01扣2分,超0.02不得分2 外圆 Ra3.2 四处4x4 降一级扣2分3 锥体10 超1′扣2分4 锥体Ra3.25 降一级扣3分5 沟槽8 超差槽壁不直扣分6 长度公差四处3x4 超差不得分7 倒角 2 不合格不得分8 清角去锐边六处1x6 不合格不得分9 中心孔二处2x2 不合格不得分10 同轴度 5 超差不得分11 工件完整 3 不完整扣分12 安全文明操作 5 违章扣分材料毛坯时间45 Ø50x145 120分钟此课件留做下一课题球面车削(十五)次数 D d L1 Ø38±0.20 Ø 18 35.72 Ø 36±0.15 Ø 16 34.13 Ø 34±0.10 Ø 15 32.4说明:1.此件用课件十四改制.2.球面用锉刀,砂布抛光.手柄车削(十六)说明:1.此件用课件十三改制。
2.此件要按标准加工。
3.此件要保留,有实用性。
三球手柄车削(十七)要求:两端球面不允许留中心孔此件按要求加工此件保留有实用性允许用锉刀砂布不允许用成型刀材料:45#加工步骤见尾页毛坯:Ø35X135时间:三角形外螺纹车削 (十八)要求:1.必须会刃磨三角螺纹车刀.2.会测量三角形外螺纹.3.此件留作下一课题序号质检内容配分评分标准1 外圆公差三处5x3 超0.01扣2分2 外圆 Ra3.2 三处3x3 降一级扣2分3 三角螺纹二处10x2 超差乱牙牙型不正扣分4 螺纹 Ra3.2 二处6x2 降一级扣3分5 长度公差五处2x5 超差不得分6 倒角四处2x4 不合格不得分7 清角去锐边六处1x4 不合格不得分8 退刀槽二处4x2 不合格不得分9 中心孔二处2x2 不合格不得分10 工件完整 5 不完整扣分11 安全文明操作 5 违章扣分材料毛坯时间45 Ø50x150大径d=D与公称直径相同中径d2=D2=d-0.6495P牙型高度h1=0.5413P螺纹小径D1=D1=d-1.0825P车无退刀槽螺纹(十九)要求: 熟记M6-M24普通螺纹的螺距此件用课件十八改制并保留序号 质检内容配分 评分标准 1 外圆公差 三处 5x3 超0.01扣2分 2 外圆 Ra3.2 三处 3x3 降一级扣3分3 三角螺纹 二处 14x2 超差乱牙牙不正扣分4 螺纹 Ra3.2 二处 7x2 降一级扣4分5 螺纹长度二处4x2 超差不得分 6 长度公差 五处 2x3 超差不得分 7 倒角 四处2x4 不合格不得分 8 清角 二处 1x2 不合格不得分 9 工件完整 5 不完整扣分 10安全文明操作5违章扣分材料: 45#毛坯:Ø50X145 时间: 210左旋螺纹车削 (二十)序号质检内容配分评分标准1 外圆公差二处6x2 超0.01扣2分2 外圆 Ra3.2 二处4x2 降一级扣3分3 三角螺纹二处12x2 超差乱牙牙不正扣分4 螺纹 Ra3.2 二处6x2 降一级扣3分5 螺纹长度二处4x2 超差不得分6 长度公差五处3x3 超差不得分7 倒角四处2x6 不合格不得分8 清角二处1x2 不合格不得分9 沟槽 3 超差不得分10 工件完整 5 不完整扣分11 安全文明操作 5 违章扣分要求:不可用高速车削此件用课件十九改制并保留做下次课题综合件车削(二十一)序号质检内容配分评分标准1 外圆公差三处4x3 超0.01扣2分2 外圆 Ra3.2 三处3x3 降一级扣2分3 锥体Ra3.2 二处10/6 超1`扣2分降一级扣4分4 螺纹 Ra3.2 二处10/6 超差乱牙牙不正扣分5 圆弧槽 / 中心距12/6 R规检测间隙大扣分6 退刀槽 3 超差不得分7 长度公差三处3x3 不合格不得分8 倒角 3 不合格不得分9 清角去锐边四处1x4 不合格不得分10 工件完整 5 不完整扣分11 安全文明操作 5 违章扣分此件用上次课件改制,可做考试用题要求:R8不准用成型刀及锉刀.综合件车削(二十二)序号质检内容配分评分标准1 外圆公差三处6x3 超0.01扣2分超0.02不得分2 外圆 Ra1.6三处3x3 降一级扣2分3 三角螺纹Ra3.2 二处8/4 超差乱牙扣分降一级扣2分4 圆弧 Ra3.2 二处12/6 样板检测间隙大扣分5 沟槽二处8x2 超差槽壁不直扣分6 退刀槽 2 不合格不得分7 长度公差三处2x3 超差不得分8 倒角2x2 不合格不得分9 清角去锐边五处1x5 不合格不得分10 工件完整 5 不完整扣分11 安全文明操作 5 违章扣分要求:SR12.5不准用成型刀锉刀及砂布。