数控车工高级工练习图纸教学提纲
- 格式:doc
- 大小:672.51 KB
- 文档页数:35
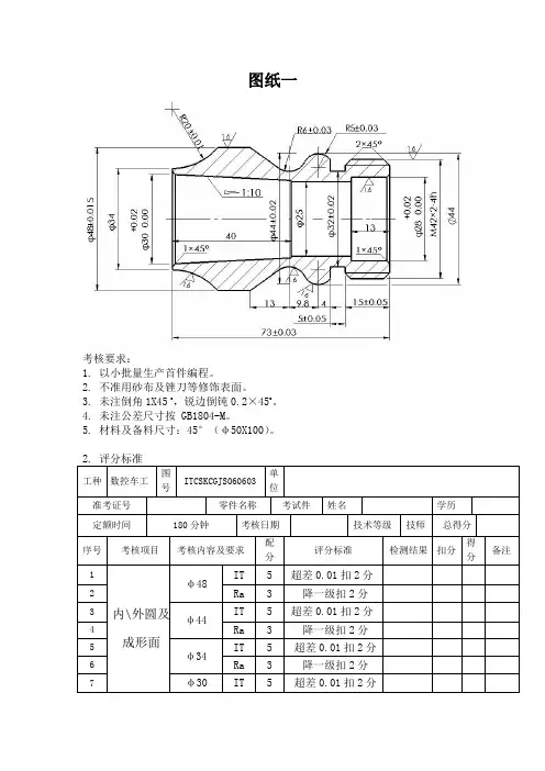
图纸一考核要求:1. 以小批量生产首件编程。
2. 不准用砂布及锉刀等修饰表面。
3. 未注倒角1X45 o,锐边倒钝0.2×45o。
4. 未注公差尺寸按 GB1804-M。
5. 材料及备料尺寸:45°(φ50X100)。
工种数控车工图号ITCSKCGJS060603单位准考证号零件名称考试件姓名学历定额时间180分钟考核日期技术等级技师总得分序号考核项目考核内容及要求配分评分标准检测结果扣分得分备注1内\外圆及成形面φ48IT 5 超差0.01扣2分2 Ra3 降一级扣2分3φ44 IT 5 超差0.01扣2分4 Ra 3 降一级扣2分5φ34 IT 5 超差0.01扣2分6 Ra 3 降一级扣2分7 φ30IT 5 超差0.01扣2分3、技能练习题一毛坯图(材质:45号钢)4、工、量具清单刀具清单量具清单5、参考工艺⑴.设坐标原点。
⑵.钻孔为φ22,调用镗孔刀,用G71、G70指令粗、精车出1:10锥度、φ25内孔,并控制尺寸精度。
⑶.调用外圆尖刀,用G73、G70指令粗、精车出R40、R6、R5圆弧面、φ48外圆、锥度,并控制尺寸精度。
⑷.返回原点,换回粗车外圆车刀,消除刀补。
⑸.掉头,用变径套φ48夹住φ48外圆车另一头并控制工件总长。
⑹.设坐标原点。
⑺.钻孔为φ25,调用镗孔刀,用G71、G70指令粗、精车出φ28内孔、倒角,并控制尺寸精度。
⑻.调用外圆尖刀,用G71、G70指令粗、精车出螺纹表面,并控制尺寸精度。
⑼.调用切槽刀,用单段指令,把φ32槽车出后,倒角。
⑽.调用螺纹车刀,利用G76指令,将M42的螺纹车出。
⑾.返回原点,换回粗车外圆车刀,消除刀补。
⑿.结束程序。
6、注意事项⑴.一切操作必须听从工作人员的统一指挥。
⑵.按规定穿工作服,并准备规定的防护用具。
⑶.保证自备的仪器、工、量具齐备良好。
⑷.严格按照操作规程和安全规程操作。
⑸.发生事故时,要沉着、积极配合工作人员处理。
数控车工高级部分(宏程序应用)1、直线宏程序2、圆弧宏程序3、椭圆宏程序4、函数曲线宏程序5、抛物线宏程序6、双曲线宏程序7、圆弧、椭圆、双曲线、抛物线、螺旋宏程序8、综合题形练习加工课题一:直线宏程序(一)图1-1直线方程式:X=KZ+B解题思路:1、直线两点(X 30 , Z 0)(X 50 , Z -22).2、根据线形方程式得:30=K*0+B50=K*(-22)+B得:B=30K=-0.90903、方程式为:X=-0.9090Z+304、长度宏变量范围:Z0 ~Z-225、设自变量#1=0 #2=-226、应用循环语言G65 [ ] DO1END1精加工程序内容:O0001;M03 S1000;T0101;G00 X55 Z2;#1=0;#2=-22;G65 [ #1GE#2 ] DO1;#3= -0.9090*#1+30;G01 X[#3] Z[#1] F0.1#1=#1-0.05END1;G00 X100 Z100;M30;粗加工程序内容:O0001;M03 S650;T0101;G00 X55 Z2;#1=0;#2=-22;G65 [ #2LE#1 ] DO1;#3= -0.9090*#2+30;G01 X[#3+1] F0.25;G01 Z[#2+0.5] F0.1;G00 U1 W0.5;Z2;#2=#2+2;END1;G00 X100 Z100;M30;课题一:直线宏程序(二)图1-2直线方程式:X=KZ+B解题思路:1、直线两点(X 50 , Z -20)(X 30 , Z -42).2、根据线形方程式得:50=K*-20+B30=K*(-42)+B得:B=68.18K=0.90903、方程式为:X=0.9090Z+68.184、长度宏变量范围:Z-20 ~Z-425、设自变量#1=-20 #2=-426、应用循环语言G65 [ ] DO1END1精加工程序内容:O0001;M03 S1000;T0101;G00 X55 Z-20;#1=-20;#2=-42;G65 [ #1GE#2 ] DO1;#3= 0.9090*#1+68.18;G01 X[#3] Z[#1] F0.1#1=#1-0.05END1;G00 X100 Z100;M30;粗加工程序内容:O0001;M03 S650;T0101;G00 X55 Z-20;#1=-20;#2=-42;G65 [ #1GE#2 ] DO1;#3= 0.9090*#1+68.18;G01 X[#3+1] Z[#1-0.5] F0.25;G01 Z[#2]G00 U1 W0.5;Z [#1-0.5];#1=#1-2;END1;G00 X100 Z100;M30;课题一:直线宏程序(三)直线方程式:X=KZ+B解题思路:1、直线两点(X 44, Z 0)(X 30 , Z –40).2、根据线形方程式得:44=K*0+B30=K*(-40)+B得:B=44K=0.353、方程式为:X=0.35Z+444、长度宏变量范围:Z0 ~Z-405、设自变量#1=0 #2=-406、应用循环语言G65 [ ] DO1END1精加工程序内容:O0001;M03 S1000;T0101;G00 X28 Z2;#1=0;#2=-40;G65 [ #1GE#2 ] DO1;#3= 0.35*#1+44;G01 X[#3] Z[#1] F0.1#1=#1-0.05END1;G00 Z100;M30;粗加工程序内容:O0001;M03 S650;T0101;G00 X28 Z2;#1=0;#2=-40;G65 [ #2LE#1 ] DO1;#3= 0.35*#2+44;G01 X[#3-1] F0.25;Z[#2+0.5];G00 U-1 W0.5;Z 2;#2=#2+2;END1;G00 Z100;M30;课题一:直线宏程序(四)直线方程式:图示右斜线直线方程式:X=KZ+B图示左斜线直线方程式:X=KZ+B解题思路:1、直线两点(X 50, Z -20)(X 30 , Z –42).2、直线两点(X30, Z –58)(X 50 , Z –80).3、根据右斜线形方程式得:50=K*-20+B30=K*(-42)+B得:B=68.18K=0.90904、根据左斜线形方程式得:30=K*-58+B50=K*(-80)+B得:B=-22.722K=-0.90905、方程式为:图示右斜线直线方程式:X=0.9090Z+68.18图示左斜线直线方程式:X=-0.9090Z-22.7226、长度宏变量范围:Z-20 ~Z-42 Z-58 Z-807、设自变量#1=-20 #2=-42 #3=58 #4=-808、应用循环语言G65 [ ] DO1END1精加工程序内容(一):O0001;M03 S1000;T0101;G00 X55 Z-20;#1=-20;#2=-42;#3=-58;#4=-80;G65 [ #1GE#2 ] DO1;#5= 0.090*#1+68.18;G01 X[#5] Z[#1] F0.1;W-16;#6=-0.090*#3-22.722G01 X[#6] Z[#3]F0.15;#1=#1-0.05#3=#3-0.05END1;G00 X100 Z100;M30;精加工也可这样编写(二):O0001;M03 S1000;T0101;G00 X55 Z-20;#1=-20;#2=-42;#3=-58;#4=-80;G65 [ #1GE#2 ] DO1;#5= 0.090*#1+68.18;G01 X[#5] Z[#1] F0.1;#1=#1-0.05END1G01 W-16 F0.15;G65 [ #3GE#4 ] DO2;#6=-0.090*#3-22.722G01 X[#6] Z[#3]F0.15;#3=#3-0.05END2;G00 X100 Z100;M30;精加工也可这样编写(三):O0001;M03 S1000;T0101;G00 X55 Z-20;#1=-20;#2=-42;#3=-58;#4=-80;G65 [ #1GE#2 ] DO1;G65 [ #3GE#4 ] DO2;#5= 0.090*#1+68.18;#6=- 0.090*#1-22.722;G01 X[#5] Z[#1] F0.1;G01 W-16;G01 X[#6] Z[#3] F0.1;#1=#1-0.05;#3=#3-0.05;END2;END1;G00 X100 Z100;M30;粗加工程序内容:O0001;M03 S650;T0101;G00 X55 Z-20;#1=-20;#2=-42;#3=-58;#4=-80;G65 [ #1GE#2 ] DO1;G65 [ #3GE#4 ] DO2;#5= 0.090*#1+68.18;#6=- 0.090*#1-22.722;G01 X[#5+1] Z[#1-0.5] F0.1;G01 X[#6+1] Z[#3+0.5] F0.1;G00 U1 W0.5;Z [#1-0.5];#1=#1-1;#3=#3-1;END2;END1;G00 X100 Z100;M30;课题二:椭圆宏程序(一)1、椭圆第一种应用方程式:X=A*2*SIN(a) Z=B*CON(a)A:为X轴方的长度(平行与X轴的椭圆轴) B:为Z轴方向的长度(平行与z轴的椭圆轴)2、椭圆第二种应用方程式:X*X/A*A+Z*Z/B*B=1A:为X轴方的长度B:为Z轴方向的长度第一种方程式应用解题;3、角度宏变量范围:a=0 ∽ a=904、设自变量#1=0 #2=90 #3=10 #4=255、应用循环语言G65 [ ] DO1END1精加工编程内容:O0001;M03 S1000;T0101;G00 X55 Z2;#1=0;#2=90;#3=10;#4=25;G65 [ #1LE#2 ] DO1;#5=2*#4*SIN(#1);#6=#3*CON(#1);G01 X [#5] Z[#6-10] F0.15 #1=#1+0.1;END1;G00 X100 Z100;M30;粗加工程序内容:O0001;M03 S650;T0101;G00 X55 Z2;#1=0;#2=90;#3=10;#4=25;G65 [ #2GE#1 ] DO1;#5=2*#4*SIN(#2);#6=#3*CON(#2);G01 X [#5+1] F0.25;Z[#6-10+0.5] F0.25;G00 U1 W0.5;Z2;#2=#2+3;END1;G00 X100 Z100;M30;椭圆第二种应用方程式:X*X/A*A+Z*Z/B*B=1编程:1、长度宏变量范围:z=0 ∽ z=-102、公式分析化简得:X=SQRT[[1-Z*Z/B*B]*A*A]4、设自变量#1=0 #2=-10 #3=10 #4=255、应用循环语言G65 [ ] DO1END1精加工编程内容:O0001;M03 S1000;T0101;G00 X55 Z2;#2=0#3=10;#4=25;G65 [ #1GE#2 ] DO1;#5=2*SQRT[[1-#1*#1/#3*#3]*#4*#4] G01 X [#5] Z[#1-10] F0.15#1=#1+0.1;END1;G00 X100 Z100;M30;粗加工程序内容:O0001;M03 S650;T0101;G00 X55 Z2;#1=10;#2=0;#3=10;G65 [ #2GE#1 ] DO1;#5=2*SQRT[[1-#2*#2/#3*#3]*#4*#4]G01 X [#5+1] F0.25;Z[#2-10+0.5] F0.25;G00 U1 W0.5;Z2;#2=#2+3;END1;G00 X100 Z100;M30;课题二:椭圆宏程序(二)1、椭圆第一种应用方程式:X=A*2*SIN(a) Z=B*CON(a)A:为X轴方的长度(平行与X轴的椭圆轴)B:为Z轴方向的长度(平行与z轴的椭圆轴)2\椭圆第二种应用方程式:X*X/A*A+Z*Z/B*B=1A:为X轴方的长度(平行与X轴的椭圆轴)B:为Z轴方向的长度(平行与z轴的椭圆轴)第一种方程式应用解题;3、角度宏变量范围:a=0 ∽ a=1504、设自变量#1=90 #2=150 #3=25 #4=405、应用循环语言G65 [ ] DO1END1精加工编程内容:O0001;M03 S1000;T0101;G00 X30Z2;#1=90;#2=150;#4=40;G65 [ #1LE#2 ] DO1;#5=2*#3*SIN(#1);#6=#4*CON(#1);G01 X [#5] Z[#6] F0.15#1=#1+0.1;END1;G00 U-2;G00 Z100;M30;粗加工程序内容:O0001;M03 S650;T0101;G00 X30 Z2;#1=90;#2=150;#3=25;G65 [ #2GE#1 ] DO1;#5=2*#3*SIN(#2);#6=#4*CON(#2);G01 X [#5-1] F0.25;Z[#6+0.5] F0.25;G00 U-1 W0.5;Z2;#2=#2+3;END1;G00 Z100;M30;椭圆第二种应用方程式:X*X/A*A+Z*Z/B*B=1编程:3、长度宏变量范围:z=0 ∽ z=-304、公式分析化简得:X=SQRT[[1-Z*Z/B*B]*A*A]4、设自变量#1=0 #2=-30 #3=25 #4=405、应用循环语言G65 [ ] DO1END1精加工编程内容:O0001;M03 S1000;T0101;G00 X30 Z2;#1=0;#2=-30#3=25;#4=40;G65 [ #1GE#2 ] DO1;#5=2*SQRT[[1-#1*#1/#4*#4]*#3*#3] G01 X [#5] Z[#1] F0.15#1=#1-0.1;END1;G00 U-2;G00 Z100;M30;粗加工程序内容:O0001;M03 S650;T0101;G00 X30 Z2;#1=0;#2=-30;#3=25;#4=40;G65 [ #2GE#1 ] DO1;#5=2*SQRT[[1-#2*#2/#4*#4]*#3*#3] G01 X [#5-1] F0.25;Z[#2+0.5] F0.25;G00 U-1 W0.5;Z2;#2=#2-3;END1;G00 Z100;M30;课题二:椭圆宏程序(三)1、椭圆第一种应用方程式:X=A*2*SIN(a) Z=B*CON(a)A:为X轴方的长度(平行与X轴的椭圆轴)B:为Z轴方向的长度(平行与z轴的椭圆轴)2、椭圆第二种应用方程式:X*X/A*A+Z*Z/B*B=1A:为X轴方的长度(平行与X轴的椭圆轴)B:为Z轴方向的长度(平行与z轴的椭圆轴)第一种方程式应用解题;2、角度宏变量范围:a=0 ∽ a=1504、设自变量#1=0 #2=150 #3=25 #4=405、应用循环语言G65 [ ] DO1END1精加工编程内容:O0001;M03 S1000;T0101;G00 X55Z2;#1=0;#2=150;#3=25;#4=40;G65 [ #1LE#2 ] DO1;#5=2*#3*SIN(#1);#6=#4*CON(#1)-40;G01 X [#5] Z[#6] F0.15#1=#1+0.1;END1;G00 X150;G00 Z100;M30;粗加工程序右边内容:O0001;M03 S650;T0101;G00 X30 Z2;#1=0;#2=90;#3=25;#4=40;G65 [ #2GE#1 ] DO1;#5=2*#3*SIN(#2);#6=#4*CON(#2)-40;G01 X [#5+1] F0.25;Z[#6+0.5] F0.25;Z2;#2=#2+3;END1;G00 Z100;M30;粗加工程序左边内容:O0001;M03 S650;T0101;G00 X30 Z2;#1=90;#2=150;#3=25;#4=40;G65 [ #1LE#2 ] DO1;#5=2*#3*SIN(#1);#6=#4*CON(#1)-40;G01 X [#5+1] Z[#6-0.5] F0.25; Z-80;Z[#6-0.5];#1=#1+3;END1;G00 Z100;M30;椭圆第二种应用方程式:X*X/A*A+Z*Z/B*B=1编程:5、长度宏变量范围:z=0 ∽ z=-306、公式分析化简得:X=SQRT[[1-Z*Z/B*B]*A*A]4、设自变量#1=40 #2=-30 #3=25 #4=405、应用循环语言G65 [ ] DO1END1精加工编程内容:O0001;M03 S1000;T0101;G00 X55 Z2;#1=40;#2=-30#3=25;#4=40;G65 [ #1GE#2 ] DO1;#5=2*SQRT[[1-#1*#1/#4*#4]*#3*#3] G01 X [#5] Z[#1-40] F0.15#1=#1-0.1;END1;G00X150;G00 Z100;M30;粗加工程序右边内容:O0001;M03 S650;T0101;G00 X30 Z2;#1=40;#2=0;#3=25;#4=40;G65 [ #2LE#1 ] DO1;#5=2*SQRT[[1-#2*#2/#4*#4]*#3*#3] G01 X [#5+1] F0.25;Z[#2+0.5-40] F0.25;G00 U1 W0.5;Z2;#2=#2+3;END1;G00 Z100;M30;粗加工程序左边内容:O0001;M03 S650;T0101;G00 X30 Z2;#1=0;#2=-30;#3=25;#4=40;G65 [ #1GE#2 ] DO1;#5=2*SQRT[[1-#1*#1/#4*#4]*#3*#3]G01 X [#5+1] Z[#1-0.5-40] F0.25;Z-80G00 U1 W0.5;Z[#1-0.5-40];#1=#1-3;END1;G00 X150 Z100;M30;课题二:椭圆宏程序(四)3、椭圆第一种应用方程式:X=A*2*SIN(a) Z=B*CON(a)A:为X轴方的长度(平行与X轴的椭圆轴)B:为Z轴方向的长度(平行与z轴的椭圆轴)2、椭圆第二种应用方程式:X*X/A*A+Z*Z/B*B=1A:为X轴方的长度(平行与X轴的椭圆轴)B:为Z轴方向的长度(平行与z轴的椭圆轴)第一种方程式应用解题;4、角度宏变量范围:a=24.397 ∽ a=155.6034、设自变量#1=24.397 #2=155.603 #3=20 #4=505、应用循环语言G65 [ ] DO1END1精加工编程内容:O0001;M03 S1000;T0101;G00 X55 Z-16.93;#1=24.397 ;#2=155.603;#3=20;#4=50;G65 [ #1LE#2 ] DO1;#5=80-2*#3*SIN(#1)-13.477;#6=#4*CON(#1)-50;G01 X [#5] Z[#6] F0.15#1=#1+0.1;END1;G00 X150;G00 Z100;M30;粗加工程序右边内容:O0001;M03 S650;T0101;G00 X30 Z2;#1=0;#2=90;#3=25;#4=40;G65 [ #2GE#1 ] DO1;#5=2*#3*SIN(#2);#6=#4*CON(#2)-40;G01 X [#5+1] F0.25;Z[#6+0.5] F0.25;G00 U1 W0.5;Z2;#2=#2+3;END1;G00 Z100;M30;粗加工程序左边内容:O0001;M03 S650;T0101;G00 X30 Z2;#1=90;#2=150;#3=25;#4=40;G65 [ #1LE#2 ] DO1;#5=2*#3*SIN(#1);#6=#4*CON(#1)-40;G01 X [#5+1] Z[#6-0.5] F0.25;Z-80;G00 U1 W0.5;Z[#6-0.5];#1=#1+3;END1;G00 Z100;M30;椭圆第二种应用方程式:X*X/A*A+Z*Z/B*B=1编程:7、长度宏变量范围:z=0 ∽ z=-308、公式分析化简得:X=SQRT[[1-Z*Z/B*B]*A*A]4、设自变量#1=40 #2=-30 #3=25 #4=405、应用循环语言G65 [ ] DO1END1精加工编程内容:O0001;M03 S1000;T0101;G00 X55 Z2;#1=33.07;#2=-33.07#3=20;#4=50;G65 [ #1GE#2 ] DO1;#5=80-2*SQRT[[1-#1*#1/#4*#4]*#3*#3] G01 X [#5] Z[#1-50] F0.15#1=#1-0.1;END1;G00X150;G00 Z100;M30;粗加工平行方式编程内容:O0001;M03 S1000;T0101;G00 X55 Z-16.93;#1=33.07;#2=-33.07#3=20;#4=50;#7=10;#8=0;G65 [ #7GE#8 ] DO2;G65 [ #1GE#2 ] DO1;#5=80-2*SQRT[[1-#1*#1/#4*#4]*#3*#3]; G01 X [#5+#7] Z[#1-50] F0.15;#1=#1-0.1;END1;G00 X60;Z-16.93;#7=#7-1;END2;G00X150;G00 Z100;M30;左右两边粗加工内容:O0001;M03 S1000;T0101;G00 X55 Z-16.93;#1=33.07;#2=0;#10=-33.07#3=20;#4=50;G65 [ #1GE#2 ] DO1;G65 [ #10LE#2 ] DO2;#5=80-2*SQRT[[1-#1*#1/#4*#4]*#3*#3] #6=80-2*SQRT[[1-#10*#10/#4*#4]*#3*#3] G01 X [#5+1] Z[#1-50-0.5] F0.15;Z[#10-50+0.5];G00U2;X [#6+1] Z [#1-50];#1=#1-1;#10=#10+1;END2;END1;G00X150;G00 Z100;M30;课题四:函数曲线宏程序正弦函数曲线方程式:X=A+SIN(A);解题思路:1、A:为正弦函数曲线零线在回转体工件两边上下的中心直径距离¤40MM.2、根据线形方程式得:SIN(A)角度A为正弦函数曲线的变量方式:共角度度数为720°(90 ----810)3、将共长60与共角度720°等分成1000等分。
高级数控车工培训计划、大纲南京市肯信数控职业培训学校高级数控车工培训计划一、培训目标1.1 总体目标培养具备以下条件的人员:掌握高级数控车工的相关基础知识,能够独立完成高级数控车工要求掌握的工件加工、精度经验和误差分析等操作的技术工人。
1.2 理论知识培训目标依据《数控车工国家职业标准》中对高级数控车工的理论知识要求,通过培训,使培训对象重点掌握机械零部件的测绘方法、常用金属材料性能及热处理知识、机电控制原理、刀具知识、专专用夹具和组合夹具知识、常用量仪的工作原理及使用方法、机械加工工艺知识、机械加工质量控制知识等。
1.3 操作技能培训目标依据《数控车工国家职业标准》中对高级数控车工的操作技能要求,通过培训使培训对象具备较强的识图能力,能够进行简单零部件的测绘,具备对复杂零件制定数控车削加工工艺的能力,能够合理使用专用夹具和组合夹具,能够合理使用各种刀具、工具、量具、卡具,能够熟练操作数控车床进行复杂零件的数控手工编程,能够利用计算机辅助制造软件进行复杂零件的造型和自动编程,能够加工细长轴零件、深孔类零件、内螺纹、多线螺纹、锥螺纹、内外径槽、端面槽、简单配合件,能够对数控车床和系统的常见故障进行分析、判断和处理,达到独立上岗操作的水平。
二、教学要求2.1 理论知识要求2.1.1 专业基础知识2.1.2 加工准备知识2.1.3 数控编程知识2.1.4 数控车床操作知识2.1.5 零件加工知识2.1.6 数控车床日常维护与精度检验知识2.2 操作技能要求2.2.1 加工准备2.2.2 数控编程2.2.3 数控车床操作2.2.4 零件加工2.2.5 数控车床日常维护与精度经验三、教学计划安排总课时数:300课时。
理论知识授课:84课时。
理论知识复习:26课时。
操作技能授课:23课时。
操作技能练习:147课时。
机动课时:20课时。
南京市肯信数控职业培训学校高级数控车工培训大纲一、课程任务和说明通过培训,使培训对象掌握高级数控车工的理论知识和操作技能。
9.1数控车削(高级)技能实训示例练习一一、实训目的(1)能根据零件图的要求,合理编制加工程序。
(2)保证零件的加工精度及表面粗糙度。
(3)培养学生综合应用的思考能力。
二、加工操作步骤参见GJLX一01图,加工该零件时一般先加工零件左端,然后调头加工零件右端。
加工零件左端时,编程零点设置在零件左端面的轴心线上。
加工零件右端时,编程零点设置在零件右端面的轴心线上。
1.零件左端加工步骤(1)夹零件毛坯,伸出卡盘长度50mm。
(2)钻孔(Φ20X29mm)。
(3)车端面。
(4)粗、精加工零件左端轮廓至尺寸要求。
(5)粗加工内孔。
(6)精加工内孔至尺寸要求。
(7)回参考点,程序结束。
2.零件右端面加工步骤(1)夹Φ40外圆。
(2)车端面保证零件总长。
(3)粗加工零件右端轮廓。
(4)精加工零件右端轮廓至尺寸要求。
(5)切槽5X 1.5至尺寸要求。
(6)粗、精加工螺纹至尺寸要求。
(7)回换刀点,程序结束。
三、注意事项(1)工作需调头加工,注意工件的装夹部位和程序零点设置的位置。
(2)合理选择刀具、切削用量,提高零件加工质量。
(3)注意圆弧坐标点的计算。
四、工量具准备通知单序号名称规格数量备注1千分尺0—25mm12千分尺25—50mm13游标卡尺0—150mm14螺纹千分尺0—25mm15内径表18—35mm16刀具端面车刀17外圆车刀2副偏角大于30°8螺纹车刀60°19切槽车刀1宽4mm,长20mm 10镗孔车刀1孔径Φ18,长36mm 11钻头1Φ2012其他辅具1.垫刀片若干、油石等。
132.铜皮(厚0.2mm,宽25mm x长60mm)。
143.其他车工常用辅具。
15材料45钢Φ50X103mm一段16数控车床CYNCP400-50017数控系统Fanuc-0i刀具选择表1号刀2号刀3号刀4号刀5号刀端面刀外圆粗、精车刀切槽、切断刀螺纹刀镗孔刀五、加工参考程序O0001(零件左端)N05T0101M03S600G0X100Z100(主轴正转、换1号刀)N10G0X52Z0N15G1X-1F0.2(车端面)N20G0X100Z100N25T0505N30G0X19Z2(循环起点)N35G71U1R1(内孔粗加工循环)N40G71P45Q80U-0.5W0.1F0.3N45G0X32N50G1Z0F0.1N55X30Z-1N60Z-9N65X26Z-16N70Z-24N75X20N80Z-29N85G0X100Z100(返回换刀点)N90M05N95M00(暂停、测量、补偿)N100M03S1000T0505N105G0X19Z2N110G70P45Q80(内孔精加工循环)N115G0X100Z100(返回换刀点)N120M05N125M00N130M03S600T0202(换2号刀车外圆)N135G0X52Z2(循环起点)N140G71U1R1(外圆粗加工循环)N145G71P150Q180U0.5W0.1F0.3N150G0X37N155G1Z0F0.1N160X40Z-1.5N165Z-24N170X46N175X48Z-25N180Z-40N185G0X100Z100N190M05N195M00N200M03S1000T0202N205G0X52Z2N210G70P150Q180(外圆精加工循环)N215G0X100Z100N220M05(返回换刀点)N225M30;(程序结束、机床复位)调头加工O0002(零件右端)N05T0101M03S600G0X100Z100(主轴正转、换1号刀)N10G0X52Z0(循环起点)N15G1X-1F0.2(车端面)N20G0X100Z100N25T0202(换2号刀)N30G0X52Z2(循环起点)N35G73U10R15(外圆轮廓粗加工循环)N40G73P45Q110U0.5W0.1F0.3N45G0X21N50G1Z0F0.1N55X23.8Z-1.5N60Z-25N65X24N70Z-30N75G2X28Z-44R10N80G1Z-52N85X30N90G3X40Z-57R5N95G1Z-64N100X46N105X48Z-65N110G0U5N115X100Z100(返回换刀点)N120T0303S400(切槽)N125G0X25Z-25N130G1X21F0.15N135G0X25N140Z-24N145G1X21F0.15N150Z-25N155G0X100N160Z100N165M05N170M00(暂停、测量、补偿)N175M03S1000T0202N180G0X52Z2N185G70P45Q110(外圆轮廓精加工循环)N190G0X100Z100N195T0404S700(换4号刀)N200G0X26Z2(循环起点)N205G92X23Z-22F1.5(螺纹切削固定循环)N210X22.725N215X22.425N220X22.125N225G0X100Z100;(返回换刀点)N230M05N235M30;(程序结束、机床复位)练习一零件图检测项目技术要求配分评分标准检测结果得分外圆与内1Ф48048.0009.0++R a1.64/1超差0.01扣2分,降级扣1分2Ф400039.0−R a1.64/1超差0.01扣2分,降级无分3Ф40048.0009.0−−R a1.64/1超差0.01扣3分,降级扣1分孔4Ф280033.0−R a 1.64/1超差0.01扣2分,降级扣1分5Ф240033.0−R a 1.64/1超差0.01扣2分,降级扣1分6Φ30(内孔)R a 1.64/2超差0.01扣2分,降级扣1分7Φ25(内孔)R a 1.64/2超差0.01扣3分,降级扣1分圆弧8R10R a 3.22/1超差无分,降级无分9R5R a 3.22/1超差无分,降级无分螺纹10螺纹大径R a 3.21/1超差无分,降级无分11螺纹中径R a 3.24/2超差0.02扣2分,降级无分12螺纹牙型角1超差无分13螺纹底径1超差无分其它14长度100±0.101超差无分15长度251超差无分,降级无分16长度24±0.05(内孔)2超差无分,降级无分17退刀槽R a 3.22超差无分,降级无分18倒角去毛刺1不符无分19零件编程40安全规程20劳动保护用品正确使用不符:扣总分5分21安全操作规程违反:扣5分/次总配分100总得分加工开始:时分停工工时:计划加工时间:120规格:φ50×103材料:45#日期年月日加工结束时分:停工原因:实际加工时间:鉴定单位监考:检测:评分:审核:练习二一、实训目的(1)能根据零件图的要求,合理编制加工程序。
第七章数控车床培训要点数控车床的特点、组成、基本工作原理;数控车床的零件编程及基本操作.第一节数控车床的特点及组成自从美国帕森斯公司和麻省理工学院合作,于1952年研制成功三坐标数控铣床以来,随着数控技术的发展,现在几乎各种金属切削机床都已数控化,车床的数控化近几年在国内发展非常迅速。
一、数控车床的特点1.柔性高柔性就是灵活、通用、万能,可以适应加工不同形状的零件.数控车床对零件的加工是按照编制的加工程序来加工的,由于数控车床的几个轴可以联动,所以通过编程可以加工形状复杂的零件,而且要改变加工零件时,只需要改变加工程序即可,而不需要象仿形车床或一般自动车床那样需要重新制造凸轮及靠模等。
2.精度高数控车床加工是由计算机控制的,故在加工过程中避免了人为误差。
又由于车床的传动系统和结构都具有较高的精度和刚度,因此数控车床的重复精度高,在正常情况下可获得较高的加工精度和稳定的加工质量。
3.效率高数控车床由于刚度及功率大,且是自动加工的,所以每个工序都能选择较有利的切削用量,这样有效地节省了机动时间,数控车床具有自动换刀、自动不停机变速和快速空行程等机能,使辅助时间大为减少.在数控车床上加工零件时,一般只作首件检验及过程中检验,故大大减少了停机检验时间。
这样单件零件加工时间较短,是普通车床效率的3~4倍甚至几十倍。
4.劳动强度低数控车床加工零件是按编制的加工程序自动完成的,工人一般只需操作键盘、装卸零件、零件检验及观察车床运行,所以工人的劳动强度大为减轻.二、数控车床的组成1.主机主机是数控车床的主要机械部件,包括底座床身、主轴箱、进给机构、刀架、尾座等.2.数控装置数控装置是数控车床的控制核心,现在一般由一台专用计算机构成。
3.驱动装置驱动装置是数控车床执行机构的驱动部件,包括主轴电动机、进给伺服电动机等。
4.辅助装置辅助装置是数控车床的一些配套部件,如自动排屑部件,自动对刀部件等。
三、TND360型数控车床简介TND360型数控车床为两坐标轮廓控制的卧式数控车床,回转刀架具有八个工位,能对回转直径为360mm以下的内外圆进行车削加工。
高级车工教学大纲高级车工教学大纲车工是一门古老而重要的工艺,它涉及到金属材料的加工和制造。
随着科技的进步和工业的发展,高级车工的需求也越来越大。
为了培养出更加优秀的高级车工,制定一份全面而系统的教学大纲是非常必要的。
一、引言高级车工教学大纲的制定是为了规范教学内容和教学方法,提高教学质量,培养出具备高级车工技能的专业人才。
本大纲旨在为教师提供教学指导,为学生提供学习参考,同时也为企业提供人才培养的参考标准。
二、基本要求1. 理论知识:学生应掌握车工基本理论知识,包括车床的结构和工作原理、刀具的分类和使用方法、加工工艺的基本知识等。
2. 技能训练:学生应具备操作车床和刀具的基本技能,能够独立完成各种车工加工任务。
3. 质量控制:学生应了解质量控制的基本要求和方法,能够进行加工过程的质量检测和调整。
4. 安全意识:学生应具备安全意识,能够正确使用车床和刀具,防范事故的发生。
三、教学内容1. 基础知识:介绍车工的基本概念、车床的分类和结构、刀具的分类和使用方法等。
2. 加工工艺:包括车削、镗削、铣削等各种加工工艺的原理和操作方法。
3. 数控车床:介绍数控车床的基本原理和操作方法,培养学生的数控编程和操作能力。
4. 质量控制:讲解质量控制的基本原理和方法,培养学生的质量检测和调整能力。
5. 实践训练:组织学生进行实际的车工操作训练,提高他们的技能水平和实际操作能力。
四、教学方法1. 理论讲授:通过课堂讲解、教材阅读等方式,向学生传授基本理论知识。
2. 实验操作:组织学生进行实际的车工操作训练,指导他们掌握操作技能。
3. 互动交流:鼓励学生积极参与讨论和交流,提高他们的学习兴趣和思维能力。
4. 实践实习:安排学生到企业进行实习,让他们亲身体验车工工作的实际情况,提高他们的实际操作能力。
五、教学评估1. 课堂测试:通过课堂测试,检查学生对理论知识的掌握情况。
2. 实验考核:通过实验操作考核,评估学生的操作技能和实际操作能力。
9.1数控车削(高级)技能实训示例练习一一、实训目的(1)能根据零件图的要求,合理编制加工程序。
(2)保证零件的加工精度及表面粗糙度。
(3)培养学生综合应用的思考能力。
二、加工操作步骤参见GJLX一01图,加工该零件时一般先加工零件左端,然后调头加工零件右端。
加工零件左端时,编程零点设置在零件左端面的轴心线上。
加工零件右端时,编程零点设置在零件右端面的轴心线上。
1.零件左端加工步骤(1)夹零件毛坯,伸出卡盘长度50mm。
(2)钻孔(Φ20 X 29mm)。
(3)车端面。
(4)粗、精加工零件左端轮廓至尺寸要求。
(5)粗加工内孔。
(6)精加工内孔至尺寸要求。
(7)回参考点,程序结束。
2.零件右端面加工步骤(1)夹Φ40外圆。
(2)车端面保证零件总长。
(3)粗加工零件右端轮廓。
(4)精加工零件右端轮廓至尺寸要求。
(5)切槽5 X 1.5至尺寸要求。
(6)粗、精加工螺纹至尺寸要求。
(7)回换刀点,程序结束。
三、注意事项(1)工作需调头加工,注意工件的装夹部位和程序零点设置的位置。
(2)合理选择刀具、切削用量,提高零件加工质量。
(3)注意圆弧坐标点的计算。
刀具选择表五、加工参考程序O0001 (零件左端)N05 T0101 M03 S600 G0 X100 Z100 (主轴正转、换1号刀)N10 G0 X52 Z0N15 G1 X-1 F0.2 (车端面)N20 G0 X100 Z100N25 T0505N30 G0 X19 Z2 (循环起点)N35 G71 U1 R1 (内孔粗加工循环)N40 G71 P45 Q80 U-0.5 W0.1 F0.3N45 G0 X32N50 G1 Z0 F0.1N55 X30 Z-1N60 Z-9N65 X26 Z-16N70 Z-24N75 X20N80 Z-29N85 G0 X100 Z100 (返回换刀点)N90 M05N95 M00 (暂停、测量、补偿)N100 M03 S1000 T0505N105 G0 X19 Z2N110 G70 P45 Q80 (内孔精加工循环)N115 G0 X100 Z100 (返回换刀点)N120 M05N125 M00N130 M03 S600 T0202 (换2号刀车外圆)N135 G0 X52 Z2 (循环起点)N140 G71 U1 R1 (外圆粗加工循环)N145 G71 P150 Q180 U0.5 W0.1 F0.3N150 G0 X37N155 G1 Z0 F0.1N160 X40 Z-1.5N165 Z-24N170 X46N175 X48 Z-25N180 Z-40N185 G0 X100 Z100N190 M05N195 M00N200 M03 S1000 T0202N205 G0 X52 Z2N210 G70 P150 Q180 (外圆精加工循环)N215 G0 X100 Z100N220 M05 (返回换刀点)N225 M30;(程序结束、机床复位)调头加工O0002 (零件右端)N05 T0101 M03 S600 G0 X100 Z100 (主轴正转、换1号刀)N10 G0 X52 Z0 (循环起点)N15 G1 X-1 F0.2 (车端面)N20 G0 X100 Z100N25 T0202 (换2号刀)N30 G0 X52 Z2 (循环起点)N35 G73 U10 R15 (外圆轮廓粗加工循环)N40 G73 P45 Q110 U0.5 W0.1 F0.3N45 G0 X21N50 G1 Z0 F0.1N55 X23.8 Z-1.5N60 Z-25N65 X24N70 Z-30N75 G2 X28 Z-44 R10N80 G1 Z-52N85 X30N90 G3 X40 Z-57 R5N95 G1 Z-64N100 X46N105 X48 Z-65N110 G0 U5N115 X100 Z100 (返回换刀点)N120 T0303 S400 (切槽)N125 G0 X25 Z-25N130 G1 X21 F0.15N135 G0 X25N140 Z-24N145 G1 X21 F0.15N150 Z-25N155 G0 X100N160 Z100N165 M05N170 M00 (暂停、测量、补偿)N175 M03 S1000 T0202N180 G0 X52 Z2N185 G70 P45 Q110 (外圆轮廓精加工循环)N190 G0 X100 Z100N195 T0404 S700 (换4号刀)N200 G0 X26 Z2 (循环起点)N205 G92 X23 Z-22 F1.5 (螺纹切削固定循环)N210 X22.725N215 X22.425N220 X22.125N225 G0 X100 Z100;(返回换刀点)N230 M05N235 M30;(程序结束、机床复位)练习一零件图练习二一、实训目的(1)能根据零件图的要求,合理编制加工程序。
(2)熟悉非圆曲线的参数方程。
(3)掌握数控车非圆曲线成形面的编程与加工的基本方法(4)培养学生综合应用的思考能力。
二、加工操作步骤参见GJLX一02图,加工该零件时一般先加工零件左端,然后调头加工零件右端。
加工零件左端时,编程零点设置在零件左端面的轴心线上。
加工零件右端时,编程零点设置在零件右端面的轴心线上。
1.零件左端加工步骤(1)夹零件毛坯,伸出卡盘长度50mm。
(2)钻孔(Φ20 X 25mm)。
(3)车端面。
(4)粗、精加工零件左端轮廓至尺寸要求。
(5)粗加工内孔。
(6)精加工内孔至尺寸要求。
(7)回参考点,程序结束。
2.零件右端面加工步骤(1)夹Φ42外圆。
(2)车端面保证零件总长。
(3)粗加工零件右端轮廓。
(4)精加工零件右端轮廓至尺寸要求。
(5)切槽5 X 2至尺寸要求。
(6)粗、精加工螺纹至尺寸要求。
(7)回换刀点,程序结束。
三、注意事项(1)工作需调头加工,注意工件的装夹部位和程序零点设置的位置。
(2)合理选择刀具、切削用量,提高零件加工质量。
(3)注意椭圆坐标点的计算与编程。
(4)注意加工时零件的装夹部位。
刀具选择表五、加工参考程序O0001 (零件左端)N05 T0101 M03 S600 G0 X100 Z100 (主轴正转、换1号刀)N10 G0 X52 Z0N15 G1 X-1 F0.2 (车端面)N20 G0 X100 Z100N25 T0505N30 G0 X19 Z2 (循环起点)N35 G71 U1 R1 (内孔轮廓粗加工循环)N40 G71 P45 Q70 U-0.5 W0.1 F0.3N45 G0 X34N50 G1 Z0 F0.1N55 G2 X34 Z-2 R2N60 G1 Z-10N65 X26N70 Z-22N85 G0 X100 Z100 (返回换刀点)N90 M05N95 M00 (暂停、测量、补偿)N100 M03 S1000 T0505N105 G0 X19 Z2N110 G70 P45 Q70 (内孔轮廓精加工循环)N115 G0 X100 Z100 (返回换刀点)N120 M05N125 M00N130 M03 S600 T0202 (换2号刀车外圆)N135 G0 X52 Z2 (循环起点)N140 G71 U1 R1 (外圆轮廓粗加工循环)N145 G71 P150 Q180 U0.5 W0.1 F0.3N150 G0 X40N155 G1 Z0 F0.1N160 X42 Z-1N165 Z-23N170 X46N175 X48 Z-24N180 Z-35N185 G0 X100 Z100N190 M05N195 M00N200 M03 S1000 T0202N205 G0 X52 Z2N210 G70 P150 Q180 (外圆轮廓精加工循环)N215 G0 X100 Z100N220 M05 (返回换刀点)N225 M30;(程序结束、机床复位)调头加工O0002 (零件右端)N05 T0101 M03 S600 G0 X100 Z100 (主轴正转、换1号刀)N10 G0 X52 Z0 (循环起点)N15 G1 X-1 F0.2 (车端面)N20 G0 X100 Z100N25 T0202 (换2号刀)N30 G0 X52 Z2 (循环起点)N35 G73 U10 R15 (外圆轮廓粗加工循环)N40 G73 P45 Q145 U0.5 W0.1 F0.3N45 G0 X26N50 G1 Z0 F0.1N55 X28 Z-1N60 X30 Z-15N65 Z-22N70 X32N75 X34.8 Z-23.5N80 Z-45N85 X36.826N90 X38.826 Z-46N95 G65 H01 P#101 Q-75522 (椭圆加工)N100 G65 H31 P#102 Q26000 R#101N105 G65 H32 P#103 Q20000 R#101N110 G65 H02 P#104 Q#102 R64000N115 G65 H03 P#105 Q#103 R51000N120 G65 H02 P#101 Q#101 R-1000N125 G1 X#104 Q#105 F0.1N130 G65 H85 P100 Q#105 R-63779N135 G1 X48 Z-70N140 G0 U10N145 X100 Z100N150 T0303 S400N155 G0 X40 Z-45N160 G1 X32 F0.15N165 G0 X40N170 Z-45N175 G1 X32 F0.15N180 Z-45N185 G0 X100N190Z100N195 M05N200 M00 (暂停、测量、补偿)N205 M03 S1000 T0202N210 G0 X52 Z2N215 G70 P45 Q145 (外圆轮廓精加工循环)N220 G0 X100 Z100N225 T0404 S700 (换4号刀)N230 G0 X40 Z-20 (循环起点)N235 G92 X34 Z-43 F1.5 (螺纹切削固定循环)N240 X33.5N245 X33.3N250 X33.125N255 G0 X100 Z100;(返回换刀点)N260 M05N265 M30;(程序结束、机床复位)练习二零件图练习三一、实训目的(1)能根据零件图的要求,合理编制加工程序。
(2)熟悉非圆曲线的参数方程。
(3)培养学生综合应用的思考能力。
二、加工操作步骤参见GJLX一03图,加工该零件时一般先加工零件左端,然后调头加工零件右端。
加工零件左端时,编程零点设置在零件左端面的轴心线上。