中央空调基本操作流程
- 格式:doc
- 大小:29.50 KB
- 文档页数:10
中央空调的使用方法和流程概述中央空调是一种集中供冷、供热、通风、除湿等功能于一体的空调系统。
它可以为整个建筑提供舒适的室内环境,并且操作简便。
本文将介绍中央空调的使用方法和流程。
使用方法以下是使用中央空调的一般步骤:1.开启中央空调:找到中央空调控制面板,打开电源开关,等待空调系统启动。
2.选择模式:根据需求,选择中央空调的运行模式,常见的有制冷、制热、通风和除湿等模式。
3.调节温度:通过面板上的温度调节按钮,将期望的室内温度设定为合适的数值。
4.选择风速:根据个人喜好和需要,选择合适的风速。
一般有低速、中速和高速可选。
5.开启空气净化:如果中央空调具备空气净化功能,可以开启该功能以提升室内空气质量。
6.待机时长:根据需要设置空调的待机时长或定时开关机功能。
7.结束使用:当不需要使用中央空调时,可以关闭电源开关,使其停止运行。
流程中央空调的使用流程包括以下几个关键步骤:步骤一:开始使用1.打开中央空调的电源开关,等待系统启动。
2.检查空调是否正常运行。
可以听到空调机组工作的声音和空气流动的声音。
步骤二:选择运行模式1.通过控制面板上的模式选择按钮,选择合适的模式。
制冷模式适用于夏季,制热模式适用于冬季,通风和除湿模式可以根据需要选择。
步骤三:调节温度和风速1.使用温度调节按钮,将期望的室内温度设定为合适的数值。
如果需要降温,可以选择低温;如果需要升温,可以选择较高温度。
2.通过风速调节按钮,选择合适的风速。
一般情况下,较炎热的天气可以选择较高的风速。
步骤四:空气净化设置1.如果中央空调具备空气净化功能,可以通过控制面板上的空气净化按钮来开启或关闭该功能。
2.空气净化功能可以有效去除室内的细菌、病毒、异味等有害物质,提高室内空气质量。
步骤五:待机设置1.如果需要设置空调的待机时长或定时开关机功能,可以通过控制面板上的定时设置按钮进行操作。
2.这样可以在一定时间后自动关闭或开启空调,提高能源利用效率。
日立中央空调运行操作规程中央空调操作流程为了规范中央空调操作程序~确保安全、正确的操作中央空调~各班组严格按照中央空调操作流程操作。
1.开机前检查1.1检查电压表指示是否正常~无缺相~电压380V?10,。
1.2检查各种信号指示灯显示正常。
1.3检查确保各阀门均已打开及冷却塔补水阀门已打开。
1.4检查机组进水、出水压力表指针位置在0.3Mpa以上~温度正常~指示表正常。
1.5检查制冷机组系统内制冷剂无泄漏情况。
2.开机冷水机组的开机顺序为:,必须严格遵守,冷却塔风机开---冷却水泵开---冷冻水泵开----冷水机组开 2.1顺序启动冷却塔风机。
2.2顺序启动冷却塔水泵(为了节能先启动二台,。
2.3顺序启动冷冻泵(为了节能先启动二台,。
2.4确认冷却水供水压力正常、冷冻水供水压力正常~过5,10分种后启动机组~启动机组详见日立水冷式冷水机组液晶屏操作流程。
2.5启动制冷机组后~观察显示屏冷却进水、冷却出水温度。
进水温度在20?,35?之间~温差在5?以内。
2.6机组启动后~观察机组运行电流,机组运行电流小于320A/第 1 页共 3 页台,是否正常~机组吸排气压力是否正常~检查有无异常振动、噪音或异常气味~确认一切正常后才算启动成功。
2.7确认无误后~到各层开启空调盘管风机及新风机~根据商场温度来调节风机~以商场温度保持在26?左右。
3.运行中检查3.1每两小时抄录机组运行表一次~要求:准时、仔细、准确。
如有紧急情况~按动紧急停止开关。
3.2经常检查冷水机组运行参数是否正常。
为了保持机组运行处于最佳状态~主要运行参数就符合下列要求:制冷剂出口压力、排气压力,高压PH, 1.0Mpa,2.2Mpa制冷剂入口压力、吸气压力,低压PH, 0.05Mpa,0.65Mpa冷却水出口温度 22?,40?冷冻水出口温度 5?,20?三相之间电压波动 ?3%冷冻泵运行电流,台, ?57.6A冷却泵运行电流,台, ?57.6A风机运行电流,台, ?8.9A机组运行电流,台, ?320A3.3机组运转切换:1号机组和2号机组选择,1号机组运行,起动次序根据压缩机运行时间~每月调整一次先后次序。
中央空调操作规程——上墙制度中央空调操作规程 - 上墙制度1. 背景和目的中央空调是一种通过一定的控制系统,将空气调节到所需的温度、湿度、洁净度等要求的空调方式。
为了保障中央空调系统的正常运行,并提高工作效率,制定本操作规程,明确中央空调操作的各项要求和流程。
2.应用范围本操作规程适用于所有使用中央空调的区域和人员,包括办公区、会议室、大厅、实验室、生产车间等。
3.主要职责3.1 明确上墙人员的职责:- 负责监控中央空调的运行状态,如温度、湿度、风速等参数。
- 根据环境需求和人员要求,调整中央空调的设定。
3.2 明确管理人员的职责:- 监督并审核上墙人员的操作情况。
- 帮助上墙人员解决出现的问题,并及时汇报给维修人员。
4. 上墙流程4.1 上墙时间及人员安排- 上午上墙时间:08:30-09:00。
- 下午上墙时间:14:00-14:30。
- 上墙人员由管理人员确定,每次至少两人,包括一位值班人员和一位备份人员。
4.2 上墙操作步骤4.2.1 上岗准备:- 上墙人员准备好操作手册、无线键盘。
- 检查中央空调的设备状态,确保运行正常。
4.2.2 系统操作:- 登录操作界面,使用标准帐号和密码。
- 查看中央空调系统状态,确认各项参数是否正常。
- 根据环境需求和人员要求,调整中央空调温度、湿度、风速等设置。
4.2.3 遇到问题处理:- 如果发现中央空调异常情况,如温度异常、噪音过大等,及时报告给维修人员。
- 如果遇到操作问题或不熟悉的操作,及时向管理人员求助。
5. 注意事项- 严禁未经授权的人员上墙操作中央空调系统。
- 上墙人员应对系统操作过程中出现的问题或异常情况保持记录,并及时报告给管理人员。
- 上墙人员应当妥善保存相关的操作记录和文件。
6. 系统维护- 定期对中央空调系统进行维护,确保其正常运行。
- 管理人员应及时更新操作手册,反馈上墙人员的意见和建议,并配合维修人员完成系统的维护和升级工作。
以上是中央空调操作规程的上墙制度,违反者将受到相应的处罚。
中央空调操作标准作业规程一、引言中央空调系统是建筑物中常见的空调设备之一,它能够有效地调节室内温度和湿度,提供舒适的室内环境。
为了确保中央空调系统的正常运行和使用,并保障室内空气质量,制定中央空调操作标准作业规程是非常必要的。
二、作业目的中央空调操作标准作业规程的目的是对中央空调的操作流程、安全要求和维护保养进行规范,确保中央空调系统的稳定运行,减少故障发生,并且提供舒适的室内环境给用户使用。
三、操作流程1.打开中央空调系统前,检查电源是否正常,确认电源稳定后,使用专用钥匙打开操作面板。
2.操作面板上选择合适的模式,包括制冷模式、制热模式、送风模式和除湿模式等,根据实际情况选择合适的模式。
3.设置合适的温度和湿度值,根据实际需求进行调节。
4.打开中央空调系统,开启循环风功能,确保空气流通。
5.监测室内温度和湿度的变化,根据需要进行调整。
四、操作注意事项1.操作人员需要经过专业培训,掌握中央空调系统的操作原理和流程,并了解紧急故障处理的基本知识。
2.在操作中,应避免随意调节温度和湿度,以免造成能源的浪费和室内环境的不适。
3.对于长时间不使用中央空调系统的区域,应适当调整温度和湿度值,减少能源的浪费。
4.定期检查中央空调系统的电源线路和设备,确保电气部分的安全性。
5.主动监测室内气流和风向,调整送风口的角度,保证空气流通。
6.定期检查和更换空调滤网,保持室内空气质量。
五、维护保养1.定期检查中央空调系统的压力、温度和电流等参数,确保系统的正常运行。
2.定期清洗中央空调系统的冷凝器和蒸发器,保持它们的清洁,提高系统的散热效果。
3.定期清洗和更换空调滤网,确保室内空气质量和系统运行的稳定性。
4.定期检查和更换中央空调系统的零部件,如电动机、压缩机和传感器等,确保它们的正常工作。
5.在发现中央空调系统存在故障时,及时采取措施进行维修或更换,避免故障扩大和损坏其他设备。
六、安全措施1.操作人员在操作中需穿戴好劳动防护用品,如工作服、安全鞋和手套等。
中央空调系统操作作业引导书中央空调系统操作作业引导书一、前言随着现代科技的进展,中央空调系统在各种大型建筑物中广泛运用。
中央空调系统是一种集空气处理、供冷、供热、通风于一体的大型系统,重要由空气处理机、送风管道、电气自控、水泵、冷却水塔等构成。
为了保证中央空调系统的正常运转,需要对其进行科学的操作与维护。
本引导书旨在对中央空调系统操作进行认真说明,以期为操作工作供给参考。
二、操作前准备1、操作人员应事先了解中央空调系统的基础学问及相应的技术要求,以便更好的进行操作。
2、在操作前应检查设备的完整性,包括风机、换热器、过滤器等是否完好,所必要的保护措施是否到位。
3、操作人员应首先查看中央空调系统的运行状态,以了解其工作状态及各掌控元件的运行情况。
三、操作步骤1、开机前操作:a、检查供回水系统的水质情况,必要时清洗系统中的水。
b、检查空调水系统中水的水位及压力,保持在正常范围内。
c、确保主机恒流阀、自动排气阀正常关闭,安全阀正常打开,温控阀处于关闭状态。
d、检查风机、水泵及电气设备的工作状态,确保其无任何异常情况,包括电源是否正常、机组是否正常开启、高压低压值是否正常等。
e、依据制冷或供热需要设置相应的温度、湿度和风速。
2、开机操作:a、依照开机先后次序,分步骤启动空调系统主机、冷却水泵、低温水泵、高温水泵、冷凝水泵、冷却塔泵、清洗泵等。
b、打开空气处理机,在送风管道调整好开度的情况下通电,并依照制冷或供热需要设定温度、湿度和风速。
c、在空气处理机稳定正常工作后,检查温度、湿度、风速,确保设置合理。
3、运行中操作:a、操作人员应不断地察看中央空调系统的运行状态,适时发觉机组运行异常情况,并依据所发觉的问题适时调整处理。
b、应定期清洗过滤器、换热器,以保证其转换效率。
c、定期检查空气处理机电机驱动机械、高空检修平台、送风管道、阀门及附件的情形,调整、维护和修理必要部件。
d、定期检查水处理设备及水泵的情形,保持其正常工作状态。
中央空调运行管理标准作业规程1. 引言中央空调是指通过一系列的空气处理设备将室内空气进行冷却、加热、除湿、送风等处理后,再通过风管系统将处理后的空气输送到室内各个空调区域,以调节室内环境温度、湿度、洁净度和流速的一种集中供冷、供热和通风的空调系统。
为了保障中央空调系统的正常运行和高效能使用,制定中央空调运行管理标准作业规程,以便规范操作流程、提高工作效率和保障设备安全。
2. 作业准备2.1 确定作业人员:每次作业都应指定专人负责,确保操作人员具备相关技术资质和操作经验。
2.2 准备相关工具和设备:作业前应检查所需工具、设备是否齐备,并确保其正常工作。
2.3 检查空调设备状态:作业前需要检查中央空调设备的运行状态,如温度、湿度、压力等参数是否正常。
2.4 安全措施:作业前需确保操作人员具备相关的安全知识,并准备好必要的个人防护装备。
3. 运行管理3.1 开机操作:操作人员应按照标准操作流程进行开机操作,包括启动电源、检查设备运行情况、设置温度参数等。
3.2 运行监控:操作人员应经常监测中央空调系统的运行情况,包括温度、湿度、风速等参数的监测,及时发现异常情况并采取相应的处理措施。
3.3 定期维护:定期进行中央空调设备的维护保养工作,包括清洁、润滑、更换滤网等。
3.4 故障处理:如遇到中央空调系统故障,操作人员应按照操作手册中的故障处理流程进行处理,并及时报修。
3.5 关机操作:运行结束时,操作人员应按照标准操作流程进行关机操作,包括关闭电源、清理工作现场等。
4. 安全措施4.1 个人防护:操作人员在进行中央空调系统运行管理作业时,应佩戴必要的个人防护装备,如手套、口罩、安全鞋等。
4.2 灭火设备:作业现场应配备必要的灭火设备,并定期对设备进行检查和维护。
4.3 应急预案:制定中央空调系统运行管理的应急预案,明确各类突发事件的处理流程和责任分工。
4.4 周期检查:定期对中央空调系统进行检查,包括设备的安全状况、运行情况、维护记录等。
中央空调操作规程一、引言中央空调系统是一种集中供冷、供热、通风、除湿等功能于一体的空调设备,广泛应用于商业建造、办公楼、酒店、医院等场所。
为了保证中央空调系统的正常运行和使用安全,制定本操作规程。
二、设备概述中央空调系统由主机、配管、末端设备、控制系统等组成。
主机包括冷冻机组、冷却水泵、冷却塔等,配管负责冷却剂的循环,末端设备包括风口、风机盘管等,控制系统用于监控和调节系统运行。
三、操作流程1. 开机操作(1)检查电源:确保电源开关处于关闭状态。
(2)检查水源:检查冷却水泵和冷却塔的水源是否正常供应。
(3)开启电源:按照操作面板上的指示,挨次打开冷冻机组、冷却水泵和冷却塔的电源开关。
(4)检查运行状态:观察各设备的运行状态,确保无异常情况。
2. 调节温度(1)选择温度模式:根据需要选择制冷或者制热模式。
(2)设定温度:根据需求设定所需温度。
(3)调节风速:根据需要调节送风风速。
(4)启停设备:根据实际情况,启停相应的设备。
3. 维护保养(1)清洁过滤器:定期清洁空调系统的过滤器,保证空气质量和系统运行效果。
(2)检查水管道:定期检查冷却水泵和冷却塔的水管道是否有阻塞或者漏水情况。
(3)检查电气连接:定期检查电气连接是否松动或者腐蚀,确保电路正常。
(4)定期维护:根据创造商的要求,定期进行维护保养,如更换冷却剂、清洗冷凝器等。
四、安全注意事项1. 电气安全(1)操作人员应具备相关电气知识,严禁未经培训人员操作设备。
(2)禁止擅自更换电气元件,如需更换应由专业人员进行。
(3)操作人员应注意避免触电风险,操作时应戴好绝缘手套,确保安全。
2. 火灾安全(1)禁止在中央空调机房内吸烟或者使用明火。
(2)定期检查电气设备的绝缘情况,确保电气设备的安全性。
(3)定期检查防火墙、防火门等设施的完好性,确保火灾安全。
3. 水源安全(1)定期检查冷却水泵和冷却塔的水源供应情况,确保水源充足。
(2)定期清洗冷却水泵和冷却塔,防止水垢和污垢阻塞水管道。
中央空调管理程序(流程)中央空调管理程序(流程)一、中央空调操作规程(一) 中央空调机房是重要设备机房,为保证中央空调系统平安、正常运行,必需严格遵照操作规程举行操作。
(二) 严格遵守《中央空调机组操作手册》要求,保证平安运行。
(三) 把握中央空调系统各主要设备及管路系统的工作原理、构造和实际运行情况,在规定时期内巡察检查各运行参数是否在规定范围内,作好运行记录,保证数据精确无误。
(四) 发觉异样状况以及设备故障应快速查明缘由,正确处理,准时报告有关领导和部门,仔细作好记录(内容应包括异样状况或故障的现象、过程、原由及处理办法、结果)。
严格遵守设备检修记录归案制度。
(五) 准时把握外界环境温度和内部各部分空调负荷需求,合理调节机组、水泵等投入的数量及有关参数,在保证平安生产和用户需求前提下,做到经济运行。
(六) 空调机组开启前的操作1. 首先检查全部电源(泵、风机、主机)处于正常状态,开关使用灵便、电压、电流恒定。
2.开启欲启动之机组冷却水进出阀门,开启欲启动之机组冷却塔阀门,手动或自动启动冷却塔风扇,手动或自动启动冷却泵。
3.开启欲启动之机组冷冻水进出水阀门,手动或自动启动冷冻泵。
4.在上述步骤完成后,检查机组状态是否满足开机条件,确认无误后根据《中央空调机组操作手册》启动机组。
(七)停机操作在空调机组停机5-15分钟后,按上述步骤反向操作。
二、空调运行日常巡察工作规定系统项目检查内容时光空调机房1、空调机组2、水泵、电机3、阀门及管路4、压力表、温度计5、控制柜电气装置1、检查并记录有关运行参数(温度、压力、电流等)2、有无不正常之声响、振动及温升。
3、有无跑冒滴漏现象。
4、指示是否正确。
控制系统信号指示是否正确,开关状态是否正确。
每2小时一次空调末端装置1、风机盘管、新风机组、空调器2、电磁阀、温控器3、阀门4、管路保温5、自动排气阀6、冷凝水系统7、控制柜电气装置1、检查有无异响,有无不正常振动,过滤网是否脏堵2、开启是否灵便,温度控制是否精确3、开启是否灵便,有无跑冒滴漏现象4、保温材料是否损坏5、排气是否正常,有无跑冒滴漏现象6、有无阻塞,滴漏7、控制系统信号指示是否正确,开关状态是否正确。
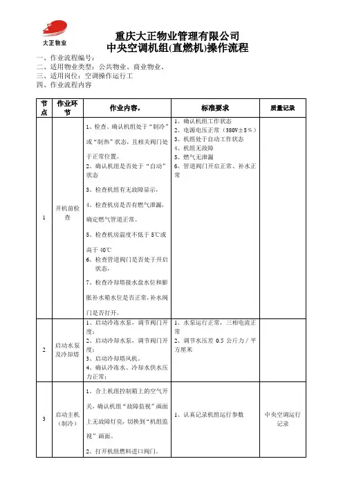
重庆大正物业管理有限公司
中央空调机组(直燃机)操作流程
一、作业流程编号:
二、适用物业类型:公共物业、商业物业、
三、适用岗位:空调操作运行工
四、作业流程内容
节点作业环
节
作业内容,标准要求质量记录
1 开机前检
查
1、检查、确认机组处于“制冷”
或“制热”状态,且相关阀门处
于正常位置。
2、确认机组是否处于“自动”
状态
3、检查机组有无故障显示,
4、检查机房是否有燃气泄漏,
确定燃气管道正常。
5、检查机房温度不低于5℃或
高于40℃
6、检查管道阀门是否处于开启
状态,
7、检查冷却塔接水盘水位和膨
胀补水箱水位是否正常,补水阀
门是否打开。
1、确认机组工作状态
2、电源电压正常(380V±5﹪)
3、机组处于自动工作状态
4、机组无故障
5、燃气无泄漏
6、管道阀门开启正常、补水正
常
2 启动水泵
及冷却塔
1、启动冷冻水泵,调节阀门开
度;
2、启动冷却水泵,调节阀门开
度;
3、启动冷却塔风机。
4、确认冷冻水、冷却水供水压
力正常;
1、水泵运行正常,三相电流正
常
2、调节水压差0.5公斤力∕平
方厘米
3 启动主机
(制冷)
1、合上机组控制箱上的空气开
关,确认机组“故障监视”画面
上无故障灯亮,切换到“机组监
视”画面。
2、打开机组燃料进口阀门。
1、认真记录机组运行参数中央空调运行
记录。
中央空调操作规程一、引言中央空调系统是一种集中供冷、供热、通风、湿度调节等功能于一体的空气调节设备,广泛应用于商业建造、办公楼、医院、酒店等场所。
为了确保中央空调系统的正常运行和使用安全,制定本操作规程,明确中央空调系统的操作流程和注意事项。
二、操作流程1. 开机操作(1)检查电源:确保中央空调系统的电源接地良好,电压稳定。
(2)开启主机:按照操作面板上的指示,挨次打开主机的电源开关、系统开关。
(3)设定温度:根据需要设定室内温度,选择制冷或者制热模式。
(4)设置风速:根据需要选择合适的风速档位。
(5)启动风机:按下启动风机的按钮,确保风机正常运转。
2. 温度调节(1)制冷模式:根据需要设定室内温度,将温度设定在舒适范围内。
(2)制热模式:根据需要设定室内温度,将温度设定在舒适范围内。
(3)自动模式:根据室内温度自动调节制冷或者制热。
3. 风速调节(1)高风速:适合于快速制冷或者制热,但可能会产生较大噪音。
(2)中风速:适合于普通情况下的舒适风速。
(3)低风速:适合于需要较为静谧环境的场所。
4. 定时开关(1)定时开机:根据需要设置定时开机时间,确保在指定时间自动开机。
(2)定时关机:根据需要设置定时关机时间,确保在指定时间自动关机。
5. 故障处理(1)常见故障:如制冷或者制热效果不佳、风机噪音过大等,及时联系维修人员进行检修。
(2)紧急故障:如系统故障或者异常报警,即将关闭电源,并联系专业维修人员处理。
三、注意事项1. 温度设定:根据需要设定合适的室内温度,避免过低或者过高温度对人体健康的影响。
2. 风速选择:根据实际需要选择合适的风速档位,避免造成不必要的能源浪费。
3. 定时操作:合理设置定时开关机时间,节约能源的同时确保舒适度。
4. 维护保养:定期清洁和更换过滤器,保持空调系统的清洁,确保空气质量。
5. 安全用电:确保电源接地良好,避免电气故障引起火灾等安全事故。
四、总结本操作规程详细介绍了中央空调系统的操作流程和注意事项,匡助用户正确、安全地使用中央空调系统。
日立中央空调运行操作规程中央空调操作流程为了规范中央空调操作程序,确保安全、正确的操作中央空调,各班组严格按照中央空调操作流程操作1开机前检查检查电压表指示是否正常,无缺相,电压V±10%检查各种信号指示灯显示正常检查确保各阀门均已打开及冷却塔补水阀门已打开检查机组进水、出水压力表指针位置在以上,温度正常,指示表正常检查制冷机组系统内制冷剂无泄漏情况2开机冷水机组的开机顺序为:冷却塔风机开---冷却水泵开---冷冻水泵开----冷水机组开顺序启动冷却塔风机顺序启动冷却塔水泵(为了节能先启动二台)顺序启动冷冻泵(为了节能先启动二台)确认冷却水供水压力正常、冷冻水供水压力正常,过5~10 分种后启动机组,启动机组详见日立水冷式冷水机组液晶屏操作流程启动制冷机组后,观察显示屏冷却进水、冷却出水温度进水温度在20℃~35℃之间,温差在5℃以内机组启动后,观察机组运行电流是否正常,机组吸排气压力是否正常,检查有无异常振动、噪音或异常气味,确认一切正常后才算启动成功确认无误后,到各层开启空调盘管风机及新风机,根据商场温度来调节风机,以商场温度保持在26℃左右3运行中检查每两小时抄录机组运行表一次,要求:准时、仔细、准确如有紧急情况,按动紧急停止开关经常检查冷水机组运行参数是否正常为了保持机组运行处于最佳状态,主要运行参数就符合下列要求:制冷剂出口压力、排气压力~制冷剂入口压力、吸气压力~冷却水出口温度22℃~40℃ 冷冻水出口温度5℃~20℃ 三相之间电压波动≤3% 冷冻泵运行电流≤ 冷却泵运行电流≤ 风机运行电流≤ 机组运行电流≤A机组运转切换:1号机组和2号机组选择起动次序根据压缩机运行时间,每月调整一次先后次序4停机冷水机组的停机顺序为:共 3 页冷水机组停---冷却塔风机停---冷却水泵停---冷冻水泵停停机组,详见日立水冷式冷水机组液晶屏操作流程机组停止运行后5~10分钟后查看主机观察显示屏,温度计,冷冻温度显示进水、出水温度基本平衡时,达18℃以上,停冷冻水水泵、冷却塔水泵、冷却塔风机,到各楼层关闭盘管风机及新风机全部关停后,检查主机、温度及各阀门,确认正常后方可离开无紧急情况,严禁按动紧急开关按要求填写相关记录表格共 3 页。
水冷式中央空调的操作流程下载提示:该文档是本店铺精心编制而成的,希望大家下载后,能够帮助大家解决实际问题。
文档下载后可定制修改,请根据实际需要进行调整和使用,谢谢!本店铺为大家提供各种类型的实用资料,如教育随笔、日记赏析、句子摘抄、古诗大全、经典美文、话题作文、工作总结、词语解析、文案摘录、其他资料等等,想了解不同资料格式和写法,敬请关注!Download tips: This document is carefully compiled by this editor. I hope that after you download it, it can help you solve practical problems. The document can be customized and modified after downloading, please adjust and use it according to actual needs, thank you! In addition, this shop provides you with various types of practical materials, such as educational essays, diary appreciation, sentence excerpts, ancient poems, classic articles, topic composition, work summary, word parsing, copy excerpts, other materials and so on, want to know different data formats and writing methods, please pay attention!水冷式空调的操作流程一、开机准备1. 确认电源接通:首先要确定空调的电源已接通,可以通过查看电源指示灯或开关状态来确认。
中央空调开停机基本操作流程1.0 目的规范中央空调操作程序,确保正确、安全地操作中央空调。
2.0 适用范围适用于中央空调操作。
3.0 职责3.1 设备部主管/组长负责检查《中央空调操作标准作业规程》的执行情况。
3.2 当值管理员具体负责中央空调的操作。
4.0 程序要点4.1 开机前的检查。
4.1.1 电压表指示是否在额定值的±10%范围以内。
4.1.2 各种信号灯显示是否正常。
4.1.3 各种阀是否均已打开。
4.2 开机。
4.2.1 启动冷却塔风机。
4.2.2 启动冷却塔水泵。
4.2.3 启动冷冻泵。
4.2.4 确认冷却水供水压力正常、冷冻水供水压力正常,过5~10分钟后启动压缩机。
4.2.5 压缩机启动后,观察压缩机运行电流,压缩机吸排气压力,检查有无异常振动、噪音或异常气味,确认一切正常后才算启动成功。
4.3 停机。
4.3.1 停压缩机。
4.3.2 过5~10分钟后停冷冻水水泵、冷却塔水泵、冷却塔风机。
4.3.3 全部关停后,严禁将总电源开关拉下,应保持压缩机继续预热以便下次启动。
4.3.4 确认无异常情况后才算停机成功。
5.0 记录相关支持文件中央空调运行基本操作流程1.0 目的规范中央空调运行管理工作,确保中央空调良好运行。
2.0 适用范围适用于中央空调的运行管理。
3.0 职责3.1 设备部主管负责检查中央空调运行管理的实施情况。
3.2 设备部组长负责组织实施中央空调的运行管理。
3.3 当值管理员具体负责中央空调的运行管理。
4.0 程序要点4.1 巡视监控。
4.1.1 当值管理员每隔两小时巡视一次中央空调机组,巡视部位包括:中央空调主机、冷却塔、水泵、控制柜(箱)及管路、阀门等附件。
4.1.2 巡视监控的主要内容如下:a) 检查线电压(正常380V,不能超额定值的±10%);b) 检查三相电流(三相是否平衡,是否超额定值);c) 检查油压(正常10~15kgf/Cm2);d) 检查高压(<12kgf/cm2);e) 检查低压(>2.5kgf/Cm2);f) 冷却水进水温度(正常<35℃);g) 冷却水出水温度(正常<40℃);h) 冷冻水进水温度(正常10~18℃);i) 冷冻水出水温度(正常6~10℃);j) 检查中央空调主机运转是否有异常振动或噪音;k) 检查冷却塔风机运转是否平稳、冷却塔水位是否正常;l) 检查管道、阀门是否有渗漏、冷冻保温层是否完好;m) 检查控制柜(箱)各元器件动作是否正常,有无异常噪音或气味。
4.1.3 巡视过程中如发现上述情况有不正常时,当值管理员应及时采取措施予以解决,处理不了的问题应及时详细地汇报给设备部主管,请求支援解决。
整改时应严格遵守《中央空调维修保养标准作业规程》。
4.2 对于中央空调的运行情况,当值管理员应及时、完整、规范、清晰地记录在《中央空调运行日记》表内,并于每月由设备部主管把上一个月的记录整理成册后交设备部存档。
4.3 记录《中央空调运行日记》。
中央空调维护基本操作流程1.0 目的规范中央空调维修保养工作,确保中央空调各项性能完好。
2.0 适用范围适用中央空调的基本维修保养。
3.0 职责3.1 主管经理负责审核《中央空调维修保养年度计划》并检查该计划的执行情况。
3.2 设备部主管负责组织制定《中央空调维修保养年度计划》并组织、监督该计划的实施。
3.3 设备部制冷技工具体负责中央空调的维修保养。
3.4 公共事务部负责向有关用户通知停用中央空调的情况。
4.0 程序要点4.1 《中央空调维修保养年度计划》的制定。
4.1.1 每年的12月31日之前,由设备部主管组织制冷技工一起研究、制定《中央空调维修保养年度计划》并上报公司审批。
4.1.2 制定《中央空调维修保养年度计划》的原则:a) 中央空调使用的频度;b) 中央空调运行状况(故障隐患);c) 合理的时间(避开节假日、特殊活动日等)。
4.1.3 《中央空调维修保养年度计划》应包括如下内容:a) 维修保养项目及内容;b) 具体实施维修保养的时间;c) 预计费用;d) 备品、备件计划。
4.2 对中央空调进行维修保养时应按《中央空调维修保养年度计划》进行。
4.3 制冷技工负责中央空调的日常维修保养、中央空调的大型修理及PC中央处理器的故障处理由外委完成。
4.4 冷却塔维修保养:制冷技工每周对冷却塔进行一次清洁、保养。
4.4.1 用500V摇表检测电机绝缘电阻应不低于0.5MΩ,否则应干燥处理电机线圈,干燥处理后仍达不到0.5MΩ以上时则应拆修电机线圈。
4.4.2 检查电机、风扇是否转动灵活,如有阻滞现象则应加注润滑油;如有异常磨擦声则应更换同型号规格的轴承。
4.4.3 检查皮带是否开裂或磨损严重,如是则应更换同规格皮带;检查皮带是否太松,如是则应调整(每半个月检查一次);检查皮带轮与轴配合是否松动,如是则应整修。
4.4.4 检查布水器是否布水均匀,否则应清洁管道及喷嘴。
4.4.5 清洗冷却塔(包括填料、集水槽),清洁风扇风叶。
4.4.6 检查补水浮球阀是否动作可靠,否则应修复(不定期)。
4.4.7 拧紧所有紧固件。
4.4.8 清洁整个冷却塔外表。
4.5 风机盘管维修保养:制冷技工每隔半年对风机盘进行一次清洁、保养。
4.5.1 每周清洗一次空气过滤网,排除盘管内的空气(不定期)。
4.5.2 检查风机是否转动灵活,如有阻滞现象,则应加注润滑油,如有异常摩擦响声则应更换风机轴承。
4.5.3 用500V摇表检测风机电机线圈,绝缘电阻应不低于0.5 MΩ,,否则应整修处理。
检查电容有无变形、鼓胀或开裂,如是则应更换同规格电容;检查各接线头是否牢固,是否有过热痕迹,如是则作相应整修。
4.5.4 清洁风机风叶、盘管、积水盘上的污物。
4.5.5 用盐酸溶液(内加缓蚀剂)清除盘管内壁的水垢。
4.5.6 拧紧所有紧固件。
4.5.7 清洁风机盘管外壳。
4.6 冷凝器、蒸发器维修保养:制冷技工每半年对冷凝器、蒸发器进行一次清洁、保养。
4.6.1 柜式蒸发器维修保养:a) 每周清洗一次空气过滤网;b) 清洁蒸发器散热片;c) 清洁接水盘。
4.6.2 水冷式冷凝器、蒸发器维修保养(清除污垢):a) 配制10%的盐酸溶液(每1kg酸溶液里加0.5g缓蚀剂);b) 拆开冷凝器、蒸发器两端进出水法兰封闭,然后向里注满酸溶液,酸洗时间为24小时。
也可用酸泵循环清洗,清洗时间为12小时;c) 酸洗完后用1%的NaOH溶液或5%Na2CO3溶液清洗15分钟,最后再用清水冲洗3次以上;d) 全部清洗完毕后,检查是否漏水,如漏水则申请外委维修;如不漏水则重新装好(如法兰的密封胶垫已老化则应更换)。
4.7 冷却水泵机组、冷冻水泵机组维修保养:制冷技工每半年对冷却水泵机组、冷冻水泵机组进行一次清洁、保养。
4.7.1 电动机维修保养:a) 用500V摇表检测电动机线圈绝缘电阻是否在0.5MΩ,以上,否则应进行干燥处理或修复;b) 检查电动机轴承有无阻滞现象,如有则应加润滑油,如加润滑油后仍不行则应更换同型号规格的轴承;c) 检查电动机风叶有无擦壳现象,如有则应修整处理。
4.7.2 水泵维修保养:a) 转动水泵轴,观察是否有阻滞、碰撞、卡住现象,如是轴承问题则对轴承加注润滑油或更换轴承;如是水泵叶轮问题则应拆修水泵;b) 检查压盘根处是否漏水成线,如是则应加压盘根(不定期)。
4.7.3 检查弹性联轴器有无损坏,如损坏则应更换弹性橡胶垫(不定期)。
4.7.4 清洗水泵过滤网。
4.7.5 拧紧水泵机组所有紧固螺栓。
4.7.6 清洗水泵机组外壳,如脱漆或锈蚀严重,则应重新油漆一遍。
4.8 制冷技工每半年对冷冻水管路、送冷风管路、风机盘管管路进行一次保养,检查冷冻水管路、送冷风管路、风机盘管路处是否有大量的凝结水或保温层已破损,如是则应重做保温层。
4.9 阀类维修保养:制冷技工每半年对阀类进行一次保养。
4.9.1 节制阀与调节阀的维修保养:a) 检查是否泄漏,如是则应加压填料;b) 检查阀门开闭是否灵活,如阻力较大则应对阀杆加注润滑油;c) 如阀门破裂或开闭失效,则应更换同规格阀门;d) 检查法兰连结处是否渗漏,如是则应拆换密封胶垫。
4.9.2 电磁调节阀、压差调节阀维修保养:a) 干燥过滤器:检查干燥过滤器是否已脏堵或吸潮,如是则更换同规格的干燥过滤器;b) 电磁调节阀、压差调节阀:——通断电检查电磁调节阀、压差调节阀是否动作可靠,如有问题则更换同规格电磁调节阀,压差调节阀;——对压差调节阀间阀杆加润滑油,如压填料处泄漏则应加压填料。
4.10 检测、控制部分维修保养:制冷技工每半年对检测、控制部分进行一次保养。
4.10.1 检测器件(温度计、压力表、传感器)维修保养:a) 对于读数模糊不清的温度计、压力表应拆换;b) 送检温度计、压力表合格后方可再使用;c) 检测传感器参数是否正常并做模拟实验,对于不合格的传感器应拆换;d) 检查装检测器的部位是否渗漏,如渗漏则应更换密封胶垫。
4.10.2 控制部分维修保养:a) 清洁控制柜内外的灰尘、脏物;b) 检查、紧固所有接线头,对于烧蚀严重的接线头应更换;c) 交流接触器维修保养:——清除灭弧罩内的碳化物和金属颗粒;——清除触头表面及四周的污物(但不要修锉触头),如触头烧蚀严重则应更换同规格交流接触器;——清洁铁芯上的灰尘及脏物;——拧紧所有紧固螺栓。
d) 热继电器维修保养:——检查热继电器的导线接头处有无过热或烧伤痕迹,如有则应整修处理,处理后达不到要求的应更换;——检查热继电器上的绝缘盖板是否完整,如损坏则应更换。
e) 自动空气开头维修保养:——用500V摇表测量绝缘电阻应不低于0.5MΩ,否则应烘干处理;——清除灭弧罩内的碳化物或金属颗粒,如灭弧罩损坏则应更换;——清除触头表面上的小金属颗粒(不要修锉)。
f) 信号灯、指示仪表维修保养:——检查各信号灯是否正常,如不亮则应更换同规格的小灯泡;——检查各指示仪表指示是否正确,如偏差较大则应作适当调整,调整后偏差仍较大应更换。
g) 中间继电器、信号继电器维修保养:对中间继电器、信号继电器做模拟实验,检查二者的动作是否可靠,输出的信号是否正常,否则应更换同型号的中间继电器、信号继电器;h) PC中央处理器、印刷线路板如出现问题,则申请外委维修。
4.11 压缩机维修保养:制冷技工每年对压缩机进行一次检测、保养。
4.11.1 检查压缩机油位、油色。
如油位低于观察镜的1/2位置,则应查明漏油原因并排除故障后再充注润滑油;如油已变色则应彻底更换润滑油。
4.11.2 检查制冷系统内是否存在空气,如有则应排放空气。
4.11.3 具体检查压缩机如下参数:a) 压缩机电机绝缘电阻(正常0.5MΩ以上);b) 压缩机运行电流(正常为额定值,三相基本平衡);c) 压缩机油压(正常10~15kgf/Cm2);d) 压缩机外壳温度(正常85℃以下);e) 吸气压力(正常值4.9~5.4kgf/cm2);f) 排气压力(正常值12.5kgf/cm2);g) 检查压缩机是否有异常的噪音或振动;h) 检查压缩机是否有异常的气味。