20米高杆灯基础图纸
- 格式:pdf
- 大小:986.66 KB
- 文档页数:4
高杆灯基础施工方案首部段落不需要缩进,正文直接开始。
一、项目背景及目的高杆灯是城市道路照明中常用的一种照明设施,其具有照明范围广、照明效果好等特点,广泛应用于市区主干道、广场等场所。
为了保证高杆灯的稳定性和安全性,需要进行基础施工。
本文旨在提供一种高杆灯基础施工方案,以确保基础施工质量和施工效率。
二、施工前准备工作在开始高杆灯基础施工之前,需要进行以下准备工作:1. 完成高杆灯基础施工图纸的设计和审核工作,确保设计合理性;2. 根据施工图纸确定基础施工所需材料和工具,并进行采购;3. 成立施工队伍,明确人员责任及施工任务,进行安全培训和技术指导;4. 对施工现场进行勘察,清理杂物,并确保施工现场安全。
三、高杆灯基础施工步骤高杆灯基础施工步骤如下:1. 施工现场的标识和划定:在施工现场的周围设置明确的标识,划定施工区域,确保施工安全。
2. 打地基:按照设计图纸要求,确定高杆灯基础的位置和尺寸,利用挖掘机等工具进行地基的挖掘。
3. 基础材料的浇筑:将预制的混凝土基础块放入地基坑中,将其与地基紧密结合,并利用水平仪调整基础块的水平度。
4. 接地装置的安装:根据安全要求,在基础块上设置接地装置,确保高杆灯在雷击等意外情况下能有效接地。
5. 灌浆和养护:将混凝土灌入基础块中,利用振动棒排除气泡,并进行养护,保持基础的稳定性和强度。
四、施工安全与质量控制在高杆灯基础施工过程中,应重点关注施工安全和施工质量。
为此,可以采取以下措施:1. 施工人员应配戴个人防护用品,确保施工人员的人身安全;2. 在施工现场设置安全警示牌和安全防护设施,防止施工过程中发生事故;3. 严格按照设计图纸进行施工,确保基础施工符合规范要求;4. 在施工过程中进行质量检查和监控,及时纠正施工中出现的问题;5. 完成施工后,对基础进行强度测试和检查,确保基础的牢固性。
五、施工总结与展望通过本文提供的高杆灯基础施工方案,可以有效地提高施工效率和质量,确保高杆灯的稳定性和安全性。
20米升降式高杆灯技术参数一、概述本技术方案严格执行国家相关技术标准,技术先进、经济合理、真正做到使用安全、维护管理方便,符合绿色照明规范。
二、执行标准各项技术参数符合GB14887-2003国家标准三、主要技术参数3.3.2高杆灯灯杆、灯盘3.3.2.1灯杆高度为20米,材质为Q235优质低碳钢板经剪制、折弯、自动焊接成型。
折边成16边型,分三节套,壁厚分别是6/8/10mm,热镀锌喷塑,确保30年不会生锈,抗13级台风(根据需求而定),灯杆上口径260mm、下口径520mm,整体内外热镀锌,厚度不小于0.6mm,法兰尺寸Ф900mm*25mm,灯杆的全部结构件均经过热镀锌和表面防腐处理,防腐质量符合GB/T9790、GBJ365011和GB/T11373的有关规定,达到WF2。
有效延长灯杆寿命,节约维护费用。
所有紧固件均有防松措施。
3.3.2.2灯杆底部开有电器门,内置自动升降装置和电器控制系统。
3.3.2.3中杆灯包括灯杆、灯具、灯盘及自动升降系统,整体设计美观大方。
3.3.2.4灯杆采用插接式,插接长度大于插接处最大直径的1.5倍,配合间隙不大于3mm。
焊接部分无影响强度的裂纹、夹渣、焊熘、烧穿、弧坑和气孔,并且无折皱和中断等缺陷。
3.3.2.5灯盘支架采用方管厚度2.5mm框架式,结构简单可靠,迎风面积小,以提高安全性能。
灯盘重量轻,防腐性能好。
灯具支架可调,便于调整投射方向。
3.3.3电器控制系统:3..3.3.1电器控制和保护装置均安装固定在灯杆底部的控制箱内,备有照明控制及电机控制器。
3.3.3.2双回路电力电缆供电,可实现全负荷照明和部分照明,具有手控,微电脑时间控制多种方式,以满足用户的不同需求。
3.3.3.3采用拖缆方式供电,并留有一定余量。
接至电源的铜导线,截面不小于10mm2;接至每只灯的铜导线,其截面不小于2.5mm2。
3.3.4自动升降式系统:3.3.4.1系统由电机、蜗轮蜗杆、卷筒等部分组成。
20米倾倒式灯杆技术规格书1.外购件名称:20米倾倒式灯杆(6套)供货范围:20米倾倒式灯杆的设计(包括倾倒式灯杆、土建预埋接口、灯具安装接口、避雷针安装接口等)、灯杆制造、供货(包括倾倒式灯杆、土建预埋件)、MDR文件、备品备件(包括随机备件和一年期运行备件)。
2.外购件物料号:3.高杆灯工作环境描述:3.1 所属设备描述本项目用于码头部分的照明。
灯杆高度为20米,数量6根,每个灯杆上分别安装2个或3个LED照明灯具。
3.2 工作环境当地气候条件:1)气温:日平均最高温度 29.8 摄氏度,日最高 37.8 摄氏度,日平均最低温度21.7摄氏度,日最低 12.8 摄氏度;2)风速:极限状态基本风速70米/秒,允许风速57米/秒。
对于外部设备操作,限制最大操作风速20米/秒;3)湿度:年平均相对湿度 70.7%;4)降雨:年平均降雨量 1949mm,最大日降雨量390.6mm,每年降雨量>0.1mm的天数114天;5)地震加速度:0.16g。
4.设计与制造4.1 使用寿命:15年;4.2电气箱防护等级:IP56;颜色:X15 橘色,按AS2700标准;材质:316L不锈钢,表面喷塑;4.3 结构型式:灯杆高度20米,在10600mm处设置倾倒点;杆体材质:ASTM_A572,GR65;底法兰材质:Q345B或以上;边框、附件材质:Q345B或以上;所有部件均需热浸锌处理:最小400g/m2;焊接规范按AWS D1.1执行;采用手动升降,采用优质钢丝绳;灯杆采用多边棱锥形,其对边间距偏差及对角间距偏差不大于1%;灯杆轴线的直线度误差不得大于杆长的1.5‰;灯杆在在风压标准值作用下的最大应力,应小于材料强度的设计值。
5.DHHI将提供参考图给供货商,请供货商对此图纸进行审核、修改,要满足上述工况、工作环境,并提出产品的性能参数和最终订货图纸。
附图:图1 高杆灯典型图图2 土建预埋基础图6.材料6.1概述全部原材料应为全新且未使用,无接缝的。
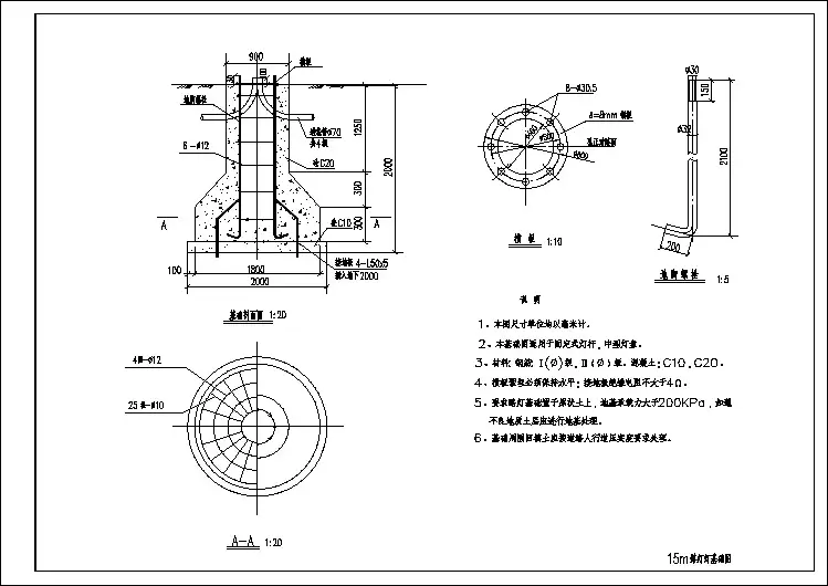
..Ø1500Ø1200 Ø800Ø10(环)Ø16(环)36Ø16(外竖向筋) Ø6@100(螺旋筋) Ø16(环)Ø8@150(环)2Ø16(环) 2Ø16(环)150 502Ø10(环)Ø10 (环)Ø3200Ø6@150(螺旋筋)Ø6@300(箍筋)50 1502600700 7001200Ø16(径向筋)500100地脚螺栓12M36×2000电缆穿管DG60δ 10模板12Ø16(内竖向筋)8002Ø16(接地极)50避雷针接地,直接插入地下或与接地极可靠连接说明:1、本基础为钢筋混凝土结构,按《建筑地基基础设计规范》GBJ7-89等标准设计。
2、本基础适用于地基载力设计值f ≥10tf/m 2和最大风力不超过11级的地区,地质状况比较复杂时,应由当地勘察设计单位确定。
3、本基础垫层厚度不小于150mm ,钢筋保护层厚度不小于40mm ,混凝土强度等级不低于C20。
4、4根接地线Φ16与地脚螺栓应焊牢,接地电阻应小于10Ω。
5、本基础埋置深度为2.6米,基础顶面应高出回填上表面0.1米,地脚螺栓螺牙高出定位盘0.15米。
6、本基础图在征得当地城建部门认可后方可施工。
R750 R600 R40012M36(均布)Ø16(径向筋)Ø16(径向筋)Ø1000 Ø80036.5×12孔均布。
20米倾倒式灯杆技术规格书1.外购件名称:20米倾倒式灯杆(6套)供货围:20米倾倒式灯杆的设计(包括倾倒式灯杆、土建预埋接口、灯具安装接口、避雷针安装接口等)、灯杆制造、供货(包括倾倒式灯杆、土建预埋件)、MDR文件、备品备件(包括随机备件和一年期运行备件)。
2.外购件物料号:3.高杆灯工作环境描述:3.1 所属设备描述本项目用于码头部分的照明。
灯杆高度为20米,数量6根,每个灯杆上分别安装2个或3个LED照明灯具。
3.2 工作环境当地气候条件:1)气温:日平均最高温度 29.8 摄氏度,日最高 37.8 摄氏度,日平均最低温度21.7摄氏度,日最低 12.8 摄氏度;2)风速:极限状态基本风速70米/秒,允许风速57米/秒。
对于外部设备操作,限制最大操作风速20米/秒;3)湿度:年平均相对湿度 70.7%;4)降雨:年平均降雨量 1949mm,最大日降雨量390.6mm,每年降雨量>0.1mm的天数114天;5)地震加速度:0.16g。
4.设计与制造4.1 使用寿命:15年;4.2电气箱防护等级:IP56;颜色:X15 橘色,按AS2700标准;材质:316L不锈钢,表面喷塑;4.3 结构型式:灯杆高度20米,在10600mm处设置倾倒点;杆体材质:ASTM_A572,GR65;底法兰材质:Q345B或以上;边框、附件材质:Q345B或以上;所有部件均需热浸锌处理:最小400g/m2;焊接规按AWS D1.1执行;采用手动升降,采用优质钢丝绳;灯杆采用多边棱锥形,其对边间距偏差及对角间距偏差不大于1%;灯杆轴线的直线度误差不得大于杆长的1.5‰;灯杆在在风压标准值作用下的最大应力,应小于材料强度的设计值。
5.DHHI将提供参考图给供货商,请供货商对此图纸进行审核、修改,要满足上述工况、工作环境,并提出产品的性能参数和最终订货图纸。
附图:图1 高杆灯典型图图2 土建预埋基础图6.材料6.1概述全部原材料应为全新且未使用,无接缝的。
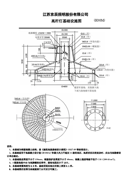
江苏京辰照明股份有限公司高杆灯基础设施图(H30M )Ø1800Ø1200 Ø860Ø10(环)Ø16(环)36Ø16(外竖向筋) Ø6@100(螺旋筋) Ø16(环)Ø8@150(环)2Ø16(环) 2Ø16(环)150 502Ø10(环)Ø10 (环)Ø4600Ø6@150(螺旋筋)Ø6@300(箍筋)50 1502900 600 9001400 40Ø16(径向筋)500100地脚螺栓12M36×2000电缆穿管DG60δ 6模板12Ø16(内竖向筋)8002Ø16(接地极)50避雷针接地,直接插入地下或与接地极可靠连接说明:1、本基础为钢筋混凝土结构,按《建筑地基基础设计规范》GBJ7-89等标准设计。
2、本基础适用于地基载力设计值f ≥10tf/m 2和最大风力不超过11级的地区,地质状况比较复杂时,应由当地勘察设计单位确定。
3、本基础垫层厚度不小于150mm ,钢筋保护层厚度不小于40mm ,混凝土强度等级不低于C18(200 tf/cm 2)。
4、4根接地线Φ40与地脚螺栓应焊牢,接地电阻应小于10Ω。
5、本基础埋置深度为2.9米,基础顶面应高出回填上表面0.1米。
6、本基础图在征得当地城建部门认可后方可施工。
R900 R600 R43012M42(均布)20Ø16(径向筋)20Ø16(径向筋)。
可编辑修改精选全文完整版1.施工方案一、综述:(一)编制依据:1、高唐县公安局高杆灯采购项目扫招标文件及相关图纸2、国家和部颁有关的标准、规范规定及标准图集、厂家技术要求等(二)工程概况:该高杆灯安装在公安局庭院内,主要为20m高杆灯8个头和6个头各2盏以及相应辅助线路及基础土建工程三、主要工序及施工方法:(一)施工工序:高杆灯基础施工基础预埋件的整理杆体的分节套接穿入钢丝绳和电缆头部安装吊装杆体的垂直度调试接通电源灯盘的安装和调试安装灯具调试(二)施工方法:1.基础施工1.1施工放线→挖掘机基槽开挖→人工基槽底土方修整→机械夯实→浇注素砼垫层 C10→钢筋绑扎→两侧模板安装→预埋件安装→浇注高杆灯基础砼C25砼养护→拆模、穿线、基础回填→安装灯泡吊装高杆灯→安装路灯接线、调试→混凝土结面→高杆灯竣工。
1.2 电缆管道、电缆井:施工放线→沟槽开挖→夯实整平基础→碎石基层施工→浇注 C20 砼基础→安装侧模板→现浇 C20 包管砼→电缆井→回填压实土方。
1.3灯柱基础开挖:与所属部门联系,掌握大概分布资料,通过开挖探槽了解地下管线详细分部情况,要求有序地开挖,并施作雨天临时排水沟,开挖时应有测量配合指导,切勿超挖、欠挖。
1.4 测量定位:根据监理工程师审批后的控制点进行现场加设控制点工作,采用全站仪按极坐标法测设基础的位置(见高杆灯基础定位放射线记录),用水准仪测出地面标高。
基础定位后经复核无误,增设护桩指导施工。
1.5 基础土方开挖:采用挖土机对基坑的大概深、长、宽度土方进行开挖,而后人工按图示尺寸修边到设计标高,若出现超挖,不得使用弃土就地回填,应采用级配碎石或砂回填到设计值。
1.6基坑报检:根据监理程序要求,将填报隐蔽工程基础开挖资料,具体检测内容参见相关验收规范标准。
1.7 钢筋、预埋件安装:根据规范要求安装钢筋:骨架尺寸、间距、垂直度、保护层设置、预埋件位置及加固等严格执行验收规范标准。
..Ø1500Ø1200 Ø800Ø10(环)Ø16(环)36Ø16(外竖向筋) Ø6@100(螺旋筋) Ø16(环)Ø8@150(环)2Ø16(环) 2Ø16(环)150 502Ø10(环)Ø10 (环)Ø3200Ø6@150(螺旋筋)Ø6@300(箍筋)50 1502600700 7001200Ø16(径向筋)500100地脚螺栓12M36×2000电缆穿管DG60δ 10模板12Ø16(内竖向筋)8002Ø16(接地极)50避雷针接地,直接插入地下或与接地极可靠连接说明:1、本基础为钢筋混凝土结构,按《建筑地基基础设计规范》GBJ7-89等标准设计。
2、本基础适用于地基载力设计值f ≥10tf/m 2和最大风力不超过11级的地区,地质状况比较复杂时,应由当地勘察设计单位确定。
3、本基础垫层厚度不小于150mm ,钢筋保护层厚度不小于40mm ,混凝土强度等级不低于C20。
4、4根接地线Φ16与地脚螺栓应焊牢,接地电阻应小于10Ω。
5、本基础埋置深度为2.6米,基础顶面应高出回填上表面0.1米,地脚螺栓螺牙高出定位盘0.15米。
6、本基础图在征得当地城建部门认可后方可施工。
R750 R600 R40012M36(均布)Ø16(径向筋)Ø16(径向筋)Ø1000 Ø80036.5×12孔均布。
..Ø1500Ø1200 Ø800Ø10(环)Ø16(环)36Ø16(外竖向筋) Ø6@100(螺旋筋) Ø16(环)Ø8@150(环)2Ø16(环) 2Ø16(环)150 502Ø10(环)Ø10 (环)Ø3200Ø6@150(螺旋筋)Ø6@300(箍筋)50 1502600700 7001200Ø16(径向筋)500100地脚螺栓12M36×2000电缆穿管DG60δ 10模板12Ø16(内竖向筋)8002Ø16(接地极)50避雷针接地,直接插入地下或与接地极可靠连接说明:1、本基础为钢筋混凝土结构,按《建筑地基基础设计规范》GBJ7-89等标准设计。
2、本基础适用于地基载力设计值f ≥10tf/m 2和最大风力不超过11级的地区,地质状况比较复杂时,应由当地勘察设计单位确定。
3、本基础垫层厚度不小于150mm ,钢筋保护层厚度不小于40mm ,混凝土强度等级不低于C20。
4、4根接地线Φ16与地脚螺栓应焊牢,接地电阻应小于10Ω。
5、本基础埋置深度为2.6米,基础顶面应高出回填上表面0.1米,地脚螺栓螺牙高出定位盘0.15米。
6、本基础图在征得当地城建部门认可后方可施工。
R750 R600 R40012M36(均布)Ø16(径向筋)Ø16(径向筋)Ø1000 Ø80036.5×12孔均布。
路灯基础图欧阳引擎(2021.01.01)l路灯基础灯杆高(米) 基础尺寸(长。
宽。
高)mm 预埋件对角线尺寸mm 螺杆尺寸4-6 500x500x1000 280 M206-8 600x600x1400 360 M248-12 800x800x1500 400 M28欧阳引擎创编 2021.01.01太阳能路灯基本设计方法初探(通为)根据我公司多年来在通为地区进行太阳能路灯、LED灯、无极灯、庭院灯、草坪灯等的生产、制作、安装经验得出了一此在通为省各地安装太阳能产品的经验供通为地区从事太阳能产品的同行参考!通为太阳能电池组件选型通为太阳能设计要求:通为某地区,负载输入电压24V功耗34.5W,每天工作时数8.5h,保证连续阴雨天数7天。
⑴陕西地区近二十年年均辐射量107.7Kcal/cm2,经简单计算广州地区峰值日照时数约为3.424h;⑵负载日耗电量= = 12.2AH⑶所需太阳能组件的总充电电流= 1.05×12.2×÷(3.424×0.85)=5.9A在这里,两个连续阴雨天数之间的设计最短天数为20天,1.05为太阳能电池组件系统综合损失系数,0.85为蓄电池充电效率。
⑷太阳能组件的最少总功率数= 17.2×5.9 = 102W欧阳引擎创编 2021.01.01选用峰值输出功率110Wp、两块55Wp的标准电池组件,应该可以保证路灯系统在一年大多数情况下的正常运行。
通为太阳能蓄电池选型蓄电池设计容量计算相比于太阳能组件的峰瓦数要简单。
根据上面的计算知道,负载日耗电量12.2AH。
在蓄电池充满情况下,可以连续工作7个阴雨天,再加上第一个晚上的工作,蓄电池容量:12.2×(7+1)= 97.6(AH),选用2台12V100AH的蓄电池就可以满足要求了。
通为太阳能电池组件支架( 1)通为太阳能倾角设计为了让太阳能电池组件在一年中接收到的太阳辐射能尽可能的多,我们要为太阳能电池组件选择一个最佳倾角。
亮化工程高杆灯施工一、施工流程及施工要求1、施工流程定灯位→挖沟→埋管→浇注路灯基础→敷设电缆→绝缘测试→路灯安装→电气设备安装→实验、调试→自检→竣工验收2、施工要求1、定灯位:按照施工图及现场情况,以设计灯位间距为基准确定路灯安装位置。
2、挖沟及埋管:按照施工图纸开挖电缆管预埋沟,预埋相应的电缆管。
3、浇注路灯基础浇注:按甲方提供路灯基础图纸预制金属构件开挖相应尺寸的基坑,金属构件进行热镀锌处理,防腐质量应符合现行国家标准《金属覆盖及其他有关覆盖层维氏和努氏显微硬度试验》(GB/T9700)、《热喷涂金属件表面预处理通则》(GB/T11373)、现行行业标准《钢铁热浸铝工艺及质量检验》(ZBJ36011)的有关规定。
4、敷设电缆应符合下列要求:(1)电缆型号应符合设计要求,排列整齐,无机械损伤,标志牌齐全、正确、清晰;(2)电缆的固定、间距、弯曲半径应符合规定;(3)电缆接头良好,绝缘应符合规定;(4)电缆沟应符合要求,沟内无杂物;— 1 —(5)保护管的连接、防腐应符合规定。
5、高杆灯安装规定同一位置的路灯安装高度(从光源到地面)、仰角、装灯方向宜保持一致。
基础坑开挖尺寸应符合设计规定,基础混凝土强度等级不应低于C20,基础内电缆护管从基础中心穿础并应超出基础平面30~50mm。
浇制钢筋混凝土基础前必须排除坑内积水。
灯具安装纵向中心线和灯臂纵向中心线应一致,灯具横向水平线应与地面平行,紧固后目测应无歪斜。
灯头固定牢靠,可调灯头应按设计调整至正确位置,灯头接线应符合下列规定:在灯臂、灯盘、灯杆内穿线不得有接头,穿线孔口或管口应光滑、无毛刺,并应采用绝缘套管或包扎,包扎长度不得小于200mm。
路灯安装使用的灯杆、灯臂、抱箍、螺栓、压板等金属构件应进行热镀锌处理,防腐质量应符合现行国家标准《金属覆盖及其他有关覆盖层维氏和努氏显微硬度试验》(GB/T9700)、《热喷涂金属件表面预处理通则》(GB/T11373)、现行行业标准《钢铁热浸铝工艺及质量检验》(ZBJ36011)的有关规定。