磷矿床的工业类型和赋存特点
- 格式:docx
- 大小:95.12 KB
- 文档页数:1
湖北省宜昌仓屋垭磷矿床基本特征廖宗明;余立新;李方会;刘圣德;姚燕【摘要】宜昌仓屋垭磷矿地处扬子准地台黄陵断穹北部,含磷岩系陡山沱组(Z1d)含有工业磷矿层共三层(Ph22、Ph21、Ph13),分别赋存于陡山沱组胡集段(Z1d2)和樟村坪段(Z1d1).矿区内赋存中含磷层第二矿层(Ph22)、第一矿层(Ph21)及下含磷层第三矿层(Ph13),共三个工业磷矿层.矿石自然类型为白云岩条带状磷块岩、致密条带状磷块岩、云质泥岩条带状磷块岩,主要矿物成份为胶磷矿、白云石,具有砂屑结构、假鲕粒结构、砾屑(角砾)结构、泥晶结构和致密条带状构造、条带状构造.磷质主要来源于远海,与上升洋流作用有关.【期刊名称】《资源环境与工程》【年(卷),期】2014(028)002【总页数】7页(P138-144)【关键词】磷矿床;基本特征;仓屋垭;宜昌【作者】廖宗明;余立新;李方会;刘圣德;姚燕【作者单位】湖北省宜昌地质勘探大队,湖北宜昌443100;湖北省地质科学研究所,湖北武汉430034;湖北省宜昌地质勘探大队,湖北宜昌443100;湖北省宜昌地质勘探大队,湖北宜昌443100;湖北省地质科学研究所,湖北武汉430034【正文语种】中文【中图分类】P619.21+30 引言磷矿是湖北省最重要的优势矿种,省内主要有兴神保磷矿集中分布区、宜昌磷矿集中分布区、荆襄磷矿集中分布区、鹤峰走马岭磷矿集中分布区、大悟磷矿集中分布区等。
宜昌磷矿集中分布区近十几年来在找矿评价方面有重大进展,宜昌仓屋垭磷矿床就是其中之一[1]。
1 区域地质概况研究区位于黄陵断穹北缘。
黄陵断穹轴向北东16°,南北长70 km、东西宽40 km 以上,为东翼平缓、西翼较陡的二元短轴断穹构造。
断穹核部由晚元古代—晚太古代中深变质岩、混合岩及岩浆岩组成基底构造层。
翼部由震旦系—三叠系地层(缺失下泥盆统和下石炭统)组成沉积盖层构造层,主要岩性为碳酸盐岩或碎屑岩,由老至新围绕断穹核部依次展布,它们之间大都呈整合或假整合接触,仅震旦系陡山沱组或南沱组与下伏地层呈角度不整合接触。
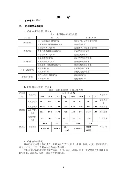
磷矿一、矿产名称:磷矿二、矿床类型及其分布1、矿床的成因类型:见表1。
表1 中国磷矿床成因类型类型亚类矿床实例沉积矿床浅—滨海相沉积磷块矿床贵州开阳、云南昆阳等矿床陆相火山—沉积铀磷块岩矿床华东某地矿床岩浆矿床正岩浆磷灰石岩矿床青海湟中、山东莱芜等矿床岩浆气成热液磷灰石岩矿床广西岑溪南渡矿床伟晶岩磷灰石岩矿床内蒙古兴和矿床变质矿床正变质磷灰岩矿床河北丰宁招兵沟矿床沉积变质磷灰岩矿床内蒙古布龙图矿床沉积变质—交代磷灰岩矿床黑龙江鸡西麻山矿床风化—淋滤矿床淋滤次生矿床广西德堡寨圩矿床风化残积矿床云南马龙迤泽矿床生物堆积矿床洞穴(溶沟)堆积矿床海南东方矿床鸟粪堆积矿床海南西沙矿床2、矿床的工业类型:见表2表2 我国主要磷矿石的工业类型矿石类型成岩变种化学组成%典型矿山P2O5SiO2CaO MgO Fe2O3Al2O3CO2F磷块岩沉积型硅质16.4543.0224.64 1.33 4.26 1.83 3.641.36宁夏贺兰山沉积型钙质30.20 3.3946.33 3.720.790.299.572.63贵州瓮福沉积型硅-钙质15.2627.4930.72 6.15 1.52 1.0614.891.63湖北王集变质型硅-钙质9.2019.0328.7610.28 2.17 3.2123.03江苏锦屏磷灰石岩浆岩型P2O5TiO2TFe V2O5CoO河北马营6.46~6.60 4.30~6.4018.16~22.450.14~0.210.0073~0.00853、矿床的分布情况磷灰石矿床主要分布在北方。
主要分布在辽宁、河北、山西、陕西、山东、黑龙江等省。
福建、广东、广西、内蒙古也分布有少许储量。
沉积型磷块岩矿床主要分布在云南、贵州、四川、湖南、湖北。
五省储量占全国储量的85%以上。
在江苏、安徽、陕西也有此类矿床。
三、矿床的主要工业指标:见表3、4、5。
表3 磷矿床一般工业指标矿床类型磷灰岩及磷灰石岩矿床磷块岩矿床边界品位(P2O5),%5~68~12最低工业品位(P2O5),%10~1112~15最低可采厚度,m0.7~20.7~2夹石剔除厚度,m1~21~2表4 缺磷地区磷矿床参考使用的工业指标矿床类型磷灰岩及磷灰石岩矿床磷块岩矿床单一磷矿床可综合利用磷矿床露采坑采露采坑采边界品位(P2O5),%2~2.54~52~2.5 2.5~35~8最低工业品位(P2O5),%4~56~73~45~69~10最低可采厚度,m2~51~22~51~20.5~1夹石剔除厚度,m2~51~22~51~20.5~1表5 磷矿矿石品级划分矿石品级P2O5含量, %选矿Ⅰ>30不需选矿Ⅱ>25~30不需选矿或简单选矿Ⅲ>12~25需选矿四、矿石性质(一)矿石的矿物成分1、磷块岩:(1)沉积型:碳氟磷灰石、方解石、白云石、石英、玉髓、黄铁矿。
书山有路勤为径,学海无涯苦作舟磷矿的工艺特性及主要用途1、工艺特性:中国磷矿有三大类型:岩浆岩型磷灰石,沉积岩型磷块岩,沉积变质岩型磷灰岩。
岩浆岩型磷灰石:贮量只占总贮量的7%,主要分布在北方。
其特点是磷品位低,一般小于10%,低者仅为2~3%。
由于结晶较粗、嵌布粒度较粗,属易选磷矿,选矿工艺简单,选矿指标较高。
还伴生有钒、钛、铁、钴等元素,可综合回收,因此这类矿石经济效益较好。
沉积变质岩型磷灰岩:其贮量占总贮量的23%,主要分布在江苏、安徽、湖北等省。
一般情况下,由于风化,矿石松散、含泥高,采用擦洗、脱泥工艺即可获得合格磷精矿,有时也加上浮选工艺。
云南滇池地区有许多矿山均采用此工艺,生产成本较低。
此类矿是工业价值最大的磷矿。
沉积岩型磷块岩:是世界各国中的主要类型,我国此类型矿石贮量占总贮量的70%,主要分布在中南和西南。
而云、贵、川、鄂、湘五省又占该类型贮量的78%,可说是磷矿之乡。
此类矿选矿难度最大,其特点是:(1)磷灰石嵌布粒度细,呈均质胶体或隐晶、微晶质。
磷矿集合体多为鲕粒、假鲕粒结构。
在鲕粒之间,甚至于在鲕粒内部,常混入数量不等的碳酸盐,硅质等泥质矿物。
选矿一般磨至80~90%- 320 目方能单体解离。
由于磨矿粒度细,增加了矿物表面能、非选择性团聚、药剂的非选择性吸附,使不同矿物之间的可浮性差别减小,因此给浮选分离带来困难。
(2)我国磷矿主要属碳氟磷灰石系列。
磷灰石晶格中的PO42-被CO32-部分取代。
按CO32-取代的程度把该系列的磷灰石分为:微碳氟磷灰石、低碳氟磷灰石、碳氟磷灰石、高碳氟磷灰石。
不仅使P2O5 理论值下降,而且使磷矿物晶包参数α变小、结晶程度差,因而可浮性逐渐下降。
(3)矿石中一般都含有钙质和硅质矿物,当二者在一块时,选矿程度更难。
因方解石、白云石与磷灰石都含有同名离子Ca2+,二者可浮性接近,当用脂肪酸类。
中国磷矿资源地质特征一、矿床时空分布及成矿规律1.沉积磷块岩的主要成矿规律震旦纪—寒武纪是中国海相沉积磷块岩矿床的主要成矿时期。
震旦纪陡山沱组与灯影组沉积磷块岩分布在扬子地区的贵州、湖北、湖南,即扬子成磷区的湘黔成矿带、陕鄂成矿带、浙桂成矿带。
时限为800±50~615±20 Ma。
扬子地台区的陡山沱组为中国最大磷酸盐沉积层,其上灯影组磷酸盐化岩层虽在很多地区有所发现,但构成有经济价值的磷酸盐矿床,则主要见于湖北南漳邓家崖。
中国寒武纪地层发育完整,早寒武世每次海进地层底部都沉积了磷酸盐层,其中梅树村组赋存的大规模磷块岩矿床是继陡山沱组磷块岩沉积之后中国第二大型磷酸盐沉积层。
有重大经济价值的磷块岩矿床主要集中于上扬子成磷带的云南、四川与陕西,地理上构成近南北向的带状分布。
2.变质磷矿床成矿规律丰宁式磷矿床为太古宙矿床,主要分布在中朝地块的太古宙陆核区,即华北陆核、辽宁吉林南部—朝鲜北部陆核、山东陆核等。
其中中朝地块北部内蒙古地轴中段与东段构成两个成矿带,山东半岛为一成矿带。
鸡西式磷矿床为元古宙早期矿床,主要分布于微型古陆及古板块边缘地槽型建造中。
海州式磷矿床为古元古代晚期矿床,主要分布于中朝地块东缘含碳、锰岩系及与镁质碳酸岩型建造中,在吉南—辽东、苏北、皖东北构成3个重要工业意义的成矿带。
白家山式磷矿床主要分布于中朝地块内部滹沱—中条古海槽区,在鄂尔多斯与华北陆核之间构成一个成矿区。
布龙土式磷矿床主要分布于中朝地块北缘(五泰信息咨询)(市场调研报告)(市场调研报告)( )。
3.内生磷灰石矿床主要成矿规律内生磷灰石矿床主要与幔源岩浆活动密切相关,含矿母岩一般为幔源岩浆岩岩体。
如超基性性杂岩体等。
此类岩浆岩体一般磷较高。
由于地幔物质的选择性熔融,使磷质在幔源岩浆中富集,尔后地辟上升侵入地壳,这是形成磷灰石矿床的基本条件之一。
含磷的幔源岩浆在地台或地盾地区上升到稳定的地壳内,有可能充分地进行岩浆分异作用而形成大型的岩浆杂岩体,这是工业磷灰石矿床产出的重要因素。
我国磷矿资源的特点及加工利用分析磷矿是指在经济上可利用的磷酸盐类矿物的总称,在工业上主要用于生产磷系肥料,也可以用来制造黄磷、磷酸、磷化物及其他磷酸盐类产品。
这些产品广泛应用于农业生产、医药、食品、轻工、化工、国防等工业部门。
我国磷肥生产所消耗的磷矿石约占总消费量的80%左右。
磷在地壳中的含量虽然很高,但具备工业开采价值的磷资源在全世界非常有限且分布极其不均。
具有工业开采和商业开发价值、经济意义较高的优质磷矿床80%以上集中在4个国家:中国、摩洛哥(西撒哈拉)、南非、美国。
因此,从全世界磷资源的地理分布、人口集中度、经济发展的程度及对磷资源的需求情况看,全世界磷资源具有一定的稀缺性。
磷矿石具有不可再生的特点。
磷矿资源成因年代久远,成矿条件极其复杂,因而磷矿的再生性几乎不可能。
磷矿资源一经开发利用,磷素随着各下游加工产品的消费领域分散到自然界中,不可再循环利用,因而磷资源又具有不可循环性。
由于磷资源的稀缺性和不可再生性,许多国家已经将磷矿资源列为战略资源。
我国国土资源部在2001年对我国45个矿种供应国民经济建设的保证程度进行了论证,其结果表明,磷矿是2010年以后不能保证需求的矿种之一,属保护性开发的矿产资源。
因此,如何根据国磷资源的特点进行合理加工利用,对于科学利用资源、提高资源利用效率、维持国磷化工行业的健康可持续发展,意义重大,也是本文探讨的问题所在。
1 我国磷矿资源的地质特征及分布情况我国磷矿主要是海相沉积磷块岩矿床,成矿年代主要为震旦纪和寒武纪,其次是泥盆纪。
开阳磷矿区和瓮福磷矿区为中震旦统海相沉积磷块岩矿床;胡集、和保康磷矿区为上震旦统海相沉积磷块岩矿床;滇池地区磷矿和马边磷矿区为下寒武统海相沉积磷块岩矿床:金河和清平磷矿区为上泥盆统海相沉积磷块岩矿床。
以上各矿区构成我国磷矿矿区的主体部分。
震旦纪和寒武纪海相沉积磷块岩矿床,矿体呈层状,其顶板和夹层以含磷白云岩居多,且含磷层与含磷白云岩层以不等、厚度相间、形成条带状或层纹状构造;磷矿物多为微—低碳氟磷灰石,多呈鲕状、假鲕状或凝胶状结构,其中夹裹有不等量的细散脉石矿物,主要也是碳酸盐矿物,不仅脉石矿物的物化性质与磷矿物相近,而且常需细磨方能单体解离。
书山有路勤为径,学海无涯苦作舟磷矿石工业类型磷矿石工业类型:G.1 划分磷矿石工业类型的主要目的,是为了尽快取得矿石工业评价的概念,并在此基础上合理布置选矿与加工试验工作。
G.2 磷矿石的可选性和加工利用,与含磷矿物及脉石矿物的种类及数量有关,前者是磷矿石工业类型主类划分依据,后者是亚类划分的依据。
G.3 据矿石中磷酸盐矿物的结构特点,我国磷矿床矿石类型目前可分为两大类:以隐晶质、显微晶质磷灰石为主的磷块岩矿和以显晶质磷灰石为主的磷灰岩矿和磷灰石矿。
除磷块岩富矿和某些中等品位磷矿可不需选矿直接加工利用外,所有类型的中低品位磷矿一般都需经选矿后加工利用才为合理。
对磷矿石新类型(如铝磷酸盐矿石)要加强选矿与加工:利用研究,在此基础上划分矿石工业类型。
G.4 磷矿石中主要脉石矿物包括硅质矿物、硅酸盐类矿物、碳酸盐类矿物。
根据其种类、含量以及选矿加工技术特征,将磷矿石划分为硅质及硅酸盐型、碳酸盐型、混合型三个亚类。
各亚类脉石矿物中碳酸盐类矿物含量(质量分数)分别为:硅质及硅酸盐型<30%,混合型30%~70%,碳酸盐型>70%。
G.5 磷块岩矿石(主要为碳酸盐型和部分混合型)在风化作用下产生碳酸盐成分的流失,磷矿物的相对富集,以及脉石矿物成分、矿石结构构造的变化,形成风化矿。
其矿石工业类型趋向于硅质及硅酸盐型,并改变了原矿石的选矿技术加工性质,应划分出风化型矿石亚类。
风化型矿石判别指标可采用2 P2O5 质量分数+A-I≥74%(A-I 为酸不溶物质量分数)、CO2 质量分数≤5.5%。
G.6 一般磷灰石矿和磷块岩矿的风化型矿石的选矿易于磷块岩矿,磷块岩中的硅质型矿石选矿易于硅酸盐型矿石和碳酸盐型矿石,后者又易于混合型矿石。
G.7 磷块岩矿石要在品级基础上再进行亚类的划分。
硅质或硅酸盐型富矿是磷肥生产最理想的原料,而中低品级的混合型矿石,很可能是热法磷肥的直接炉。
磷矿一、矿产名称:磷矿二、矿床类型及其分布1、矿床的成因类型:见表1。
2、矿床的工业类型:见表23、矿床的分布情况磷灰石矿床主要分布在北方。
主要分布在辽宁、河北、山西、陕西、山东、黑龙江等省。
福建、广东、广西、内蒙古也分布有少许储量。
沉积型磷块岩矿床主要分布在云南、贵州、四川、湖南、湖北。
五省储量占全国储量的85%以上。
在江苏、安徽、陕西也有此类矿床。
三、矿床的主要工业指标:见表3、4、5。
四、矿石性质(一)矿石的矿物成分1、磷块岩:(1)沉积型:碳氟磷灰石、方解石、白云石、石英、玉髓、黄铁矿。
(2)变质型:氟磷灰石、白云石、方解石、石英、软锰矿、硅酸盐。
2、磷灰岩磷灰石、磁铁矿、方解石、透辉石、黑云母。
(二)目的矿物的矿物特征磷灰石化学式为:Ca5(PO4)3(F、Cl、OH)。
无杂质者为无色透明,常见有浅绿、黄绿、褐红、浅紫色。
玻璃光泽,硬度5,密度3.18~3.21g/cm3,加热后发磷光。
六方晶系、晶体常呈六方柱状,集合体呈粒状,致密块状或结核状。
磷灰石中的磷酸根(PO4)3- 被碳酸根(CO3)2- 类质同象替代变为碳氟磷酸盐。
因此磷矿物可划分五个类型:氟磷灰石、微碳氟磷灰石、低碳氟磷灰石、碳氟磷灰石、高碳氟磷氟石。
物化性能见表6。
磷块岩中主要含磷矿物为碳氟磷灰石、磷矿高度分散,几乎不形成良好规则的结晶。
最主要的产状为“胶状”的非晶质集合体,俗称“胶磷矿”。
五、工艺特性及主要用途1、工艺特性中国磷矿有三大类型:岩浆岩型磷灰石,沉积岩型磷块岩,沉积变质岩型磷灰岩。
岩浆岩型磷灰石:贮量只占总贮量的7%,主要分布在北方。
其特点是磷品位低,一般小于10%,低者仅为2~3%。
由于结晶较粗、嵌布粒度较粗,属易选磷矿,选矿工艺简单,选矿指标较高。
还伴生有钒、钛、铁、钴等元素,可综合回收,因此这类矿石经济效益较好。
沉积变质岩型磷灰岩:其贮量占总贮量的23%,主要分布在江苏、安徽、湖北等省。
一般情况下,由于风化,矿石松散、含泥高,采用擦洗、脱泥工艺即可获得合格磷精矿,有时也加上浮选工艺。
云南安宁白泥山磷矿成因类型与成矿模式陈启良;何敏芳;郭健【摘要】白泥山磷矿属于独立风化矿床.磷矿体呈似层状面形赋存于第四系残坡积层的混杂层中,与原生下寒武统海相沉积型磷块岩矿床有着密切关系,但又相对独立,属于具有残坡积和淋滤次生双重特点的风化淋滤残积型矿床.在阐述地质背景和矿床地质特征的基础上,分析了矿床的成因类型、形成条件、成矿过程、成矿作用及机理,初步建立了该类型矿床的成矿模式.%Bainishan phosphate deposit is a independent weathered deposit.The phosphate ore bodies are bed-ded in shape and occur in the mixed layer of the Quaternary residual slope layer,It is closely related to the primary lower Cambrian marine sedimentary type phosphate rock deposit,but relatively independent,be-longs to weathering leaching residual deposit with the dual characteristics of residual slope type and seconda-ry leaching type.Based on the description of the geological background and geological characteristics of de-posit,the genetic types,formation conditions,mineralization process,mineralization and mechanism of the deposit are analyzed,the metallogenic model of this type deposit has been preliminarily established.【期刊名称】《矿产与地质》【年(卷),期】2017(031)006【总页数】8页(P1113-1120)【关键词】白泥山磷矿;风化淋滤残积型矿床;成因类型;成矿模式;云南【作者】陈启良;何敏芳;郭健【作者单位】云南省有色地质局地质地球物理化学勘查院,云南昆明 650216;云南省有色地质局地质地球物理化学勘查院,云南昆明 650216;安宁泰昇经贸有限责任公司,云南安宁 650304【正文语种】中文【中图分类】P611.2+1;P619.21+30 引言白泥山磷矿位于安宁市240°方向平距约17km处。
中国重要沉积型和火山岩型磷矿资源开采技术比较与选择中国是世界上磷矿资源最为丰富的国家之一,主要包括重要沉积型磷矿和火山岩型磷矿两大类。
这两种类型的磷矿资源在开采技术方面有一定的差异,本文将对它们的比较与选择进行探讨。
重要沉积型磷矿是指形成于古生代海相沉积环境中的磷矿床,主要分布在中国西南地区。
而火山岩型磷矿则是指形成于火山岩中的磷矿床,分布较广泛,主要集中在中国西南、中南和东北地区。
首先,从地质特点来看,重要沉积型磷矿主要分布于古生代海相沉积盆地中,形成过程较为稳定,矿床较为规模化,磷矿资源丰富度较高。
火山岩型磷矿则形成于火山作用过程中,地质构造复杂多变,矿床分布较散乱,且磷矿资源丰富度较低。
其次,从矿石性质来看,重要沉积型磷矿一般呈层状产出,矿石较为纯净,矿石粒度较细。
火山岩型磷矿则矿体呈点状或脉状产出,矿石与尾矿杂质含量较高,矿石粒度较粗。
再次,从开采技术来看,重要沉积型磷矿主要使用露天开采和地下开采两种方法。
露天开采是指通过开挖露天矿坑的方式进行矿石的采集,适用于矿体较浅的情况。
地下开采则是指通过开挖地下巷道和采场的方式进行矿石的采集,适用于矿体较深的情况。
火山岩型磷矿开采难度较大,一般采用地面切割法或深孔爆破法进行,同时还需要进行破碎、磨矿等后续处理。
最后,从环境影响来看,重要沉积型磷矿开采过程中,由于采用露天开采和地下开采方式,对生态环境影响较大,需要采取一系列的环境治理措施。
火山岩型磷矿开采对环境的影响相对较小,但由于粉尘和废弃物的产生,也需要采取相应的治理措施。
综上所述,重要沉积型磷矿和火山岩型磷矿在地质特点、矿石性质、开采技术和环境影响等方面都存在一定的差异。
选择何种开采技术主要取决于矿体的地质特点、矿石的性质、开采难度以及环境影响等因素的综合考虑。
同时,需要注意在开采过程中加强环境保护,减少对生态环境的影响。
在选择磷矿资源的开采技术时,需要综合考虑多个因素,包括地质条件、矿石性质、开采难度、投资成本以及环境影响等。
磷矿-详解目录• 1 什么是磷矿[1]• 2 我国磷矿的类型[2]• 3 我国磷矿资源的分布及特点[3]• 4 参考文献什么是磷矿[1]磷矿是指经济上能被利用的磷酸盐类矿物的总称,是一种重要的化工矿物原料。
我国磷矿的类型[2]我国的磷矿资源储量非常丰富,总量约为500亿吨,已经探明的储量达157亿吨,而我国磷矿矿床的成因大体上与国外相似,可以分为沉积磷块岩型、内生磷灰石型、鸟粪型和沉积变质磷灰岩型等。
根据储量可以看出,主要是沉积磷块岩型矿床,其次为内生磷灰石型矿床,而鸟粪等类型的矿床储量相对较少。
(1)沉积磷块岩型矿床世界上的最大磷矿矿床的组成都是沉积磷块岩,这种类型的矿床都具有储量大、矿层厚、品位高、层位稳定、分布广泛、成磷矿的年代多的特点。
我国该类磷矿石资源量约占磷矿总量的80%,云南、贵州、湖北、四川、湖南五省又占这类资源量的93%,沉积磷块岩型矿床是我国主要的磷矿矿床,储藏量大,主要是以胶磷矿的形式存在,造成除部分富磷矿(P205_>30%)外选矿的技术手段复杂,开采加工利用的难度大。
而这种类型的磷矿资源是我国磷矿资源的主要组成成分,也会成为我国磷矿资源加工利用的重点。
目前我国主要是利用了I品级以上的磷矿资源,特点主要是:磷灰石呈隐晶、微晶质或均质胶体状分布,嵌布粒度细,磷矿石的聚集体多为假鲕粒、鲕粒结构;在鲕粒结构之间,甚至在鲕粒结构的内部常常会混入一定数量的硅质、碳酸盐等泥质矿物。
选矿时一般磨至320目以后,80%.90%的矿石才能单体解离。
磨矿粒度较细会增加矿物表面能,导致不同矿物之间的可浮性差别减小,因此给浮选分离带来了较大的困难。
(2)内生磷灰石型矿床我国的内生磷灰石型矿床无论是在储量规模上,还是在矿床数量上都远不如磷块岩型矿床,但由于这种类型的磷矿矿床具有综合加工利用价值较高、易选等优点,因此成为磷的重要来源之一,在一些缺磷、少磷的地区显得尤为重要。
内生磷灰石型矿床主要分布在属于华北地台范围的河北、山西、山东、陕西、辽宁等省份。
浅析中国沉积磷矿床分布特征及资源潜力【摘要】我国国土面积较大,各类天然矿产资源丰富,磷矿就是其中之一。
随着磷矿矿产的广泛开采与应用,再加上该矿产属于不可再生资源,使其矿床分布特点及其资源潜力也越来越受关注,本文主要介绍了我国11种沉积磷矿的分布及其潜力分析,以期为各相关人士提供参考。
【关键词】沉积磷矿;分布特征;资源潜力前言我国磷矿资源丰富,但是地理分布缺乏均衡,滇、川、黔湘等几个南方地区的磷矿资源占全国的74%,使得北方磷矿紧缺的问题越来越凸显。
考虑到我国磷矿成矿的完整性和连续性,文章将沉积变质磷矿也一并纳入沉积磷矿资源来进行研究,对我国11种不同类型的磷矿分布特征进行分析,全面了解我国沉积磷矿的特点,有助于该类矿产资源的潜力评价。
一、我国11种沉积磷矿的分布特征(一)含碘磷矿这种磷矿的主要特征为富含了大量的、质优的碘,其分布地区以贵州省的瓮安、开阳、丹寨以及福泉等地为主,且主要储存于震旦系陡山沱组的含磷岩系,其中主要包括了灰绿色、泥质的石英砂岩以及白云质的石英砂岩;由磷块岩以及石磷块岩、叠层石等组成。
(二)荆襄磷矿这种类型的磷矿主要集中于鄂西分聚磷区,其分布地区以房县、襄阳、神农架、保康、荆门、兴山、远安、秭归、谷城、随州以及襄樊等为主。
荆襄磷矿(图1)磷岩的矿层分为三个,其中第3层仅分布在荆襄的个别磷矿矿段,这一层磷矿本身由原生沉积所构造,其矿体厚度一般2至10米,磷块岩中P2O5的平均质量分数最高约达25.2%。
图1:荆襄磷矿(三)昆阳磷矿这种类型的磷矿主要分布于滇东、川西地区,根据地域分布以及磷矿产出的特征来分,可分作滇东北、会泽、寻甸、滇池、抚仙湖、滇东南、马边、雷波等矿集区。
这些成矿区的矿床和产出特征均存在一定的差异。
昆阳式的磷矿组成部分未磷块岩与白云岩,厚度一般为20.16米,磷块岩的厚度约为10米[1]。
(四)铀锰磷矿铀锰磷矿的主要分布地区是陕西金家河、天台山、茶店、甘肃文县、宁强宽川、等地。
中国磷矿资源地质特征一、矿床时空分布及成矿规律1. 沉积磷块岩的主要成矿规律震旦纪—寒武纪是中国海相沉积磷块岩矿床的主要成矿时期。
震旦纪陡山沱组与灯影组沉积磷块岩分布在扬子地区的贵州、湖北、湖南,即扬子成磷区的湘黔成矿带、陕鄂成矿带、浙桂成矿带。
时限为800±50~615±20 Ma。
扬子地台区的陡山沱组为中国最大磷酸盐沉积层,其上灯影组磷酸盐化岩层虽在很多地区有所发现,但构成有经济价值的磷酸盐矿床,则主要见于湖北南漳邓家崖。
中国寒武纪地层发育完整,早寒武世每次海进地层底部都沉积了磷酸盐层,其中梅树村组赋存的大规模磷块岩矿床是继陡山沱组磷块岩沉积之后中国第二大型磷酸盐沉积层。
有重大经济价值的磷块岩矿床主要集中于上扬子成磷带的云南、四川与陕西,地理上构成近南北向的带状分布。
2.变质磷矿床成矿规律丰宁式磷矿床为太古宙矿床,主要分布在中朝地块的太古宙陆核区,即华北陆核、辽宁吉林南部—朝鲜北部陆核、山东陆核等。
其中中朝地块北部内蒙古地轴中段与东段构成两个成矿带,山东半岛为一成矿带。
鸡西式磷矿床为元古宙早期矿床,主要分布于微型古陆及古板块边缘地槽型建造中。
海州式磷矿床为古元古代晚期矿床,主要分布于中朝地块东缘含碳、锰岩系及与镁质碳酸岩型建造中,在吉南—辽东、苏北、皖东北构成3个重要工业意义的成矿带。
白家山式磷矿床主要分布于中朝地块内部滹沱—中条古海槽区,在鄂尔多斯与华北陆核之间构成一个成矿区。
布龙土式磷矿床主要分布于中朝地块北缘(五泰信息咨询)(市场调研报告)(市场调研报告)( )。
3.内生磷灰石矿床主要成矿规律内生磷灰石矿床主要与幔源岩浆活动密切相关,含矿母岩一般为幔源岩浆岩岩体。
如超基性碱性碳酸岩杂岩体、含钒、钛、铁基性杂岩体等。
此类岩浆岩体一般磷较高。
由于地幔物质的选择性熔融,使磷质在幔源岩浆中富集,尔后地辟上升侵入地壳,这是形成磷灰石矿床的基本条件之一。
含磷的幔源岩浆在地台或地盾地区上升到稳定的地壳内,有可能充分地进行岩浆分异作用而形成大型的岩浆杂岩体,这是工业磷灰石矿床产出的重要因素。
中国沉积磷矿床分布特征及资源潜力夏学惠1袁俊宏2杜家海2 东野脉兴1(1中化地质矿山总局地质研究院,河北涿州,072754;2中国化学矿业协会,北京,100107)题要中国沉积磷矿床主要分布在扬子地块东南缘与西缘,华北地块南缘和西缘。
沉积磷矿主要赋存在震旦系陡山陀组、下寒武统梅树村阶、古元古界上部滹沱群和古元古界顶部榆树砬子组等含磷岩系中。
根据成矿条件,矿石组合特征划分为开阳式、荆襄式、昆阳式、什邡式等11个类型。
通过含磷岩系分布,成矿规律的综合分析,划分出28个聚磷区,对有远景的聚磷区进行了资源潜力评价。
关键词沉积磷矿,成矿类型,资源分布,找矿潜力中图分类号:P619.213︰P612 文献标识码:A中国磷矿资源地理分布不均衡,主要分布于滇、黔、鄂、川、湘等南方五省,占全国累计探明资源储量的74%,北方地区分布较少,造成了我国南磷北运的局面。
考虑到中国沉积磷矿成矿作用的连续与完整性,本文将沉积变质型磷矿并入沉积磷矿中一起讨论,通过对中国沉积与沉积变质型磷矿不同成矿区带、不同成因类型磷矿特征的综合研究,达到全面了解中国沉积磷矿特征的基础上,对其资源潜力及成磷区进行远景评价。
1沉积磷矿成矿背景及分布1.1成矿地质背景中国沉积磷矿床都出现在构造活动相对稳定的地台区域,特别是其边缘地带。
沉积磷矿床主要产出在扬子地块东南缘与西缘,华北地块南缘和西缘。
震旦系陡山陀组沉积磷矿床主要分布在扬子地块东南缘,下寒武统梅树村阶沉积磷矿主要分布在扬子地块西北缘,在华北地块南部边缘、秦岭褶皱系边缘地区沉积有下寒武统低品位沉积型磷矿,塔里木地块北缘沉积的含磷层位及低品位磷矿相当于寒武系梅树村阶,天山褶皱系的含磷层位相当于寒武系筇竹寺阶。
沉积变质磷矿主要指分布于北方的古元古代沉积变质岩中的磷矿床。
中国前寒武纪变质磷矿主要分布在中南地区的东北部,华东地区东部,华北、东北地区北部,即华北地块东南缘与华北地块东北缘。
变质磷矿床由于矿石可选性较好,因此该类磷矿是我国,特别是北方缺磷省区较为重要的磷矿资源。
磷矿是指在经济上能被利用的磷酸盐类矿物的总称,是一种重要的化工矿物原料。
根据矿床的成因,磷矿床可以分为三大类型:沉积磷块岩矿床、内生磷灰石型矿床和鸟粪型磷块岩矿床。
其中,沉积磷块岩矿床是我国磷矿的主要类型,占总查明资源储量的75.5%。
1. 沉积磷块岩矿床
沉积磷块岩矿床是指由外生作用形成的、由隐晶质或显微隐晶质磷灰石及其他脉石矿物组成的堆积体。
这类矿床具有储量大、分布广的特点,主要集中在四川、云南、贵州、湖北和湖南等省。
其中,四川的绵竹市是我国最大的磷矿基地之一,也是世界四大磷矿之一。
2. 内生磷灰石型矿床
内生磷灰石型矿床是指由内生作用形成的磷灰石矿床,这类矿床的成因与岩浆活动有关。
这类矿床的规模较小,但品位较高,主要有用矿物是胶磷矿,其次是少量的细晶或微晶质磷灰石。
这类矿床在我国四川、云南、贵州等地也有分布。
3. 鸟粪型磷块岩矿床
鸟粪型磷块岩矿床是指由鸟粪作用形成的磷块岩矿床,这类矿床在我国云南、贵州等地也有分布。
总的来说,我国磷矿资源丰富,种类多样,但品位较低,且开采成本较高。
因此,需要加强勘查和研发工作,提高磷矿资源的利用率和开采效率,为我国化工行业的发展提供更加可靠的保障。
浅析我国磷矿的选矿方法【摘要】近年来,随着我国科学经济的迅速发展,磷矿选矿技术也在不断提高。
文章主要对我国磷矿石床的分类进行阐述,综述了不同类型磷矿石的选矿方法。
【关键词】磷矿石;选矿技术;处理工艺1.磷矿床的分类我国磷矿有三大类型:岩浆岩型磷灰石,沉积岩型磷块岩,沉积变质岩型磷灰岩。
岩浆岩型磷灰石的储量只占总储量的百分之七,主要分布在北方。
其特点是磷品位低,一般小于百分之十,低者仅为百分之二到百分之三。
由于结晶较粗、嵌布粒度较粗,属易选磷矿,选矿工艺简单,选矿指标较高。
还伴生有钒、钛、铁、钴等元素,可综合回收,因此这类矿石经济效益较好。
沉积变质岩型磷灰岩储量占总储量的百分之二十三,主要分布在滇南地区等省。
一般情况下,由于风化,矿石松散、含泥高,采用擦洗、脱泥工艺即可获得合格磷精矿,有时也加上浮选工艺。
云南滇池地区有许多矿山均采用此工艺,生产成本较低。
此类矿是工业价值最大的磷矿。
沉积岩型磷块岩是世界各国中的主要类型,我国此类型矿石储量占总储量的百分之七十,此类矿选矿难度大。
2.磷矿石的处理工艺2.1浮选长期以来,主要采用浮选工艺富集磷矿。
在磷灰石的浮选过程中,人们已经探索出许多种浮选方案,如正浮选、双反浮选、正-反浮选、反-正、优先浮选和阶段磨矿、阶段浮选等。
2.1.1正浮选(直接浮选)工艺流程所谓正浮选就是抑制脉石矿物,将磷矿物富集于泡沫中。
这种工艺适用于回收岩浆型磷灰岩中磷矿石,由于其中磷矿物结晶完整、粗大,利用其脉石矿物表面性的差异,用脂肪酸类捕收剂分选细粒嵌布的沉积型硅-钙质磷块,岩矿中的磷矿物,用S-BOS作碳酸盐矿物的抑制剂,从而加大磷矿物与脉石矿物表面可浮性差异,用脂肪酸类捕收剂回收磷矿物。
杨稳权等人,采用碳酸钠作调整剂,对云南胶磷矿进行了加与不加碳酸钠对比试验,结果表明,在相同的刮泡时间内,加碳酸钠浮选流程的精矿产率为百分之八十一点零四,累积回收率为百分之九十点九七,而不加碳酸钠的两次纯水玻璃浮选工艺流程试硷的精矿产率分别为百分之七十点四九和百分之七十四点二八、累积回收率分别百分之八十点零七和百分之七十四点八五,说明碳酸钠在胶磷矿正浮选中的活化作用非常明显。
2021年第40卷第1期76-82页云南地质CN53-1041/P ISSN1004-1885云南镇雄县羊场磷矿地质特征及沉积环境浅析吕俊1,让昊1,郭卩阳,龙海1(1.云南地矿国际矿业股份有限公司,云南昆明650051;2.中国地质调查局成都地质调查中心,四川成都610081)摘要:云南镇雄县羊场磷矿为隐伏矿赋存于寒武系下统梅树村组(.皿)中。
矿石工业类型简单,以碳酸盐型为主,次为硅质及硅酸盐型。
整个矿区位于扬子陆块南部碳酸盐台地,织金聚磷盆地北西段之次级坳陷盆地内,属浅水水棚-潮坪环境下海相沉积型中磷矿床。
关键词:地质特征;沉积型矿床;云南镇雄羊场中图分类号:P619.21+3文献标识码:A文章编号:1004-1885(2021)1-76-7近年来的公益性矿产地质灰查,在云南镇雄县碗厂镇羊场境内发现了隐伏超大型磷矿,控制磷矿层分布范围12km2,圈定3条磷矿体,其中主矿体平均厚度28.27m,P2O5平均品位25.143%,矿石质量较好,为中-富磷矿,估算资资量12.26x10%,其中一级品3.21X108t,P2O5平均品位30.123%。
1成矿地质背景羊场磷矿位于滇东北镇雄县碗厂镇境内,矿区大地构造位置处于扬子陆块南部碳酸盐台地中之威宁-昭通褶-冲带(四级构造单元)中,区内多发育北北东向和北东向褶皱。
羊场磷矿位于近东西向的羊场背斜中,该背斜为区内主体构造,控制着磷矿层的展布。
通过对滇东北地区早寒武世梅树村期岩相古地理及成磷条件研究,认为镇雄羊场地区与康滇古陆东缘华宁、东川、雷波、织金聚磷盆地具有相似的成矿背景,为台地边缘织金聚磷盆地的北西段次级坳陷地,同属浅水陆棚-潮坪环境,具备磷矿成矿条件叫2矿区地质特征2.1地层矿区位于近东西向的羊场背斜内(图1),据1:20万镇雄幅区域地质灰查成果,矿区出露地层从老至新依次为寒武系下统牛蹄塘组(5n)、明心寺组(J m)、金顶山组(J j)、清虚洞组(引护),寒武系中统高台组(之)和寒武系中-上统娄山关组(jQ。
磷矿特点磷矿是指在经济上能被利用的磷酸盐类矿物的总称,是一种重要的化工矿物原料。
用它可以制取磷肥,也可以用来制造黄磷、磷酸、磷化物及其他磷酸盐类,以用于医药、食品、火柴、染料、制糖、陶瓷、国防等工业部门。
磷矿在工业上的应用已有一百多年的历史。
一、矿物原料特点磷矿石按其成因不同,可分为磷灰石和磷块岩。
磷灰石是指磷以晶质磷灰石形式出现在岩浆岩和变质岩中的磷矿石。
磷块岩系指由外生作用形成、由隐晶质或显微隐晶质磷灰石及其他脉石矿组成的堆积体。
自然界中已知的含磷矿物大约有120多种,分布广泛。
但是按其质和量都能达到可以开采利用的含磷矿物则不过几种。
在工业上作为提取磷的主要含磷矿物是磷灰石,其次有硫磷铝锶石、鸟粪石和蓝铁石等。
自然界中磷元素约有95%集中在磷灰石中。
(一) 磷灰石类矿物磷灰石[Ca5(OP4)3(F,Cl,OH)]的主要化学成分是磷酸钙,其中还含有氟、氯等元素。
磷灰石晶体呈六方柱状,集合体呈粒状、致密块状、土状和结核状等。
无杂质者为透明,常见的浅绿、黄绿、褐红、浅紫色。
玻璃或油脂光泽。
比重3.18~3.21 g/cm3。
硬度5。
加热后发绿光。
自然界中最常见的、能够组成矿床的有以下5类:氟磷灰石、氯磷灰石、碳磷灰石、羟磷灰石、碳氟磷灰石。
(二) 其他含磷矿物磷锶铝石:标准磷锶铝石的理论化学式为SrAl3 (PO4)2(OH)5²H2O,化学成分P2O5 30.77%,SrO 22.45%,Al2O3 33.12%。
磷锶铝石相当坚硬,小刀不能刻划。
比重3.11。
由于P2O5含量高,因此除可作为磷矿利用外,同时含大量的锶和稀土元素,可综合利用。
四川什邡磷矿中的硫磷铝锶矿层是一种含硫和钙的变种。
蓝铁矿:属水的磷酸盐,化学式为Fe3(PO4)2²8H2O,主要成分:P2O5 28.30%,FeO 43.0%,H2O 28.7%。
通常呈柱状,有时扁平,有时呈圆球状、片状、放射状、纤维状、土状等。
书山有路勤为径,学海无涯苦作舟
磷矿床的工业类型和赋存特点
湖北宜昌、神农架和保康一带的磷矿属沉积型磷块岩,呈隐晶质块
体,假鲕粒状集合体,即胶磷矿,属难选矿石。
矿床:分三个成矿层位,其
中下层为具工业价值的矿层。
下矿层又分为三个矿层,即上、下贫矿层和中
富矿层,形成两贫夹一富的矿层结构。
上贫矿层(Ph13-3)由白云岩条带磷块
岩组成,平均品位18.01%,为碳酸盐型矿石。
中层矿层(Ph13-2)由致密条带磷
块岩组成,平均品位32.79%。
下贫矿层(Ph13-1)矿石由泥质条带磷块岩组
成,平均品位15.16%,属硅酸盐型矿石。
整个Ph13 矿层属混合型矿石。
区
内富矿少,大量存在的是贫矿石。
以下列出宜昌和保康两矿点的原矿化学组
成(表1)。
表1原矿化学组成分析结果
项目P2O5 CaO
MgO CO2 烧失量酸不溶物
R2O3 F SO4-2 S SiO2
宜昌19.25 39.98 10.85 22.83 22.70 4.50 1.63 0.56
0.70 0.35 / 保康
21.80 38.14 4.92 12.41 12.18 / 3.73 1.82 /
/ 13.32
tips:感谢大家的阅读,本文由我司收集整编。
仅供参阅!。