最新监理内业资料检查表
- 格式:doc
- 大小:135.50 KB
- 文档页数:9
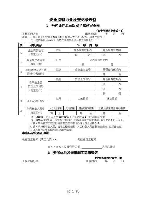
安全监理内业检查记录表格1 各种证件及三级安全教育审查表(安全监理内业表式-1)工程项目名称:填表时间:年月日说明:1、第4项专职安全员数量应按工程项目大小进行配备,具体规定如下:①建筑面积10000m2以下的工地应至少设一名专职安全员;③ 50000m2(含)以上的大型工地应按不同专业组成安全管理组,至少配备3名及以上。
2、第5项为查本工程项目是否在工程所在地办理了安全监督手续。
3、第6项特种作业人员,随着工程的进展,其工种及人员数量可能增加,应跟踪检查。
4、本表作为安全监理内业资料存档备查。
审查结论或存在问题:总监理工程师(项目负责人):专业监理工程师:××××××监理有限公司项目监理组2 安保体系及规章制度等审查表(安全监理内业表式-2)工程项目名称:填表时间:年月日说明:1、第一项各种安全生产管理制度有或没有可直接在本栏内打“√”或“×”进行标注。
2、施工单位应根据省厅发布的《建筑安装工程安全技术操作规程》,制定本工程所需的安全技术操作规程。
工程上若使用了新材料、新技术、新工艺时,应制定相应的安全操作规程。
根据检查情况,可在相应栏中打“√”标注。
3、项目部应制定完备的安全生产保证体系,如安全生产领导小组、安全生产组织机构、进行标注。
4、对审查中发现的问题应及时下达《监理工程师通知书》要求整改或完善。
5、本表作为安全监理内业资料存档备查。
审查结论或存在问题:总监理工程师(项目负责人):专业监理工程师:××××××监理有限公司项目监理组3 施工组织设计审核表(安全监理内业表式-3)工程项目名称:说明:1、本表仅从安全角度对施工组织设计进行审核,对其安全内容的审核主要包括以下方面:①主要分部分项工程安全技术措施(如土方开挖、人工挖孔桩、模板及其支撑系统等);②脚手架搭、拆及使用安全技术措施;③高处作业防坠落及物体打击安全技术措施;④塔吊、外用电梯、井架(龙门架)等垂直运输设备的安、拆及使用安全技术措施;⑤各种施工机具使用安全技术措施;⑥楼梯口、电梯井口、预留洞口、通道口和临边的安全防护措施;⑦现场防触电及防火、防毒、防爆、防雷等安全技术措施;⑧在建工程与周围人行通道及民房的防护隔离安全措施;⑨冬、雨期施工安全技术措施;⑩施工总平面图布置的合理性、安全性;2、上述安全措施必须符合强制性条文的要求,并应满足安全生产的需要。
工程项目监理内业资料检查用表工程名称:
项目监理机构:总监/项目负责人:检查日期:编号:
附件二监理单位质量安全行为检查表
工程名称_______________施工进度______________监理单位名称_________________________________
检查人(签名)_____________检查日期:年月日
注:1、本行为检查表仅限监理人在“上海白龙港城市污水处理厂扩建二期工程土建部分施工监理”过程中运用和执行。
2、监理人同意在本监理合同的合同期内或合同终止后,严格遵守和执行《中华人民共和国著作权法》有关规定;若有违法,委托人将根据《中华人民共和国著作权法》的有关规定向监理人追究法律责任。
5S检查表(现场使用)
5S检查表(仓库使用)。
监理资料检查表监理资料检查表方案类:1.防渗漏施工专项方案(包括对渗漏点的整改方案)2. 防空鼓开裂施工专项方案(包括对空鼓、开裂的整改方案);3.门窗安装及窗边塞缝专项施工方案4.外墙内(外)保温施工专项方案5.屋面(防水)施工专项方案6.地下室施工缝及后浇带施工专项方案7.砌筑工程施工专项方案8.成品烟道安装施工专项方案9.螺杆洞封堵施工专项方案10.成品保护专项施工方案11.各种穿板、墙管洞防渗漏处理专项方案12.规划、细则资质审查类:1.防水专业分包单位2.门窗专业分包单位3.外墙内(外)保温专业分包单位4.塔吊及井架、人货电梯专业分包单位5.精装修项目进场资料材料审查类:1.进场材料台帐(钢材、商品混凝土、水电管材)2.精装修项目的材料(石材放射性、材料甲醛含量)复试报告3.玻璃、电器等材料的国家强制性认证资料(3C认证)4.成品烟道进场资料5.铝合金门窗三性试验6.防水、保温材料送检7.砌块送检日常工作记录类:1.监理日记2.监理旁站记录(砼浇筑、土方开挖、防水施工等重要工序)3.监理通知单及回复4.建筑物沉降观测资料5.砂浆配合比抽查记录6.厨卫间、阳(露)台、屋面盛水试验记录及整改跟进情况记录(含穿楼层管道周边吊模)7.外墙门窗喷淋试验及整改跟进情况目录8.大雨后渗漏检查记录及整改跟进情况记录9.窗边塞缝隐蔽验收记录(含影像)10.实测实量11.机械设备检查记录12.定期及不定期的安全检查记录及整改记录13.仪器检测报告14.。
工程项目监理内业资料检查用表
工程名称:
项目监理机构:总监/项目负责人:检查日期:编号:
1
2
3
4
5
6
化学反应速率7
1.概念
化学反应速率是描述的物理量。
化学反应速率可以用来表示。
2.计算公式单位:
3.注意的几个问题
①同一反应,用不同物质表示化学反应速率时,数值,但意义,故在应用时应指明。
用不同物质表示同一化学反应的速率时,其数值之比等于。
对于任意一个化学反应aA + bB c C + d D,其化学反应速率也可定义为
υ = υ(A)=υ(B)=υ(C)=υ(D)
②反应速率是指某一时间间隔内的速率,而不是某一时刻的速率;
③化学反应速率是标量,无论是反应物还是生成物,其速率值都取正值,不取负值。
例题1、(1)将4 mol A气体和2 mol B气体在2 L的容器中混合,并在一定条件下发生如下反应:2A(g)+B(g)2C(g),若经2 s后测得C的浓度为0.6 mol·L -1,判断下列几种说法的正误:
①用物质A表示反应的平均速率为0.3 mol·L-1·s-1( )
②用物质B表示反应的平均速率为0.6mol·L-1·s-1( )
(2)若①②中用A、B表示反应的平均速率分别为0.3 mol·L-1·s-1、0.6 mol·L-1·s-1,则用(填“A”或“B”)物质表示的化学反应速率更快。
【思考】通过数据比较反应速率大小时,应注意哪些问题?
8
9
练习
1.反应4CO(g)+2NO 2(g)
N 2(g)+4CO 2(g)开始进行时,CO 的浓度为4 mol·L -1,N 2的浓度为0,2 min 后测得N 2的浓度为0.6 mol·L -
1,则此段时间
内,下列反应速率表示正确的是( )。
A .v (CO)=1.2 mol·(L·s)-
1 B .v (NO 2)=0.3 mol·(L·min)-
1 C .v (N 2)=0.6 mol·(L·min)-
1 D .v (CO 2)=1.
2 mol·(L·min)-
1 2.对于反应N 2(g)+3H 2O(g)
2NH 3(g)+3
2
O 2(g),在不同时间段内所测反应速率见选项,则表示该化学反应进行最快的是( )。
A .v (NH 3)=1.5 mol·(L·min)-1
B .v (N 2)=1.2 mol·(L·min)-
1 C .v (H 2O)=1.67 mol·(L·min)-
1 D .v (O 2)=1.5 mol·(L·min)-
1。