电机正反转加星三角降压启动PLC控制梯形图
- 格式:docx
- 大小:23.98 KB
- 文档页数:3
广东第二师范学院学生实验报告
院(系)名称物理与信息工程系班别姓名
专业名称电子信息工程学号
实验课程名称电气控制与PLC运用
实验项目名称PLC控制电动机星型——三角形启动
实验时间实验地
点
实验成绩指导老师签
名
一、实验原理
1.电路组成
主电路:KM1主触头是一直接入到电路,通过KM2,KM3主触头调换相序实现电机星形启动和三角形运行。
控制电路:通过PLC控制接触器线圈得电失电进而控制主电路完成控制要求
图1 星形——三角形降压启动控制主线路
1.2保护方式
1)由熔断器FU,FU2分别实现对主电路和控制电路的短路保护;
2)由热继电器FR实现对电动机的过载保护:当电动机出现长期过载而使热继电器FR 动作时,其在控制电路中的常闭触点FR断升,使KM线圈断电,电动机停转,实现对电动机的过载保护;
3)自锁控制的欠压与失压保护:当电源电压由于某种原因欠压或失压时,接触器电磁吸力急剧下降或消失,衔铁释放,KM的常开触点断开,电动机停转;而当电源电压恢复正常时,电动机不会自行启动,避免事故发生。
1.3工作原理
二、连线主电路
PLC控制电路
梯形图
图2 电动机的接线。
plc梯形图转换:星三角启动电机作者:佚名文章来源:本站原创点击数:2426 更新时间:2011-07-17ANI:“与非”操作指令,串联一个常闭触点。
OR:“或”操作指令,表示并联一个常开触点。
ORI:“或非”操作指令,表示并联一个常闭触点。
ANB:块“与”操作指令,用于两个或两个以上触点并联在一起的回路块的串联操作。
MRD:读栈指令。
PLC没有断电延时型定时器,只有通电延时型定时器。
本梯形图的工作原理:当外接启动按钮SB2按下,驱动第一梯级X000的常开接点闭合,通过串接其后的X001、T1、T0、Y002的常闭接点,接通输出继电器,由于Y000线圈的闭合,促使第一梯级第一支路中的并联常开触点闭合形成Y000线圈自保,至使Y000驱动的接触器KM3闭合将电动机绕组接成星形。
在这同时,第二梯级中的左母线一侧的常开触点Y000闭合,通过串接其后的X001、Y003的常闭接点接通了输出继电器Y001和另一支路经Y002常闭接点相串的定时器线圈T0(K值为40)。
由于Y001线圈的闭合使与本支路相并的母线一侧Y001闭合形成了Y001线圈自保。
由于Y001线圈的闭合,接于Y001后的外部接触器KM1闭合,电动机处于星接启动状态。
在Y001闭合的同时定时器T0也已开始计时,4S后定时器T0常闭接点,在第一梯级中切断了输出继电器Y000线圈,解除了星接。
而在这同时,第三梯级中左母线一侧的T0 常开接点闭合,通过串接其后的X001、Y000的常闭接点,接通了输出继电器Y002。
由于Y002的接通,并接于左母线一侧的Y002闭合,使Y002线圈形成自保。
Y002线圈后所接的接触器KM2接通,完成了星角转换,使电动机进入了角接状态。
第一梯级中与第三梯级中所串接的Y002和Y001常闭接点实质是星与角的互锁。
停止按外接停止按钮SB1,从梯形图中可以看出由SB1驱动的第一梯级、第二梯级和第三梯级均串接了X001的常闭触点,其目的是让电动机在任一运行状态,均能可靠停止。
试题名称:用PLC改造三相异步电动机星三角降压
启动
三相异步电动机星三角降压启动控制线路
要求:
1、用PLC控制上图1所示的电路,要求增加电源指示、启动指示及运行指示功能。
2、电路设计:完成PLC控制I/O口分配;PLC控制I/O接线图;设计梯形图;并且根据梯形图列出指令表。
3、安装与接线:按PLC控制I/O接线图,元件安装要准确,紧固,配线导线要平直、美观。
4、程序输入及调试:熟练操作PLC键,能正确的将所编程序输入PLC;按照被控设备的动作要求进行模拟调试,达到设计要求。
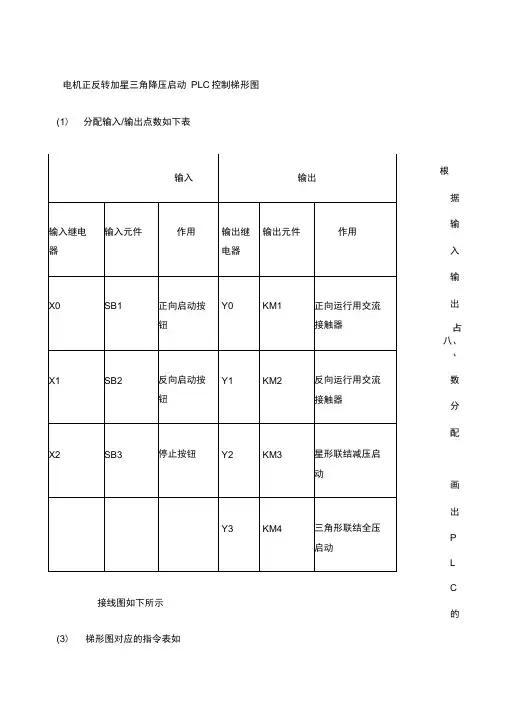
1、完成PLC控制I/O口分配。
输入设置输出设置
功能名称符号地址分配功能名称符号地址分配启动按钮SB2 X000 接触器KM KM Y000
停止按钮SB1 X001 接触器KMY KMY Y001
热继电器KH X002 接触器KM KM Y002
电源指示L1 Y004
启动指示L2 Y005
运行指示L3 Y006
2、 PLC控制I/O接线图。
3、设计梯形图。
4、根据梯形图列出指令表。
S7-200P L C实现星三角降压启动(共7页)--本页仅作为文档封面,使用时请直接删除即可----内页可以根据需求调整合适字体及大小--星三角降压启动的继电器电路图与控制图根据工艺要求进行PLC电路图设计。
PLC电路图设计如下:?根据星三角启动电路图画出流程框架图如下?PLC软元件地址分配如下:I区(输入区)启动按钮SB2停止按钮SB1电源断路器QFQ区主电路接触器 KM1星型启动接触器 KM2三角形接触器 KM3T区T37 10秒定时器根据电路图,流程图和分配好的软元件地址进行编程。
程序参考图如下:控制线路星形——三角形( Y —△)降压起动是指电动机起动时,把定子绕组接成星形,以降低起动电压,减小起动电流;待电动机起动后,再把定子绕组改接成三角形,使电动机全压运行。
Y —△起动只能用于正常运行时为△形接法的电动机。
1.按钮、接触器控制 Y —△降压起动控制线路图( a )为按钮、接触器控制 Y —△降压起动控制线路。
线路的工作原理为:按下起动按钮 SB1 , KM1 、 KM2 得电吸合, KM1 自锁,电动机星形起动,待电动机转速接近额定转速时,按下 SB2 , KM2 断电、 KM3 得电并自锁,电动机转换成三角形全压运行。
2.时间继电器控制 Y —△降压起动控制线路图( b )为时间继电器自动控制 Y —△降压起动控制线路,电路的工作原理为:按下起动按钮 SB1 , KM1 、 KM2 得电吸合,电动机星形起动,同时 KT 也得电,经延时后时间继电器 KT 常闭触头打开,使得 KM2 断电,常开触头闭合,使得 KM3 得电闭合并自锁,电动机由星形切换成三角形正常运行。
(1)线路设计思想Y—△降压起动也称为星形—三角形降压起动,简称星三角降压起动。
这一线路的设计思想仍是按时间原则控制起动过程。
所不同的是,在起动时将电动机定子绕组接成星形,每相绕组承受的电压为电源的相电压(220V),减小了起动电流对电网的影响。