气体灭火系统子分部工程、分项工程划分
- 格式:xls
- 大小:13.00 KB
- 文档页数:1
地铁工程单位工程划分(第五版)为了加强杭州地铁工程施工质量管理与验收,本文根据相关标准和规范文件的规定,结合杭州地铁建设的实际情况,制定了本办法。
本办法适用于新建、改建或扩建城市轨道交通工程施工质量的验收。
除本办法外,杭州地铁工程的单位工程、分部工程和分项工程的划分还应符合国家、行业等现行有关标准、规范等的规定。
本文给出了术语的定义,其中项目工程指单独立项、具备独立使用功能和运营能力的城市轨道交通工程。
单位工程指具备独立施工条件或具备专业功能的建(构)及专业设备系统。
子单位工程指单位工程中具备阶段施工条件或者施工内容相对独立的建(构)筑物及专业设备子系统。
分部工程按系统设备专业性质或设备组别等建(构)筑物的一个完整部位或按主要结构及施工阶段划分的工程实体及专业设备安装工程。
分项工程按工种、工序、材料、施工工艺、设备类别等划分的工程实体及专业设备安装工程。
检验批指按相同的生产条件或按规定的方式汇总起来供抽样检验用的,由一定数量样本组成的检验体。
城市轨道交通工程质量验收应划分为竣工验收、项目工程、单位及子单位工程、分部及子分部工程、分项工程和检验批。
单位工程的划分按照“具备独立施工条件,并能形成其独立使用功能的建筑物、构筑物为一个单位工程。
”对于规模较大的单位工程,可将其能形成独立施工条件的部分划分为一个子单位工程。
分部工程应按可按专业性质、工程部位确定;当分部工程较大或较复杂时,可按材料种类、施工特点、施工程序、专业系统及类别将分部工程划分为若干个子分部工程。
分项工程可按主要工种、材料、施工工艺、设备类别进行划分。
检验批可根据施工、质量控制和专业验收的需要,按工程量、楼层、施工段、变形缝进行划分。
车站的单位工程、子单位工程应按下列规定划分:每个双线区间土建工程相邻车站设备安装子单位工程每个附属工程同一区间不同期施工的区段同一区间划分为不同施工标段的区段子单位工程车辆基地单位工程每座车辆段、停车场或车辆基地具有独立使用功能的单体工程工艺设备安装道路及环境管线等附属工程综合楼、食堂、司机公寓等配套的单体建筑房建工程单独划分全线轨道工程正线轨道工程车辆基地及出入段线轨道工程独立的子单位工程每座主变电站(所)送电工程房屋建筑电气设备机电系统设备安装工程若干单位工程子系统或者单机工程子单位工程分部工程供电系统信号系统通信系统综合监控集成系统自动售检票系统站台门系统疏散平台检验批2.区间工程包括各个附属土建工程,不同的施工标段具有各自独立的功能单体建筑,还包括道路(桥梁)和环境工程。
建设项目及其划分建设项目(construction project):基本建设工程项目,亦称建设项目,指按照同一个总体设计进行建设,全部建成后才能发挥所需综合生产能力或效益的基本建设单位。
一个建设项目往往由一个或几个单项工程组成,经济上实行独立核算,行政上实行统一管理,管理上具有独立组织形式,并具有法人资格的建设单位。
例:一个工厂、一所学校等。
单项工程(single construction):是指在一个建设项目中,具有独立的设计文件,能够独立组织施工,建成后能够独立发挥生产能力或效益的工程。
单项工程也称工程项目,是建设项目的组成部分。
单项工程从施工的角度看是一个独立的系统,一组配套齐全的工程项目。
在建设项目总体施工部署和管理目标的指导下,形成自身的项目管理方案和目标,依照其投资和质量要求,如期建成并交付使用。
例:工厂中的生产车间、办公楼;学校中的教学楼、宿舍和图书馆等。
单位工程(unit construction):是指具有单独设计和能够独立组织施工,能形成独立使用功能,但不能独立发挥生产能力或效益的工程。
单位工程是单项工程的组成部分。
例:生产车间这个单项工程是由厂房建筑工程和机械设备安装工程等单位工程所组成。
对于规模较大的单位工程,可将其能形成独立使用功能的部分划分为一个子单位工程。
例:厂房建筑工程这个单位工程可以细分为一般土建工程、水暖卫工程、电气工程、通风空调工程、消防工程和防雷工程等子单位工程。
分部工程(parts of construction):指按专业性质、建筑部位等划分的工程。
分部工程是单位工程的组成部分。
例:厂房建筑工程这个单位工程是由地基与基础工程、主体结构工程、建筑装饰装修工程、建筑屋面工程、建筑给排水及采暖工程、建筑电气工程、智能建筑工程、通风与空调工程和电梯工程等分部工程所组成。
当分部工程较大或较复杂时,可按材料(或设备)种类、施工特点、施工程序、专业系统及类别等划分为若干子分部工程。
气体灭火系统施工及验收规范GB50263-20071总则1.0.1为统一气体灭火系统(或简称系统)工程施工及验收要求,保障气体灭火系统工程质量,制定本规范。
1.0.2本规范适用于新建、扩建、改建工程中设置的气体灭火系统工程施工及验收、维护管理。
1.0.3气体灭火系统工程的施工及验收,应坚持过程控制、完善手段、强化验收的原则。
1.0.4气体灭火系统工程施工中采用的工程技术文件、承包合同文件对施工及质量验收的要求不得低于本规范的规定。
1.0.5气体灭火系统工程施工及验收、维护管理,除应符合本规范的规定外,尚应符合国家现行的有关标准的规定。
2术语2.0.1气体灭火系统gas extinguishing systems以气体为主要灭火介质的灭火系统。
2.0.2惰性气体灭火系统inert gas extinguishing systems灭火剂为惰性气体的气体灭火系统。
2.0.3卤代烷灭火系统halocarbon extinguishing systems灭火剂为卤代烷的气体灭火系统。
2.0.4高压二氧化碳灭火系统high-pressure carbon dioxide extinguishing systems灭火剂在常温下储存的二氧化碳灭火系统。
2.0.5低压二氧化碳灭火系统low-pressure carbon dioxide extinguishing systems灭火剂在-18℃~ -20℃低温下储存的二氧化碳灭火系统。
2.0.6组合分配系统combined distribution systems用一套灭火剂储存装置,保护两个及以上防护区或保护对象的灭火系统。
2.0.7单元独立系统unit independent system用一套灭火剂储存装置,保护一个防护区或保护对象的灭火系统。
2.0.8预制灭火系统pre-engineered systems按一定的应用条件,将灭火剂储存装置和喷放组件等预先设计、组装成套且具有联动控制功能的灭火系统。
Xx市xxx大厦消防施工监理细则编制:审批:20xx年x月x日一、项目消防工程概况1、工程概述工程建设规模:本工程建设用地面积:4155.76平方米,总建筑面积37418.47平方米。
主要功能包括商业、产业研发用房、地下汽车库。
产业研发用房消防按办工设计。
本工程地下室共三层,地下总建筑面积8753.25平方米,地下一层为商业、设备用房,地下二层为汽车库及设备用房,地下三层为汽车库及设备用房,地下室耐火等级为一级,战时人防设于地下三层。
地上部分为21层,其中1到3层功能为商业,4层为局部商业及产业研发用房,5-21层为产业研发及工业用房。
工程预计投资:2.0亿元,本次招标部分工程投资:1.8亿元。
2、消防工程特点:(1)、特殊地理位置本工程xx市xx区xx街道。
因此,对工地安全文明施工以及组织材料、设备进场的要求都要非常严格,预留孔洞较多,“四口五临边”的防护显得尤为重要,安全生产要求高;各个系统安装的质量直接影响到所有设施安全运行的可靠性,施工安装的各程序必须达到设计规范要求;为树立我公司的品牌形象,则必然对本工程现场施工的综合管理水平提出很高的要求和挑战。
(2)、高标准、高质量要求建设单位对工程质量要求很高,工程内容设施完备,装修标准高。
工程在达到高质量的前提下还必须保证建筑设施使用的可靠性和安全性,保证建筑、装修、安装三者的整体美观与协调。
我们对该工程质量提出了高标准。
因此,怎样通过精心策划,精心组织,科学合理施工将是我们施工中的重点。
(3)、紧迫工期本工程根据招标文件,计划开工日期:20xx年x月xx日,竣工日期:20xx年x 月xx日。
如何通过人力、物力和资金的投入和各种保证措施,采取科学的方法,有效地策划、组织、协调管理,确保工程如期完成是本工程的重点之一。
(4)、各专业协调配合本次工程内容涉及从土建工程开工到工程整体验收投入使用前,所以与其他施工单位的交叉施工深度深。
工程施工前期须检查预留孔洞、套管,工程全面开工后,管道、线路安装须与通风空调、电气、装修等其他施工单位协调,各用电设备须由电气施工单位提供电源,施工后期受装修等其它施工单位约束较大。
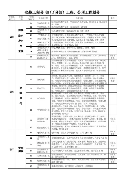
安装工程分部(子分部)工程、分项工程划分分部工程代号分部工程子分部工程代号子分部工程分项工程备注205 建筑给水排水及采暖01室内给水系统给水管道及配件安装、室内消火栓系统安装、给水设备安装、管道防腐、绝热02室内排水系统排水管道及配件安装、雨水管道及配件安装03室内热水供应系统管道及配件安装、辅助设备安装、防腐、绝热04卫生器具安装卫生器具安装、卫生器具给水配件安装、卫生器具排水管道安装05室内采暖系统管道及配件安装、辅助设备及散热器安装、金属辐射板安装、低温热水地板辐射采暖系统安装、系统水压试验及调试、防腐、绝热06室外给水管网给水管道安装、消防水泵接合器及室外消火栓安装、管沟及井室07室外排水管网排水管道安装、排水管沟与井池08室外供热管网管道及配件安装、系统水压试验及调试、防腐、绝热09建筑中水系统及游泳池系统建筑中水系统管道及辅助设备安装、游泳池水系统安装10供热锅炉及辅助设备安装锅炉安装、辅助设备及管道安装、安全附件安装、烘炉、煮炉和试运行、换热站安装、防腐、绝热应单独组卷206 建筑电气01室外电气架空线路及杆上电气设备安装,变压器、箱式变电所安装,成套配电柜、控制柜(屏、台)和动力、照明配电箱(盘)及控制柜安装,电线、电缆导管和线槽敷设,电线、电缆穿管和线槽敷设,电缆头制作、导线连接和线路电气试验,建筑物外部装饰灯具、航空障碍标志灯和庭院路灯安装,建筑照明通电试运行地,接地装置安装02变配电室变压器、箱式变电所安装,成套配电柜、控制柜(屏、台)和动力、照明配电箱(盘)安装,裸母线、封闭母线、插接式母线安装,电缆沟内和电缆竖井内电缆敷设,电缆头制作、导线连接和线路电气试验,接地装置安装,避雷引下线和变配电室接地干线敷设应单独组卷03供电干线裸母线、封闭母线、插接式母线安装,桥架安装和桥架内电缆敷设,电缆沟内和电缆竖井内电缆敷设,电线、电缆穿管和线槽敷线,电缆头制作、导线连接和线路电气试验04电气动力成套配电柜、控制柜(屏、台)和动力、照明配电箱(盘)及安装,低压电动机、电加热器及电动执行机构检查、接线,低压电气动力设备检测、试验和空载试运行,桥架安装和桥架内电缆敷设,电线、电缆导管和线槽敷设,电线、电缆穿管和槽敷线,电缆头制作、导线连接和线路电气试验,插座、开关、风扇安装05电气照明安装成套配电柜、控制柜(屏、台)和动力、照明配电箱(盘)安装,电线、电缆导管和线槽敷设,电线、电缆头制作、导线连接和线路电气试验,普通灯具安装,专用灯具安装,插座、开关、风扇安装,建筑照明通电试运行06备用和不间断电源安装成套配电柜、控制柜(屏、台)和动力、照明配电箱(盘)安装,柴油发电机组安装,不间断电源的其他功能单元安装,裸母线、封闭母线、插接式母线安装,电线、电缆导管和线槽敷线,电缆头制作、导线连接和线路电气试验,接地装置安装应单独组卷07防雷接地安装接地装置安装,避雷引下线和变配电室接地干线敷设,建筑物等电位连接,接闪器安装207智能建筑01通信网络系统通信系统、卫星及有线电视系统、公共广播系统应单独组卷02办公自动化系统计算机网络系统、信息平台及办公自动化应用软件、网络安全系统03建筑设备监控系统空调与通风系统、变配电系统、照明系统、给排水系统、热源和热交换系统、冷冻和冷却系统、电梯和自动扶梯系统、中央管理工作站与操作分站、子系统通信接口应单独组卷04火灾报警及消防联动系统火灾和可燃气体探测系统、火灾报警控制系统、消防联动系统应单独组卷05安全防范系统电视监控系统、入侵报警系统、巡更系统、出入口控制(门禁)系统、停车管理系统应单独组卷06综合布线系统缆线敷设和终接、机柜、机架、配线架的安装、信息插座和光缆芯线终端的安装应单独组卷07智能化集成系统集成系统网络、实时数据库、信息安全、功能接口08电源与接地智能建筑电源、防雷及接地09环境空间环境、室内空间环境、视觉照明环境、电磁环境应单独组卷10住宅(小区)智能化系统火灾自动报警及消防联动系统、安全防范系统(含电视监控系统、入侵报警系统、巡更系统、门禁系统、楼宇对讲系统、住户对讲呼救系统、停车管理系统)、物业管理系统(多表现场计量及远程传输系统、建筑设备监控系统、公共广播系统、小区网络及信息服务系统、物业办公自动化系统)、智能家庭信息平台应单独组卷208通风与空调01送排风系统风管与配件制作;部件制作;风管系统安装;空气处理设备安装;消声设备制作与安装,风管与设备防腐;风机安装;系统调试02防排烟系统风管与配件制作;部件制作;风管系统安装;防排烟风口、常闭正压风口与设备安装;风管与设备防腐;风机安装;系统调试03除尘系统风管与配件制作;部件制作;风管系统安装;除尘器与排污设备安装;风管与设备防腐;风机安装;系统调试04空调风系统风管与配件制作;部件制作;风管系统安装;空气处理设备安装;消声设备制作与安装;风管与设备防腐;风机安装;风管与设备绝热;系统调试05净化空调系统风管与配件制作;部件制作;风管系统安装;空气处理设备安装;消声设备制作与安装;风管与设备防腐;风机安装;风管与设备绝热;高效过滤器安装;系统调试06制冷设备系统制冷机组安装;制冷剂管道及配件安装;制冷附属设备安装;管道及设备的防腐与绝热;系统调试07空调水系统管道冷热(媒)水系统安装;冷却水系统安装;冷凝水系统安装;阀门及部件安装;冷却塔安装;水泵及附属设备安装;管道与设备的防腐与绝热;系统调试311建筑节能01墙体节能工程主体结构基层;保温材料;饰面层。
中华人民共和国建设部公告第565号建设部关于发布国家标准《气体灭火系统施工及验收规范》的公告现批准《气体灭火系统施工及验收规范》为国家标准,编号为GB50263-2007,自2007年7月1日起实施。
其中,第3.0.8(3)、4.2.1、4.2.4、4.3.2、5.2.2、5.2.7、5.4.6、5.5.4、6.1.5、7.1.2、8.0.3条(款)为强制性条文,必须严格执行。
原《气体灭火系统施工及验收规范》GB50263-97同时废止。
本规范由建设部标准定额研究所组织中国计划出版社出版发行。
中华人民共和国建设部二○○七年一月二十四日前言本规范是根据建设部建标[2003]102号文的要求,由公安部消防局组织公安部天津消防研究所会同有关参编单位,共同对《气体灭火系统施工及验收规范》GB 50263—97进行全面修订而成。
在修订过程中,修订组遵照国家有关基本建设的方针政策,以及“预防为主、防消结合”的消防工作方针,对我国气体灭火系统施工及验收的现状,进行了广泛的调查研究,在总结国内实践经验的基础上,参考了ISO和美国、英国、德国、日本等国外相关标准,对GB 50263—97做了补充和修改。
增加了IG 541混合气体灭火系统、七氟丙烷灭火系统、热气溶胶灭火装置等内容,补充了低压二氧化碳灭火系统,删除了卤代烷1211灭火系统。
本规范的修订以多种方式广泛征求了有关单位和专家的意见,对主要问题,进行了反复论证研究、多次修改,最后经专家审查、有关部门定稿。
本规范共分8章和6个附录,内容包括:总则、术语、基本规定、材料及系统组件进场、安装、调试、系统工程验收、维护管理及附录等。
本规范中以黑体字标志的条文为强制性条文,必须严格执行。
本规范由建设部负责管理和强制性条文解释,公安部负责具体管理,公安部天津消防研究所负责具体技术内容解释。
请各个单位在执行本规范过程中,注意总结经验、积累资料,并及时把意见和有关资料寄公安部天津消防研究所《气体灭火系统施工及验收规范》管理组(地址:天津市南开区卫津南路110号,邮编:300381),以供今后修订时参考。
二级消防工程师真题及答案二级消防安全技术综合能力篇一1、卤代烷灭火系统包括(acd)。
a、1301气体灭火系统b、ig541 气体灭火系统c、1201气体灭火系统d、七氟丙烷气体灭火系统2、下列(abcd)是气体灭火系统工程施工前应具备的条件之一a、经批准的施工图、设计说明书及其设计变更通知单等设计文件应齐全b、系统及其主要组件的使用、维护说明书应齐全c、系统组件与主要材料齐全,其品种、规格、型号符合设计要求d、防护区、保护对象及灭火剂储存容器间的设置条件与设计相符3、气体灭火系统的子分部工程划分为(abcd)个阶段。
a、进场检验b、系统安装c、系统调试d、系统验收4、气体灭火系统工程验收一般符合下列(abcd)规定。
a、系统工程验收应在施工单位自行检查评定合格的基础上,由建设单位组织施工、设计、监理等单位人员共同进行b、验收检测采用的计量器具应精度适宜,经法定机构计量检定、校准合格并在有效期内c、工程外观质量应由验收人员通过现场检查,并应共同确认d、隐蔽工程在隐蔽前应由施工单位通知有关单位进行验收,并记录;资料核查记录和工程质量验收记录应按规定填写5、气体灭火系统工程验收应在施工单位自行检查评定合格的基础上,由建设单位组织(abc)人员共同进行。
a、施工单位b、设计单位c、监理单位d、土建单位6、气体灭火系统工程的管材、管道连接件的外观质量除应符合设计规定外,尚应符合下列规定(abcd)。
a、镀锌层不得有脱落、破损等缺陷。
b、螺纹连接管道连接件不得有缺纹、断纹等现象。
c、法兰盘密封面不得有缺损、裂痕。
d、密封垫片应完好无划痕。
7、气体灭火系统的下列(bd)上应设置标明防护区或保护对象名称或编号的永久性标志牌,并应便于观察。
a、灭火剂储存装置b、驱动气瓶c、容器阀d、选择阀8、气体灭火系统拉索式机械驱动装置的安装应符合下列(abcd)规定。
a、拉索除必要外露部分外,应采用经内外防腐处理的钢管防护b、拉索转弯处应采用专用导向滑轮c、拉索末端拉手应设在专用的保护盒内d、拉索套管和保护盒应固定牢靠9、气体灭火系统的灭火剂输送管道连接应符合下列(abcd)规定。
国家智能建筑工程质量验收规范G BModified by JEEP on December 26th, 2020.国家智能建筑工程质量验收规范-GB 50307-20021总则本规范适用于智能办公楼、综合楼、住宅(小区)中的智能建筑工程质量验收,其他工程项目可参照使用。
智能建筑工程实施中采用的工程技术文件、承包合同文件对工程质量验收的要求不得低于本规范的规定。
本规范应与国家标准《建筑工程施工质量验收统一标准》GB50300配套使用。
智能建筑工程质量的验收除应执行本规范外,尚应符合国家现行有关标准、规范的规定。
条文说明1总则分部工程子分部工程分项工程智能建筑工程通信网络系统通信系统、卫星及有线电视系统、公共广播系统办公自动化系统计算机网络系统、信息平台及办公自动化应用软件、网络安全系统建筑设备监控系统空调与通风系统、变配电系统、照明系统、给排水系统、热源和热交换系统、冷冻和冷却系统、电梯和自动扶梯系统、中央管理工作站与操作分站、子系统通讯接口火灾自动报警及消防联动系统火灾和可燃气体探测系统、火灾自动报警控制系统、消防联动系统安全防范系统电视监控系统、入侵报警系统、巡更系统、出入口控制(门禁)系统、停车管理系统综合布线系统缆线敷设和终接、机柜、机架、配线架的安装、信息插座和光缆芯线终端的安装智能化集成系统集成系统的体系结构和系统功能、数据库、信息安全、功能接口电源与接地电源、防雷及接地环境空间环境、室内空调环境、视觉照明环境、电磁环境住宅(小区)智能化系统火灾自动报警及消防联动系统、安全防范系统、信息网络系统、物业管理系统表智能建筑工程子分部工程、分项工程划分规范性引用文件1.本规范以《智能建筑设计标准》GB/T50314为依据。
2.在执行本规范时,必须遵守中华人民共和国《工程建设标准强制性条文》的有关规定。
3.本规范所引用的国家现行标准应是该被引用标准的最新版本,这些标准重编或修改后,应自动改用相应的新版标准。
2023年二级造价工程师之安装工程建设工程计量与计价实务通关提分题库及完整答案单选题(共30题)1、配线保护管长度每超过()m,无弯曲时,应增设管路接线盒和拉线盒。
A.20B.15C.25D.30【答案】 D2、工艺管道安装完毕后,设计上要求进行蒸汽吹扫的管道是()。
A.输油管道B.蒸汽管道C.燃气管道D.压缩空气管道【答案】 B3、散热器的选用应考虑水质的影响,水的pH值在5~8.5时宜选用()。
A.钢制散热器B.铜制散热器C.铝制散热器D.铸铁散热器【答案】 C4、弘扬( ),严格自律,不索取和非法收受患者财物不利用执业之便谋取不正当利益。
A.廉洁从医B.爱岗敬业C.高尚医德D.科学发展观【答案】 C5、患者诉阴道外有肿物脱出半年,查宫颈已脱出至阴道口外,宫体在阴道内,双附件无异常,诊断为A.子宫脱垂Ⅰ度轻B.子宫脱垂Ⅰ度重C.子宫脱垂Ⅱ度轻D.子宫脱垂Ⅱ度重E.子宫脱垂Ⅲ度【答案】 C6、有关安拆费及场外运费的规定,叙述错误的是()。
A.运输距离均应按10km计算B.一次场外运费应包括运输、装卸、辅助材料和架线等费用C.年平均安拆次数应以《全国统一施工机械保养修理技术经济定额》为基础,由各地区(部门)结合具体情况确定D.一次安拆费应包括施工现场机械安装和拆卸一次所需的人工费、材料费、机械费及试运转费【答案】 A7、施工组织设计的编制依据有()。
A.招标投标文件B.将批准的设计资料C.将签约的与工程有关的协议D.发包人的生产能力、技术装备【答案】 A8、进行设备气密性试验时应注意,容器必须经()合格后方可进行气密性试验。
A.真空度试验B.耐压试验C.强度试验D.渗漏试验【答案】 B9、给水系统分区设置水箱和水泵,水泵分散布置,总管线较短,投资较省,能量消耗较小,但供水独立性差,上区受下区限制的给水方式是()。
A.分区水箱减压给水B.分区串联给水C.分水并联给水D.高位水箱减压阀给水【答案】 B10、根据现行计价依据的相关规定,编制招标控制价和投标报价时的其他项目费不包括()。
建筑设备安装工程分部工程、子分部、分项工程划分下面的是2016年经典励志语录,需要的朋友可以欣赏,不需要的朋友下载后可以编辑删除!!谢谢!!1、有来路,没退路;留退路,是绝路。
2、为目标,晚卧夜半,梦别星辰,脚踏实地,凌云舍我其谁!3、做一题会一题,一题决定命运。
4、静下来,铸我实力;拼上去,亮我风采。
5、拼一载春秋,搏一生无悔。
6、狠抓基础是成功的基础,持之以恒是胜利的保证。
7、把汗水变成珍珠,把梦想变成现实!8、拧成一股绳,搏尽一份力,狠下一条心,共圆一个梦。
9、每天都是一个起点,每天都有一点进步,每天都有一点收获!10、22.对命运承诺,对承诺负责11、我自信,故我成功,我行,我一定能行。
12、不敢高声语,恐惊读书人。
13、高三高考高目标,苦学善学上好学。
14、争分夺秒巧复习,勤学苦练创佳绩、攀蟾折桂,舍我其谁。
15、眼泪不是我们的答案,拼搏才是我们的选择。
16、站在新起点,迎接新挑战,创造新成绩。
17、遇难心不慌,遇易心更细。
18、乐学实学,挑战高考;勤勉向上,成就自我。
19、努力造就实力,态度决定高度20、忘时,忘物,忘我。
诚实,朴实,踏实。
21、精神成人,知识成才,态度成全。
22、作业考试化,考试高考化,将平时考试当高考,高考考试当平时。
23、我高考我自信我成功!24、23.再苦再累不掉队,再难再险不放弃25、拼搏高考,今生无悔;越过高三,追求卓越!26、挑战人生是我无悔的选择,决胜高考是我不懈的追求。
27、山高不厌攀,水深不厌潜,学精不厌苦:追求!28、学练并举,成竹在胸,敢问逐鹿群雄今何在?师生同志,协力攻关,笑看燕赵魁首谁人得。
29、快马加鞭君为先,自古英雄出少年。
30、太阳每天都是新的,你是否每天都在努力。
31、把握现在、就是创造未来。
32、25.我因X班而自豪,X班因我而骄傲33、我心飞翔,路在脚下。
34、人活着要呼吸。
呼者,出一口气;吸者,争一口气35、辛苦三年,幸福一生。