【CN209419333U】一种新型无刷电机绕线骨架【专利】
- 格式:pdf
- 大小:575.47 KB
- 文档页数:12
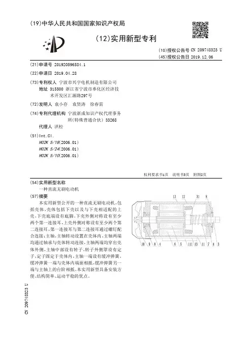
(19)中华人民共和国国家知识产权局(12)实用新型专利(10)授权公告号 (45)授权公告日 (21)申请号 201920596584.1(22)申请日 2019.04.28(73)专利权人 宁波市兴宇电机制造有限公司地址 315500 浙江省宁波市奉化区经济技术开发区汇源路297号(72)发明人 袁小存 袁贤涛 徐春雷 (74)专利代理机构 宁波浙成知识产权代理事务所(特殊普通合伙) 33268代理人 洪松(51)Int.Cl.H02K 5/18(2006.01)H02K 5/24(2006.01)H02K 5/10(2006.01)(54)实用新型名称一种直流无刷电动机(57)摘要本实用新型公开的一种直流无刷电动机,包括壳体,壳体包括下壳以及与下壳相适配的上壳,下壳底端设有底脚,下壳外侧对称设有至少两个第一连接耳,上壳外侧对称设有至少两个第二连接耳,第一连接耳与第二连接耳通过螺钉配合连接;主轴,主轴转动设置在壳体内,主轴两端均通过轴承与壳体转动连接,主轴两端均穿出壳体外侧,主轴中部设有转子,转子外侧罩设有定子,定子固定于壳体内,主轴一端设有缓冲弹簧,缓冲弹簧一端与壳体内端面相抵,缓冲弹簧另一端与主轴上的台阶相抵。
本实用新型具备安装方便、结构简单、运动平稳的优点。
权利要求书1页 说明书3页 附图2页CN 209748323 U 2019.12.06C N 209748323U权 利 要 求 书1/1页CN 209748323 U1.一种直流无刷电动机,其特征在于:包括壳体(1),所述壳体(1)包括下壳(11)以及与下壳(11)相适配的上壳(12),所述下壳(11)底端设有底脚(111),所述下壳(11)外侧对称设有至少两个第一连接耳(112),所述上壳(12)外侧对称设有至少两个第二连接耳(121),所述第一连接耳(112)与第二连接耳(121)通过螺钉(2)配合连接;主轴(3),所述主轴(3)转动设置在壳体(1)内,所述主轴(3)两端均通过轴承(4)与壳体(1)转动连接,所述主轴(3)两端均穿出壳体(1)外侧,所述主轴(3)中部设有转子(5),所述转子(5)外侧罩设有定子(6),所述定子(6)固定于壳体(1)内,所述主轴(3)一端设有缓冲弹簧(7),所述缓冲弹簧(7)一端与壳体(1)内端面相抵,缓冲弹簧(7)另一端与主轴(3)上的台阶(31)相抵。
专利名称:一种新型无人机的无刷电机绕线结构专利类型:实用新型专利
发明人:宜尔轩
申请号:CN201520941328.3
申请日:20151124
公开号:CN205195444U
公开日:
20160427
专利内容由知识产权出版社提供
摘要:本实用新型公开了一种新型无人机的无刷电机绕线结构,包括用于绕制的导线和电机定子,电机定子上设置有若干用于绕制导线的定子槽,定子槽的截面形状设置为矩形,并且,导线的截面形状设置为矩形。
本实用新型定子槽的截面形状设置为矩形,并且,导线的截面形状设置为矩形,如此,在与原有定子槽面积接近情况下可达到更高的槽满率,从而使电机达到较高的能量密度。
申请人:深圳飞马机器人科技有限公司
地址:518000 广东省深圳市南山区南头街道南头关二路智恒产业园16栋1楼
国籍:CN
代理机构:深圳众鼎专利商标代理事务所(普通合伙)
更多信息请下载全文后查看。
专利名称:一种电机绕线机
专利类型:发明专利
发明人:邓君,何楚亮
申请号:CN201910154214.7申请日:20160720
公开号:CN109818468A
公开日:
20190528
专利内容由知识产权出版社提供
摘要:本发明公布了一种电机绕线机,包括配电控制箱、后送线箱、前送线箱、绕线装置;后送线箱连接送线电机;后送线箱和前送线箱内设有线盘;线盘连接线盘电机;线盘内部侧边设有送线管,线盘前端设有绕线导向头、送线头;绕线装置内绕线底板连接夹紧电机;绕线底板上设置有与旋转电机连接的旋转轴;绕线底板两侧设有滑杆;滑杆下端连接推动气缸,上端连接铰接板;铰接板上设有绕线导向夹;旋转轴上方设有锥形压头位于U形板上。
它能实现产品线圈的全自动绕制,线圈绕制稳定可靠,均匀性好,绕制速度快,大大提高电机生产效率,降低工人劳动强度。
申请人:邓君
地址:523000 广东省东莞市松山湖大学路1号东莞理工学院机械楼12N301
国籍:CN
更多信息请下载全文后查看。
(19)中华人民共和国国家知识产权局(12)实用新型专利(10)授权公告号 (45)授权公告日 (21)申请号 201920587658.5(22)申请日 2019.04.26(73)专利权人 安徽润丰电气有限公司地址 246300 安徽省安庆市潜山市梅城镇皖水路018号1栋(72)发明人 储诚彬 (74)专利代理机构 合肥汇融专利代理有限公司34141代理人 赵宗海(51)Int.Cl.H02K 15/08(2006.01)(54)实用新型名称一种电机绕线机(57)摘要本实用新型公开了一种电机绕线机,包括工作台,所述工作台上端面一侧通过滚动轴承转动连接有三根固定轴,固定轴的下端杆体外壁均通过键固定有齿轮,相邻两个齿轮间相互啮合,所述工作台的下部通过螺钉固定连接有伺服电机,伺服电机的输出端和中间所述固定轴通过锥齿轮组传动连接,所述固定轴的上端均固定连接有转盘,所述转盘的顶部面中心位置焊接固定有固定装置。
本设备能够实现对不同尺寸的转子固定,避免了绕线过程中转子滑动,提高绕线的质量,还保证在绕线过程中铜线处于拉紧状态,避免了铜线绕线不均、不紧密和铜线断裂的现象,提高产品质量的同时也提高了工作效率,加上绕线时一次能完成多个转子绕线,提高了工作效率。
权利要求书1页 说明书3页 附图5页CN 209497373 U 2019.10.15C N 209497373U权 利 要 求 书1/1页CN 209497373 U1.一种电机绕线机,包括工作台(1),其特征在于,所述工作台(1)上端面一侧通过滚动轴承转动连接有三根固定轴(2),固定轴(2)的下端杆体外壁均通过键固定有齿轮(3),相邻两个齿轮(3)间相互啮合,所述工作台(1)的下部通过螺钉固定连接有伺服电机(4),伺服电机(4)的输出端和中间所述固定轴(2)通过锥齿轮组(5)传动连接,所述固定轴(2)的上端均固定连接有转盘(6),所述转盘(6)的顶部面中心位置焊接固定有固定装置(7),所述固定装置(7)包括固定柱(701),所述固定柱(701)为空心结构,固定柱(701)上端外壁开设有螺纹,所述固定柱(701)内底面中心位置连接有转动杆(702),转动杆(702)的上端穿过固定柱(701)的顶面,所述固定柱(701)的顶面上还焊接有固定块(703),固定块(703)的水平方向上开设有插孔一,所述转动杆(702)靠近固定块(703)一侧的杆体外壁上也开设有多个插孔二,固定块(703)和转动杆(702)的插孔内固定有插销(704),所述固定柱(701)的两侧内壁均匀交错焊接有水平板(705),水平板(705)的上端面均开设有滑槽(706),且水平板(705)的上端面均设有移动板(707),移动板(707)的下端面焊接有滑块(708),滑块(708)滑动连接在滑槽(706)内,所述移动板(707)靠近转动杆(702)的一侧端面上均开设有凹槽(709),所述转动杆(702)的杆体外侧均匀焊接有多个凸轮(710),凸轮(710)的一侧滑动连接在凹槽(709)内,所述移动板(707)远离转动杆(702)的一侧设有压块(711),压块(711)与移动板(707)之间固定连接有多个弹簧(712),所述压块(711)远离移动板(707)的一侧还固定有压紧环(713),所述固定柱(701)的两侧外壁还交错开设有圆弧孔(714),压紧环(713)滑动接触连接在圆弧孔(714)内,所述圆弧孔(714)的下端面中间位置外侧还开设有卡槽(715),所述压紧环(713)的下端面还固定有卡块(716),卡块(716)滑动连接在卡槽(715)内,所述凸轮(710)远离移动板(707)的一侧在固定柱(701)内壁上均焊接有连接板(717),连接板(717)与移动板(707)之间固定连接有多根弹性绳(718),所述工作台(1)上端远离固定装置(7)的一侧设有放线装置(8),所述放线装置(8)包括安放盘(801),安放盘(801)上套设有三卷铜线,铜线上均设有承重块(802),承重块(802)两侧贯穿开设有圆孔,铜线与圆孔滑动接触,所述安放盘(801)与固定装置(7)之间在工作台(1)的上端面固定有三个压线辊(803)。
(19)中华人民共和国国家知识产权局
(12)实用新型专利
(10)授权公告号 (45)授权公告日 (21)申请号 201920388132.4
(22)申请日 2019.03.26
(73)专利权人 浙江融兴电动科技有限公司
地址 311100 浙江省杭州市余杭区南公河
路1号6幢202室
(72)发明人 黄光欣 李荣贵 赵志强 李国锋
(74)专利代理机构 杭州中利知识产权代理事务
所(普通合伙) 33301
代理人 周中普
(51)Int.Cl.
H02K 1/18(2006.01)
H02K 1/20(2006.01)
H02K 1/14(2006.01)
H02K 3/46(2006.01)
(54)实用新型名称一种新型无刷电机绕线骨架(57)摘要本实用新型涉及电机技术领域,尤其涉及一种新型无刷电机绕线骨架。
包括塑料骨架和固定在塑料骨架上的定子铁芯,塑料骨架包括中间圆筒、前部端板、后部端板,前部端板和后部端板分别固定在中间圆筒的前后两端,中间圆筒内壁上以圆形阵列的方式设置数件径向绕线架,径向绕线架内设置贯穿定子铁芯外壁的径向槽;圆筒形的定子铁芯内壁以圆形阵列的方式设置数件径向铁芯块,径向铁芯块插入径向槽内。
定子铁芯为一体化设计,可以减少漏磁问题,通过径向绕线架包裹住径向铁芯块,可以有效的保护线圈,使得本产品稳定性更好,通过在径向铁芯块上设置中部圆弧铁片,还可以增加电机输出效率。
通过设置轴向孔,可以起到对定子铁芯散热的作
用。
权利要求书1页 说明书3页 附图7页CN 209419333 U 2019.09.20
C N 209419333
U
权 利 要 求 书1/1页CN 209419333 U
1.一种新型无刷电机绕线骨架,包括塑料骨架(1)和固定在塑料骨架(1)上的定子铁芯(2),其特征在于:塑料骨架(1)包括中间圆筒(11)、前部端板(12)、后部端板(13),圆筒形的定子铁芯(2)内壁紧贴中间圆筒(11)外壁进而固定,前部端板(12)和后部端板(13)分别固定在中间圆筒(11)的前后两端,通过前部端板(12)和后部端板(13)用于轴向固定定子铁芯(2),中间圆筒(11)内壁上以圆形阵列的方式设置数件径向绕线架(14),径向绕线架(14)内设置贯穿定子铁芯(2)外壁的径向槽(141);圆筒形的定子铁芯(2)内壁以圆形阵列的方式设置数件径向铁芯块(21),径向铁芯块(21)插入径向槽(141)内。
2.根据权利要求1所述的一种新型无刷电机绕线骨架,其特征在于:径向绕线架(14)内设置径向槽(141)后径向绕线架(14)的壁厚≤0.4mm。
3.根据权利要求1或2所述的一种新型无刷电机绕线骨架,其特征在于:定子铁芯(2)的外壁上设置轴向的外壁凹槽(22)。
4.根据权利要求1所述的一种新型无刷电机绕线骨架,其特征在于:径向铁芯块(21)靠中间侧设置中部圆弧铁片(211)。
2。