低压供电系统中三相四线制和三相五线制有何区别
- 格式:doc
- 大小:24.00 KB
- 文档页数:1
三相四线制和三相五线制【三相四线制】在低压配电网中,输电线路一般采用三相四线制,其中三条线路分别代表A,B,C三相,不分裂,另一条是中性线N(区别于零线,在进入用户的单相输电线路中,有两条线,一条我们称为火线,另一条我们称为零线,零线正常情况下要通过电流以构成单相线路中电流的回路,而三相系统中,三相自成回路,正常情况下中性线是无电流的),故称三相四线制;在380V低压配电网中为了从380V相间电压中获得220V 线间电压而设N线,有的场合也可以用来进行零序电流检测,以便进行三相供电平衡的监控。
重复接地不论N线还是PE线,在用户侧都要采用重复接地,以提高可靠性。
但是,重复接地只是重复接地,它只能在接地点或靠近接地的位置接到一起,但绝不表明可以在任意位置特别是户内可以接到一起。
这一点一定要切记,也要注意你的朋友是否有所违犯!!A、B、C、N和PE线应用中最好使用标准、规范的导线颜色:A线用黄色,B线用绿色,C线用红色,N线用褐色/蓝色,PE线用黄绿色。
三相五线制是指A、B、C、N和PE线,其中,PE线是保护地线,也叫安全线,是专门用于接到诸如设备外壳等保证用电安全之用的。
PE 线在供电变压器侧和N线接到一起,但进入用户侧后绝不能当作零线使用,否则,发生混乱后就与三相四线制无异了。
但是,由于这种混乱容易让人丧失警惕,可能在实际中更加容易发生触电事故。
现在民用住宅供电已经规定要使用三相五线制,如果你的不是,可以要求整改。
为了安全,要斩钉截铁地要求!【三相五线制】三相五线制包括三相电的三个相线(A、B、C线)、中性线(N线);以及地线(PE线)。
中性线(N线)就是零线。
三相负载对称时,三相线路流入中性线的电流矢量和为零,但对于单独的一相来讲,电流不为零。
三相负载不对称时,中性线的电流矢量和不为零,会产生对地电压。
三相五线制分为TT接地方式和TN接地方式,其中TN又具体分为TN-S,TN-C,TN-C-S三种方式。
家庭电路中零线、火线的判断方法1、通电,用电笔测,会亮的全是火线。
2、将总开关处的零线断开,只接通火线,将家中的灯打在开的位置,用电笔测,刚才不亮,现在亮的全是零线,剩下不亮的全是地线。
最简单的方法:用电笔确定火线后,分别用两根裸线和火线接在220V灯泡上,从亮度上就可以区别零和地.亮的是零,稍暗的是地。
(要注意安全呦)利用万用表判断火线和零线将万用表置于交流档500v,手捏一表笔,另一表笔分别触接电源线,有电压高的是火线,低的是零线,电压为0的是地线。
要是交流档打的是对的,电压要比实际值小,要是一不小心打错到了电阻档。
小贴士:零线对地电阻小于4欧为可靠接地。
用万用表置于交流档地250v测火线与零线、火线与地线的压差,两值相差在5v以下为可靠接地。
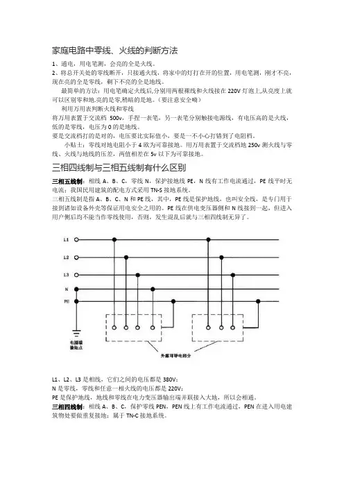
三相四线制与三相五线制有什么区别三相五线制:相线A、B、C,零线N,保护接地线PE,N线有工作电流通过,PE线平时无电流;我国民用建筑的配电方式采用TN-S接地系统。
三相五线制是指A、B、C、N和PE线,其中,PE线是保护地线,也叫安全线,是专门用于接到诸如设备外壳等保证用电安全之用的。
PE线在供电变压器侧和N线接到一起,但进入用户侧后均不能当作零线使用,否则,发生混乱后就与三相四线制无异了。
L1、L2、L3是相线,它们之间的电压都是380V;N是零线,零线和任意一相火线的电压都是220V;PE是保护地线,地线和零线在电力变压器输出端并联接入大地,所以会相通。
三相四线制:相线A、B、C,保护零线PEN,PEN线上有工作电流通过,PEN在进入用电建筑物处要做重复接地;属于TN-C接地系统。
触电及触电事故的处理:1.低压触电:通常所讲的“触电”是指一定大小的电流通过人体所引起的伤害事故。
触电一般分为单线触电和双线触电,如下图所示。
单线触电是人体直接触摸电源、火线或漏电的用电器等,使人体与大地形成回路。
双线触电是人体的两部分(如两只手)分别接触到火线和零线,使人与电网形成回路。
车间供电系统中三相四线制和三相五线制供电安全性比较在车间供电系统中,供电方式的选择对于工作效率和设备安全性至关重要。
常见的供电方式有三相四线制和三相五线制,这两种制式在实际工业生产中有着广泛的应用。
然而,关于它们的安全性问题,却是一直存在着争议。
那么,这两种供电方式在安全性方面究竟哪一种更胜一筹呢?首先,我们需要了解三相四线制和三相五线制的基本概念。
三相四线制,是指一个三相电源系统中,有三个相线和一个公共的中性线,这种供电方式主要适用于不对称负载及供电距离较远的场所。
三相五线制,比四线制多了一个保护线,该保护线的主要作用为过载保护,短路保护,以及保护设备运行人员的人身安全。
这种供电方式主要适用于公共建筑、大型商业建筑以及重要工业设备。
从电气安全性角度看,三相五线制的安全性更高。
其配置了专门的保护线,可以防止因设备漏电导致的触电事故,及时切断供电,保护设备和人员安全。
同时,五线制可以确保供电系统的稳定,使插座电压降低,获得较大的电源能力和容量,提升整个电气系统的运行效率和安全性。
然而,从实际操作角度看,三相四线制的操作更为安全。
因为在五线制中,由于专门的保护线可能会使操作频繁,而在操作过程中,难免会出现误操作,给安全带来一定的隐患。
而四线制由于只有一个公共中性线,使得操作程序简化,也就降低了误操作的几率。
从工程安装角度来看,三相五线制的安全性更强。
五线制采用单独的保护线,可以有效避免由于过载或短路导致的火灾风险。
同时,单独的保护线也可以减少零线电流,减轻对电线的磨损,延长了电线的使用寿命。
而四线制由于缺乏保护线,故障时的保护能力较弱,存在一定的安全隐患。
总体来说,三相五线制在电气安全性,工程安装等方面的安全性更好,而三相四线制在操作方面的安全性更优。
然而,选择何种供电方式,需要根据实际情况,结合各个系统的特性和需求来进行。
即使是在同样的供电系统中,也应根据设备的大小和用途,选择合适的供电方式,以确保设备的正常运行和人员的安全。
三相四线制与三项五线制的区别一、在三相四线制制供电系统中,把零干线的两个作用分开,即一根线做工作零线(N),另外用一根线专做保护零线(该结线的点是: 工作零线N与保护零线PE除在变压器中性点共同接地外,两线不再有任何的电气连接。
由于该种结线能用于单相负载,没有中性点引出的三相负载和有中性点引出的三相负载,因而得到广泛的应用。
在三相负载不完全平衡的运行情况下,工作零线N是有电流通过且是带电的,而保护零线PE不带电,因而该供电方式的接地系统完全具备安全和可靠的基准电位。
二、三相五线制供电的原理众所周知,在三相四线制供电中由于三相负载不平衡时和低压电网的零线过长且阻抗过大时,零线将有零序电流通过,过长的低压电网,由于环境恶化,导线老化、受潮等因素,导线的漏电电流通过零线形成闭合回路,致使零线也带一定的电位,这对安全运行十分不利。
在零干线断线的特殊情况下,断线以后的单相设备和所有保护接零的设备产生危险的电压,这是不允许的。
如采用三相五线制供电方式,用电设备上所连接的工作零线N和保护零线PE是分别敷设的,工作零线上的电位不能传递到用电设备的外壳上,这样就能有效隔离了三相四线制供电方式所造成的危险电压,使用电设备外壳上电位始终处在“地”电位,从而消除了设备产生危险电压的隐患。
三、对三相五线制敷设的要求(1) 在用绝缘导线布线时,保护零线应用黄绿双色线,工作零线一般用黑色线。
沿墙垂直布线时,保护零线设在最下端,水平布线时,保护零线在靠墙端。
(2) 在电力变压器处,工作零线从变压器中性瓷套管上引出,保护零线从接地体的引出线引出。
(3) 重复接地按要求一律接在保护零线上,禁止在工作零线上重复接地。
(4) 采用低压电缆供电时应选用五芯低压电力电缆。
(5) 在终端用电处(如闸板、插座、墙上配电盘等)工作零线和保护零线一定分别与零干线相连接。
(6) 对老企业的改造应逐步实行保护零线和工作零线分开的办法。
例如在车间入户时零干线做重复接地,重复接地以后工作零线单独敷设,保护零线由此重复接地体引出;使用四极漏电保护断路器的,在断路器前是三相四线制,在断路器后改为三相五线制; 在架空线路供电又实行动力电和照明电分开架设的(两棚线),可以用随照明线横担架设的零线为工作零线,随动力线横担架设的零线做保护零线。
三相五线制与三相四线制的区别?师傅讲的太好了,想
不会都难!
三相五线制与三相四线制的区别在于线路条数的不同,具体而言,三相五线制指三相交流电系统中,采用五根电缆来连接电源、用电设备和安全设备的连接形式,它由五根电缆组成,包括三根相线(A、B、C相)、一根零线和一根保护线;而三相四线制则是指三相交流电系统中,采用四根电缆来连接电源、用电设备和安全设备的连接形式,它是由四根电缆组成的,包括三根相线(A、B、C相)和一根零线。
从用电角度来说,三相五线制(即五线制)的线路条数比三相四线制(即四线制)多一根,所以五线制有较好的防雷性能,并可以更加精确地控制大负荷用电设备的运行,尤其是对于危险性更强的设备,例如加热设备、危险环境中的用电设备等,更应当使用五线制的线路。
但四线制的优点是线路条数少,安装成本更低,不需要专业的安装技术,可以更快地安装,但是由于线路条数较少,防雷性能较差,不能精确控制大负荷用电设备的运行,所以不太适用于危险性较强的设备。
三相四线制和三相五线制的区分
三相四线制和三相五线制是电力系统中常用的两种供电方式。
它们在电线数量和电流分配方面有所不同。
以下是两者的主要区别。
三相四线制
三相四线制是指电源系统中使用三相电流和四根电线传输电能
的供电方式。
这四根电线包括三根相线和一根中性线。
每根相线之
间相差120度,中性线则与这三根相线连接,用于提供返回电流的
路径。
三相四线制通常用于低压和中压电力系统,如住宅和小型商
业场所。
三相四线制的主要特点是:
- 三相平衡:三个相线上的电流均匀分布,可以提供较为稳定
的电源供应。
- 中性线:中性线可用于传送不平衡负载的电流,确保电流在
电路中的完整循环。
三相五线制
三相五线制也是使用三相电流,但在电线数量上与三相四线制有所不同。
三相五线制除了三根相线和一根中性线外,还有一根地线。
地线用于将电路与地面连接,以提供安全的接地保护。
三相五线制通常用于工业和商业领域的高压电力系统。
三相五线制的主要特点是:
- 安全接地:通过地线与地面连接,提供了电路的安全接地保护。
- 更高的电流容量:由于额外的地线,三相五线制能够提供更高的电流容量,适用于大型工业设备和负载。
总结
三相四线制和三相五线制是两种常见的供电方式,它们在电线数量和电流分配方面有所不同。
三相四线制适用于低压和中压电力系统,使用三根相线和一根中性线。
三相五线制适用于高压电力系统,使用三根相线、一根中性线和一根地线。
根据实际需求和安全要求,选择适合的供电方式对于电力系统的稳定运行至关重要。
三相四线和三相五线的区别ABC三相和中性线(N),三相五线制指变压器出来ABC三相,中性线加变压器的PE线(接地线)。
这对于变压器中性点直接接地适用。
现在企业都使用三相五线制。
三相五线制中五线指的是:3根相线加一根地线一根零线。
一般用途最广的低压输电方式是三相四线制,采用三根相线加零线供电,零线由变压器中性点引出并接地,电压为380/220V,取任意一根相线加零线构成220V供电线路供一般家庭用,三根相线间电压为380V,一般供电机使用。
三相五线制比三相四线制多一根地线,用于安全要求较高,设备要求统一接地的场所。
三相五线制的学问就在于这两跟零线上,在比较精密电子仪器的电网中使用时,如果零线和接地线共用一根线的话,对于电路中的工作零点会有影响的,虽然理论上它们都是0电位点,如果偶尔有一个电涌脉冲冲击到工作零线,而零线和地线却没有分开,比如这种脉冲却是因为相线漏电引起的,再如有些电子电路中如果零点飘移现象严重的话那么电器外壳就可能会带电,可能会损坏电气元件的,甚至损坏电器,造成人身安全的危险.零线和地线的根本差别在于一个构成工作回路,一个起保护作用叫做保护接地,一个回电网,一个回大地,在电子电路中这两个概念是要区别开来的,在正规公司里,这两根线规定要分开接.保护接地和保护接零为什么不能同时使用保护接地用于中性点不接地的情况中,保护接零用于中性点接地的情况中中性点直接接地运行方式下应做到:①所有用电设备在正常情况下不带电的金属部分,都必须采用保护接零或保护接地;②在三相四线制的同一低压配电系统中,保护接零和保护接地不能混用,即一部分采用保护接零,而另一部分采用保护接地,但若在同一台设备上同时采用保护接零和保护接地则是允许的,因为其安全效果更好;③要求中性线必须重复接地,因为在中性线断开的情况下,接零设备外壳上都带有220V的对地电压,这是绝不允许的。
U V W 三相颜色区分标准名称:绝缘导体和裸导体的颜色标志GB 7947-87标准编号:GB 7947-87标准正文:国家标准局1987-06-09批准1988-03-01实施本标准规定了用颜色来标记绝缘导体或裸导体的一般规则,适用于安全目的以避免混淆和确保安全操作。
三相四线制就是动力负载和照明负载共用-根零线。
三相五线是动力照明分开。
三相四线制:相线A、B、C,保护零线PEN,PEN线上有工作电流通过,PEN在进入用电建筑物处要做重复接地;三相五线制:相线A、B、C,零线N,保护接地线PE,N线有工作电流通过,PE线平时无电流(仅在出现对地漏电或短路时有故障电流);前者属于TN-C接地系统,后者属于TN-S接地系统。
如今我国民用建筑的配电方式采用后者。
三相四线制分两种情况:TN-S:L1L2L3+PE(保护线)+N(中性线)TN-C:L1L2L3+PEN(二者合一)三相五线制有一种情况:TN-C-S:L1L2L3+前半部PEN,后半部PE+N具体如下:低压系统接地制式按配电系统和电气设备接地的不同组合分类,可分为TN、TT、IT三种形式,其文字代号的意义如下:1、第一个字母表示配电系统的对地关系:T:电源端有一点直接接地;I:电源端所有带电部分与地绝缘,或有一点经阻抗接地。
2、第二个字母表示电气装置的外露导电部分与地的关系:T:外露导电部分对地直接做电气连接,与配电系统的任何接地点无关;N:外露导电部分与配电系统的接地点直接做电气连接(在交流配电系统中,接地点通常就是中性点)在TN系统中,所有电气设备的外露导电部分接到保护线上,与配电系统的接地点相连接。
这个接地点通常是配电系统的中性点。
如果没有中性点(如配电变压器二次侧为三角形接线)或未引出中性点,可将变压器二次侧的一相接地,但该接地线不能用作PEN线。
保护线应在每个变电所附近接地。
配电系统引入建筑物时,保护线在其入口处接地。
为了在故障时,保护线的电位尽量接近地电位,应尽可能将保护线与附近的有效接地极相连,如有必要,可增加接地点,并使其均匀分布。
根据中性线N与保护线PE是否合并的情况,TN系统又分为TN-C、TN-S及TN-C-S。
1、在TN-C系统中,保护线与中性线合并为PEN线,具有简单、经济的优点。
车间供电系统中三相四线制和三相五线制供电安全性比较1、什么是三相五线制?目前车间在三相四线制(TN-C)如下图1供电系统中,三相四线制就是工作零线(N)和保护零线(PE)不分开敷设,就是没有单独的零线和地线。
图1 三相四线制接线示意图三相四线制特点:1)由于三相负载不平衡,工作零线上有不平衡电流,对地有电压,所以与保护线所联接的电气设备金属外壳有一定的电压。
2)如果工作零线断线,则保护接零的漏电设备外壳带电。
3)如果电源的相线碰地,则设备的外壳电位升高,使中性线上的危险电位蔓延。
4)TN-C系统干线上使用漏电保护器时,工作零线后面的所有重复接地必须拆除,否则漏电开关合不上;而且,工作零线在任何情况下都不得断线。
所以,实用中工作零线只能让漏电保护器的上侧有重复接地。
5)TN-C方式供电系统只适用于三相负载基本平衡情况。
而把零线的两个作用分开,即一根线做工作零线(N),另外用一根线专做保护零线(PE),这样的供电结线方式称为三相五线制供电方式。
三相五线制包括三根相线、一根工作零线、一根保护零线。
三相五线制的接线方式如下图2所示。
图2三相五线制接线示意图该接线的特点是:工作零线N与保护零线PE 除在变压器中性点共同接地外,两线不再有任何的电气连接。
由于该种接线能用于单相负载、没有中性点引出的三相负载和有中性点引出的三相负载,因而得到广泛的应用。
在三相负载不完全平衡的运行情况下,工作零线N是有电流通过且是带电的,而保护零线PE 不带电,因而该供电方式的接地系统完全具备安全和可靠的基准电位。
2、三相五线制与三相四线制的比较(1) 国际电工委员会(IEC)对供电系统作了统一规定称为TN-C、TN-S 系统。
TN-C 方式供电系统是用工作零线兼作接零保护线,可以称作保护中性线,可用NPE 表示,即常用的三相四线制供电方式,车间现在使用供电系统。
TN-S 式供电系统是把工作零线N 和专用保护线PE 严格分开的供电系统,称作TN-S 供电系统,即常用的三相五线制供电方式。
三相四线制和三相五线制的比较三相四线制和三相五线制是电力系统中常见的两种供电方式。
本文将比较它们在以下几个方面的异同:电压、线路配置、用途和优缺点。
1. 电压三相四线制是指电源系统中有三相电压和一个中性线。
常见的三相电压为400V。
中性线用于将不平衡的负载接地,以确保系统的安全运行。
三相五线制则在三相四线制的基础上添加了一个地线。
这样可以更好地保证系统的接地和运行的稳定性。
2. 线路配置在三相四线制中,三相电源由三根相线提供,分别为A、B、C相。
中性线连接到系统的中枢点,并且对称分布。
在三相五线制中,除了三根相线和中性线外,还有一个地线。
地线用于将系统和地面连接,以保护人身安全和设备的正常运行。
3. 用途三相四线制常用于低压配电网,如住宅和商业建筑。
它可以有效地满足大部分家庭和商业设备的用电需求。
三相五线制通常用于工业和大型商业用电。
由于地线的引入,它可以提供更高的安全性和可靠性,并能够适应对电力质量要求更高的场景。
4. 优缺点三相四线制的优点是线路简单,成本相对较低。
但它的缺点是对负载不平衡不敏感,可能会导致系统的电流不平衡和功率损耗。
三相五线制相比于三相四线制,具有更高的可靠性和安全性。
它可以更好地应对各种负载条件下的电流不平衡,减少设备的损坏风险。
然而,由于增加了一根地线,相对于三相四线制来说,它的成本可能会略高。
综上所述,三相四线制和三相五线制在电压、线路配置、用途和优缺点上存在差异。
根据具体的应用场景和电力需求,我们可以选择适合的供电方式。
三相指L1---(A)相、L2---(B)相、L3---(C)相三相,四线指通过正常工作电流的三根相线和一根N线(中性线),或称零线。
不包括不通过正常工作电流的PE线(接地线)。
由于在三相四线制中有中线,而中线的作用在于保证负载上的各相电压接近对称,在负载不平衡时不致发生电压升高或降低,若一相断线,其他两相的电压不变。
所以在低压供电线路上采用三相四线制。
L1---(A)相、L2---(B)相、L3---(C)相,各相线之间的电压称为线电压,线电压为380伏。
L1---(A)相、L2---(B)相、L3---(C)相中的任一相与N线(中性线) 或称零线间的电压,称为相电压。
相电压为220伏。
三相五线制中五线指的是:三根相线加一根地线一根零线。
三相五线制比三相四线制多一根地线,用于安全要求较高,设备要求统一接地的场所。
三相五线制的学问就在于这两根"零线"上,在比较精密电子仪器的电网中使用时,如果零线和接地线共用一根线的话,对于电路中的工作零点会有影响的,虽然理论上它们都是零电位点,如果偶尔有一个电涌脉冲冲击到工作零线,而零线和地线却没有分开,比如这种脉冲却是因为相线漏电引起的,再如有些电子电路中如果零点飘移现象严重的话那么电器外壳就可能会带电,可能会损坏电气元件的,甚至损坏电器,造成人身安全的危险.零线和地线的根本差别在于一个构成工作回路,一个起保护作用叫做保护接地,一个回电网,一个回大地,在电子电路中这两个概念是要区别开来的.结构的区别:零线(N):从变压器中性点接地后引出主干线。
地线(PE):从变压器中性点接地后引出主干线,根据标准,每间隔20-30米重复接地。
原理的区别:零线(N):主要应用于工作回路,零线所产生的电压等于线阻乘以工作回路的电流。
由于长距离的传输,零线产生的电压就不可忽视,作为保护人身安全的措施就变得不可靠。
地线(PE):不用于工作回路,只作为保护线。
利用大地的绝对“0”电压,当设备外壳发生漏电,电流会迅速流入大地,即使发生PE线有开路的情况,也会从附近的接地体流入大地。
三相四线制与三相五线制漏电保护及接地三相四线制的漏电保护器严格地讲,在输入端必须是按照规定四根线都接入,而输出端可以是只接一相线一零线(单相)或两相(比如电焊机的380V两相)或三相(比如电动机)或三相四线都接(比如电机加照明)。
(1)如果零线不经漏电保护器而直接和用电设备连接,那从相线出来的电流(指单相)在“回路”到电源时就不经过漏电保护器了,此时漏电保护器就检测到这个电流(相当于漏电流),所以就引起漏电保护器跳闸。
(2)还有当三相电路中由于负载不平衡而引起中性点不是零电位,导致零线有电流,所以零线经过保护器的话也会引起跳闸。
(3)但是不管接什么设备,输出端的零线都不得接地,否则将无法正常供电,如需对设备接保护接地线必须从设备外壳直接接线至大地。
(4)三相四线制用漏电保护器一定用四极的•如果用三极的,在三相负载不平衡时由于没有零线电流的返回,漏电保护器就判断线路是在漏电,所以一合闸就会跳闸。
国际电工委员会(IEC)对基本供电系统的名称做了统一规定,即TT系统,TN系统,IT系统其中,第一个大写字母T表示电源变压器中性点直接接地;I则表示电源变压器中性点不接地(或通过高阻抗接地)。
第二个大写字母T表示电气设备的外壳直接接地,但和电网的接地系统没有联系;N表示电气设备的外壳与系统的接地中性线相连。
其中, TN系统又分为TN-C TN-S TN-C-S,详情见下图:TN-S系统TN-C-S 系统TT 系统I* 匚A1“ O No三相四线制(TN-C 系统)该接法包含:三根相线L1---(A )相、L2---(B )相、L3---(C )相和一根零线PEN 是工作 零线与保护零线合一设置的接零保护系统。
PEN 线是为了从380V 相间电压中获得220V 线间 电压而设的,有的场合也可以用来进行零序电流检测,以便进行三相供电平衡的监控。
注:用工作零线兼作接零保护线,可以称作保护中性线,可用 NPE 表示。
车间供电系统中三相四线制和三相五线制供电安全性比较车间供电系统在工业生产中起着至关重要的作用,为保障供电的安全性,选择适当的供电制度显得尤为重要。
目前车间供电系统中较为常见的是三相四线制和三相五线制两种供电系统。
本文将对这两种供电系统的安全性进行比较,并分析其优缺点。
1. 三相四线制供电系统三相四线制是指在供电系统中使用三相交流电,并利用一根中性线作为零线来完成电路的闭合。
该制度是目前较为常见的供电系统,其安全性主要表现在以下几个方面:首先,三相四线制供电系统具备短路保护功能。
当车间供电系统中出现短路故障时,系统能够迅速检测到短路并切断电源,防止电流过大引发火灾等安全事故。
其次,三相四线制供电系统能够减少电流的不平衡问题。
由于车间内的负载分布不均匀,可能导致电流在三相线中的分布不均衡,此时三相四线制能够通过中性线来平衡电流,减少对电气设备的损害。
再次,三相四线制供电系统利用中性线引导回路电流,有效降低了电流对地的影响。
这样一来,即使发生电流泄露,也能够迅速地检测到并切断电源,保护工作人员的人身安全。
不过,三相四线制供电系统也存在一些缺点。
例如,三相四线制无法提供可靠的零线,当电流不平衡较大时,可能会导致杂散电流引发电器设备的损坏。
2. 三相五线制供电系统三相五线制是在三相四线制的基础上增加了一个地线,用于引导回路中的故障电流,进一步提高供电的安全性。
相对于三相四线制,三相五线制在安全性方面的优势主要表现在以下几个方面:首先,三相五线制供电系统能够更好地保护人身安全。
由于增加了地线,当车间供电系统出现漏电时,故障电流能够通过地线流失至地面,防止触电事故的发生。
其次,通过增加地线,三相五线制供电系统能够降低电气设备受到雷击和电磁干扰的风险。
地线作为引导故障电流的路径,能够将由雷击和电磁波等产生的干扰电流导入地面,减少对设备的损害。
再次,三相五线制在故障检测方面具备更高的精准度。
通过监测地线中的电流变化,能够准确地判断供电系统是否存在漏电等故障,并及时采取措施进行修复。
低压供电系统中三相四线制和三相五线制三相四线制就是动力负载和照明负载共用-根零线。
三相五线是动力照明分开。
三相四线制:相线A、B、C,保护零线PEN,PEN线上有工作电流通过,PEN在进入用电建筑物处要做重复接地;三相五线制:相线A、B、C,零线N,保护接地线PE,N线有工作电流通过,PE线平时无电流(仅在出现对地漏电或短路时有故障电流);前者属于TN-C接地系统,后者属于TN-S接地系统。
如今我国民用建筑的配电方式采用后者。
三相四线制分两种情况:TN-S:L1L2L3+PE(保护线)+N(中性线)TN-C:L1L2L3+PEN(二者合一)三相五线制有一种情况:TN-C-S:L1L2L3+前半部PEN,后半部PE+N具体如下:低压系统接地制式按配电系统和电气设备接地的不同组合分类,可分为TN、TT、IT三种形式,其文字代号的意义如下:1、第一个字母表示配电系统的对地关系:T:电源端有一点直接接地;I:电源端所有带电部分与地绝缘,或有一点经阻抗接地。
2、第二个字母表示电气装置的外露导电部分与地的关系:T:外露导电部分对地直接做电气连接,与配电系统的任何接地点无关;N:外露导电部分与配电系统的接地点直接做电气连接(在交流配电系统中,接地点通常就是中性点)在TN系统中,所有电气设备的外露导电部分接到保护线上,与配电系统的接地点相连接。
这个接地点通常是配电系统的中性点。
如果没有中性点(如配电变压器二次侧为三角形接线)或未引出中性点,可将变压器二次侧的一相接地,但该接地线不能用作PEN线。
保护线应在每个变电所附近接地。
配电系统引入建筑物时,保护线在其入口处接地。
为了在故障时,保护线的电位尽量接近地电位,应尽可能将保护线与附近的有效接地极相连,如有必要,可增加接地点,并使其均匀分布。
根据中性线N与保护线PE是否合并的情况,TN系统又分为TN-C、TN-S及TN-C-S。
1、在TN-C系统中,保护线与中性线合并为PEN线,具有简单、经济的优点。
低压供电系统中三相四线制和三相五线制有何区别
三相四线制就是动力负载和照明负载共用-根零线。
三相五线是动力照明分开。
三相四线制:相线A、B、C,保护零线PEN,PEN线上有工作电流通过,PEN在进入用电建筑物处要做重复接地;三相五线制:相线A、B、C,零线N,保护接地线PE,N线有工作电流通过,PE线平时无电流(仅在出现对地漏电或短路时有故障电流);
前者属于TN-C接地系统,后者属于TN-S接地系统。
如今我国民用建筑的配电方式采用后者。
三相四线制分两种情况:
TN-S:L1L2L3+PE(保护线)+N(中性线)
TN-C:L1L2L3+PEN(二者合一)
三相五线制有一种情况:
TN-C-S:L1L2L3+前半部PEN,后半部PE+N
具体如下:
低压系统接地制式按配电系统和电气设备接地的不同组合分类,可分为TN、TT、IT三种形式,其文字代号的意义如下:
1、第一个字母表示配电系统的对地关系:
T:电源端有一点直接接地;
I:电源端所有带电部分与地绝缘,或有一点经阻抗接地。
2、第二个字母表示电气装置的外露导电部分与地的关系:
T:外露导电部分对地直接做电气连接,与配电系统的任何接地点无关;
N:外露导电部分与配电系统的接地点直接做电气连接(在交流配电系统中,接地点通常就是中性点)
在TN系统中,所有电气设备的外露导电部分接到保护线上,与配电系统的接地点相连接。
这个接地点通常是配电系统的中性点。
如果没有中性点(如配电变压器二次侧为三角形接线)或未引出中性点,可将变压器二次侧的一相接地,但该接地线不能用作PEN线。
保护线应在每个变电所附近接地。
配电系统引入建筑物时,保护线在其入口处接地。
为了在故障时,保护线的电位尽量接近地电位,应尽可能将保护线与附近的有效接地极相连,如有必要,可增加接地点,并使其均匀分布。
根据中性线N与保护线PE是否合并的情况,TN系统又分为TN-C、TN-S及TN-C-S。
1、在TN-C系统中,保护线与中性线合并为PEN线,具有简单、经济的优点。
当发生接地故障时,故障电流大,可采用一般过电流保护电器切断电源,以保证安全。
但对于单相负荷或三相不平衡负荷以及有谐波电流负荷的线路,正常PEN线有电流,其所产生的压降呈现在电气设备的金属外壳和线路金属套管上,这对敏感的电子设备不利。
另外,PEN线上的微弱电流在爆炸危险环境也能引起爆炸,因此,我国《爆炸危险环境电力设备设计规范》中明确规定:在1、10区爆炸危险环境中不能采用TN-C系统。
同时由于PEN线在同一建筑物内往往相互有电气连接,当PEN线断线或相线直接与大地短路时,都将呈现相当高的对地故障电压,这时可能扩大事故范围。
2、在TN-S系统中,保护线与中性线分开,具有TN-C系统的优点,但价格较贵。
由于正常情况下PE线不通过负荷电流,与PE线相连的电气设备金属外壳不带电位,所以适用于数据处理和精密电子仪器设备的供电,也可用于有爆炸危险的环境中。
在民用建筑中,家用电器大都有单独接地极的插头,采用TN-S供电,既方便又安全。
但TN-S系统仍不能解决相线对大地适中引起电压升高和对地故障电压的蔓延问题。
3、在TN-C-S系统中,PEN线自A点起分为保护线和中性线,分开以后,N线应对地绝缘。
为了防止分开后的PE线与N线混淆,应按国标GB7947-87的规定,给PE线和PEN线涂以黄绿相间的色标,给N线涂以浅蓝色色标。
PEN自分开后,PE线与N线不能再合并,否则将丧失分开后形成的TN-S系统的特点。
TN-C-S是广泛采用的配电系统,在工矿企业中,对电位敏感的电气设备往往设置在线路未端,而线路前端大多数为固定设备,因此,到了线咱未端改为TN-S系统十分不利。
在民用建筑中,电源线咱采用TN-C系统,进入建筑物内改为TN-S系统。
这种系统,线路结构简单又能保证一定的安全水平。
在电源侧的PEN线上难免有一定的电压降,但对工矿企业的固定设备及作为民用建筑的电源线都没有影响,PEN分开后即有专用的保护线,可以确保TN-S所具有的特点。