工程项目等级分类表
- 格式:docx
- 大小:12.95 KB
- 文档页数:7
一二级工程项目划分标准
一、二级工程项目的划分标准如下:
1. 一级工程:
工程规模:规模非常大,具有战略性意义,对社会经济产生重大影响。
技术难度:技术要求高,具有很高的技术含量,需要采用先进的技术和设备来完成。
投资要求:投资规模大,需要大量的资金投入,且投资回收期较长。
风险程度:风险较高,受多种因素影响,包括技术、市场、政策等。
资源消耗:资源消耗较大,需要大量的原材料、能源和水资源等。
2. 二级工程:
工程规模:规模较大,对社会经济有一定影响。
技术难度:技术要求较高,具有一定的技术含量,需要采用一定的先进技术。
投资要求:投资规模适中,需要一定的资金投入,但相对一级工程投资规模较小。
风险程度:风险较低,受多种因素影响较小。
资源消耗:资源消耗适中,需要一定的原材料、能源和水资源等。
总的来说,一级工程和二级工程在规模、技术难度、投资要求、风险程度和资源消耗等方面都有所不同。
在实际操作中,应根据项目的具体情况进行合理划分。
民用建筑工程设计等级分类表民用建筑工程设计等级分类表工程等级。
特征。
类型特级。
单体建筑面积8万平方米以上或立项投资2亿元以上或建筑高度100米以上或24层以上或工附建式人防程(防护等级)或技术特别复杂、有声、光、热、振动、视线等特殊要求或国家级经济、文化、历史、涉外等重点工程项目。
一级。
单体建筑面积5千平方米及以上至8万平方米以下或立项投资1千万元以上至4千万元以下或建筑高度50米以上至100米以下或12层以上至20层以下或抗震设防区为四级及以上。
二级。
单体建筑面积5千平方米以下或立项投资1千万元及以下或建筑高度50米以下或12层以下或抗震设防区为五级及以下。
三级。
住宅、宿舍、住宅小区、工厂生活区。
注:符合某工程等级特征之一的项目即可确认为该工程等级项目。
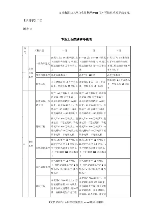
燃气专业工程项目等级分类表规模。
一级。
二级。
三级气源。
人工燃气。
LPG。
混气站20万立方米/日以上。
20万立方米/日及其以下。
并组气化站燃气厂储备输配站外网应用设备5万立方米以上。
5万立方米及以下。
一般工业燃烧设备1-5万户。
1万户以下。
热水器,一般灶具注:符合某工程等级特征之一的项目即可确认为该工程等级项目。
道桥专业工程项目规模表项目类别。
大型。
中型。
小型大型桥梁。
单跨大于100米或全长大于500米。
单跨大于40米或全长大于100米。
单跨小于40米或全长小于100米立交。
全互通或面积大于2万平方米。
部分互通或面积大于5000平方米。
简易立交道路。
长度大于10千米或投资大于1亿。
长度1-10千米或投资0.1-1亿。
长度小于1千米或投资小于0.1亿市政规划。
面积大于10平方千米。
面积1-10平方千米。
小于1平方千米注:符合某工程等级特征之一的项目即可确认为该工程等级项目。
文件编号: 18-F4-1D -A1-D5
整理人 尼克
输电线路工程项目划分表
工程项目等级分类表附表一:
一、民用建筑工程设计等级分类表
注:1、符合某工程等级特征之一的项目即可确认为该工程等级项目;
2、勘察甲、乙、丙级相当于一、二、三级工程。
二、工业建筑工程等级分类表
以上摘自建筑工程设计资质分级标准(建设[1999]9号)三、市政公用行业建设项目设计规模划分表
整理丨尼克
本文档信息来自于网络,如您发现内容不准确或不完善,欢迎您联系我修正;如您发现内容涉嫌侵权,请与我们联系,我们将按照相关法律规定及时处理。
项目分类分级标准第一章总则第一条为提高项目管理水平及效率,适应科学管理的需要,从工程建设项目的性质、内容和规模等不同维度对工程建设项目进行分类分级。
第二条本标准适用于集团范围内所有在建施工项目。
第二章工程项目分类分级标准第三条按项目规模分类(编码A)按照建筑面积及工程造价分为:特大型(1级)、特大型(2级)、大型(3级)、大型(4级)、中型(5级)、中型(6级)、小型(7级)共七个等级。
具体标准如表1所示:表1:项目规模分类分级标准注:项目规模以建筑面积或工程造价其中一项按就高不就低的原则划分类别,市政等项目规模以工程造价划分。
第四条按项目功能分类(编码B)按项目功能分为:住宅项目(B01)、工民建项目(B02)、市政项目(B03)、其他项目(B04)。
具体标准如表2所示:表2:项目功能分类分级标准注:1.B01包含住宅小区及建筑群体工程项目;2.B02包含工业、民用与公共建筑、商业、办公、体育文化工程项目;3.B03包含市政、交通能源及环保工程项目。
第五条按承建模式分类(编码C)按承建模式分为:工程总承包项目(C01)、施工总承包项目(C02),专业分包项目(C03),劳务分包项目(C04)。
具体标准如表3所示:表3:项目承建模式分类分级标准第三章分类分级权限第六条分类分级权限界定二级单位工程管理部门负责组织项目分类分级工作,报本单位项目管理委员会审批。
第四章权责监管第七条集团工程管理与安全生产部对项目分类分级情况进行动态监督与定期检查。
第五章附则第八条本文件自下发之日起试行,原各二级单位执行的《项目分类分级标准》同时废止。
工程项目等级分类表附表一:
一、民用建筑工程设计等级分类表
注:1、符合某工程等级特征之一的项目即可确认为该工程等级项目;
2、勘察甲、乙、丙级相当于一、二、三级工程。
二、工业建筑工程等级分类表
以上摘自建筑工程设计资质分级标准(建设[1999]9号)
三、市政公用行业建设项目设计规模划分表
工程等级划分表
注:凡符合工程等级特征之一的,即可确认该工程的等级。
整理丨尼克
本文档信息来自于网络,如您发现内容不准确或不完善,欢迎您联系我修正;如您发现内容涉嫌侵权,请与我们联系,我们将按照相关法律规定及时处理。
民用建筑工程设计等级分类表1 / 1民用建筑工程设计等级分类表序号建 设 项 目 工程等级特征大型中型小型单体建筑面积 20000㎡以上 5000~20000㎡ ≤5000㎡ 建筑高度 >50m24~50m≤24m1.大型公共建筑工程1.中型公共建筑工程1.功能单一、技术要求简单的小型公共建筑工程2.技术要求复杂或具有经济、文化、2.技术要求复杂或有地区性意2.高度<24m 的一般公共建历史等意义的省(市)级中小型公共筑工程建筑工程 义的小型公共建筑工程3.高度>50m 的公共建筑工程 3.高度 24-50m 的一般公共建筑工程 3.小型仓储建筑工程一4.仿古建筑、一般标准的古建4.相当于四、五星级饭店标准的室内 4.简单的设备用房及其它配般装修、特殊声学装修工程筑、保护性建筑以及地下建筑工1公程套用房工程共建复杂程度 5.高标准的古建筑、保护性建筑和地5.简单的建筑环境设计及室筑下建筑工程5.大中型仓储建筑工程 外工程6.高标准的建筑环境设计和室外工6.一般标准的建筑环境设计和6.相当于一星级饭店及以下 程室外工程标准的室内装修工程7.跨度小于 24 米、吊车吨位7.跨度小于 30 米、吊车吨位小小于 10 吨的单层厂房或仓7.技术要求复杂的工业厂房于 30 吨的单层厂房或仓库;跨库;跨度小于 6 米、楼盖无动度小于 12 米、6 层以下的多层厂房或仓库荷载的 3 层以下的多层厂房或仓库8.相当于二、三星级饭店标准的室内装修工程层数>20 层12~20层≤12 层(其中砌块建筑不得超过抗震规范层数限值要求)2 住宅 宿舍20层以上居住建筑和20层及以下高20 层及以下一般标准的居住建复杂程度标准居住建筑工程筑工程住宅小区工单体建筑按上述住宅或公共3 厂生活区总建筑面积 >30 万㎡规划设计≤30 万㎡规划设计建筑标准执行地下空间(总建>1 万㎡≤1 万㎡筑面积)4 地下 工程 附建式人防(防人防疏散干道、支干道及人防四级及以上 五级及以下护等级) 连接通道等人防配套工程。
工程项目等级分类表附表一:
一、民用建筑工程设计等级分类表
注:1、符合某工程等级特征之一的项目即可确认为该工程等级项目;
2、勘察甲、乙、丙级相当于一、二、三级工程。
二、工业建筑工程等级分类表
以上摘自建筑工程设计资质分级标准(建设[1999]9号)
三、市政公用行业建设项目设计规模划分表
道桥专业工程项目规模表
项目类别桥梁立交道路市政规划
大型单跨大于100
米或全长大于
500米
全互通或面积
大于2万平方
米
长度大于10
千米或投资大
于1亿
面积大于10
平方千米
中型单跨大于40
米或全长大于
100米
部分互通或面
积大于5000
平方米
长度1-10千
米或投资
0.1-1亿
1-10平方千米
小型单跨小于40
米或全长小于
100米
简易立交长度小于1千
米或投资小于
0.1亿
小于1平方千
米。
工程项目等级分类表附表一:一、民用建筑工程设计等级分类表工程等级类型特征特级一级二级三级一般公共建筑单体建筑面积8万平方米以上2万平方米以上至8万平方米5千平方米以上至2万平方米5千平方米以下立项投资2亿元以上4千万元以上至2亿元1千万元以上至4千万元1千万元以上建筑高度100米以上50米以上至100米24米以上至50米24米及以下(其中砌体建筑不得超过抗震规范高度限值要求)住宅、宿舍层数20层以上12层以上至20层12米及以下(其中砌体建筑不得超过抗震规范高度限值要求)住宅小区工厂生活区总建筑面积10万平方米以上10万平方米及以下地下工程地下空间(总建筑面积)5万平方米以上1万平方米以上至5万平方米1万平方米以下附建式人防(防护等级)四级及以上五级及以下特殊公共建筑超限高层建筑抗震要求抗震设防区特殊超限高层建筑抗震设防区建筑高度100米及以下的一般超限高层建筑技术复杂、有声、光、热、振动、视线等特殊要求技术特别复杂技术比较复杂重要性国家级经济、文化、历史、涉外等重点工程项目省级经济、文化、历史、涉外等重点工程项目注:1、符合某工程等级特征之一的项目即可确认为该工程等级项目;2、勘察甲、乙、丙级相当于一、二、三级工程。
二、工业建筑工程等级分类表类型特征大型中型小型单层工业厂房和仓库吊车吨位>30吨10-30吨≤10吨跨度>30米24-30米≤24米多层工业厂房和仓库层数>6层6层以下3层及以下(楼盖无动荷载)跨度>12米6-12米≤6米以上摘自建筑工程设计资质分级标准(建设[1999]9号)三、市政公用行业建设项目设计规模划分表序号建设项目计算(量)单位大型中型小型备注1 给水工程万吨/日≥20 5—20 ≤52 排水工程万吨/日≥10 4—10 ≤43 燃气工程管道燃气(包括气源厂)万立方米/日≥30 10-30 ≤10液化气万吨/年≥3 0.5—3 ≤0.5热力工程万平方米≥500 150-500 <1504 道路工程万平方米≥10 4—10 ≤45 隧道工程米≥1000 250—1000 ≤250桥梁工程米≥100 30-100 ≤30 多孔跨径米≥40 30—40 ≤30 单孔跨径8 风景园林工程万元>1000 100—1000 ≤100生活垃圾焚烧工程吨/日≥300 100—300 ≤100生活垃圾卫生填埋工程吨/日≥800300—800 ≤300堆肥工程吨/日≥300100—300 ≤100。
工程项目等级分类表一、前言为了统一工程建设项目的等级划分,根据国家有关法律法规和规章制度的要求,本表根据建设项目的规模、质量、安全和社会效益等因素对工程项目进行分级分类,供各类建设投资、施工、设计、监理、验收和管理单位参考。
二、等级分类标准根据国家《建筑工程质量管理条例》、《建筑工程施工品质等级评定标准》、《工程建设项目环境影响评价技术导则》、《投资项目环境影响评价管理办法》等法律法规和规章制度以及各省、市、自治区的地方标准和工业、交通、水利、电力、石化等行业规范,本分类表将工程项目按照规模、技术难度、社会效益和安全隐患等因素进行综合评定。
具体分类标准如下:1.国家重点工程:国家明令规定的具有战略意义和重大现实意义的工程项目,分为A级和B级。
A级为国家重点基础设施建设项目和型号工程,B级为国务院工程建设项目。
2.大型工程:标准型工业、民用和民生工程项目,分为I级、Ⅱ级、Ⅲ级。
工程投资额达到一定的规模,一般需要在政府、企业、社会之间形成合作机制和重要的社会效益。
3.中型工程:投资额适中的规模,主要为市政、住宅、办公、商业、旅游、生态环境、公共设施和文化教育等项目。
4.小型工程:投资额较小,主要为道路、桥梁、排水、供水、供电等基础设施建设和现代农业、畜牧业、林业、渔业等新农村建设及其他社区设施。
小型工程项目分为A级、B级和C级,一般由农村、乡镇和企业自行或通过政府资金扶持建设。
三、等级分类表等级分类项目规模项目特点项目难度社会效益安全隐患国家重点工程A级:投资额超过100亿元重大现实意义,战略意义非常复杂,大规模、高难度较大社会效益,重大经济和技术前景安全风险高国家重点工程B级:投资额超过50亿元国务院批准建设的项目复杂、大规模、高难度较大社会效益,重大经济和技术前景安全风险高大型工程I级:投资额超过10亿元具有行业领先水平、较大影响力的工程项目技术难度大,且规模庞大较大社会效益,较高的经济和技术前景安全隐患较大大型工程Ⅱ级:投资额超过5亿元投资规模大,影响力较大的工程项目技术性强,规模较大,有一定的难度确保较大社会效益,有所发展空间安全隐患较大大型工程Ⅲ级:投资额超过1亿元技术规模适中,投资规模较为稳定的工程项目规模适中,难度适中一定的社会效益,可达到一定的经济效果安全隐患较小中型工程投资额在1亿以下投资在百万级到千万级之间的工程项目技术规模适中可以满足城市和社区的基本需求,具有一定的经济效益安全隐患较小小型工程A级:投资额在500万元以下外围、次要设施和旧村改造等项目技术规模小,基础设施建设增强社区综合服务能力和发展潜力安全风险较小小型工程B级:投资额在200万元以下社区容灾避险、文化教育、营销中心及窗口服务等项目技术规模适中提高公共服务功能和满足市场需求安全风险较小小型工程C级:投资额在50万元以下农村改厕、小型公路、小型排涝等基础设施建设项目规模小,难度低改善广大群众的生产生活环境安全风险较小四、工程项目等级分类表是根据国家法律法规和规章制度的要求制定而成,旨在统一工程建设项目的等级划分。
附件1:
工程项目等级分类表
、民用建筑工程设计等级分类表
(续表)
注:1 •符合某工程等级特征之一的项目即可确认为该工程等级项目;
2•勘察甲、乙、丙级相当于一、二、三级工程
二、工业建筑工程等级分类表
以上摘自建筑工程设计资质分级标准(建设[1999]9号)、市政公用行业建设项目设计规模划分表
附录2:
施工工程等级标准列表
、施工总承包工程等级标准
、专业承包工程等级标准
造价1000万元以上建筑智能化工程造价500万元以上建筑智能化工程
符合下列条件之一:符合下列条件之一:
(1)直径250毫米以上、长度100公里以上的原油、成品油、天然气管道工程,累计500公里以上;
(1)直径150毫米以上、长度30公里以上的原油、成品油、天然气管道工程,累计200公里以上;
(2)直径250毫米以上的燃气、热力、矿浆、灰浆、水等管道工程,累计400 公里以上;
(2)直径150毫米以上的燃气、热力、矿浆、灰浆、水等管道工程,累计200 公里以上;
(3)单体容积2万立方米以上储罐及配套工程;
(3 )单体容积1万立方米以上储罐及配套工程;
(4)直径2.0米以上混凝土管道工程30公里以上;
(4)直径1.4米以上混凝土管道工程80公里以上;
(5)直径1.6米以上混凝土管道工程100公里以上。
(5)直径1.0米以上混凝土管道工程120公里以上。
建筑智能化工程
管道工程。