山东省建筑施工企业安全生产许可证动态考核标准
- 格式:doc
- 大小:155.00 KB
- 文档页数:13
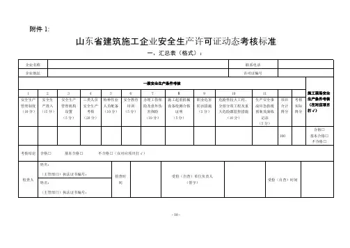
附件1:山东省建筑施工企业安全生产许可证动态考核标准一、汇总表(格式):企业名称联系电话企业地址许可证编号一般安全生产条件考核1234567891011安全生产管理制度(10分)安全生产投入(15分)安全生产管理机构设置(5分)三类人员安全生产考核(20分)特种作业人员配备(10分)安全教育培训(5分)办理工伤保险及意外伤害保险(10分)施工起重机械设备检测合格证明(5分)职业危害防治措施(5分)危险性较大工程、分部分项工程及重大危险源监控措施(10分)生产安全事故应急救援预案及演练记录(5分)项目合计得分考核实际得分施工现场安全生产条件考核(在对应项目打√)100合格□基本合格□不合格□考核结论合格□基本合格□不合格□(在对应项目打√)姓名:(主管部门)执法证书编号:检查人姓名:(主管部门)执法证书编号:检查时间受检(自查)单位负责人(签字)受检(自查)时间- 10 -考核评分说明1、此表及以下表格可作为企业自查使用,也可作为主管部门抽查使用。
企业一般安全生产条件动态考核对应11个分表,考核结果汇总所得分值,作为企业一般安全生产条件考核的依据。
结合施工现场安全生产条件动态考核结果,确定企业安全生产许可证动态考核结果。
2、一般安全生产条件动态考核汇总分值计算方法(考核计分采用百分制)(1)各分表中20分(含)以上项目为主要评价项目,20分以下项目为一般评价项目。
每个分表中有2项主要评价项目或3项一般评价项目得分为0,该分表不得分。
汇总表单项得0分,一般安全生产条件动态考核为0分。
(2)汇总表中各分项实得分=该分项在考核分表中实得分之和乘以汇总表该分项应得分值/100。
(3)汇总表中企业考核实际得分=汇总表中分项合计总分。
(4)各分表中每项扣减分数总和超出该项应得分后,该项实得分数为零。
二、企业一般安全生产条件动态考核分表(格式)- 11 -2-1:安全生产管理制度序号评价项目检查评价方法应得分评分标准扣减分数实得分数1本企业部门设置及管理人员花名册查有关文件5未根据企业管理特点设置部门的,扣5分;未建立管理人员档案的,扣5分。
鲁建管质安字〔2005〕3号关于印发《山东省建筑施工企业管理人员安全生产考核标准(试行)》和《山东省建筑施工企业管理人员安全生产考核大纲(试行)》的通知各市建管局(处、办),有关市建委(建设局):为贯彻落实《建设工程安全生产管理条例》、《山东省建筑施工企业管理人员安全生产考核实施暂行办法》,做好建筑施工企业主要负责人、项目负责人和专职安全生产管理人员安全生产考核工作,省建管局制定了《山东省建筑施工企业管理人员安全生产考核标准》(试行)和《山东省建筑施工企业管理人员安全生产考核大纲》(试行),现印发给你们,请结合当地实际,认真贯彻执行。
执行过程中有什么问题,请及时向省建管局反馈。
附件:一、山东省建筑施工企业管理人员安全生产考核标准(试行)二、山东省建筑施工企业管理人员安全生产考核大纲(试行)二○○五年二月二十四日附件一山东省建筑施工企业管理人员安全生产考核标准(试行)本考核标准依据《安全生产法》和《建设工程安全生产管理条例》、《安全生产许可证条例》及《建筑施工企业主要负责人、项目负责人和专职安全生产管理人员安全生产考核管理暂行规定》(建质﹝2004﹞59号)和《山东省建筑施工企业管理人员安全生产考核实施暂行办法》(鲁建管发﹝2004﹞15号)的有关规定制定。
1.考核范围1.1 本标准适用于本省行政区域内建筑施工企业管理人员按照《山东省建筑施工企业管理人员安全生产考核管理暂行办法》进行任职安全生产考核。
1.2 本标准所称建筑施工企业管理人员,是指建筑施工企业(含独立法人子公司)的主要负责人、项目负责人和专职安全生产管理人员。
1.2.1建筑施工企业主要负责人,是指对本企业日常生产经营活动和安全生产工作全面负责、有生产经营决策权的人员。
包括企业法定代表人、企业最高行政负责人和企业分管安全生产工作行政负责人等。
1.2.2建筑施工企业项目负责人,是指由企业法定代表人授权,负责建设工程项目管理的项目行政负责人等。
建筑施工企业安全生产许可证动态监管暂行办法第一条为加强建筑施工企业安全生产许可证的动态监管,促进建筑施工企业保持和改善安全生产条件,控制和减少生产安全事故,根据《安全生产许可证条例》、《建设工程安全生产管理条例》和《建筑施工企业安全生产许可证管理规定》等法规规章,制定本办法.第二条建设单位或其委托的工程招标代理机构在编制资格预审文件和招标文件时,应当明确要求建筑施工企业提供安全生产许可证,以及企业主要负责人、拟担任该项目负责人和专职安全生产管理人员(以下简称“三类人员”)相应的安全生产考核合格证书。
第三条建设主管部门在审核发放施工许可证时,应当对已经确定的建筑施工企业是否具有安全生产许可证以及安全生产许可证是否处于暂扣期内进行审查,对未取得安全生产许可证及安全生产许可证处于暂扣期内的,不得颁发施工许可证。
第四条建设工程实行施工总承包的,建筑施工总承包企业应当依法将工程分包给具有安全生产许可证的专业承包企业或劳务分包企业,并加强对分包企业安全生产条件的监督检查。
第五条工程监理单位应当查验承建工程的施工企业安全生产许可证和有关“三类人员”安全生产考核合格证书持证情况,发现其持证情况不符合规定的或施工现场降低安全生产条件的,应当要求其立即整改.施工企业拒不整改的,工程监理单位应当向建设单位报告。
建设单位接到工程监理单位报告后,应当责令施工企业立即整改。
第六条建筑施工企业应当加强对本企业和承建工程安全生产条件的日常动态检查,发现不符合法定安全生产条件的,应当立即进行整改,并做好自查和整改记录.第七条建筑施工企业在“三类人员”配备、安全生产管理机构设置及其它法定安全生产条件发生变化以及因施工资质升级、增项而使得安全生产条件发生变化时,应当向安全生产许可证颁发管理机关(以下简称颁发管理机关)和当地建设主管部门报告。
第八条颁发管理机关应当建立建筑施工企业安全生产条件的动态监督检查制度,并将安全生产管理薄弱、事故频发的企业作为监督检查的重点。
山东省建筑施工企业安全生产许可证管理办法第一章总则第一条为了严格规范建筑施工企业安全生产条件,进一步加强安全生产监督管理,防止和减少生产安全事故,根据《建筑施工企业安全生产许可证管理规定》、《建筑施工企业安全生产许可证动态监管暂行办法》,制定本办法。
第二条在本省行政区域内申请建筑施工企业安全生产许可证,对建筑施工企业实施安全生产许可证管理,适用本办法。
本办法所称建筑施工企业,是指从事土木工程、建筑工程、线路管道和设备安装工程及装修工程的新建、扩建、改建和拆除等有关活动的企业。
第三条除预拌商品混凝土、混凝土预制构件、电梯安装工程专业承包企业外,取得施工总承包、专业承包、劳务分包资质和建筑智能化工程、消防设施工程、建筑装饰装修工程、建筑幕墙工程设计与施工资质的建筑施工企业均须取得安全生产许可证。
未取得安全生产许可证的,不得参加建设工程的投标和从事建设工程施工等活动。
第四条省建筑工程管理局负责省内除市政公用工程施工企业以外的建筑施工企业安全生产许可证的颁发和管理,并接受省建设行政主管部门和国务院建设行政主管部门的指导和监督。
县级以上人民政府建设(建筑)行政主管部门负责本行政区域内建筑施工企业安全生产许可证的监督管理工作。
第五条各市建设(建筑)行政主管部门负责辖区内注册的建筑施工企业安全生产许可证申报、延期换证和管理工作。
省交通运输厅、省水利厅、省煤炭工业局、省地矿局、省公安厅消防局、省冶金总公司、山东电力集团公司、山东黄河河务局等有关单位在各自的职责范围内,负责其所属行业建筑施工企业安全生产许可证申报、延期换证和管理工作。
第二章申请和延期第六条建筑施工企业首次申请安全生产许可证,应当具备下列安全生产条件:(一)建立、健全安全生产责任制,制定完备的安全生产规章制度和操作规程;(二)保证本单位安全生产条件所需资金的投入;(三)设置安全生产管理机构,按照国家有关规定配备专职安全生产管理人员;(四)主要负责人、项目负责人、专职安全生产管理人(以下简称“三类人员”)经省级以上建设(建筑)主管部门或者其他有关部门考核合格;(五)特种作业人员经有关业务主管部门考核合格,取得特种作业操作资格证书;(六)管理人员和作业人员每年至少进行一次安全生产教育培训并考核合格;(七)依法参加工伤保险,依法为施工现场从事危险作业的人员办理意外伤害保险,为从业人员交纳保险费;(八)施工现场的办公、生活区及作业场所和安全防护用具、机械设备、施工机具及配件符合有关安全生产法律、法规、标准和规程的要求;(九)有职业危害防治措施,并为作业人员配备符合国家标准或者行业标准的安全防护用具和安全防护服装;(十)有对危险性较大的分部分项工程及施工现场易发生重大事故的部位、环节的预防、监控措施和应急预案;(十一)有生产安全事故应急救援预案、应急救援组织或者应急救援人员,配备必要的应急救援器材、设备;(十二)法律、法规规定的其他条件。
山东省建筑施工企业安全生产许可证动态考核办法第一条为加强建筑施工企业安全生产许可证的动态监管,促进建筑施工企业保持和改善安全生产条件,控制和减少生产安全事故,根据《建筑施工企业安全生产许可证动态监管暂行办法》和《山东省建筑施工企业安全生产许可证管理办法》,制定本办法.第二条在本省行政区域内取得安全生产许可证的建筑施工企业,适用本办法。
第三条各市建设(建筑)主管部门负责辖区内注册的建筑施工企业安全生产许可证动态考核工作.省交通运输厅、省水利厅、省煤炭工业局、省地矿局、省公安厅消防局、省冶金总公司、山东电力集团公司、山东黄河河务局等有关单位在各自的职责范围内,负责其所属行业建筑施工企业安全生产许可证动态考核工作.第四条建筑施工企业安全生产许可证动态考核将《建筑施工企业安全生产许可证管理规定》中的11项安全生产条件进行分解,形成《山东省建筑施工企业安全生产许可证动态考核标准》(附件1,以下简称《动态考核标准》).实行企业一般安全生产条件动态考核和施工现场安全生产条件动态双考核联动机制,考核结果分为合格、基本合格、不合格。
分别对应绿、黄、红三色动态监管,绿色为最高级别,红色为最低级别。
企业初始监管状态为绿色,上一年度考核不计入下一年度.第五条企业一般安全生产条件动态考核实行量化打分制,汇总分值作为企业一般安全生产条件动态考核的依据,存在问题作为企业安全生产条件不良行为予以记录。
第六条企业一般安全生产条件动态考核汇总分值85分(含)以上,定为合格,列入绿色监管。
第七条企业一般安全生产条件动态考核汇总分值70分(含)至85分(不含),定为基本合格,列入黄色监管。
各市建设(建筑)主管部门(省直有关部门)应立即与该企业主要负责人进行约谈,限期整改,并至少抽查该企业30%以上施工现场。
整改后经市建设(建筑)主管部门(省直有关部门)检查合格,解除黄色监管,转化为绿色监管。
第八条企业一般安全生产条件动态考核汇总分值70分(不含)以下或定为基本合格后经整改仍达不到要求,定为不合格,列入红色监管。
建筑施工企业安全生产许可证动态监管暂行办法第一条为加强建筑施工企业安全生产许可证的动态监管,促进建筑施工企业保持和改善安全生产条件,控制和减少生产安全事故,根据《安全生产许可证条例》、《建设工程安全生产管理条例》和《建筑施工企业安全生产许可证管理规定》等法规规章,制定本办法。
第二条建设单位或其委托的工程招标代理机构在编制资格预审文件和招标文件时,应当明确要求建筑施工企业提供安全生产许可证,以及企业主要负责人、拟担任该项目负责人和专职安全生产管理人员(以下简称“三类人员”)相应的安全生产考核合格证书。
第三条建设主管部门在审核发放施工许可证时,应当对已经确定的建筑施工企业是否具有安全生产许可证以及安全生产许可证是否处于暂扣期内进行审查,对未取得安全生产许可证及安全生产许可证处于暂扣期内的,不得颁发施工许可证.第四条建设工程实行施工总承包的,建筑施工总承包企业应当依法将工程分包给具有安全生产许可证的专业承包企业或劳务分包企业,并加强对分包企业安全生产条件的监督检查。
第五条工程监理单位应当查验承建工程的施工企业安全生产许可证和有关“三类人员”安全生产考核合格证书持证情况,发现其持证情况不符合规定的或施工现场降低安全生产条件的,应当要求其立即整改。
施工企业拒不整改的,工程监理单位应当向建设单位报告.建设单位接到工程监理单位报告后,应当责令施工企业立即整改.第六条建筑施工企业应当加强对本企业和承建工程安全生产条件的日常动态检查,发现不符合法定安全生产条件的,应当立即进行整改,并做好自查和整改记录.第七条建筑施工企业在“三类人员"配备、安全生产管理机构设置及其它法定安全生产条件发生变化以及因施工资质升级、增项而使得安全生产条件发生变化时,应当向安全生产许可证颁发管理机关(以下简称颁发管理机关)和当地建设主管部门报告。
第八条颁发管理机关应当建立建筑施工企业安全生产条件的动态监督检查制度,并将安全生产管理薄弱、事故频发的企业作为监督检查的重点。
建筑施工企业安全生产许可证动态监管暂行办法LG GROUP system office room 【LGA16H-LGYY-LGUA8Q8-LGA162】建筑施工企业安全生产许可证动态监管暂行办法第一条为加强建筑施工企业安全生产许可证的动态监管,促进建筑施工企业保持和改善安全生产条件,控制和减少生产安全事故,根据《安全生产许可证条例》、《建设工程安全生产管理条例》和《建筑施工企业安全生产许可证管理规定》等法规规章,制定本办法。
第二条建设单位或其委托的工程招标代理机构在编制资格预审文件和招标文件时,应当明确要求建筑施工企业提供安全生产许可证,以及企业主要负责人、拟担任该项目负责人和专职安全生产管理人员(以下简称“三类人员”)相应的安全生产考核合格证书。
第三条建设主管部门在审核发放施工许可证时,应当对已经确定的建筑施工企业是否具有安全生产许可证以及安全生产许可证是否处于暂扣期内进行审查,对未取得安全生产许可证及安全生产许可证处于暂扣期内的,不得颁发施工许可证。
第四条建设工程实行施工总承包的,建筑施工总承包企业应当依法将工程分包给具有安全生产许可证的专业承包企业或劳务分包企业,并加强对分包企业安全生产条件的监督检查。
第五条工程监理单位应当查验承建工程的施工企业安全生产许可证和有关“三类人员”安全生产考核合格证书持证情况,发现其持证情况不符合规定的或施工现场降低安全生产条件的,应当要求其立即整改。
施工企业拒不整改的,工程监理单位应当向建设单位报告。
建设单位接到工程监理单位报告后,应当责令施工企业立即整改。
第六条建筑施工企业应当加强对本企业和承建工程安全生产条件的日常动态检查,发现不符合法定安全生产条件的,应当立即进行整改,并做好自查和整改记录。
第七条建筑施工企业在“三类人员”配备、安全生产管理机构设置及其它法定安全生产条件发生变化以及因施工资质升级、增项而使得安全生产条件发生变化时,应当向安全生产许可证颁发管理机关(以下简称颁发管理机关)和当地建设主管部门报告。
建筑施工企业安全生产许可证动态监管暂行办法第一条为加强建筑施工企业安全生产许可证的动态监管,促进建筑施工企业保持和改善安全生产条件,控制和减少生产安全事故,根据《安全生产许可证条例》、《建设工程安全生产管理条例》和《建筑施工企业安全生产许可证管理规定》等法规规章,制定本办法。
第二条建设单位或其委托的工程招标代理机构在编制资格预审文件和招标文件时,应当明确要求建筑施工企业提供安全生产许可证,以及企业主要负责人、拟担任该项目负责人和专职安全生产管理人员(以下简称“三类人员”)相应的安全生产考核合格证书。
第三条建设主管部门在审核发放施工许可证时,应当对已经确定的建筑施工企业是否具有安全生产许可证以及安全生产许可证是否处于暂扣期内进行审查,对未取得安全生产许可证及安全生产许可证处于暂扣期内的,不得颁发施工许可证。
第四条建设工程实行施工总承包的,建筑施工总承包企业应当依法将工程分包给具有安全生产许可证的专业承包企业或劳务分包企业,并加强对分包企业安全生产条件的监督检查。
第五条工程监理单位应当查验承建工程的施工企业安全生产许可证和有关“三类人员”安全生产考核合格证书持证情况,发现其持证情况不符合规定的或施工现场降低安全生产条件的,应当要求其立即整改。
施工企业拒不整改的,工程监理单位应当向建设单位报告。
建设单位接到工程监理单位报告后,应当责令施工企业立即整改。
第六条建筑施工企业应当加强对本企业和承建工程安全生产条件的日常动态检查,发现不符合法定安全生产条件的,应当立即进行整改,并做好自查和整改记录。
第七条建筑施工企业在“三类人员”配备、安全生产管理机构设置及其它法定安全生产条件发生变化以及因施工资质升级、增项而使得安全生产条件发生变化时,应当向安全生产许可证颁发管理机关(以下简称颁发管理机关)和当地建设主管部门报告。
第八条颁发管理机关应当建立建筑施工企业安全生产条件的动态监督检查制度,并将安全生产管理薄弱、事故频发的企业作为监督检查的重点。
安全生产许可证动态考核标准济南1、我公司想办理安全生产许可证,请问到哪里办理及办理流程,我是济南的,麻烦办过的朋友详细告知先办企业资质等级证书,再办安全生产许可知证书。
三类人员的具体数量根据专业及资质等级的不同而异。
一般来说,A类是3个(企业道最高层管理者),B类由中级管理者担任,C 类是五大员中的安全员担任新办企业只能申报叁级资质。
即从最低级开始回申报。
无须业绩。
办理顺序:工商执照—代码证—税务证—人员答证书(适应欲申请专业资质要求的资格证)—资质申报—人员证书(为安全生产许可证而办:三类人员、关键岗位证、特殊工种证)—安全生产许可证2、济南迈克管件有没有安全生产许可证问一个这个工厂吧,他的管件挺有名的。
3、济南市企业安全生产许可证变更找哪个部门原来的安全生产许可证是哪个部门颁发的就找哪个部门,一般要求是在应当自工百商营业执照变更之日起30个工作日内向原安度全生产许可证颁发管理机关申请变更安全生产许可证:(一)变更单位名称的;(二)知变更主要负责人的;(三)变更单位地址的;(四)变更经济类型的;(五)变更许可范围的。
第二十二条道非煤矿矿山企业申请变更安全生产许可证时,应当提交下列文件、资料:(一)变更申请书;(二)安专全生产许可证正本和副本;(三)变更后的工商营业执照、采矿许可证复印件及变更说明材料。
变更本实施办法第二十一条第(二)项的,还应当提交变更后的主要负责人的安全资格证书复属印件。
4、山东省建筑资质申请、升级、安全生产许可证申请、延期济南盛隆企业管理咨询有限公司建筑业企业资质、建造师注册申请表及申请须知一、施工企业资质(一)申请须知1、施工企业资质申请须知.doc2、新设立企业取得资质后相关事项须知.doc(二)申请表1、资质申请表填写说明.doc2、总承包、专业资质申请表.doc3、劳务资质申请表.doc4、外商投资企业资质申请表.doc5、设计施工一体化资质申请表.doc6、资质升级工程业绩情况说明表.doc(三)资质等级标准1、施工总承包资质标准.doc2、施工总承包特级资质标准.doc3、专业分包资质标准.doc4、劳务分包资质标准.doc5、特种作业资质标准补充规定.doc6、外墙外保温资质标准.doc7、预拌商品砂浆资质标准.doc8、空气净化工程、拆除工程资质标准.doc9、增项市政公用工程施工总承包资质标准.doc10、四个设计施工一体化(幕墙、装饰装修、智能化、消防设施工程)资质标准.doc (四)资质证书变更须知.doc(五)资质证书遗失补证须知.doc二、建造师注册1、初始注册须知.doc2、变更注册须知.doc3、续期注册须知.doc4、增项注册须知.doc5、遗失补证、章须知.doc6、注销须知.doc7、新设立企业建造师注册须知.doc5、济南安全生产许可证办理流程看图把与安全生产许可证动态考核标准济南相关的资料。
建筑施工企业安全生产许可证动态监管暂行办法WTD standardization office【WTD 5AB- WTDK 08- WTD 2C】建筑施工企业安全生产许可证动态监管暂行办法第一条为加强建筑施工企业安全生产许可证的动态监管,促进建筑施工企业保持和改善安全生产条件,控制和减少生产安全事故,根据《安全生产许可证条例》、《建设工程安全生产管理条例》和《建筑施工企业安全生产许可证管理规定》等法规规章,制定本办法。
第二条建设单位或其委托的工程招标代理机构在编制资格预审文件和招标文件时,应当明确要求建筑施工企业提供安全生产许可证,以及企业主要负责人、拟担任该项目负责人和专职安全生产管理人员(以下简称“三类人员”)相应的安全生产考核合格证书。
第三条建设主管部门在审核发放施工许可证时,应当对已经确定的建筑施工企业是否具有安全生产许可证以及安全生产许可证是否处于暂扣期内进行审查,对未取得安全生产许可证及安全生产许可证处于暂扣期内的,不得颁发施工许可证。
第四条建设工程实行施工总承包的,建筑施工总承包企业应当依法将工程分包给具有安全生产许可证的专业承包企业或劳务分包企业,并加强对分包企业安全生产条件的监督检查。
第五条工程监理单位应当查验承建工程的施工企业安全生产许可证和有关“三类人员”安全生产考核合格证书持证情况,发现其持证情况不符合规定的或施工现场降低安全生产条件的,应当要求其立即整改。
施工企业拒不整改的,工程监理单位应当向建设单位报告。
建设单位接到工程监理单位报告后,应当责令施工企业立即整改。
第六条建筑施工企业应当加强对本企业和承建工程安全生产条件的日常动态检查,发现不符合法定安全生产条件的,应当立即进行整改,并做好自查和整改记录。
第七条建筑施工企业在“三类人员”配备、安全生产管理机构设置及其它法定安全生产条件发生变化以及因施工资质升级、增项而使得安全生产条件发生变化时,应当向安全生产许可证颁发管理机关(以下简称颁发管理机关)和当地建设主管部门报告。
建筑施工企业安全生产许可证动态监管暂行办法第一条为加强建筑施工企业安全生产许可证的动态监管,促进建筑施工企业保持和改善安全生产条件,控制和减少生产安全事故,根据《安全生产许可证条例》、《建设工程安全生产管理条例》和《建筑施工企业安全生产许可证管理规定》等法规规章,制定本办法。
第二条建设单位或其委托的工程招标代理机构在编制资格预审文件和招标文件时,应当明确要求建筑施工企业提供安全生产许可证,以及企业主要负责人、拟担任该项目负责人和专职安全生产管理人员(以下简称“三类人员”)相应的安全生产考核合格证书。
第三条建设主管部门在审核发放施工许可证时,应当对已经确定的建筑施工企业是否具有安全生产许可证以及安全生产许可证是否处于暂扣期内进行审查,对未取得安全生产许可证及安全生产许可证处于暂扣期内的,不得颁发施工许可证。
第四条建设工程实行施工总承包的,建筑施工总承包企业应当依法将工程分包给具有安全生产许可证的专业承包企业或劳务分包企业,并加强对分包企业安全生产条件的监督检查。
第五条工程监理单位应当查验承建工程的施工企业安全生产许可证和有关“三类人员”安全生产考核合格证书持证情况,发现其持证情况不符合规定的或施工现场降低安全生产条件的,应当要求其立即整改。
施工企业拒不整改的,工程监理单位应当向建设单位报告。
建设单位接到工程监理单位报告后,应当责令施工企业立即整改。
第六条建筑施工企业应当加强对本企业和承建工程安全生产条件的日常动态检查,发现不符合法定安全生产条件的,应当立即进行整改,并做好自查和整改记录。
第七条建筑施工企业在“三类人员”配备、安全生产管理机构设置及其它法定安全生产条件发生变化以及因施工资质升级、增项而使得安全生产条件发生变化时,应当向安全生产许可证颁发管理机关(以下简称颁发管理机关)和当地建设主管部门报告。
第八条颁发管理机关应当建立建筑施工企业安全生产条件的动态监督检查制度,并将安全生产管理薄弱、事故频发的企业作为监督检查的重点。
关于印发《建筑施工企业安全生产许可证动态监管暂行办法》的通知建质[2008]121号2008.06.30各省、自治区建设厅,直辖市建委:为强化建筑施工企业安全生产许可证动态监管,促进施工企业保持和改善安全生产条件,控制和减少生产安全事故,我部制定了《建筑施工企业安全生产许可证动态监管暂行办法》。
现印发给你们,请结合本地区实际执行。
中华人民共和国住房和城乡建设部二〇〇八年六月三十日建筑施工企业安全生产许可证动态监管暂行办法第一条为加强建筑施工企业安全生产许可证的动态监管,促进建筑施工企业保持和改善安全生产条件,控制和减少生产安全事故,根据《安全生产许可证条例》、《建设工程安全生产管理条例》和《建筑施工企业安全生产许可证管理规定》等法规规章,制定本办法。
第二条建设单位或其委托的工程招标代理机构在编制资格预审文件和招标文件时,应当明确要求建筑施工企业提供安全生产许可证,以及企业主要负责人、拟担任该项目负责人和专职安全生产管理人员(以下简称“三类人员”)相应的安全生产考核合格证书。
第三条建设主管部门在审核发放施工许可证时,应当对已经确定的建筑施工企业是否具有安全生产许可证以及安全生产许可证是否处于暂扣期内进行审查,对未取得安全生产许可证及安全生产许可证处于暂扣期内的,不得颁发施工许可证。
第四条建设工程实行施工总承包的,建筑施工总承包企业应当依法将工程分包给具有安全生产许可证的专业承包企业或劳务分包企业,并加强对分包企业安全生产条件的监督检查。
第五条工程监理单位应当查验承建工程的施工企业安全生产许可证和有关“三类人员”安全生产考核合格证书持证情况,发现其持证情况不符合规定的或施工现场降低安全生产条件的,应当要求其立即整改。
施工企业拒不整改的,工程监理单位应当向建设单位报告。
建设单位接到工程监理单位报告后,应当责令施工企业立即整改。
第六条建筑施工企业应当加强对本企业和承建工程安全生产条件的日常动态检查,发现不符合法定安全生产条件的,应当立即进行整改,并做好自查和整改记录。
建筑施工企业安全生产许可证动态监管暂行办法第一条为加强建筑施工企业安全生产许可证的动态监管,促进建筑施工企业保持和改善安全生产条件,控制和减少生产安全事故,根据《安全生产许可证条例》、《建设工程安全生产管理条例》和《建筑施工企业安全生产许可证管理规定》等法规规章,制定本办法。
第二条建设单位或其委托的工程招标代理机构在编制资格预审文件和招标文件时,应当明确要求建筑施工企业提供安全生产许可证,以及企业主要负责人、拟担任该项目负责人和专职安全生产管理人员(以下简称“三类人员”)相应的安全生产考核合格证书。
第三条建设主管部门在审核发放施工许可证时,应当对已经确定的建筑施工企业是否具有安全生产许可证以及安全生产许可证是否处于暂扣期内进行审查,对未取得安全生产许可证及安全生产许可证处于暂扣期内的,不得颁发施工许可证。
第四条建设工程实行施工总承包的,建筑施工总承包企业应当依法将工程分包给具有安全生产许可证的专业承包企业或劳务分包企业,并加强对分包企业安全生产条件的监督检查。
第五条工程监理单位应当查验承建工程的施工企业安全生产许可证和有关“三类人员”安全生产考核合格证书持证情况,发现其持证情况不符合规定的或施工现场降低安全生产条件的,应当要求其立即整改。
施工企业拒不整改的,工程监理单位应当向建设单位报告。
建设单位接到工程监理单位报告后,应当责令施工企业立即整改。
第六条建筑施工企业应当加强对本企业和承建工程安全生产条件的日常动态检查,发现不符合法定安全生产条件的,应当立即进行整改,并做好自查和整改记录。
第七条建筑施工企业在“三类人员”配备、安全生产管理机构设置及其它法定安全生产条件发生变化以及因施工资质升级、增项而使得安全生产条件发生变化时,应当向安全生产许可证颁发管理机关(以下简称颁发管理机关)和当地建设主管部门报告。
第八条颁发管理机关应当建立建筑施工企业安全生产条件的动态监督检查制度,并将安全生产管理薄弱、事故频发的企业作为监督检查的重点。
建筑施工企业安全生产许可证动态监管暂行办法第一条为加强建筑施工企业安全生产许可证的动态监管,促进建筑施工企业保持和改善安全生产条件,控制和减少生产安全事故,根据《安全生产许可证条例》、《建设工程安全生产管理条例》和《建筑施工企业安全生产许可证管理规定》等法规规章,制定本办法.第二条建设单位或其委托的工程招标代理机构在编制资格预审文件和招标文件时,应当明确要求建筑施工企业提供安全生产许可证,以及企业主要负责人、拟担任该项目负责人和专职安全生产管理人员(以下简称“三类人员”)相应的安全生产考核合格证书。
第三条建设主管部门在审核发放施工许可证时,应当对已经确定的建筑施工企业是否具有安全生产许可证以及安全生产许可证是否处于暂扣期内进行审查,对未取得安全生产许可证及安全生产许可证处于暂扣期内的,不得颁发施工许可证。
第四条建设工程实行施工总承包的,建筑施工总承包企业应当依法将工程分包给具有安全生产许可证的专业承包企业或劳务分包企业,并加强对分包企业安全生产条件的监督检查。
第五条工程监理单位应当查验承建工程的施工企业安全生产许可证和有关“三类人员”安全生产考核合格证书持证情况,发现其持证情况不符合规定的或施工现场降低安全生产条件的,应当要求其立即整改。
施工企业拒不整改的,工程监理单位应当向建设单位报告。
建设单位接到工程监理单位报告后,应当责令施工企业立即整改。
第六条建筑施工企业应当加强对本企业和承建工程安全生产条件的日常动态检查,发现不符合法定安全生产条件的,应当立即进行整改,并做好自查和整改记录.第七条建筑施工企业在“三类人员”配备、安全生产管理机构设置及其它法定安全生产条件发生变化以及因施工资质升级、增项而使得安全生产条件发生变化时,应当向安全生产许可证颁发管理机关(以下简称颁发管理机关)和当地建设主管部门报告.第八条颁发管理机关应当建立建筑施工企业安全生产条件的动态监督检查制度,并将安全生产管理薄弱、事故频发的企业作为监督检查的重点.颁发管理机关根据监管情况、群众举报投诉和企业安全生产条件变化报告,对相关建筑施工企业及其承建工程项目的安全生产条件进行核查,发现企业降低安全生产条件的,应当视其安全生产条件降低情况对其依法实施暂扣或吊销安全生产许可证的处罚。
关于印发《建筑施工企业安全生产许可证动态监管暂行办法》的通知建质[2008]121号2008.06.30各省、自治区建设厅,直辖市建委:为强化建筑施工企业安全生产许可证动态监管,促进施工企业保持和改善安全生产条件,控制和减少生产安全事故,我部制定了《建筑施工企业安全生产许可证动态监管暂行办法》。
现印发给你们,请结合本地区实际执行。
中华人民共和国住房和城乡建设部二〇〇八年六月三十日建筑施工企业安全生产许可证动态监管暂行办法第一条为加强建筑施工企业安全生产许可证的动态监管,促进建筑施工企业保持和改善安全生产条件,控制和减少生产安全事故,根据《安全生产许可证条例》、《建设工程安全生产管理条例》和《建筑施工企业安全生产许可证管理规定》等法规规章,制定本办法。
第二条建设单位或其委托的工程招标代理机构在编制资格预审文件和招标文件时,应当明确要求建筑施工企业提供安全生产许可证,以及企业主要负责人、拟担任该项目负责人和专职安全生产管理人员(以下简称“三类人员”)相应的安全生产考核合格证书。
第三条建设主管部门在审核发放施工许可证时,应当对已经确定的建筑施工企业是否具有安全生产许可证以及安全生产许可证是否处于暂扣期内进行审查,对未取得安全生产许可证及安全生产许可证处于暂扣期内的,不得颁发施工许可证。
第四条建设工程实行施工总承包的,建筑施工总承包企业应当依法将工程分包给具有安全生产许可证的专业承包企业或劳务分包企业,并加强对分包企业安全生产条件的监督检查。
第五条工程监理单位应当查验承建工程的施工企业安全生产许可证和有关“三类人员”安全生产考核合格证书持证情况,发现其持证情况不符合规定的或施工现场降低安全生产条件的,应当要求其立即整改。
施工企业拒不整改的,工程监理单位应当向建设单位报告。
建设单位接到工程监理单位报告后,应当责令施工企业立即整改。
第六条建筑施工企业应当加强对本企业和承建工程安全生产条件的日常动态检查,发现不符合法定安全生产条件的,应当立即进行整改,并做好自查和整改记录。
山东省建筑施工企业安全生产许可证动态考核办法《山东省建筑施工企业安全生产许可证动态考核办法》一、适用范围本办法适用于山东省持有建筑施工企业安全生产许可证(以下简称许可证)的企业。
二、考核内容(一)建筑施工质量管理及安全技术措施的落实情况(二)建筑施工工序及施工质量检查与验收结果(三)劳动安全与卫生管理落实情况(四)施工机械设备的安全技术控制情况(五)职业健康保护措施的落实情况(六)安全生产法律、法规及其他相关技术规程的落实(七)发生重特大事故情况(八)整改项目落实情况(九)特殊情况、突出问题三、考核对象(一)对未取得许可证企业,主要对其安全生产管理现状作出评价。
(二)对持有许可证企业,应主要检查是否符合《建筑施工安全许可证颁发条件》(以下简称许可条件)的要求,并对证的有效期内的各项安全技术管理情况作出动态评价。
四、考核依据本办法依据国家安全生产法、国家安全生产相关法律、法规、标准及有关文件的规定,结合当地实际情况制定。
五、考核程序(一)预登记社会保险部门将负责全市建筑施工安全许可证职责单位名单及证书内容发送至许可管理部门,许可管理部门及社会保险部门对许可企业做出预登记备案。
(二)现场考核许可管理部门会组织相关的专家进行现场检查,确定被考核企业是否符合许可条件。
(三)结果公佈许可管理部门会将考核结果有时间限制公布出通知,对申请许可企业应给予有效期内安全施工许可,对暂不符合许可条件的责令整改,并由许可管理部门复查。
六、变更管理申请许可企业应按规定及时报送变更、撤销及生产工艺及安全生产设施证明申请等资料,并由许可管理部门审核组织复核。
以上是《山东省建筑施工企业安全生产许可证动态考核办法》的全部内容,为了加强许可企业的安全管理,能够有效降低施工行为及风险,保障施工安全,从根本上规范安全生产行为,有效防止安全事故的发生,保障施工现场的安全。
山东省建筑施工企业安全生产许可证动态考核标准
一、汇总表(格式):
- 9 -
考核评分说明
1、此表及以下表格可作为企业自查使用,也可作为主管部门抽查使用。
企业一般安全生产条件动态考核对应11个分表,考核结果汇总所得分值,作为企业一般安全生产条件考核的依据。
结合施工现场安全生产条件动态考核结果,确定企业安全生产许可证动态考核结果。
2、一般安全生产条件动态考核汇总分值计算方法(考核计分采用百分制)
(1)各分表中20分(含)以上项目为主要评价项目,20分以下项目为一般评价项目。
每个分表中有2项主要评价项目或3项一般评价项目得分为0,该分表不得分。
汇总表单项得0分,一般安全生产条件动态考核为0分。
(2)汇总表中各分项实得分=该分项在考核分表中实得分之和乘以汇总表该分项应得分值/100。
(3)汇总表中企业考核实际得分=汇总表中分项合计总分
(4)各分表中每项扣减分数总和超出该项应得分后,该项实得分数为零。
- 10 -
二、企业一般安全生产条件动态考核分表(格式)
- 11 -
- 12 -
- 13 -
- 14 -
- 15 -
- 16 -
- 17 -
- 18 -
- 19 -
- 20 -
- 21 -。