安全评价收费参考标准
- 格式:doc
- 大小:65.50 KB
- 文档页数:2
福建省危险化学品安全评价收费标准日期:2007-12-28来源:福建省物价局索引号:闽价服〔2007〕----------------下面是赠送的excel操作练习不需要的下载后可以编辑删除(Excel 2003部分)1.公式和函数1.(1)打开当前试题目录下文件excel-10.xls;(2)利用函数计算每个人各阶段总成绩,并利用函数计算各阶段的平均成绩;(3)“平均成绩”行数字格式都为带一位小数(例如0.0)格式;(4)同名存盘。
步骤:a)文件→在各阶段总成绩单元格内,点插入,点函数,在对话框中选择求和函数“SUM”,在对话中Number1内点右侧的按钮,将出现另外一个对话框,在文件中选择需要求和的单元格,然后点该对话框的右侧按钮,点确定(完成一个总成绩求和后,利用填充柄完成其他的总成绩求和,或者重复上面的顺序)→在平均成绩单元格内,点插入,点函数,选择算术平均值函数A VERAGE,出现对话框后,采用求和时的相同方法,完成操作→选中平均成绩行,点右键点设臵单元格,点数字,在分类项下点数值,设小数位为1,b)确定→保存2.(1)打开当前试题目录下文件excel-13.xls;(2)根据工作表中给定数据,按“合计=交通费+住宿费+补助”公式计算“合计”数,并计算交通费、住宿费和补助的合计数;(3)所有数字以单元格格式中货币类的“¥”货币符号、小数点后2位数表现(如:¥2,115.00格式);(4)同名存盘。
打开当前试题目录下文件excel-13.xls→在合计下的一个单元格内输入“=交通费(在该行的单元格,假如说是E3)+住宿费(同上)+补助(同上)”,回车(其他的合计可以采用填充柄完成,或者重复上面的顺序)→利用求和函数,参考1中的方法完成交通费、住宿费和补助的合计→选择文件中的所有数字单元格,点右键,点设臵单元格格式,点数字,点货币,选择货币符号为“¥”,设臵小数点后为2位,确定→保存文件→本题完成3.(1)打开当前试题目录下文件excel-2.xls;(2)根据工作表中数据,计算“总成绩”列的数据。
江苏省安全评价行业收费标准2024在当今社会,安全问题备受关注,安全评价行业作为保障生产生活安全的重要环节,其作用日益凸显。
而合理的收费标准不仅关系到安全评价机构的生存发展,也直接影响到服务质量和市场秩序。
江苏省作为经济大省,对于安全评价行业的收费标准制定更是需要科学合理、公正透明。
一、安全评价行业收费标准制定的背景和重要性随着江苏省经济的快速发展,各类企业和项目如雨后春笋般涌现。
然而,在追求经济增长的同时,安全事故也时有发生,给人民生命财产带来了巨大损失。
为了有效预防和减少安全事故,安全评价工作显得尤为重要。
通过对企业的生产经营活动、工程项目等进行全面、系统的安全评价,可以发现潜在的安全隐患,提出科学合理的整改措施,从而保障生产经营活动的安全运行。
合理的收费标准对于安全评价行业的健康发展具有重要意义。
一方面,它能够保证安全评价机构的合理收益,使其能够投入足够的人力、物力和财力进行技术研发和服务提升;另一方面,也能够避免不正当竞争,防止一些机构为了降低成本而降低服务质量,从而维护市场的公平竞争环境。
二、江苏省安全评价行业收费标准的制定原则1、合理性原则收费标准应充分考虑安全评价工作的复杂性、风险性以及所需的技术和人力投入。
要确保收费能够覆盖评价机构的成本,包括人员工资、设备购置、办公场地租赁、培训费用等,同时还要有一定的利润空间,以激励机构不断提高服务质量。
2、公正性原则对于不同规模、不同类型的企业和项目,应采用公平、统一的收费标准,避免歧视性收费。
同时,要充分考虑地区差异和行业特点,确保收费标准的公正性和合理性。
3、透明性原则收费标准应向社会公开,明确各项收费的依据和计算方法,让企业和社会公众能够清晰了解收费的构成和合理性,增强收费的透明度和公信力。
4、灵活性原则在制定收费标准时,应预留一定的灵活性。
对于一些特殊情况,如涉及重大安全风险的项目、紧急的安全评价需求等,可以适当调整收费标准,以满足实际需求。
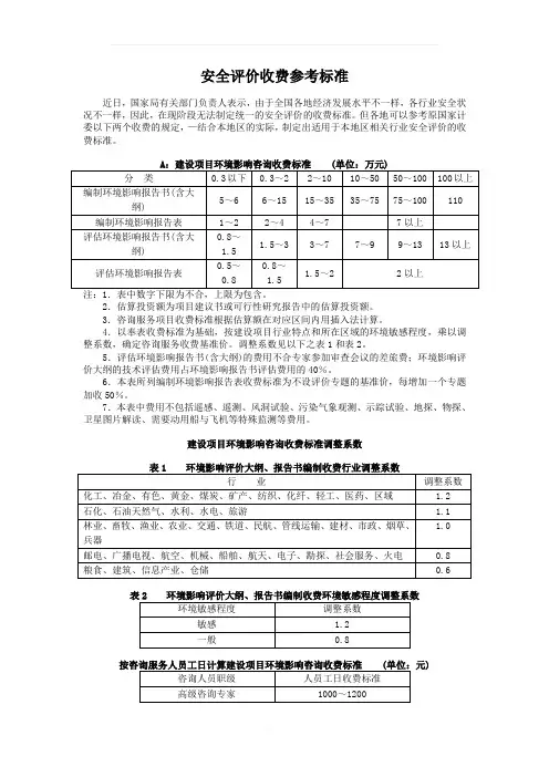
安全评价收费参考标准
近日,国家局有关部门负责人表示,由于全国各地经济发展水平不一样,各行业安全状况不一样,因此,在现阶段无法制定统一的安全评价的收费标准。
但各地可以参考原国家计委以下两个收费的规定,—结合本地区的实际,制定出适用于本地区相关行业安全评价的收费标准。
2.估算投资额为项目建议书或可行性研究报告中的估算投资额。
3.咨询服务项目收费标准根据估算额在对应区间内用插入法计算。
4.以奉表收费标准为基础,按建设项目行业特点和所在区域的环境敏感程度,乘以调整系数,确定咨询服务收费基准价。
调整系数见以下之表1和表2。
5.评估环境影响报告书(含大纲)的费用不合专家参加审查会议的差旅费;环境影响评价大纲的技术评估费用占环境影响报告书评估费用的40%。
6.本表所列编制环境影响报告表收费标准为不设评价专题的基准价,每增加一个专题加收50%。
7.本表中费用不包括遥感、遥测、风洞试验、污染气象观测、示踪试验、地探、物探、卫星图片解读、需要动用船与飞机等特殊监测等费用。
建设项目环境影响咨询收费标准调整系数
)
2.建设项目的具体收费标准,根据估算投资额在相对应的区间内用插入法计算。
3.根据行业特点和各行业内部不同类别工程的复杂程序,计算咨询费用时可分行业调整系数和工程复杂程度调整系数(见下表)。
Welcome To Download
欢迎您的下载,资料仅供参考!。
河南省煤矿安全收费指导价格为规范安全评价收费,使评价机构的收费有章可循,按照原国家安全生产监督管理局令第13号《安全评价机构管理规定》的要求和安监管司办字[2004]139号文关于贯彻实施《安全评价机构管理规定》的通知及有关法律、法规,并根据国家计委、经贸委、财政部、监察部、审计署和国务院纠风办联合下发的《关于印发<中介服务收费管理办法>的通知》(计价字[1999]2255号)的规定,参照《国家计委关于印发建设项目前期工作咨询收费暂行规定的通知》(计价格[1999]1283号)的标准并参考其它省、市、自治区的评价收费,结合当地安全评价工作的实际情况制定本收费指导价格,并于二○○六年五月一日起实施。
煤矿安全现状评价项目收费标准注:1.国家评审报告的评审费执行国家标准。
2.露天矿系数:0.83. 复杂程度系数:0.8~1.24.进度系数:1.0~1.25.对于生产能力大于120万吨/年的矿井,生产能力每增加10万吨评价取费增加1万元。
6. 计算安全评价费用时,用以下公式进行:安全评价费=基本收费×复杂程度系数×进度系数煤矿建设项目(工程)安全预评价收费标准注:1.国家评审报告的评审费执行国家标准。
2.露天矿系数:0.83. 复杂程度系数:0.8~1.24.进度系数:1.0~1.25. 计算安全评价费用时,用以下公式进行:安全评价费=基本收费×复杂程度系数×进度系数煤矿建设项目(工程)安全验收评价收费标准注:1.国家评审报告的评审费执行国家标准。
2.露天矿系数:0.83. 复杂程度系数:0.8~1.24.进度系数:1.0~1.25. 计算安全评价费用时,用以下公式进行:安全评价费=基本收费×复杂程度系数×进度系数煤矿安全装备/仪器仪表/作业环境检测检验项目收费标准对于煤矿井下空压机,检测检验费为在此基础上加收10%五、皮带运输机性能检测检验:皮带运输机检测检验费为(不包括阴燃性能实验)6000元/台。
安全评价收费参考标准根据我县企业安全生产大排查大整治工作要求,为切实做好危化品使用单位的安全评价工作,现将省里备案具有安全评价资质的中介机构及收费标准予以公示。
浙江省备案安全评价公司(以上排名不分先后)浙江省安全评价收费标准一一般项目安全评价基准收费表总投资额计费说明:(1)安全预评价的总投资额为可行性研究报告中的估算总投资额,不包括土地征用费和流动资金;(2)安全验收评价的总投资额为实际总投资额;(3)安全现状评价的总投资额为实际资产规模;(4)专项安全评价的总投资额为安评直接涉及的生产和储存装置及公用工程的资产规模。
表2 行业调整系数表3 评价类别系数表4 风险度系数表5 复杂程度系数安全评价服务收费按以下公式计算:安全评价费=项目安全评价基准收费×行业调整系数×资质等级系数×修正系数收费计算说明:(1)项目安全评价基准收费见《一般项目安全评价基准收费表》,在投资额区间内可采用直线插入法计算;(2)行业调整系数见表2,资质等级系数为甲级机构1.1-1.3,乙级机构1.0;(3)修正系数为评价类别系数、风险度系数、复杂程度系数的乘积,见表3、4、5。
二非煤矿山安全评价收费标准表三尾矿库安全评价收费标准表四采掘施工企业安全评估(价)收费标准表五危险化学品专项安全评价收费1. 加油站安全评价收费标准表2. 汽车加气站、液化气充装站安全评价收费按照一级加油站收费标准执行,联合站可在上述计价基础上乘1.3的系数;液化气体按一级加油站收费基础上乘1.2系数,其他气体按一级加油站收费基础上乘0.8系数。
3. 危险化学品储存和经营单位安全评价收费标准(1)危险化学品储存单位(2)危险化学品零售经营单位(3)危险化学品批发经营单位(4)剧毒化学品使用单位少量使用性质,如实验室用,按3000-6000元标准收费。
使用量大时,按一般项目安全评价基准收费表执行。
六烟花爆竹专项安全评价收费标准表。
安全评价收费参考标准姓名:XXX部门:XXX日期:XXX安全评价收费参考标准近日,国家局有关部门负责人表示,由于全国各地经济发展水平不一样,各行业安全状况不一样,因此,在现阶段无法制定统一的安全评价的收费标准。
但各地可以参考原国家计委以下两个收费的规定,—结合本地区的实际,制定出适用于本地区相关行业安全评价的收费标准。
A:建设项目环境影响咨询收费标准(单位:万元)注:1.表中数字下限为不合,上限为包含。
2.估算投资额为项目建议书或可行性研究报告中的估算投资额。
3.咨询服务项目收费标准根据估算额在对应区间内用插入法计算。
4.以奉表收费标准为基础,按建设项目行业特点和所在区域的环境敏感程度,乘以调整系数,确定咨询服务收费基准价。
调整系数见以下之表1和表2。
5.评估环境影响报告书(含大纲)的费用不合专家参加审查会议的差旅费;环境影响评价大纲的技术评估费用占环境影响报告书评估费用的40%。
6.本表所列编制环境影响报告表收费标准为不设评价专题的基准价,每增加一个专题加收50%。
7.本表中费用不包括遥感、遥测、风洞试验、污染气象观测、示踪试验、地探、物探、卫星图片解读、需要动用船与飞机等特殊监测等费用。
建设项目环境影响咨询收费标准调整系数表1环境影响评价大纲、报告书编制收费行业调整系数25~35第 2 页共 4 页注:1.建设项目估算投资额是指项目建议书或者可行性研究报告的估算投贵额。
2.建设项目的具体收费标准,根据估算投资额在相对应的区间内用插入法计算。
3.根据行业特点和各行业内部不同类别工程的复杂程序,计算咨询费用时可分行业调整系数和工程复杂程度调整系数(见下表)。
按建设项目估算投资额分档收费的调整系数3.有色、黄金、纺织、轻工、邮电、广播电视、医药、煤炭、火电(含核电)、机械(含船舶、航空、航天、兵器)1.0第 3 页共 4 页感谢您的浏览!整理范文,仅供参考。
第4 页共4 页。
关于实行《江苏省
安全评价行业收费标准》的通知
各有关单位:
为适应社会主义市场经济发展的要求,规范我省安全评价中介机构收费行为,维护中介机构和委托人的合法权益,促进中介服务业的健康发展,根据原国家计委、原国家经贸委、财政部、监察部、审计署、国务院纠风办联合颁发的《中介服务收费管理办法》(计价格〔1999〕2255号)的规定,结合我省安全评价工作实际,经江苏省安全生产管理协会专业委员会集体讨论,对原“江苏省安全评价行业收费指导价格”进行了修改,现将新的《江苏省安全评价行业收费标准》发给你们,并于2008年4月1日起实行,请遵照执行。
附件:江苏省安全评价行业收费标准
二����八年三月二十四日
主题词:安全评价收费标准通知
江苏省安全生产监督管理局办公室2008年3月27日印发
共印10份
江苏省安全评价行业收费标准
(币种:人民币)
注:
1、评价收费系数的计取:①苏南地区收费乘系数1,苏中地区收费乘系数0.9,苏北地区收费乘系数0.8;②石油、化工、矿山等高风险行业,收费乘系数1.2-1.4;③电力、木材加工和纺织等行业,收费乘系数0.6-0.9。
2、现状评价参考以上收费标准执行,但最低收费不得低于3万元。
二、道路交通运输评价收费标准
每个单位(5台车以内)6千元,每增加1台车增加2百元。
注:评价收费系数的计取:加油站收费,苏南地区乘系数1,苏北地区乘系数0.8-0.9。
安全评价收费参考标准安全评价是指对某一事物(如建筑、设备、程序等)的安全性进行系统性、全面性的评估和分析,以确定其在特定条件下的安全性水平,从而为相应的决策和管理提供依据。
安全评价在各个领域都扮演着重要角色,如工程建设、环境保护、信息安全等。
然而,由于安全评价的复杂性和专业性,所以往往需要专业机构或专业人员进行评价。
那么,在进行安全评价时,如何确定收费标准呢?下面是一些常见的安全评价收费参考标准。
1. 评价项目的复杂程度安全评价的项目复杂程度不同,所需的工作量和专业知识水平也有所不同。
一般来说,评价项目越复杂,所需的收费也会相应增加。
例如,对于一个大型工程建设项目的安全评价,需要进行大量的调研和数据收集,同时还需要进行复杂的模型建立和风险分析,因此其收费标准往往会比较高。
2. 评价的时间周期安全评价的时间周期一般分为长期评价和短期评价。
长期评价是指对某一事物的安全性进行长期监测和评估,以确定其在不同时间段下的安全性水平;短期评价是指对某一事物的安全性进行一次性评估。
一般来说,长期评价需要进行持续性的工作,所需工作量和时间较多,因此其收费标准往往会比较高。
3. 评价的专业性要求安全评价需要专业的人员进行,具备一定的专业知识和技能。
一般来说,评价机构或个人所拥有的专业资质和经验越丰富,评价的收费标准也会相应增加。
同时,根据不同评价项目所需的专业性要求也会有所不同,如建筑工程的安全评价需要建筑工程师参与,而信息安全的评价则需要专业的网络安全工程师参与。
4. 评价的服务内容安全评价的服务内容也会影响收费标准。
通常,评价内容包括调研、数据收集、模型建立、风险分析等工作。
如果客户需要更全面的评价内容,如对多个方面(如机械、电气、化学等)进行评价,那么评价费用也会相应增加。
5. 评价机构的声誉和知名度评价机构的声誉和知名度也会影响收费标准。
一般来说,具有良好声誉和高知名度的评价机构会有更高的市场认可度,因此其收费标准会相对较高。
安全评价报告收费标准
1. 背景
安全评价报告是对特定项目、设备或者系统进行安全评估的一种方式,它能够评估潜在风险,提供专业的建议和措施以增强安全性。
在制定收费标准之前,我们需要考虑以下因素:
- 评价项目的复杂程度和规模
- 评估所需的时间和资源
- 评估所需的专业知识和技能
2. 收费标准
根据上述背景和考虑因素,我们制定了以下安全评价报告收费标准:
以上的收费标准仅供参考,实际收费可能会根据具体情况进行调整。
3. 收费范围
收费标准包括以下服务:
- 评估范围内的潜在风险分析
- 安全弱点识别和建议
- 评估报告的撰写和提交
任何额外的特殊需求或额外服务将另行商议费用。
4. 付款方式
我们接受以下付款方式:
- 银行汇款:详细信息将在合同签署后提供;
- 支付宝/微信支付:详细信息将在合同签署后提供。
5. 联系我们
如果您有任何关于安全评价报告收费标准的问题或疑虑,请随时与我们联系。
您可以通过以下方式联系我们:
- +86
我们期待与您合作,为您提供优质的安全评估服务。
广西安全评价收费标准
根据《中华人民共和国安全生产法》及国务院《安全生产许可证条例》、《危险化学品管理条例》,所有生产、储存、使用、经营危险化学品的单位及矿山生产企业均需有资质的评价机构进行评价。
依据计价格(1999)1283号文《建设项目前期工作咨询收费暂行规定》核定的收费暂行规定及参考国内安全评价行业指导价格。
广西安生安全科学技术咨询有限公司对被评价单位按以下标准收取评价服务费。
详见附表:
表1:建设项目(工程)安全预评价、安全验收评价收费标准
表2:加油站安全评价收费标准
注:加油、加气联合站参照表2乘1.5的系数确定收费标准
表3:气体、液体储存单位安全评价收费标准
注:Ⅰ类:拥有储存气体10000m3以上或液体1000 m3以上的储存设施,库房或货
场总面积大于9000M2的大型仓库。
Ⅱ类:拥有储存气体1000—10000M3或液体100—1 000M3的储存设施,库房或货场总面积在550—9000M2之间的中型仓库;经营剧毒化学品、成品油和运输工具用液化气的。
Ⅲ类:拥有储存气体1000M3以下或液体100M3以下的储存设施,库房或货场总面积小于550M2的小型仓库;从事批发和零售业务但没有也不租赁储存场所的。
表4:危险化学品生产企业安全评价收费标准
共2页第1页
表5:非煤矿山企业安全评价收费标准
表6:危险化学品经营单位专项评价收费标准(元/个)
表7:煤矿安全评价收费标准
表8:采石场评价收费标准
表9:小型露天采石场开采方案设计收费标准
表10:花岗岩采石场评价收费标准。
仅供参考[整理] 安全管理文书安全评价收费参考标准日期:__________________单位:__________________第1 页共4 页安全评价收费参考标准近日,国家局有关部门负责人表示,由于全国各地经济发展水平不一样,各行业安全状况不一样,因此,在现阶段无法制定统一的安全评价的收费标准。
但各地可以参考原国家计委以下两个收费的规定,—结合本地区的实际,制定出适用于本地区相关行业安全评价的收费标准。
A:建设项目环境影响咨询收费标准(单位:万元)注:1.表中数字下限为不合,上限为包含。
2.估算投资额为项目建议书或可行性研究报告中的估算投资额。
3.咨询服务项目收费标准根据估算额在对应区间内用插入法计算。
4.以奉表收费标准为基础,按建设项目行业特点和所在区域的环境敏感程度,乘以调整系数,确定咨询服务收费基准价。
调整系数见以下之表1和表2。
5.评估环境影响报告书(含大纲)的费用不合专家参加审查会议的差旅费;环境影响评价大纲的技术评估费用占环境影响报告书评估费用的40%。
6.本表所列编制环境影响报告表收费标准为不设评价专题的基准价,每增加一个专题加收50%。
7.本表中费用不包括遥感、遥测、风洞试验、污染气象观测、示踪试验、地探、物探、卫星图片解读、需要动用船与飞机等特殊监测等费用。
建设项目环境影响咨询收费标准调整系数表1环境影响评价大纲、报告书编制收费行业调整系数25~35注:1.建设项目估算投资额是指项目建议书或者可行性研究报告第 2 页共 4 页的估算投贵额。
2.建设项目的具体收费标准,根据估算投资额在相对应的区间内用插入法计算。
3.根据行业特点和各行业内部不同类别工程的复杂程序,计算咨询费用时可分行业调整系数和工程复杂程度调整系数(见下表)。
按建设项目估算投资额分档收费的调整系数3.有色、黄金、纺织、轻工、邮电、广播电视、医药、煤炭、火电(含核电)、机械(含船舶、航空、航天、兵器)1.0第 3 页共 4 页仅供参考[整理] 安全管理文书整理范文,仅供参考!日期:__________________单位:__________________第4 页共4 页。
根据《中华人民共和国安全生产法》及国务院《安全生产许可证条例》、《危险化学品管理条例》,所有生产、储存、使用、经营危险化学品的单位及矿山生产企业均需有资质的评价机构进行评价。
依据计价格(1999)1283号文《建设项目前期工作咨询收费暂行规定》核定的收费暂行规定及参考国内安全评价行业指导价格。
广西安生安全科学技术咨询有限公司对被评价单位按以下标准收取评价服务费。
详见附表:
表1:建设项目(工程)安全预评价、安全验收评价收费标准
表2:加油站安全评价收费标准
注:加油、加气联合站参照表2乘1.5的系数确定收费标准
表3:气体、液体储存单位安全评价收费标准
注:Ⅰ类:拥有储存气体10000m3以上或液体1000 m3以上的储存设施,库房或货场总面积大于9000M2的大型仓库。
Ⅱ类:拥有储存气体1000—10000M3或液体100—1
000M3的储存设施,库房或货场总面积在550—9000M2之间的中型仓库;经营剧毒化学品、成品油和运输工具用液化气的。
Ⅲ类:拥有储存气体1000M3以下或液体100M3以下的储存设施,库房或货场总面积小于550M2的小型仓库;从事批发和零售业务但没有也不租赁储存场所的。
表4:危险化学品生产企业安全评价收费标准
共2页第1页
表5:非煤矿山企业安全评价收费标准
表6:危险化学品经营单位专项评价收费标准(元/个)
表7:煤矿安全评价收费标准
表8:采石场评价收费标准
表9:小型露天采石场开采方案设计收费标准
表10:花岗岩采石场评价收费标准。
安徽省安全生产监督管理局危险化学品和烟花爆竹安全评价收费参考价格有人形容高尔夫的18洞就好像人生,障碍重重,坎坷不断。
然而一旦踏上了球场,你就必须集中注意力,独立面对比赛中可能出现的各种困难,并且承担一切后果。
也许,常常还会遇到这样的情况:你刚刚还在为抓到一个小鸟球而欢呼雀跃,下一刻大风就把小白球吹跑了;或者你才在上一个洞吞了柏忌,下一个洞你就为抓了老鹰而兴奋不已。
安徽省安全生产监督管理局危险化学品和烟花爆竹安全评价收费参考价价格(二O O四年十一月二十日)表1:危险化学品生产企业安全评价收费价格300万元 300,1000 1000,5000 0.5,1亿元 1 ,10亿 10 亿元企业上年以下万元万元元以上度产值安全评价2,3万元 3,5万元 5-12万元 12,20万 20,40万40万元费用元元以上表2:烟花爆竹生产企业安全评价收费价格50万元 50,100 100,500 500,5000 0.5,1亿元 1 亿元企业上年以下万元万元万元以上度产值安全评价1万元 1,3万元 3,5万元 5,8万元 8,12万元 12万元费用以上表3:危险化学品和烟花爆竹零售商店安全评价收费价格危险化学品零售商店 800,1800元烟花爆竹零售商店 600,1200元只有凭借毅力,坚持到底,才有可能成为最后的赢家。
这些磨练与考验使成长中的青少年受益匪浅。
在种种历练之后,他们可以学会如何独立处理问题;如何调节情绪与心境,直面挫折,抵御压力;如何保持积极进取的心态去应对每一次挑战。
往往有着超越年龄的成熟与自信,独立性和处理问题的能力都比较强。
有人形容高尔夫的18洞就好像人生,障碍重重,坎坷不断。
然而一旦踏上了球场,你就必须集中注意力,独立面对比赛中可能出现的各种困难,并且承担一切后果。
也许,常常还会遇到这样的情况:你刚刚还在为抓到一个小鸟球而欢呼雀跃,下一刻大风就把小白球吹跑了;或者你才在上一个洞吞了柏忌,下一个洞你就为抓了老鹰而兴奋不已。
安全评估收费标题:安全评估收费引言概述:安全评估是企业保障信息系统安全和数据安全的重要手段,通过对系统进行全面的评估和分析,可以有效发现潜在的安全风险并及时采取措施加以解决。
安全评估收费是评估服务提供商向客户收取的费用,通常根据评估的复杂程度和范围来确定收费标准。
本文将从安全评估收费的角度探讨其相关内容。
一、收费标准的确定1.1 评估范围和复杂程度:安全评估的费用通常与评估的范围和复杂程度相关。
评估范围包括评估的系统、网络、应用程序等,评估的复杂程度包括评估的深度和广度。
1.2 评估周期和工作量:评估的周期和工作量也是确定收费标准的重要因素。
评估周期长短和工作量大小会直接影响评估的费用。
1.3 评估人员的资质和经验:评估人员的资质和经验对评估收费也有一定影响。
通常来说,具有更高资质和经验的评估人员会收取更高的费用。
二、收费方式的选择2.1 固定收费:固定收费是指评估服务提供商根据评估的范围和复杂程度确定一个固定的费用,客户支付固定费用后可以获得相应的评估服务。
2.2 按工时收费:按工时收费是指评估服务提供商根据评估的工作量和周期来确定费用,客户根据实际工作量支付相应的费用。
2.3 组合收费:组合收费是指评估服务提供商根据评估的范围、复杂程度、工作量等因素综合考虑后确定一个综合的收费方式,既包括固定费用也包括按工时收费。
三、费用包含的内容3.1 评估报告:安全评估费用通常包含评估报告的编写和提交。
评估报告是对评估结果的详细总结和分析,对客户提供决策支持。
3.2 咨询服务:有些安全评估服务提供商还会在评估费用中包含一定的咨询服务,匡助客户解决评估中发现的安全问题。
3.3 后续支持:部份评估服务提供商还会在费用中包含一定的后续支持服务,例如对评估结果的解释和建议等。
四、费用支付方式4.1 预付费:预付费是指客户在评估服务提供商开始工作前支付全部或者部份费用。
这种方式可以确保评估服务提供商得到相应的报酬。
安全评价收费参考标准
近日,国家局有关部门负责人表示,由于全国各地经济发展水平不一样,各行业安全状况不一样,因此,在现阶段无法制定统一的安全评价的收费标准。
但各地可以参考原国家计委以下两个收费的规定,—结合本地区的实际,制定出适用于本地区相关行业安全评价的收费标准。
2.估算投资额为项目建议书或可行性研究报告中的估算投资额。
3.咨询服务项目收费标准根据估算额在对应区间内用插入法计算。
4.以奉表收费标准为基础,按建设项目行业特点和所在区域的环境敏感程度,乘以调整系数,确定咨询服务收费基准价。
调整系数见以下之表1和表2。
5.评估环境影响报告书(含大纲)的费用不合专家参加审查会议的差旅费;环境影响评价大纲的技术评估费用占环境影响报告书评估费用的40%。
6.本表所列编制环境影响报告表收费标准为不设评价专题的基准价,每增加一个专题加收50%。
7.本表中费用不包括遥感、遥测、风洞试验、污染气象观测、示踪试验、地探、物探、卫星图片解读、需要动用船与飞机等特殊监测等费用。
建设项目环境影响咨询收费标准调整系数
)
2.建设项目的具体收费标准,根据估算投资额在相对应的区间内用插入法计算。
3.根据行业特点和各行业内部不同类别工程的复杂程序,计算咨询费用时可分行业调整系数和工程复杂程度调整系数(见下表)。