河南省安全评价咨询服务收费指导标准
- 格式:doc
- 大小:60.47 KB
- 文档页数:5
安全评价的收费准则1. 概述本文件规定了安全评价服务的收费准则,旨在为客户和服务提供者之间的收费标准提供一个清晰、公平和透明的指导。
所有安全评价服务提供者应遵循本准则,并根据提供的服务类型、工作范围和所需资源进行收费。
2. 收费基础安全评价服务的收费应基于以下因素:- 服务类型:不同类型的安全评价服务(如初步评估、详细评估、定期审查等)可能需要不同的工作量和专业知识。
- 工作范围:评价涉及的设施规模、复杂性、地理位置等都会影响服务的成本。
- 所需资源:包括评价团队的人数、专业背景、设备和工具的需求等。
- 工作时间:评价工作的预计持续时间,包括现场访问、数据分析和报告编写等。
- 法规要求:适用的法律、法规和标准可能会影响评价的具体要求和成本。
3. 收费结构安全评价服务的收费结构可能包括以下组成部分:- 固定费用:对于一些标准化或较为简单的评价,可能有一个固定的费用。
- 变动费用:根据实际工作范围和所需资源的增加而变化的费用。
- 日薪制:对于评价团队的工作,可能采用按日计费的方式。
- 材料和消耗品:评价过程中使用的额外材料和消耗品的成本。
- 额外服务:如额外现场访问、紧急响应等可能需要额外收费。
4. 收费计算安全评价服务提供者应根据以下步骤计算收费:1. 确定所需的服务类型和评价范围。
2. 评估所需资源和劳动力。
3. 根据服务提供者的定价策略,确定固定费用、变动费用和其他相关费用。
4. 提供详细的收费概览给客户,并确保所有费用都是明确和合理的。
5. 收费确认在开始安全评价工作之前,服务提供者应与客户确认所有费用的细节,包括服务范围、预期成果和付款条款。
此确认过程应通过书面形式完成,以确保双方对服务内容和费用有共同的理解。
6. 付款条款付款条款应明确规定:- 预付款:如果适用,应说明预付款的金额和支付时间。
- 进度付款:分阶段付款的安排,如在评价的不同阶段支付。
- 最终付款:评价完成后支付的剩余金额。
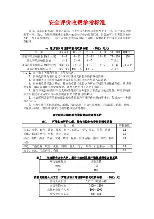
安全评价收费参考标准
近日,国家局有关部门负责人表示,由于全国各地经济发展水平不一样,各行业安全状况不一样,因此,在现阶段无法制定统一的安全评价的收费标准。
但各地可以参考原国家计委以下两个收费的规定,—结合本地区的实际,制定出适用于本地区相关行业安全评价的收费标准。
2.估算投资额为项目建议书或可行性研究报告中的估算投资额。
3.咨询服务项目收费标准根据估算额在对应区间内用插入法计算。
4.以奉表收费标准为基础,按建设项目行业特点和所在区域的环境敏感程度,乘以调整系数,确定咨询服务收费基准价。
调整系数见以下之表1和表2。
5.评估环境影响报告书(含大纲)的费用不合专家参加审查会议的差旅费;环境影响评价大纲的技术评估费用占环境影响报告书评估费用的40%。
6.本表所列编制环境影响报告表收费标准为不设评价专题的基准价,每增加一个专题加收50%。
7.本表中费用不包括遥感、遥测、风洞试验、污染气象观测、示踪试验、地探、物探、卫星图片解读、需要动用船与飞机等特殊监测等费用。
建设项目环境影响咨询收费标准调整系数
)
2.建设项目的具体收费标准,根据估算投资额在相对应的区间内用插入法计算。
3.根据行业特点和各行业内部不同类别工程的复杂程序,计算咨询费用时可分行业调整系数和工程复杂程度调整系数(见下表)。
安全评价收费相关规定目录1.安全评价机构管理规定(收费标准见第二十二条) (1)2.四川省安全评价收费指导标准——2010年 (8)3.辽宁省安全评价收费指导意见 (19)4.重庆市安全评价收费标准(试行) (30)5.湖北省安全评价行业收费指导意见 (35)6.福建制定危险化学品安全评价收费标准 (38)7.天津安全评价收费标准 (40)8.江苏省安全评价行业收费标准 (45)9.河北省安全评价收费标准 (47)10.广西关于正式制定安全评价收费标准的通知 (51)11.新疆出台安全评价有关收费标准 (53)1.安全评价机构管理规定(收费标准见第二十二条)总局令第22号新修订的《安全评价机构管理规定》已经2009年6月15日国家安全生产监督管理总局局长办公会议审议通过,现予公布,自2009年10月1日起施行。
局长骆琳二〇〇九年七月一日第一章总则第一条为加强安全评价机构的管理,规范安全评价行为,建立公正、公平、竞争、有序的安全评价技术服务体系,根据《安全生产法》、《行政许可法》和有关规定,制定本规定。
第二条在中华人民共和国境内申请安全评价资质、从事法定安全评价活动以及安全生产监督管理部门、煤矿安全监察机构实施安全评价机构资质监督管理,适用本规定。
第三条国家对安全评价机构实行资质许可制度。
安全评价机构应当取得相应的安全评价资质证书(以下简称资质证书),并在资质证书确定的业务范围内从事安全评价活动。
未取得资质证书的安全评价机构,不得从事法定安全评价活动。
本规定所称的安全评价机构,是指依法从事安全评价活动的社会中介组织。
第四条安全评价机构的资质分为甲级、乙级两种,根据其专业人员构成、技术条件确定各自的业务范围。
安全评价机构业务范围划分标准见附件1。
甲级资质由省、自治区、直辖市安全生产监督管理部门(以下简称省级安全生产监督管理部门)、省级煤矿安全监察机构审核,国家安全生产监督管理总局审批、颁发证书;乙级资质由设区的市级安全生产监督管理部门、煤矿安全监察分局审核,省级安全生产监督管理部门、省级煤矿安全监察机构审批、颁发证书。
河南省物价局文件河南省地震局豫震发防(2000)12号关于印发《河南省地震安全性评价工作收费管理办法》的通知各市地物价局、地震局、各有关单位:为加强地震安全性评价工作的管理,规范地震安全性评价收费行为,根据《中华人民共和国地震减灾法》,《工程场地地震安全性评价工作规范》(GB17741-19999),原国家物价局、财政部(1992)价费字399号文件和河南省人民政府《河南省地震安全性评价管理办法》(豫政【1994】71号文件)等有关规定。
特制定《河南省地震安全性评价收费管理办法》,现印发给你们,请遵照执行。
附件一:河南省地震安全性评价收费管理办法附件二:河南省地震安全性评价收费项目及收费标准河南省物价局河南省地震局二000年五月十日附件一河南省地震安全性评价收费管理办法一、为加强地震安全性评价工作的管理,规范地震安全性评价收费行为,根据国家和我省的有关规定,特制定本办法。
二、本办法适用于河南省境内按规定应进行地震安全评价收费行为,根据国家和我省的有关规定,特制定本办法。
三、地震安全性评价收费,是承担地震安全性评价工作的单位受工程建设单位委托进行技术咨询、鉴定服务而收取的费用,应体现“自愿互利,有偿服务,合理收费”的原则。
四、承担地震安全性评价的单位,必须持有国家或省地震行政主管部门贫发的许可证书,并按证书级别及规定的评价范围开展工作,从事地震安全性评价工作的人员,必须持有地震行政主定部门核发的上岗证书。
五、地震安全评价工作根据《工程场地地震安全性评价技术规范》(GB17741-1999)要求为分为四级,Ⅰ级工作适于地震安全性要求高的重大建设工程项目中的主要工程,Ⅱ级工作适用于《中国地震烈度区划图(1990)》烈度值Ⅵ度及Ⅵ以上地区的大城市、重要经济开发区以及覆盖区域较大的重要生命线工程中的主要工程。
Ⅲ级以外的重大建设工程项目中的主要工程。
Ⅳ级工作适用于Ⅰ、Ⅱ、Ⅲ级工作以外,需要进行地震基本烈度复核的工程。
河南省安全评价咨询服务收费指导意见1.概述1.1为规范河南省安全评价收费行为,提高安全评价工作质量,促进安全评价行业健康发展,维护委托方和安全评级机构的合法权益,编制《河南省安全评价咨询服务收费指导意见》。
1.2本意见适用于河南省行政区域内安全评价机构受企业委托进行各类项目安全预评价、安全验收评价、安全现状评价和专项安全评价。
2.收费原则2.1本意见收费指导标准为河南省安全评价机构行业自律价,各安全评价机构与委托方原则上要依据本意见协商确定安全评价咨询服务费用数额。
2.2本意见所列评价费用不包括检测、检验等费用。
3.收费指导标准 3.1评价咨询费用计算公式3.1.1安全评价费用收费=收费基数×评价类型调整系数×行业调整系数 (注:3.6可再乘开采方式调整系数;3.7直接套用,不使用此公式)收费基数根据项目总投资额在对应区间用插入法计算,即:收费基数=最低收费基数+(项目总投资额-最低投资额)×最低投资额)(最高投资额最低收费基数)(最高收费基数--3.1.2评价类型调整系数3.1.3行业调整系数3.2安全评价费用指导标准注:项目总投资额,在安全预评价时为可行性研究报告中的估算总投资额;在安全验收评价、现状评价时为项目实际总投资额。
3.3加油加气站安全评价费用指导标准3.4危险化学品经营单位安全评价费用指导标准说明:1、Ⅰ类指拥有储存气体10000m3以上或液体1000 m3以上的储存设施,库房或货场总面积大于9000 m2的大型仓库;Ⅱ类指拥有储存气体1000-10000 m3或液体100-1000 m3的储存设施,库房或货场总面积在550-9000 m2之间的中型仓库;Ⅲ类指拥有储存气体1000 m3以下或液体100 m3以下的储存设施,库房或货场总面积小于550 m2的小型仓库;从事无仓储经营、批发和零售业务但没有也不租赁储存场所的。
2、经营剧毒化学品的可在上表的标准基础上其收费基数乘1.2系数。
河南省安全评价机构监督管理办法第一章总则第一条为加强安全评价工作的管理,规范安全评价监管和从业行为,建立科学、公正、公平、竞争有序的安全评价技术服务体系,提高安全评价技术水平和服务质量,根据•中华人民共和国安全生产法‣、•中华人民共和国行政许可法‣、•河南省安全生产条例‣、国家安全生产监督管理总局•安全评价机构管理规定‣(国家安全监管总局令第22号,以下简称•管理规定‣)等有关法律、法规和规定,结合我省实际情况,制定本办法。
第二条安全评价机构在本省境内申请安全评价资质、从事安全评价活动(煤矿除外),以及安全生产监督管理部门依法实施安全评价机构监督管理,适用本办法。
第三条根据本省社会经济发展水平和安全评价工作需要,以及国家安全监管总局下达我省安全评价机构控制指标,河南省安全生产监督管理局(以下简称省安全监管局)对安全评价机构的设置实行统筹规划、合理布局和总量控制。
第四条安全评价机构应当取得相应的安全评价资质证书(以下简称资质证书),并在资质证书确定的业务范围和有效期内从事安全评价活动。
安全评价人员必须取得相应的资格,方可执业。
第五条安全评价机构资质分为甲级、乙级两种。
甲级资质由省安全监管局审核,国家安全监管总局审批、颁发证书;乙级资质由所在地省辖市或省直管县安全生产监督管理局(以下简称省辖市或直管县安全监管局)审核,省安全监管局审批、颁发证书。
同一个安全评价机构只能申报一种(甲级或乙级)评价资质。
第二章取得资质的条件和程序第六条安全评价机构申请甲级或乙级资质,除应分别符合•管理规定‣第八条、第九条要求外,还应当具备下列条件:(一)安全评价机构的固定资产应由具有资产评估资质的单位出具资产评估报告确认;(二)甲级机构有不少于400平方米的办公场地(其中档案室面积不少于50平方米),乙级机构有不少于250平方米的办公场地(其中档案室面积不少于30平方米),具备必要的设施设备,且有必要的技术支撑条件;配备计算机数量不少于专职安全评价师人数;具有与安全评价相关的法律、行政法规、标准规范;具有较完整的专业技术资料积累和工作数据库,以及及时查询相关专业信息的手段;(三)有健全的内部管理制度和安全评价过程控制体系(过程控制管理体系文件、程序文件、作业指导书及规章制度等);(四)专职安全评价师年龄不超过60周岁;专职安全评价师必须具有与从业单位依法签定的劳动合同,具有从业单位在本机构所在地为本人缴纳的基本养老保险、失业保险、基本医疗保险和工伤保险的有效证明;事业单位可出具住房公积金有效缴存证明。
附件:河南省安全评价咨询服务收费指导标准1、评价咨询费用计算公式1)咨询服务费二收费基准x 评价类型调整系数X 行业调整系数收费基准根据估算投资总额在对应区间用插入法计算,即:2)评价类型调整系数表3)收费基准=最低收费基数+(实际投资额-最低投资额)X(最高收费基数 (最高投资额最低收费基数) 最低投资额)注:总投资额,在安全预评价时为可行性研究报告中的估算总投资额;在安全验收评价时为项目实际总投资额。
4、危险化学品经营储存)单位安全评价收费指导标准说明:I类:拥有储存气体10000m3以上或液体1000 m以上的储存设施,库房或货场总面积大于9000M的大型仓库。
H 类:拥有储存气体1000—10000M或液体100—1000M的储存设施,库房或货场总面积在550—9000M之间的中型仓库;皿类:拥有储存气体1000M以下或液体100M3以下的储存设施,库房或货场总面积小于550M2的小型仓库;从事批发和零售业务但没有也不租赁储存场所的。
经营剧毒化学品的可在附件3收费标准基础上乘1.3系数。
56、烟花爆竹安全评价收费标准127、非煤矿山企业安全评价收费标准1)非煤矿山企业独立生产系统(采矿)安全现状评价(或专项安全评价)主要根据系统规模、风险度、复杂程度、进度要求等特点进行收费。
表1非煤矿山独立生产系统安全现状评价收费表2 )尾矿库(含冶炼企业废渣库)安全现状评价收费主要根据尾矿库等别、基础资料情况、尾矿设施情况、管理运行状况和下游情况等特点进行收费。
表2尾矿库(含冶炼企业废渣库)安全现状评价收费表注:1、本收费指导标准适用范围。
本标准适用于河南省内安全评价机构受企业委托所做各类项目安全预评价、安全验收评价、安全现状评价、专项安全评价。
2、本收费指导标准为河南省安全评价机构行业自律价,各评价机构应严格遵守执行。
评价双方经过协商可在本收费标准范围内浮动10%确定评价费用。
本收费标准不含项目评审费用。
河南省非煤矿山专项安全评价收费标准为保证安全评价工作在河南省内顺利进行,规范安全评价收费标准,使评价机构的收费有章可循,防止无序竞争,确保安全评价工作质量。
根据《中华人民共和国安全生产法》、《安全生产许可证条例》、《安全评价机构管理规定》、《非煤矿山企业安全生产许可证实施办法》及河南省安全生产监督管理局有关会议精神,参照国家计委、经贸委、财政部、监察部、审计署和国务院纠风办联合下发的《关于印发〈中介服务收费管理办法〉的通知》(计价字[1999]2255号)的规定及有关法律、法规,结合我省安全评价工作的实际制定本收费标准。
并于2005年5月1日起实施。
收费标准的制定是以评价机构提供服务的社会平均成本费用为基础,加法定税金和合理利润,并考虑到安全评价工作刚起步,市场发育不够充分等情况,以及提供服务的技术难度及复杂程度,风险程度。
在充分听取了企业和评价机构的意见,参照环评收费标准的基础上,经过认真讨论、反复测算,论证后形成了该收费标准。
在计算安全评价费时,用以下公式进行:安全评价费=基础价格×风险度×复杂程度系数×进度要求式中: 1.风险度指安全隐患程度和发生事故的几率,其数值为0.8—1.3; 2.复杂程度系数指基础资料不全、工作难度较大、交通困难、地理位置偏远等,其数值为0.8—1.2;3.进度要求,一般项目完成周期为2个月,如委托方要求加快,则小项目按1.2,大项目按1.1收取。
非煤矿山专项安全评价收费标准见附件一参加非煤矿山专项安全评价收费标准制订的单位名单见附件二抄报:河南省安全生产监督管理局、各市县安全生产监督管理局抄送:河南省各非煤矿山企业附件一表1 矿山(井采)采掘生产系统专项安全评价收费标准②小型采石场(矿)评价取费按地下开采矿山标准1/3确定。
表2 矿泉水、地热水、卤水、采砂、砖瓦粘土表3 尾矿库、灰渣库、赤泥库等专项安全评价收费标准。
附件:河南省安全评价咨询服务收费指导标准1、评价咨询费用计算公式1)咨询服务费=收费基准×评价类型调整系数×行业调整系数收费基准根据估算投资总额在对应区间用插入法计算,即: 收费基准=最低收费基数+(实际投资额-最低投资额)×最低投资额)(最高投资额最低收费基数)(最高收费基数--2)评价类型调整系数表3)3、加油加气站现状安全评价收费指导标准4、危险化学品经营(储存)单位安全评价收费指导标准说明:Ⅰ类:拥有储存气体10000m3以上或液体1000 m3以上的储存设施,库房或货场总面积大于9000M2的大型仓库。
Ⅱ类:拥有储存气体1000—10000M3或液体100—1000M3的储存设施,库房或货场总面积在550—9000M2之间的中型仓库;Ⅲ类:拥有储存气体1000M3以下或液体100M3以下的储存设施,库房或货场总面积小于550M2的小型仓库;从事批发和零售业务但没有也不租赁储存场所的。
经营剧毒化学品的可在附件3收费标准基础上乘1.3系数。
5、危险化学品生产企业安全评价收费标准6、烟花爆竹安全评价收费标准1)烟花爆竹生产企业安全评价收费标准7、非煤矿山企业安全评价收费标准1)非煤矿山企业独立生产系统(采矿)安全现状评价(或专项安全评价)主要根据系统规模、风险度、复杂程度、进度要求等特点进行收费。
2)尾矿库(含冶炼企业废渣库)安全现状评价收费主要根据尾矿库等别、基础资料情况、尾矿设施情况、管理运行状况和下游情况等特点进行收费。
注:1、本收费指导标准适用范围。
本标准适用于河南省内安全评价机构受企业委托所做各类项目安全预评价、安全验收评价、安全现状评价、专项安全评价。
2、本收费指导标准为河南省安全评价机构行业自律价,各评价机构应严格遵守执行。
评价双方经过协商可在本收费标准范围内浮动10%确定评价费用。
本收费标准不含项目评审费用。
安全评价收费参考标准姓名:XXX部门:XXX日期:XXX安全评价收费参考标准近日,国家局有关部门负责人表示,由于全国各地经济发展水平不一样,各行业安全状况不一样,因此,在现阶段无法制定统一的安全评价的收费标准。
但各地可以参考原国家计委以下两个收费的规定,—结合本地区的实际,制定出适用于本地区相关行业安全评价的收费标准。
A:建设项目环境影响咨询收费标准(单位:万元)注:1.表中数字下限为不合,上限为包含。
2.估算投资额为项目建议书或可行性研究报告中的估算投资额。
3.咨询服务项目收费标准根据估算额在对应区间内用插入法计算。
4.以奉表收费标准为基础,按建设项目行业特点和所在区域的环境敏感程度,乘以调整系数,确定咨询服务收费基准价。
调整系数见以下之表1和表2。
5.评估环境影响报告书(含大纲)的费用不合专家参加审查会议的差旅费;环境影响评价大纲的技术评估费用占环境影响报告书评估费用的40%。
6.本表所列编制环境影响报告表收费标准为不设评价专题的基准价,每增加一个专题加收50%。
7.本表中费用不包括遥感、遥测、风洞试验、污染气象观测、示踪试验、地探、物探、卫星图片解读、需要动用船与飞机等特殊监测等费用。
建设项目环境影响咨询收费标准调整系数表1环境影响评价大纲、报告书编制收费行业调整系数25~35第 2 页共 4 页注:1.建设项目估算投资额是指项目建议书或者可行性研究报告的估算投贵额。
2.建设项目的具体收费标准,根据估算投资额在相对应的区间内用插入法计算。
3.根据行业特点和各行业内部不同类别工程的复杂程序,计算咨询费用时可分行业调整系数和工程复杂程度调整系数(见下表)。
按建设项目估算投资额分档收费的调整系数3.有色、黄金、纺织、轻工、邮电、广播电视、医药、煤炭、火电(含核电)、机械(含船舶、航空、航天、兵器)1.0第 3 页共 4 页感谢您的浏览!整理范文,仅供参考。
第4 页共4 页。
安全评价收费相关规定目录1.安全评价机构管理规定(收费标准见第二十二条) (1)2.四川省安全评价收费指导标准——2010年 (8)3.辽宁省安全评价收费指导意见 (19)4.重庆市安全评价收费标准(试行) (30)5.湖北省安全评价行业收费指导意见 (35)6.福建制定危险化学品安全评价收费标准 (38)7.天津安全评价收费标准 (40)8.江苏省安全评价行业收费标准 (45)9.河北省安全评价收费标准 (47)10.广西关于正式制定安全评价收费标准的通知 (51)11.新疆出台安全评价有关收费标准 (53)1.安全评价机构管理规定(收费标准见第二十二条)总局令第22号新修订的《安全评价机构管理规定》已经2009年6月15日国家安全生产监督管理总局局长办公会议审议通过,现予公布,自2009年10月1日起施行。
局长骆琳二〇〇九年七月一日第一章总则第一条为加强安全评价机构的管理,规范安全评价行为,建立公正、公平、竞争、有序的安全评价技术服务体系,根据《安全生产法》、《行政许可法》和有关规定,制定本规定。
第二条在中华人民共和国境内申请安全评价资质、从事法定安全评价活动以及安全生产监督管理部门、煤矿安全监察机构实施安全评价机构资质监督管理,适用本规定。
第三条国家对安全评价机构实行资质许可制度。
安全评价机构应当取得相应的安全评价资质证书(以下简称资质证书),并在资质证书确定的业务范围内从事安全评价活动。
未取得资质证书的安全评价机构,不得从事法定安全评价活动。
本规定所称的安全评价机构,是指依法从事安全评价活动的社会中介组织。
第四条安全评价机构的资质分为甲级、乙级两种,根据其专业人员构成、技术条件确定各自的业务范围。
安全评价机构业务范围划分标准见附件1。
甲级资质由省、自治区、直辖市安全生产监督管理部门(以下简称省级安全生产监督管理部门)、省级煤矿安全监察机构审核,国家安全生产监督管理总局审批、颁发证书;乙级资质由设区的市级安全生产监督管理部门、煤矿安全监察分局审核,省级安全生产监督管理部门、省级煤矿安全监察机构审批、颁发证书。
安全评价收费参考标准安全评价是指对某一事物(如建筑、设备、程序等)的安全性进行系统性、全面性的评估和分析,以确定其在特定条件下的安全性水平,从而为相应的决策和管理提供依据。
安全评价在各个领域都扮演着重要角色,如工程建设、环境保护、信息安全等。
然而,由于安全评价的复杂性和专业性,所以往往需要专业机构或专业人员进行评价。
那么,在进行安全评价时,如何确定收费标准呢?下面是一些常见的安全评价收费参考标准。
1. 评价项目的复杂程度安全评价的项目复杂程度不同,所需的工作量和专业知识水平也有所不同。
一般来说,评价项目越复杂,所需的收费也会相应增加。
例如,对于一个大型工程建设项目的安全评价,需要进行大量的调研和数据收集,同时还需要进行复杂的模型建立和风险分析,因此其收费标准往往会比较高。
2. 评价的时间周期安全评价的时间周期一般分为长期评价和短期评价。
长期评价是指对某一事物的安全性进行长期监测和评估,以确定其在不同时间段下的安全性水平;短期评价是指对某一事物的安全性进行一次性评估。
一般来说,长期评价需要进行持续性的工作,所需工作量和时间较多,因此其收费标准往往会比较高。
3. 评价的专业性要求安全评价需要专业的人员进行,具备一定的专业知识和技能。
一般来说,评价机构或个人所拥有的专业资质和经验越丰富,评价的收费标准也会相应增加。
同时,根据不同评价项目所需的专业性要求也会有所不同,如建筑工程的安全评价需要建筑工程师参与,而信息安全的评价则需要专业的网络安全工程师参与。
4. 评价的服务内容安全评价的服务内容也会影响收费标准。
通常,评价内容包括调研、数据收集、模型建立、风险分析等工作。
如果客户需要更全面的评价内容,如对多个方面(如机械、电气、化学等)进行评价,那么评价费用也会相应增加。
5. 评价机构的声誉和知名度评价机构的声誉和知名度也会影响收费标准。
一般来说,具有良好声誉和高知名度的评价机构会有更高的市场认可度,因此其收费标准会相对较高。
附件:河南省安全评价咨询服务收费指导标准1、评价咨询费用计算公式1)咨询服务费=收费基准×评价类型调整系数×行业调整系数收费基准根据估算投资总额在对应区间用插入法计算,即: 收费基准=最低收费基数+(实际投资额-最低投资额)×最低投资额)(最高投资额最低收费基数)(最高收费基数--2)评价类型调整系数表3)3、加油加气站现状安全评价收费指导标准4、危险化学品经营(储存)单位安全评价收费指导标准说明:Ⅰ类:拥有储存气体10000m3以上或液体1000 m3以上的储存设施,库房或货场总面积大于9000M2的大型仓库。
Ⅱ类:拥有储存气体1000—10000M3或液体100—1000M3的储存设施,库房或货场总面积在550—9000M2之间的中型仓库;Ⅲ类:拥有储存气体1000M3以下或液体100M3以下的储存设施,库房或货场总面积小于550M2的小型仓库;从事批发和零售业务但没有也不租赁储存场所的。
经营剧毒化学品的可在附件3收费标准基础上乘1.3系数。
25、危险化学品生产企业安全评价收费标准6、烟花爆竹安全评价收费标准1)烟花爆竹生产企业安全评价收费标准- 3 -7、非煤矿山企业安全评价收费标准1)非煤矿山企业独立生产系统(采矿)安全现状评价(或专项安全评价)主要根据系统规模、风险度、复杂程度、进度要求等特点进行收费。
2)尾矿库(含冶炼企业废渣库)安全现状评价收费主要根据尾矿库等别、基础资料情况、尾矿设施情况、管理运行状况和下游情况等特点进行收费。
4注:1、本收费指导标准适用范围。
本标准适用于河南省内安全评价机构受企业委托所做各类项目安全预评价、安全验收评价、安全现状评价、专项安全评价。
2、本收费指导标准为河南省安全评价机构行业自律价,各评价机构应严格遵守执行。
评价双方经过协商可在本收费标准范围内浮动10%确定评价费用。
本收费标准不含项目评审费用。
- 5 -。
河南省安全评价咨询服务收费指导意见1.概述1.1为规范河南省安全评价收费行为,提高安全评价工作质量,促进安全评价行业健康发展,维护委托方和安全评级机构的合法权益,编制《河南省安全评价咨询服务收费指导意见》。
1.2本意见适用于河南省行政区域内安全评价机构受企业委托进行各类项目安全预评价、安全验收评价、安全现状评价和专项安全评价。
2.收费原则2.1本意见收费指导标准为河南省安全评价机构行业自律价,各安全评价机构与委托方原则上要依据本意见协商确定安全评价咨询服务费用数额。
2.2本意见所列评价费用不包括检测、检验等费用。
3.收费指导标准 3.1评价咨询费用计算公式3.1.1安全评价费用收费=收费基数×评价类型调整系数×行业调整系数 (注:3.6可再乘开采方式调整系数;3.7直接套用,不使用此公式)收费基数根据项目总投资额在对应区间用插入法计算,即:收费基数=最低收费基数+(项目总投资额-最低投资额)×最低投资额)(最高投资额最低收费基数)(最高收费基数--3.1.2评价类型调整系数3.1.3行业调整系数3.2安全评价费用指导标准注:项目总投资额,在安全预评价时为可行性研究报告中的估算总投资额;在安全验收评价、现状评价时为项目实际总投资额。
3.3加油加气站安全评价费用指导标准3.4危险化学品经营单位安全评价费用指导标准说明:1、Ⅰ类指拥有储存气体10000m3以上或液体1000 m3以上的储存设施,库房或货场总面积大于9000 m2的大型仓库;Ⅱ类指拥有储存气体1000-10000 m3或液体100-1000 m3的储存设施,库房或货场总面积在550-9000 m2之间的中型仓库;Ⅲ类指拥有储存气体1000 m3以下或液体100 m3以下的储存设施,库房或货场总面积小于550 m2的小型仓库;从事无仓储经营、批发和零售业务但没有也不租赁储存场所的。
2、经营剧毒化学品的可在上表的标准基础上其收费基数乘1.2系数。
河南省煤矿安全收费指导价格为规范安全评价收费,使评价机构的收费有章可循,按照原国家安全生产监督管理局令第13号《安全评价机构管理规定》的要求和安监管司办字[2004]139号文关于贯彻实施《安全评价机构管理规定》的通知及有关法律、法规,并根据国家计委、经贸委、财政部、监察部、审计署和国务院纠风办联合下发的《关于印发<中介服务收费管理办法>的通知》(计价字[1999]2255号)的规定,参照《国家计委关于印发建设项目前期工作咨询收费暂行规定的通知》(计价格[1999]1283号)的标准并参考其它省、市、自治区的评价收费,结合当地安全评价工作的实际情况制定本收费指导价格,并于二○○六年五月一日起实施。
煤矿安全现状评价项目收费标准注:1.国家评审报告的评审费执行国家标准。
2.露天矿系数:0.83. 复杂程度系数:0.8~1.24.进度系数:1.0~1.25.对于生产能力大于120万吨/年的矿井,生产能力每增加10万吨评价取费增加1万元。
6. 计算安全评价费用时,用以下公式进行:安全评价费=基本收费×复杂程度系数×进度系数煤矿建设项目(工程)安全预评价收费标准注:1.国家评审报告的评审费执行国家标准。
2.露天矿系数:0.83. 复杂程度系数:0.8~1.24.进度系数:1.0~1.25. 计算安全评价费用时,用以下公式进行:安全评价费=基本收费×复杂程度系数×进度系数煤矿建设项目(工程)安全验收评价收费标准注:1.国家评审报告的评审费执行国家标准。
2.露天矿系数:0.83. 复杂程度系数:0.8~1.24.进度系数:1.0~1.25. 计算安全评价费用时,用以下公式进行:安全评价费=基本收费×复杂程度系数×进度系数煤矿安全装备/仪器仪表/作业环境检测检验项目收费标准对于煤矿井下空压机,检测检验费为在此基础上加收10%五、皮带运输机性能检测检验:皮带运输机检测检验费为(不包括阴燃性能实验)6000元/台。
河南省安全评价咨询服务收费指导意见征求意见集团标准化工作小组 [Q8QX9QT-X8QQB8Q8-NQ8QJ8-M8QMN]河南省安全评价咨询服务收费指导意见(征求意见稿)各省辖市安全生产监督管理局、各相关单位:为规范河南省安全评价收费行为,维护委托方和安全评价机构合法权益,保证安全评价工作质量,促进安全评价行业的健康发展,依据《中介服务收费管理办法》(计价格〔1999〕2255号),《安全评价机构管理规定》(国家局22号令),结合我省实际,特制定《河南省安全评价咨询服务收费指导意见(征求意见稿)》。
现向相关单位广泛征求意见,请将意见于8月10日前反馈到省安监局政策法规处(规划科技处)。
联系电话:3 (传真)Email办公地址:郑州市金水大道16号省工会大厦7楼715房附件:河南省安全生产监督管理局二O一O年七月二十二日附件:河南省安全评价咨询服务收费指导标准1、评价咨询费用计算公式1)咨询服务费=收费基准×评价类型调整系数×行业调整系数收费基准根据估算投资总额在对应区间用插入法计算,即: 收费基准=最低收费基数+(实际投资额-最低投资额)×最低投资额)(最高投资额最低收费基数)(最高收费基数--2)评价类型调整系数表3)3、加油加气站现状安全评价收费指导标准4、危险化学品经营(储存)单位安全评价收费指导标准说明:Ⅰ类:拥有储存气体10000m3以上或液体1000 m3以上的储存设施,库房或货场总面积大于9000M2的大型仓库。
Ⅱ类:拥有储存气体1000—10000M3或液体100—1000M3的储存设施,库房或货场总面积在550—9000M2之间的中型仓库;Ⅲ类:拥有储存气体1000M3以下或液体100M3以下的储存设施,库房或货场总面积小于550M2的小型仓库;从事批发和零售业务但没有也不租赁储存场所的。
经营剧毒化学品的可在附件3收费标准基础上乘系数。
5、危险化学品生产企业安全评价收费标准6、烟花爆竹安全评价收费标准1)烟花爆竹生产企业安全评价收费标准7、非煤矿山企业安全评价收费标准1)非煤矿山企业独立生产系统(采矿)安全现状评价(或专项安全评价)主要根据系统规模、风险度、复杂程度、进度要求等特点进行收费。
附件:河南省安全评价咨询服务收费指导标准1、评价咨询费用计算公式1)咨询服务费=收费基准×评价类型调整系数×行业调整系数收费基准根据估算投资总额在对应区间用插入法计算,即:收费基准=最低收费基数+(实际投资额-最低投资额)×最低投资额)(最高投资额最低收费基数)(最高收费基数--2)评价类型调整系数表3)评价时为项目实际总投资额。
3、加油加气站现状安全评价收费指导标准4、危险化学品经营(储存)单位安全评价收费指导标准说明:Ⅰ类:拥有储存气体10000m3以上或液体1000 m3以上的储存设施,库房或货场总面积大于9000M2的大型仓库。
Ⅱ类:拥有储存气体1000—10000M3或液体100—1000M3的储存设施,库房或货场总面积在550—9000M2之间的中型仓库;Ⅲ类:拥有储存气体1000M3以下或液体100M3以下的储存设施,库房或货场总面积小于550M2的小型仓库;从事批发和零售业务但没有也不租赁储存场所的。
经营剧毒化学品的可在附件3收费标准基础上乘1.3系数。
5、危险化学品生产企业安全评价收费标准6、烟花爆竹安全评价收费标准1)烟花爆竹生产企业安全评价收费标准7、非煤矿山企业安全评价收费标准1)非煤矿山企业独立生产系统(采矿)安全现状评价(或专项安全评价)主要根据系统规模、风险度、复杂程度、进度要求等特点进行收费。
表1 非煤矿山独立生产系统安全现状评价收费表2)尾矿库(含冶炼企业废渣库)安全现状评价收费主要根据尾矿库等别、基础资料情况、尾矿设施情况、管理运行状况和下游情况等特点进行收费。
注:1、本收费指导标准适用范围。
本标准适用于河南省内安全评价机构受企业委托所做各类项目安全预评价、安全验收评价、安全现状评价、专项安全评价。
2、本收费指导标准为河南省安全评价机构行业自律价,各评价机构应严格遵守执行。
评价双方经过协商可在本收费标准范围内浮动10%确定评价费用。
1
附件:河南省安全评价咨询服务收费指导标准
1、评价咨询费用计算公式
1)咨询服务费=收费基准×评价类型调整系数×行业调整系数
收费基准根据估算投资总额在对应区间用插入法计算,即: 收费基准=最低收费基数+(实际投资额-最低投资额)×
最低投资额)
(最高投资额最低收费基数)
(最高收费基数--
2)评价类型调整系数表
3)。
2
3、加油加气站现状安全评价收费指导标准
4、危险化学品经营(储存)单位安全评价收费指导标准
说明:Ⅰ类:拥有储存气体10000m 3以上或液体1000 m 3以上的储存设施,库房或货场总面积大于9000M 2的大型仓库。
Ⅱ类:拥有储存气体1000—10000M 3或液体100—1000M 3的储存设施,库房或货场总面积在550—9000M 2之间的中型仓库;Ⅲ类:拥有储存气体1000M 3以下或液体100M 3以下的储存设施,库房或货场总面积小于550M 2的小型仓库;从事批发和零售业务但没有也不租赁储存场所的。
经营剧毒化学品的可在附件3收费标准基础上乘1.3系数。
3
5、危险化学品生产企业安全评价收费标准
6、烟花爆竹安全评价收费标准 1)烟花爆竹生产企业安全评价收费标准。
4
7、非煤矿山企业安全评价收费标准
1)非煤矿山企业独立生产系统(采矿)安全现状评价(或专项安全评价)主要根据系统规模、风险度、复杂程度、进度要求等特点进行收费。
2)尾矿库(含冶炼企业废渣库)安全现状评价收费主要根据尾矿库等别、基础资料情况、尾矿设施情况、管理运行状况和下游情况等特点进行收费。
注:1、本收费指导标准适用范围。
本标准适用于河南省内安全评价机构受企业委托所做各类项目安全预评价、安全验收评价、安全现状评价、专项安全评价。
2、本收费指导标准为河南省安全评价机构行业自律价,各评价机构应严格遵守执行。
评价双方经过协商可在本收费标准范围内浮动10%确定评价费用。
本收费标准不含项目评审费用。
5。