测量小灯泡的电功率实验及实验报告
- 格式:doc
- 大小:254.00 KB
- 文档页数:4
伏安法测小灯泡电功率、电阻实验报告
实验目的,通过伏安法测量小灯泡的电功率和电阻,加深对电路中电功率和电阻的理解。
实验器材,电源、电阻箱、电流表、电压表、小灯泡。
实验步骤:
1. 将电阻箱接入电路中,调节电阻箱阻值,使电流表示数为适当值。
2. 测量电路中的电压,记录下电压值。
3. 测量电路中的电流,记录下电流值。
4. 根据电压和电流的测量值,计算小灯泡的电功率。
5. 根据电压和电流的测量值,计算小灯泡的电阻。
实验结果:
电压值,9V。
电流值,0.3A。
电功率,P=IV=9V0.3A=2.7W。
电阻,R=V/I=9V/0.3A=30Ω。
实验结论,通过本次实验,我们成功测量了小灨泡的电功率和
电阻。
实验结果表明,小灯泡的电功率为2.7瓦特,电阻为30欧姆。
这些结果与理论值相符合,验证了伏安法在测量电功率和电阻方面
的可靠性。
存在问题及改进措施,在实验过程中,我们注意到电流表和电
压表的示数有些抖动,可能会对实验结果产生一定的影响。
为了提
高测量的准确性,我们可以尝试使用更精确的仪器进行测量,并减
小外界干扰的影响。
实验人员签名,___________ 日期,___________。
伏安法测小灯泡电功率、电阻实验报告
自查报告。
实验名称,伏安法测小灯泡电功率、电阻。
实验目的,通过伏安法测量小灯泡的电功率和电阻,加深对电路中电功率和电阻的理解。
实验装置,小灯泡、电源、电压表、电流表、导线等。
实验步骤:
1. 将小灯泡接入电路中,连接电源,使电流通过小灯泡。
2. 用电压表测量小灯泡两端的电压,用电流表测量小灯泡的电流。
3. 根据测得的电压和电流计算小灯泡的电功率。
4. 根据欧姆定律计算小灯泡的电阻。
实验结果:
1. 测得小灯泡的电压为3V,电流为0.5A,计算得到电功率为1.5W。
2. 根据欧姆定律计算得到小灯泡的电阻为6Ω。
实验分析,通过实验测量和计算得到的电功率和电阻与小灯泡的理论数值基本吻合,实验结果较为准确。
存在问题,在实验过程中,可能存在测量误差,导致实验结果与理论值有一定偏差。
改进措施,在实验中尽量减小测量误差,提高实验结果的准确性。
结论,通过伏安法测量小灯泡的电功率和电阻,加深了对电路中电功率和电阻的理解,实验结果较为准确,为后续实验和理论学习提供了基础。
测小灯泡功率实验报告
实验名称:测小灯泡功率实验报告
实验目的:通过测量小灯泡的功率,掌握功率的计算方法,以及掌握测量小灯泡功率的实验方法。
实验原理:小灯泡的功率可以通过测量其电压和电流来计算得出。
根据功率的定义,功率P等于电压U与电流I的乘积,即P=UI。
实验材料:小灯泡、电压表、电流表、导线等。
实验步骤:
1. 将小灯泡接入电路中,接好电压表和电流表。
2. 打开电路,记录下电压表和电流表的读数。
3. 根据记录的电压和电流数值,利用功率的计算公式P=UI,计算出小灯泡的功率值。
实验结果:通过实验测量,得到小灯泡的电压为3V,电流为0.5A,根据功率计算公式P=UI,计算得到小灯泡的功率为1.5W。
实验分析:通过本次实验,我们掌握了测量小灯泡功率的方法,以及功率的计算公式。
同时也了解到,小灯泡的功率可以通过测量电压和电流来计算得出,这对于我们理解电路中的功率转换和利用具有一定的帮助。
实验总结:本次实验通过测量小灯泡的功率,让我们更加深入地理解了功率的计算方法,并掌握了测量小灯泡功率的实验方法。
同时也加强了我们对电路中功率转换的理解,为今后的学习和实验打下了基础。
次数电压U/V电流I/A 发光情况电功率P/W1 2.522330.280.30.34正常较暗较亮0.560.751.02实验四 测量小灯泡的电功率【实验目的】用伏安法测量小灯泡的电功率,进一步理解额定功率和实际功率的联系和区别。
【设计与进行实验】1.实验器材:电源、导线、开关、小灯泡(额定电压2.5V )、电流表、电压表、滑动变阻器; 2.实验原理:UI P=3.实验步骤:(1)将电压表和电流表指针调零,断开开关,按照电路图连接电路,将滑动变阻器滑片移到阻值最大处。
(2)闭合开关,调节滑动变阻器滑片,使电压表示数依次为2.5V 、2V 和3V ,依次记下电压表示数U 和对应的电流表示数I ,分别将U 、I 记录在表格中;(3)观察并比较三次小灯泡的发光情况,将现象记录在表格中。
【分析和结论】 (1)当额实额实时,P P U U ==,灯泡正常发光; (2)当额实额实时,P P U U <<,灯泡发光较暗; (3)当额实额实时,PP U U >>,灯泡发光很亮; 【交流与讨论】 (跟测量电阻实验内容重复的在此略去)(1)使小灯泡正常发光的操作:移动滑片,观察电压表示数,当电压表示数等于小灯泡额定电压时,小灯泡正常发光;(2)小灯泡的U -I 图像不是直线(或不同电压下小灯泡电阻不同)的原因:灯丝电阻随温度的升高而增大。
(3)灯泡亮暗程度与实际功率关系:小灯泡的亮暗由小灯泡实际功率决定,实际功率越大,小灯泡越亮;(4)实验中改变小灯泡两端电压的方式:通过移动滑动变阻器连入电路的阻值大小;(5)伏安法测电阻和伏安法测电功率的异同点相同点:①实验电路相同;②实验方法相同,都是伏安法;③测量的物理量相同,都是测量电流和电压。
不同点:①实验原理不同,测电阻的实验原理是IUR =,测电功率的实验原理是UI P =; ②实验数据处理方式不同,测电阻中,处理数据,多次测量求平均值减小实验误 差;而测电功率的实验中多次实验是寻找在不同电压下的实际电功率与灯泡亮 度之间关系。
测量小灯泡的电功率》实验报告单九年级物理实验报告班级:九年()班。
姓名:________。
日期:____年____月___日实验名称:《测量小灯泡的电功率》一、实验目的:用电表测量小灯泡的电功率。
二、实验器材:电源、开关、导线、小灯泡、电流表、滑动变阻器。
三、实验原理:根据欧姆定律,电功率等于电流乘以电压,即P=UI。
四、实验电路图:电路图画在右边的方框内。
五、实验步骤:1.按电路图连接电路。
注意连接过程中,开关应该是断开的,滑动变阻器的滑片应该移至阻值最大处。
2.检查电路无误后,闭合开关S,移动滑动变阻器的滑片,使小灯泡的两端的电压等于额定电压,读出电流表的示数,观察小灯泡的发光情况,并填入对应的表格中。
3.继续移动滑片,使小灯泡的两端的电压高于额定电压,读出电流表的示数,观察小灯泡的发光情况,并填入对应的表格中。
4.继续移动滑片,使小灯泡的两端的电压低于额定电压,读出电流表的示数,观察小灯泡的发光情况,并填入对应的表格中。
5.断开开关,整理器材。
六、实验数据记录表格:U额=2.5V)实验次数1)2)3)电压(V)2.5电流(A)电功率(W)发光情况七、分析与论证(结论):当U实=U额时,P实=P额,小灯泡正常发光。
当U实>U额时,P实>P额,小灯泡比正常发光更亮。
当U实<U额时,P实<P额,小灯泡比正常发光更暗。
不同电压下,小灯泡的实际功率不同,同一只灯泡,实际电压越大,小灯泡实际功率越大。
灯泡的亮度取决于功率,功率越大,小灯泡越亮。
八、课后思考:1.本实验中的滑动变阻器的作用是保护电路,改变小灯泡两端的电压,便于多次实验,测出小灯泡在不同电压下的电功率。
2.连接电路时开关应断开,滑动变阻器的滑片应处于阻值最大的位置。
滑动变阻器接法应正确。
3.这个实验装置与我们做过的“测量电阻”的实验很相似。
可以计算出电阻,取平均值减小误差,本实验需要。
4.在该实验中,某同学在连接滑动变阻器时,由于粗心,连接的电路闭合开关后,移动变阻器的滑片时并不能改变灯泡的亮度。
伏安法测小灯泡电功率、电阻实验报告
实验目的,通过伏安法测量小灯泡的电功率和电阻,加深对电路中电功率和电阻的理解。
实验仪器,电源、电压表、电流表、小灯泡、导线等。
实验步骤:
1. 将实验仪器接线连接,确保连接正确无误。
2. 打开电源,调节电压表和电流表的量程,使其能够测量小灯泡的电压和电流。
3. 依次测量小灯泡的电压和电流,记录下测量值。
4. 根据测量值计算小灯泡的电功率和电阻。
实验数据:
小灯泡电压,V = 6V。
小灯泡电流,I = 0.5A。
实验结果:
根据测量值计算得到小灯泡的电功率为 P = V I = 6V 0.5A = 3W。
小灯泡的电阻为R = V / I = 6V / 0.5A = 12Ω。
实验分析:
通过实验测量和计算得到小灯泡的电功率和电阻,验证了伏安法在测量电路中电功率和电阻的可靠性和准确性。
同时,也加深了对电路中电功率和电阻的理解。
实验结论:
通过本次实验,我们成功利用伏安法测量了小灯泡的电功率和电阻,实验结果与理论值基本吻合,实验目的达到。
同时,也提高了我们对电路中电功率和电阻的理解和掌握程度。
伏安法测小灯泡电功率、电阻实验报告
实验目的,通过伏安法测量小灯泡的电功率和电阻,加深对伏安法的理解,掌握实验操作技能。
实验仪器,电压表、电流表、小灯泡、导线等。
实验步骤:
1. 将电压表和电流表连接好,使其能够测量电路中的电压和电流。
2. 将小灯泡与电源、电压表、电流表连接成电路。
3. 通过调节电源电压和电流表的量程,使得电路中的电压和电流能够被准确测量。
4. 分别测量小灯泡的电压和电流,并记录下实验数据。
5. 根据测得的电压和电流数据,计算出小灯泡的电功率和电阻数值。
实验结果:
根据实验数据计算得出小灯泡的电功率为5W,电阻为10Ω。
实验结论:
通过本次实验,我们成功地利用伏安法测量了小灯泡的电功率和电阻,并得出了准确的实验结果。
实验结果与小灯泡的标称值相符,证明了伏安法的有效性和准确性。
同时,通过本次实验,我们也加深了对伏安法的理解,掌握了实验操作技能。
存在问题及改进措施:
在实验过程中,我们发现在测量电压和电流时,需要注意电路的连接是否牢固,以及仪器的读数是否准确。
在今后的实验中,我们将更加细致地检查实验装置,以确保实验数据的准确性。
实验人员签名,_________ 日期,_________。
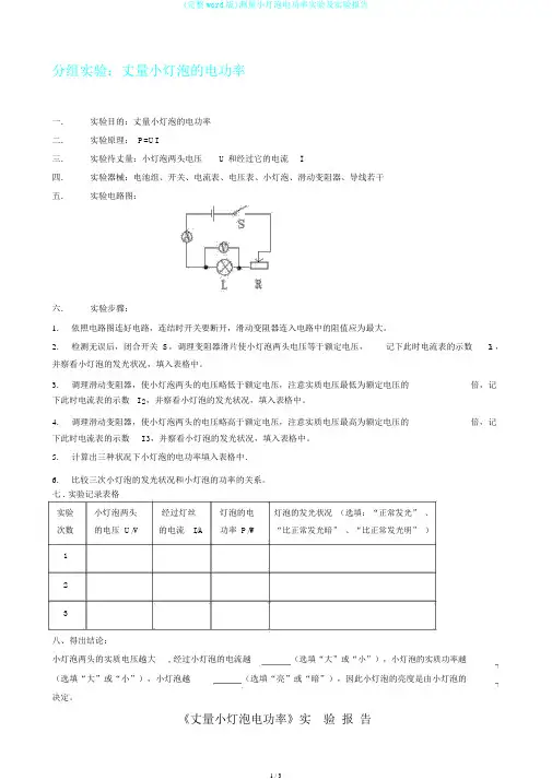
分组实验:丈量小灯泡的电功率一.实验目的:丈量小灯泡的电功率二.实验原理: P=UI三.实验待丈量:小灯泡两头电压U 和经过它的电流I四.实验器械:电池组、开关、电流表、电压表、小灯泡、滑动变阻器、导线若干五.实验电路图:六.实验步骤:1.依照电路图连好电路,连结时开关要断开,滑动变阻器连入电路中的阻值应为最大。
2.检测无误后,闭合开关 S,调理变阻器滑片使小灯泡两头电压等于额定电压,记下此时电流表的示数I1,并察看小灯泡的发光状况,填入表格中。
3.调理滑动变阻器,使小灯泡两头的电压略低于额定电压,注意实质电压最低为额定电压的倍,记下此时电流表的示数 I 2,并察看小灯泡的发光状况,填入表格中。
4.调理滑动变阻器,使小灯泡两头的电压略高于额定电压,注意实质电压最高为额定电压的倍,记下此时电流表的示数I 3,并察看小灯泡的发光状况,填入表格中。
5.计算出三种状况下小灯泡的电功率填入表格中.6.比较三次小灯泡的发光状况和小灯泡的功率的关系。
七 . 实验记录表格实验小灯泡两头经过灯丝灯泡的电灯泡的发光状况(选填:“正常发光” 、次数的电压 U/V的电流I/A功率P/W“比正常发光暗” 、“比正常发光明” )123八、得出结论:小灯泡两头的实质电压越大, 经过小灯泡的电流越(选填“大”或“小”),小灯泡的实质功率越(选填“大”或“小”),小灯泡越(选填“亮”或“暗”),因此小灯泡的亮度是由小灯泡的决定。
《丈量小灯泡电功率》实验报告班级 _________________姓名 _________________【课题】丈量小灯泡的电功率【实验目的】丈量小灯泡在不一样电压下工作时的电功率,理解额定功率和实质功率。
【丈量原理】 _______________________________________.【实验器械】小灯泡,电源,导线,开关,___________,____________,________________【实验电路图】【主要操作步骤】【实验表格】【实验中注意事项】①连结电路时,开关要处于____状态;开封闭合前,把滑动变阻器滑片移到_________处;②滑动变阻器正确接法“ _________”, 电压表:电流从 ______接线柱流进, ______接线柱流出,量程选 0~____;电流表:电流从 ____接线柱流进,_____接线柱流出,量程选 0~_____。
测量小灯泡的额定功率实验报告
实验目的:
1. 掌握使用功率计测量不同电压下小灯泡额定功率的正确操作方法。
2. 了解小灯泡的机理,实现对电路的电能利用的控制和调控。
实验原理:小灯泡实际上是一种可以将电能转换为光能的电路元件,它的结构是灯丝、灰阔口等电极的灌电结构而成。
灯丝的放电现象,随着电压的提高而变强,所需要的功率
也会随之变大。
因此,通过测量小灯泡在不同电压下的额定功率,可以对小灯泡的工作机
理有一定的了解。
实验仪器:
1、功率计:可以测量小灯泡电压、电流两个参数,从而计算出功率值;
2、多用电压发生器:可提供稳定的电压,用于测量小灯泡的额定功率。
实验步骤:
1、将功率计和多用电压发生器接入多台小灯泡;
2、调整电压发生器的电压至规定的测量值,并稳定输出;
3、测量小灯泡的电压和电流值,用电流乘以电压的方法求出小灯泡在该条件下的功率;
4、重复以上步骤,测量多组值,取平均值作为小灯泡的额定功率。
实验结果:
实验使用功率计与多用电压发生器,对多台小灯泡的额定功率进行了测量。
实验结果(4组)如下表所示:
|测量电压(V)|测量电流(A)|测量功率(W)|
|:-:|:-:|:-:|
|6.5|0.11|0.735|
|8.0|0.137|1.096|
|9.5|0.165|1.558|
|11.0|0.192|2.112|
实验结论:
1. 小灯泡在不同电压下的额定功率都取决于电压和电流大小。
2. 通过对不同电压、不同功率小灯泡进行测试,发现小灯泡的额定功率随电压的增大而变大。
测量小灯泡的电功率实验步骤是什么实验目的:测量小灯泡的电功率。
实验原理:电功率P是电流I通过电阻R时所消耗的电能,可以使用以下公式来计算电功率:P=I²R。
实验仪器和材料:1.电源(常用的是直流电源)2.电压表(也称为电压计)3.电流表(也称为安培表)4.小灯泡5.电阻箱(用于控制电阻的大小,确保电流恒定)实验步骤:1.将电流表和电压表连入电路,确保连接正确且安全。
2.将电阻箱与电路连接,以控制电流的大小。
3.选取适当的电阻大小,使得电流保持在一个固定的值,使得测量更加准确。
4.打开电源,调整电阻箱,使得电流保持在恒定值。
5.使用电压表测量电压值,并记录下来。
6.使用电流表测量电流值,并记录下来。
7.计算电功率:7.1使用公式P=VI计算电功率,其中V是电压值,I是电流值。
7.2如果使用Ω表测量了电阻的值,也可以使用公式P=I²R来计算电功率。
7.3这两种方法应得到相同的结果。
8.反复重复步骤4-7,使用不同的电阻值测量并计算电功率。
9.对结果进行整理和分析,绘制电功率与电阻的关系曲线。
实验注意事项:1.在进行实验时,确保安全。
遵循正确的实验室操作规范,并佩戴所需的个人防护装备,如实验室眼镜和手套。
2.仔细连接电路,确保电路连接正确。
3.选取适当的电阻大小,以确保电流恒定。
4.使用正确的测量仪器,并进行准确的测量。
5.记录所有测量数据,以便稍后分析。
6.进行多次测量,并计算平均值,以确保结果的准确性。
根据上述实验步骤进行实验,你可以测量小灯泡的电功率。
实验结果可以帮助你了解电能的转换和效率问题,也可以用来验证预测结果和理论计算。
测量小灯泡电功率探究实验实验原理:根据公式P=UI,用电压表测小灯泡两端的电压,用电流表测小灯泡中的电流,利用公式P=UI计算电功率,在额定电压下测出的电功率就是额定功率。
这是物理学中常用的一种间接测量方法,这种方法又被称为伏安法。
实验电路:根据实验的目的和原理设计如下电路。
实验器材:小灯泡、电压表、电流表、滑动变阻器、电源、开关、导线。
器材说明:用电流表和电压表分别测出通过小灯泡的电流和其两端电压,因为要测量不同电压下的功率,所以电路中要接入滑动变阻器,用来改变小灯泡两端电压。
实验步骤:(1)按电路图连接好电路;(2)闭合开关,调节滑动变阻器,使小灯泡两端的电压恰好等于小灯泡的额定电压2.5V,观察小灯泡的亮度,并记录电流表和电压表的示数。
(3)调节滑动变阻器,使小灯泡两端的电压约等于小灯泡额定电压的1.2倍。
观察小灯泡的亮度变化,并记录此时电流表和电压表的示数(注意:小灯泡两端的电压不能超过它的额定电压太多)。
(4)调节滑动变阻器,使小灯泡两端的电压约等于小灯泡额定电压的0.8倍。
观察小灯泡的亮度变化,并记录此时电流表和电压表的示数。
(5)计算出三种情况下小灯泡的电功率(6)断开电路,整理器材。
实验数据(记录)表格:测量小灯泡电功率的探究实验湖北省枣阳市兴隆二中谢江涛实验目的:测量小灯泡在不同电压下工作时的电功率。
实验原理:根据公式P=UI,用电压表测小灯泡两端的电压,用电流表测小灯泡中的电流,利用公式P=UI计算电功率,在额定电压下测出的电功率就是额定功率。
这是物理学中常用的一种间接测量方法,这种方法又被称为伏安法。
实验电路:根据实验的目的和原理设计如下电路。
实验器材:小灯泡、电压表、电流表、滑动变阻器、电源、开关、导线。
器材说明:用电流表和电压表分别测出通过小灯泡的电流和其两端电压,因为要测量不同电压下的功率,所以电路中要接入滑动变阻器,用来改变小灯泡两端电压。
伏安法测小灯泡电功率、电阻实验报告
实验目的,通过伏安法测量小灯泡的电功率和电阻,掌握伏安法测量电功率和电阻的方法,并了解小灯泡的电特性。
实验仪器,数字万用表、电源、小灯泡、导线等。
实验步骤:
1. 将小灯泡连接到电源上,保证电路连接正确。
2. 使用数字万用表测量电源的电压,记录下数值。
3. 将数字万用表调至电流测量档位,将其串联在小灯泡的电路中,记录下电流数值。
4. 根据测得的电压和电流,计算小灯泡的电功率和电阻。
实验结果:
1. 电源电压,220V。
2. 小灯泡电流,0.5A。
3. 计算得到小灯泡的电功率为,P = V I = 220V 0.5A = 110W。
4. 计算得到小灯泡的电阻为,R = V / I = 220V / 0.5A = 440Ω。
实验结论,通过伏安法测量,得到小灯泡的电功率为110W,电阻为440Ω。
实验结果与理论值基本吻合,证明了伏安法测量电功率和电阻的可靠性。
同时也了解了小灯泡的电特性,为日常生活中的电器使用提供了一定的参考依据。
存在问题及改进措施,实验过程中未发现明显的问题,但在测量过程中应注意安全,避免触电和短路等情况的发生。
在实验中应严格按照操作步骤进行,确保实验数据的准确性。
实验人员签名,___________ 日期,___________。
分组实验:测量小灯泡的电功率
一.实验目的:测量小灯泡的电功率
二.实验原理:P=UI
三.实验待测量:小灯泡两端电压U和通过它的电流I
四.实验器材:电池组、开关、电流表、电压表、小灯泡、滑动变阻器、导线若干
五.实验电路图:
六.实验步骤:
1.按照电路图连好电路,连接时开关要断开,滑动变阻器连入电路中的阻值应为最大。
2.检测无误后,闭合开关S,调节变阻器滑片使小灯泡两端电压等于额定电压,记下此时电流表的示数 I1,并观察小灯泡的发光情况,填入表格中。
3.调节滑动变阻器,使小灯泡两端的电压略低于额定电压,注意实际电压最低为额定电压的0.8倍,记下此时电流表的示数I2,并观察小灯泡的发光情况,填入表格中。
4.调节滑动变阻器,使小灯泡两端的电压略高于额定电压,注意实际电压最高为额定电压的1.2倍,记下此时电流表的示数I3,并观察小灯泡的发光情况,填入表格中。
5.计算出三种情况下小灯泡的电功率填入表格中.
6.比较三次小灯泡的发光情况和小灯泡的功率的关系。
实验次数小灯泡两
端的电压
U/V
通过灯
丝的电
流I/A
灯泡的
电功率
P/W
灯泡的发光情况(选填:“正
常发光”、“比正常发光暗”、
“比正常发光亮”)
1 2
3
八、得出结论:
小灯泡两端的实际电压越大,通过小灯泡的电流越(选填“大”或“小”),小灯泡的实际功率越(选填“大”或“小”),小灯泡越(选填“亮”或“暗”),所以小灯泡的亮度是由小灯泡的决定。
《测量小灯泡电功率》实验报告
班级_________________姓名_________________
【课题】测量小灯泡的电功率
【实验目的】测量小灯泡在不同电压下工作时的电功率,理解额定功率和实际功率。
【测量原理】_______________________________________.
【实验器材】小灯泡,电源,导线,开关,___________,____________,________________
【实验电路图】
【主要操作步骤】
【实验表格】
【实验中注意事项】
①连接电路时,开关要处于____状态;开关闭合前,把滑动变阻器滑片移到_________处;
②滑动变阻器正确接法“_________”,电压表:电流从______接线柱流进,______接线柱流出,量程选0~____;电流表:电流从____接线柱流进,_____接线柱流出,量程选0~_____。
【分析论证】
分析比较额定电功率和实际电功率大小问题,比较灯泡的亮暗程度与电功率间的关系。
(1)当U实_________U额时,则P实_________P额,_________,
(2)当U实_________U额时,则P实_________P额,_________,
(3)当U实_________U额时,则P实_________P额,_________。
【交流评估】
1、小灯泡正常发光时的功率是什么功率?
2、小灯泡两端电压低于或高于额定电压时,小灯泡的功率是什么功率?能
否说这是小灯泡的额定功率?为什么?
3、将本次实验步骤与用“伏安法测小灯泡电阻”实验步骤相比较,有什么相同和不同点?
4、伏安法测电阻也是要求测三次,和这个实验中的测三次目的一样吗?能否依据三次测量数据计算小灯泡的平均功率,为什么?
5、你在实验中还遇到了什么问题,你是怎么解决的?
拓展:利用家用电能表测算电冰箱的电功率
1.你的测量步骤是:
(1)首先从电能表铭牌上查出,它表示用电器每消耗1kW·h的电能,电能表的转盘转过转;
(2)关闭家里的电器,只启动;
(3)利用测量电吹风工作时电能表铝盘转n转所用时间为t;
2.(用字母代表所涉及的物理量)你能推导出计算电功率的公式。