耦合电容器试验作业指导书
- 格式:doc
- 大小:125.50 KB
- 文档页数:8
电容器检验作业指导书一、引言电容器是一种用于储存和释放电能的重要电子元件。
为了确保电容器的质量和性能,进行检验是必要的。
本作业指导书旨在提供对电容器检验的详细步骤和要求,以确保检验工作的准确性和可靠性。
二、检验目的本次电容器检验的目的是验证电容器的质量和性能是否符合规定的标准和要求。
通过检验,可以确保电容器在使用过程中的可靠性和安全性。
三、检验范围本次电容器检验的范围包括以下方面:1. 外观检查:检查电容器外壳是否完整,有无明显损伤或者变形。
2. 尺寸测量:测量电容器的尺寸,包括长度、宽度、高度等。
3. 容量测量:使用适当的测试设备测量电容器的容量。
4. 电压耐受测试:检验电容器在规定的电压下是否能正常工作。
5. 绝缘电阻测试:测试电容器的绝缘电阻是否满足要求。
6. 损耗角正切测试:测试电容器的损耗角正切值是否在规定范围内。
7. 漏电流测试:测试电容器的漏电流是否在规定范围内。
8. 温度特性测试:测试电容器在不同温度下的性能变化情况。
四、检验步骤1. 外观检查a. 检查电容器外壳是否完整,并注意是否有明显的损伤或者变形。
b. 检查电容器的标识是否清晰可读,包括型号、规格等信息。
c. 检查电容器的引线是否有断裂或者松动现象。
2. 尺寸测量a. 使用合适的测量工具,测量电容器的长度、宽度、高度等尺寸。
b. 将测量结果记录在检验记录表中,并与规定的尺寸范围进行比较。
3. 容量测量a. 使用适当的测试设备,按照规定的测试方法测量电容器的容量。
b. 将测量结果记录在检验记录表中,并与规定的容量范围进行比较。
4. 电压耐受测试a. 将电容器连接到测试设备,并按照规定的电压进行加载。
b. 观察电容器在规定电压下是否能正常工作,是否有异常现象。
c. 将测试结果记录在检验记录表中,并与规定的电压耐受范围进行比较。
5. 绝缘电阻测试a. 使用绝缘电阻测试仪,按照规定的测试方法对电容器进行绝缘电阻测试。
b. 将测试结果记录在检验记录表中,并与规定的绝缘电阻范围进行比较。
电容器检验作业指导书一、引言电容器是一种常见的电子元件,用于存储和释放电荷。
为了确保电容器的质量和性能,进行电容器检验是非常重要的。
本作业指导书旨在提供详细的步骤和要求,以确保电容器检验的准确性和可靠性。
二、检验前准备1. 工具准备:- 万用表- 直流电源- 电容器检验仪- 电压表- 温度计- 记录表格2. 环境准备:- 检验环境应保持干燥、无尘、无腐蚀性气体的条件。
- 温度应控制在标准温度范围内。
三、检验步骤1. 外观检验:- 检查电容器外壳是否完好,无明显损坏或者变形。
- 检查电容器引线是否齐全,无断裂或者松动现象。
- 检查电容器标识是否清晰可辨。
2. 容量检验:- 将电容器连接到电容器检验仪。
- 设置合适的电压和频率。
- 测量电容器的容量,并记录在记录表格中。
- 检查测量结果是否符合规定的容量范围。
3. 电压耐受检验:- 将电容器连接到直流电源和电压表。
- 逐渐增加电压,直到达到规定的电压值。
- 检查电容器是否能够正常工作,并记录在记录表格中。
- 检查电容器在规定电压下的泄漏电流是否符合要求。
4. 温度特性检验:- 将电容器置于规定的温度环境中。
- 使用温度计测量电容器的温度。
- 测量电容器的容量,并记录在记录表格中。
- 检查电容器在不同温度下的容量变化是否符合要求。
5. 其他特性检验:- 根据需要,进行其他特性的检验,如频率特性、损耗角正切等。
四、检验结果评定1. 根据检验结果,对电容器进行评定:- 合格:电容器在各项检验指标下均符合要求。
- 不合格:电容器在任何一项检验指标下不符合要求。
2. 记录检验结果:- 将检验结果记录在记录表格中。
- 包括电容器的型号、序列号、检验日期、检验员等信息。
五、检验报告1. 检验报告应包括以下内容:- 检验对象的基本信息和标识。
- 检验的目的和方法。
- 检验结果和评定。
- 检验过程中发现的问题和解决方法。
- 检验员的签名和日期。
2. 检验报告应保存并备查。
电容器检验作业指导书一、引言本作业指导书旨在提供电容器检验的详细步骤和要求,以确保电容器的质量和性能符合相关标准和规范。
本指导书适合于各类电容器的检验,包括固定电容器、可变电容器和电解电容器等。
二、检验准备1. 检验设备和工具准备- 万用表:用于测量电容器的电容值和漏电流等参数。
- 直流电源:用于对电容器进行电压加电和放电操作。
- 外观检查工具:如放大镜、显微镜等,用于检查电容器的外观是否有损坏、变形或者污染等。
- 温度计:用于检测电容器的工作温度。
- 其他辅助工具:如螺丝刀、扳手等,用于拆装电容器。
2. 检验环境准备- 温度:检验环境温度应符合相关标准要求。
- 湿度:检验环境湿度应符合相关标准要求。
- 电源:确保检验设备的电源供应稳定。
三、检验步骤1. 外观检查- 使用外观检查工具子细检查电容器的外观,包括外壳、引线、标识等是否完好无损。
- 检查电容器是否有变形、裂纹、污染等情况。
- 检查电容器的引线是否坚固,焊接是否良好。
2. 电容值测量- 将电容器与万用表连接,选择电容量测量档位。
- 按照电容器的极性正确连接,确保连接稳定。
- 测量并记录电容器的电容值,确保其符合规定的标准范围。
3. 漏电流测量- 将电容器与万用表连接,选择漏电流测量档位。
- 按照电容器的极性正确连接,确保连接稳定。
- 测量并记录电容器的漏电流值,确保其符合规定的标准范围。
4. 绝缘电阻测量- 将电容器与万用表连接,选择电阻测量档位。
- 按照电容器的极性正确连接,确保连接稳定。
- 测量并记录电容器的绝缘电阻值,确保其符合规定的标准范围。
5. 电压加电和放电测试- 使用直流电源对电容器进行电压加电测试,确保其能够承受规定的工作电压。
- 使用直流电源对电容器进行放电测试,确保其能够正常放电并恢复到初始状态。
6. 温度测试- 将电容器置于规定的工作温度环境中,使用温度计测量并记录其工作温度。
- 确保电容器在规定的工作温度下能够正常工作。
电容器检验作业指导书一、任务背景电容器是电子设备中常见的元器件之一,用于储存和释放电能。
为了确保电容器的质量和性能稳定,需要进行定期的检验工作。
本作业指导书旨在提供电容器检验的详细步骤和标准,以确保检验工作的准确性和一致性。
二、检验对象本次检验的对象为X公司生产的100μF电容器。
三、检验设备和工具1. 电容器检验仪:型号为C-1000,能够测量电容器的容值和漏电流。
2. 万用表:用于测量电容器的电压。
3. 直流电源:用于给电容器充电。
4. 计时器:用于记录电容器的充电和放电时间。
四、检验步骤1. 外观检查a. 检查电容器外壳是否有明显的损坏、变形或腐蚀。
b. 检查电容器引线是否完好,无断裂或松动现象。
c. 检查电容器标识是否清晰可辨,包括容值、电压等信息。
2. 容值测量a. 将电容器连接到电容器检验仪上,根据仪器操作说明进行连接。
b. 打开电容器检验仪,选择容值测量模式。
c. 记录电容器的容值,并与规格书中的标称容值进行比较。
容值应在规定的容差范围内。
3. 漏电流测量a. 将电容器连接到电容器检验仪上,根据仪器操作说明进行连接。
b. 打开电容器检验仪,选择漏电流测量模式。
c. 记录电容器的漏电流值,并与规格书中的标准值进行比较。
漏电流应在规定的允许范围内。
4. 电压耐受测试a. 将电容器连接到直流电源和万用表上,根据电路图进行连接。
b. 设置直流电源的输出电压为电容器标称电压的1.25倍。
c. 记录电容器的电压,并观察电容器是否出现异常现象,如电容器爆炸、漏液等。
d. 将直流电源的输出电压逐步降低,直到电容器的电压降至标称电压的0.75倍。
e. 观察电容器是否出现异常现象,如电容器无法保持电压、电容器电压迅速下降等。
5. 充放电时间测试a. 将电容器连接到直流电源和计时器上,根据电路图进行连接。
b. 设置直流电源的输出电压为电容器标称电压的1.25倍。
c. 记录电容器从充电开始到电容器电压达到标称电压所需的时间。
电容器检验作业指导书一、引言本作业指导书旨在对电容器的检验工作进行详细的说明和指导,确保检验工作的准确性和可靠性。
本指导书适用于各类电容器的检验,包括但不限于固体电解电容器、薄膜电容器等。
二、检验准备1. 工具准备- 万用表:用于测量电容器的电容值。
- 电容器测试仪:用于对电容器进行更加精确的测试。
- 绝缘电阻测试仪:用于检测电容器的绝缘电阻。
- 温度计:用于测量电容器的温度。
- 直流电源:用于给电容器提供稳定的电源。
- 示波器:用于观察电容器的波形。
- 外观检查工具:用于检查电容器的外观是否完好。
- 其他辅助工具:如电线、夹具等。
2. 环境准备- 检验室应保持干燥、清洁,并具备良好的通风条件。
- 检验室应具备稳定的温度和湿度环境,以确保检验结果的准确性。
三、检验流程1. 外观检查- 检查电容器外壳是否完好,是否存在变形、裂纹等损坏情况。
- 检查电容器引线是否完好,是否存在松动、断裂等情况。
- 检查电容器标识是否清晰可见,包括电容值、电压等参数。
2. 电容值检验- 使用万用表测量电容器的电容值。
将电容器的两个引线分别连接到万用表的正负极,并记录测量结果。
- 对于大容量电容器或要求更高精度的电容器,可以使用电容器测试仪进行测量。
按照仪器操作说明进行操作,并记录测量结果。
3. 绝缘电阻检验- 使用绝缘电阻测试仪对电容器进行绝缘电阻检测。
将电容器的两个引线分别连接到测试仪的正负极,并按照仪器操作说明进行测试。
- 记录绝缘电阻检测结果,并与规定的标准值进行比较。
4. 温度特性检验- 使用温度计测量电容器的温度。
将温度计接触到电容器的外壳上,并记录测量结果。
- 将电容器放置在规定的温度环境中,记录电容器的电容值随温度变化的情况。
- 根据测量结果,判断电容器的温度特性是否符合要求。
5. 波形检验- 使用直流电源和示波器对电容器进行波形检验。
将电容器连接到直流电源和示波器上,并按照仪器操作说明进行测试。
- 观察电容器的充放电波形,判断波形是否正常、稳定。
电容器检验作业指导书一、引言本作业指导书旨在提供电容器检验的详细步骤和操作规范,以确保电容器的质量和性能符合相关标准和要求。
本指导书适用于各类电容器的检验工作,包括但不限于固体电解电容器、膜式电容器等。
二、检验准备1. 检验设备准备1.1 检验仪器:万用表、电容表、电阻表等。
1.2 检验设备:检验工作台、电源供应器等。
1.3 校准证书:确保检验设备的准确性和可靠性。
2. 检验环境准备2.1 温湿度:确保检验环境温度在20℃±5℃,相对湿度在40%~60%之间。
2.2 静电防护:确保检验环境无静电干扰,使用防静电设备和工作服。
三、检验步骤1. 外观检验1.1 检查电容器外壳是否完整,无明显损伤或变形。
1.2 检查电容器引线是否齐全、无断裂或虚焊现象。
1.3 检查电容器标识是否清晰、准确,包括型号、容量、电压等信息。
2. 电性能检验2.1 静态电容检验使用电容表测量电容器的静态电容值,确保其符合规定的容量范围。
2.2 电压耐受能力检验2.2.1 设置电源供应器输出电压为规定的电压值。
2.2.2 将电容器连接至电源供应器,通过电阻表检测电容器的泄漏电流。
2.2.3 确保电容器在规定的电压下,泄漏电流符合规定的范围。
2.3 交流电容损耗检验使用万用表测量电容器在规定频率下的交流电容损耗,确保其符合规定的范围。
3. 环境适应性检验3.1 温度适应性检验3.1.1 将电容器置于规定的温度环境中,如高温或低温。
3.1.2 测量电容器在不同温度下的电容值变化,确保其符合规定的范围。
3.2 湿度适应性检验3.2.1 将电容器置于规定的湿度环境中,如高湿度或低湿度。
3.2.2 测量电容器在不同湿度下的电容值变化,确保其符合规定的范围。
四、记录与报告1. 记录检验结果1.1 按照规定的表格或文件记录每个电容器的检验结果。
1.2 包括电容器的型号、容量、电压、外观检验结果、电性能检验结果等。
2. 编写检验报告2.1 汇总所有电容器的检验结果,编写检验报告。
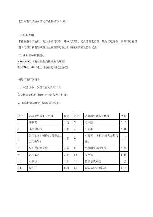
电容器电气试验标准化作业指导书(试行)一适用范围本作业指导书适应于高压并联电容器、串联电容器、交流滤波电容器、集合式电容器、断路器电容器、耦合电容器和电容式电压互感器的电容分压器的交接或预防性试验。
二引用的标准和规程GB50150-91《电气设备交接及安装规程》DL/T596-1996《电力设备预防性试验规程》制造厂出厂说明书三试验设备、仪器及有关专用工具交接及大修后试验所需仪器仪表及材料:预防性试验所需仪器仪表及材料:序号试验所用设备(材料)数量序号试验所用设备(材料)数量1 兆欧表 1 块2 电源盘 2 个3 介损测试仪 1 套4 刀闸板 2 块5常用仪表(电压表、微安表、万用表等)1 套 6小线箱(各种小线夹及短接线)1 个7 局部放电测试仪 1 套8 交流耐压试验系统 1 套9 常用工具 1 套10 安全带 3 根11 示波器 1 台12 暂态录波系统一套13 操作杆 3 副14 设备试验原始记录 1 本四 安全措施、试验工作要求 1. 必须严格执行DL409-1991《电业安全工作规程》及公司相关安全规定。
2. 现场工作负责人负责测试方案的制定及现场工作协调联络和监督。
五 电气试验项目及要求 渗漏油检查1.11.11.1目的检查电容器是否有渗漏油现象。
1.21.21.2试验性质交接、大修后、预防性试验或每6 个月。
1.31.31.3测量结果的分析判断有渗漏油现象应停止使用。
1.41.41.4注意事项渗漏油检查由变电站值班员或检修人员观察。
交流耐压2.12.12.1目的检查电容器极间或极对壳的绝缘性能。
2.22.22.2试验性质交接2.32.32.3使用仪表调压器、工频试验变压器、分压器、限流电阻、测量用电流电压表。
2.42.42.4试验步骤电容器极间交流耐压试验所需无功容量较大,有试验条件的可用试验变压器对电容器直接加压试验,否则采用串联谐振的试验方法。
消弧线圈L2 与电容量并联,以补偿电容电流,使其并联后仍为容性,再与消弧线圈L1 串联,L1 用于电压补偿,以实现用较低的电源电压和较小的电流来满足试验电压较高、电流较大的试品的试验要求。
电容器检验作业指导书引言概述:电容器是电子设备中常见的元件之一,用于储存和释放电能。
为了确保电容器的正常工作和安全使用,进行定期的检验是必要的。
本文将详细介绍电容器检验的作业指导书,包括检验前的准备工作、检验步骤、常见问题及解决方法等内容。
一、检验前的准备工作:1.1 确定检验的目的和范围:在进行电容器检验前,需要明确检验的目的和范围。
目的可以是确保电容器的电容值符合设计要求,范围可以包括电容器的外观检查、电容值测量、绝缘电阻测试等。
1.2 检查检验设备和工具:在进行电容器检验前,需要检查检验设备和工具的完好性和准确性。
例如,检查电容值测量仪器的校准情况,确保其准确度符合要求。
1.3 制定检验计划和安全措施:制定电容器检验计划是确保检验工作有序进行的重要步骤。
根据电容器的数量和种类,合理安排检验时间和人员。
同时,制定安全措施,例如佩戴防静电手套和使用绝缘工具,以防止电容器在检验过程中受到损坏或造成人身伤害。
二、检验步骤:2.1 外观检查:首先,对电容器的外观进行检查。
注意观察电容器是否有明显的物理损坏,例如裂纹、变形等。
同时,检查电容器的连接器和引线是否松动或腐蚀。
2.2 电容值测量:接下来,进行电容值的测量。
使用合适的电容值测量仪器,将测量引线连接到电容器的正负极上。
根据需要,选择适当的测量范围和精度。
记录测量结果,并与设计要求进行比较。
2.3 绝缘电阻测试:最后,进行绝缘电阻测试。
使用绝缘电阻测试仪器,将测试引线连接到电容器的正负极上。
根据需要,选择适当的测试电压和测量范围。
记录测试结果,并与设计要求进行比较。
三、常见问题及解决方法:3.1 电容器外观损坏:如果发现电容器外观有裂纹或变形等损坏情况,应立即停止使用,并更换新的电容器。
3.2 电容值偏离设计要求:如果测量得到的电容值与设计要求有较大偏差,可以考虑以下解决方法:检查测量仪器的准确性,确保其校准正常;检查电容器的连接是否牢固,避免接触不良导致测量不准确;如果电容器老化或损坏,需要更换新的电容器。
电容器检验作业指导书一、背景介绍电容器是一种用来储存和释放电能的装置,广泛应用于各个领域。
为了确保电容器的质量和性能,进行电容器的检验是非常重要的。
本作业指导书旨在提供一套标准的操作流程和要求,以确保电容器的检验工作能够准确、高效地进行。
二、检验准备1. 工具准备:检验电容器所需的工具包括电容器测试仪、万用表、电源、接地导线等。
2. 环境准备:确保检验场所的安全与整洁,以及电源的稳定供应。
3. 检验人员准备:检验人员应熟悉电容器的基本知识,并具备一定的电气安全意识和操作技能。
三、检验流程1. 安全检查:检验人员首先需要检查电容器及其周围环境是否存在安全隐患,如漏电、短路等情况,并采取必要的措施消除隐患。
2. 连接电源:将电容器正确连接到电源,并确保电源的电压和频率与电容器的额定值相匹配。
3. 测试电容器的电容值:使用电容器测试仪,按照其操作说明书的要求,对电容器进行电容值的测试,并记录测试结果。
4. 测试电容器的电阻值:使用万用表,在适当的电压条件下,测量电容器的电阻值,并记录测试结果。
5. 检查电容器的外观:仔细检查电容器外壳的表面是否存在损坏、变形或漏液等情况,并记录检查结果。
6. 检查电容器的引线和连接器:检查电容器的引线和连接器是否完好无损,并确保连接稳固可靠。
7. 检查电容器的标识:检查电容器上的标识是否清晰可读,包括电容值、电压等参数,并记录检查结果。
8. 清洁和维护:检验结束后,对电容器进行清洁,并进行必要的维护保养,以延长其使用寿命。
四、记录和报告1. 记录:在检验过程中,应及时记录每一项的检验结果和相关数据,包括电容值、电阻值、外观检查结果等。
2. 报告:根据检验记录,编写电容器检验报告,详细描述电容器的检验情况和结果,包括电容器的型号、规格、检验日期等信息,并提出必要的建议和改进措施。
五、安全注意事项1. 在进行电容器检验时,务必遵守相关的电气安全操作规范,确保自身和他人的安全。
电容器检验作业指导书标题:电容器检验作业指导书引言概述:电容器是电力系统中常见的电气设备,用于储存和释放电能。
为了确保电容器的正常运行和安全性,进行定期的检验是必要的。
本文将提供一份电容器检验作业指导书,以帮助操作人员正确、高效地进行检验工作。
正文内容:1. 检查电容器外观1.1 检查外壳是否完好:检查电容器外壳是否有裂纹、变形或腐蚀等损坏情况。
1.2 检查连接器:检查电容器连接器是否紧固,无松动或腐蚀现象。
1.3 检查标志和铭牌:检查电容器上的标志和铭牌是否清晰可见,包括额定电压、电容量和制造商信息等。
2. 检测电容器内部2.1 检查绝缘材料:检查电容器内部绝缘材料是否完好,无破损或老化现象。
2.2 检查电极:检查电容器内的电极是否正常,无腐蚀、变形或短路情况。
2.3 检查介质液体:检查电容器内的介质液体是否清澈,无杂质或泡沫。
3. 测量电容器参数3.1 测量电容值:使用适当的测量仪器,测量电容器的电容值,确保其符合额定值。
3.2 测量损耗角正切:测量电容器的损耗角正切,判断其绝缘状况。
3.3 测量电压分布:使用电压分布测量仪器,测量电容器内部的电压分布情况,确保其均匀。
4. 进行绝缘电阻测试4.1 准备测试设备:选择合适的绝缘电阻测试仪器,并进行校准。
4.2 进行测试:将测试仪器连接到电容器的绝缘电阻测量点,进行绝缘电阻测试。
4.3 判断测试结果:根据测试结果,判断电容器的绝缘状况是否符合要求。
5. 完成检验记录5.1 记录检验日期和时间:在检验作业指导书上记录检验日期和时间,以便追溯和参考。
5.2 记录检验结果:将每个检验项目的结果记录下来,包括外观检查、内部检测、参数测量和绝缘电阻测试等。
5.3 提出建议和注意事项:根据检验结果,提出必要的建议和注意事项,以便后续维护和操作。
总结:电容器检验作业是确保电容器正常运行和安全性的重要环节。
通过检查外观、内部、测量参数和绝缘电阻测试等步骤,可以全面了解电容器的状态,并及时采取必要的维护措施。
电容器检验作业指导书1. 引言电容器是一种常见的电子元件,用于存储和释放电荷。
为了确保电容器的质量和性能,进行检验是非常重要的。
本作业指导书旨在提供详细的指导,以确保电容器的检验工作能够准确、高效地进行。
2. 检验目的电容器的检验旨在验证其电气性能和外观质量,确保其符合相关标准和规范要求。
具体目的包括:- 确保电容器的额定电容值符合标准要求;- 检查电容器的绝缘电阻,确保其在正常范围内;- 检查电容器的耐压性能,确保其能够在规定的工作电压下正常工作;- 检查电容器的外观质量,确保其无明显的物理损伤。
3. 检验工具和设备- 万用表:用于测量电容器的电容值、绝缘电阻和耐压性能;- 直流电源:用于提供规定的工作电压;- 目视检查工具:用于检查电容器的外观质量。
4. 检验步骤步骤1:准备工作- 确保检验环境安全,无明火和易燃物品;- 检查检验工具和设备的工作状态和准确性;- 确保电容器处于自然放电状态。
步骤2:电容值检验- 将电容器连接到万用表的电容测量端口;- 选择合适的测量范围,记录电容器的电容值;- 将测得的电容值与标准要求进行比较,确保其在允许范围内。
步骤3:绝缘电阻检验- 将电容器连接到万用表的绝缘电阻测量端口;- 选择合适的测量范围,记录电容器的绝缘电阻值;- 将测得的绝缘电阻值与标准要求进行比较,确保其在允许范围内。
步骤4:耐压性能检验- 将电容器连接到直流电源,设置规定的工作电压;- 检查电容器在规定的工作电压下是否能够正常工作,无明显的漏电现象。
步骤5:外观质量检验- 用目视检查工具检查电容器的外观质量,包括外壳是否完整、无明显的物理损伤;- 检查电容器的标识是否清晰可见,无模糊或磨损。
5. 检验记录和报告在进行电容器检验时,应及时记录检验结果和相关数据,并制作检验报告。
检验记录和报告应包括以下内容:- 电容器的型号和规格;- 检验日期和地点;- 检验人员的姓名和职务;- 检验结果和数据;- 异常情况的描述和处理措施。
电容器检验作业指导书一、任务背景和目的电容器作为电力系统中重要的电气设备之一,其稳定性和可靠性对电力系统的运行起着至关重要的作用。
为了确保电容器的正常运行和安全性能,需要进行定期的检验和维护。
本作业指导书旨在提供一套标准的操作流程和检验要求,以确保电容器的检验工作能够准确、规范地进行。
二、检验前准备1. 检查工作环境:确保检验现场干燥、通风良好,并保持清洁。
2. 检查检验设备:确认检验仪器和设备完好,校准有效,并进行必要的维护和保养。
3. 检查检验人员:确保检验人员具备相关的技术知识和经验,并经过培训合格。
三、检验内容和要求1. 外观检查:- 检查电容器外壳是否完整,无裂纹、变形等损坏情况。
- 检查电容器接线端子是否松动或腐蚀。
- 检查电容器标识是否清晰可读,无模糊、磨损等情况。
2. 内部检查:- 拆卸电容器外壳,检查内部元件是否正常,无破损、漏液等情况。
- 检查电容器内部连接线路是否良好,无断路、接触不良等情况。
- 检查电容器绝缘材料是否老化、破损,如有需要及时更换。
3. 电性能检验:- 使用合适的电容器检验仪器,进行电容值、电压、损耗角正切等参数的测量。
- 检查电容器的电性能是否符合设计要求和标准规定。
4. 安全性能检验:- 检查电容器的绝缘电阻是否达到要求,无漏电现象。
- 检查电容器的过电压保护装置是否正常工作,能够及时切断电源。
- 检查电容器的散热装置是否正常,无过热现象。
四、检验报告和记录1. 检验报告:- 按照规定的格式,记录电容器的检验结果和相关数据。
- 对于不合格的电容器,需详细描述问题和存在的风险,并提出相应的处理建议。
- 对于合格的电容器,可简要总结检验结果,注明下次检验的时间和要求。
2. 检验记录:- 将检验报告进行归档,并建立电容器的检验记录档案。
- 对于重要的电容器,建议建立定期检验计划,确保按时进行检验和维护。
五、安全注意事项1. 检验过程中,严禁在电容器上施加过高的电压,以免引发电击和其他安全事故。
第4部分:电气试验耦合电容器交接试验作业指导书编码:B D Y C SY-Z W-13104中国南方电网有限责任公司电网建设施工作业指导书第4 部分:电气试验目次1适用范围 (87)2编写依据 (87)3作业流程 (87)4安全风险辨析与预控 (87)5作业准备 (89)6作业方法 (89)7质量控制措施及检验标准 (90)105中国南方电网有限责任公司电网建设施工作业指导书 第 4 部分:电气试验1适用范围本作业指导书适用于耦合电容器。
2编写依据表2-1编写依据3作业流程图3-1作业(工序)流程图4安全风险辨析与预控4.1耦合电容器交接试验前,施工项目部根据该项目作业任务、施工条件,参照《电网建设施工安全基准风险指南》(下简称《指南》)开展针对性安全风险评估工作,形成该任务的风险分析表。
4.2按《指南》中与耦合电容器交接试验相关联的《电网建设安全施工作业票》(编码:BDYCSY-ZW-13-01/01),结合现场实际情况进行差异化分析,确定风险等级,现场技术员填写安全施工作业票,安全员审核,施工负责人签发。
106中国南方电网有限责任公司电网建设施工作业指导书 第 4 部分:电气试验4.3施工负责人核对风险控制措施,并在日站班会上对全体作业人员进行安全交底,接受交底的作业 人员负责将安全措施落实到各作业任务和步骤中。
4.4安全施工作业票由施工负责人现场持有,工作内容、地点不变时可连续使用10天,超过10天须重新办理作业票,在工作完成后上交项目部保存备查。
表4-1作业任务安全基准风险指南5作业准备 5.1人员配备表5-1作业人员配备5.2工器具及仪器仪表配置表5-2主要工器具及仪器仪表配置107中国南方电网有限责任公司电网建设施工作业指导书 第 4 部分:电气试验6作业方法6.1绝缘电阻测试绝缘电阻测试包括测量耦合电容器极间绝缘电阻、耦合电容器低压端对地绝缘电阻。
表6-1工作内容、操作及工艺6.2tan 8及电容量测试表6-2tan 8及电容量测试7质量控制措施及检验标准 7.1质量控制措施7.1.1绝缘电阻测试。
电容器检验作业指导书一、任务背景电容器是电力系统中常见的电气设备,用于储存和释放电能。
为了确保电容器的正常运行和安全使用,需要进行定期的检验工作。
本作业指导书旨在提供详细的操作步骤和要求,以确保电容器的检验工作能够准确、高效地完成。
二、检验目的1. 确保电容器的电气性能符合规定的技术要求;2. 检测电容器的绝缘性能,预防漏电和电击事故的发生;3. 检查电容器的外观和机械结构,确保其完好无损;4. 判断电容器的运行状态,提前发现潜在故障,避免事故的发生。
三、检验内容和要求1. 外观检查a. 检查电容器外壳表面是否有明显的损坏、变形或者腐蚀;b. 检查连接路线是否坚固,无松动或者破损;c. 检查标志和铭牌是否清晰可见。
2. 电气性能检测a. 使用电容器测试仪器,测量电容器的额定电容值是否符合要求;b. 测量电容器的绝缘电阻,确保其在规定范围内;c. 检测电容器的损耗角正切值,判断其绝缘状态是否良好;d. 测量电容器的等效串联电阻,确保其在规定范围内。
3. 绝缘性能检测a. 使用绝缘测试仪器,对电容器的绝缘电阻进行测量;b. 检测电容器的绝缘电阻是否满足规定的要求;c. 检测电容器的绝缘电阻是否存在明显的下降或者波动。
4. 运行状态检查a. 检查电容器的运行温度是否正常;b. 检查电容器的振动情况,确保其无异常;c. 检查电容器的噪音情况,排除异常噪音。
四、检验步骤1. 准备工作a. 确保检验仪器和设备的正常工作;b. 关闭电容器的电源,并确保其处于安全断电状态;c. 根据电容器的额定电压和额定容量,选择适当的检验仪器。
2. 外观检查a. 子细观察电容器的外观,记录任何异常情况;b. 检查连接路线的坚固性和完整性;c. 检查电容器的标志和铭牌是否清晰可见。
3. 电气性能检测a. 连接电容器测试仪器,按照仪器操作说明进行测量;b. 记录电容器的额定电容值、绝缘电阻、损耗角正切值和等效串联电阻;c. 判断测量结果是否符合规定的要求。
电容器检验作业指导书一、背景介绍电容器是一种用于存储电能的电子元件,广泛应用于电子设备、通信系统、电力系统等领域。
为了保证电容器的质量和性能稳定,进行电容器检验是必不可少的环节。
本作业指导书将详细介绍电容器检验的步骤、方法和要求,以确保电容器的质量符合标准。
二、检验步骤1. 准备工作在进行电容器检验之前,需要准备以下工作:a. 检验仪器和设备:包括电容器测试仪、万用表、电压源等。
b. 检验环境:确保检验环境干燥、无尘、无振动,并保持适宜的温度。
c. 检验样品:根据检验要求,准备待检的电容器样品。
2. 外观检查a. 检查电容器外壳是否完整,无明显的损伤、变形或者腐蚀。
b. 检查电容器引线是否坚固,无松动或者断裂现象。
c. 检查电容器标识是否清晰可读,包括型号、规格、生产日期等信息。
3. 容量测量a. 将待检电容器连接至电容器测试仪。
b. 设置测试仪的测量范围和精度。
c. 对电容器进行容量测量,并记录测量结果。
d. 根据电容器的型号和规格,判断测量结果是否符合要求。
4. 绝缘电阻测量a. 将待检电容器与万用表连接。
b. 设置万用表的测量范围和精度。
c. 对电容器进行绝缘电阻测量,并记录测量结果。
d. 根据电容器的型号和规格,判断测量结果是否符合要求。
5. 交流电压耐受测试a. 将待检电容器连接至电压源。
b. 设置电压源的输出电压和频率。
c. 对电容器进行交流电压耐受测试,并记录测试结果。
d. 根据电容器的型号和规格,判断测试结果是否符合要求。
6. 直流电压耐受测试a. 将待检电容器连接至电压源。
b. 设置电压源的输出电压。
c. 对电容器进行直流电压耐受测试,并记录测试结果。
d. 根据电容器的型号和规格,判断测试结果是否符合要求。
7. 温度特性测试a. 将待检电容器放置在恒温箱中。
b. 设置恒温箱的温度范围和稳定时间。
c. 对电容器进行温度特性测试,并记录测试结果。
d. 根据电容器的型号和规格,判断测试结果是否符合要求。
电容器检验作业指导书标题:电容器检验作业指导书引言概述:电容器是电子电路中常用的元件,用于存储电荷和调节电路的电压。
为了确保电容器的质量和性能,必须对其进行严格的检验。
本文将详细介绍电容器检验的作业指导书,包括检验前的准备工作、检验过程中的注意事项、常见的检验方法等内容,匡助操作人员正确进行电容器的检验工作。
一、检验前的准备工作1.1 确认电容器型号和规格:在进行检验之前,首先需要确认电容器的型号和规格,以便选择合适的检验方法。
1.2 准备检验设备:根据电容器的特性,准备相应的检验设备,如电容器测试仪、万用表等。
1.3 检查检验设备状态:在进行检验之前,务必检查检验设备的状态是否正常,确保设备能够正常工作。
二、检验过程中的注意事项2.1 防止静电:在操作电容器时,要注意防止静电的产生,避免对电容器造成损坏。
2.2 注意安全:在进行检验时,要注意安全,避免触电或者其他意外事故的发生。
2.3 严格按照操作规程进行:在进行检验时,要严格按照操作规程进行,确保检验结果的准确性。
三、常见的检验方法3.1 电容值测试:通过电容器测试仪对电容器的电容值进行测试,确保电容器的性能符合要求。
3.2 绝缘电阻测试:通过万用表对电容器的绝缘电阻进行测试,检查电容器是否存在绝缘故障。
3.3 介质损耗测试:通过介质损耗测试仪对电容器的介质损耗进行测试,检查电容器的损耗情况。
四、检验结果处理4.1 合格处理:如果电容器的检验结果符合标准要求,可以将其标记为合格,并进行包装存放。
4.2 不合格处理:如果电容器的检验结果不符合标准要求,需要进行不合格处理,如退货或者返修。
4.3 记录与报告:对每次电容器的检验结果都要进行记录和报告,以便追溯和分析。
五、检验后的维护与保养5.1 定期检验:定期对电容器进行检验,确保其性能稳定。
5.2 防潮防尘:在存放电容器时,要注意防潮防尘,避免影响其性能。
5.3 注意使用环境:在使用电容器时,要注意使用环境,避免对电容器造成损坏。
电容器检验作业指导书一、任务描述本文档旨在提供电容器检验作业的详细指导,包括检验前的准备工作、检验步骤、检验方法、数据记录和结果分析等内容。
二、准备工作1. 确定检验对象:根据需要检验的电容器类型和规格,选择相应的电容器进行检验。
2. 检查设备和工具:确保检验所需的设备和工具完好,并符合相应的标准要求。
3. 检查环境条件:检验应在适宜的环境条件下进行,如温度、湿度等符合规定范围。
4. 安全措施:确保检验过程中的安全,如佩戴防护手套、眼镜等。
三、检验步骤1. 外观检查:仔细检查电容器外壳是否完整,无明显损伤和变形,标识是否清晰可辨,无腐蚀和污染等。
2. 尺寸测量:使用合适的工具测量电容器的尺寸,包括长度、宽度、高度等,确保符合规定要求。
3. 电性能检验:根据电容器的类型和规格,选择相应的检验方法进行电性能测试,如电容量、电压、漏电流、介质损耗等。
4. 绝缘性能检验:使用绝缘电阻测试仪等设备,对电容器的绝缘性能进行检验,确保符合规定的绝缘电阻要求。
5. 寿命测试:对电容器进行寿命测试,如温度循环测试、湿热循环测试等,以评估其使用寿命和可靠性。
四、检验方法1. 外观检查方法:目测检查电容器外观,使用放大镜检查标识和表面细节。
2. 尺寸测量方法:使用卡尺、测微计等工具进行尺寸测量,确保测量准确。
3. 电性能检验方法:根据电容器的类型和规格,选择相应的测试设备和方法,如LCR仪、电压源等。
4. 绝缘性能检验方法:使用绝缘电阻测试仪等设备,按照设备说明书进行测试。
5. 寿命测试方法:根据相关标准和规范,选择合适的寿命测试方法和设备。
五、数据记录和结果分析1. 数据记录:在检验过程中,及时记录检验数据,包括外观检查结果、尺寸测量数据、电性能检验数据、绝缘性能检验数据等。
2. 结果分析:根据检验数据,对电容器的外观、尺寸、电性能、绝缘性能进行分析,判断是否符合规定要求。
六、注意事项1. 操作规范:按照操作规范进行检验操作,避免因操作不当导致的误差。
编号:Q/×××××变电站××kV××耦合电容器预防性试验作业指导书
编写:年月日
审核:年月日
批准:年月日
试验负责人:
试验日期年月日时至年月日时
荆门供电公司×××
1适用范围
本作业指导书适用于××变电站××kV××耦合电容器预防性试验。
2规范性引用文件
下列标准及技术资料所包含的条文,通过在本作业指导书中引用,而构成为本作业指导书的条文。
本作业指导书出版时,所有版本均为有效。
所有标准及技术资料都会被修订,使用本作业指导书的各方应探讨使用下列标准及技术资料最新版本的可能性。
DL/T 596--1996 电力设备预防性试验规程
国家电网公司电力安全工作规程(变电站和发电厂电气部分)(试行) 国家电网安监[2005]83号文
3试验前准备工作安排
3.1准备工作
3.2人员要求
3.3仪器仪表和工具
3.4危险点分析
3.5安全措施
3.6试验分工
4 试验程序
4.1开工
4.2试验项目和操作标准
4.3竣工
5 试验总结
6 作业指导书执行情况评估
7附录
××kV耦合电容器试验记录。