马头门施工技术交底3号通道
- 格式:doc
- 大小:1.56 MB
- 文档页数:10
1. 本表由施工单位填写、交底单位与接受交底单位各保存一份。
1. 本表由施工单位填写、交底单位与接受交底单位各保存一份。
1. 本表由施工单位填写、交底单位与接受交底单位各保存一份。
1. 本表由施工单位填写、交底单位与接受交底单位各保存一份。
1. 本表由施工单位填写、交底单位与接受交底单位各保存一份。
1. 本表由施工单位填写、交底单位与接受交底单位各保存一份。
1. 本表由施工单位填写、交底单位与接受交底单位各保存一份。
1. 本表由施工单位填写、交底单位与接受交底单位各保存一份。
技术交底记录表编号:DCJ018项目名称西安地铁6号线TJSG-5标韦斗路站~西部大道站区间交底类别暗挖隧道初期支护马头门破除安全技术交底主持人交底人交底时间2017.03.10交底地点交底内容摘要马头门破除过程中的安全隐患及控制措施,包括施工人员现场管理、现场机械使用、用电防护、电焊保护及文明施工等。
书面资料附件附件:《暗挖隧道初期支护马头门破除安全技术交底》记录人记录时间2017年03月10日附件:暗挖隧道初期支护马头门破除安全技术交底交底内容:1、进入施工场地内所有人员必须正确佩戴好安全帽、反光背心及各工种相关要求的防护用品,严禁穿拖鞋、高跟鞋进入施工场地内。
2、新进场的作业人员,必须首先参加入场安全教育培训,经考试合格后方可上岗,未经教育培训与考试不合格人员,不得上岗作业。
3、从事特种作业人员,必须持证上岗,严禁无证操作,禁止操作与自己无关的机械设备。
4、施工现场严禁吸烟,禁止酒后作业。
5、马头门破除机械进场应全面检查,经相关部门验收合格后方可使用。
6、马头门破除竖井上下吊运材料时,井下人员必须撤离至安全区域内,严禁站立提升系统正下方,同时破除作业面内应有足够的照明设施。
7、顶板环框梁边上,严禁堆放材料及杂物,以防跌落竖井内。
8、脚手架搭设必须按要求施工,木板必须满铺,并设置安全防护网,脚手架使用前必须经过相关部门检查合格后,方可使用,高空作业(h≥2m)施工作业时,必须系好合格的安全带,安全带要系挂牢固,高挂低用,9、现场氧气乙炔切割作业,氧气瓶、乙炔瓶及软管、阀、仪表应齐全有效,连接牢固,不得松动,氧气乙炔瓶及附件上均不得沾有油污,氧气乙炔瓶及切割作业点各之间的距离不得小于10m,否则必须采取隔离措施,氧气乙炔瓶不得防止在强烈日光下长时间暴晒,氧气乙炔瓶不得放置在易燃易爆物品旁边,严禁使用未安装减压器的氧气瓶作业。
点燃焊炬时,应先开乙炔阀点火,然后开氧气阀调整火焰,关闭时应先关闭乙炔阀,后关闭氧气阀。
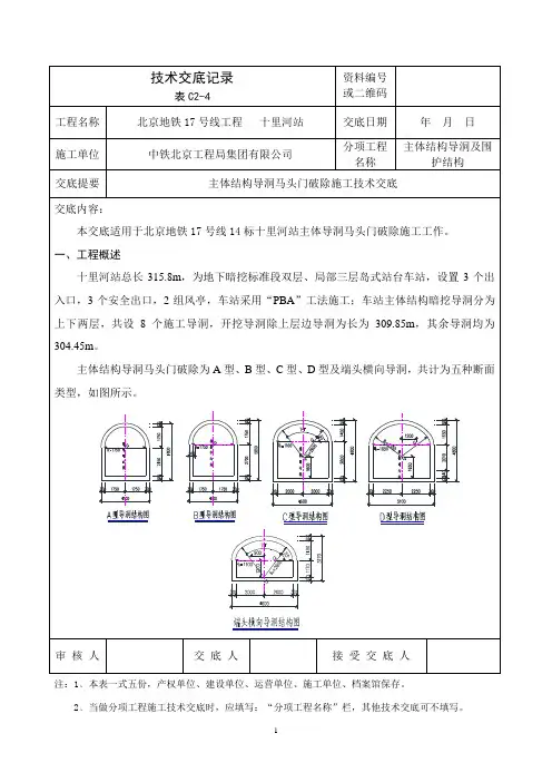
技术交底记录表
附件:
2)测量放样
施工前由测量组准确放样隧道轮廓线,并在掌子面做好标记,现场技术人员在马头门施工前应复核马头门位置、标高等尺寸,确认无误后,方可施工.待马头门破除完成后,在土方开挖之前,由测量组复核隧道净空尺寸,净空无法达到施工要求,继续破除达标即可.
3)超前小导管施工
马头门采用大管棚及小导管注浆加固拱顶,超前小导管采取A42*3.5米米热轧无缝钢管,沿隧道拱部150°范围内布设L=3米,环向间距0.3米,外插角控制在7°~10°之间,利用风钻作动力,用专用顶头将小导管顶入.注浆浆液为0.6:1~1:1水泥浆液,注浆压力为0.3~0.5米pa.
4)马头门破除施工
①马头门破除顺序如下图:
(渡线段A断面马头门破除歩序图见附图)
先破除①分部围护桩,待上台阶进尺达到5米,开始破除②分部围护桩.
②马头门位置破除围护桩施工方法(采用水钻静力+风镐+微膨胀剂组合形式,按相应隧道断面施工工法分块破除):
a.先采用水钻以洞门轮廓线向内破除厚0.5米,再采用风镐+微膨胀剂整体破除厚0.5米;
b.拱顶处采用风镐+微膨胀剂竖向向上反挖破除0.3米;
c.采用风镐+微膨胀剂整体破除进尺达到供连立三榀钢格栅安装架立宽度;
d.前0.75米位置进行三榀钢格栅支护连立并喷砼.
马头门破除采用环向破除的方法,沿导洞外轮廓线破除混凝土,预留核心混凝土部分,核心土断。
田兴铁矿 3#主井大件道马头门施工技术安全措施田兴铁矿 3#主井现已进行井筒工作面注浆工作,即将进入大件道马头门施 工,为保证大件道马头门能够安全、优质、高效的施工,特编制该措施以指导施 工。
编制依据: (1) 《河北钢铁集团矿业有限公司田兴铁矿 3#主井井筒及相关巷道硐室掘 砌工程施工组织设计》 (2) 《冶金矿山井巷工程质量检验评定标准》YBJ218-89 (3) 《矿山井巷工程施工及验收规范》 (GB213-90) 第一章 工程概况河北钢铁矿集团矿业有限公司田兴铁矿位于河北省滦县响嘡镇境内, 3#主 井井中设计坐标X=4391253.0,Y=40394396,井口标高+20。
根据图纸设计大件道 马头门净底板标高为-535.0,设计高度为11.5m,深度9m,临时支护采用锚网索 喷联合支护,永久支护为素砼支护,支护厚度为400mm,砼强度等级为C40。
地坪 支护形式为素砼支护,支护厚度为200mm,砼强度等级为C10。
井筒与绕道保护层 厚度为250mm,绕道高度为2.3m、长度为7.3m,支护厚度为250mm,采用C40混凝 土浇筑。
即将转入大件道马头门施工时,应提前对工作面进行预注浆工作。
第二章 水文地质基岩裂隙含水层 (带)矿区基岩为一套变质程度较浅并经受不同程度混合岩 化的古老变质岩系,经过长期的地质作用,形成统一的裂隙承压含水层。
依据其 成因、 裂隙发育程度以及岩体的埋深条件不同,将岩裂隙含水岩系划分为古老风 化壳裂隙含水带与深部构造裂隙含水带两部分。
根据 1 号-2 号主井间孔及 2 号-3 号主井间孔钻孔资料,1#、2#、3#主井井 筒穿过岩层为黑云变粒岩,主要为坚硬岩石,硬度 9≤f≤13。
第三章 一、施工方案 井筒掘砌至垂深 544m 处停止砌壁,井筒继续向下掘进并进行连接处和绕道 施工方案及施工准备的拨门施工。
大件道马头门采用短段掘砌的施工方式,并及时进行临时支护,临 时支护采用锚网喷临时支护。
【最新资料Word版可自由编辑!】1Z101000 工程经济1Z101010 资金时间价值的计算及应用P111.利息的计算P112。
资金等值计算及应用P513。
名义利率于有效利率的计算P111Z101020 技术方案经济效果评价P1421.经济效果评价的内容P1422. 经济效果评价指标体系P1823. 投资收益率分析P1924。
投资回收期分析P2225. 财务净现值分析P2426。
财务内部收益率分析P2527。
基准收益率的确定P2628. 偿债能力分析P281Z101030 技术方案不确定分析P3131.不确定性分析P3132.盈亏平衡分析P3333.敏感性分析P381Z101040 技术方案现金流量表的编制P4141.技术方案现金流量表P4242.技术方案现金流量表的构成要素P451Z101050 设备更新分析P5351.设备磨损与补偿P5352.设备更新方案的比选P5553.设备更新方案的比选方法P561Z101060 设备租赁与购买方案的比选分析P6161.设备租赁与购买的影响因素P6162.设备租赁与购买的比选分析P621Z101070 价值工程在工程建设中的应用P6671.提高价值的途径P6772.价值工程在工程建设应用中的实施步骤P711Z101080 新技术、新工艺和新材料应用方案的技术经济分析P78 81.新技术、新工艺和新材料应用方案的选择原则P7982.新技术、新工艺和新材料应用方案的技术分析P7983.新技术、新工艺和新材料应用方案的经济分析P801Z102000 工程财务1Z102010 财务会计基础P8411.财务会计的职能P8412.会计核算的原则P8513.会计核算的基本前提P8614.会计要素的组成和会计等式的应用P881Z102020 成本与费用P9121.费用与成本的关系P9122。
工程成本的确认和计算方法P9323。
工程成本的核算P9924。
期间费用的核算P1051Z102030 收入P10631.收入的分类及确认P10632. 建造(施工)合同收入的核算P1091Z102040 利润和所得税费用P11441.利润的计算P11442.所得税费用的确认P1171Z102050 企业财务报表P12351.财务报表的构成P12352.资产负债表的内容和作用P12453.利润表的内容和作用P12754.现金流量表的内容和作用P12855.财务报表附注的内容和作用P1321Z102060财务分析P13361.财务分析方法P13362.基本财务比率的计算和分析P1351Z102070筹资管理P13971.资金成本的作用及其计算P13972.短期筹资的特点及和方式P14173.长期筹资的特点及和方式P1451Z102080流动资产财务管理P14881.现金和有价证券的财务管理P14882.应收账款的财务管理P15083.存货的财务管理P1511Z103000 建设工程估价1Z103010 建设工程项目总投资P15311.建设工程项目总投资的组成P15312。
注:1﹑本表一式五份,产权单位、建设单位、运营单位、施工单位、档案馆保存。
2﹑当做分项工程施工技术交底时,应填写:“分项工程名称”栏,其他技术交底可不填写。
注:1﹑本表一式五份,产权单位、建设单位、运营单位、施工单位、档案馆保存。
2﹑当做分项工程施工技术交底时,应填写:“分项工程名称”栏,其他技术交底可不填写。
注:1﹑本表一式五份,产权单位、建设单位、运营单位、施工单位、档案馆保存。
2﹑当做分项工程施工技术交底时,应填写:“分项工程名称”栏,其他技术交底可不填写。
表C2-4或二维码工程名称北京地铁17号线工程十里河站交底日期年月日施工单位中铁北京工程局集团有限公司分项工程名称主体结构导洞及围护结构交底提要主体结构导洞马头门破除施工技术交底交底内容:3.破除马头门马头门上导洞破除采用先两边后中间从上往下按照①—②—④的顺序依次破除的方法,沿导洞外轮廓线破除混凝土,预留核心混凝土部分,核心土断面面积不小于开挖上台阶断面积的1/2。
割除横通道格栅及连接筋,割除格栅主筋和连接筋应预留220mm长度以便与导洞格栅主筋焊接连接,先割除外侧主筋,待马头门第一榀格栅安装完成后,再割除内测主筋。
导洞分部破除及“L”型连接钢筋焊示意图马头门破除后,安装格栅以及预埋连接筋,马头门前4榀格栅联立密排,以连接板密贴为准。
马头门位置第一榀格栅必须与横通道格栅用“L”型连接钢筋连接成整体,连接钢筋与横通道侧壁连接钢筋搭接焊接,焊缝长度单面焊10d,双面焊5d,同时与横通道格栅接触的位置按照十字交叉焊接的要求进行焊接。
审核人交底人接受交底人注:1﹑本表一式五份,产权单位、建设单位、运营单位、施工单位、档案馆保存。
2﹑当做分项工程施工技术交底时,应填写:“分项工程名称”栏,其他技术交底可不填写。
注:1﹑本表一式五份,产权单位、建设单位、运营单位、施工单位、档案馆保存。
2﹑当做分项工程施工技术交底时,应填写:“分项工程名称”栏,其他技术交底可不填写。
03标段马头门施工方案一、工程概况马头门工程位于xx市中心,总长度为xx米,宽度为xx米。
本次施工主要任务是对马头门进行修缮和改造,包括外墙砌筑、外立面装饰、室内装修、设备更新等工作。
二、施工内容及方法1.外墙砌筑:根据设计图纸要求,采用传统的砌筑工艺,选用优质砂、水泥和石料进行砌筑。
砌筑工艺包括浇筑基础、砌筑墙体、砌筑门楼等工作。
2.外立面装饰:对马头门的外立面进行装饰,包括涂料刷漆、雕塑装饰等工作。
为确保施工质量,选用高品质涂料和环保材料进行施工。
3.室内装修:对马头门内部进行装修,主要包括地面处理、墙面装饰、天花板装饰、灯具安装等工作。
选用质量好、防火、环保的装修材料进行施工。
4.设备更新:对马头门的相关设备进行更新,包括门禁系统、安防监控系统、照明设备等。
选用先进的设备和技术,确保设备的正常运行和安全性。
三、施工组织1.项目经理负责统筹协调本次施工任务,并制定详细的施工计划。
项目经理需要具备相关施工经验和管理能力。
2.施工人员:根据工程规模和施工进度,合理安排施工人员数量和工作岗位,确保施工任务的顺利进行。
3.物料供应:及时采购和调配施工所需的各类物料和设备,确保施工过程中的物资供应和使用。
4.安全保障:制定详细的安全管理措施,确保施工人员的人身安全和工程质量安全。
5.环境保护:严格按照环境保护要求进行施工,减少环境污染和损害。
四、施工进度1. 马头门外墙砌筑预计耗时xx天,其中浇筑基础xx天,砌筑墙体xx天,砌筑门楼xx天。
2. 马头门外立面装饰预计耗时xx天,包括涂料刷漆xx天,雕塑装饰xx天。
3. 马头门室内装修预计耗时xx天,包括地面处理xx天,墙面装饰xx天,天花板装饰xx天,灯具安装xx天。
4. 马头门设备更新预计耗时xx天,包括门禁系统更新xx天,安防监控系统更新xx天,照明设备更新xx天。
五、质量控制1.严格按照设计图纸和规范要求进行施工,不得有变通和疏漏。
2.采用先进的施工设备和工艺,确保施工质量。
交底内容:1施工准备1.1施工管理、人力配置现场施工及管理人员值班管理,24小时不间断施工。
现场管理人员2名,马头门开挖人员20人。
1.2机械设备马头门施工过程机械设备主要包括破马头门机械和格栅(钢拱架)安装机械以及其他辅助设备,为了保证项目顺利实施,并且保证施工工期,拟投入一下设备:部位机械破马头门空压机2台风镐10台气割2套格栅安装喷射机1台搅拌机1台电焊机4台1.3 材料计划制作好的格栅(钢拱架),提前一天进场,现场材料堆放、保存按照相关规范要求和技术性能要求严格执行。
1.4风险分析1.4.1 由竖井进入主隧道暗挖段,马头门处施工是一道关键工序,本段地基土分布较均匀,性质变化不大。
1.4.2 影响地表沉降的因素主要有两个:一是控制上层土塌方。
二是控制砂层塌方。
1.4.3 对砂层防坍塌施工采用加密双液浆施工,注浆施工的加固效果直接体现在开挖掌子面上不坍塌,注浆效果明显。
1.5施工进度计划马头门施工主要的工程量是破桩,2#竖井导洞破桩3天第4天为隧道正常施工。
2 施工方法在距离马头门位置1米处,调整隧道格栅步骤,保证1米内有三品格栅,形成一道加强圈梁,保证洞口稳定。
具体步骤是:中导洞上台阶先破除4根桩,从上台阶拱顶破除后将1单元、2单元钢架按照高程中心位置,安装到位。
将3单元、4单元、5单元分步进行,下台阶封底,形成一个完整的环梁肢体连接筋网片,按要求搭接焊,挂好网片进行喷射混凝土,使中导洞形成稳定的肢体。
建立三个监测点,监测顶部下沉和边墙收敛。
Ⅱ单元Ⅰ单元Ⅲ单元Ⅳ单元Ⅴ单元马头门施工方法:超前大管棚施工——环框梁施工——破桩——打设桩间超前小导管——格栅施工——导洞开挖2.1打设超前大管棚(1)超前大管棚采用Φ108热轧无缝钢管,长度12m,壁厚8mm,间距3500mm,设于拱部,沿开挖轮廓外布置,管口中心外放至开挖轮廓线400mm,外插角均为1°,管内注水泥水玻璃双液浆。
(2)管棚采用“有线仪器定向,一次性跟管钻进法”,即成孔和埋设管棚一次完成。
技术交底记录
交底内容:
一、施工准备
施工机具:提升抓斗、电焊机、干喷机、空压机、自动计量设备、风镐等。
二、施工步骤
1、马头门打设大管棚及小导管:Ф108普通钢管,壁厚8mm,L=18m,拱部150°范围布设,环向间距0.4m,外插角1~2°。
设置Ф32注浆小导管,壁厚2.75mm,管长L=2.5m,拱部150°范围布设,环向间距0.4m,纵向间距1m,加固长度18m,外插角10°左右。
2、破除顺序:○1拱部管棚、超前注浆小导管施工——○2上台阶环形开挖留核心土——○3上台阶初期支护——○4下台阶开挖——○5下台阶初期支护
3、测量放线:放出马头门的位置,并根据中心线,确定整个横通道的开挖轮廓线。
考虑施工下导洞时,宜引起下沉及收敛,格栅按外放10cm加工。
4、上台阶破除
(1)混凝土破除
技术交底记录
技术交底记录。
(2)马头门破除平台搭设;严格按照脚手架规范进行搭设,搭设完毕后经验收合格后方可使用。
(3)上台阶肥槽砖墙破除:①轨排井主体结构与围护结构之间为60Omm肥槽,肥槽采用砖砌筑,肥槽中包含围护结构钢腰梁与锚索,钢腰梁拆除时先割断锚索,再将钢腰梁分段拆除。
②肥槽砖墙破除为环形破除,为方便操作,破除预留“核心土”。
如下如所示:③待肥槽破除完成后,支立上台阶钢格栅,挂网、焊接连接筋、喷射混凝土,钢格栅直立在距主体结构迎上面140Innl处,喷混凝土时喷射成140*25Onlnl的钝角,方便以后区间防水与轨排井的防水顺接。
(4)上台阶围护结构网喷与围护桩破除①用风钻钻眼打设超前小导管并做注浆加固围护桩附近及桩后土体。
②沿开挖轮廓线环形破除上台阶范围内围护桩,清理桩间土,围护桩破除宽度为0.8'lm,深度为0.5m,架设洞门上台阶第一幅格栅,格栅主筋与围护桩主筋焊接为整体;审核人交底人接受交底人③上台阶第一根格栅架设并与围护桩钢筋焊接完成后,与肥槽格栅连接,立即挂钢筋网、喷射混凝土封闭;密排架设第二幅格栅,格栅主筋与围护桩主筋焊接为整体;⑤上台阶第二槁格栅架设并与围护桩钢筋焊接完成后,立即挂钢筋网、喷射混凝土封闭;技术交底记录表C2T编号工程名称交底日期施工单位分项工程名称交底提要 轨排井马头门破除交底内容:⑥将上台阶剩余围护桩全部破除,架设洞口上台阶第三根格栅,前三根(格栅密排布置,并与围护班主筋焊表C2T工程名称交底日期施工单位分项工程名称交底提要 轨排井马头门破除编号交底内容:技术交底记录 2、当做分项工程施工技术交底时,应填写“分项工程名称“栏,其他技术交底可不填写。
接为整体,上台阶第三福格栅架设完成后,立即挂钢筋网、喷射混凝土封闭;⑦向前开挖上台阶第四根并架设格栅,挂钢筋网、喷射混凝土封闭,格栅步距调整为0.5叱⑧依次进行上台阶后续开挖及支护,预留核心土;⑨待上台阶进尺7m后,同样工序破除下台阶围护桩,进行下台阶开挖及支护。
马头门施工方案一、施工概况1。
1 设计简介竖井马头门即竖井与廊道交叉处。
本标段共设2个施工廊道竖井:分别为4#竖井廊道和5#竖井廊道,廊道中线线与竖井中线重合——4#竖井廊道位于里程4+979。
000处,5#竖井廊道根据设计图纸位于5+175处,均与暗涵交角90°.。
两个施工廊道均由西向东横穿西四环辅路至主路下方.4#竖井廊道长47。
49m,5#竖井廊道长55。
03。
廊道与竖井关系见下图1~3.图1竖井廊道平面图(单位:mm)300300?4000?40001西四环暗涵300300300060004300430020.5%23003300地面高程31100100012200(6200)100001300690018700(12700)施工廊道底高程C20砼回填说明:凡带括号的尺寸,括号外尺寸为5#廊道尺寸,括号内标注为4#廊道尺寸,图2竖井廊道纵断面图(单位:m m)廊道根据断面高度不同分为标准段、渐变段及加高段,廊道标准断面高4。
9m 、宽5。
2m ,加高断面高7.5m、宽5。
2m,,靠近暗涵段廊道设渐变段断面逐渐抬高,最终成为加高段以施工暗涵开洞门,廊道及交叉口为直墙圆拱初支结构断面.廊道断面图见下图4.二、施工方案图5 廊道马头门施工示意图⑴排设超前小导管及注浆竖井施作完毕后,在井壁上放出廊道开挖外轮廓线的位置,并标出超前小导管的位置,小导管长度为2。
25m,且尽量与廊道中线保持平行,超前注浆加固洞口处地层。
马头门断面图见图4的廊道开挖横断面示意图。
⑵分部破除马头门处井壁砼,割除钢格栅支撑,架立马头门钢格栅注浆完毕后,即破除马头门处上半断面竖井井壁砼,割除该部位钢格栅支撑,第一榀格栅架设上部拱架,并将其主筋与周围的竖井井壁钢格栅焊接牢固,施作锁脚锚杆,并及时喷射砼。
然后破除马头门下部竖井井壁砼,割除该部位的钢格栅支撑,第一榀格栅架设下部拱架,同样将其主筋与周围的竖井钢格栅焊接牢固,并及时喷射砼。
二级建造师2023市政实务常考知识点:马头
门施工技术
二级建造师2023市政实务常考知识点:马头门施工技术马头门施工技术
〔1〕竖井初期支护施工至马头门处应预埋暗梁及暗桩,并应沿马头门拱部外轮廓线打入超前小导管,注浆加固地层。
〔2〕破除马头门前,应做好马头门区域的竖井或隧道的支撑体系的受力转换。
〔3〕马头门开挖施工应严格按照设计要求,并应采取加强措施。
〔4〕马头门的开挖应分段破除竖井井壁,宜按照先拱部、再侧墙、最后底板的顺序破除。
隧道掘进方式为环形开挖预留核心土法时,马头门施工步序如下:
1〕开挖上台阶土方时应保存核心土。
2〕安装上部钢格栅,连接纵向钢筋,挂钢筋网,喷射混凝土。
3〕上台阶掌子面进尺3~5m时开挖下台阶,破除下台阶隧道洞口竖井井壁。
4〕开挖下台阶土方。
5〕安装下部钢格栅,连续纵向钢筋,挂初支钢筋网,喷射墙体及仰拱混凝土。
〔5〕马头门处隧道应密排三榀格栅钢架;隧道格栅主筋应与格栅主筋、连接筋焊接结实;隧道纵向连接筋应与竖井主筋焊接结实。
〔6〕马头门开启应按顺序进展,同一竖井内的马头门不得同时施工。
一侧隧道掘进15m后,方可开启另一侧马头门。
马头门标高不一致时,宜遵循“先低后高”的原那么。
〔7〕施工中严格贯彻“管超前、严注浆、短开挖、强支护、勤量测、早封闭”的十八字方针。
〔8〕开挖过程中必须加强监测,一旦土体出现坍塌征兆或支护构造出现较大变形时,应立即停顿作业,经处理前方可继续施工。
〔9〕停顿开挖时,应及时喷射混凝土封闭掌子面;因特殊原因停顿作业时间较长时,应对掌子面采取加强封闭措施。